Buck-Boost-Integrated, Dual-Active Bridge-Based Four-Port Interface for Hybrid Energy Systems
Abstract
1. Introduction
- (a)
- Series connections of solar PV modules and of batteries are required to match their operating voltage to the voltage level of the AC microgrid if low-gain MPCs are employed.
- (b)
- Inductor/capacitor-coupled high-gain MPCs are not suitable for high-power applications.
- (c)
- In the case of multi-winding transformer-coupled MPCs, the solar port and the battery port, as well as the wind port and battery ports, are coupled through the transformer. This decreases the efficiency.
- (d)
- In some of the MPCs reported in the literature, the voltage range for which the PV module and wind system can be operated is limited by the battery voltage.
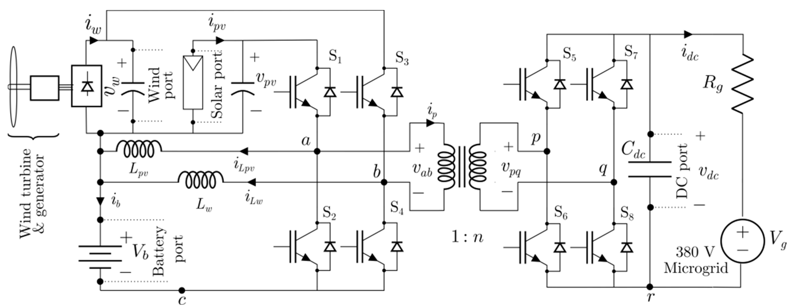
2. The Four-Port Interface
3. Mathematical Modeling
4. Control Systems
5. Simulated Results and Discussion
6. Conclusions
- The operation of the MPC is analyzed for various switching intervals, and steady-state relationships for its voltages and power are formulated;
- A large-signal as well as a small-signal mathematical model of the system has been developed, using the first component approximation method;
- A control structure is developed to meet the multiple requirements of the system, such as extracting the maximum power from renewable sources and regulating the charging current of the battery;
- A simulation study is carried out using the MATLAB/Simulink platform, by employing the controller that was designed using the small-signal model.
Author Contributions
Funding
Institutional Review Board Statement
Informed Consent Statement
Data Availability Statement
Acknowledgments
Conflicts of Interest
Symbols and Abbreviations
| ALS, A | State matrices in state space representations |
| BLS, B | Input matrices in state space representations |
| Cpv, Cw | Capacitors at the input side |
| Cdc | Capacitor at the output side |
| DAB | Dual active bridge |
| D, Dpv, Dw | Duty cycles of the primary side switches |
| ESS | Energy storage systems |
| FCA | First component approximation |
| Fs | Switching frequency |
| HCA | Hill–Climp algorithm |
| IGBT | Insulated gate bipolar transistor |
| ipv | Current from the solar panel |
| iw | Current from the wind turbine |
| iLpv, iLw | Inductor current |
| ip | Transformer primary current |
| Lp | Total leakage inductance of the transformer referred to the primary |
| Lpv, Lw, L | Inductors in the MPC |
| MPC | Multi-port converter |
| MPPT | Maximum power point tracking |
| n | The turns ratio of the transformer |
| PIpv, PIw | PI controllers |
| Φ | Phase-shift angle between primary and secondary voltage of the transformer |
| QAB | Quad active bridge |
| RES | Renewable energy sources |
| sx | Switching function of switch x |
| Ts | Time period of the switching operation |
| ULS, U | Input vectors in state space representations |
| Vb | Battery voltage |
| Vpv | Operating voltage of the PV panel |
| Vpvm | PV voltage corresponding to maximum power |
| Vw | Operating voltage of the wind turbine |
| XLS, X | State vectors in state space representations |
References
- Lasseter, R.H. Microgrids. In Proceedings of the 2002 IEEE Power Engineering Society Winter Meeting, Conference Proceedings, New York, NY, USA, 27–31 January 2002; Volume 1, pp. 305–308. [Google Scholar]
- Guerrero, J.M.; Vasquez, J.C.; Matas, J.; de Vicuna, L.G.; Castilla, M. Hierarchical control of droop-controlled ac and dc microgrids—A general approach toward standardization. IEEE Trans. Ind. Electron. 2011, 58, 158–172. [Google Scholar] [CrossRef]
- Lee, P.-W.; Lee, Y.-Z.; Lin, B.-T. Power distribution systems for future homes. In Proceedings of the IEEE 1999 International Conference on Power Electronics and Drive Systems, Hong Kong, China, 27–29 July 1999; Volume 2, pp. 1140–1146. [Google Scholar]
- Anand, S.; Fernandes, B.G. Optimal voltage level for dc microgrids. In Proceedings of the IECON 2010—36th Annual Conference on IEEE Industrial Electronics Society, Glendale, AZ, USA, 7–10 November 2010; pp. 3034–3039. [Google Scholar]
- Decuir, J.; Michael, P. IEEE Draft Standard for DC Microgrids for Rural and Remote Electricity Access Applications. In Proceedings of the 2017 IEEE Conference on Technologies for Sustainability, Phoenix, AZ, USA, 12–14 November 2020; pp. 1–46. [Google Scholar]
- Bhattacharjee, A.K.; Kutkut, N.; Batarseh, I. Review of Multiport Converters for Solar and Energy Storage Integration. IEEE Trans. Power Electron. 2019, 34, 1431–1445. [Google Scholar] [CrossRef]
- Wu, H.; Xing, Y.; Xia, Y.; Sun, K. A family of non-isolated threeport converters for stand-alone renewable power system. In Proceedings of the IECON 2011—37th Annual Conference of the IEEE Industrial Electronics Society, Melbourne, Australia, 7–10 November 2011; pp. 1030–1035. [Google Scholar]
- Ding, S.; Wu, H.; Xing, Y.; Fang, Y.; Ma, X. Topology and control of a family of non-isolated three-port DC-DC converters with a bidirectional cell. In Proceedings of the 2013 Twenty-Eighth Annual IEEE Applied Power Electronics Conference and Exposition, Long Beach, CA, USA, 17–21 March 2013; pp. 1089–1094. [Google Scholar]
- Tomas-Manez, K.; Anthon, A.; Zhang, Z.; Ouyang, Z.; Franke, T. High efficiency non-isolated three port DC-DC converter for PV-battery systems. In Proceedings of the 2016 IEEE 8th International Power Electronics and Motion Control Conference (IPEMC-ECCE Asia), Hefei, China, 22–26 May 2016; pp. 1806–1812. [Google Scholar]
- Chen, Y.M.; Huang, A.Q.; Yu, X. A High Step-Up Three-Port DC-DC Converter for Stand-Alone PV/Battery Power Systems. IEEE Trans. Power Electron. 2013, 28, 5049–5062. [Google Scholar] [CrossRef]
- Prabhala, V.A.K.; Fajri, P.; Gouribhatla, V.S.P.; Baddipadiga, B.P.; Ferdowsi, M. A DC–DC Converter With High Voltage Gain and Two Input Boost Stages. IEEE Trans. Power Electron. 2016, 31, 4206–4215. [Google Scholar] [CrossRef]
- Zhao, C.; Kolar, J.W. A novel three-phase three-port UPS employing a single high-frequency isolation transformer. In Proceedings of the 2004 IEEE 35th Annual Power Electronics Specialists Conference, Aachen, Germany, 20–25 June 2004; Volume 6, pp. 4135–4141. [Google Scholar]
- Itoh, K.; Ishigaki, M.; Yanagizawa, N.; Tomura, S.; Umeno, T. Analysis and Design of a Multiport Converter Using a Magnetic Coupling Inductor Technique. IEEE Trans. Ind. Appl. 2015, 51, 1713–1721. [Google Scholar] [CrossRef]
- Wu, H.; Chen, R.; Zhang, J.; Xing, Y.; Hu, H.; Ge, H. A Family of Three-Port Half- Bridge Converters for a Stand-Alone Renewable Power System. IEEE Trans. Power Electron. 2011, 26, 2697–2706. [Google Scholar] [CrossRef]
- Wu, H.; Sun, K.; Chen, R.; Hu, H.; Xing, Y. Full-Bridge Three-Port Converters WithWide Input Voltage Range for Renewable Power Systems. IEEE Trans. Power Electron. 2012, 27, 3965–3974. [Google Scholar] [CrossRef]
- Zhu, H.; Zhang, D.; Athab, H.S.; Wu, B.; Gu, Y. PV Isolated Three-Port Converter and Energy-Balancing Control Method for PV-Battery Power Supply Applications. IEEE Trans. Ind. Electron. 2015, 62, 3595–3606. [Google Scholar] [CrossRef]
- Kheraluwala, M.N.; Gascoigne, R.W.; Divan, D.M.; Baumann, E.D. Performance characterization of a high-power dual active bridge DC-to-DC converter. IEEE Trans. Ind. Appl. 1992, 28, 1294–1301. [Google Scholar] [CrossRef]
- Vishal, M.J.; Nair, A.C.; Fernandes, B.G. Quad-Active-Bridge DC-DC Converter based on-board Power Electronic Interface for Electric Vehicle. In Proceedings of the 2018 IEEE International Conference on Power Electronics, Drives and Energy Systems (PEDES), Chennai, India, 18–21 December 2018; pp. 1–6. [Google Scholar]
- Anees, V.P.; Biswas, I.; Chatterjee, K.; Kastha, D.; Bajpai, P. Isolated Multiport Converter for Solar PV Systems and Energy Storage Systems for DC Microgrid. In Proceedings of the 2018 15th IEEE India Council International Conference (INDICON), Coimbatore, India, 16–18 December 2018; pp. 1–6. [Google Scholar]
- Wang, L.; Wang, Z.; Li, H. Asymmetrical Duty Cycle Control and Decoupled Power Flow Design of a Three-port Bidirectional DC-DC Converter for Fuel Cell Vehicle Application. IEEE Trans. Power Electron. 2012, 27, 891–904. [Google Scholar] [CrossRef]
- Tao, H.; Kotsopoulos, A.; Duarte, J.L.; Hendrix, M.A.M. Transformer-Coupled Multiport ZVS Bidirectional DC–DC Converter With Wide Input Range. IEEE Trans. Power Electron. 2008, 23, 771–781. [Google Scholar] [CrossRef]
- Debnath, D.; Chatterjee, K. Two-Stage Solar Photovoltaic-Based Stand-Alone Scheme Having Battery as Energy Storage Element for Rural Deployment. IEEE Trans. Ind. Electron. 2015, 62, 4148–4157. [Google Scholar] [CrossRef]
- Su, G.J.; Peng, F.Z. A low cost, triple-voltage bus DC-DC converter for automotive applications. In Proceedings of the 20th Applied Power Electronics Conference and Exposition (APEC-2005), Austin, TX, USA, 6–10 March 2005; Volume 2, pp. 1015–1021. [Google Scholar]
- Su, G.J.; Tang, L. A Multiphase, Modular, Bidirectional, Triple-Voltage DC-DC Converter for Hybrid and Fuel Cell Vehicle Power Systems. IEEE Trans. Power Electron. 2008, 23, 3035–3304. [Google Scholar]
- Al-Atrash, H.; Tian, F.; Batarseh, I. Tri-Modal Half-Bridge Converter Topology for Three-Port Interface. IEEE Trans. Power Electron. 2007, 22, 341–345. [Google Scholar] [CrossRef]
- Ding, Z.; Yang, C.; Zhang, Z.; Wang, C.; Xie, S. A Novel Soft-Switching Multiport Bidirectional DC–DC Converter for Hybrid Energy Storage System. IEEE Trans. Power Electron. 2014, 29, 1595–1609. [Google Scholar] [CrossRef]
- Demetriades, G.D. On Small-Signal Analysis and Control of the Single and the Dual-Active Bridge Topologies. Ph.D. Dissertation, KTH Royal Institute of Technology Stockholm, Stockholm, Sweden, 2005. [Google Scholar]
- Sanders, S.R.; Noworolski, J.M.; Liu, X.Z.; Verghese, G.C. Generalized averaging method for power conversion circuits. IEEE Trans. Power Electron. 1991, 6, 251–259. [Google Scholar] [CrossRef]
- Emadi, A. Modeling and analysis of multiconverter DC power electronic systems using the generalized state-space averaging method. IEEE Trans. Ind. Electron. 2004, 51, 661–668. [Google Scholar] [CrossRef]
- Chatterjee, A.; Keyhani, A. Thevenin’s equivalent of photovoltaic source models for MPPT and power grid studies. In Proceedings of the 2011 IEEE Power and Energy Society General Meeting, Detroit, MI, USA, 24–28 July 2011; pp. 1–7. [Google Scholar]
- Vallejos, W.D.P. Standalone photovoltaic system, using a single stage boost DC/AC power inverter controlled by a double loop control. In Proceedings of the 2017 IEEE PES Innovative Smart Grid Technologies Conference-Latin America (ISGT Latin America), Quito, Ecuador, 20–22 September 2017; pp. 1–6. [Google Scholar] [CrossRef]
- Lema, M.; Pavon, W.; Ortiz, L.; Asiedu-Asante, A.B.; Simani, S. Controller Coordination Strategy for DC Microgrid Using Distributed Predictive Control Improving Voltage Stability. Energies 2022, 15, 5442. [Google Scholar] [CrossRef]
- Koutroulis, E.; Kalaitzakis, K. Design of a maximum power tracking system for wind-energy-conversion applications. IEEE Trans. Ind. Electron. 2006, 53, 486–494. [Google Scholar] [CrossRef]







| Parameter | Value |
|---|---|
| Fs | 15 kHz |
| Cpv, Cw | 0.4 mF |
| Lpv, Lw | 1 mH |
| Battery voltage | 48 V |
| Vpvm at STC | 51.5 V |
| Vw at peak power | 53.2 V |
| Cdc | 0.08 mF |
| Lp | 40 µH |
Publisher’s Note: MDPI stays neutral with regard to jurisdictional claims in published maps and institutional affiliations. |
© 2022 by the authors. Licensee MDPI, Basel, Switzerland. This article is an open access article distributed under the terms and conditions of the Creative Commons Attribution (CC BY) license (https://creativecommons.org/licenses/by/4.0/).
Share and Cite
Vettuparambil, A.; Raveendran Nair Prasannakumari, P.; Alharbi, W.; Humayd, A.S.B.; Awan, A.B. Buck-Boost-Integrated, Dual-Active Bridge-Based Four-Port Interface for Hybrid Energy Systems. Sustainability 2022, 14, 15555. https://doi.org/10.3390/su142315555
Vettuparambil A, Raveendran Nair Prasannakumari P, Alharbi W, Humayd ASB, Awan AB. Buck-Boost-Integrated, Dual-Active Bridge-Based Four-Port Interface for Hybrid Energy Systems. Sustainability. 2022; 14(23):15555. https://doi.org/10.3390/su142315555
Chicago/Turabian StyleVettuparambil, Anees, Praveen Raveendran Nair Prasannakumari, Walied Alharbi, Abdullah S. Bin Humayd, and Ahmed Bilal Awan. 2022. "Buck-Boost-Integrated, Dual-Active Bridge-Based Four-Port Interface for Hybrid Energy Systems" Sustainability 14, no. 23: 15555. https://doi.org/10.3390/su142315555
APA StyleVettuparambil, A., Raveendran Nair Prasannakumari, P., Alharbi, W., Humayd, A. S. B., & Awan, A. B. (2022). Buck-Boost-Integrated, Dual-Active Bridge-Based Four-Port Interface for Hybrid Energy Systems. Sustainability, 14(23), 15555. https://doi.org/10.3390/su142315555

