Optimal Phase Balancing in Electricity Distribution Feeders Using Mixed-Integer Linear Programming
Abstract
1. Introduction
- (1)
- The derived phase-swapping strategy not only reduces the feeder’s neutral current, unbalanced voltage, and system energy loss but also balances each service zone of a primary trunk for executing the load transfer between two feeders.
- (2)
- A multi-objective mixed-integer optimization method is then developed to optimally determine the phase-swapping strategy for laterals and distribution transformers.
- (3)
- The proposed optimal phase-swapping strategy is performed to improve the effect of voltage unbalance to reduce electricity cost and prevent machinery damage.
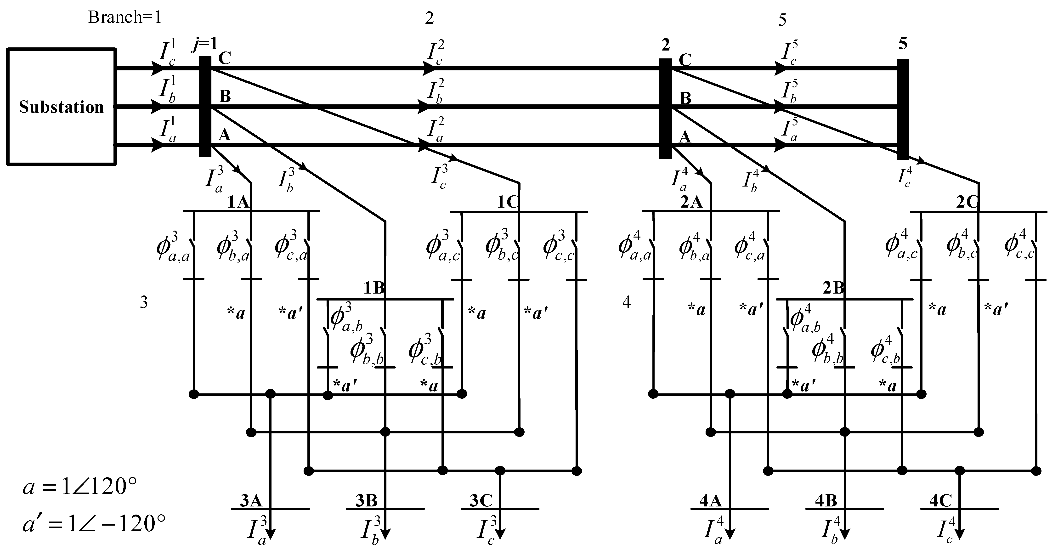
2. Analysis of the Unbalanced Distribution Feeder
3. Improvement of the Unbalanced Feeder in the Taipower System
- Feeders with neutral currents of >70 A were selected to execute the rephrasing process.
- The facility data for the selected distribution feeders were retrieved from the OMS to identify the network configuration of distribution feeders.
- Distribution crews measured the three-phase current of each candidate lateral or distribution transformer to derive the rephrasing strategy.
- The planned outage was then scheduled to swap the phases of the candidate laterals or distribution transformers.
- The reduction in the neutral current of the rephased feeder was verified using data collected by the SCADA system.
- Rule 1:
- The LCO relay of any distribution feeder that is activated >10 times a month is considered to execute the phase-swapping strategy.
- Rule 2:
- For overhead feeders, only radial lateral taps connected to primary trunk sections are considered as the candidate phase-swapping objectives.
- Rule 3:
- For underground feeders, only distribution transformers are considered as the candidate phase-swapping objectives because it is difficult to keep the same sequence for open-loop laterals.
- Rule 4:
- In addition to the reduction in the neutral current, the phase balancing of the service sections of a primary feeder must be achieved after performing the phase-swapping strategy.
- Rule 5:
- The phase sequence should be maintained to prevent the reverse rotation of three-phase motors.
4. Mathematical Formulation of the Phase Unbalance
4.1. MILP Formulation
4.2. MILP Formulation Constraints
4.3. Feeder Phase-Swapping Cost
4.3.1. Energy-Loss Cost (ELC)
4.3.2. Customer-Interruption Cost (CIC) [22,23]
4.3.3. Labor Cost
5. Case Study
5.1. Phase-Swapping Strategy for Feeder LY37
5.2. Effects on a Three-Phase Induction Motor in the Unbalanced Case
6. Discussion
7. Conclusions
Author Contributions
Funding
Institutional Review Board Statement
Informed Consent Statement
Data Availability Statement
Acknowledgments
Conflicts of Interest
References
- Huang, J.; Tai, Y.; Liu, Z.; Su, F.; Gu, H. Application of Bird-Mating Optimization to Phase Adjustment of Open-wye/Open-delta Transformers in a Power Grid. In Proceedings of the 2015 IEEE International Conference on Industrial Technology (ICIT), Seville, Spain, 17–19 March 2015. [Google Scholar]
- Santoso, S.; Dugan, C. Experiences with the New Open-wye/Open-delta Transformer Test Cases for Distribution System Analysis. In Proceedings of the 2005 IEEE Power Engineering Society General Meeting, San Francisco, CA, USA, 12–16 June 2005. [Google Scholar]
- Peng, C.; Xu, L.; Gong, X.; Sun, H.; Pan, L. Molecular Evolution Based Dynamic Reconfiguration of Distribution Networks with DGs Considering Three-Phase Balance and Switching Times. IEEE Trans. Ind. Inform. 2019, 15, 1866–1876. [Google Scholar] [CrossRef]
- Fahim, M.; Hassan, E.; Najjar, E. Single Phase Load Balancing in a Three Phase System at Distribution and Unit Level. In Proceedings of the 2018 IEEE International Conference on Industrial Technology (ICIT), Lyon, France, 20–22 February 2018. [Google Scholar]
- Marchesan, G.; Oliveira, L.; Cardoso, G.; Ramos, B.; Kraulich, L.; Mazzorani, L.; Silveira, F. Three-Phase-Two-Wire Rural Distribution Network: Influence of Design Characteristics on Voltage Unbalance. IEEE Trans. Power Deliv. 2023, 38, 620–630. [Google Scholar] [CrossRef]
- Sun, X.; Qiu, J.; Tao, Y.; Yi, Y.; Zhao, J. Distributed Optimal Voltage Control and Berth Allocation of All-Electric Ships in Seaport Microgrids. IEEE Trans. Smart Grid 2022, 13, 2664–2674. [Google Scholar] [CrossRef]
- Zhou, A.; Zhai, H.; Yang, M.; Lin, Y. Three-Phase Unbalanced Distribution Network Dynamic Reconfiguration: A Distributionally Robust Approach. IEEE Trans. Smart Grid 2022, 13, 2063–2074. [Google Scholar] [CrossRef]
- Tang, Z.; Peng, Z.; Liang, R.; Peng, N.; Wang, C. Multi-Source Data-Cooperated Neutral Low-Resistance Grounding Cable Grid Faulty Segment Identification. IEEE Trans. Power Syst. 2022, 37, 1413–1424. [Google Scholar] [CrossRef]
- Jooshaki, M.; Abbaspour, A.; Fotuhi-Firuzabad, M.; Muñoz-Delgado, G.; Contreras, J.; Lehtonen, M.; Arroyo, J. An Enhanced MILP Model for Multistage Reliability-Constrained Distribution Network Expansion Planning. IEEE Trans. Power Syst. 2022, 37, 118–131. [Google Scholar] [CrossRef]
- Eam, D.; Vai, V.; Eng, S.; You, L. Optimizing Phase Allocation Arrangement for a Rural LVAC Distribution System: A Case Study in Cambodia. In Proceedings of the 2022 4th International Conference on Electrical, Control and Instrumentation Engineering (ICECIE), KualaLumpur, Malaysia, 26–26 November 2022. [Google Scholar]
- Lin, C.; Huang, T.; Chih, C.; Yao, C.; Li, T.; Ma, C. Comparisons of Energy Loss Reduction by Phase Balancing in Unbalance Distribution Networks via Metaheuristic Algorithms. In Proceedings of the 2020 International Conference on Pervasive Artificial Intelligence (ICPAI), Taipei, Taiwan, 3–5 December 2020. [Google Scholar]
- Ogunboyo, T.; Tiako, R.; Davidson, E. Effectiveness of Dynamic Voltage Restorer for Unbalance Voltage Mitigation and Voltage Profile Improvement in Secondary Distribution System. Can. J. Electr. Comput. Eng. 2018, 41, 105–115. [Google Scholar] [CrossRef]
- Malekshah, S.; Alhelou, H.; Siano, P. An Optimal Probabilistic Spinning Reserve Quantification Scheme Considering Frequency Dynamic Response in Smart Power Environment. Int. Trans. Electr. Energy Syst. 2021, 31, e13052. [Google Scholar] [CrossRef]
- Alloui, A.; Laadjal, K.; Sahraoui, M.; Cardoso, M. Online Interturn Short-Circuit Fault Diagnosis in Induction Motors Operating Under Unbalanced Supply Voltage and Load Variations, Using the STLSP Technique. IEEE Trans. Ind. Electron. 2022, 70, 3080–3089. [Google Scholar] [CrossRef]
- Katsuki, T.; Yamakawa, I.; Imakiire, A.; Matsumoto, S. Voltage Compensation Performance of the Voltage Unbalance Compensator Using the Method of Symmetrical Components. In Proceedings of the 2022 International Power Electronics Conference (IPEC-Himeji 2022-ECCE Asia), Himeji, Japan, 15–19 May 2022. [Google Scholar]
- Moustafa, B.; Elsheikh, A. Predicting Characteristics of Dissimilar Laser Welded Polymeric Joints Using a Multi-Layer Perceptrons Model Coupled with Archimedes Optimizer. Polymers 2023, 15, 233. [Google Scholar] [CrossRef] [PubMed]
- Elsheikh, H. Applications of Machine Learning in Friction Stir Welding: Prediction of Joint Properties, Real-time Control and Tool Failure Diagnosis. Eng. Appl. Artif. Intell. 2023, 121, 105961. [Google Scholar] [CrossRef]
- Elsheikh, H. Bistable Morphing Composites for Energy-Harvesting Applications. Polymers 2022, 14, 1893. [Google Scholar] [CrossRef] [PubMed]
- Elsheikh, H.; El-Said, S.; Elaziz, A.; Fujii, M.; El-Tahan, R. Water Distillation Tower: Experimental Investigation, Economic Assessment, and Performance Prediction Using Optimized Machine-learning Model. J. Clean. Prod. 2023, 388, 135896. [Google Scholar] [CrossRef]
- Khoshaim, B.; Moustafa, B.; Bafakeeh, T.; Elsheikh, H. An Optimized Multilayer Perceptrons Model Using Grey Wolf Optimizer to Predict Mechanical and Microstructural Properties of Friction Stir Processed Aluminum Alloy Reinforced by Nanoparticles. Coatings 2021, 11, 1476. [Google Scholar] [CrossRef]
- Chen, S.; Ku, T.; Lin, C. Design of Phase Identification System to Support Three-Phase Loading Balance of Distribution Feeders. IEEE Trans. Ind. Appl. 2012, 48, 191–198. [Google Scholar] [CrossRef]
- Chen, S.; Lin, H.; Chuang, J.; Li, S.; Huang, Y.; Huang, W. Optimal Placement of Line Switches for Distribution Automation Systems Using Immune Algorithm. IEEE Trans. Power Syst. 2006, 21, 1209–1217. [Google Scholar] [CrossRef]
- Liang, C.; Wang, P.; Han, X.; Qin, W.; Billinton, R.; Li, W. Operational Reliability and Economics of Power Systems with Considering Frequency Control Processes. IEEE Trans. Power Syst. 2017, 32, 2570–2580. [Google Scholar] [CrossRef]
- Dash, N.; Sahu, S.; Panigrahi, K. Effect and Analysis of Unbalanced Voltage on Induction Motor Torque. In Proceedings of the 2018 International Conference on Recent Innovations in Electrical, Electronics & Communication Engineering (ICRIEECE), Bhubaneswar, India, 27–28 July 2018. [Google Scholar]
- Standard MG1-2003; ANSI/NEMA, Motors and Generators. Part 14 and 20. NEMA: Rosslyn, VA, USA, 2004.











| Phase | Positive Sequence | Negative Sequence | ||
|---|---|---|---|---|
| Original Phase | Valid Rephasing Schemes | Original Phase | Valid Rephasing Schemes | |
| 3-ϕ | (A, B, C) | (B, C, A) (C, A, B) | (A, C, B) | (C, B, A) (B, A, C) |
| 2-ϕ | (A, B, *) | (B, *, A) (*, A, B) | (A, *, B) | (*, B, A) (B, A, *) |
| (*, B, C) | (B, C, *) (C, *, B) | (*, C, B) | (C, B, *) (B, *, C) | |
| (C, A, *) | (A, *, C) (*, C, A) | (A, C, *) | (C, *, A) (*, A, C) | |
| 1-ϕ | (A, *, *) | (*, A, *) (*, *, A) | ||
| (B, *, *) | (*, B, *) (*, *, B) | |||
| (C, *, *) | (*, C, *) (*, *, C) | |||
| Rephasing Facility | Outage Duration (h) |
|---|---|
| lateral | 3 |
| OYD transformer | 1.5 |
| single-phase transformer | 1 |
| Rephasing Facility | Labor Cost ($) |
|---|---|
| lateral | 220 |
| OYD transformer | 105 |
| single-phase transformer | 52 |
| Lateral | Original Phasing | Proposed Rephasing | Outage Duration (h) |
|---|---|---|---|
| L1 | (A.B.C) | (C.A.B) | 3 |
| L2 | (A.B.C) | (B.C.A.) | 3 |
| L5 | (A.B.C) | (B.C.A.) | 3 |
| Category | Cost |
|---|---|
| ΔELC | $23,400 |
| CIC | $6700 |
| LC | $660 |
| Voltage | Before Rephasing | After Rephasing | |
|---|---|---|---|
| Primary voltage (kV) | VAN | 6.15∠−5.4° | 6.44∠−3° |
| VBN | 6.72∠−121.7° | 6.45∠−122.2° | |
| VCN | 6.46∠118.6° | 6.5∠117.1° | |
| VUF (primary side) | 2.42% | 0.75% | |
| Secondary voltage (kV) | Van | 201.1∠−6.5° | 211.4∠−123.3° |
| Vbn | 226∠−123.3° | 218.9∠115.6° | |
| Vcn | 224.8∠−109.7° | 211.7∠−5.6° | |
| VUF (secondary side) | 7.33% | 2.31% | |
Disclaimer/Publisher’s Note: The statements, opinions and data contained in all publications are solely those of the individual author(s) and contributor(s) and not of MDPI and/or the editor(s). MDPI and/or the editor(s) disclaim responsibility for any injury to people or property resulting from any ideas, methods, instructions or products referred to in the content. |
© 2023 by the authors. Licensee MDPI, Basel, Switzerland. This article is an open access article distributed under the terms and conditions of the Creative Commons Attribution (CC BY) license (https://creativecommons.org/licenses/by/4.0/).
Share and Cite
Lin, C.-H.; Ku, T.-T.; Li, C.-S.; Chen, C.-S. Optimal Phase Balancing in Electricity Distribution Feeders Using Mixed-Integer Linear Programming. Sustainability 2023, 15, 4473. https://doi.org/10.3390/su15054473
Lin C-H, Ku T-T, Li C-S, Chen C-S. Optimal Phase Balancing in Electricity Distribution Feeders Using Mixed-Integer Linear Programming. Sustainability. 2023; 15(5):4473. https://doi.org/10.3390/su15054473
Chicago/Turabian StyleLin, Chia-Hung, Te-Tien Ku, Chung-Sheng Li, and Chao-Shun Chen. 2023. "Optimal Phase Balancing in Electricity Distribution Feeders Using Mixed-Integer Linear Programming" Sustainability 15, no. 5: 4473. https://doi.org/10.3390/su15054473
APA StyleLin, C.-H., Ku, T.-T., Li, C.-S., & Chen, C.-S. (2023). Optimal Phase Balancing in Electricity Distribution Feeders Using Mixed-Integer Linear Programming. Sustainability, 15(5), 4473. https://doi.org/10.3390/su15054473

