Behavior of the Electricity and Gas Grids When Injecting Synthetic Natural Gas Produced with Electricity Surplus of Rooftop PVs
Abstract
1. Introduction
1.1. Literature Review in Electricity Grids
1.2. Literature Review on Gas Grids
1.3. Literature Review on Coupling the Electricity and Gas Grid
2. Materials and Methods
2.1. Structure of Energy Systems
2.2. Comparison Between Electricity and Gas Grids
2.3. LINK Architecture for Electricity and Gas Grid Coupling
2.4. Premises for the Realization of End-Use Sector Coupling
2.4.1. Limitations of the Grid to Uptake the Electricity Surplus of Distributed Resources
2.4.2. Power-to-Gas Potential at Customer Plant Level
- The design and layout of the region’s electricity distribution network, including the number, capacities, and locations of MV/LV transformers, as well as the length of LV feeders connecting various CPs;
- The market structure to consider small distributed electricity and gas resources and the maturity of the CO2 market;
- The feasibility of installing P2G plants close to CPs;
- The layout and design of local gas distribution zones and the transient variation in natural gas flow rates that occur throughout the day/year at potential sites for SNG injection;
- The all-around feasibility of the solution, considering the energy trilemma.
2.4.3. General Procedure for Realizing the P2G Process
2.5. Setup Description
2.6. Modeling
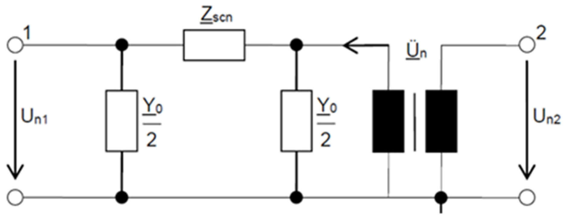
2.6.1. Electricity and Gas Grids
2.6.2. Coupling Components
2.7. Scenario Definition
2.7.1. Factors Affecting the Simulation Scenarios
2.7.2. Scenario Overview
3. Results and Discussion
3.1. Behavior of the Electricity Grid
3.2. Behavior of the Gas Grid
3.2.1. SNG Production at the Customer Plant Level
3.2.2. Injection of SNG Surplus into the Gas Grid
- PV production covers 50% of the daily electric load;
- Daily H2O used by each CP is just 5 kg, thus not creating H2O supply problems;
- Daily CO2 used in the methanation reactor by each CP is almost 3.2 kg, thus creating the possibility to cut emissions, promoting the growth of the CO2 market;
- SNG production is almost two times the gas load, but because of the non-simultaneous difference between production and consumption, the daily covered thermal load is 60%. Thus, 70% of the daily SNG production from each CP is injected back into the LP grid;
- For all twenty connected CPs, the total SNG to be transferred from LP to MP grid is 21.9 Nm3.
3.2.3. Linepack Effect
3.3. Economic Consideration
4. Conclusions
Author Contributions
Funding
Institutional Review Board Statement
Informed Consent Statement
Data Availability Statement
Conflicts of Interest
Abbreviations
| Acronyms | |
| CC | Coupling component |
| CNG | Compressed natural gas |
| Cook | Gas cooker |
| CP | Customer plant |
| Dev. | Device |
| DG | Distributed generation |
| DH | District heating |
| DHW | Domestic hot water |
| DER | Distributed energy resources |
| DSO | Distribution system operators |
| DTR | Distribution transformer |
| E-St. | Electric storage |
| EU | European Union |
| FHd | Feeder head |
| G-St. | Gas storage |
| HHV | Higher heating value |
| HP | High pressure |
| HV | High voltage |
| LNG | Liquified natural gas |
| LP | Low pressure |
| LV | Low voltage |
| MP | Medium pressure |
| MV | Medium voltage |
| NG | Natural gas |
| OLTC | On-load tap changer |
| P2G | Power-to-gas |
| P2P | Power-to-power |
| PP | Power plant |
| Pr. | Producer |
| PRG | Pressure reduction group |
| PV | Photovoltaic |
| SC | Sector coupling |
| SNG | Synthetic natural gas |
| TSO | Transmission system operator |
| Symbols | |
| Electricity grid symbols | |
| Power factor (-) | |
| Rated frequency (Hz) | |
| Zip coefficient (-) | |
| Current (A) | |
| Line length (km) | |
| PV production power (kW) | |
| Electric load power consumption (kW) | |
| Surplus electric power (kW) | |
| P2G electric load power (kW) | |
| Surplus electric power to produce SNG (kW) | |
| Line cross-section (mm2) | |
| Reactive power (kVAR) | |
| Rated apparent power (kVA) | |
| Voltage percentage compared to nominal voltage value (%) | |
| Rated voltage side 1 (kV) | |
| Rated voltage side 2 (kV) | |
| Rated voltage (kV) | |
| Low-voltage grid higher-voltage limit (V) | |
| Low-voltage grid lower-voltage limit (V) | |
| Customer plant higher-voltage limit (V) | |
| Customer plant lower-voltage limit (V) | |
| Voltage value at MV feeder head | |
| Impedance (Ω) | |
| Gas grid symbols | |
| Pipe diameter (mm) | |
| Thermal power (kW) | |
| Peak thermal power (kW) | |
| Gas load power consumption (kW) | |
| P2G gas load power (kW) | |
| Surplus gas power (kW) | |
| Elevation (m) | |
| Pipe length (m) | |
| Mass of gas (kg) | |
| Total injectable mass of gas (kg) | |
| Injectable mass of gas from each CP (kg) | |
| Number of moles of a chemical substance (mol/h) | |
| Molecular weight of a chemical substance (g/mol) | |
| Number of connected customer plants (-) | |
| Absolute pressure (Pa) | |
| Relative pressure (Pa) | |
| Normal pressure (Pa) | |
| Low-pressure grid higher-relative pressure limit (Pa) | |
| Low-pressure grid lower-relative pressure limit (Pa) | |
| Normal volumetric flow rate (Nm3/h) | |
| Gas constant (J/kgK) | |
| Sand roughness (mm) | |
| Normal temperature (K) | |
| Gas temperature (K) | |
| Volume (m3) | |
| Maximum velocity (m/s) | |
| Gas compressibility factor (-) | |
| Density (kg/m3) | |
| Coupling components symbols | |
| Specific heat at constant pressure (J/kgK) | |
| Thermal power requested to heat H2 (kW) | |
| Thermal power requested to heat CO2 (kW) | |
| H2 Conversion rate (kWh/Nm3) | |
| CO2 Conversion efficiency factor (-) | |
| Absolute pressure of the electrolyzer (Pa) | |
| Absolute pressure of the methanation reactor (Pa) | |
| Temperature of the electrolyzer (K) | |
| Temperature of the methanation reactor (K) | |
| Temperature inside the tank (K) | |
| Pump efficiency (-) | |
| Generator efficiency (-) | |
| Boiler efficiency (-) | |
Appendix A. Electricity and Gas Grid Symbols
| Electricity Grid | Gas Grid | ||||
|---|---|---|---|---|---|
| Element | Symbol | Description | Element | Symbol | Description |
| Bus bar | ![]() | Conductor linking multiple circuits | Node | ![]() | Pipelines’ connection point |
| Line overhead | ![]() | Overhead feeder for electricity distribution | Pipeline overhead | ![]() | Overhead pipeline |
| Line underground | ![]() | Underground feeder for electricity distribution | Pipeline underground | ![]() | Underground pipeline |
| Producer | ![]() | Electric power plant | Gas well | ![]() | Gas production well |
| Transformer | ![]() | Device that transforms an AC input voltage into a higher or lower AC output voltage | Compressor/lamination valve | ![]() | Engine that increases (compressor) or reduces (lamination valve) gas pressure |
| Storage | ![]() | Device designed to store energy generated at one point in time for use when demand is higher | Storage | ![]() | Device designed to store energy generated at one point in time for use when demand is higher |
| Load | ![]() | Electrical device or circuit element responsible for consuming electric power | Load | ![]() | Natural gas consumer |
| Circuit braker/fuse | ![]() | Electrical device designed to interrupt the flux of current | Non-return valve | ![]() | Component used to interrupt the flux of gas in one direction |
Appendix B. Electricity Grid Modeling

| Component | Input Data | Symbol | Value |
|---|---|---|---|
| Slack | Voltage percentage | V | Scenario: 98 ÷ 106% |
| Two-winding transformer | Rated voltage side 1 Rated voltage side 2 Rated apparent power | Vn1 Vn2 Sn | 10 kV 0.4 kV 250 kVA |
| Primary LV feeder | Total length Cross-section | l q | 600 m 150 mm2 |
| Secondary LV feeders | Total length Cross-section | l q | 200 m 50 mm2 |
| Load | Active power Reactive power P, Q constant I constant Z constant Load electricity profile | QLoad CP,P; CP,Q CI,P; CI,Q CZ,P; CZ,Q - | 3 kW 1 kVAR 0.96; 6.28 −1.17; −10.16 1.21; 4.88 Residential |
| PV | Rated voltage Active power Power factor | V | 0.4 kV 7 kW 1 |


Appendix C. Gas Grid Modeling

| Component | Input Data | Symbol | Value |
|---|---|---|---|
| Pressure supply | Constant excess pressure | Scenario: 0.020 ÷ 0.039 bar | |
| Node | Elevation | H | 0 m |
| Primary LP pipeline | Total length Diameter Sand roughness | l d Rs | 600 m Scenario: 15 ÷ 300 mm 1.25 mm |
| Secondary LP pipelines | Total length Diameter Sand roughness | l d Rs | 200 m Scenario: 7.5 ÷ 150 mm 1.25 mm |
| Consumer | Consumption type Constant consumption Time series | - Q - | Standard consumed Nm3/h Thermal profile |
| Flow supply | Flow supply type Constant supply Time series | - Q - | Standard produced Nm3/h SNG injection profile |
References
- ETIP SNET. Smart Sector Integration, Towards an EU System of Systems: Building Blocks, Enablers, Architectures, Regulatory Barriers, Economic Assessment. April 2021, p. 95. Available online: https://www.etip-snet.eu/about/etip-snet/ (accessed on 15 September 2023).
- Lund, H.; Østergaard, P.A.; Connolly, D.; Mathiesen, B.V. Smart energy and smart energy systems. Energy 2017, 137, 556–565. [Google Scholar] [CrossRef]
- Vaziri, M.; Vadhva, S.; Oneal, T.; Johnson, M. Distributed generation issues, and standards. In Proceedings of the 2011 IEEE International Conference on Information Reuse & Integration, Las Vegas, NV, USA, 3–5 August 2011. [Google Scholar] [CrossRef]
- Bertani, A.; Borghetti, A.; Bossi, C.; De Biase, L.; Lamquet, O.; Massucco, S.; Morini, A.; Nucci, C.A.; Paolone, M.; Quaia, S.; et al. Management of Low Voltage Grids with High Penetration of Distributed Generation: Concepts, implementations and experiments. In Proceedings of the CIGRE 2006 Session, Paris, France, 27 August–1 September 2006; pp. 1–6. [Google Scholar]
- Witzmann, R.; Esslinger, P.; Norbert, G.; Sebastian, G.; Reinhold, K.; Anita, A. Improving power quality and capacity in low-voltage grids with decentral power generation using intelligent inverters. In Proceedings of the International ETG Congress, Würzburg, Germany, 8–9 November 2011; pp. 8–9. [Google Scholar]
- Taljan, G.; Krasnitzer, M.; Strempfl, F.; Jarz, A. Spannungsniveau im 30-kV Netz UW Judenburg/West Lösungsansätze mit Smart Grids. In Proceedings of the Symposium Energieinnovation, Graz, Austria, 15–17 February 2012; pp. 15–17. [Google Scholar]
- Procházka, K.; Kysnar, F.; Mezera, D.; Vaculík, P.; Novotny, J. Voltage quality and reactive power flow solution in distribution networks with a high share of renewable energy sources. In Proceedings of the CIRED, Stockholm, Sweden, 10–13 June 2013; pp. 1–5. [Google Scholar]
- Elbs, C. Netzeinsparungsmöglichkeiten und Erfahrungen Einer Realen Q(U)-Einführung bei PV Wechselrichtern im Bundesland. Smart Grid Week. 2014, pp. 19–23. Available online: https://nachhaltigwirtschaften.at/resources/edz_pdf/events/20140523_sgw14_vortrag_02_elbs.pdf?m=1646753469& (accessed on 22 December 2023).
- Turitsyn, K.; Sulc, P.; Backhaus, S.; Chertkov, M. Options for control of reactive power by distributed photovoltaic generators. Proc. IEEE 2011, 99, 1063–1073. [Google Scholar] [CrossRef]
- Malekpour, A.R.; Pahwa, A. Reactive power and voltage control in distribution systems with photovoltaic generation. In Proceedings of the 2012 North American Power Symposium, NAPS 2012, Champaign, IL, USA, 9–11 September 2012; pp. 1–6. [Google Scholar] [CrossRef]
- Bolognani, S.; Zampieri, S. A Distributed control strategy for reactive power compensation in smart microgrids. IEEE Trans. Autom. Control 2013, 58, 2818–2833. [Google Scholar] [CrossRef]
- Ilo, A.; Bruckner, H.; Olofsgard, M.; Adamcova, M.; Werner, A. Viable Fully Integrated Energy Community Based on the Holistic LINK Approach. Energies 2023, 16, 2935. [Google Scholar] [CrossRef]
- Pastore, L.M.; Sforzini, M.; Basso, G.L.; de Santoli, L. H2NG environmental-energy-economic effects in hybrid energy systems for building refurbishment in future National Power to Gas scenarios. Int. J. Hydrogen Energy 2022, 47, 11289–11301. [Google Scholar] [CrossRef]
- Cavana, M.; Mazza, A.; Chicco, G.; Leone, P. Electrical and gas networks coupling through hydrogen blending under increasing distributed photovoltaic generation. Appl. Energy 2021, 290, 116764. [Google Scholar] [CrossRef]
- Deymi-Dashtebayaz, M.; Ebrahimi-Moghadam, A.; Pishbin, S.I.; Pourramezan, M. Investigating the effect of hydrogen injection on natural gas thermo-physical properties with various compositions. Energy 2019, 167, 235–245. [Google Scholar] [CrossRef]
- Guzzo, G.; Cheli, L.; Carcasci, C. Hydrogen blending in the Italian scenario: Effects on a real distribution network considering natural gas origin. J. Clean. Prod. 2022, 379, 134682. [Google Scholar] [CrossRef]
- Lubello, P.; Pasqui, M.; Mati, A.; Carcasci, C. Assessment of hydrogen-based long term electrical energy storage in residential energy systems. Smart Energy 2022, 8, 100088. [Google Scholar] [CrossRef]
- Mati, A.; Ademollo, A.; Carcasci, C. Assessment of paper industry decarbonisation potential via hydrogen in a multi-energy system scenario: A case study. Smart Energy 2023, 11, 100114. [Google Scholar] [CrossRef]
- Ademollo, A.; Mati, A.; Pagliai, M.; Carcasci, C. Exploring the role of hydrogen in decarbonising energy-intensive industries: A techno-economic analysis of a solid oxide fuel cell cogeneration system. J. Clean. Prod. 2024, 469, 143254. [Google Scholar] [CrossRef]
- Thema, M.; Bauer, F.; Sterner, M. Power-to-Gas: Electrolysis and methanation status review. Renew. Sustain. Energy Rev. 2019, 112, 775–787. [Google Scholar] [CrossRef]
- Methanation of CO2 to CH4 Using H2 Through Sabatier Reaction: A Comprehensive Technical Guide. Available online: https://www.hydrogennewsletter.com/methanation-of-co2-to-ch4-using-h2-through-sabatier-reaction/ (accessed on 13 May 2024).
- Becker, W.L.; Penev, M.; Braun, R.J. Production of synthetic natural gas from carbon dioxide and renewably generated hydrogen: A techno-economic analysis of a power-to-gas strategy. J. Energy Resour. Technol. Trans. ASME 2019, 141, 021901. [Google Scholar] [CrossRef]
- Tang, Z.; Zhang, L.; Gao, R.; Wang, L.; Li, X.; Zhang, C. Efficient Utilisation of Carbon Dioxide in Power-to-Gas and Power-to-Liquid Processes: A Vital Path to Carbon Neutrality. Processes 2023, 11, 1898. [Google Scholar] [CrossRef]
- Quarton, C.J.; Samsatli, S. Power-to-gas for injection into the gas grid: What can we learn from real-life projects, economic assessments and systems modelling? Renew. Sustain. Energy Rev. 2018, 98, 302–316. [Google Scholar] [CrossRef]
- He, G.-X.; Yan, H.-G.; Chen, L.; Tao, W.-Q. Economic dispatch analysis of regional Electricity–Gas system integrated with distributed gas injection. Energy 2020, 201, 117512. [Google Scholar] [CrossRef]
- Held, M.; Schollenberger, D.; Sauerschell, S.; Bajohr, S.; Kolb, T. Power-to-Gas: CO2 Methanation Concepts for SNG Production at the Engler-Bunte-Institut. Chem. Ing. Tech. 2020, 92, 595–602. [Google Scholar] [CrossRef]
- Giglio, E.; Lanzini, A.; Santarelli, M.; Leone, P. Synthetic natural gas via integrated high-temperature electrolysis and methanation: Part I—Energy performance. J. Energy Storage 2015, 1, 22–37. [Google Scholar] [CrossRef]
- Estermann, T.; Newborough, M.; Sterner, M. Power-to-gas systems for absorbing excess solar power in electricity distribution networks. Int. J. Hydrogen Energy 2016, 41, 13950–13959. [Google Scholar] [CrossRef]
- Ilo, A. Use cases in sector coupling as part of the LINK-based holistic architecture to increase the grid flexibility. CIRED Open Access Proc. J. 2020, 2020, 529–532. [Google Scholar] [CrossRef]
- Ilo, A.; Schultis, D.-L. A Holistic Solution for Smart Grids based on LINK—Paradigm; Springer: Berlin/Heidelberg, Germany, 2022. [Google Scholar]
- Rosenberg, M. The 5 Sectors of the Economy. ThoughtCo. 2020. Available online: https://www.thoughtco.com/sectors-of-the-economy-1435795 (accessed on 8 June 2024).
- O’Malley, M.; Kroposki, B.; Hannegan, B.; Madsen, H.; Andersson, M.; D’haeseleer, W.; McGranaghan, M.F.; Dent, C.; Strbac, G.; Baskaran, S.; et al. Energy Systems Integration: Defining and Describing the Value Proposition. Technical Report NREL/TP-5D00-66616. June 2016; p. 9. Available online: http://www.osti.gov/servlets/purl/1257674/ (accessed on 10 June 2024).
- Van Nuffel, L.; Dedecca, J.G.; Smit, T.; Rade-maekers, K. Sector Coupling: How Can It Be Enhanced in the EU to Foster Grid Stability and Decarbonise? Research and Energy; European Parliament: Strasbourg, France, November 2018. [Google Scholar]
- European Commission; Bernstrauch, O.; Herce, C. Coupling of Heating/Cooling and Electricity Sectors in a Renewable Energy-Driven Europe. 2022. Available online: https://op.europa.eu/en/publication-detail/-/publication/919a8405-6ed7-11ed-9887-01aa75ed71a1/language-en (accessed on 18 July 2024).
- Shahidehpour, M.; Fu, Y.; Wiedman, T. Impact of Natural Gas Infrastructure on Electric Power Systems. Proc. IEEE 2005, 93, 1042–1056. [Google Scholar] [CrossRef]
- Li, Q.; An, S.; Gedra, T. Solving natural gas load flow problems using electric load flow techniques. In Proceedings of the North American Power Symposium, Lemnos, Greece, 31 August–3 September 2003; p. 7. [Google Scholar]
- Germany: KfW Subsidises over 10,000 Solar Battery Systems—PV Magazine International. Available online: https://www.pv-magazine.com/2015/05/12/germany-kfw-subsidizes-over-10000-solar-battery-systems_100019424/ (accessed on 13 May 2024).
- Scamman, D.; Newborough, M.; Bustamante, H. Hybrid hydrogen-battery systems for renewable off-grid telecom power. Int. J. Hydrogen Energy 2015, 40, 13876–13887. [Google Scholar] [CrossRef]
- Ademollo, A.; Ilo, A.; Carcasci, C. End-use sector coupling to turn customer plants into prosumers of electricity and gaS. IET Conf. Proc. 2023, 2023, 357–361. [Google Scholar] [CrossRef]
- Li, H.; Niu, R.; Li, W.; Lu, H.; Cairney, J.; Chen, Y.-S. Hydrogen in pipeline steels: Recent advances in characterization and embrittlement mitigation. J. Nat. Gas Sci. Eng. 2022, 105, 104709. [Google Scholar] [CrossRef]
- Blending Hydrogen into the EU Gas System—European Commission. Available online: https://joint-research-centre.ec.europa.eu/jrc-news-and-updates/blending-hydrogen-eu-gas-system-2022-01-19_en (accessed on 13 May 2024).
- L’Italia Sperimenta L’immissione di Idrogeno Nella Rete Gas. Available online: https://www.h2it.it/litalia-sperimenta-limmissione-di-idrogeno-nella-rete-gas/ (accessed on 13 May 2024).
- Bünger, U.; Landinger, H.; Pschorr-Schoberer, E.; Schmidt, P.; Weindorf, W.; Jöhrens, J.; Lambrecht, U.; Naumann, K.; Lischke, A. Power-to-Gas (PtG) in Transport—Current Status and Development Perspectives; German Aerospace Centre (DLR), Institute for Energy and Environmental Research GmbH (ifeu), Ludwig-Bölkow-Systemtechnik GmbH (LBST), German Biomass Research Centre gGmbH (DBFZ): Munich, Germany; Heidelberg, Germany; Leipzig, Germany; Berlin, Germany, 2014. [Google Scholar]
- PSS®SINCAL Power System Planning and Analysis Software—Siemens Global. Available online: https://www.siemens.com/global/en/products/energy/grid-software/planning/pss-software/pss-sincal.html (accessed on 13 May 2024).
- Neubert, M.; Widzgowski, J.; Rönsch, S.; Treiber, P.; Dillig, M.; Karl, J. Simulation-Based Evaluation of a Two-Stage Small-Scale Methanation Unit for Decentralized Applications. Energy Fuels 2017, 31, 2076–2086. [Google Scholar] [CrossRef]
- Carbon Dioxide|Gases|Airgas. Available online: https://www.airgas.com/Gases/Carbon-Dioxide/category/605 (accessed on 13 May 2024).
- Carbon Dioxide (CO2) Supplier|Liquid & Compressed|Linde. Available online: https://www.lindeus.com/gases/buy-liquid-or-compressed-carbon-dioxide-gas (accessed on 13 May 2024).
- Schaaf, T.; Grünig, J.; Schuster, M.R.; Rothenfluh, T.; Orth, A. Methanation of CO2—Storage of renewable energy in a gas distribution system. Energy Sustain. Soc. 2014, 4, 1–14. [Google Scholar] [CrossRef]
- Enapter. AEM Electrolyser EL 4.0. Available online: www.enapter.com/aem-electrolyser (accessed on 9 November 2022).
- Mondial, L.C.D.E.; Partner, P.; Wyman, O. World Energy Council World Energy Trilemma Priority Actions on Climate Change and How to Balance the Trilemma. 2015. Available online: www.worldenergy.org (accessed on 12 July 2024).
- Bokhari, A.; Alkan, A.; Dogan, R.; Diaz-Aguilo, M.; De Leon, F.; Czarkowski, D.; Zabar, Z.; Birenbaum, L.; Noel, A.; Uosef, R.E. Experimental Determination of the ZIP Coefficients for Modern Residential, Commercial, and Industrial Loads. IEEE Trans. Power Deliv. 2014, 29, 1372–1381. [Google Scholar] [CrossRef]
- Aziz, T.; Ketjoy, N. PV Penetration Limits in Low Voltage Networks and Voltage Variations. IEEE Access 2017, 5, 16784–16792. [Google Scholar] [CrossRef]
- Barret, J.-P.; Bornard, P.; Mayer, B. Power System Simulation; Springer: Berlin/Heidelberg, Germany, 1996; Volume 288. [Google Scholar]
- Snam; ARERA. Descrizione Della Rete e Della Sua Gestione; SNAM: San Donato Milanese, Italy, 2023. [Google Scholar]



























| Parameter | Description | Value |
|---|---|---|
| Peak electric power | 3 kW | |
| Peak PV power | 7 kW | |
| Peak thermal power | 1.2 kW |
| Parameter | Description | Value |
|---|---|---|
| Pump efficiency | 80% | |
| Generator efficiency | 95% | |
| Boiler efficiency | 85% |
| Parameter | Value |
|---|---|
| 8 bar | |
| 50 °C | |
| 4.8 kWh/Nm3 | |
| Peak power consumption | 3 kW |
| V | 200 ÷ 230 V (AC) |
| 50 ÷ 60 Hz | |
| Ambient operative temperature range | 5 ÷ 45 °C |
| Parameter | Value |
|---|---|
| 8 bar | |
| 300 °C | |
| 0.98 |
| Electricity | Gas | ||
|---|---|---|---|
| Simulation Times | Slack Voltage | Diameter Size | PRG Pressure |
| t1 = 08:00 h | V = 98% | 10 ÷ 30 mm | 20 ÷ 39 mbar |
| V = 106% | |||
| t2 = 10:00 h | V = 98% | 10 ÷ 30 mm | 20 ÷ 39 mbar |
| V = 106% | |||
| t3 = 11:00 h | V = 98% | 10 ÷ 30 mm | 20 ÷ 39 mbar |
| V = 106% | |||
| t4 = 17:00 h | V = 98% | 10 ÷ 30 mm | 20 ÷ 39 mbar |
| V = 106% | |||
| t5 = 20:00 h | V = 98% | 10 ÷ 30 mm | 20 ÷ 39 mbar |
| V = 106% | |||
Disclaimer/Publisher’s Note: The statements, opinions and data contained in all publications are solely those of the individual author(s) and contributor(s) and not of MDPI and/or the editor(s). MDPI and/or the editor(s) disclaim responsibility for any injury to people or property resulting from any ideas, methods, instructions or products referred to in the content. |
© 2024 by the authors. Licensee MDPI, Basel, Switzerland. This article is an open access article distributed under the terms and conditions of the Creative Commons Attribution (CC BY) license (https://creativecommons.org/licenses/by/4.0/).
Share and Cite
Ademollo, A.; Carcasci, C.; Ilo, A. Behavior of the Electricity and Gas Grids When Injecting Synthetic Natural Gas Produced with Electricity Surplus of Rooftop PVs. Sustainability 2024, 16, 9747. https://doi.org/10.3390/su16229747
Ademollo A, Carcasci C, Ilo A. Behavior of the Electricity and Gas Grids When Injecting Synthetic Natural Gas Produced with Electricity Surplus of Rooftop PVs. Sustainability. 2024; 16(22):9747. https://doi.org/10.3390/su16229747
Chicago/Turabian StyleAdemollo, Andrea, Carlo Carcasci, and Albana Ilo. 2024. "Behavior of the Electricity and Gas Grids When Injecting Synthetic Natural Gas Produced with Electricity Surplus of Rooftop PVs" Sustainability 16, no. 22: 9747. https://doi.org/10.3390/su16229747
APA StyleAdemollo, A., Carcasci, C., & Ilo, A. (2024). Behavior of the Electricity and Gas Grids When Injecting Synthetic Natural Gas Produced with Electricity Surplus of Rooftop PVs. Sustainability, 16(22), 9747. https://doi.org/10.3390/su16229747

















