PDMS Microfabrication and Design for Microfluidics and Sustainable Energy Application: Review
Abstract
1. Introduction
1.1. PDMS Properties
1.2. Microfabrication and Surface Modification for PDMS Microfluidics
1.3. Design of Polymer Microstructure for Microfluidics
1.4. Design of PDMS Microstructure for the Sustainable Energy Application
2. Laser Ablation and Polymer Casting for Microfluidics, Microneedles, and Sustainable Energy
3. PDMS Surface Modification for Long-Term Hydrophilicity and 2-Step Dual-Tone Casting for Capillary Microfluidics
4. Design and Performance of PDMS-Based Microfluidic Chips for High-Efficiency Micromixers and Nanoparticles Synthesis
4.1. The Capillary Micromixer with Meander Microfluidic Channel
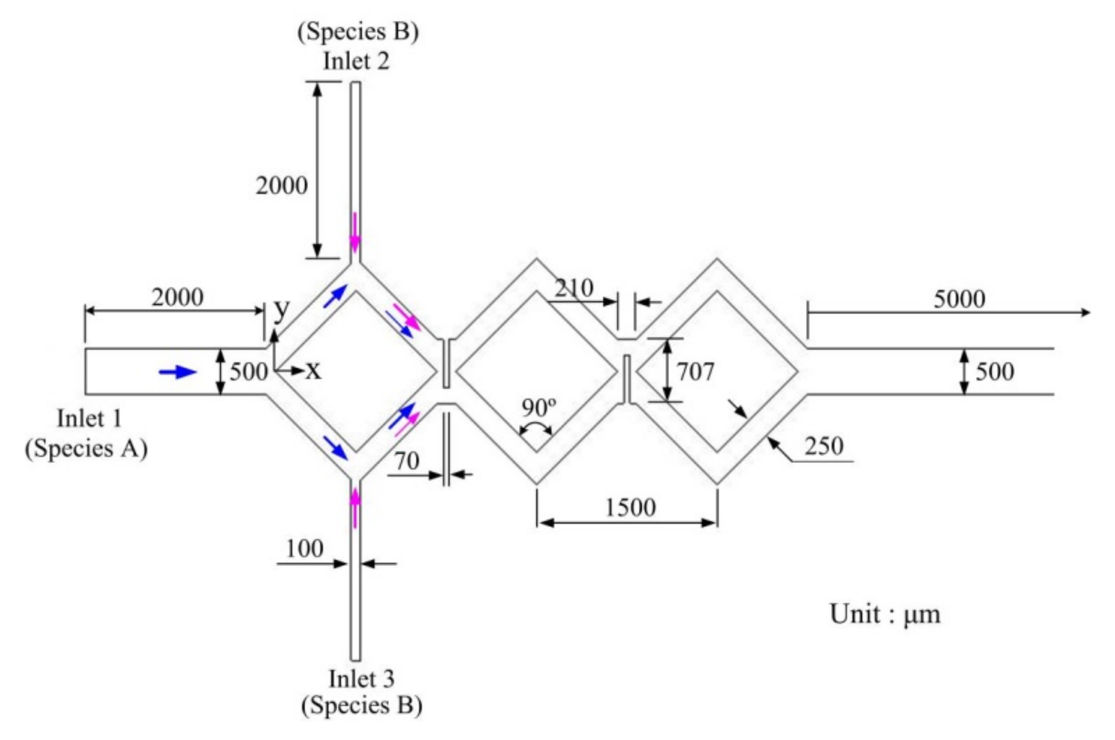
4.2. The In-Plane Rhombic Micromixer
4.3. The Obstacled Micromixer and Its Application for Nanoparticles Synthesis
5. Design and Performance of Al/PDMS TENG for Sustainable Energy Application
6. Conclusions
Author Contributions
Funding
Data Availability Statement
Acknowledgments
Conflicts of Interest
References
- Li, K.; Wang, Y.; Zhang, X.; Wu, J.; Wang, X.; Zhang, A. Intrinsically hydrophobic magnesium oxychloride cement foam for thermal insulation material. Constr. Build. Mater. 2021, 288, 123129. [Google Scholar] [CrossRef]
- Chen, Y.; Yang, S.; Fan, D.; Li, G.; Wang, S. Dual-enhanced hydrophobic and mechanical properties of long-range 3D anisotropic binary-composite nanocellulose foams via bidirectional gradient freezing. ACS Sustain. Chem. Eng. 2019, 7, 12878–12886. [Google Scholar] [CrossRef]
- Huh, D.; Choi, H.J.; Byun, M.; Kim, K.; Lee, H. Long-term analysis of PV module with large-area patterned anti-reflective film. Renew. Energy 2019, 135, 525–528. [Google Scholar] [CrossRef]
- Kim, S.; Hwang, H.J.; Cho, H.; Choi, D.; Hwang, W. Repeatable replication method with liquid infiltration to fabricate robust, flexible, and transparent, anti-reflective superhydrophobic polymer films on a large scale. Chem. Eng. J. 2018, 350, 225–232. [Google Scholar] [CrossRef]
- Navarro-Baena, I.; Jacobo-Martín, A.; Hernández, J.J.; Smirnov, J.R.C.; Viela, F.; Monclús, M.A.; Rodríguez, I. Single-imprint moth-eye anti-reflective and self-cleaning film with enhanced resistance. Nanoscale 2018, 10, 15496–15504. [Google Scholar] [CrossRef]
- Kim, S.; Hyun, S.; Lee, J.; Lee, K.S.; Lee, W.; Kim, J.K. Anodized Aluminum Oxide/Polydimethylsiloxane Hybrid Mold for Roll-to-Roll Nanoimprinting. Adv. Funct. Mater. 2018, 28, 1800197. [Google Scholar] [CrossRef]
- Sun, T.; Liu, Y.; Tu, J.; Zhou, Z.; Cao, L.; Liu, X.; Yu, Z. Wafer-scale high anti-reflective nano/micro hybrid interface structures via aluminum grain dependent self-organization. Mater. Des. 2020, 194, 108960. [Google Scholar] [CrossRef]
- Chung, C.K.; Shih, T.R. A rhombic micromixer with asymmetrical flow for enhancing mixing. J. Micromech. Microeng. 2007, 17, 2495. [Google Scholar] [CrossRef]
- Shih, T.R.; Chung, C.K. A high-efficiency planar micromixer with convection and diffusion mixing over a wide Reynolds number range. Microfluid. Nanofluid. 2008, 5, 175–183. [Google Scholar] [CrossRef]
- Chung, C.K.; Shih, T.R. Effect of geometry on fluid mixing of the rhombic micromixers. Microfluid. Nanofluid. 2008, 4, 419–425. [Google Scholar] [CrossRef]
- Chung, C.K.; Chang, H.C.; Shih, T.R.; Lin, S.L.; Hsiao, E.J.; Chen, Y.S.; Lin, C.C. Water-assisted CO 2 laser ablated glass and modified thermal bonding for capillary-driven bio-fluidic application. Biomed. Microdevices 2010, 12, 107–114. [Google Scholar] [CrossRef] [PubMed]
- Chung, C.K.; Shih, T.R.; Chang, C.K.; Lai, C.W.; Wu, B.H. Design and experiments of a short-mixing-length baffled microreactor and its application to microfluidic synthesis of nanoparticles. Chem. Eng. J. 2011, 168, 790–798. [Google Scholar] [CrossRef]
- Chung, C.K.; Lai, C.C.; Shih, T.R.; Chang, E.C.; Chen, S.W. Simulation and fabrication of capillary-driven meander micromixer for short-distance mixing. Micro Nano Lett. 2013, 8, 567–570. [Google Scholar] [CrossRef]
- Chung, C.K.; Long, H.P.; Lai, C.C. Microfluidic chip using foil-assisted CO 2 laser ablation for suspended particle separation. Micro Nano Lett. 2015, 10, 500–503. [Google Scholar] [CrossRef]
- Lai, C.C.; Chung, C.K. Hydrophilicity and optic property of polyethylene glycol coating on polydimethylsiloxane for fast prototyping and its application to backlight microfluidic chip. Surf. Coat. Technol. 2020, 389, 125606. [Google Scholar] [CrossRef]
- Chen, Z.; Lee, J.B. Biocompatibility of SU-8 and Its Biomedical Device Applications. Micromachines 2021, 12, 794. [Google Scholar] [CrossRef] [PubMed]
- Liu, Y.; Zhang, X. Microfluidics-Based Plasmonic Biosensing System Based on Patterned Plasmonic Nanostructure Arrays. Micromachines 2021, 12, 826. [Google Scholar] [CrossRef]
- Tu, K.T.; Chung, C.K. Rapid prototyping of biodegradable microneedle arrays by integrating CO2 laser processing and polymer molding. J. Micromech. Microeng. 2016, 26, 065015. [Google Scholar] [CrossRef]
- Luzuriaga, M.A.; Berry, D.R.; Reagan, J.C.; Smaldone, R.A.; Gassensmith, J.J. Biodegradable 3D printed polymer microneedles for transdermal drug delivery. Lab Chip 2018, 18, 1223–1230. [Google Scholar] [CrossRef]
- Bhatnagar, S.; Gadeela, P.R.; Thathireddy, P.; Venuganti, V.V.K. Microneedle-based drug delivery: Mater. Construction. J. Chem. Sci. 2019, 131, 1–28. [Google Scholar]
- Tucak, A.; Sirbubalo, M.; Hindija, L.; Rahić, O.; Hadžiabdić, J.; Muhamedagić, K.; Vranić, E. Microneedles: Characteristics, materials, production methods and commercial development. Micromachines 2020, 11, 961. [Google Scholar] [CrossRef]
- Juster, H.; van der Aar, B.; de Brouwer, H. A review on microfabrication of thermoplastic polymer-based microneedle arrays. Polym. Eng. Sci. 2019, 59, 877–890. [Google Scholar] [CrossRef]
- Ahmad, N.F.N.; Ghazali, N.N.N.; Wong, Y.H. Wearable Patch Delivery System for Artificial Pancreas Health Diagnostic-Therapeutic Application: A Review. Biosens. Bioelectron. 2021, 189, 113384. [Google Scholar] [CrossRef] [PubMed]
- Ingrole, R.S.; Azizoglu, E.; Dul, M.; Birchall, J.C.; Gill, H.S.; Prausnitz, M.R. Trends of microneedle technology in the scientific literature, patents, clinical trials and internet activity. Biomaterials 2020, 267, 120491. [Google Scholar] [CrossRef]
- Wang, X. Advanced polymers for three-dimensional (3D) organ bioprinting. Micromachines 2019, 10, 814. [Google Scholar] [CrossRef] [PubMed]
- Fan, F.R.; Tian, Z.Q.; Wang, Z.L. Flexible triboelectric generator. Nano Energy 2012, 1, 328–334. [Google Scholar] [CrossRef]
- Wang, Z.L. Triboelectric nanogenerators as new energy technology for self-powered systems and as active mechanical and chemical sensors. ACS Nano 2013, 7, 9533–9557. [Google Scholar] [CrossRef] [PubMed]
- Lee, J.W.; Ye, B.U.; Baik, J.M. Research Update: Recent progress in the development of effective dielectrics for high-output triboelectric nanogenerator. APL Mater. 2017, 5, 073802. [Google Scholar] [CrossRef]
- Pu, X.; Li, L.; Song, H.; Du, C.; Zhao, Z.; Jiang, C.; Wang, Z.L. A self-charging power unit by integration of a textile triboelectric nanogenerator and a flexible lithium-ion battery for wearable electronics. Adv. Mater. 2015, 27, 2472–2478. [Google Scholar] [CrossRef]
- Trinh, V.L.; Chung, C.K. A Facile Method and Novel Mechanism Using Microneedle-Structured PDMS for Triboelectric Generator Applications. Small 2017, 13, 1700373. [Google Scholar] [CrossRef]
- Trinh, V.L.; Chung, C.K. Harvesting mechanical energy, storage, and lighting using a novel PDMS based triboelectric generator with inclined wall arrays and micro-topping structure. Appl. Energy 2018, 213, 353–365. [Google Scholar] [CrossRef]
- Chung, C.K.; Ke, K.H. High contact surface area enhanced Al/PDMS triboelectric nanogenerator using novel overlapped microneedle arrays and its application to lighting and self-powered devices. Appl. Surf. Sci. 2020, 508, 145310. [Google Scholar] [CrossRef]
- Ke, K.H.; Chung, C.K. High-Performance Al/PDMS TENG with Novel Complex Morphology of Two-Height Microneedles Array for High-Sensitivity Force-Sensor and Self-Powered Application. Small 2020, 16, 2001209. [Google Scholar] [CrossRef]
- Scott, S.M.; Ali, Z. Fabrication methods for microfluidic devices: An overview. Micromachines 2021, 12, 319. [Google Scholar] [CrossRef]
- Shakeri, A.; Khan, S.; Didar, T.F. Conventional and emerging strategies for the fabrication and functionalization of PDMS-based microfluidic devices. Lab Chip 2021, 21, 3053–3075. [Google Scholar] [CrossRef]
- Zhou, W.; Dou, M.; Sanjay, S.T.; Xu, F.; Li, X.J. Recent Innovations in Cost-Effective Polymer and Paper Hybrid Microfluidic Devices. Lab Chip 2021, 21, 2658–2683. [Google Scholar] [CrossRef]
- Ali, N.R.; Ahaitouf, A.; Abdullah, M.Z. Irreversible bonding techniques for the fabrication of a leakage-free printed circuit board-based lab-on-chip in microfluidic platforms—a review. Meas. Sci. Technol. 2021, 32, 052001. [Google Scholar]
- Ren, Z.; Ding, Y.; Nie, J.; Wang, F.; Xu, L.; Lin, S.; Wang, Z.L. Environmental energy harvesting adapting to different weather conditions and self-powered vapor sensor based on humidity-responsive triboelectric nanogenerators. ACS Appl. Mater. Interfaces 2019, 11, 6143–6153. [Google Scholar] [CrossRef]
- Mule, A.R.; Dudem, B.; Patnam, H.; Graham, S.A.; Yu, J.S. Wearable single-electrode-mode triboelectric nanogenerator via conductive polymer-coated textiles for self-power electronics. ACS Sustain. Chem. Eng. 2019, 7, 16450–16458. [Google Scholar] [CrossRef]
- Lei, K.F.; Lee, K.F.; Lee, M.Y. Development of a flexible PDMS capacitive pressure sensor for plantar pressure measurement. Microelectron. Eng. 2012, 99, 1–5. [Google Scholar] [CrossRef]
- Nagatomo, T.; Miki, N. Reduction of parasitic Capacitance of a PDMS capacitive force sensor. Micromachines 2018, 9, 570. [Google Scholar] [CrossRef]
- Tripathy, A.; Sharma, P.; Pramanik, S.; Silva, F.S.; Osman, N.A.B.A. Armalcolite nanocomposite: A new paradigm for flexible capacitive humidity sensor. IEEE Sens. J. 2021, 21, 14685–14692. [Google Scholar] [CrossRef]
- Kim, D.H.; Jung, Y.; Jung, K.; Kwak, D.H.; Park, D.M.; Shin, M.G.; Ko, J.S. Hollow polydimethylsiloxane (PDMS) foam with a 3D interconnected network for highly sensitive capacitive pressure sensors. Micro Nano Syst. Lett. 2020, 8, 1–7. [Google Scholar] [CrossRef]
- Siangkhio, Y.; Rangkasikorn, A.; Tammarugwattana, N.; Kayunkid, N.; Jessadaluk, S.; Rahong, S.; Nukeaw, J. The enhancement of sensitivity and response times of PDMS-based capacitive force sensor by means of active layer modification. Jpn. J. Appl. Phys. 2021, 60, SCCE09. [Google Scholar] [CrossRef]
- Da Costa, T.H.; Choi, J.W. A flexible two dimensional force sensor using PDMS nanocomposite. Microelectron. Eng. 2017, 174, 64–69. [Google Scholar] [CrossRef]
- Nag, A.; Feng, S.; Mukhopadhyay, S.C.; Kosel, J.; Inglis, D. 3D printed mould-based graphite/PDMS sensor for low-force applications. Sens. Actuators A Phys. 2018, 280, 525–534. [Google Scholar] [CrossRef]
- Chen, J.; Zheng, J.; Gao, Q.; Zhang, J.; Zhang, J.; Omisore, O.M.; Li, H. Polydimethylsiloxane (PDMS)-based flexible resistive strain sensors for wearable applications. Appl. Sci. 2018, 8, 345. [Google Scholar] [CrossRef]
- Kai, C.; Yingping, H.; Dandan, S.; Wenyi, L.; Huixin, Z. A Lossless Fiber Pressure Sensor Based on PDMS. IEEE Access 2020, 8, 189036–189042. [Google Scholar] [CrossRef]
- Yang, Z.; Wu, Z.; Jiang, D.; Wei, R.; Mai, X.; Pan, D.; Guo, Z. Ultra-sensitive flexible sandwich structural strain sensors based on a silver nanowire supported PDMS/PVDF electrospun membrane substrate. J. Mater. Chem. C 2021, 9, 2752–2762. [Google Scholar] [CrossRef]
- Corman, T.; Enoksson, P.; Stemme, G. Deep wet etching of borosilicate glass using an anodically bonded silicon substrate as mask. J. Micromech. Microeng. 1998, 8, 84–87. [Google Scholar] [CrossRef]
- Iliescu, C.; Miao, J.; Taya, F.E.H. Stress control in masking layers for deep wet micromachining of Pyrex glass. Sens. Actuators A 2005, 117, 286–292. [Google Scholar] [CrossRef]
- Chung, C.K. Geometrical pattern effect on silicon deep etching by an inductively coupled plasma system. J. Micromech. Microeng. 2004, 14, 656. [Google Scholar] [CrossRef]
- Paiè, P.; Bragheri, F.; Di Carlo, D.; Osellame, R. Particle focusing by 3D inertial microfluidics. Microsyst. Nanoeng. 2017, 3, 1–8. [Google Scholar] [CrossRef] [PubMed]
- Cheng, M.; Liu, Y.; Zhong, B.; Wang, H.; Liu, Y.; Liang, X.; Wang, X. Superhydrophobic Surface with Controllable Adhesion for Anti-Roof-Collapse Application in Flexible Microfluidics. Adv. Mater. Interfaces 2019, 6, 1901178. [Google Scholar] [CrossRef]
- Gao, B.; Yang, Y.; Liao, J.; He, B.; Liu, H. Bioinspired multistructured paper microfluidics for POCT. Lab Chip 2019, 19, 3602–3608. [Google Scholar] [CrossRef]
- Gosálvez, M.A.; Nieminen, R.M. Surface morphology during anisotropic wet chemical etching of crystalline silicon. New J. Phys. 2003, 5, 100. [Google Scholar] [CrossRef][Green Version]
- Li, X.; Abe, T.; Esashi, M. Deep reactive ion etching of Pyrex glass using SF6 plasma. Sens. Actuators A 2001, 87, 139–145. [Google Scholar] [CrossRef]
- Goyal, A.; Hood, V.; Tadigadapa, S. High speed anisotropic etching of Pyrex® for microsystems applications. J. Non-Cryst. Solid 2006, 352, 657–663. [Google Scholar] [CrossRef]
- Baram, A.; Naftali, M. Dry etching of deep cavities in Pyrex for MEMS applications using standard lithography. J. Micromech. Microeng. 2006, 16, 2287–2291. [Google Scholar] [CrossRef]
- Alexandrov, S.E.; Lipovskii, A.A.; Osipov, A.A.; Reduto, I.V.; Tagantsev, D.K. Plasma-etching of 2D-poled glasses: A route to dry lithography. Appl. Phys. Lett. 2017, 111, 111604. [Google Scholar] [CrossRef]
- Tang, B.; Wei, M.; Shao, W.; Barman, J.; Sun, H.; Lu, L.; Zhou, G. Facile fabrication of binary wettability patterned microstructure for microfluidics. J. Micromech. Microeng. 2021, 31, 045007. [Google Scholar] [CrossRef]
- Mendes, F.M.L.; Castor, K.; Monteiro, R.; Mota, F.B.; Rocha, L.F.M. Mapping the lab-on-a-chip patent landscape through bibliometric techniques. World Pat. Inf. 2019, 58, 101904. [Google Scholar] [CrossRef]
- Kim, J.H.; Lee, S.Y.; Lee, S.K. Development of novel lab-on-a-chip platform for high-throughput radioimmunoassay. Appl. Radiat. Isot. 2021, 168, 109526. [Google Scholar] [CrossRef]
- Pinto, V.C.; Araújo, C.F.; Sousa, P.J.; Gonçalves, L.M.; Minas, G. A low-cost lab-on-a-chip device for marine pH quantification by colorimetry. Sens. Actuators B Chem. 2019, 290, 285–292. [Google Scholar] [CrossRef]
- Makamba, H.; Kim, J.H.; Lim, K.; Park, N.; Hahn, J.H. Surface modification of poly(dimethylsiloxane) microchannels. Electrophoresis 2003, 24, 3607–3619. [Google Scholar] [CrossRef]
- Eddington, D.T.; Puccinelli, J.P.; Beebe, D.J. Thermal aging and reduced hydrophobic recovery of polydimethylsiloxane. Sens. Actuators B 2006, 114, 170–172. [Google Scholar] [CrossRef]
- Efimenko, K.; Wallace, W.E.; Genzer, J. Surface Modification of Sylgard-184 Poly(dimethyl siloxane) Networks by Ultraviolet and Ultraviolet/Ozone Treatment. J. Colloid Interface Sci. 2002, 254, 306–315. [Google Scholar] [CrossRef]
- Hillborg, H.; Gedde, U.W. Hydrophobicity recovery of polydimethylsiloxane after exposure to corona discharges. Polymer 1998, 39, 1991–1998. [Google Scholar] [CrossRef]
- Yang, L.; Zhu, L.; Li, Z.; Lu, B. Fabrication of PDMS microfluidic chips used in rapid diagnosis by micro jetting. Multimed. Tools Appl. 2018, 77, 3761–3774. [Google Scholar] [CrossRef]
- Qin, Y.; Yeh, P.; Hao, X.; Cao, X. Developing an ultra non-fouling SU-8 and PDMS hybrid microfluidic device by poly (amidoamine) engraftment. Colloids Surf. B Biointerfaces 2015, 127, 247–255. [Google Scholar] [CrossRef]
- Zhu, J.; Wang, M.; Zhang, H.; Yang, S.; Song, K.Y.; Yin, R.; Zhang, W. Effects of hydrophilicity, adhesion work, and fluid flow on biofilm formation of PDMS in microfluidic systems. ACS Appl. Bio Mater. 2020, 3, 8386–8394. [Google Scholar] [CrossRef]
- Vickers, J.A.; Caulum, M.M.; Henry, C.S. Generation of hydrophilic poly(dimethylsiloxane) for high-performance microchip electrophoresis. Anal. Chem. 2006, 78, 7446–7452. [Google Scholar] [CrossRef]
- Daridon, A.; Fascio, V.; Lichtenberg, J.; Wütrich, R.; Langen, H.; Verpoorte, E.; De Rooij, N.F. Multi-layer microfluidic glass chips for microanalytical applications. Fresenius J. Anal. Chem. 2001, 371, 261–269. [Google Scholar] [CrossRef] [PubMed]
- Sheehy, J.; Hunter, I.; Moustaka, M.E.; Aghvami, S.A.; Fahmy, Y.; Fraden, S. Impact of PDMS-Based Microfluidics on Belousov–Zhabotinsky Chemical Oscillators. J. Phys. Chem. B 2020, 124, 11690–11698. [Google Scholar] [CrossRef]
- Saadat, M.; Taylor, M.; Hughes, A.; Hajiyavand, A.M. Rapid prototyping method for 3D PDMS microfluidic devices using a red femtosecond laser. Adv. Mech. Eng. 2020, 12, 1687814020982713. [Google Scholar] [CrossRef]
- Manimaran, N.H.; Usman, H.; Kamga, K.L.; Davidson, S.L.; Beckman, E.; Niepa, T.H. Developing a Functional Poly (dimethylsiloxane)-Based Microbial Nanoculture System Using Dimethylallylamine. ACS Appl. Mater. Interfaces 2020, 12, 50581–50591. [Google Scholar] [CrossRef]
- Mustafa, A.; Eser, A.; Aksu, A.C.; Kiraz, A.; Tanyeri, M.; Erten, A.; Yalcin, O. A micropillar-based microfluidic viscometer for Newtonian and non-Newtonian fluids. Anal. Chim. Acta 2020, 1135, 107–115. [Google Scholar] [CrossRef]
- Zhang, Z.; Luo, Y.; Nie, X.; Yu, D.; Xing, X. A one-step molded microfluidic chip featuring a two-layer silver-PDMS microelectrode for dielectrophoretic cell separation. Analyst 2020, 145, 5603–5614. [Google Scholar] [CrossRef] [PubMed]
- Alfihed, S.; Holzman, J.F.; Foulds, I.G. Developments in the integration and application of terahertz spectroscopy with microfluidics. Biosens. Bioelectron. 2020, 165, 112393. [Google Scholar] [CrossRef]
- Lai, X.; Lu, B.; Zhang, P.; Zhang, X.; Pu, Z.; Yu, H.; Li, D. Sticker microfluidics: A method for fabrication of customized monolithic microfluidics. ACS Biomater. Sci. Eng. 2019, 5, 6801–6810. [Google Scholar] [CrossRef] [PubMed]
- Pu, Z.; Ma, J.; Li, W.; Lai, X.; Su, X.; Yu, H.; Li, D. A flexible precise volume sensor based on metal-on-polyimide electrodes sandwiched by PDMS channel for microfluidic systems. Microfluid. Nanofluid. 2019, 23, 1–11. [Google Scholar] [CrossRef]
- Martínez-Brenes, A.; Torres-Castro, K.; Marín-Benavides, R.; Acuña-Umaña, K.; Espinoza-Araya, C.; Ramírez-Carranza, R.; Lesser-Rojas, L. Combined electrokinetic manipulations of pathogenic bacterial samples in low-cost fabricated dielectrophoretic devices. AIP Adv. 2019, 9, 115303. [Google Scholar] [CrossRef]
- Gao, B.; Liao, J.; Guo, M.; Liu, H.; He, B.; Gu, Z. Biomimetic Meta-Structured Electro-Microfluidics. Adv. Funct. Mater. 2019, 29, 1906745. [Google Scholar] [CrossRef]
- Yin, S.; Huang, Y.; Wong, T.N.; Chong, W.H.; Ooi, K.T. Electric Scissors for Precise Generation of Organic Droplets in Microfluidics: A Universal Approach that Goes beyond Surface Wettability. J. Phys. Chem. C 2019, 123, 25643–25650. [Google Scholar] [CrossRef]
- Yuan, Y.; Yalikun, Y.; Ota, N.; Tanaka, Y. Property investigation of replaceable PDMS membrane as an actuator in microfluidic device. Actuators 2018, 7, 68. [Google Scholar] [CrossRef]
- Song, K.Y.; Zhang, H.; Zhang, W.J.; Teixeira, A. Enhancement of the surface free energy of PDMS for reversible and leakage-free bonding of PDMS–PS microfluidic cell-culture systems. Microfluid. Nanofluid. 2018, 22, 1–9. [Google Scholar] [CrossRef]
- Long, H.P.; Lai, C.C.; Chung, C.K. Polyethylene glycol coating for hydrophilicity enhancement of polydimethylsiloxane self-driven microfluidic chip. Surf. Coat. Technol. 2017, 320, 315–319. [Google Scholar] [CrossRef]
- Lai, C.C.; Chung, C.K. Numerical analysis and experiment of high-efficiency long-term PDMS open-surface mixing chip. J. Micromech. Microeng. 2019, 29, 075003. [Google Scholar] [CrossRef]
- Lukyanenko, K.A.; Belousov, K.I.; Denisov, I.A.; Yakimov, A.S.; Esimbekova, E.N.; Bukatin, A.S.; Belobrov, P.I. Active mixing of immobilised enzymatic system in microfluidic chip. Micro Nano Lett. 2017, 12, 377–381. [Google Scholar] [CrossRef]
- Cortelezzi, L.; Ferrari, S.; Dubini, G. A scalable active micro-mixer for biomedical applications. Microfluid. Nanofluid. 2017, 21, 31. [Google Scholar] [CrossRef]
- Bell, N.A.; Molloy, J.E. Microfluidic flow-cell with passive flow control for microscopy applications. PLoS ONE 2020, 15, e0244103. [Google Scholar] [CrossRef] [PubMed]
- Gidde, R.R.; Pawar, P.M.; Ronge, B.P.; Misal, N.D.; Kapurkar, R.B.; Parkhe, A.K. Evaluation of the mixing performance in a planar passive micromixer with circular and square mixing chambers. Microsyst. Technol. 2018, 24, 2599–2610. [Google Scholar] [CrossRef]
- Rampalli, S.; Dundi, T.M.; Chandrasekhar, S.; Raju, V.R.K.; Chandramohan, V.P. Numerical Evaluation of Liquid Mixing in a Serpentine Square Convergent-divergent Passive Micromixer. Chem. Prod. Process Modeling 2020, 15, 20190071. [Google Scholar] [CrossRef]
- Doronin, F.A.; Rudyak, Y.V.; Rytikov, G.O.; Evdokimov, A.G.; Nazarov, V.G. 3D-printed planar microfluidic device on oxyfluorinated PET-substrate. Polym. Test. 2021, 99, 107209. [Google Scholar] [CrossRef]
- Da Silva, V.A.O.P.; de Freitas, R.C.; de Oliveira, P.R.; Moreira, R.C.; Marcolino-Júnior, L.H.; Bergamini, M.F.; Janegitz, B.C. Microfluidic paper-based device integrated with smartphone for point-of-use colorimetric monitoring of water quality index. Measurement 2020, 164, 108085. [Google Scholar] [CrossRef]
- Kumamoto, S.; Nakatake, K.; Fukuyama, S.; Yasuda, K.; Kitamura, Y.; Iwatsuki, M.; Nakashima, Y. A dynamically deformable microfilter for selective separation of specific substances in microfluidics. Biomicrofluidics 2020, 14, 064113. [Google Scholar] [CrossRef] [PubMed]
- McIntyre, D.; Lashkaripour, A.; Densmore, D. Rapid and inexpensive microfluidic electrode integration with conductive ink. Lab Chip 2020, 20, 3690–3695. [Google Scholar] [CrossRef] [PubMed]
- Schuster, B.; Junkin, M.; Kashaf, S.S.; Romero-Calvo, I.; Kirby, K.; Matthews, J.; Tay, S. Automated microfluidic platform for dynamic and combinatorial drug screening of tumor organoids. Nat. Commun. 2020, 11, 1–12. [Google Scholar] [CrossRef] [PubMed]
- Jang, I.; Kang, H.; Song, S.; Dandy, D.S.; Geiss, B.J.; Henry, C.S. Flow control in a laminate capillary-driven microfluidic device. Analyst 2021, 146, 1932–1939. [Google Scholar] [CrossRef]
- Zhai, P.; Liu, L.; Gu, X.; Wang, T.; Gong, Y. Interface engineering for lithium metal anodes in liquid electrolyte. Adv. Energy Mater. 2020, 10, 2001257. [Google Scholar] [CrossRef]
- Bourn, M.D.; Batchelor, D.V.; Ingram, N.; McLaughlan, J.R.; Coletta, P.L.; Evans, S.D.; Peyman, S.A. High-throughput microfluidics for evaluating microbubble enhanced delivery of cancer therapeutics in spheroid cultures. J. Control. Release 2020, 326, 13–24. [Google Scholar] [CrossRef]
- Ballacchino, G.; Weaver, E.; Mathew, E.; Dorati, R.; Genta, I.; Conti, B.; Lamprou, D.A. Manufacturing of 3D-Printed Microfluidic Devices for the Synthesis of Drug-Loaded Liposomal Formulations. Int. J. Mol. Sci. 2021, 22, 8064. [Google Scholar] [CrossRef] [PubMed]
- Liu, D.Y.; Zhou, L.; Huang, L.H.; Zuo, Z.; Ho, V.; Lu, Y.; Mao, H. Microfluidic integrated capacitive biosensor for C-Reactive Protein label-free and real-time detection. Analyst 2021, 146, 5380–5388. [Google Scholar] [CrossRef] [PubMed]
- Sima, F.; Sugioka, K. Ultrafast laser manufacturing of nanofluidic systems. Nanophotonics 2021, 10, 20210159. [Google Scholar] [CrossRef]
- Zargaryan, A.; Farhoudi, N.; Haworth, G.; Ashby, J.F.; Au, S.H. Hybrid 3D printed-paper microfluidics. Sci. Rep. 2020, 10, 1–9. [Google Scholar] [CrossRef]
- Li, X.; He, Z.; Li, C.; Li, P. One-Step Enzyme Kinetics Measurement in 3D Printed Microfluidics Devices based on A High-Performance Single Vibrating Sharp-Tip Mixer. Anal. Chim. Acta 2021, 1172, 338677. [Google Scholar] [CrossRef]
- Chen, L.; Xiao, Y.; Wu, Q.; Yan, X.; Zhao, P.; Ruan, J.; Ye, F. Emulsion Designer Using Microfluidic Three-Dimensional Droplet Printing in Droplet. Small 2021, 17, 2102579. [Google Scholar] [CrossRef]
- Jeffries, G.D.; Xu, S.; Lobovkina, T.; Kirejev, V.; Tusseau, F.; Gyllensten, C.; Orwar, O. 3D micro-organisation printing of mammalian cells to generate biological tissues. Sci. Rep. 2020, 10, 1–10. [Google Scholar] [CrossRef] [PubMed]
- Xu, J.; Shamul, J.G.; Staten, N.A.; White, A.M.; Jiang, B.; He, X. Bioinspired 3D Culture in Nanoliter Hyaluronic Acid-Rich Core-Shell Hydrogel Microcapsules Isolates Highly Pluripotent Human iPSCs. Small 2021, 17, 2102219. [Google Scholar] [CrossRef]
- Mettry, M.; Worthington, M.A.; Au, B.; Forien, J.B.; Chandrasekaran, S.; Heth, N.A.; Oakdale, J.S. Refractive index matched polymeric and preceramic resins for height-scalable two-photon lithography. RSC Adv. 2021, 11, 22633–22639. [Google Scholar] [CrossRef]
- Guima, K.E.; Gomes, L.E.; Alves Fernandes, J.; Wender, H.; Martins, C.A. Harvesting Energy from an Organic Pollutant Model Using a New 3D-Printed Microfluidic Photo Fuel Cell. ACS Appl. Mater. Interfaces 2020, 12, 54563–54572. [Google Scholar] [CrossRef]
- Min, X.; Kim, W.S. Artificial Xylem Chip: A Three-Dimensionally Printed Vertical Digital Microfluidic Platform. Langmuir 2020, 36, 14841–14848. [Google Scholar] [CrossRef]
- Bhagat, A.A.S.; Peterson, E.T.K.; Papautsky, I. A passive planar micromixer with low pressure drop for disposable lab-on-a-chip (LOC) systems. Proc. SPIEMicrofluid. BioMEMS Med. Microsyst. Conf. 2007, 6465, 64650A1–64650A10. [Google Scholar]
- Ma, T.; Sun, S.; Li, B.; Chu, J. Piezoelectric peristaltic micropump integrated on a microfluidic chip. Sens. Actuators A Phys. 2019, 292, 90–96. [Google Scholar] [CrossRef]
- Bavil, A.K.; Kim, J. A capillary flow-driven microfluidic system for microparticle-labeled immunoassays. Analyst 2018, 143, 3335–3342. [Google Scholar] [CrossRef]
- Li, J.; Liang, C.; Zhang, B.; Liu, C. A comblike time-valve used in capillary-driven microfluidic devices. Microelectron. Eng. 2017, 173, 48–53. [Google Scholar] [CrossRef]
- Epifania, R.; Soares, R.R.; Pinto, I.F.; Chu, V.; Conde, J.P. Capillary-driven microfluidic device with integrated nanoporous microbeads for ultrarapid biosensing assays. Sens. Actuators B Chem. 2018, 265, 452–458. [Google Scholar] [CrossRef]
- Salva, M.L.; Rocca, M.; Hu, Y.; Delamarche, E.; Niemeyer, C.M. Complex Nucleic Acid Hybridization Reactions inside Capillary-Driven Microfluidic Chips. Small 2020, 16, 2005476. [Google Scholar] [CrossRef] [PubMed]
- Guo, X.; Liu, L.; Zhang, Z.; Gao, S.; He, T.; Shi, Q.; Lee, C. Technology Evolution from Micro-Scale Energy Harvesters to Nanogenerators. J. Micromech. Microeng. 2021, 31, 093002. [Google Scholar] [CrossRef]
- Shao, H.; Wen, Z.; Cheng, P.; Sun, N.; Shen, Q.; Zhou, C.; Sun, X. Multifunctional power unit by hybridizing contact-separate triboelectric nanogenerator, electromagnetic generator and solar cell for harvesting blue energy. Nano Energy 2017, 39, 608–615. [Google Scholar] [CrossRef]
- Wang, Z.; Liu, W.; Hu, J.; He, W.; Yang, H.; Ling, C.; Hu, C. Two voltages in contact-separation triboelectric nanogenerator: From asymmetry to symmetry for maximum output. Nano Energy 2020, 69, 104452. [Google Scholar] [CrossRef]
- Ramaswamy, S.H.; Kondo, R.; Chen, W.; Fukushima, I.; Choi, J. Development of Highly Durable Sliding Triboelectric Nanogenerator Using Diamond-Like Carbon Films. Tribol. Online 2020, 15, 89–97. [Google Scholar] [CrossRef]
- Park, S.; Ryu, H.; Park, S.; Hong, H.; Jung, H.Y.; Park, J.J. Rotating triboelectric generator using sliding contact and noncontact from 1D fiber friction. Nano Energy 2017, 33, 184–194. [Google Scholar] [CrossRef]
- Xu, M.; Wang, P.; Wang, Y.C.; Zhang, S.L.; Wang, A.C.; Zhang, C.; Wang, Z.L. A soft and robust spring based triboelectric nanogenerator for harvesting arbitrary directional vibration energy and self-powered vibration sensing. Adv. Energy Mater. 2018, 8, 1702432. [Google Scholar] [CrossRef]
- Park, M.; Cho, S.; Yun, Y.; La, M.; Park, S.J.; Choi, D. A highly sensitive magnetic configuration-based triboelectric nanogenerator for multidirectional vibration energy harvesting and self-powered environmental monitoring. Int. J. Energy Res. 2021, 45, 18262–18274. [Google Scholar] [CrossRef]
- Cheng, H.; Pan, Y.; Chen, Q.; Che, R.; Zheng, G.; Liu, C.; Liu, X. Ultrathin flexible poly (vinylidene fluoride)/MXene/silver nanowire film with outstanding specific EMI shielding and high heat dissipation. Adv. Compos. Hybrid Mater. 2021, 4, 505–513. [Google Scholar] [CrossRef]
- Zhao, Z.; Pu, X.; Du, C.; Li, L.; Jiang, C.; Hu, W.; Wang, Z.L. Freestanding Flag-Type Triboelectric Nanogenerator for Harvesting High-Altitude Wind Energy from Arbitrary Directions. ACS Nano 2016, 10, 1780–1787. [Google Scholar] [CrossRef]
- Lv, S.; Yu, B.; Huang, T.; Yu, H.; Wang, H.; Zhang, Q.; Zhu, M. Gas-enhanced triboelectric nanogenerator based on fully-enclosed structure for energy harvesting and sensing. Nano Energy 2019, 55, 463–469. [Google Scholar] [CrossRef]
- Xu, G.; Zheng, Y.; Feng, Y.; Ma, S.; Luo, N.; Feng, M.; Wang, D. A triboelectric/electromagnetic hybrid generator for efficient wind energy collection and power supply for electronic devices. Sci. China Technol. Sci. 2021, 64, 2003–2011. [Google Scholar] [CrossRef]
- Liu, Y.; Liu, W.; Wang, Z.; He, W.; Tang, Q.; Xi, Y.; Hu, C. Quantifying contact status and the air-breakdown model of charge-excitation triboelectric nanogenerators to maximize charge density. Nat. Commun. 2020, 11, 1–8. [Google Scholar] [CrossRef] [PubMed]
- Zhu, G.; Bai, P.; Chen, J.; Wang, Z.L. Power-generating shoe insole based on triboelectric nanogenerators for self-powered consumer electronics. Nano Energy 2013, 2, 688–692. [Google Scholar] [CrossRef]
- Wang, J.; Wang, H.; He, T.; He, B.; Thakor, N.V.; Lee, C. Investigation of low-current direct stimulation for rehabilitation treatment related to muscle function loss using self-powered TENG system. Adv. Sci. 2019, 6, 1900149. [Google Scholar] [CrossRef]
- Xu, W.; Yang, J.; Liu, S.; Meng, Y.; Feng, D.; Jia, L.; Li, X. An instantaneous discharging liquid-solid triboelectric nanogenerator (IDLS-TENG) with boosted peak power output. Nano Energy 2021, 86, 106093. [Google Scholar] [CrossRef]
- Zhang, H.L.; Yang, Y.; Hou, T.C.; Su, Y.J.; Hu, C.G.; Wang, Z.L. Triboelectric nanogenerator built inside clothes for self-powered glucose biosensors. Nano Energy 2013, 2, 1019–1024. [Google Scholar] [CrossRef]
- Ji, X.; Fang, P.; Xu, B.; Xie, K.; Yue, H.; Luo, X.; Shi, P. Biohybrid Triboelectric Nanogenerator for Label-Free Pharmacological Fingerprinting in Cardiomyocytes. Nano Lett. 2020, 20, 4043–4050. [Google Scholar] [CrossRef]
- Shlomy, I.; Divald, S.; Tadmor, K.; Leichtmann-Bardoogo, Y.; Arami, A.; Maoz, B.M. Restoring Tactile Sensation Using a Triboelectric Nanogenerator. ACS Nano 2021, 15, 11087–11098. [Google Scholar] [CrossRef]
- Ahmed, A.; Hassan, I.; Zu, J. Design guidelines of stretchable pressure sensors-based triboelectrification. Adv. Eng. Mater. 2018, 20, 1700997. [Google Scholar] [CrossRef]
- Huynh, N.D.; Lin, Z.H.; Choi, D. Dynamic balanced hybridization of TENG and EMG via Tesla turbine for effectively harvesting broadband mechanical pressure. Nano Energy 2021, 85, 105983. [Google Scholar] [CrossRef]
- Cheedarala, R.K.; Shahriar, M.; Ahn, J.H.; Hwang, J.Y.; Ahn, K.K. Harvesting liquid stream energy from unsteady peristaltic flow induced pulsatile Flow-TENG (PF-TENG) using slipping polymeric surface inside elastomeric tubing. Nano Energy 2019, 65, 104017. [Google Scholar] [CrossRef]
- Zhang, L.; Li, H.; Xie, Y.; Guo, J.; Zhu, Z. Triboelectric nanogenerator based on Teflon/vitamin B1 powder for self-powered humidity sensing. Beilstein J. Nanotechnol. 2020, 11, 1394–1401. [Google Scholar] [CrossRef] [PubMed]
- Wang, Y.; Yang, E.; Chen, T.; Wang, J.; Hu, Z.; Mi, J.; Xu, M. A novel humidity resisting and wind direction adapting flag-type triboelectric nanogenerator for wind energy harvesting and speed sensing. Nano Energy 2020, 78, 105279. [Google Scholar] [CrossRef]
- Wang, S.; Liu, B.; Duan, Z.; Zhao, Q.; Zhang, Y.; Xie, G.; Tai, H. PANI nanofibers-supported Nb2CTx nanosheets-enabled selective NH3 detection driven by TENG at room temperature. Sens. Actuators B Chem. 2021, 327, 128923. [Google Scholar] [CrossRef]
- Paria, S.; Bera, R.; Karan, S.K.; Maitra, A.; Das, A.K.; Si, S.K.; Khatua, B.B. Insight into cigarette wrapper and electroactive polymer based efficient TENG as biomechanical energy harvester for smart electronic applications. ACS Appl. Energy Mater. 2018, 1, 4963–4975. [Google Scholar] [CrossRef]
- Chaudhary, P.; Azad, P. Energy Harvesting from Human Biomechanical Energy for Health-monitoring Devices. IETE J. Res. 2021, 67, 74–81. [Google Scholar] [CrossRef]
- Xia, K.; Xu, Z. Double-piezoelectric-layer-enhanced triboelectric nanogenerator for bio-mechanical energy harvesting and hot airflow monitoring. Smart Mater. Struct. 2020, 29, 095016. [Google Scholar] [CrossRef]
- Rodrigues, C.R.S.; Alves, C.A.S.; Puga, J.; Pereira, A.M.; Ventura, J.O. Triboelectric driven turbine to generate electricity from the motion of water. Nano Energy 2016, 30, 379–386. [Google Scholar] [CrossRef]
- Pang, Y.; Chen, S.; Chu, Y.; Wang, Z.L.; Cao, C. Matryoshka-inspired hierarchically structured triboelectric nanogenerators for wave energy harvesting. Nano Energy 2019, 66, 104131. [Google Scholar] [CrossRef]
- Jiang, D.; Guo, F.; Xu, M.; Cai, J.; Cong, S.; Jia, M.; Song, Y. Conformal fluorine coated carbon paper for an energy harvesting water wheel. Nano Energy 2019, 58, 842–851. [Google Scholar] [CrossRef]
- Chandrasekhar, A.; Alluri, N.R.; Saravanakumar, B.; Selvarajan, S.; Kim, S.J. Human Interactive Triboelectric Nanogenerator as a Self-Powered Smart Seat. ACS Appl. Mater. Interfaces 2016, 8, 9692–9699. [Google Scholar] [CrossRef]
- Kim, Y.; Lee, D.; Seong, J.; Bak, B.; Choi, U.H.; Kim, J. Ionic liquid-based molecular design for transparent, flexible, and fire-retardant triboelectric nanogenerator (TENG) for wearable energy solutions. Nano Energy 2021, 84, 105925. [Google Scholar] [CrossRef]
- Zhang, Z.; Cai, J. High output triboelectric nanogenerator based on PTFE and cotton for energy harvester and human motion sensor. Curr. Appl. Phys. 2021, 22, 1–5. [Google Scholar] [CrossRef]
- Ren, L. A triboelectric nanogenerator based on foam for human motion posture monitoring. Mater. Technol. 2021, 1–6. [Google Scholar] [CrossRef]
- Chen, J.; Han, K.; Luo, J.; Xu, L.; Tang, W.; Wang, Z.L. Soft robots with self-powered configurational sensing. Nano Energy 2020, 77, 105171. [Google Scholar] [CrossRef]
- Yao, M.; Xie, G.; Gong, Q.; Su, Y. Walking energy harvesting and self-powered tracking system based on triboelectric nanogenerators. Beilstein J. Nanotechnol. 2020, 11, 1590–1595. [Google Scholar] [CrossRef]
- Liu, G.; Chen, J.; Guo, H.; Lai, M.; Pu, X.; Wang, X.; Hu, C. Triboelectric nanogenerator based on magnetically induced retractable spring steel tapes for efficient energy harvesting of large amplitude motion. Nano Res. 2018, 11, 633–641. [Google Scholar] [CrossRef]
- Kong, D.S.; Han, J.Y.; Ko, Y.J.; Park, S.H.; Lee, M.; Jung, J.H. A Highly Efficient and Durable Kirigami Triboelectric Nanogenerator for Rotational Energy Harvesting. Energies 2021, 14, 1120. [Google Scholar] [CrossRef]
- Ko, Y.H.; Nagaraju, G.; Lee, S.H.; Yu, J.S. PDMS-based triboelectric and transparent nanogenerators with ZnO nanorod arrays. ACS Appl Mater. Interfaces 2014, 6, 6631–6637. [Google Scholar] [CrossRef]
- Wang, C.; Wang, X.; Hu, Y.; Li, L.; Li, Z.; Wu, H.; Zhao, Z. Investigation on the adhesive contact and electrical performance for triboelectric nanogenerator considering polymer viscoelasticity. Nano Res. 2021. [Google Scholar] [CrossRef]
- Fan, F.R.; Lin, L.; Zhu, G.; Wu, W.; Zhang, R.; Wang, Z.L. Transparent triboelectric nanogenerators and self-powered pressure sensors based on micropatterned plastic films. Nano Lett. 2012, 12, 3109–3114. [Google Scholar] [CrossRef]
- Mao, Y.; Li, Y.; Xie, J.; Liu, H.; Guo, C.; Hu, W. Triboelectric nanogenerator/supercapacitor in-one self-powered textile based on PTFE yarn wrapped PDMS/MnO2NW hybrid elastomer. Nano Energy 2021, 84, 105918. [Google Scholar] [CrossRef]
- Wang, H.S.; Jeong, C.K.; Seo, M.H.; Joe, D.J.; Han, J.H.; Yoon, J.B.; Lee, K.J. Performance-enhanced triboelectric nanogenerator enabled by wafer-scale nanogrates of multistep pattern downscaling. Nano Energy 2017, 35, 415–423. [Google Scholar] [CrossRef]
- Seung, W.; Gupta, M.K.; Lee, K.Y.; Shin, K.S.; Lee, J.H.; Kim, T.Y.; Kim, S.W. Nanopatterned textile-based wearable triboelectric nanogenerator. ACS Nano 2015, 9, 3501–3509. [Google Scholar] [CrossRef] [PubMed]
- Tcho, I.W.; Kim, W.G.; Jeon, S.B.; Park, S.J.; Lee, B.J.; Bae, H.K.; Choi, Y.K. Surface structural analysis of a friction layer for a triboelectric nanogenerator. Nano Energy 2017, 42, 34–42. [Google Scholar] [CrossRef]
- Kim, W.G.; Tcho, I.W.; Kim, D.; Jeon, S.B.; Park, S.J.; Seol, M.L.; Choi, Y.K. Performance-enhanced triboelectric nanogenerator using the glass transition of polystyrene. Nano Energy 2016, 27, 306–312. [Google Scholar] [CrossRef]
- Dudem, B.; Kim, D.H.; Mule, A.R.; Yu, J.S. Enhanced performance of microarchitectured PTFE-based triboelectric nanogenerator via simple thermal imprinting lithography for self-powered electronics. ACS Appl. Mater. Interfaces 2018, 10, 24181–24192. [Google Scholar] [CrossRef]
- Chen, M.; Wang, Z.; Zheng, Y.; Zhang, Q.; He, B.; Yang, J.; Wei, L. Flexible Tactile Sensor Based on Patterned Ag-Nanofiber Electrodes through Electrospinning. Sensors 2021, 21, 2413. [Google Scholar] [CrossRef]
- Cheng, G.G.; Jiang, S.Y.; Li, K.; Zhang, Z.Q.; Wang, Y.; Yuan, N.Y.; Zhang, W. Effect of argon plasma treatment on the output performance of triboelectric nanogenerator. Appl. Surf. Sci. 2017, 412, 350–356. [Google Scholar] [CrossRef]
- Chung, C.K.; Lin, Y.C.; Huang, G.R. Bulge formation and improvement of the polymer in CO2 laser micromachining. J. Micromech. Microeng. 2005, 15, 1878. [Google Scholar] [CrossRef]
- Chung, C.K.; Lin, S.L. On the fabrication of minimizing bulges and reducing the feature dimensions of microchannels using novel CO2 laser micromachining. J. Micromech. Microeng. 2011, 21, 065023. [Google Scholar] [CrossRef]

































Positive![]() | Polyamide 11 | Polyvinyl alcohol (PVA) | ![]() Negative |
| Polyamide 6-6 | Polyester | ||
| Melanimel formol | Polyuretane flexible sponge | ||
| Wool | Polyethylene Terephthalate | ||
| Silk | Polychlorobutadiene | ||
| Aluminum | Nature rubber | ||
| Paper | Polybisphenol carbonate | ||
| Cotton | Polychloroether | ||
| Steel | Polystyrene | ||
| Wood | Polyethylene | ||
| Hard rubber | Polypropylene | ||
| Nickel, Copper | Polyimide (Kapton) | ||
| Sulfur | Polyvinyl chloride (PVC) | ||
| Brass, Silver | Polydimethylsiloxane (PDMS) | ||
| Polymethyl methacrylate (Lucite) | Polytetrafluoroethylene (Teflon) |
| Morphology | Materials | Fabrication Method | Operation Condition | Electrical Characteristics | Lighting (LEDs) | Ref | ||
|---|---|---|---|---|---|---|---|---|
| Voc [V] | Isc [μA] | J [μA cm−2] | ||||||
| Pyramid Line Cube | ITO/PET-PDMS/ PET/ITO | Photolithography, etching | Linear motor | 18 | 0.7 | 0.13 | [159] | |
| Pyramid > cube > line | ||||||||
| Nano pattern Textile | Ag/PDMS-ZnO/Ag | Chemical treatment, dip-coating | Mechanical force stimulator (10 kgf) | 120 | 65 | - | [162] | |
| Nano-pillar Nano-Dome | Au/PDMS/Au | ICP etcher, thermal oxidation | 130 N 3 Hz | 83 60 | 3.2 2.5 | - | 75 - | [163] |
| Wrinkle (1D-40% PS-TENG) | Au deposited PS/ PTFE/Au | Thermal evaporation | 65 N 3 Hz | 83 | 14 | 3.5 | 160 | [164] |
| Micropillars | Al/PDMS/Al | Soft lithography plasma treated | 10 N 5 Hz | 72 | 8.3 | [167] | ||
| Microneedle | Al/PDMS/Al | CO2 laser ablation | Hand tapping, 3 Hz | 102.8 | 43.1 | 1.5 | 53 | [30] |
| OL-MN | Al/PDMS/Al | CO2 laser ablation | Hand tapping, 3 Hz | 123 | 109.7 | 3.6 | 103 | [32] |
| OL-TH-MN | Al/PDMS/Al | CO2 laser ablation | Hand tapping, 3 Hz | 127 | 117.6 | 3.9 | [33] | |
| OL-DTH-MN | Al/PDMS/Al | CO2 laser ablation | Hand tapping, 3 Hz | 167 | 129.3 | 4.3 | 226 | [33] |
| Alcohol (mL) | TEOS (g) | NH4OH (g) | DI Water (g) | ||
|---|---|---|---|---|---|
| Synthesis | Stream 1 (main inlet) | 30 | 1.68 | ||
| at Re 60 | Stream 2 (side inlets) | 30 | 2 | 6 |
Publisher’s Note: MDPI stays neutral with regard to jurisdictional claims in published maps and institutional affiliations. |
© 2021 by the authors. Licensee MDPI, Basel, Switzerland. This article is an open access article distributed under the terms and conditions of the Creative Commons Attribution (CC BY) license (https://creativecommons.org/licenses/by/4.0/).
Share and Cite
Lin, L.; Chung, C.-K. PDMS Microfabrication and Design for Microfluidics and Sustainable Energy Application: Review. Micromachines 2021, 12, 1350. https://doi.org/10.3390/mi12111350
Lin L, Chung C-K. PDMS Microfabrication and Design for Microfluidics and Sustainable Energy Application: Review. Micromachines. 2021; 12(11):1350. https://doi.org/10.3390/mi12111350
Chicago/Turabian StyleLin, Lin, and Chen-Kuei Chung. 2021. "PDMS Microfabrication and Design for Microfluidics and Sustainable Energy Application: Review" Micromachines 12, no. 11: 1350. https://doi.org/10.3390/mi12111350
APA StyleLin, L., & Chung, C.-K. (2021). PDMS Microfabrication and Design for Microfluidics and Sustainable Energy Application: Review. Micromachines, 12(11), 1350. https://doi.org/10.3390/mi12111350



