Design and Implementation of a Power Semiconductor-Based Switching Mode Laser Diode Driver
Abstract
1. Introduction
2. Characteristics and Equivalent Load of the LD Module
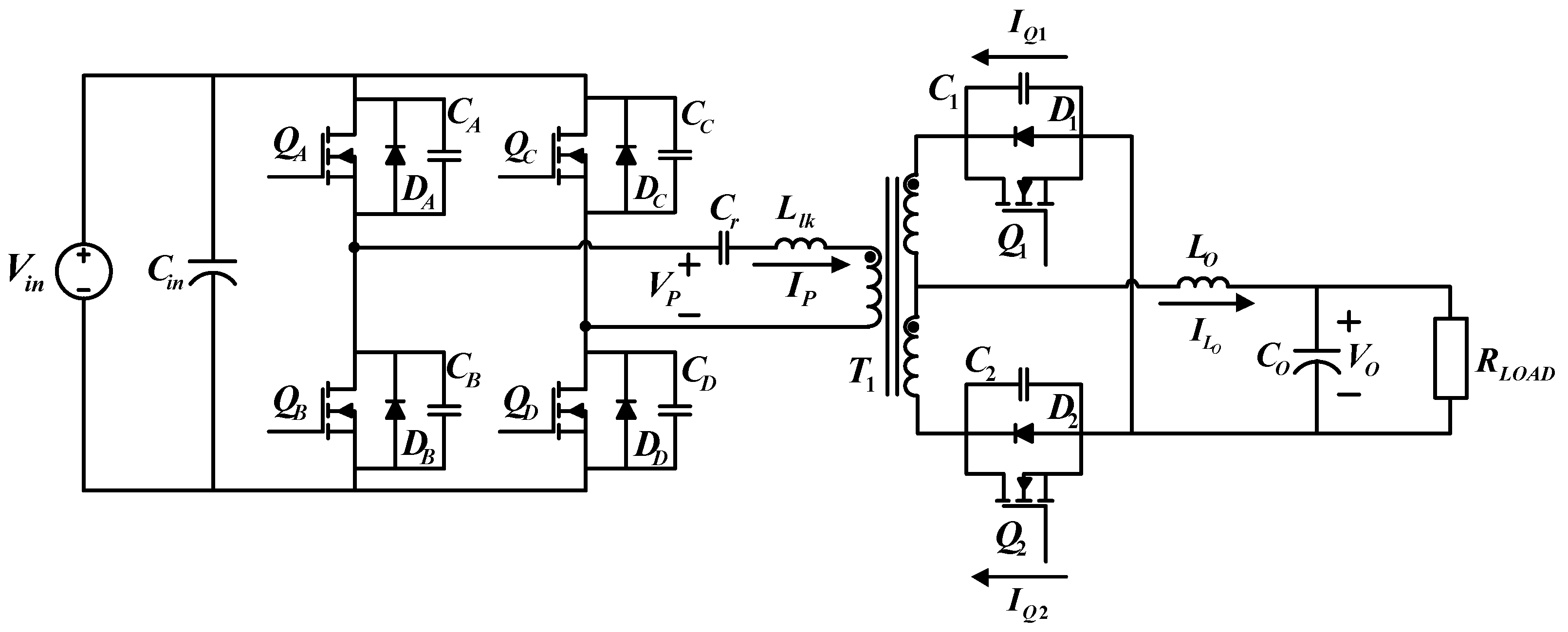
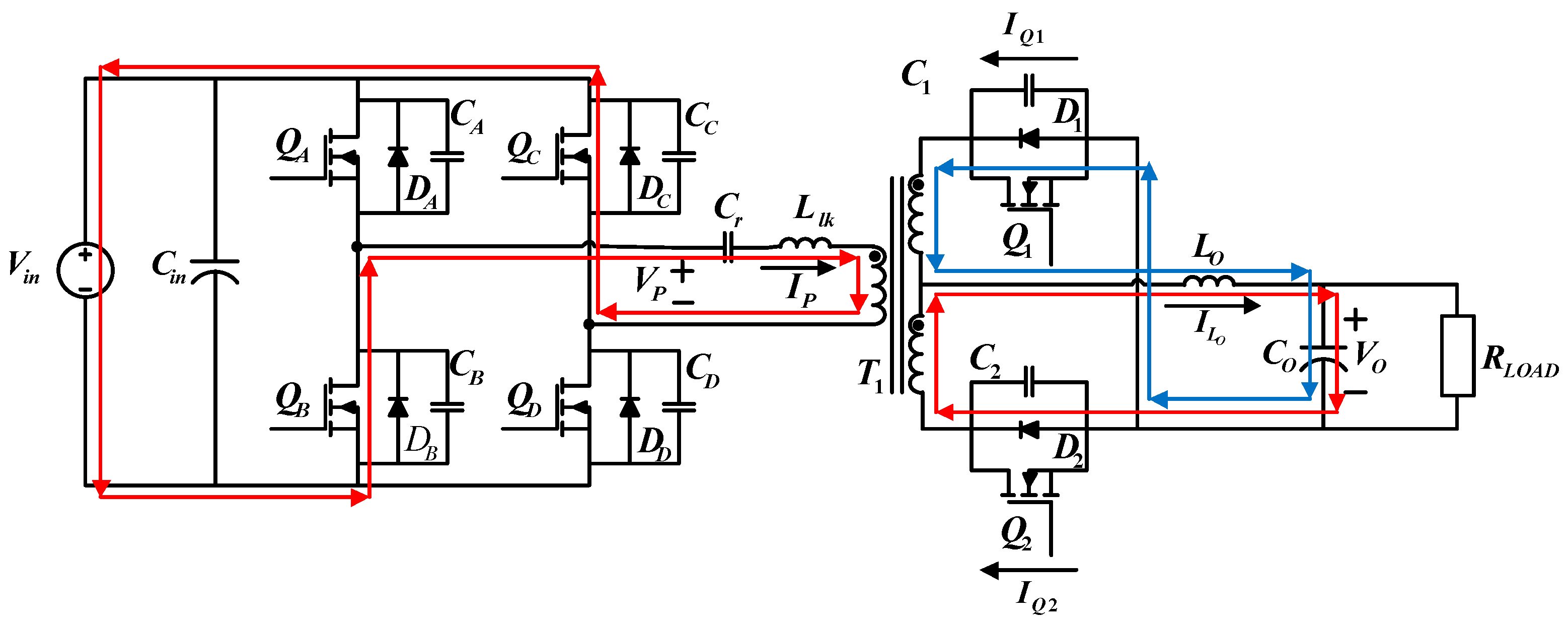
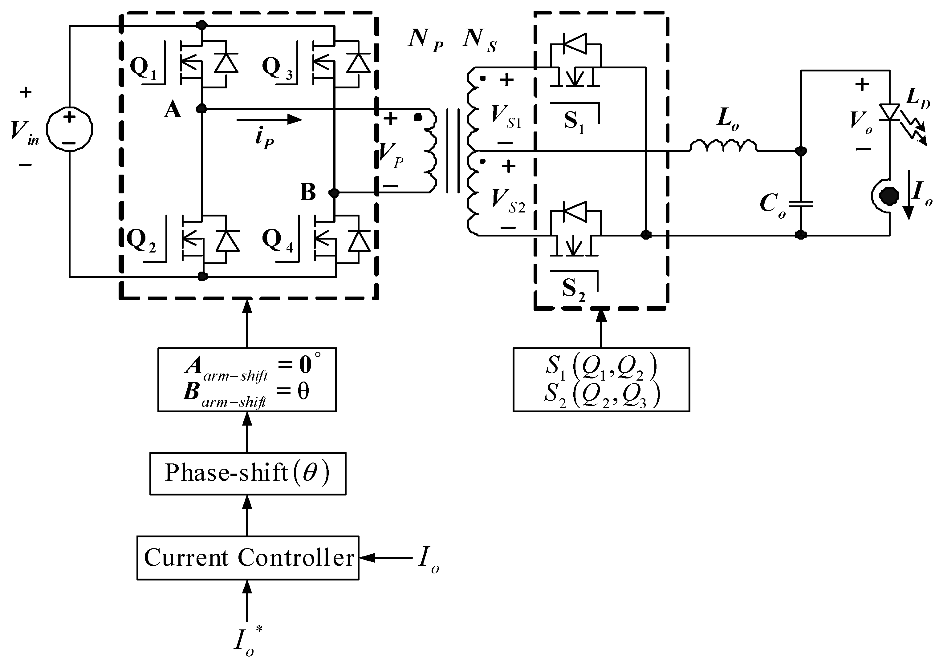
3. LDD System Configuration
4. FB-PS DC-DC Converter Design and Simulation
4.1. Operating Status Analysis of the FB-PS DC-DC Converter
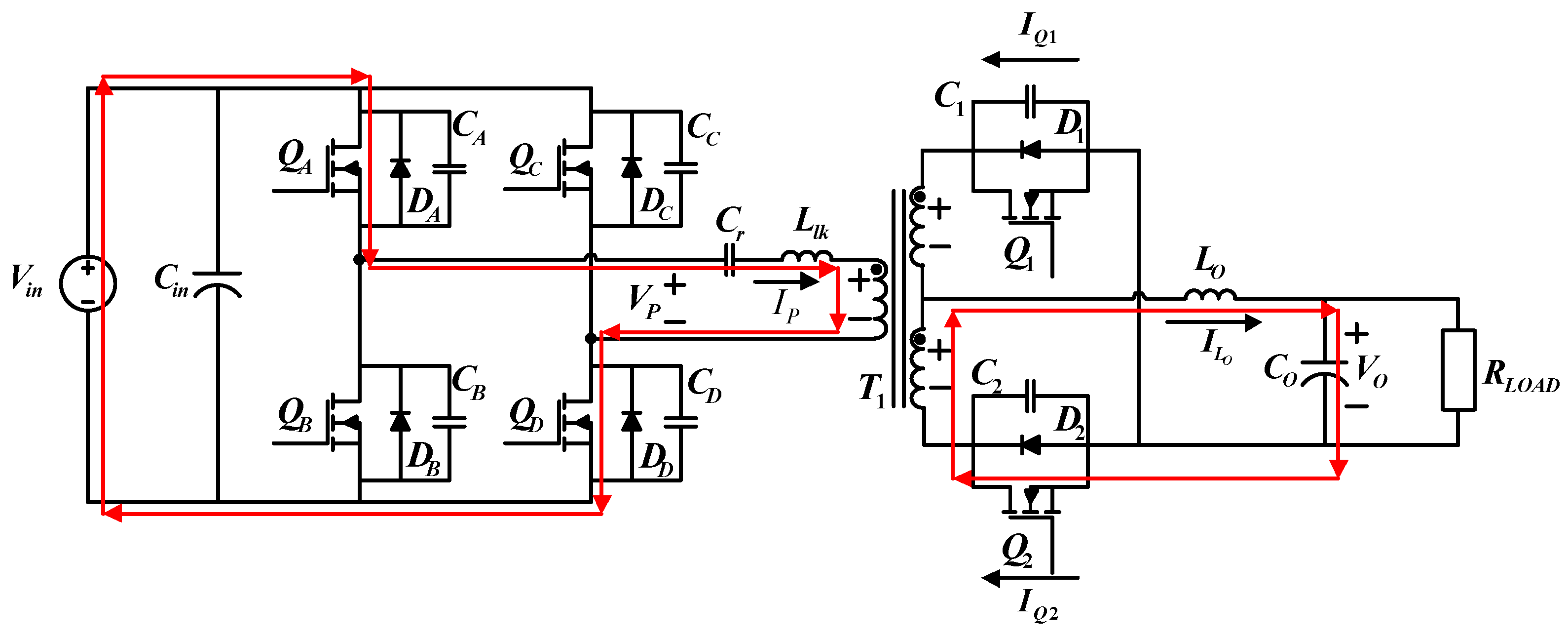
4.1.1. Operating Status 1 (t0 − t1)
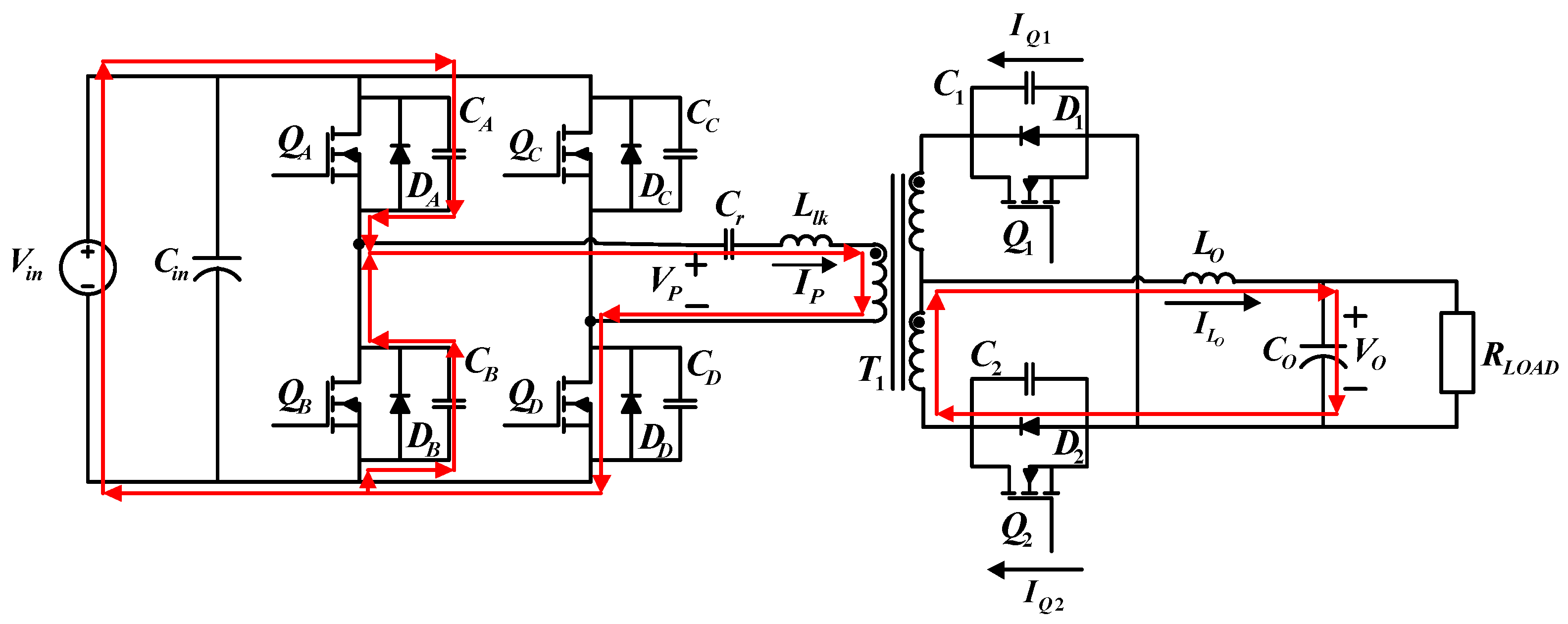
4.1.2. Operating Status 2 (t1 − t2)
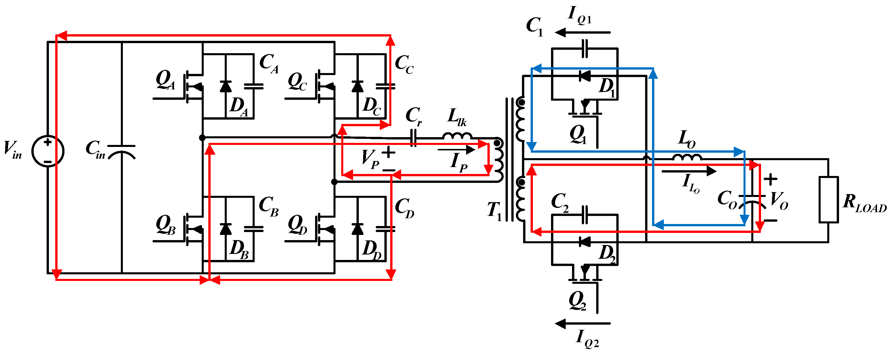
4.1.3. Operating Status 3 (t2 − t3)
4.1.4. Operating Status 4 (t3 − t4)
4.1.5. Operating Status 5 (t4 − t5)
4.1.6. Operating Status 6 (t5 − t6)
4.2. Control Architecture
4.3. Transfer Function Derivation
4.4. Controller Design for the Proposed LDD
4.5. Controller Quantification Design
4.6. PSIM Simulation of the FB-PS DC-DC Converter
5. FB-PS DC-DC Converter Implementation
5.1. System Configuration and Hardware Test Environment
5.2. Experimental Test on LDD Switching Characteristics
5.3. Experimental Test on LDD Driving Performance
6. Conclusions
Author Contributions
Funding
Data Availability Statement
Conflicts of Interest
Abbreviations
| DC input voltage | |
| Input capacitor | |
| Switching devices of the converter | |
| Intrinsic diode of the switching devices | |
| Drain-source capacitance of the switching devices | |
| Resonant inductor | |
| Primary side voltage | |
| Primary side current | |
| High-frequency transformer | |
| Currents of switches Q1,2 | |
| Output inductance | |
| Output capacitor | |
| Output voltage | |
| Load resistance | |
| Turn number of the primary side | |
| Turn number of the secondary side | |
| Secondary side upper part voltage | |
| Secondary side lower part voltage | |
| Secondary side switches | |
| Voltage across the body diode of switches | |
| Laser diode | |
| Output current | |
| Command of the output current | |
| Small signal of the input voltage | |
| Average value of the input voltage | |
| Small signal of the input current | |
| Vqa,qb, qc,qd | Drain to source voltage of the four switches | 
| Input current | |
| Turn ratio of the transformer | |
| Small signal of duty | |
| Effective duty | |
| Small signal of the output inductor current | |
| Output inductor current | |
| Small signal of the output inductor voltage | |
| Output inductor voltage | |
| Switch on resistance | |
| Duty cycle | |
| Small signal of the output capacitor current | |
| Output capacitor current | |
| Equivalent series resistance | |
| Small signal of the output voltage | |
| Equivalent resistance of diode | |
| Switching period | |
| Gc(s) | Current controller | 
| Crossover frequency | |
| Sensing factor of the output current | |
| ILD | Average current of the LD | 
| VLD | Average voltage of the LD | 
| Vconi | The controlled phase shift | 
| ILDc | LD current command signal | 
| ILDf | Feedback signal of the LD current | 
| Vpri | Primary side voltage | 
| Ipri | Primary side current | 
| I(QA),I(QB), I(QC),I(QD) | Drain to source current of the four switches | 
Appendix A
References
- Yaakob, K.I.; Ishak, M.; Quazi, M.M.; Salleh, M.N.M. Optimizing the pulse wave mode low power fibre laser welding parameters of 22Mnb5 boron steel using response surface methodology. Measurement 2019, 135, 452–466. [Google Scholar] [CrossRef]
- Ramkumar, K.D.; Dev, S.; Prabhakar, K.V.P.; Rajendran, R.; Mugundan, K.G.; Narayanan, S. Microstructure and properties of inconel 718 and AISI 416 laser welded joints. J. Mater. Process. Technol. 2019, 266, 52–62. [Google Scholar]
- Meng, W.; Xu, Z.; Ma, Q.; Yin, X.; Fang, J. Pulse fiber laser welding of AISI 321-AISI 405 stainless steel thick plates butt joints. J. Mater. Process. Technol. 2019, 271, 214–225. [Google Scholar] [CrossRef]
- Kuang, Z.; Guo, W.; Li, J.; Jin, Y.; Qian, D.; Ouyang, J.; Fu, L.; Fearon, E.; Hardacre, R.; Liu, Z.; et al. Nanosecond fibre laser paint stripping with suppression of flames and sparks. J. Mater. Process. Technol. 2019, 266, 474–483. [Google Scholar] [CrossRef]
- Zammit, A.; Abela, S.; Betts, J.C.; Grech, M. Discrete laser spot hardening of austempered ductile iron. Surf. Coat. Technol. 2017, 331, 143–152. [Google Scholar] [CrossRef]
- Collins, I.L.; Weibel, J.A.; Pan, L.; Garimella, S.V. Evaluation of Additively Manufactured Microchannel Heat Sinks. IEEE Trans. Compon. Packag. Manuf. Technol. 2019, 9, 446–457. [Google Scholar] [CrossRef]
- Lee, H.; Lim, C.H.J.; Low, M.J.; Tham, N.; Murukeshan, V.M.; Kim, Y.J. Lasers in additive manufacturing: A review. Int. J. Precis. Eng. Manuf. 2017, 4, 307–322. [Google Scholar] [CrossRef]
- Santis, R.D.; Russo, T.; Gloria, A. An analysis on the potential of diode-pumped solid-state lasers for dental materials. Mater. Sci. Eng. C 2018, 92, 862–867. [Google Scholar] [CrossRef] [PubMed]
- Otter, W.J.; Lucyszyn, S. Hybrid 3-D-Printing Technology for Tunable THz Applications. Proc. IEEE 2017, 105, 756–767. [Google Scholar] [CrossRef]
- Liu, B.; Lia, B.Q.; Li, Z.; Bai, P.; Wang, Y.; Kuai, Z. Numerical investigation on heat transfer of multi-laser processing during selective laser melting of AlSi10Mg. Results Phys. 2019, 12, 454–459. [Google Scholar] [CrossRef]
- Sato, Y.; Tsukamoto, M.; Shobu, T.; Funada, Y.; Yamashita, Y.; Hara, T.; Sengoku, M.; Sakon, Y.; Ohkubo, T.; Yoshida, M.; et al. In situ X-ray observations of pure-copper layer formation with blue direct diode lasers. Appl. Surf. Sci. 2019, 480, 861–867. [Google Scholar] [CrossRef]
- Zhao, Q.; Cao, R.; Wang, D.; Yuan, J.; Li, S. Pulse Power Supply for High-Power Semiconductor Laser Diode Arrays with Micro-Current Pre-Start Control. IEEE Access 2018, 6, 76682–76688. [Google Scholar] [CrossRef]
- Jin, K.; Zhou, W. Wireless Laser Power Transmission: A Review of Recent Progress. IEEE Trans. Power Electron. 2019, 34, 3842–3859. [Google Scholar] [CrossRef]
- Glaser, J. How GaN Power Transistors Drive High-Performance Lidar: Generating ultrafast pulsed power with GaN FETs. IEEE Power Electron. Mag. 2017, 4, 25–35. [Google Scholar] [CrossRef]
- Zhou, W.; Jin, K. Efficiency Evaluation of Laser Diode in Different Driving Modes for Wireless Power Transmission. IEEE Trans. Power Electron. 2015, 30, 6237–6244. [Google Scholar] [CrossRef]
- Sharma, A.; Panwar, C.B.; Arya, R. High Power Pulsed Current Laser Diode Driver. In Proceedings of the 2016 International Conference on Electrical Power and Energy Systems (ICEPES), Bhopal, MP, India, 14–16 December 2016; pp. 120–126. [Google Scholar]
- Uğur, A.; Yilmaz, M. A GaN-Based Synchronous Buck Converter for High Power Laser Diode Drive Applications. BAJECE 2018, 6, 62–68. [Google Scholar] [CrossRef][Green Version]



























| Disclaimer/Publisher’s Note: The statements, opinions and data contained in all publications are solely those of the individual author(s) and contributor(s) and not of MDPI and/or the editor(s). MDPI and/or the editor(s) disclaim responsibility for any injury to people or property resulting from any ideas, methods, instructions or products referred to in the content. | 
© 2023 by the authors. Licensee MDPI, Basel, Switzerland. This article is an open access article distributed under the terms and conditions of the Creative Commons Attribution (CC BY) license (https://creativecommons.org/licenses/by/4.0/).
Share and Cite
Ma, C.-T.; Zhang, F.-Y. Design and Implementation of a Power Semiconductor-Based Switching Mode Laser Diode Driver. Micromachines 2024, 15, 31. https://doi.org/10.3390/mi15010031
Ma C-T, Zhang F-Y. Design and Implementation of a Power Semiconductor-Based Switching Mode Laser Diode Driver. Micromachines. 2024; 15(1):31. https://doi.org/10.3390/mi15010031
Chicago/Turabian StyleMa, Chao-Tsung, and Fang-Yu Zhang. 2024. "Design and Implementation of a Power Semiconductor-Based Switching Mode Laser Diode Driver" Micromachines 15, no. 1: 31. https://doi.org/10.3390/mi15010031
APA StyleMa, C.-T., & Zhang, F.-Y. (2024). Design and Implementation of a Power Semiconductor-Based Switching Mode Laser Diode Driver. Micromachines, 15(1), 31. https://doi.org/10.3390/mi15010031
 
        
 
                                                
