Conversion of CO2 into Glycolic Acid: A Review of Main Steps and Future Challenges
Abstract
:1. Introduction
2. CO2 Capture
3. Hydrogen Production Unit
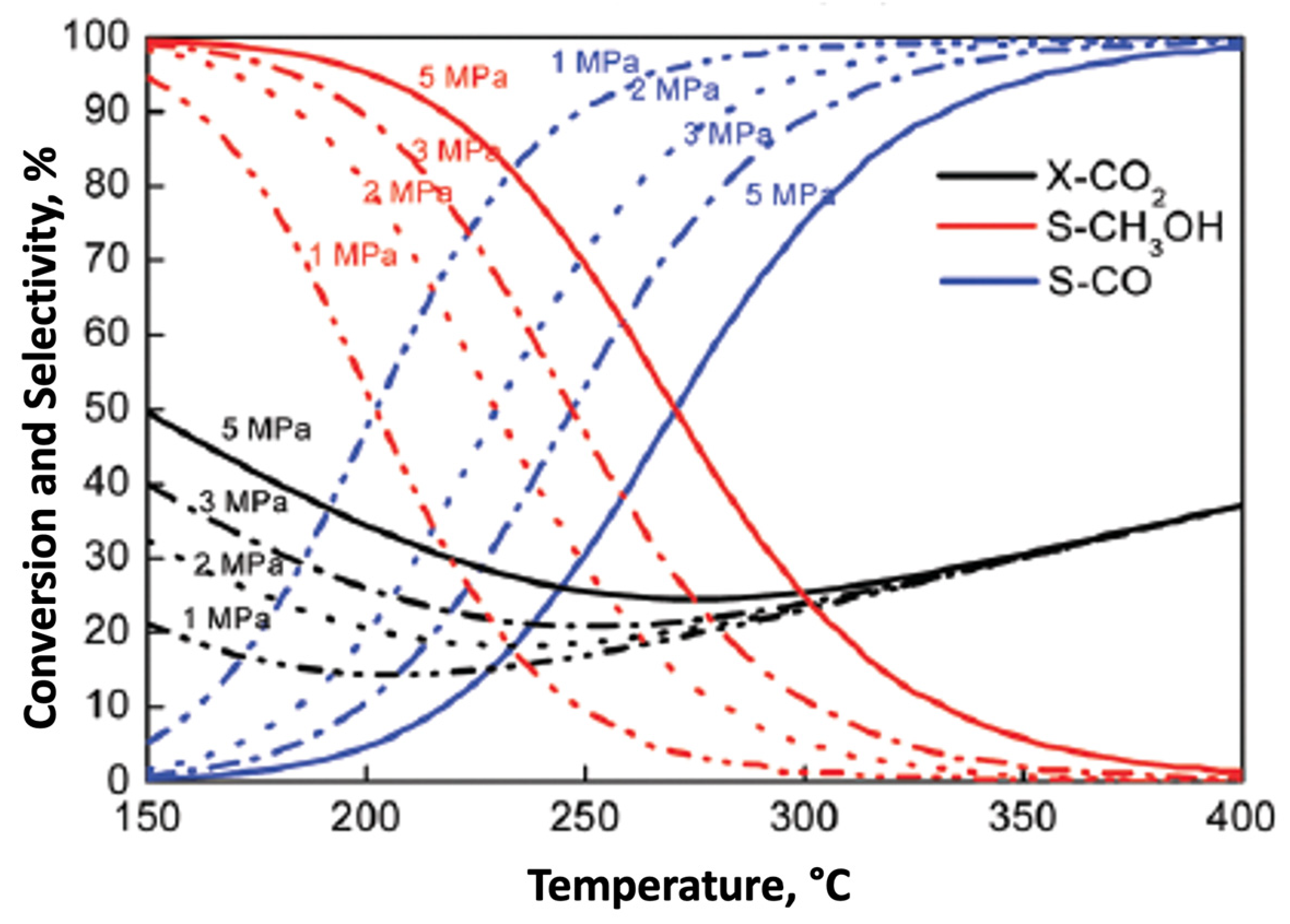
4. CO2 Hydrogenation to Methanol
5. Methanol to Formaldehyde Oxidation Unit
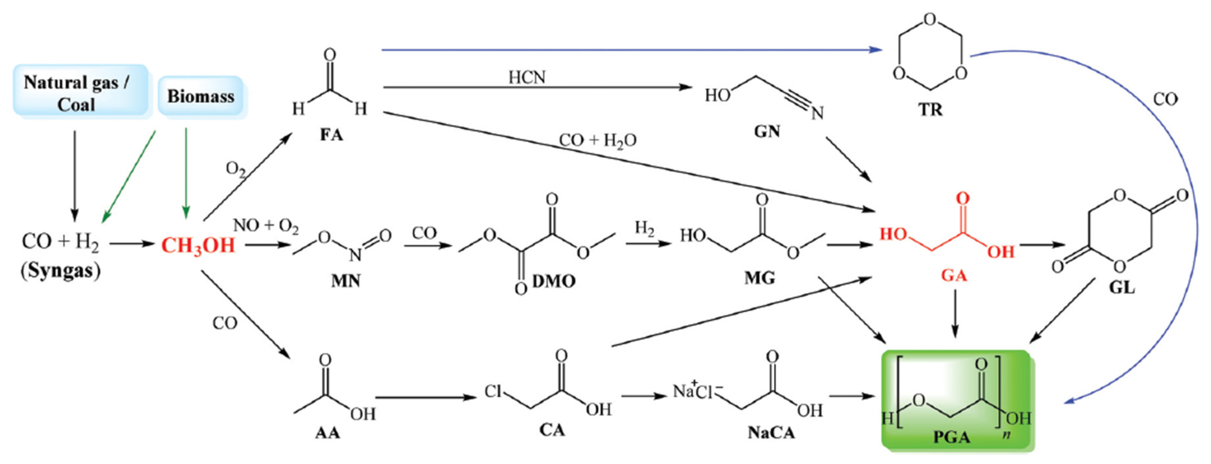
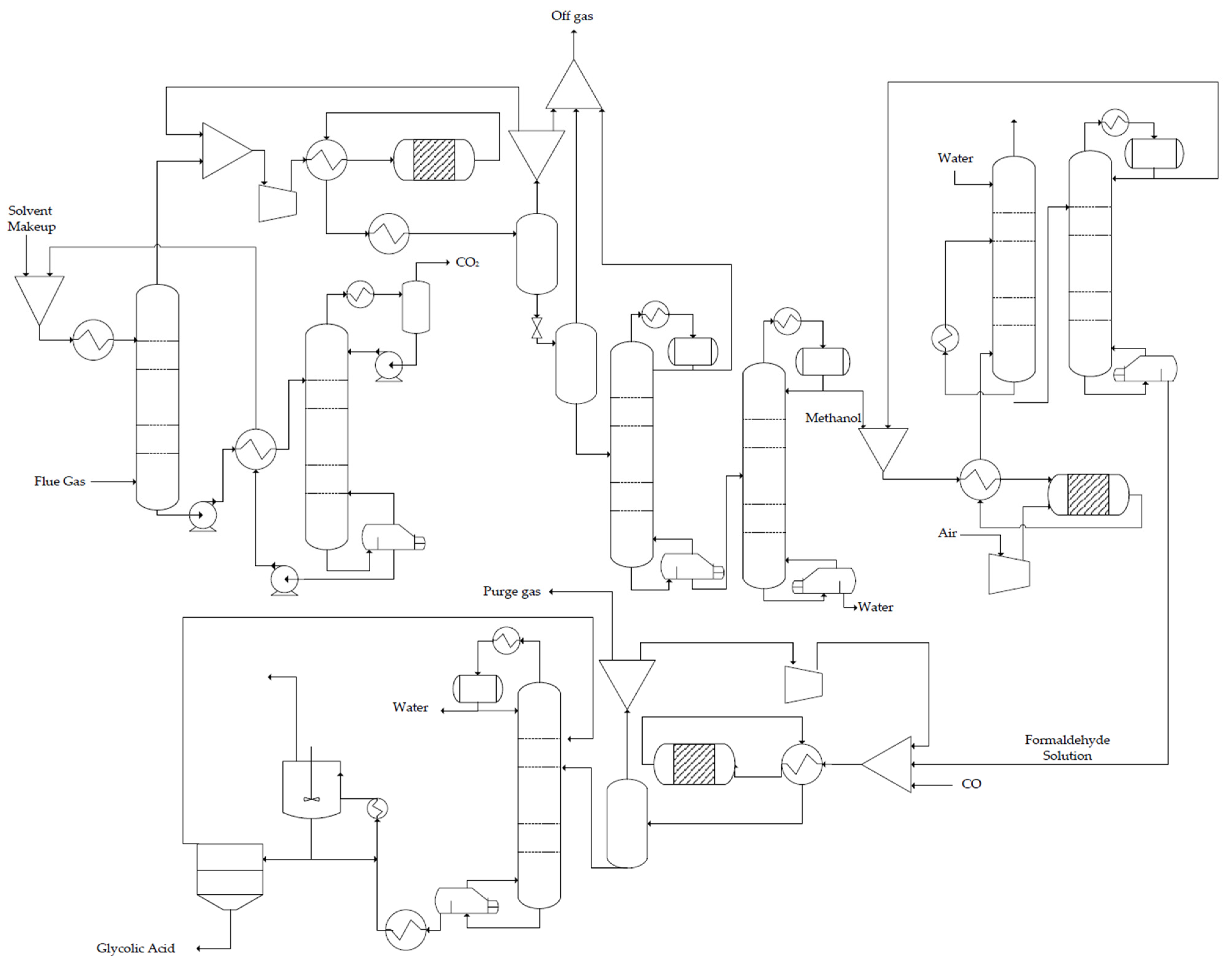
6. Formaldehyde Carbonylation to Glycolic Acid
7. Conclusions
Author Contributions
Funding
Data Availability Statement
Conflicts of Interest
References
- Ruiz, C.P.T.; Dumeignil, F.; Capron, M. Catalytic Production of Glycolic Acid from Glycerol Oxidation: An Optimization Using Response Surface Methodology. Catalysts 2021, 11, 257. [Google Scholar] [CrossRef]
- Ren, F.; Liu, W. Review of CO2 Adsorption Materials and Utilization Technology. Catalysts 2023, 13, 1176. [Google Scholar] [CrossRef]
- Lau, H.C.; Ramakrishna, S.; Zhang, K.; Radhamani, A.V. The Role of Carbon Capture and Storage in the Energy Transition. Energy Fuels 2021, 35, 7364–7386. [Google Scholar] [CrossRef]
- Benetto, E.; Gericke, K.; Guiton, M. Designing Sustainable Technologies, Products and Policies; Springer: Berlin/Heidelberg, Germany, 2020. [Google Scholar] [CrossRef]
- Rafiee, A.; Rajab Khalilpour, K.; Milani, D.; Panahi, M. Trends in CO2 Conversion and Utilization: A Review from Process Systems Perspective. J. Environ. Chem. Eng. 2018, 6, 5771–5794. [Google Scholar] [CrossRef]
- Meylan, F.D.; Moreau, V.; Erkman, S. CO2 Utilization in the Perspective of Industrial Ecology, an Overview. J. CO2 Util. 2015, 12, 101–108. [Google Scholar] [CrossRef]
- Salvi, B.L.; Jindal, S. Recent Developments and Challenges Ahead in Carbon Capture and Sequestration Technologies. SN Appl. Sci. 2019, 1, 885. [Google Scholar] [CrossRef]
- Raza, A.; Gholami, R.; Rezaee, R.; Rasouli, V.; Rabiei, M. Significant Aspects of Carbon Capture and Storage—A Review. Petroleum 2019, 5, 335–340. [Google Scholar] [CrossRef]
- IEA GHG. CCS Industry Build-Out Rates-Comparision with Industry Analogues; Pure Offices, Cheltenham Office Park: Cheltenham, UK, 2017. [Google Scholar]
- Haszeldine, R.S.; Flude, S.; Johnson, G.; Scott, V. Negative Emissions Technologies and Carbon Capture and Storage to Achieve the Paris Agreement Commitments. Philos. Trans. R. Soc. A Math. Phys. Eng. Sci. 2018, 376, 20160447. [Google Scholar] [CrossRef]
- Abanades, J.C.; Rubin, E.S.; Mazzotti, M.; Herzog, H.J. On the Climate Change Mitigation Potential of CO2 Conversion to Fuels. Energy Environ. Sci. 2017, 10, 2491–2499. [Google Scholar] [CrossRef]
- Cuéllar-Franca, R.M.; Azapagic, A. Carbon Capture, Storage and Utilisation Technologies: A Critical Analysis and Comparison of Their Life Cycle Environmental Impacts. J. CO2 Util. 2015, 9, 82–102. [Google Scholar] [CrossRef]
- He, X.; Guo, X.; Xia, G.; Xu, R.; Wu, Y.; Luan, X. A Green Route to Methyl Formate from CO2-Derived Formamides over Solid Base Catalysts. Catalysts 2023, 13, 487. [Google Scholar] [CrossRef]
- Schuler, E.; Demetriou, M.; Shiju, N.R.; Gruter, G.J.M. Towards Sustainable Oxalic Acid from CO2 and Biomass. ChemSusChem 2021, 14, 3636–3664. [Google Scholar] [CrossRef] [PubMed]
- Samantaray, P.K.; Little, A.; Haddleton, D.M.; McNally, T.; Tan, B.; Sun, Z.; Huang, W.; Ji, Y.; Wan, C. Poly(Glycolic Acid) (PGA): A Versatile Building Block Expanding High Performance and Sustainable Bioplastic Applications. Green. Chem. 2020, 22, 4055–4081. [Google Scholar] [CrossRef]
- Wang, Y.; Liu, J.; Li, C.; Xiao, Y.; Wu, S.; Zhang, B. Synthesis and Characterization of Poly(Butylene Terephthalate-Co-Glycolic Acid) Biodegradable Copolyesters. Eur. Polym. J. 2022, 180, 111613. [Google Scholar] [CrossRef]
- Zhou, X.; Zha, M.; Cao, J.; Yan, H.; Feng, X.; Chen, D.; Yang, C. Glycolic Acid Production from Ethylene Glycol via Sustainable Biomass Energy: Integrated Conceptual Process Design and Comparative Techno-Economic-Society-Environment Analysis. ACS Sustain. Chem. Eng. 2021, 9, 10948–10962. [Google Scholar] [CrossRef]
- Lee, C.S.; Aroua, M.K.; Wan Daud, W.A.; Cognet, P.; Pérès, Y.; Ajeel, M.A. Selective Electrochemical Conversion of Glycerol to Glycolic Acid and Lactic Acid on a Mixed Carbon-Black Activated Carbon Electrode in a Single Compartment Electrochemical Cell. Front. Chem. 2019, 7, 110. [Google Scholar] [CrossRef] [PubMed]
- Salusjärvi, L.; Havukainen, S.; Koivistoinen, O.; Toivari, M. Biotechnological Production of Glycolic Acid and Ethylene Glycol: Current State and Perspectives. Appl. Microbiol. Biotechnol. 2019, 103, 2525–2535. [Google Scholar] [CrossRef]
- Anwar, M.N.; Fayyaz, A.; Sohail, N.F.; Khokhar, M.F.; Baqar, M.; Khan, W.D.; Rasool, K.; Rehan, M.; Nizami, A.S. CO2 Capture and Storage: A Way Forward for Sustainable Environment. J. Environ. Manag. 2018, 226, 131–144. [Google Scholar] [CrossRef]
- Abotalib, M.; Zhao, F.; Clarens, A. Deployment of a Geographical Information System Life Cycle Assessment Integrated Framework for Exploring the Opportunities and Challenges of Enhanced Oil Recovery Using Industrial CO2 Supply in the United States. ACS Sustain. Chem. Eng. 2016, 4, 4743–4751. [Google Scholar] [CrossRef]
- Mukhtar, A.; Saqib, S.; Mellon, N.B.; Babar, M.; Rafiq, S.; Ullah, S.; Bustam, M.A.; Al-Sehemi, A.G.; Muhammad, N.; Chawla, M. CO2 Capturing, Thermo-Kinetic Principles, Synthesis and Amine Functionalization of Covalent Organic Polymers for CO2 Separation from Natural Gas: A Review. J. Nat. Gas. Sci. Eng. 2020, 77, 103203. [Google Scholar] [CrossRef]
- Hatta, N.S.M.; Aroua, M.K.; Hussin, F.; Gew, L.T. A Systematic Review of Amino Acid-Based Adsorbents for CO2 Capture. Energies 2022, 15, 7151. [Google Scholar] [CrossRef]
- Wang, X.; Song, C. Carbon Capture From Flue Gas and the Atmosphere: A Perspective. Front. Energy Res. 2020, 8, 560849. [Google Scholar] [CrossRef]
- Olajire, A.A. CO2 Capture and Separation Technologies for End-of-Pipe Applications—A Review. Energy 2010, 35, 2610–2628. [Google Scholar] [CrossRef]
- Chai, S.Y.W.; Ngu, L.H.; How, B.S. Review of Carbon Capture Absorbents for CO2 Utilization. Greenh. Gases Sci. Technol. 2022, 12, 394–427. [Google Scholar] [CrossRef]
- Brigagão, G.V.; de Medeiros, J.L.; Araújo, O.d.Q.F. A Novel Cryogenic Vapor-Recompression Air Separation Unit Integrated to Oxyfuel Combined-Cycle Gas-to-Wire Plant with Carbon Dioxide Enhanced Oil Recovery: Energy and Economic Assessments. Energy Convers. Manag. 2019, 189, 202–214. [Google Scholar] [CrossRef]
- Madejski, P.; Chmiel, K.; Subramanian, N.; Kuś, T. Methods and Techniques for CO2 Capture: Review of Potential Solutions and Applications in Modern Energy Technologies. Energies 2022, 15, 887. [Google Scholar] [CrossRef]
- Kothandaraman, A. Carbon Dioxide Capture by Chemical Absorption: A Solvent Comparison Study; Massachusetts Institute of Technology: Cambridge, MA, USA, 2010.
- Aghaie, M.; Rezaei, N.; Zendehboudi, S. A Systematic Review on CO2 Capture with Ionic Liquids: Current Status and Future Prospects. Renew. Sustain. Energy Rev. 2018, 96, 502–525. [Google Scholar] [CrossRef]
- Zhang, W.; Jin, X.; Tu, W.; Ma, Q.; Mao, M.; Cui, C. Development of MEA-Based CO2phase Change Absorbent. Appl. Energy 2017, 195, 316–323. [Google Scholar] [CrossRef]
- Wang, D.; Li, J.; Meng, W.; Wang, J.; Wang, K.; Zhou, H.; Yang, Y.; Fan, Z.; Fan, X. Integrated Process for Producing Glycolic Acid from Carbon Dioxide Capture Coupling Green Hydrogen. Processes 2022, 10, 1610. [Google Scholar] [CrossRef]
- Ghanbari, T.; Abnisa, F.; Wan Daud, W.M.A. A Review on Production of Metal Organic Frameworks (MOF) for CO2 Adsorption. Sci. Total Environ. 2020, 707, 135090. [Google Scholar] [CrossRef]
- Yang, R.T. Adsorbents: Fundamentals and Applications; John Wiley & Sons, Inc.: Hoboken, NJ, USA, 2003. [Google Scholar]
- Tuinier, M.J.; van Sint Annaland, M.; Kramer, G.J.; Kuipers, J.A.M. Cryogenic CO2 Capture Using Dynamically Operated Packed Beds. Chem. Eng. Sci. 2010, 65, 114–119. [Google Scholar] [CrossRef]
- Hossain, M.M.; de Lasa, H.I. Chemical-Looping Combustion (CLC) for Inherent CO2 Separations—A Review. Chem. Eng. Sci. 2008, 63, 4433–4451. [Google Scholar] [CrossRef]
- Shiva Kumar, S.; Lim, H. An overview of water electrolysis technologies for green hydrogen production. Energy Rep. 2022, 8, 13793–13813. [Google Scholar] [CrossRef]
- Ursua, A.; Gandia, L.M.; Sanchis, P. Hydrogen Production From Water Electrolysis: Current Status and Future Trends. Proc. IEEE 2012, 100, 410–426. [Google Scholar] [CrossRef]
- Sapountzi, F.M.; Gracia, J.M.; Weststrate, C.J.; Fredriksson, H.O.A.; Niemantsverdriet, J.W. Electrocatalysts for the Generation of Hydrogen, Oxygen and Synthesis Gas. Prog. Energy Combust. Sci. 2017, 58, 1–35. [Google Scholar] [CrossRef]
- Brigagão, G.V.; de Queiroz Fernandes Araújo, O.; de Medeiros, J.L.; Mikulcic, H.; Duic, N. A Techno-Economic Analysis of Thermochemical Pathways for Corncob-to-Energy: Fast Pyrolysis to Bio-Oil, Gasification to Methanol and Combustion to Electricity. Fuel Process. Technol. 2019, 193, 102–113. [Google Scholar] [CrossRef]
- Chinchen, G.C.; Denny, P.J.; Parker, D.G.; Spencer, M.S.; Whan, D.A. Mechanism of Methanol Synthesis from CO2/CO/H2 Mixtures over Copper/Zinc Oxide/Alumina Catalysts: Use Of14C-Labelled Reactants. Appl. Catal. 1987, 30, 333–338. [Google Scholar] [CrossRef]
- Kagan, Y.B.; Rozovskii, A.Y.; Liberov, L.G.; Slivinskii, E.V.; Lin, G.I.; Loktev, S.M.; Bashkirov, A.N. Study of the Mechanism of the Synthesis of Methanol from Carbon Monoxide and Hydrogen Using the Radioactive Carbon Isotope 14C [Cu-Zn-Al2O3, Zn-Cr2O3, and Fused Fe Catalysts]. Dokl. Chem. 1975, 224, 4–6. [Google Scholar]
- Slotboom, Y.; Bos, M.J.; Pieper, J.; Vrieswijk, V.; Likozar, B.; Kersten, S.R.A.; Brilman, D.W.F. Critical Assessment of Steady-State Kinetic Models for the Synthesis of Methanol over an Industrial Cu/ZnO/Al2O3 Catalyst. Chem. Eng. J. 2020, 389, 124181. [Google Scholar] [CrossRef]
- Gaikwad, R.; Reymond, H.; Phongprueksathat, N.; Rudolf Von Rohr, P.; Urakawa, A. From CO or CO2?: Space-Resolved Insights into High-Pressure CO2 Hydrogenation to Methanol over Cu/ZnO/Al2O3. Catal. Sci. Technol. 2020, 10, 2763–2768. [Google Scholar] [CrossRef]
- Arinelli, L.d.O.; Brigagão, G.V.; Wiesberg, I.L.; Teixeira, A.M.; de Medeiros, J.L.; Araújo, O.d.Q.F. Carbon-Dioxide-to-Methanol Intensification with Supersonic Separators: Extra-Carbonated Natural Gas Purification via Carbon Capture and Utilization. Renew. Sustain. Energy Rev. 2022, 161, 112424. [Google Scholar] [CrossRef]
- Zhong, J.; Yang, X.; Wu, Z.; Liang, B.; Huang, Y.; Zhanga, T. State of the Art and Perspectives in Heterogeneous Catalysis of CO2 Hydrogenation to methanol. Chem. Soc. Rev. 2020, 49, 1385–1413. [Google Scholar] [CrossRef] [PubMed]
- Navarro-Jaén, S.; Virginie, M.; Bonin, J.; Robert, M.; Wojcieszak, R.; Khodakov, A.Y. Highlights and Challenges in the Selective Reduction of Carbon Dioxide to Methanol. Nat. Rev. Chem. 2021, 5, 564–579. [Google Scholar] [CrossRef] [PubMed]
- Din, I.U.; Shaharun, M.S.; Alotaibi, M.A.; Alharthi, A.I.; Naeem, A. Recent Developments on Heterogeneous Catalytic CO2 Reduction to Methanol. J. CO2 Util. 2019, 34, 20–33. [Google Scholar] [CrossRef]
- Azhari, N.J.; Erika, D.; Mardiana, S.; Ilmi, T.; Gunawan, M.L.; Makertihartha, I.G.B.N.; Kadja, G.T.M. Methanol Synthesis from CO2: A Mechanistic Overview. Results Eng. 2022, 16, 100711. [Google Scholar] [CrossRef]
- AN, X.; ZUO, Y.; ZHANG, Q.; WANG, J. Methanol Synthesis from CO2 Hydrogenation with a Cu/Zn/Al/Zr Fibrous Catalyst. Chin. J. Chem. Eng. 2009, 17, 88–94. [Google Scholar] [CrossRef]
- Liao, F.; Huang, Y.; Ge, J.; Zheng, W.; Tedsree, K.; Collier, P.; Hong, X.; Tsang, S.C. Morphology-Dependent Interactions of ZnO with Cu Nanoparticles at the Materials’ Interface in Selective Hydrogenation of CO2 to CH3 OH. Angew. Chem. Int. Ed. 2011, 50, 2162–2165. [Google Scholar] [CrossRef]
- Toyir, J.; de la Piscina, P.R.; Llorca, J.; Fierro, J.-L.G.; Homs, N. Methanol Synthesis from CO2 and H2 over Gallium Promoted Copper-Based Supported Catalysts. Effect of Hydrocarbon Impurities in the CO2/H2 Source. Phys. Chem. Chem. Phys. 2001, 3, 4837–4842. [Google Scholar] [CrossRef]
- Toyir, J.; Ramírez de la Piscina, P.; Fierro, J.L.G.; Homs, N. Catalytic Performance for CO2 Conversion to Methanol of Gallium-Promoted Copper-Based Catalysts: Influence of Metallic Precursors. Appl. Catal. B 2001, 34, 255–266. [Google Scholar] [CrossRef]
- Gao, P.; Zhang, L.; Li, S.; Zhou, Z.; Sun, Y. Novel Heterogeneous Catalysts for CO2 Hydrogenation to Liquid Fuels. ACS Cent. Sci. 2020, 6, 1657–1670. [Google Scholar] [CrossRef]
- Le Valant, A.; Comminges, C.; Tisseraud, C.; Canaff, C.; Pinard, L.; Pouilloux, Y. The Cu–ZnO Synergy in Methanol Synthesis from CO2, Part 1: Origin of Active Site Explained by Experimental Studies and a Sphere Contact Quantification Model on Cu+ ZnO Mechanical Mixtures. J. Catal. 2015, 324, 41–49. [Google Scholar] [CrossRef]
- Gao, P.; Li, F.; Zhao, N.; Xiao, F.; Wei, W.; Zhong, L.; Sun, Y. Influence of Modifier (Mn, La, Ce, Zr and Y) on the Performance of Cu/Zn/Al Catalysts via Hydrotalcite-like Precursors for CO2 Hydrogenation to Methanol. Appl. Catal. A Gen. 2013, 468, 442–452. [Google Scholar] [CrossRef]
- Arena, F.; Italiano, G.; Barbera, K.; Bonura, G.; Spadaro, L.; Frusteri, F. Basic Evidences for Methanol-Synthesis Catalyst Design. Catal. Today 2009, 143, 80–85. [Google Scholar] [CrossRef]
- Guo, X.; Mao, D.; Lu, G.; Wang, S.; Wu, G. CO2 Hydrogenation to Methanol over Cu/ZnO/ZrO2 Catalysts Prepared via a Route of Solid-State Reaction. Catal. Commun. 2011, 12, 1095–1098. [Google Scholar] [CrossRef]
- Guo, X.; Mao, D.; Wang, S.; Wu, G.; Lu, G. Combustion Synthesis of CuO–ZnO–ZrO2 Catalysts for the Hydrogenation of Carbon Dioxide to Methanol. Catal. Commun. 2009, 10, 1661–1664. [Google Scholar] [CrossRef]
- Liu, X.-M.; Lu, G.Q.; Yan, Z.-F. Nanocrystalline Zirconia as Catalyst Support in Methanol Synthesis. Appl. Catal. A Gen. 2005, 279, 241–245. [Google Scholar] [CrossRef]
- Sloczynski, J.; Grabowski, R.; Olszewski, P.; Kozlowska, A.; Stoch, J.; Lachowska, M.; Skrzypek, J. Effect of Metal Oxide Additives on the Activity and Stability of Cu/ZnO/ZrO2 Catalysts in the Synthesis of Methanol from CO2 and H2. Appl. Catal. A Gen. 2006, 310, 127–137. [Google Scholar] [CrossRef]
- Ladera, R.; Pérez-Alonso, F.J.; González-Carballo, J.M.; Ojeda, M.; Rojas, S.; Fierro, J.L.G. Catalytic Valorization of CO2 via Methanol Synthesis with Ga-Promoted Cu–ZnO–ZrO2 Catalysts. Appl. Catal. B 2013, 142–143, 241–248. [Google Scholar] [CrossRef]
- Arena, F.; Mezzatesta, G.; Zafarana, G.; Trunfio, G.; Frusteri, F.; Spadaro, L. How Oxide Carriers Control the Catalytic Functionality of the Cu–ZnO System in the Hydrogenation of CO2 to Methanol. Catal. Today 2013, 210, 39–46. [Google Scholar] [CrossRef]
- Bonura, G.; Cordaro, M.; Cannilla, C.; Arena, F.; Frusteri, F. The Changing Nature of the Active Site of Cu-Zn-Zr Catalysts for the CO2 Hydrogenation Reaction to Methanol. Appl. Catal. B 2014, 152–153, 152–161. [Google Scholar] [CrossRef]
- Li, L.; Mao, D.; Yu, J.; Guo, X. Highly Selective Hydrogenation of CO2 to Methanol over CuO–ZnO–ZrO2 Catalysts Prepared by a Surfactant-Assisted Co-Precipitation Method. J. Power Sources 2015, 279, 394–404. [Google Scholar] [CrossRef]
- Liu, J.; Shi, J.; He, D.; Zhang, Q.; Wu, X.; Liang, Y.; Zhu, Q. Surface Active Structure of Ultra-Fine Cu/ZrO2 Catalysts Used for the CO2+H2 to Methanol Reaction. Appl. Catal. A Gen. 2001, 218, 113–119. [Google Scholar] [CrossRef]
- Zhan, H.; Li, F.; Gao, P.; Zhao, N.; Xiao, F.; Wei, W.; Zhong, L.; Sun, Y. Methanol Synthesis from CO2 Hydrogenation over La–M–Cu–Zn–O (M=Y, Ce, Mg, Zr) Catalysts Derived from Perovskite-Type Precursors. J. Power Sources 2014, 251, 113–121. [Google Scholar] [CrossRef]
- An, B.; Zhang, J.; Cheng, K.; Ji, P.; Wang, C.; Lin, W. Confinement of Ultrasmall Cu/ZnOx Nanoparticles in Metal–Organic Frameworks for Selective Methanol Synthesis from Catalytic Hydrogenation of CO2. J. Am. Chem. Soc. 2017, 139, 3834–3840. [Google Scholar] [CrossRef] [PubMed]
- Navarro-Jaén, S.; Virginie, M.; Morin, J.-C.; Thuriot, J.; Wojcieszak, R.; Khodakov, A. Hybrid monometallic and bimetallic copper-palladium zeolite catalysts for direct synthesis of dimethyl ether from CO2. J. Mater. Sci. 2022, 46, 3889–3900. [Google Scholar] [CrossRef]
- Xu, J.; Su, X.; Liu, X.; Pan, X.; Pei, G.; Huang, Y.; Wang, X.; Zhang, T.; Geng, H. Methanol Synthesis from CO2 and H2 over Pd/ZnO/Al2O3: Catalyst Structure Dependence of Methanol Selectivity. Appl. Catal. A Gen. 2016, 514, 51–59. [Google Scholar] [CrossRef]
- Yin, Y.; Hu, B.; Li, X.; Zhou, X.; Hong, X.; Liu, G. Pd@zeolitic Imidazolate Framework-8 Derived PdZn Alloy Catalysts for Efficient Hydrogenation of CO2 to Methanol. Appl. Catal. B 2018, 234, 143–152. [Google Scholar] [CrossRef]
- Zhou, X.; Qu, J.; Xu, F.; Hu, J.; Foord, J.S.; Zeng, Z.; Hong, X.; Edman Tsang, S.C. Shape Selective Plate-Form Ga2O3 with Strong Metal–Support Interaction to Overlying Pd for Hydrogenation of CO2 to CH3OH. Chem. Commun. 2013, 49, 1747. [Google Scholar] [CrossRef]
- Liang, X.-L.; Dong, X.; Lin, G.-D.; Zhang, H.-B. Carbon Nanotube-Supported Pd–ZnO Catalyst for Hydrogenation of CO2 to Methanol. Appl. Catal. B 2009, 88, 315–322. [Google Scholar] [CrossRef]
- Rui, N.; Wang, Z.; Sun, K.; Ye, J.; Ge, Q.; Liu, C. CO2 Hydrogenation to Methanol over Pd/In2O3: Effects of Pd and Oxygen Vacancy. Appl. Catal. B 2017, 218, 488–497. [Google Scholar] [CrossRef]
- Hartadi, Y.; Widmann, D.; Behm, R.J. CO2 Hydrogenation to Methanol on Supported Au Catalysts under Moderate Reaction Conditions: Support and Particle Size Effects. ChemSusChem 2015, 8, 456–465. [Google Scholar] [CrossRef] [PubMed]
- Jiang, X.; Koizumi, N.; Guo, X.; Song, C. Bimetallic Pd–Cu Catalysts for Selective CO2 Hydrogenation to Methanol. Appl. Catal. B 2015, 170–171, 173–185. [Google Scholar] [CrossRef]
- Ota, A.; Kunkes, E.L.; Kasatkin, I.; Groppo, E.; Ferri, D.; Poceiro, B.; Navarro Yerga, R.M.; Behrens, M. Comparative Study of Hydrotalcite-Derived Supported Pd2Ga and PdZn Intermetallic Nanoparticles as Methanol Synthesis and Methanol Steam Reforming Catalysts. J. Catal. 2012, 293, 27–38. [Google Scholar] [CrossRef]
- Studt, F.; Sharafutdinov, I.; Abild-Pedersen, F.; Elkjær, C.F.; Hummelshøj, J.S.; Dahl, S.; Chorkendorff, I.; Nørskov, J.K. Discovery of a Ni-Ga Catalyst for Carbon Dioxide Reduction to Methanol. Nat. Chem. 2014, 6, 320–324. [Google Scholar] [CrossRef] [PubMed]
- Shi, Z.; Tan, Q.; Tian, C.; Pan, Y.; Sun, X.; Zhang, J.; Wu, D. CO2 Hydrogenation to Methanol over Cu-In Intermetallic Catalysts: Effect of Reduction Temperature. J. Catal. 2019, 379, 78–89. [Google Scholar] [CrossRef]
- Martin, O.; Martín, A.J.; Mondelli, C.; Mitchell, S.; Segawa, T.F.; Hauert, R.; Drouilly, C.; Curulla-Ferré, D.; Pérez-Ramírez, J. Indium Oxide as a Superior Catalyst for Methanol Synthesis by CO2 Hydrogenation. Angew. Chem. Int. Ed. 2016, 55, 6261–6265. [Google Scholar] [CrossRef]
- Wang, J.; Li, G.; Li, Z.; Tang, C.; Feng, Z.; An, H.; Liu, H.; Liu, T.; Li, C. A Highly Selective and Stable ZnO-ZrO2 Solid Solution Catalyst for CO2 Hydrogenation to Methanol. Sci. Adv. 2017, 3, 1701290. [Google Scholar] [CrossRef]
- Wang, J.; Tang, C.; Li, G.; Han, Z.; Li, Z.; Liu, H.; Cheng, F.; Li, C. High-Performance MaZrOx (Ma = Cd, Ga) Solid-Solution Catalysts for CO2 Hydrogenation to Methanol. ACS Catal. 2019, 9, 10253–10259. [Google Scholar] [CrossRef]
- Bansode, A.; Urakawa, A. Towards Full One-Pass Conversion of Carbon Dioxide to Methanol and Methanol-Derived Products. J. Catal. 2014, 309, 66–70. [Google Scholar] [CrossRef]
- Bahruji, H.; Bowker, M.; Hutchings, G.; Dimitratos, N.; Wells, P.; Gibson, E.; Jones, W.; Brookes, C.; Morgan, D.; Lalev, G. Pd/ZnO Catalysts for Direct CO2 hydrogenation to Methanol. J. Catal. 2016, 343, 133–146. [Google Scholar] [CrossRef]
- Dang, S.; Qin, B.; Yang, Y.; Wang, H.; Cai, J.; Han, Y.; Li, S.; Gao, P.; Sun, Y. Rationally Designed Indium Oxide Catalysts for CO2 Hydrogenation to Methanol with High Activity and Selectivity. Sci. Adv. 2020, 6, aaz2060. [Google Scholar] [CrossRef] [PubMed]
- Angelo, L.; Kobl, K.; Tejada, L.M.M.; Zimmermann, Y.; Parkhomenko, K.; Roger, A.C. Study of CuZn MOx Oxides (M = Al, Zr, Ce, CeZr) for the Catalytic Hydrogenation of CO2 into Methanol. Comptes Rendus Chim. 2015, 18, 250–260. [Google Scholar] [CrossRef]
- Hu, J.; Yu, L.; Deng, J.; Wang, Y.; Cheng, K.; Ma, C.; Zhang, Q.; Wen, W.; Yu, S.; Pan, Y.; et al. Sulfur Vacancy-Rich MoS2 as a Catalyst for the Hydrogenation of CO2 to Methanol. Nat. Catal. 2021, 4, 242–250. [Google Scholar] [CrossRef]
- Wang, L.; Guan, E.; Wang, Y.; Wang, L.; Gong, Z.; Cui, Y.; Meng, X.; Gates, B.C.; Xiao, F.S. Silica Accelerates the Selective Hydrogenation of CO2 to Methanol on Cobalt Catalysts. Nat. Commun. 2020, 11, 1033. [Google Scholar] [CrossRef] [PubMed]
- Braz, C.G.; Matos, H.A.; Mendes, A.; Rocha, J.F.; Alvim, R.P. Model of an Industrial Reactor for Formaldehyde Production with Catalyst Deactivation. In Computer Aided Chemical Engineering; Elsevier: Amsterdam, The Netherlands, 2017; pp. 121–126. [Google Scholar]
- Brookes, C.; Bowker, M.; Wells, P. Catalysts for the Selective Oxidation of Methanol. Catalysts 2016, 6, 92. [Google Scholar] [CrossRef]
- Thrane, J.; Mentzel, U.V.; Thorhauge, M.; Høj, M.; Jensen, A.D. A Review and Experimental Revisit of Alternative Catalysts for Selective Oxidation of Methanol to Formaldehyde. Catalysts 2021, 11, 1329. [Google Scholar] [CrossRef]
- Malik, M.I.; Abatzoglou, N.; Achouri, I.E. Methanol to Formaldehyde: An Overview of Surface Studies and Performance of an Iron Molybdate Catalyst. Catalysts 2021, 11, 893. [Google Scholar] [CrossRef]
- Millar, G.J.; Collins, M. Industrial Production of Formaldehyde Using Polycrystalline Silver Catalyst. Ind. Eng. Chem. Res. 2017, 56, 9247–9265. [Google Scholar] [CrossRef]
- Franz, A.W.; Kronemayer, H.; Pfeiffer, D.; Pilz, R.D.; Reuss, G.; Disteldorf, W.; Gamer, A.O.; Hilt, A. Formaldehyde. In Ullmann’s Encyclopedia of Industrial Chemistry; Wiley-VCH Verlag GmbH & Co. KGaA: Weinheim, Germany, 2016; pp. 1–34. [Google Scholar]
- Söderhjelm, E.; House, M.P.; Cruise, N.; Holmberg, J.; Bowker, M.; Bovin, J.-O.; Andersson, A. On the Synergy Effect in MoO3–Fe2(MoO4)3 Catalysts for Methanol Oxidation to Formaldehyde. Top. Catal. 2008, 50, 145–155. [Google Scholar] [CrossRef]
- Andersson, A.; Holmberg, J.; Häggblad, R. Process Improvements in Methanol Oxidation to Formaldehyde: Application and Catalyst Development. Top. Catal. 2016, 59, 1589–1599. [Google Scholar] [CrossRef]
- Hassan, K.H.; Mitchell, P.C.H. Evaluation of Different Methods to Prepare the Fe2O3/MoO3 Catalyst Used for Selective Oxidation of Methanol to Formaldehyde. In Studies in Surface Science and Catalysis; Elsevier: Amsterdam, The Netherlands, 2010; pp. 475–478. [Google Scholar]
- Soares, A.P.V.; Portela, M.F.; Kiennemann, A.; Hilaire, L. Mechanism of Deactivation of Iron-Molybdate Catalysts Prepared by Coprecipitation and Sol–Gel Techniques in Methanol to Formaldehyde Oxidation. Chem. Eng. Sci. 2003, 58, 1315–1322. [Google Scholar] [CrossRef]
- Beale, A.M.; Jacques, S.D.M.; Sacaliuc-Parvalescu, E.; O’Brien, M.G.; Barnes, P.; Weckhuysen, B.M. An Iron Molybdate Catalyst for Methanol to Formaldehyde Conversion Prepared by a Hydrothermal Method and Its Characterization. Appl. Catal. A Gen. 2009, 363, 143–152. [Google Scholar] [CrossRef]
- Liu, X.; Kong, L.; Liu, C.; Xu, S.; Zhang, D.; Ma, F.; Lu, Z.; Sun, J.; Chen, J. Study on the Formation Process of MoO3/Fe2(MoO4)3 by Mechanochemical Synthesis and Their Catalytic Performance in Methanol to Formaldehyde. J. Therm. Anal. Calorim. 2020, 142, 1363–1376. [Google Scholar] [CrossRef]
- Popov, B.I.; Shkuratova, L.N.; Skorokhova, N.G. Influence of Sodium Salts on the Catalytic Properties of Iron-Molybdenum Oxide Catalysts in the Oxidation of Methanol to Formaldehyde. React. Kinet. Catal. Lett. 1975, 3, 463–469. [Google Scholar] [CrossRef]
- Sanderson, J.R.; Lin, J.J.; Duranleau, R.G.; Yeakey, E.L.; Marquis, E.T. Free Radicals in Organic Synthesis. A Novel Synthesis of Glycerol Based on Ethylene Glycol and Formaldehyde. J. Org. Chem. 1988, 53, 2859–2861. [Google Scholar] [CrossRef]
- Drentm Eit; Mul, W.P.; Ruisch, B.J. Process for the Carbonylation of Formaldehyde. US6376723B2, 23 April 2000.
- Shattuck, M.T.; Wa, W. Continuous Glycolic Acid Process. US2443482A, 15 June 1948. [Google Scholar]
- Bhattacharyya, S.K.; Vir, D. 64 High-Pressure Synthesis of Glycolic Acid from Formaldehyde, Carbon Monoxide, and Water in Presence of Nickel, Cobalt, and Iron Catalysts. In Advances in Catalysis; Academic Press: Cambridge, MA, USA, 1957; pp. 625–635. [Google Scholar]
- Suzuki, S. Process for the Production of Glycolic Acid and Oxydiacetic Acid. US3911003A, 7 October 1975. [Google Scholar]
- Ying, S.; Wang, H.; Liu, Z. Process for Production of Glycolic Acid. WO2009140850A1, 26 November 2009. [Google Scholar]
- Zhu, Z.; Kang, G.; Yu, S.; Qin, Y.; Sun, Y.; Cao, Y. Process Intensification in Carbonylation of Formaldehyde with Active and Passive Enhancement Methods. J. Flow. Chem. 2020, 10, 605–613. [Google Scholar] [CrossRef]
- Shi, Q.; Guo, H.; Chen, C.; Hou, B.; Jia, L.; Li, D. Study on the Performance of CF3SO3H Modified Sulfonic Polymer-Based Catalyst in Formaldehyde Carbonylation Reaction. J. Fuel Chem. Technol. 2020, 48, 875–882. [Google Scholar]
- Cao, X.; Zhang, K.; Wang, Y.; He, P. Boosting the Production of Glycolic Acid from Formaldehyde Carbonylation via the Bifunctional PdO/ZSM-5 Catalyst. Ind. Eng. Chem. Res. 2023, 62, 17671–17680. [Google Scholar] [CrossRef]











| Category | Alkaline Electrolysis | Proton Exchange Membrane | Proton Exchange Membrane | Solid Oxide Electrolysis | Solid Oxide Electrolysis | Solid Oxide Electrolysis |
|---|---|---|---|---|---|---|
| Charge carrier | OH− | OH− | H+ | H+ | O2− | O2− |
| Temperature | 20–80 | 20–200 | 20–200 | 500–1000 | 500–1000 | 750–900 |
| Electrolyte | Liquid | Solid Polymer | Solid Ceramic | |||
| Anode | Ni > Co > Fe; perovskite; LaCoO3 | Ni | IrO2, RuO2, IrxRu1−xO2/TiO2, TiC | Perovskite | LaxSr1−xMnO3 + Y-ZrO2 (LSM-YSZ) | LaxSr1−xMnO3 + Y-ZrO2 (LSM-YSZ) |
| Cathode | Ni alloys | Ni, Ni-Fe, NiFe2O4 | Pt/C MoS2 | Ni | Ni-YSZ LaCrO3 | Ni-YSZ Perovskite |
| Efficiency | 59–70% | - | 65–82% | 100% | 100% | - |
| TRL * | 9 | 4–5 | 6–7 | 3–5 | 3 | 3–5 |
| Advantages | Low investment cost, stable, well-known technology | Combination of alkaline and membrane electrolysis | Compact technology, very high H2 purity | Strengthening of kinetics and thermodynamics, low energy demand, low investment cost | ||
| Disadvantages | Corrosive electrolyte, very slow dynamics | Low conductivity of OH- in polymers | High cost of membrane polymers, requires noble metals | Mechanical instability of the electrodes, safety problems, poor sealing | ||
| Catalyst | Preparation | Temperature (°C) | Conversion (%) | Selectivity (%) |
|---|---|---|---|---|
| Cu/ZnO/Al2O3 [51] | Physical mixture | 270 | 10.9 | 72.7 |
| Cu/Zn/Ga/SiO2 [52] | Co-impregnation | 270 | 5.6 | 99.5 |
| Cu/Ga/ZnO [53] | Co-impregnation | 270 | 6.0 | 88.0 |
| CuZnGa-LDH [54] | AMOST * | 270 | 20 | 49 |
| Cu@ZnOx [55] | Precipitation | 250 | 2.3 | 100 |
| Cu/Zn/Al/Y [56] | Co-precipitation | 250 | 26.9 | 52.4 |
| Cu/ZnO/ZrO2 [57] | Inverse co-precipitation | 240 | 17.5 | 48.4 |
| Cu/Zn/ZrO2 [58] | Combustion Glycerine-Nitrate | 220 | 12.0 | 71.1 |
| Cu/Zn/ZrO2 [59] | Combustion Urea-Nitrate | 220 | 5.8 | 72 |
| Cu/Ga2O3/NC ZrO2 [60] | Deposition-precipitation | 250 | 13.7 | 75.6 |
| Cu/ZnO/ZrO2/Ga2O3 [61] | Co-precipitation | 250 | - | 75 |
| Cu/ZnO/ZrO2/Ga2O3 [61] | Complexation with citrate | 220 | - | 70 |
| Ga-Cu-ZnO- ZrO2 [62] | Co-precipitation | 250 | 22 | 72 |
| Cu-ZnO-ZrO2 [63] | Inverse co-precipitation | 240 | 9.7 | 62 |
| Cu-ZnO-ZrO2 [64] | Co-precipitation with oxalate | 240 | 9 | - |
| Cu-ZnO-ZrO2 [65] | Co-precipitation with surfactants | 240 | 12.1 | 54.1 |
| Cu/ZrO2 [66] | Deposition-precipitation | 240 | 6.3 | 48.8 |
| La0.8 Zr0.2 Cu0.7 Zn0.3 Ox [67] | Sol-gel | 250 | 12.6 | 52.5 |
| CuZn@UiO-bpy [68] | In situ reduction | 250 | 3.3 | 100 |
| Pd/Al2O3/ZSM-5 [69] | Co-precipitation | 260 | 16.9 | 2.1 |
| Pd/ZnO/Al2O3 [70] | Deposition-precipitation | 180 | 29 | 79.4 |
| PdZn-400 [71] | Pyrolysis Pd@ZIF-8 | 270 | 15.1 | 56.2 |
| Pd/on Ga2O3 [72] | Impregnation | 250 | 17.3 | 51.6 |
| Pd/Zn/CNTs [73] | Impregnation | 250 | 6.3 | 99.6 |
| Pd/In2O3 [74] | Impregnation | 300 | 20 | 70 |
| Au/ZnO [75] | Deposition-precipitation | 240 | 0.3 | 82 |
| Pd-Cu/SBA-15 [76] | Impregnation | 250 | 6.5 | 23 |
| Pd-Cu/SiO2 [76] | Impregnation | 250 | 6.6 | 34 |
| PdZnAl [77] | Co-precipitation | 250 | 0.6 | 60 |
| NiGa SiO2 [78] | Impregnation | 200 | - | - |
| Cu11In9—In2O3 [79] | Co-precipitation | 280 | 11.4 | 80.5 |
| In2O3/ZrO2 [80] | Impregnation | 300 | 5.2 | 99.8 |
| ZnO/ZrO2 [81] | Co-precipitation | 320 | 10 | 91 |
| Ga2/ZrOx [82] | Co-precipitation | 300 | 12.4 | 80 |
| Cu-ZnO/Al2O3 [83] | Co-precipitation | 260 | 65.8 | 77.3 |
| Pd/ZnO [84] | Sol-immobilization | 250 | 10.7 | 60 |
| h-In2O3-R [85] | Precipitation | 300 | 6.7 | 99.5 |
| CuZn [86] | Pseudo Sol-Gel | 280 | 14.0 | 53 |
| FL-MoS2 [87] | - | 180 | 12.5 | 94.3 |
| Co@Si0.95 [88] | Co-precipitation | 320 | 11 | 54 |
| Catalyst | T | P | X | S | Y | Ref. |
|---|---|---|---|---|---|---|
| H2SO4 | 204–220 °C | 64.1 MPa | - | - | 89.3% | [104] |
| Nickel iodide on silica gel | 200 °C | 59.6 MPa | 42.5% | - | - | [105] |
| Cobalt iodide on silica gel | 215 °C | 60.2 MPa | 34.0% | - | - | [105] |
| Ferrous iodide on silica gel | 230 °C | 60.6 MPa | 25.9% | - | - | [105] |
| HF | 50 °C | 6.9 MPa | 100% | 94% * | 94% | [106] |
| 30% Cs2.5H0.5PW/USY | 120 °C | 40 MPa | - | - | 75.6% | [107] |
| 30% H3PW12O40/USY | 120 °C | 40 MPa | - | - | 79.8% | [107] |
| H3PW12O40 | 120 °C | 3 MPa | - | - | 82% | [108] |
| PDS-1.0 | 120 °C | 6.0 MPa | 99.9% | 68.8% * | 68.8% | [109] |
| PDS-1.0-F | 120 °C | 6.0 MPa | 99.9% | 91.2% * | 91.2% | [109] |
| CF3SO3H | 120 °C | 6.0 MPa | 99.8% | 94.8% * | 94.8% | [109] |
| PdO/ZSM-5 | 130 °C | 4 MPa | 50.2% | - | - | [110] |
| PtO/ZSM-5 | 130 °C | 4 MPa | 50.3% | - | - | [110] |
| Ru2O3/ZSM-5 | 130 °C | 4 MPa | 50.2% | - | - | [110] |
| Rh2O3/ZSM-5 | 130 °C | 4 MPa | 50.2% | - | - | [110] |
Disclaimer/Publisher’s Note: The statements, opinions and data contained in all publications are solely those of the individual author(s) and contributor(s) and not of MDPI and/or the editor(s). MDPI and/or the editor(s) disclaim responsibility for any injury to people or property resulting from any ideas, methods, instructions or products referred to in the content. |
© 2023 by the authors. Licensee MDPI, Basel, Switzerland. This article is an open access article distributed under the terms and conditions of the Creative Commons Attribution (CC BY) license (https://creativecommons.org/licenses/by/4.0/).
Share and Cite
Tavares Lima, M.; Salifou, N.O.; Brigagão, G.V.; Itabaiana, I., Jr.; Wojcieszak, R. Conversion of CO2 into Glycolic Acid: A Review of Main Steps and Future Challenges. Catalysts 2024, 14, 4. https://doi.org/10.3390/catal14010004
Tavares Lima M, Salifou NO, Brigagão GV, Itabaiana I Jr., Wojcieszak R. Conversion of CO2 into Glycolic Acid: A Review of Main Steps and Future Challenges. Catalysts. 2024; 14(1):4. https://doi.org/10.3390/catal14010004
Chicago/Turabian StyleTavares Lima, Marcelo, Nouridine Ousseini Salifou, George Victor Brigagão, Ivaldo Itabaiana, Jr., and Robert Wojcieszak. 2024. "Conversion of CO2 into Glycolic Acid: A Review of Main Steps and Future Challenges" Catalysts 14, no. 1: 4. https://doi.org/10.3390/catal14010004
APA StyleTavares Lima, M., Salifou, N. O., Brigagão, G. V., Itabaiana, I., Jr., & Wojcieszak, R. (2024). Conversion of CO2 into Glycolic Acid: A Review of Main Steps and Future Challenges. Catalysts, 14(1), 4. https://doi.org/10.3390/catal14010004

