Next Article in Journal
Catalysts: Advances in the Catalytic Behavior of Ion-Exchange Resins
Previous Article in Journal
Microwave-Assisted Synthesis of Symmetrical 1,4-Disubstituted Bis-1H-1,2,3-triazoles Using Copper N-Heterocyclic Carbene Catalysts
 
 
Font Type:
Arial Georgia Verdana
Font Size:
Aa Aa Aa
Line Spacing:
Column Width:
Background:
Review

Catalyst for the Generation of OH Radicals in Advanced Electrochemical Oxidation Processes: Present and Future Perspectives

by
Raciel Jaimes-López
2,
Adriana Jiménez-Vázquez
3,
Samuel Pérez-Rodríguez
2,
Luis Alberto Estudillo-Wong
2,* and
Nicolas Alonso-Vante
1,*
1
College of Smart Energy, Shanghai Jiao Tong University, Minhang District, Shanghai 200241, China
2
Departamento de Biociencias e Ingeniería, CIIEMAD-IPN, Instituto Politécnico Nacional, Mexico City 07340, Mexico
3
División Académica de Ciencias Básicas, Universidad Juárez Autónoma de Tabasco, Cunduacán 86690, Mexico
*
Authors to whom correspondence should be addressed.
Catalysts 2024, 14(10), 703; https://doi.org/10.3390/catal14100703
Submission received: 13 August 2024 / Revised: 26 September 2024 / Accepted: 27 September 2024 / Published: 9 October 2024
(This article belongs to the Section Environmental Catalysis)

Abstract

Heterogeneous Advanced Oxidation Processes (H-AOPs) are considered a new process for removing emerging pollutants. In this case, the high reactivity of hydroxyl radicals is used to degrade persistent organic pollutants. This review explores the state-of-the-art catalyst for hydroxyl radical generation in AOPs. As a parasite reaction, chloride ions appear in alkaline conditions and compete with the active sites. The theoretical foundation of catalyst performance is explored, focusing on the fundamental principles that govern the efficiency and mechanism of hydroxyl or chloride radical production. The synthesis and electronic modification sections explore the modifications of catalysts. It discusses key methodologies for catalyst preparation, with a particular emphasis on electronic modification that enhances both activity and stability. Finally, laboratory and pilot applications highlight the effectiveness of novel or modified catalysts in different scenarios. These last findings provide insights into the future directions for research and application, aiming to draw attention to the gap between laboratory studies and real-world implementations.

Graphical Abstract

1. Introduction

Water is considered a heritage and a human right. Industries, agriculture, and the general population consume water and discharge many compounds into wastewater. However, human practices play an important role in the issue of pollutants, which are called emerging pollutants. Many authors define emerging pollutants as new products or chemicals without regulatory status and whose effects on the environment and human health are unknown [1]. In 2014, the EU Water Framework Directive 2000/06/CE updated a list of key pollutants and 45 priority substances in Annexes VIII and X, including arsenic, metals, pesticides, endocrine disruptors, and so on. The presence of these compounds in waste, surface, and groundwater comes from anthropogenic activities and poses a serious threat to public health. In 2010, the General Assembly of the United Nations recognized that everyone has the right to water accessibility, including universal access to water and sanitation for domestic use. Therefore, wastewater remediation is a high priority, and consequently, efficient treatment of these pollutants is urgently needed. In Mexico, where the authors have better access to data, the administrative body responsible for water issues within the Ministry of Environment and Natural Resources is the National Water Commission (CONAGUA—Comisión Nacional del Agua). This organism concentrates data from wastewater treatment plants (WWTP) from all over the country in its water information platform [2]. Here, the conventional WWTPs have been steadily increasing. CONAGUA reported 2872 WWTPs working at 73.2% of the total installed flow capacity. However, to the best of our knowledge, the implementation of public policy in public health for emerging pollutants has not been considered yet in some products like naproxen, ibuprofen, diclofenac, and other compounds [3,4]. In India, a decentralized wastewater treatment system manages and treats wastewater from rural areas. Despite this, the Central Pollution Control Board reported an estimate of 29,129 ML Day−1 of wastewater, based on the 2001 census. However, the installed wastewater treatment capacity is only 6190 ML Day−1, making a difference of 22,939 ML Day−1 [5]. Tripathi et al. [6] found various monomers, metals, and several carcinogenic compounds in wastewater. Other workers also found different pharmaceutical pollutants [7] or organochlorine pesticides [8]. China shows another similar scenario, where emerging organic pollutants persist in aquatic environments [9,10,11,12]. These compounds originate from anthropogenic activities such as domestic, industrial, and agricultural activities. Zhong et al. [9] recommend developing control strategies due to the toxicity of these compounds. In such cases, emerging pollutants are not considered in treated wastewater quality standards.
According to the degree of innovation, the available technologies for pollutant removal are classified as conventional, established recovery, and emerging removal methods. Treatment methods can be classified according to the process steps in which they are employed, as shown in Figure 1 [13]. In pre-treatment, primary, and secondary treatment, we can analyze that conventional treatment techniques only change the phase of these organic pollutants and do not specifically transform them into benign compounds [14]. In addition, the degree of treatment required for wastewater depends primarily on the effluent discharge limits, so a single treatment may not be sufficient to remove the pollutants present, and processes may consist of multiple stages.
In tertiary treatment, chemical wastewater treatments are an integral part of the wastewater treatment process and are used to remove pollutants, improving water quality prior to discharge or reuse. Common chemical wastewater treatments (chemical methods) include coagulation and flocculation, neutralization, precipitation, advanced oxidation, adsorption, disinfection, chemical dosing, and sludge treatment. These chemical methods (consolidated processes) are insufficient and not effective in removing emerging pollutants as a single step in wastewater plant treatments. From this problem, advanced oxidation processes (AOPs, as a new process) arise with the need to remove EPs [15]. Therefore, consolidated processes and new processes must be combined in advanced treatment to mitigate the concentration of these pollutants. As for new processes, we can classify the real effluent treatment methods into two different categories, namely homogeneous and heterogeneous methods, as shown in Figure 2. Based on the literature [16,17], this figure classifies advanced oxidation processes, where heterogeneous and homogeneous advanced oxidation processes (H-AOP and HOM-AOP) are applied to water effluents. In HOM-AOP, we can primarily find photolysis, radiation, Fenton-like processes, UV/H2O2, and UV/O3 processes. A second option is to introduce advanced heterogeneous oxidation processes, where we can find heterogeneous photocatalysts such as photo-Fenton and electrochemical methods.
In H-AOP, many authors have reviewed developments in AOPs applied to different emerging pollutants such as endocrine disruptors [18], organic [19,20], pharmaceuticals [21,22], antibiotics [23], real effluent in wastewater [24,25,26,27,28], and industrial wastewater [29]. Here, TiO2, ZnO, and g-C3N4-based material and reduced graphene oxide (rGO) have been used as photocatalysts. In the Fenton-type oxidation process, support metals and noble metals [30], metal-free carbon [31], and natural iron minerals [32] are used. In the field of heterogeneous catalytic ozonation, we found six cases of materials applied to AOP [33]. In electrochemical advanced oxidation processes (EAOP), different techniques are applied to WWTP, such as electrocoagulation (EC), electrochemical reduction (ER), electrochemical oxidation (EO), indirect electrochemical oxidation (IEO), and photo-assisted electrochemical methods (PhEM) [16,17]. In this connection, different types of materials, such as metals [34], metal oxide [35], supported metal [36,37], and boron-doped diamond [38], have been used. Depending on the type of electrocatalyst used, different highly reactive transient species can be formed, such as hydroxyl radicals OH , hydroperoxyl radicals ( HO 2 ), sulfate radicals ( SO 4 ,   S 2 O 8 2 ), superoxide anion radicals ( O 2 ), peroxydicarbonate ( C 2 O 6 2 ) and reactive chlorine species ( Cl 2 ,   HOCl ,   ClO , and ClO 2 ) [39]. These radicals demonstrate remarkable performance in oxidizing organic substances [14]. For this reason, H-AOPs show remarkable efficiency in the production of reactive species, proving highly effective in removing recalcitrant substances present in water, even at low concentrations.
Taking into account the hydroxyl radicals, this radical was first identified in the Fenton reaction in 1934 [40]. Hydroxyl radicals are highly effective for wastewater treatment due to their high oxidation potential, followed by fluorine (cf. Table 1). Detected in natural waters with lifetimes ranging from 10−6 to 10−3 s [41], they are the primary oxidants in the atmosphere [42]. This radical also exists in interstellar space and biological systems. Their reactions often involve single-electron abstraction, hydrogen abstraction, aromatic ring substitution, and addition to C=C double bonds [40]. This makes them highly reactive and non-selective, which is ideal for COD degradation. However, they are more susceptible to inhibition by natural organic matter (NOM), phosphates, and WWTP effluents compared to other reagents [43].
Finally, electrochemical technologies typically require little energy and can effectively break down specific refractory organic pollutants that would otherwise be difficult to remove by alternative methods. The selection of particular electrochemical processes depends on the desired physicochemical characteristics of the effluent and can influence the nature and quantity of reactive species. In this context, the present review focuses on Reactive Oxygen Species (ROS), principally the production of OH species and the reactive chlorine species, because of the lower production of OH radicals. Therefore, the synthesis method modifies the structural properties, surface area, stability, and selectivity of the materials, which are crucial for their scalability. In this sense, the task of moving from the laboratory scale to the pilot plant remains part of the engineering challenges.

2. Electrochemical Advanced Oxidation Processes

Electrochemical advanced oxidation processes (EAOPs) have been widely developed as an efficient and effective wastewater treatment technique over the past three decades. They are, therefore, characterized by their high environmental compatibility, as they use a very clean reagent, the electron. Other advantages are their high versatility and amenability, as well as their safety since they are performed under ambient conditions. Recently, several advances have been made to elucidate the mechanisms of reactive species generation and their reactivity during EAOPs. Spin-trap electro-paramagnetic spectrometry, chromatographic analysis, and scavenging techniques constitute efficient methods that have been used to identify reactive species generated in these processes [39]. The EAOPs system is based on an endergonic process (electrolytic cell), in which two bases are typically referred to as monopolar and bipolar configurations, as shown in Figure 3 [17].
Depending on the reducing or oxidizing agent, the electrode material may change. For example, the Fenton reaction is mediated by Fe species, while related reactions involving other metals, ligands, and/or peroxides are called Fenton-like processes. Some drawbacks of Fenton-like processes need to be improved. It is difficult to achieve complete mineralization of organic compounds in the Fenton process due to the formation of stable iron complexes such as oxalate and formate with partial oxidation products. However, oxalate complexes can be effectively destroyed by UV or visible light irradiation in the presence of a photocatalyst [46]. The general mechanism of the Fenton process can be represented by the following Equations (1)–(3):
Fe aq 2 + + H 2 O 2 Fe aq 3 + + OH + OH aq
Fe aq 3 + + H 2 O 2 Fe aq 2 + + HO 2 + H aq +
Organic   matter + OH degradation   products
Equation (3) suggested hydroxyl radical as a reactive intermediate, followed by ferryl ions as an intermediate. On the other hand, the electro-Fenton process is a modification of the original Fenton method, designed to eliminate the need for external reactants by generating them in situ. This is accomplished through the electro-reduction in molecular oxygen to peroxide at the cathode. The produced H2O2 reacts with dissolved Fe2+(aq) to form hydroxyl radicals and Fe3+(aq). The Fe3+(aq) ion is then reduced back at the cathode, allowing for continuous regeneration of the reactants and sustaining the process, Equations (4) and (5) [47].
O 2 g + 2 H aq + + 2 e H 2 O 2
Fe aq 3 + + e Fe aq 2 +
The classical Fenton reaction has several drawbacks, such as requiring an acidic operating pH range (pH = 2–4) and producing sludges containing iron [48]. The precipitation of Fe3+(aq) at pH above 3 imposes a limitation on the pH required to achieve a significant rate of pollutant degradation and to maintain the stability of the Fenton’s reagent at around pH 3.5. By using a low concentration of Fe2+(aq) (<1 mM), it is possible to raise the pH to 6 without precipitation of iron hydroxides. Unfortunately, the requirement to maintain a low pH, together with the management and disposal of the generated and contaminated sludge, makes the Fenton process economically unfeasible [49]. Large-scale applications of heterogeneous electro-Fenton processes face limitations due to the need for precise pH control, high energy consumption, and catalyst deactivation caused by the leaching of metal ions [50].
In the ozonation process, there are two recently published reviews on this topic. Jin [51] and Chen et al. [33] share fundamental insights into the mechanism by which the breakdown of ozone molecules occurs on the surface of catalysts. Based on the same iron species, the oxidation of Fe(s) produces FeO(s), Fe2O3(s), Fe3O4(s), Fe3+(aq), and Reactive Oxygen Species (ROS) such as O3•−, OH, O2, OH(aq) in solution [33]. In the electro-ozonation process, ozone is electrochemically generated from the water molecule, Equations (6) and (7).
3 H 2 O l O 3 + 6 H aq + + 6 e
H 2 O l + O 2 g O 3 g + 2 H aq + + 2 e
Additionally, the process can be enhanced with the cathodic electro-generation of H2O2, called the electro-peroxone process [52].
2 H 2 O 2 + 2 O 3 H 2 O + 3 O 2 + HO 2 + OH
Among the tested ozone-generation electrodes, the boron-doped diamond (BDD) has significantly outperformed other leading candidates, such as platinum (Pt) and lead dioxide (PbO2). It has demonstrated twice the current efficiency compared to Pt and does not suffer from the dissolution problems associated with Pb [53]. Electro-ozonation is not purely a hydroxyl radical formation process. It involves an electrochemical stage, where a different species is generated, followed by a chemical stage, where this species reacts to form OH through non-electrochemical pathways. Each step, such as the electro-generation of O3, ozonation, and homogeneous and heterogeneous catalytic ozonation, can be individually studied and optimized. In the next section, we reviewed and focused on how monometallic oxide or composite materials can produce OH species and active chloride as subproducts to degrade organic matter.

2.1. Reactive Oxygen Species

2.1.1. Hydroxyl Radicals in Dark Conditions

As mentioned earlier, OH is formed in the first step of water oxidation in an acidic medium, Equation (9) [54].
M hkl + H 2 O l M OH ads + H aq + + e
Here, M(hkl) denotes a metallic site. Alternatively, the first step of the OH formation in an alkaline medium is the reaction in Equation (10).
M hkl + OH aq M OH ads + e
Because the subsequent electronic steps are kinetically fast, Equation (11) [55,56].
M OH ads MO + H aq + + e
Therefore, OH has a shorter lifetime. Conversely, when the OH formed is weakly adsorbed on the surface, the electronic integrity of the radical is more clearly preserved, maintaining its high oxidative reactivity towards organic species [57]. Materials such as SnO2, PbO2, TinO2n−1, 4 ≤ n ≤ 10, and BDD fall into this category. The anodes most suitable for generating hydroxyl radicals active for the oxidation of organic molecules are also those that require a higher potential for water oxidation (between 1.8 and 2.8 V vs. SHE). At these potentials, organic molecules are also susceptible to direct oxidation at the electrode surface, according to Equation (12) [58].
R R + + e
This is mainly an undesirable reaction, as it often results in partial oxidation, leading to a polymerization reaction that passivates the electrode surface. Moradi et al. [59] compiled the most common potentials provided by electrocatalysts, which are shown in Table 2.
Despite the extensive experience documented in the literature on these materials, the creation of an experimental scale for intrinsic electroactivity has proven challenging, as measurement of this characteristic is influenced by multiple factors. An additional complication is the lack of a standardized criterion for evaluating electrocatalysts [60,61], such as the decrease in initial concentration of pollutant species, chemical oxygen demand (COD) or total organic carbon (TOC) removal, current efficiency, energy consumption, and lifetime. With this caution, it is still possible to identify some general reaction trends: Costa et al. [62] compared current efficiency, COD removal, and TOC removal among Si/BDD, Ti / SnO 2 - Sb , and Ti / SnO 2 - Sb - Ir , determining that BDD outperforms SnO 2 - Sb , and that the latter is significantly better than the one containing Ir, Figure 4a. Comninellis [35] compared the reaction of N,N-dimethyl-p-nitrosoaniline (RNO) on SnO 2 , Pt, and IrO 2 , achieving an almost complete reduction in the UV–Vis absorption signal on SnO 2 and decreasing significantly with Pt and IrO2, Figure 4c. Xiao-yan Li et al. [63] used Ti / SnO 2 - Sb , Pt, and Ti / RuO 2 in phenol degradation, obtaining the best results with SnO 2 , followed by Pt, and then RuO 2 , Figure 4d. However, complete TOC removal only occurs with SnO 2 . Panizza and Cerisola [38] compared COD removed by Si/BDD and Ti/PbO2, finding BDD to be more efficient. Polcaro et al. [36] evaluated the performance of PbO 2 and SnO 2 at lower 2-chlorophenol concentrations, with SnO 2 showing superior performance. However, Vazquez-Gomez et al. [37] argued that PbO 2 achieves better results for diethyl phthalate. Both groups agree that, in general, their behaviors are similar. Therefore, a possible trend in electrodegradation capacity could be followed by BDD > PbO 2 SnO 2 > Pt > IrO 2 RuO 2 . These ideas are summarized in Figure 4, where these trends correlate with the adsorption energy of the OH radicals on the surface of the materials (Figure 4b). The great diversity of possible experimental conditions poses significant challenges in characterizing the best hydroxyl radical electrocatalysts. This has encouraged and made research using theoretical and computational methods essential.

2.1.2. Hydroxyl Radicals Produced by Photon

Photo-electrocatalysis is an advanced oxidation process that combines photocatalysis and electrochemistry to degrade organic pollutants in water. It employs a semiconductor like TiO2, activated by light (UV or visible). The absorbed light generates electron–hole pairs, Equation (13), in the material [64].
SC + h ν e CB + h VB +
Here, SC corresponds to semiconductor, for the energy of the photon, e CB for electrons in the conduction band (CB), and h VB + for holes in the valence band (VB). This excitation promotes electrons from the valence band to the conduction band, leaving positively charged holes in the valence band. These positive holes can oxidize water molecules or hydroxide ions to produce hydroxyl radicals:
H 2 O + h VB + OH + H +
OH + h VB + OH
To prevent the recombination of electron–hole pairs, electrons can be extracted through an electrode and an external circuit to the counter electrode; see Figure 5 [65,66].
Recently, several review articles have been published focusing on this topic, covering catalyst mechanisms and design [64], integrated systems [67], modified graphite [68], configuration and operational parameters [69], and reactors [66].
Key points include the relative energy positions of the bands in the solid compared to the oxidation potential of the species and the OH/H2O pair, which largely determine whether the pollutant undergoes direct oxidation on the h VB + of the material or indirect oxidation by OH generated in these systems (Equation (16)) [70,71].
H 2 O + e CB OH + H

2.2. Active Chlorine (IEO, Indirect Electro-Oxidation)

While hydroxyl radicals exhibit the highest oxidation potential, surpassed only by fluorine [72], and offer high non-selectivity and efficiency for TOC degradation, their reaction rate depends on the mass transport of the contaminant species to the electrode-solution interface where OH resides. In practice, background impurities in the water impact OH concentration levels [39]. Here, active chlorine species have a lower oxidation potential than OH, resulting in a longer half-life but reduced mineralization capacity. In addition, the electrochemical generation of ROS takes advantage of the common presence of Cl aq in industrial effluents. The oxidation process starts from intermediates of the oxygen evolution reaction (OER) at the anode:
2 H 2 O O 2 g + 4 H aq + + 4 e
It specifically involves the initial formation of hydroxyl radicals, Equations (9) and (10) [73,74]. Chlorine evolution reaction (CER) thermodynamically proceeds at potentials above 1.36 V vs. SHE over these active sites.
2 Cl aq Cl 2 g + 2 e
Subsequent homogeneous phase reactions occur [75]:
Cl 2 g + 2 H 2 O HClO + Cl aq + H 3 O +   acidic   medium
Cl 2 g + 2 OH ClO aq + Cl aq + H 2 O   alkaline   medium
HClO ClO aq + H aq + ,   pKa = 7.5
In Equation (21), free chlorine (Cl2(g)) reacts with OH species and forms ClO(aq). Additionally, HClO and ClO aq can regenerate ROS in the presence of UV light, no longer confined to the interface [76], Equations (22)–(24).
HClO + h v OH + Cl
ClO aq + h v O + Cl
O + H 2 O OH + OH
Chloride ions are highly corrosive to electrode materials. While several metals achieve rapid organic contaminant degradation, Cu, Co, Ni, and Ag are prone to total corrosion, making noble metals like Ir, Pt, and Pd viable alternatives with excellent results [16]. However, their high cost limits industrial application. Metalloids like graphite and BDD offer greater flexibility and lower costs than noble metals, but BDD stands out for its exceptional mechanical, chemical, and electrochemical stability [77]. Despite this, BDD has one of the highest OER overpotentials, necessitating significant energy for CER [78]. Its superior ability to generate a large amount of OH radical facilitates the oxidation of active chlorine species into chlorates and perchlorates [79], which have a high health risk for living beings.
Noble metal oxides, such as Ti/IrO2, Ti/RuO2, and Ti/IrO2-RuO2, are effective and stable for chlorine evolution and more cost-effective than pure noble metals. Unlike BDD, RuO2 and IrO2 have the lowest OER overpotentials, resulting in significantly lower energy costs for CER; see Table 1 [16].
Given the crucial role of this reaction in the chloralkali industry, numerous investigations have been carried out using various catalysts [80], namely Co 3 O 4 , RuO 2 , NiCo 2 O 4 , IrO 2 , MnO 2 . However, the mechanisms that persist have been primarily elucidated by considering RuO 2 as a catalyst, as it has been the state of the art of chlorine evolution in the field for several decades. In their recent review, Wang et al. [81], based on the computational-theoretical works of Hansen [82] and Exner [83], summarized the proposed mechanisms for the formation of active chlorine as three different mechanisms, reactions, as Equations (25)–(31).
Volmer–Tafel (V-T):
2 Cl aq + 2 MO hkl * 2 Cl * + 2 e
Cl * + Cl * 2 MO hkl * + 2 Cl 2
Volmer–Heyrovsky (V-H)
2 Cl aq + MO hkl * Cl * + Cl aq + e
Cl * + Cl aq MO hkl * + Cl 2 g + e
Krishatalik:
2 Cl aq + MO hkl * Cl * + Cl aq + e
Cl * + Cl aq Cl + Cl aq + e
Cl + Cl aq MO hkl * + Cl 2 g
Here, MO(hkl)* denotes a metallic active site or surface oxygen. Among these possibilities, the V-H mechanism demonstrates a higher thermodynamic favorability. The use of the density functional theory (DFT) to model the adsorption of intermediates on Ruthenium (Ru) suggests that the active site for the initial adsorption of Cl aq in oxygen on-top position of the Ru cus (cus: coordinatively unsaturated sites), since this termination minimizes the surface free energy. The regions where the chlorine evolution reaction (CER) and oxygen evolution reaction (OER) are expected to be significant are delineated in Figure 6a. Only a few structures turn out to be thermodynamically stable in the considered potential-pH range, despite the fact that more than 100 adsorbate structures have been considered [84]. Consequently, the V-H mechanism can be expressed as follows in Equation (32):
O c + 2 Cl aq ClO c + Cl aq + e O c + Cl 2 g + 2 e
In Equation (32), the subscript “c” represents an absorbed species on the Rucus active site. The Volmer step, identified by Exner et al., was noted as the rate-determining step of the reaction. Figure 6a illustrates that according to the Volmer–Heyrovsky mechanism, chlorine adsorption on the catalyst surface is identified as an elementary step of the reaction. Based on these results, it follows that the Volmer–Heyrovsky mechanism mechanistically describes the CER on the surface of RuO 2 (110) completely covered with O. After introducing two water molecules into the surface unit cell of (2 × 1) due to solvent effects, Exner et al. [85] determined that the surface termination (1OHbr1Obr + 2Oot) is the most stable under pH = 0 and 0 V < η < 0.19 V conditions. They reaffirmed that the Volmer–Heyrovsky mechanism prevails. In Figure 6b, the energy barriers of this mechanism are depicted with two configurations of active sites, where Oot is situated adjacent to OHbr and Obr, respectively. In this figure, transition (i) to (ii) signifies the Volmer step, while transition (ii) to (iii) denotes the Heyrovsky step. The calculated barriers suggest that both mechanisms could act as rate-determining steps (RDS), contingent upon the chemical environment of the active site. On the other hand, Saha et al. [86] recalculated the Pourbaix diagrams, taking into account the remaining crystal faces not considered by the Exner group. Specifically, they considered the faces (100), (110), (111), (001), and (101). As depicted in Figure 6c, the lowest energy barrier corresponds to the (110) face for the CER process at pH = 0 and U = 1.36 V.
To mitigate the Gibbs free energy of this step, they opted to partially replace the Ru atoms in the surface models with alternative transition metal atoms, such as Zr, Rh, Pd, Pt, and Ir. Unfortunately, it turned out that Pt was the most efficient choice (Figure 6c). Foreign metal substitution alters the oxygen–chlorine bond strength in the structure of ClO ot precursor (ClO on top of the M cus site), consequently affecting the activity within the Volmer–Heyrovsky mechanism. Covering the fully O-coated RuO 2 (110) surface with a single monolayer of platinum oxide leads to an increase in activity since the Gibbs energy loss can be reduced by 50 meV. Consequently, the exploration of novel catalysts that are cost-effective and readily available remains a topic of debate in the literature.

3. Synthesis of Catalyst

As mentioned above, metal oxides are the best for producing OH and Cl species. However, these materials fall under the design strategies of MO oxides. Here, the synthesis of MO oxides is based on two general rules, namely, enhancing light utilization and improving photoinduced charge carriers’ separation [87]. Based on our literature review, to the best of our knowledge, there is no general classification of electrocatalysts’ synthesis methods. According to Castillo et al. [88], the synthesis method for mixed oxide photoelectrode preparation can be divided into (a) solution-assisted method, (b) electro-assisted method, and (c) advanced method. Spin-coating, dip-coating, hydrothermal, and SILAR are solution-assisted methods; electrospinning and electrodeposition are electro-assisted methods, whereas chemical vapor deposition, plasma spray, and pyrolysis are considered advanced methods. Although the use of advanced methods has increased in recent times [89,90,91], solution and electro-assisted methods continue to be the most used. Instead of the fact that solution and electro-assisted synthesis methods are still employed [92,93,94,95,96,97,98], in the last two years, the tendency is related to hybrid methods of fabrication of electrocatalysts [87,99,100,101,102,103,104,105,106], where solution and electro-assisted methods are one step of the process to obtain the desired material.
There is a growing interest in the development of electrocatalysts for the removal of pharmaceuticals from effluents, such as bisphenol A [103], tetrabromobisphenol A [107], ketorolac [108], levofloxacin [109], sulphonamide [102], propyphenazone [99], carbamazepine [110], tetracycline [111], endocrine disruptors [112], and anticancer drugs [113]. However, most reports continue focusing on dyes and phenolic compounds [87,92,93,96,97,98,101,104,105,106,114,115,116]. The inclusion of oxides such as WO3 and BiVO4, carbon nanotubes, or reduced graphene has been common in recent years. However, TiO2 continues to be the most widely used material for the fabrication of electrodes for the degradation of water contaminants [108,117,118,119,120].
Two examples of hybrid methods are shown in Figure 7. In both, novel photo-electrocatalysts are obtained for application in water treatment. MoS2-NHCS nanospheres were obtained by a multi-step synthesis method: a hard template was used to prepare NHCS with SiO2 microspheres as a template [103]. Further calcination, hydrothermal reaction, and electrodeposition were performed to achieve the formation of MoS2-NHCS; see Figure 7a. The morphology of MoS2–NHCS was urchin-like with a 20 nm thick MoS2 outer layer. The crystal phases of NHCS and MoS2 were confirmed by XRD. Recently, synthesis of MoS2-NHCS has been reported by Tian et al. [121], using hydrothermal and two annealing methods where the use of a hard template and HF etching is omitted, and the hydrothermal reaction is conducted in a shorter time (18 h vs. 24 h) under soft-temperature conditions (180 °C vs. 200 °C). This method results in the formation of nano-flowered structures. Both materials present high stability.
Another promising catalyst was synthesized to solve the problems related to the catalytic application of CaTiO3. Synthesis of defective Ca1−xAgxTi1−yCoyO3 by combining co-precipitation and microwave hydrothermal microwave-assisted was reported in 2022 for the first time [101]. The fabrication process is presented in Figure 7b. When these methods were used, the crystal structure of CaTiO3 was not affected by doping with Ag and Co. The microstructure of doped material has more defects than CaTiO3 and a lower optical bandgap.
The synthesis of B-doped TiO2 conducted by Da Silva et al., using sol–gel and dip-coating methods, results in a film with irregular cracks and substrate detachment at the edges of the cracks, with a thickness of 597 nm. B-doped TiO2 is usually synthesized by electrochemical anodization methods [95,122], leading to the formation of TiO2 nanotubes. While Da Silva et al. synthesized TiO2 using the sol–gel method, Bessegato and Kiziltas employed a titanium sheet. Both synthesis methods lead to the formation of the anatase phase of TiO2 and hexagonal Ti, confirmed by XRD.
The novel chalcogenide Se-doped TiO2/Ti electrode synthesis was first reported by Muzzakar et al. in 2019, using anodization, sol–gel, and dip-coating methods [123]. Under the synthesis conditions employed, a honeycomb structure was obtained on TiO2/Ti; meanwhile, agglomerates around 5–10 μm were formed with the Se-doping. In more recent years, they adjusted some synthesis conditions [100], using a shorter immersion time for Se doping (1 min vs. 10 min) with an increase in calcination temperature (500 °C vs. 200 °C). By making these adjustments, the honeycomb structure of the TiO2/Ti is maintained, while the Se-doped TiO2/Ti surface is spread out in a layer of tiny particles that spread evenly on the surface of the electrode. Synthesis of Se-doped TiO2/Ti nanotubes was achieved in 2023 [124] with a similar method. However, the variation in the sol–gel preparation of Se results in much larger particles with an average size of about 100 nm. This indicates that the morphology and properties of Se-doped TiO2/Ti are highly influenced by the conditions of the sol–gel method.
The syntheses of Ti/SnO2-Sb/PbO2, Ti/SnO2-Sb/PVP-PbO2, Ti/SnO2-Sb/Fe-PbO2, and Ti/SnO2-Sb/Fe-PVP-PbO2 electrodes were achieved through a two-step process involving thermal decomposition followed by electrodeposition. This method resulted in a mixture of α and β-PbO2, with β-PbO2 as the main phase. The addition of 1 g L−1 PVP promotes the growth of the β (211) plane. Conversely, with the addition of 6 mM Fe3+ ions to the CH3SO3H bath, the deposition of β-phase is significantly suppressed, and α-phase is preferentially deposited [115]. The pure PbO2 film deposited from the CH3SO3H bath displayed a flat and dense surface with pebble-shaped grains. After PVP is added to the CH3SO3H bath, the surface morphology of the PbO2 electrode is not significantly modified. However, the introduction of Fe3+ ions to the bath leads to a dense spindle-shaped morphology of the film surface.
The spray pyrolysis technique is considered the most simple, inexpensive, operated at a moderate temperature, easy to prepare on a large area, and good adherent of various metal oxide films [90]. The spray-deposited method of Bi2WO6 conducts the formation of polycrystalline samples [90,91]. Variation in spraying quantity influences the crystallinity and morphological surface of materials, directly impacting the photoelectrocatalytic activity. The spray pyrolysis method used to obtain yttrium-doped titanium dioxide thin films [89] results in the formation of the anatase phase of TiO2 without a Y signal on XRD; however, Y incorporation on TiO2, confirmed by XPS, showed a gradation trend in crystallite size (21–42 nm). Chemical vapor deposition (CVD) allows the formation of heterostructures with vertical, horizontal, or both growing orientations. Also, along with the HPHT method, CVD is one of the most used in the synthesis of B-doped diamond materials (BDD) [125], one of the few materials that have been proved at pilot scale for effluent treatment by the generation of OH and active chlorine [78,126]. Few reported studies have focused on the treatment of wastewater on a pilot or large scale using electrocatalytic treatments; however, there are multiple reports about the electrocatalytic treatment of synthetic and real wastewater at laboratory scale. In addition, this topic is beginning to be addressed in research reports. Interesting result to analyze the synthesis methods of electrocatalyst used in real wastewater solution and scalable configuration.
To the best of our knowledge and according to the literature review in the period between 2022 and 2024, the photoelectrocatalyst bifacial TiO2–Bi/Sb-MOF synthesized by hydrothermal method followed by anodization was tested on 1 L of real municipal wastewater [106]. The use of these tandem synthesis methods resulted in the formation of uniform coating and spherical-shaped Bi-(mixed metal) MOF (diameter of 400 to 920 nm), randomly aligned over the TiO2 surface. Sb-(mixed metal) MOF still shows a uniform but irregularly structured layer over the surface of TiO2. According to the authors, there are no other reports about the use of these types of mixed metal MOF electrodes to treat municipal wastewater.
RuO2-Ir-REM, Ti4O7-REM, and β-PbO2-REM electrodes prepared by a two-step method (sol–gel and electrodeposition) allowed the production of electrodes to purify biologically treated landfills leachate using reactive electrochemical membranes (REMs). The tests were conducted at laboratory and pilot plant scales [127]. The three materials present porous structures with similar inner pore diameter distribution (30–60 μm), porosity (32–34%), and median pore size (42–49 μm). Ti/RuO2 were prepared by thermal decomposition method and tested on the optimization of ammonia and COD removal in 1.3 L of real municipal wastewater by direct and indirect anodic electrooxidation. The catalyst exhibited a “mud” like structure [128]. Ti and RuO2 were identified on the surface of the catalyst by XRD. The crystalline structure of the catalyst remains without changes after the catalytic performance.
Buoio et al. [117] synthesized Ti mesh coated with a photoactive TiO2 film by plasma electrolytic oxidation. The obtained material was a mixture of anatase (45%) and rutile (55%) crystalline phases and sponge-like morphology, which was used as a photo and photo-electrocatalyst in a water remediation system for sustainable fish farming, mediated by the electro-chlorine advanced oxidation process. A similar anodization method was used by Thind et al. [120] for growing a TiO2 nanoporous array on a Ti plate. However, they applied a further annealing process to obtain the anatase phase. This material was employed as a photocatalyst at an integrated electro and photocatalytic system for wastewater treatment from Lake Superior in Ontario, Canada. The RuO2−IrO2-based electrode was the electrocatalyst. It was prepared by brush painting on the Ti substrate surface, plus an annealing process to convert the metal chlorides to metal oxides. The cited work applied at the pilot scale, except for reactive electrode material (porous electrode material as a substrate) [127], involves the use of TiO2 synthesized by the anodization method. Recently, the well-known sol–gel method allowed the synthesis of a great amount (146.5 kg) of Ti-Sn-Sb@γ-Al2O3. This catalyst was tested on pretreatment of hypersaline and high-organic wastewater with a three-dimensional electrocatalytic system. The high-organic and hypersaline wastewater in this study will induce the electrolytic generation of active chlorine (Cl2, HClO) and ClO(aq), which serves as the main oxidant [129].
Solution-assisted methods offer versatility in catalyst synthesis. The sol–gel process is simple but requires controlled heating to avoid sintering. Dip- and spin-coating yield precise thin films but require clean substrates, limiting their use on large surfaces. Hydrothermal and solvothermal techniques produce highly crystalline materials; the latter use non-aqueous solvents for higher temperatures, while SILAR allows precise control of nanomaterial morphology. Electro-assisted methods facilitate the creation of well-defined films or nanostructures with high purity and adhesion by fine-tuning deposition parameters. Advanced techniques such as pyrolysis, CVD, plasma spray, and microwave-assisted synthesis produce high-quality films and nanostructures. Pyrolysis rapidly generates crystalline materials without post-treatment; CVD ensures precise deposition of thin films; plasma spray enables thick coatings on complex shapes; and microwave synthesis accelerates reactions to obtain high-crystallinity materials, often in combination with other methods to obtain optimal properties [88]. The aim of all these methods is to achieve good catalytic performance in reactions in the reaction of interest while avoiding catalyst poisoning, which is the main cause of the deactivation of electrocatalysts [130].
On the other hand, it is increasingly common to find works in which, in addition to the synthesis, characterization, and evaluation of the electrocatalytic activity, machine learning tools are incorporated to predict some property of interest of the catalysts, such as the stability in certain environments [131,132]. Machine learning improved processes for catalyst design, and a better understanding of electro/photocatalytic processes is essential for improving catalyst effectiveness. Recent advances in data science and artificial intelligence have great potential to accelerate electrocatalysis and photocatalysis research, particularly the rapid exploration of large materials chemistry spaces through machine learning [133,134].

4. Electronic Modification of Materials

As heterogeneous processes, catalysts play a major role in the generation of highly reactive species necessary for the efficient degradation of complex organic compounds [135]. The structural properties of these catalysts are decisive for their catalytic activity. Some key properties of interest in these catalysts include catalyst type, conductivity, mechanical and chemical stability, surface area, porosity, active sites, and interaction with reactive species, among others [136]. These properties collectively determine the effectiveness of catalysts in AOPs, making a thorough understanding of their structural characteristics essential for optimizing wastewater treatment and environmental remediation processes. Table 3 shows the electrochemical processes performed in the laboratory and pilot scale. In general, photo-electrochemical (PEC), Chlorine Evolution Reaction (CER), Electrochemical Oxidation (EO) are basically performed in real and synthetic effluent. Here, we focused on the electronic modification of the catalyst. Thus, we found that there are different types of electronic modifications, such as element doping, heterojunctions, defect engineering, and strong-interfacial interaction.
According to Table 3, most of the materials and their electronic modifications have only been implemented at the laboratory scale, with minimal applications at the pilot scale. This could be due to challenges in scaling up the materials as well as the limitations of the synthesis methods used. Therefore, Figure 8 classifies these examples that we found in the literature with respect to AOPs in general [137].
Here, we observe several key strategies for material design:
  • Heterojunction formation: This involves creating a junction between two different materials, resulting in unique properties at the interface [92,93,94,116,138].
  • Defect engineering: This focuses on defect handling, such as oxygen vacancies, to tailor the material’s behavior [90,91,117,138].
  • Element doping: This strategy involves substituting atoms within the main crystal structure with different elements to achieve desired properties [95,99,100,101,102,112,113,114].
  • Strong-interfacial interaction: This refers to a strong interaction between the material and a metal oxide support, named Strong-Metal Support Interaction (SMSI) [87]. It is important to distinguish from Strong-Metal Oxide Carbon Interaction (SMOCI) [139], where this refers to a strong bond formed between the material and support through oxygen–carbon bonds at the interface.
These electronic modifications are part of the strategies in defect engineering. The goal is to increase the active site and stability of the catalyst [136]. In the following section, we discussed the case studies on laboratory and pilot scale, where these aspects of the materials are crucial.

5. Case Studies

5.1. Electrochemical Advanced Oxidation Processes (EAOP)

In this section, we present different methods by which OH in Heterogeneous Advanced Oxidation Processes (H-AOP) are applied to real effluents. Here, we consider studies on a laboratory scale and their comparison with a reactor volume larger than one liter, classified as pilot plants or larger-scale plants [140].
Evaluating the intrinsic electroactivity of catalysts on the laboratory scale presents several challenges. Researchers often neglect the critical role of electronic and microstructural properties in controlling the macroscopic response of the catalyst. Electronic modifications are fundamental, directly affecting the active sites themselves (catalytic centers). Additionally, the microstructure of the material, including features like dislocations, terraces, vacancies, and impurities, plays a crucial role. These engineering defects influence various properties that impact catalytic effects, such as topography, roughness, porosity, surface wettability, and grain size [137]. In addition, controllable factors from experimental design, even if not standardized, include:
  • Electrochemical reactor design: electrode area/electrolyte volume ratio, cell and electrode geometry, hydrodynamic conditions.
  • Electrochemical reactor parameters: Electrical current and potential intervals, electroactive species and supporting electrolyte concentrations, test durations, working cycles, collected and reported data such as Chemical Oxygen Demand (COD), Total Organic Carbon (TOC), pH, current efficiency (ICE), and electrical consumption (kW-h m−3 or kW-h kg−1).
Surface area has been a central topic in heterogeneous catalysis research for decades [141,142,143,144]. It depends on porosity, roughness, and irregularities ranging from macroscopic to atomic scales, making it a fractal property with indices between 2 and 3 [145]. In catalysis, the most relevant metric is the active surface area, which is not necessarily correlated with the total surface area. The active or electroactive area in electrocatalysis depends on the density and distribution of the active sites and the wettability of the surface in aqueous systems. Unfortunately, active-site detection techniques are not standardized due to the inherent dependence on specific reaction mechanisms [60]. This limitation is due to the fact that the “active site” is often linked to the adsorption energy of key intermediates, resulting in different meanings depending on the evaluation method used [146]. The BET (Brunauer–Emmett–Teller) area is still the most widely used method for characterizing catalysts. In recent years, it has been used to measure the surface area of TiO2 modified in photoelectrocatalysis and active chlorine generation [92,98,99,103,106,129], with values ranging from 4.39 to 2792 m2/g. When no direct correlation between surface area and activity is found, it is presumed that the density of active sites varies between materials.
Considering these complexities, this section reviews some of the most promising catalysts reported at the laboratory scale over the past two years. We subsequently evaluate their feasibility for larger-scale applications. Finally, we report pilot-scale experiences with these electrocatalysts, emphasizing key characteristics that influenced their selection by researchers.
One way to minimize the impact of various factors is by evaluating different electrocatalysts within the same experimental setup. This approach was used by Li et al. [147], who compared the current efficiency (ICE) and COD degradation of BPA between BDD, PbO2, and IrO2, finding the order BDD >> PbO2 >> IrO2. They used Na2SO4 electrolyte, identifying OH and SO4•− as oxidizing agents. While this study does not introduce novel insights into electrocatalysis, it reaffirms the electro-degradation properties of these materials previously discussed. The authors do not report energy consumption but do mention an optimal current density of 60 mA cm−2. Combined with the high overpotential for oxygen evolution on BDD, this leads to inherent scalability issues.
Lin et al. [127] confirm that the β-PbO2-REM gave superior results in generating OH. It produces 23 times more OH than RuO2-Ir-REM and five times more than Ti4O7-REM. The authors also present reactivity tests of materials with Fe(CN)64− to compare the active sites of REMs. However, the use of this technique to evaluate electrocatalysts stems from a misinterpretation of electrocatalysis. Using a universal test molecule is not suitable for comparison with inner-sphere reactions such as those occurring during the oxidation of water intermediates. Furthermore, in these analyses, it is crucial to consider the active area [60]. The Fe(CN)64− shows itself inner-sphere behavior, making it an unsuitable candidate as a universal test molecule. Therefore, this test did not yield consistent results with OH generating ability, classifying it as RuO2-Ir-REM > β-PbO2-REM > Ti4O7-REM.
Among the most notable examples of novel materials reported in the last two years are MoS2 nanosheets grown on nitrogen-doped hollow carbon spheres (MoS2–NHCS) linked to a foamed nickel matrix. Their separation efficiency and carrier lifespan improved, enhancing BPA degradation by OH, h VB + , and O2•− with less than 10% activity loss over four cycles when used as a photoanode [103]. Additionally, their stability improved for Pb2+ removal, showing less than 3% activity loss over 20 cycles when used as a photocathode [121]. Bi2WO6 has gained popularity in recent years and has been tested for the removal of benzoic acid and methyl blue, achieving 72% and 98% degradation, respectively, in a short time [90]. One of the most promising catalysts for the degradation of organic pollutants is CaTiO3, which was improved by doping it with Co and Ag to obtain Ca1−xAgxTi1−yCoyO3 [101]. This material exhibits a band gap of 2.78 eV and features Ag–Ca and Co–Ti donor–acceptor defect pairs, which provide exceptional durability and reusability. In contrast, leveraging the success of TiO2 in the field has led to doping the oxide with various elements, such as Bi-Sb [106], B-Co [95], Se [100], and B [95,122]. These modifications have demonstrated improved performance in terms of photocurrent and degradation efficiency compared to undoped TiO2.

5.2. Pilot Plant Scale AOPs

The HOM-AOP and H-AOP processes are considered new processes, where implementation and full-scale operation are still a challenge. Advanced treatment is considered tertiary treatment, where the best technology depends on local conditions. Here, established processes (i.e., active carbon, ozonation, and membrane filtration processes) and new processes are used as combined methods in WWTP [148]. In the past two decades, advanced oxidation processes involving OH have been implemented on both pilot and large scales. Most of these treatments are homogeneous phase treatments, including UV, H2O2, O3, Fe2+, Fe3+, HSO5, and combinations thereof [149,150,151,152,153,154,155,156,157,158,159,160,161,162,163,164,165]. Although research on H-AOP new materials and processes has been prolific in heterogeneous catalysis over the past 20 years, these have not progressed beyond the laboratory scale. Regarding applications at the pilot scale, the continuous operation time of the catalysts ranges from a few hours to two months, treating everything from mixtures of contaminants in synthetic effluents to wells and wastewater from hospitals [166], agriculture [167,168], personal care [169], chemical [170,171,172], municipal sources [173,174,175], and industrial [176]. Excessive fossil energy consumption has caused a global energy crisis and environmental issues. Hence, photocatalysis and photo-electrocatalysis are regarded as the most promising technologies for simultaneously solving the above two issues. The application of these materials can take advantage of abundant and clean energy. In addition, photo-electrocatalysis cannot only convert solar energy or electric energy into green and clean hydrogen energy, as proved in water splitting. These technologies also convert carbon dioxide (CO2) into fuels and high-value-added chemicals [177].
TiO2 and ZnO commercial catalysts are the most used catalysts, either alone or modified. Here, TiO2 is widely used independently or in conjunction with other techniques [178]. Even in wastewater for which treatment by conventional methods is not feasible, such as that from hospitals [166]. Sun et al. [179], in their review on photocatalysts, mentioned nearly 30 pilot plant experiments, of which 11 used commercial TiO2 directly, 14 used modified TiO2, 3 used ZnO, and one used Ag/BiVO4. They suggest that catalyst modifications often perform worse than commercial TiO2 or ZnO, and more pilot-scale experimental trials are needed. We also identified pilot plant photocatalysis as the most reliable H-AOP option for researchers prior to 2022. This is evidenced by the large number of studies conducted with unmodified TiO2 [180,181,182,183,184,185,186,187,188,189,190,191,192,193,194,195,196,197,198,199,200,201,202,203]. Only a few modifications to TiO2 have reached the pilot scale [204,205,206,207,208]. As for other photocatalysts, experiences at this scale are fewer [209,210,211].
In the photo-electrocatalytic process, every year, many new catalysts are reported, but they sometimes include non-environmentally friendly elements in their composition. For instance, some studies use cadmium or lead-based catalysts, which risk leaching toxic heavy metals during water treatment. Most researchers particularly agree on the high competitiveness of TiO2-based photoelectrodes for water treatment. Pristine TiO2 and TiO2-based nanocomposites have been widely used as photoanodes in this field, leading to many scientific publications. However, despite the satisfactory performance found for the removal of organic pollutants from wastewater by PEC pre-eminently with TiO2 nanocomposites [19], there are few reports about its application at pilot and large-scale levels [117,118].
In the area of electrodegradation, we can mention BDD, Ti/RuO2–IrO2, and Ti/IrO2/Ta2O5 anodes. Only one case has been identified with a different catalyst at this scale, CuFeMnO spinel oxide, by Huang et al. [212], which features superior PMS catalytic capacity. In the current state of treatment technology applications, research on catalyst selection tends to reinforce widely accepted explanations rather than introducing novel insights. Only a handful of authors provide justification for their choices [213,214,215]. Nevertheless, few researchers provide information regarding the post-treatment characterization of their catalysts [212,214,215,216]. Concerning other advanced oxidation processes at the pilot scale, we have the following: For the removal of per- and polyfluoroalkyl substances, Franke et al. [217] used iron oxides and heterogeneous catalytic ozonation. Monteil et al. [218] used a BDD anode and a carbon felt cathode for electro-oxidation treatment to eliminate hydrochlorothiazide as a model pollutant. Roccamante et al. [219] used Nb-BDD and a carbon-PTFE GDE cathode in a combination of electro-oxidation and ozonation to remove pentachlorophenol, terbutryn, chlorfenvinphos, and diclofenac. Shestakova et al. [220] employed Ti/Ta2O5–SnO2 electrodes to eliminate methylene blue. Voglar et al. [221] used graphite and BDD for the remediation of soils contaminated with metals.
During the application of these procedures under near real-world conditions, the importance of catalytic activity must be considered along with other factors, such as catalyst service life. However, these tests are not feasible under real working conditions, as they would require several months or years of experimentation with modifications of key variables (current density, pH, concentration and type of supporting electrolyte, impurities, and undesirable reactions). Numerous factors have been identified as determinants of electrode durability under operational conditions [59]. The uniformity and adhesion of catalytic films to the substrate are crucial [222], as electrolytes can permeate them, leading to reactions accompanied by changes in the lattice parameter. This, in turn, induces irregular stresses in the structure, leading to breakage and crack formation. These cracks allow further electrolyte leakage, which accelerates the electrode failure process. In contrast, surface irregularities, defined as fine roughness, facilitate the formation and release of gas bubbles, preventing them from exerting significant pressure on the catalytic film structure [223], thus prolonging its lifetime. Doping with other elements [224] can contribute not only to charge transfer at the interface but also to corrosion resistance and conductivity. Surface deposition of hydrated compounds increases the resistance of the catalytic film [225], leading to high anodic potential in constant current processes and energetic conditions that enhance undesirable reactions. Careful handling of electrodes is crucial, as accidental impacts are a common source of cracking and detachment of electrocatalyst films. Table 4 presents some representative cases of pilot plant studies.
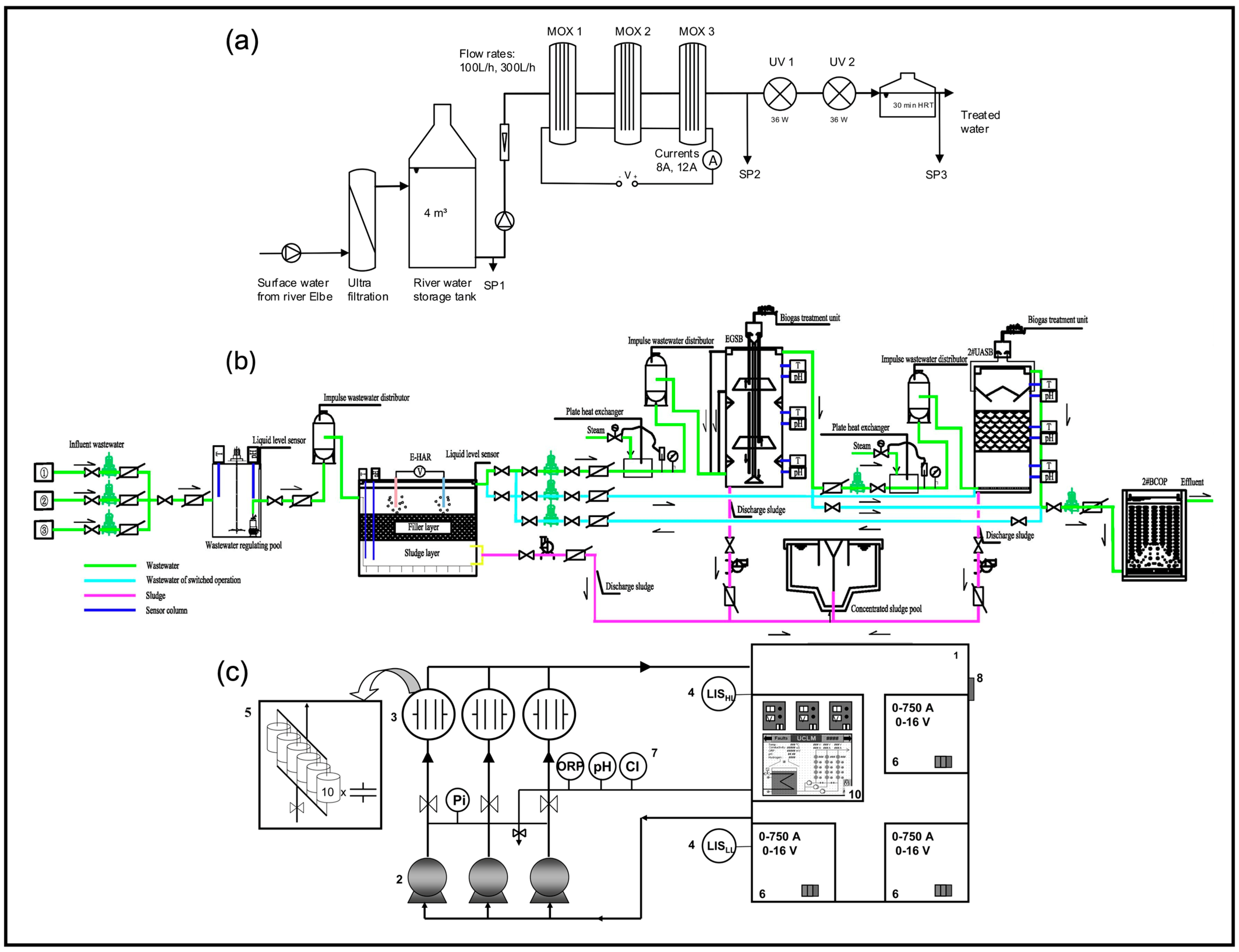
According to Table 4, most of these experiments have been performed with real effluents that have lasted up to one year of continuous operation [76,221,226]. Figure 9a,b and Table 4 show the pilot plant case used by Otter et al. [76] and Min et al. [226], respectively. Otter et al. used Ru-Ir mixed oxide electrodes and UV light to treat water from the Elbe River for 10 months without loss of electroactivity, while Min et al. discussed a treatment train for pesticide wastewater using Ti/PbO2 anodes. Long work cycles make the use of synthetic effluents uneconomical. Only two cases explicitly report satisfactory performance and no catalyst degradation [76,127]. Notably, these processes use well-studied catalysts like Ir, Ru, Sn, Ti, Pb oxides, and BDD, which are known for generating OH, or active chlorine species. BDD is not economical [78,126,227], with β-PbO2 and reactive electrochemical membranes being more cost-effective [127]. BDD is not recommended in the presence of Cl, as Anglada et al. [126] have shown. This is because BDD exhibits a high overpotential for oxygen evolution, which is a prerequisite for Cl2 evolution and the formation of active chlorine. At high current densities, the formation of dangerous chlorates occurs due to their reaction with OH. The production of OH is favored at high overpotentials, which consequently increases energy consumption. The flow diagram of the pilot plant used by Anglada et al. is shown in Figure 9c, with details in Table 4, as a representative example of the use of BDD in that scale. Efficient stirring to enhance mass transport is essential, as demonstrated by Acosta-Santoyo et al. [227], who showed decreasing TOC removal efficiency with increased current density.
With the aim of making the results reported by different researchers comparable, “accelerated life” tests have been suggested [228]. In these tests, a constant current density ten times higher than that applied under normal working conditions is used while recording the anode potential with a reference electrode. The premise is that, as long as the electrode promotes the same electrochemical reactions, the anodic potential will remain constant and at low values. Once the nature of the electrode is altered, the reactions will change to maintain the current density, and the anodic potential will increase sharply. A decrease in the (opposite) potential is unusual since the failure of an electrode is indicated by a reduction in its electronic conductivity. This issue is crucial and requires conscious intervention from the scientific community to standardize results and establish universal evaluation parameters.
Table 4. Pilot plant case studies involve processes utilizing both hydroxyl radicals and active chlorine species.
Table 4. Pilot plant case studies involve processes utilizing both hydroxyl radicals and active chlorine species.
Pilot Scale SystemType of Treated WaterCatalystPlant
Volume
Catalyst PerformanceEnergy
Consumption
Ref.
Electro-degradation processes: Reactive electrochemical membranesBiologically treated landfills leachate from a municipal landfill in Dongguan, Guangdong, ChinaRuO2-Ir-REM,
Ti4O7-REM, and
β-PbO2-REM
300 and 370 L in a single filtration stepThe β-PbO2-REM gave superior results due to its remarkable generation of OH. Five tests demonstrated reproducibility without deterioration of the electrocatalytic capabilities3.6 kW-h m−3[127]
Electro-degradation processes:
DiaCells treatment cells
Leachate from landfills was previously biologically processed. Located in the municipality of Meruelo, Cantabria, Spain.BDD750 L feed tank and three treatment lines, incorporating a total of 150 cellsBDD achieves total COD oxidation and nearly complete mineralization. Partial oxidation of ammonium to nitrates requires an additional operational step. The authors do not address the stability of the anodic yield Not calculated. Given the high j (300–1200 A m−2), considerable energy consumption could be expected[126]
Electro-degradation processes:
ultrafiltration plant
Commercial oxyfluorfen solutionBDDMulti-tubular ceramic membrane with 19 channels (Dh = 3.5 mm), 38 cm long, 285.1 L h−1 m−2.Surfactants are not retained by the membrane in ultrafiltration, affecting the formation of persulfates that favor the oxidation of oxyfluorfen. ICE for TOC removal decreases with increasing current density, even as oxyfluorfen degradation increases2900 kW-h kg−1, and 590.2 kW-h kg−1 with and without the concentration stage[227]
Electro-degradation processes: electrochemically assisted hydrolysis stage Pesticide treatment of a wastewater effluent from a company in Dalian, China Ti coated with a nanocrystalline PbO2 film (MAGNETO, Suzhou, China)8.2 m3 volume with a flow rate of 2.5 to 5.5 tons day−1The BOD5/COD ratio was doubled, allowing the effluent to meet the quality standards required for urban wastewater treatment plants. No specific evaluation of the catalysts’ performance, but they do not mention any problems related to its operation for a period longer than one yearReduces operating costs by 14%, with a payback period of 10 years[226]
In situ active chlorine generation: UV/ECl2 pilot system Elbe River water, filtered by a UF system (Pall, Port Washington, NY, USA)RuO2/IrO2 mixed oxide1023 m3, 3.4 m3d−1Gabapentin and oxipurinol were nearly completely degraded by the Cl2. Benzotriazole, 4 and 5-methyl-benzotriazole, and iomeprol were degraded by 5–11%. However, combining UV radiation increased degradation to 49–89%. The field test lasted 10 months. The system operated without technical interruptions, requiring only monthly manual cleaning of quartz glass sleeves. The electrolytic cells showed no wear by the end of the trial, and the water’s hardness did not cause calcareous deposits on the cell surface with polarity inversion intervals of three hours1.35 kWh m−3 including pumping[76]
In-situ active chlorine generation:
Electrochemical pilot plant
Five different real saline industrial effluentsBDD750 L tank and three pumps feeding the electrolyte into three parallel fluid linesChloride oxidation was the primary reaction. Complete ammonia removal was achieved for all wastewaters, while TOC removal reached up to 90%68 kW-h m−3[78]
In-situ active chlorine generation:
Three-dimensional electrocatalytic system
Industrial hypersaline and high-organic wastewater from Jingzhou City, Hubei Province, ChinaTi coated with Ru-Ir-Ti-Sn. And Ti-Sn-Sb@γ-Al2O3 particlesTwo reactors with 75 and 71 kg of catalyst. A retention time of 1.5 h, and a flow rate of 3 m3 day−1.Total biological oxygen demand (BOD) increased from 40 mgL−1 to 1050 mgL−1 with oxide particles, implying a 690% increase in biodegradability. Active chlorine formation is the primary COD removal mechanism.102.80 kW-h kg−1 COD and 88.09 kW-h m−3[129]
Photo-electro-catalysis processes. Stainless-steel continuous tubular reactorRainbow trout (Oncorhynchus mykiss) culture.Ti mesh coated with a photoactive TiO2 filmThree 50 L tanks equipped with the PEC purification system: Continuous tubular reactor with 1 L free volume.The water of the PEC group showed lower ammonia and nitrite concentrations and higher nitrate concentrations, also leading to gaseous N2, compared with conventional biological filters. Histological analysis did not reveal any pathological alteration in the gills and liver of both groups.Not reported[117]

6. Conclusions and Perspectives

With advances in wastewater treatment plants, emerging pollutants are not taken into account in tertiary treatment. The application of conventional methods is not suitable enough in practice. In this regard, AOPs are considered a promising process in real effluent treatments, namely H-AOPs. However, despite this advantage, several challenges persist that hinder the widespread technological application of these processes in many countries.
First, the synthesis methods discussed have multiple advantages on their own; however, more research studies employ multi-step synthesis methods, which allow for greater control of the physicochemical properties of the catalyst. However, the incorporation of a larger number of steps results in longer synthesis times, potentially increasing production costs and affecting the scalability of the catalysts. On the other hand, catalyst scale-up faces the same challenges intrinsic to any chemical process. Failures at the industrial scale are often the result of insufficient testing at smaller scales. Problems can arise from underestimating synthesis steps, difficulties in acquiring secondary raw materials, insufficient knowledge of the relationship between raw material properties and catalyst quality, or poor understanding of desirable catalyst characteristics. In addition, an incomplete understanding of the synthesis chemistry and non-compliance with safety and environmental regulations in the early stages contribute to setbacks. Thorough testing and knowledge of these factors are essential for successful industrial application.
At the laboratory scale, different materials are synthesized and applied to synthetic samples with different electronic modifications, such as heterojunction, element doping, and defect engineering. However, boron-doped diamond (BDD) continues to gain popularity for hydroxy radical (OH) generation, showing high stability during continuous operation and efficiency in contaminant degradation and mineralization. Surprisingly, lead dioxide, another OH generator, has shown remarkable performance at the pilot plant level, meeting water quality standards with greater economic efficiency than BDD and demonstrating high stability even after more than a year of operation.
A few studies describe the use of element doping and heterojunction modification in pilot plants. Here, energy consumption is crucial in the scalability of the electrochemical systems, based on the OH radical or Cl species. In a municipal landfill, a value of 3.6 kW-h m−3 is used for the OH radical. The reduction in energy consumption is due to the β-PbO2-REM materials, where the reactive electrochemical membrane is more efficient. For active Cl species, 88.09 kW-h m−3 are applied to hypersaline industrial wastewater with high organic content, using Ti-Sn-Sb@γ-Al2O3 as an electrode. The advantage is that no sludge is produced during the process.
Instead, to bridge the gap between promising laboratory catalysts and their commercial use, several general recommendations can be made: (i) Promising catalysts should be tested in a variety of scenarios to generate experience and data for decision-making; (ii) The academic community should prioritize reproducibility and stability of the synthesis over purely novel ideas. (iii) Improving the understanding of catalytic mechanisms can help to focus industrial production on key properties. (iv) Introducing artificial intelligence techniques could be an option once sufficient data are available, and (v) incorporating basic chemical engineering principles into laboratory research would also help to scale up successfully, as industrialization requires significant capital investment.
From an engineering standpoint, projects with the highest risk of failure often involve poor design processes, overly complex flow diagrams, or multi-step synthesis with custom-built equipment. Insufficient investment to ensure optimal equipment can also lead to failure. Successful industrial scale-ups often turn optimized procedures into trade secrets. Therefore, laboratory synthesis must prioritize unit operations using equipment aligned with established technologies. To test a new material, the evaluation should consider a laboratory scale and a pilot scale as a post-test. Despite some promising results, a universal catalyst adapted to the unique characteristics of various industrial or municipal wastewaters remains elusive. Depending on the emerging pollutant, wastewater treatment plants must be adapted to the actual conditions based on the background impurities in the water streams. Finally, before scaling any potentially risky step, extensive testing should be conducted to ensure safety and feasibility in the earlier stages of development.

Author Contributions

Investigation and resources, S.P.-R.; writing—original draft preparation and conceptualization, R.J.-L., A.J.-V., and L.A.E.-W.; writing—review and editing, N.A.-V. All authors have read and agreed to the published version of the manuscript.

Funding

This work was partially funded by Instituto Politécnico Nacional (Reference No. SIP-20231815, SIP-20240967, SIP-20240049).

Data Availability Statement

No new data were created or analyzed in this study.

Acknowledgments

Luis A. Estudillo-Wong thanks CIIEMAD-IPN for the financial support through the SIP projects. R. Jaimes–López acknowledges the postdoctoral scholarship from CONAHCYT “Estancias Posdoctorales por México para la Formación y Consolidación de las y los Investigadores por México 2022(3)”.

Conflicts of Interest

The authors declare no conflicts of interest. The funders had no role in the design of the study, in the collection, analysis, or interpretation of data, in the writing of the manuscript, or in the decision to publish the results.

Abbreviations

The following abbreviations are used in this manuscript:
AOPAdvanced Oxidation Processes
BDDBoron Doped Dimond
BODBiochemical Oxygen Demand
CERChlorine Evolution Reaction
CODChemical Oxygen Demand
CPCCompound Parabolic Concentrators
CVDChemical Vapor Deposition
DCDirect Current
DFTDensity Functional Theory
DODissolved Oxygen
DOOMDirect Oxidation of Organic Matter
DPDegradation products
ECElectrocoagulation
EOElectrochemical Oxidation
EPEmerging Pollutant
ERElectrochemical Reduction
EAOPElectrochemical Advanced Oxidation Processes
H-AOPHeterogeneous Advanced Oxidation Processes
HOM-AOPHomogeneous Advanced Oxidation Processes
HP-AOPHomogeneous Photo-driven Advanced Oxidation Processes
hklMiller index
IEOIndirect Electrochemical Oxidation
MMetal surface
MOMetal Oxide Surface
OEROxygen Evolution Reaction
oVsOxygen Vacancies
PANIPolyaniline
PhEMPhoto-assisted Electrochemical Methods
PZCPoint of Zero Charge
REMsReactive Electrochemical Membranes
rGOReduced Graphene Oxide
RNON,N-dimethyl-p-nitrosoaniline
SILARSequential ionic layer adsorption and reaction
SSASpecific Surface Area
TDSTotal Dissolved Solids
TOCTotal Organic Carbon
TSSTotal Suspended Solids
UV–VisUltraviolet and visible light
WWTPWastewater Treatment Plants

References

  1. Deblonde, T.; Cossu-Leguille, C.; Hartemann, P. Emerging pollutants in wastewater: A review of the literature. Int. J. Hyg. Environ. Health 2011, 214, 442–448. [Google Scholar] [CrossRef] [PubMed]
  2. CONAGUA. Portal de Sistemas de Información del Agua. Available online: https://www.gob.mx/conagua/articulos/portal-de-sistemas-de-informacion-del-agua-262506 (accessed on 8 March 2024).
  3. Aguilar-Aguilar, A.; de León-Martínez, L.D.; Forgionny, A.; Acelas Soto, N.Y.; Mendoza, S.R.; Zárate-Guzmán, A.I. A systematic review on the current situation of emerging pollutants in Mexico: A perspective on policies, regulation, detection, and elimination in water and wastewater. Sci. Total Environ. 2023, 905, 167426. [Google Scholar] [CrossRef]
  4. Vázquez-Tapia, I.; Salazar-Martínez, T.; Acosta-Castro, M.; Meléndez-Castolo, K.A.; Mahlknecht, J.; Cervantes-Avilés, P.; Capparelli, M.V.; Mora, A. Occurrence of emerging organic contaminants and endocrine disruptors in different water compartments in Mexico—A review. Chemosphere 2022, 308, 136285. [Google Scholar] [CrossRef] [PubMed]
  5. Central Pollution Control Board. Available online: https://cpcb.nic.in/status-of-stps/ (accessed on 8 March 2024).
  6. Tripathi, S.; Purchase, D.; Chandra, R.; Nadda, A.K.; Chaturvedi, P. Emerging pollutants characterization, mitigation and toxicity assessment of sewage wastewater treatment plant- India: A case study. J. Contam. Hydrol. 2023, 254, 104139. [Google Scholar] [CrossRef]
  7. Ranjan, N.; Singh, P.K.; Maurya, N.S. Pharmaceuticals in water as emerging pollutants for river health: A critical review under Indian conditions. Ecotoxicol. Environ. Saf. 2022, 247, 114220. [Google Scholar] [CrossRef]
  8. Pozo, K.; Sarkar, S.K.; Estellano, V.H.; Mitra, S.; Audi, O.; Kukucka, P.; Přibylová, P.; Klánová, J.; Corsolini, S. Passive air sampling of persistent organic pollutants (POPs) and emerging compounds in Kolkata megacity and rural mangrove wetland Sundarban in India: An approach to regional monitoring. Chemosphere 2017, 168, 1430–1438. [Google Scholar] [CrossRef]
  9. Zhong, M.; Wang, T.; Zhao, W.; Huang, J.; Wang, B.; Blaney, L.; Bu, Q.; Yu, G. Emerging Organic Contaminants in Chinese Surface Water: Identification of Priority Pollutants. Engineering 2022, 11, 111–125. [Google Scholar] [CrossRef]
  10. Wang, S.; Ding, G.; Liu, Y.; Dou, Z.; Chen, H.; Ya, M.; Lin, X.; Li, Q.; Li, Y.; Wang, X. Legacy and emerging persistent organic pollutants in the marginal seas of China: Occurrence and phase partitioning. Sci. Total Environ. 2022, 827, 154274. [Google Scholar] [CrossRef]
  11. Sun, S.; Chen, Y.; Lin, Y.; An, D. Occurrence, spatial distribution, and seasonal variation of emerging trace organic pollutants in source water for Shanghai, China. Sci. Total Environ. 2018, 639, 1–7. [Google Scholar] [CrossRef]
  12. Sun, R.-X.; Luo, X.-J.; Tan, X.-X.; Tang, B.; Li, Z.-R.; Mai, B.-X. Legacy and emerging halogenated organic pollutants in marine organisms from the Pearl River Estuary, South China. Chemosphere 2015, 139, 565–571. [Google Scholar] [CrossRef]
  13. Crini, G.; Lichtfouse, E. Advantages and disadvantages of techniques used for wastewater treatment. Environ. Chem. Lett. 2019, 17, 145–155. [Google Scholar] [CrossRef]
  14. Priyadarshini, M.; Das, I.; Ghangrekar, M.M.; Blaney, L. Advanced oxidation processes: Performance, advantages, and scale-up of emerging technologies. J. Environ. Manag. 2022, 316, 115295. [Google Scholar] [CrossRef] [PubMed]
  15. Rizzo, L.; Malato, S.; Antakyali, D.; Beretsou, V.G.; Đolić, M.B.; Gernjak, W.; Heath, E.; Ivancev-Tumbas, I.; Karaolia, P.; Lado Ribeiro, A.R.; et al. Consolidated vs new advanced treatment methods for the removal of contaminants of emerging concern from urban wastewater. Sci. Total Environ. 2019, 655, 986–1008. [Google Scholar] [CrossRef] [PubMed]
  16. Brillas, E.; Martinez-Huitle, C.A. Decontamination of wastewaters containing synthetic organic dyes by electrochemical methods. An updated review. Appl. Catal B-Environ. 2015, 166, 603–643. [Google Scholar] [CrossRef]
  17. Martínez-Huitle, C.A.; Brillas, E. Decontamination of wastewaters containing synthetic organic dyes by electrochemical methods: A general review. Appl. Catal. B Environ. 2009, 87, 105–145. [Google Scholar] [CrossRef]
  18. Brillas, E. A critical review on ibuprofen removal from synthetic waters, natural waters, and real wastewaters by advanced oxidation processes. Chemosphere 2022, 286, 131849. [Google Scholar] [CrossRef]
  19. Brillas, E. Solar photoelectro-Fenton: A very effective and cost-efficient electrochemical advanced oxidation process for the removal of organic pollutants from synthetic and real wastewaters. Chemosphere 2023, 327, 138532. [Google Scholar] [CrossRef]
  20. Karim, A.V.; Nidheesh, P.V.; Oturan, M.A. Boron-doped diamond electrodes for the mineralization of organic pollutants in the real wastewater. Curr. Opin. Electrochem. 2021, 30, 100855. [Google Scholar] [CrossRef]
  21. Antonopoulou, M.; Kosma, C.; Albanis, T.; Konstantinou, I. An overview of homogeneous and heterogeneous photocatalysis applications for the removal of pharmaceutical compounds from real or synthetic hospital wastewaters under lab or pilot scale. Sci. Total Environ. 2021, 765, 144163. [Google Scholar] [CrossRef]
  22. Kulišťáková, A. Removal of pharmaceutical micropollutants from real wastewater matrices by means of photochemical advanced oxidation processes—A review. J. Water Process Eng. 2023, 53, 103727. [Google Scholar] [CrossRef]
  23. Brillas, E. Progress of homogeneous and heterogeneous electro-Fenton treatments of antibiotics in synthetic and real wastewaters. A critical review on the period 2017–2021. Sci. Total Environ. 2022, 819, 153102. [Google Scholar] [CrossRef]
  24. Divyapriya, G.; Singh, S.; Martínez-Huitle, C.A.; Scaria, J.; Karim, A.V.; Nidheesh, P.V. Treatment of real wastewater by photoelectrochemical methods: An overview. Chemosphere 2021, 276, 130188. [Google Scholar] [CrossRef] [PubMed]
  25. Rueda-Marquez, J.J.; Levchuk, I.; Fernández Ibañez, P.; Sillanpää, M. A critical review on application of photocatalysis for toxicity reduction of real wastewaters. J. Clean. Prod. 2020, 258, 120694. [Google Scholar] [CrossRef]
  26. Garcia-Segura, S.; Ocon, J.D.; Chong, M.N. Electrochemical oxidation remediation of real wastewater effluents—A review. Process Saf. Environ. Prot. 2018, 113, 48–67. [Google Scholar] [CrossRef]
  27. Moreira, F.C.; Boaventura, R.A.R.; Brillas, E.; Vilar, V.J.P. Electrochemical advanced oxidation processes: A review on their application to synthetic and real wastewaters. Appl. Catal. B Environ. 2017, 202, 217–261. [Google Scholar] [CrossRef]
  28. Clematis, D.; Panizza, M. Application of boron-doped diamond electrodes for electrochemical oxidation of real wastewaters. Curr. Opin. Electrochem. 2021, 30, 100844. [Google Scholar] [CrossRef]
  29. Agarkoti, C.; Thanekar, P.D.; Gogate, P.R. Cavitation based treatment of industrial wastewater: A critical review focusing on mechanisms, design aspects, operating conditions and application to real effluents. J. Environ. Manag. 2021, 300, 113786. [Google Scholar] [CrossRef]
  30. Lin, Y.; Cao, Y.; Yao, Q.; Chai, O.J.H.; Xie, J. Engineering Noble Metal Nanomaterials for Pollutant Decomposition. Ind. Eng. Chem. Res. 2020, 59, 20561–20581. [Google Scholar] [CrossRef]
  31. Duan, X.; Sun, H.; Wang, S. Metal-Free Carbocatalysis in Advanced Oxidation Reactions. Acc. Chem. Res. 2018, 51, 678–687. [Google Scholar] [CrossRef]
  32. Zhu, Y.; Xie, Q.; Deng, F.; Ni, Z.; Lin, Q.; Cheng, L.; Chen, X.; Qiu, R.; Zhu, R. The differences in heterogeneous Fenton catalytic performance and mechanism of various iron minerals and their influencing factors: A review. Sep. Purif. Technol. 2023, 325, 124702. [Google Scholar] [CrossRef]
  33. Chen, W.; He, H.; Liang, J.; Wei, X.; Li, X.; Wang, J.; Li, L. A comprehensive review on metal based active sites and their interaction with O3 during heterogeneous catalytic ozonation process: Types, regulation and authentication. J. Hazard. Mater. 2023, 443, 130302. [Google Scholar] [CrossRef]
  34. Estudillo-Wong, L.A.; Santillán-Díaz, G.; Arce-Estrada, E.M.M.; Alonso-vante, N.; Manzo-robledo, A. Electroreduction of NOzx species in alkaline medium on Pt nanoparticles. Electrochim. Acta 2013, 88, 358. [Google Scholar] [CrossRef]
  35. Comninellis, C. Electrocatalysis in the electrochemical conversion/combustion of organic pollutants for waste water treatment. Electrochim. Acta 1994, 39, 1857–1862. [Google Scholar] [CrossRef]
  36. Polcaro, A.M.; Palmas, S.; Renoldi, F.; Mascia, M. On the performance of Ti/SnO2 and Ti/PbO2 anodes in electrochemical degradation of 2-chlorophenol for wastewater treatment. J. Appl. Electrochem. 1999, 29, 147–151. [Google Scholar] [CrossRef]
  37. Vazquez-Gomez, L.; de Battisti, A.; Ferro, S.; Cerro, M.; Reyna, S.; Martínez-Huitle, C.A.; Quiroz, M.A. Anodic Oxidation as Green Alternative for Removing Diethyl Phthalate from Wastewater Using Pb/PbO2 and Ti/SnO2 Anodes. CLEAN—Soil Air Water 2012, 40, 408–415. [Google Scholar] [CrossRef]
  38. Panizza, M.; Cerisola, G. Electrochemical Degradation of Methyl Red Using BDD and PbO2 Anodes. Ind. Eng. Chem. Res. 2008, 47, 6816–6820. [Google Scholar] [CrossRef]
  39. Ganiyu, S.O.; Martínez-Huitle, C.A.; Oturan, M.A. Electrochemical advanced oxidation processes for wastewater treatment: Advances in formation and detection of reactive species and mechanisms. Curr. Opin. Electrochem. 2021, 27, 100678. [Google Scholar] [CrossRef]
  40. Gligorovski, S.; Strekowski, R.; Barbati, S.; Vione, D. Environmental Implications of Hydroxyl Radicals (•OH). Chem. Rev. 2015, 115, 13051–13092. [Google Scholar] [CrossRef]
  41. Xie, J.; Zhang, C.; Waite, T.D. Hydroxyl radicals in anodic oxidation systems: Generation, identification and quantification. Water Res. 2022, 217, 118425. [Google Scholar] [CrossRef]
  42. Manning, M.R.; Lowe, D.C.; Moss, R.C.; Bodeker, G.E.; Allan, W. Short-term variations in the oxidizing power of the atmosphere. Nature 2005, 436, 1001–1004. [Google Scholar] [CrossRef]
  43. Brame, J.; Long, M.; Li, Q.; Alvarez, P. Trading oxidation power for efficiency: Differential inhibition of photo-generated hydroxyl radicals versus singlet oxygen. Water Res. 2014, 60, 259–266. [Google Scholar] [CrossRef]
  44. Sun, B.; Sato, M.; Sid Clements, J. Optical study of active species produced by a pulsed streamer corona discharge in water. J. Electrost. 1997, 39, 189–202. [Google Scholar] [CrossRef]
  45. Jonsson, S. The Influence of Soil and Contaminant Properties on the Efficiency of Physical and Chemical Soil Remediation Methods. Doctoral Thesis, Umeå University, Umeå, Sweden, 2009. [Google Scholar]
  46. Afshar, S.; Samari Jahromi, H.; Jafari, N.; Ahmadi, Z.; Hakamizadeh, M. Degradation of malachite green oxalate by UV and visible lights irradiation using Pt/TiO2/SiO2 nanophotocatalyst. Sci. Iran. 2011, 18, 772–779. [Google Scholar] [CrossRef]
  47. Xia, P.; Zhang, H.; Ye, Z. Recent advances in the application of natural iron and clay minerals in heterogeneous electro-Fenton process. Curr. Opin. Electrochem. 2024, 46, 101495. [Google Scholar] [CrossRef]
  48. Wang, J.; Tang, J. Fe-based Fenton-like catalysts for water treatment: Preparation, characterization and modification. Chemosphere 2021, 276, 130177. [Google Scholar] [CrossRef]
  49. Hussain, S.; Aneggi, E.; Goi, D. Catalytic activity of metals in heterogeneous Fenton-like oxidation of wastewater contaminants: A review. Environ. Chem. Lett. 2021, 19, 2405–2424. [Google Scholar] [CrossRef]
  50. Liu, Y.; Kong, C.; Liu, L.; Jiang, X.; Liu, C.; Liu, F.; Sun, J.; Wang, Y. Progress in copper-based supported heterogeneous electro-Fenton catalysts. Chem. Eng. J. 2024, 486, 150217. [Google Scholar] [CrossRef]
  51. Jin, X.; Wu, C.; Fu, L.; Tian, X.; Wang, P.; Zhou, Y.; Zuo, J. Development, dilemma and potential strategies for the application of nanocatalysts in wastewater catalytic ozonation: A review. J. Environ. Sci. 2023, 124, 330–349. [Google Scholar] [CrossRef]
  52. Chen, L.; Wei, L.; Ru, Y.; Weng, M.; Wang, L.; Dai, Q. A mini-review of the electro-peroxone technology for wastewaters: Characteristics, mechanism and prospect. Chin. Chem. Lett. 2023, 34, 108162. [Google Scholar] [CrossRef]
  53. Rodríguez-Peña, M.; Natividad, R.; Barrera-Díaz, C.E.; Balderas Hernández, P.; Alanis Ramírez, C.I.; Roa-Morales, G. Current perspective of advanced electrochemical oxidation processes in wastewater treatment and life cycle analysis. Int. J. Electrochem. Sci. 2024, 19, 100589. [Google Scholar] [CrossRef]
  54. Yang, L.; Jiao, Y.; Xu, X.; Pan, Y.; Su, C.; Duan, X.; Sun, H.; Liu, S.; Wang, S.; Shao, Z. Superstructures with Atomic-Level Arranged Perovskite and Oxide Layers for Advanced Oxidation with an Enhanced Non-Free Radical Pathway. ACS Sustain. Chem. Eng. 2022, 10, 1899–1909. [Google Scholar] [CrossRef]
  55. Hu, J. Oxygen evolution reaction on IrO2-based DSA® type electrodes: Kinetics analysis of Tafel lines and EIS. Int. J. Hydrogen Energy 2004, 29, 791–797. [Google Scholar] [CrossRef]
  56. Shi, Z.; Wang, X.; Ge, J.; Liu, C.; Xing, W. Fundamental understanding of the acidic oxygen evolution reaction: Mechanism study and state-of-the-art catalysts. Nanoscale 2020, 12, 13249–13275. [Google Scholar] [CrossRef] [PubMed]
  57. Jaimes, R.; Vazquez-Arenas, J.; González, I.; Galván, M. Theoretical evidence of the relationship established between the HO radicals and H2O adsorptions and the electroactivity of typical catalysts used to oxidize organic compounds. Electrochim. Acta 2017, 229, 345–351. [Google Scholar] [CrossRef]
  58. Chaplin, B.P.; Schrader, G.; Farrell, J. Electrochemical oxidation of N-nitrosodimethylamine with boron-doped diamond film electrodes. Environ. Sci. Technol. 2009, 43, 8302–8307. [Google Scholar] [CrossRef]
  59. Moradi, M.; Vasseghian, Y.; Khataee, A.; Kobya, M.; Arabzade, H.; Dragoi, E.-N. Service life and stability of electrodes applied in electrochemical advanced oxidation processes: A comprehensive review. J. Ind. Eng. Chem. 2020, 87, 18–39. [Google Scholar] [CrossRef]
  60. García-Osorio, D.A.; Vazquez-Arenas, J.; Jaimes, R. Revisiting Tractable Strategies to Determine the Activity/Inactivity of Electrocatalysts towards O2/•OH Production. J. Electrochem. Soc. 2018, 165, J3101–J3108. [Google Scholar] [CrossRef]
  61. Macpherson, J.V. A practical guide to using boron doped diamond in electrochemical research. Phys. Chem. Chem. Phys. 2015, 17, 2935–2949. [Google Scholar] [CrossRef]
  62. Costa, C.R.; Montilla, F.; Morallon, E.; Olivi, P. Electrochemical oxidation of synthetic tannery wastewater in chloride-free aqueous media. J. Hazard. Mater. 2010, 180, 429–435. [Google Scholar] [CrossRef]
  63. Li, X.Y.; Cui, Y.H.; Feng, Y.J.; Xie, Z.M.; Gu, J.D. Reaction pathways and mechanisms of the electrochemical degradation of phenol on different electrodes. Water Res. 2005, 39, 1972–1981. [Google Scholar] [CrossRef]
  64. Zhang, X.; Yu, W.; Guo, Y.; Li, S.; Chen, Y.; Wang, H.; Bian, Z. Recent advances in photoelectrocatalytic advanced oxidation processes: From mechanism understanding to catalyst design and actual applications. Chem. Eng. J. 2023, 455, 140801. [Google Scholar] [CrossRef]
  65. Zhang, L.; Shi, Q.; Guo, Y.; Xu, D.; Wang, H.; Wang, L.; Bian, Z. Interface optimization by impedance spectroscopy and photoelectrocatalytic degradation of clofibric acid. Electrochim. Acta 2019, 300, 242–252. [Google Scholar] [CrossRef]
  66. Mousset, E.; Dionysiou, D.D. Photoelectrochemical reactors for treatment of water and wastewater: A review. Environ. Chem. Lett. 2020, 18, 1301–1318. [Google Scholar] [CrossRef]
  67. Dang, Q.; Wang, L.; Liu, J.; Wang, D.; Chai, J.; Wu, M.; Tang, L. Recent progress of photoelectrocatalysis systems for wastewater treatment. J. Water Process Eng. 2023, 53, 103609. [Google Scholar] [CrossRef]
  68. Truong, H.B.; Bae, S.; Cho, J.; Hur, J. Advances in application of g–C3N4–based materials for treatment of polluted water and wastewater via activation of oxidants and photoelectrocatalysis: A comprehensive review. Chemosphere 2022, 286, 131737. [Google Scholar] [CrossRef]
  69. Alulema-Pullupaxi, P.; Espinoza-Montero, P.J.; Sigcha-Pallo, C.; Vargas, R.; Fernández, L.; Peralta-Hernández, J.M.; Paz, J.L. Fundamentals and applications of photoelectrocatalysis as an efficient process to remove pollutants from water: A review. Chemosphere 2021, 281, 130821. [Google Scholar] [CrossRef]
  70. Wang, Y.; Wu, J.; Yan, Y.; Li, L.; Lu, P.; Guan, J.; Lu, N.; Yuan, X. Black phosphorus-based semiconductor multi-heterojunction TiO2-BiVO4-BP/RP film with an in situ junction and Z-scheme system for enhanced photoelectrocatalytic activity. Chem. Eng. J. 2021, 403, 126313. [Google Scholar] [CrossRef]
  71. Li, J.; Tian, M.; Zhang, W.; Qian, J.; Zhao, S.; Dang, W.; Jiang, H.-Y.; Li, C. Structure and photocatalytic performance comparison of two distinctive copper phenylacetylides. Appl. Organomet. Chem. 2021, 35, e6352. [Google Scholar] [CrossRef]
  72. Koppenol, W.H.; Liebman, J.F. The oxidizing nature of the hydroxyl radical. A comparison with the ferryl ion (FeO2+). J. Phys. Chem. 1984, 88, 99–101. [Google Scholar] [CrossRef]
  73. Lim, T.; Jung, G.Y.; Kim, J.H.; Park, S.O.; Park, J.; Kim, Y.-T.; Kang, S.J.; Jeong, H.Y.; Kwak, S.K.; Joo, S.H. Atomically dispersed Pt–N4 sites as efficient and selective electrocatalysts for the chlorine evolution reaction. Nat. Commun. 2020, 11, 412. [Google Scholar] [CrossRef]
  74. Jaimes, R.; Vazquez-Arenas, J. Can HOCl be superficially stabilized on an electrocatalyst as proposed in the active chlorine mechanism involving •OH radicals?: Beyond the Cl2 evolution. J. Electroanal. Chem. 2024, 952, 117948. [Google Scholar] [CrossRef]
  75. Sirés, I.; Brillas, E.; Oturan, M.A.; Rodrigo, M.A.; Panizza, M. Electrochemical advanced oxidation processes: Today and tomorrow. A review. Environ. Sci. Pollut. Res. 2014, 21, 8336–8367. [Google Scholar] [CrossRef]
  76. Otter, P.; Mette, K.; Wesch, R.; Gerhardt, T.; Krüger, F.-M.; Goldmaier, A.; Benz, F.; Malakar, P.; Grischek, T. Oxidation of Selected Trace Organic Compounds through the Combination of Inline Electro-Chlorination with UV Radiation (UV/ECl2) as Alternative AOP for Decentralized Drinking Water Treatment. Water 2020, 12, 3275. [Google Scholar] [CrossRef]
  77. Li, Q.; Liu, G.-h.; Qi, L.; Wang, H.; Xian, G. Chlorine-mediated electrochemical advanced oxidation process for ammonia removal: Mechanisms, characteristics and expectation. Sci. Total Environ. 2023, 896, 165169. [Google Scholar] [CrossRef]
  78. Anglada, A.; Ibañez, R.; Urtiaga, A.; Ortiz, I. Electrochemical oxidation of saline industrial wastewaters using boron-doped diamond anodes. Catal. Today 2010, 151, 178–184. [Google Scholar] [CrossRef]
  79. Miklos, D.B.; Remy, C.; Jekel, M.; Linden, K.G.; Drewes, J.E.; Hübner, U. Evaluation of advanced oxidation processes for water and wastewater treatment—A critical review. Water Res. 2018, 139, 118–131. [Google Scholar] [CrossRef]
  80. Trasatti, S. Progress in the understanding of the mechanism of chlorine evolution at oxide electrodes. Electrochim. Acta 1987, 32, 369–382. [Google Scholar] [CrossRef]
  81. Wang, Y.; Liu, Y.; Wiley, D.; Zhao, S.; Tang, Z. Recent advances in electrocatalytic chloride oxidation for chlorine gas production. J. Mater. Chem. A 2021, 9, 18974–18993. [Google Scholar] [CrossRef]
  82. Hansen, H.A.; Man, I.C.; Studt, F.; Abild-Pedersen, F.; Bligaard, T.; Rossmeisl, J. Electrochemical chlorine evolution at rutile oxide (110) surfaces. Phys Chem Chem Phys 2010, 12, 283–290. [Google Scholar] [CrossRef]
  83. Exner, K.S.; Anton, J.; Jacob, T.; Over, H. Microscopic Insights into the Chlorine Evolution Reaction on RuO2(110): A Mechanistic Ab Initio Atomistic Thermodynamics Study. Electrocatalysis 2014, 6, 163–172. [Google Scholar] [CrossRef]
  84. Exner, K.S.; Anton, J.; Jacob, T.; Over, H. Chlorine Evolution Reaction on RuO2(110): Ab initio Atomistic Thermodynamics Study—Pourbaix Diagrams. Electrochim. Acta 2014, 120, 460–466. [Google Scholar] [CrossRef]
  85. Exner, K.S.; Anton, J.; Jacob, T.; Over, H. Full Kinetics from First Principles of the Chlorine Evolution Reaction over a RuO2(110) Model Electrode. Angew. Chem. Int. Ed. 2016, 55, 7501–7504. [Google Scholar] [CrossRef]
  86. Saha, S.; Gayen, P.; Ramani, V.K. Facet-dependent Chlorine and Oxygen Evolution Selectivity on RuO2: An Ab initio Atomistic Thermodynamic Study. ChemCatChem 2020, 12, 4922–4929. [Google Scholar] [CrossRef]
  87. Zhang, P.; Jin, Y.; Li, M.; Wang, X.; Zhang, Y.-n. Dual heterojunction-based Au@TiO2 photoelectrode exhibiting efficient charge separation for enhanced removal of organic dye under visible light. RSC Sustain. 2023, 1, 622–630. [Google Scholar] [CrossRef]
  88. Castillo-Cabrera, G.X.; Espinoza-Montero, P.J. Novel trends in mixed oxide electrodes for photoelectrocatalytic wastewater treatment. Curr. Opin. Electrochem. 2024, 44, 101448. [Google Scholar] [CrossRef]
  89. Narewadikar, N.A.; Pedanekar, R.S.; Parale, V.G.; Park, H.H.; Rajpure, K.Y. Spray deposited yttrium incorporated TiO2 photoelectrode for efficient photoelectrocatalytic degradation of organic pollutants. J. Rare Earths 2023, 41, 1929–1937. [Google Scholar] [CrossRef]
  90. Suryavanshi, R.D.; Babar, P.V.; Narewadikar, N.A.; Rajpure, K.Y. Sunlight assisted novel spray deposited Bi2WO6 photoelectrode for degradation of organic pollutants. J. Phys. Chem. Solids 2022, 168, 110786. [Google Scholar] [CrossRef]
  91. Pedanekar, R.S.; Madake, S.B.; Narewadikar, N.A.; Mohite, S.V.; Patil, A.R.; Kumbhar, S.M.; Rajpure, K.Y. Photoelectrocatalytic degradation of Rhodamine B by spray deposited Bi2WO6 photoelectrode under solar radiation. Mater. Res. Bull. 2022, 147, 111639. [Google Scholar] [CrossRef]
  92. Dai, Z.; Lian, J.; Sun, Y.; Li, L.; Zhang, H.; Hu, N.; Ding, D. Fabrication of g-C3N4/Sn3O4/Ni electrode for highly efficient photoelectrocatalytic reduction of U(VI). Chem. Eng. J. 2022, 433, 133766. [Google Scholar] [CrossRef]
  93. Zuo, J.L.; Yang, S.; Li, Y.; Tan, C.; Xia, Z.; Yuan, S.; Yu, S.; Li, J. Preparation and Photoelectrocatalytic Performance Study of Au-RGO/TiO2 NTs Photoelectrode. Macromol. Res. 2022, 30, 783–790. [Google Scholar] [CrossRef]
  94. Xie, Y.-L.; Guo, L.-F.; Ben, C.-J. Fabrication of BiOI Nanoflowers Decorated TiO2 Nanotube Arrays on Porous Titanium with Enhanced Photocatalytic Performance for Rhodamine B Degradation. Int. J. Electrochem. Sci. 2022, 17, 22022. [Google Scholar] [CrossRef]
  95. Kiziltas, H. Fabrication and characterization of photoelectrode B–Co/TiO2 nanotubes for effective photoelectrochemical degradation of rhodamine B. Opt. Mater. 2022, 123, 111926. [Google Scholar] [CrossRef]
  96. Ait hssi, A.; Amaterz, E.; labchir, N.; Soussi, A.; Elfanaoui, A.; Benlhachemi, A.; Ihlal, A.; Bouabid, K. Electrodeposition of nanostructured cuprous oxide on various substrates and their electrochemical and photoelectrochemical properties. J. Mater. Sci. Mater. Electron. 2022, 33, 15791–15801. [Google Scholar] [CrossRef]
  97. Wang, K.; Wang, Q.; Zhao, Y.; Zhang, Z.; Liao, S.; Deng, Y.; Wang, X.; Ye, Q. Hydrothermal synthesis of Z-scheme Bi2WO6/Bi2MoO6 heterojunctions for the enhanced photoelectrocatalytic performance of TiO2 NTs: Structure, activity and mechanism approach. Fuel 2023, 339, 126973. [Google Scholar] [CrossRef]
  98. Chen, R.; Chang, C.; Hou, Y.; Li, J. Fabrication of mesoporous titania films and kinetics of photoelectrocatalytic degradation of organic dye. Desalination Water Treat. 2024, 319, 100421. [Google Scholar] [CrossRef]
  99. da Silva, T.F.; Cavalcante, R.P.; Guelfi, D.R.V.; de Oliveira, S.C.; Casagrande, G.A.; Caires, A.R.L.; de Oliveira, F.F.; Gubiani, J.R.; Cardoso, J.C.; Machulek, A. Photo-anodes based on B-doped TiO2 for photoelectrocatalytic degradation of propyphenazone: Identification of intermediates, and acute toxicity evaluation. J. Environ. Chem. Eng. 2022, 10, 107212. [Google Scholar] [CrossRef]
  100. Muzakkar, M.Z.; Maulidiyah; Azis, T.; Nurdin, M.; Natsir, M.; Dali, N.; Ratna. Performance of selenium doped TiO2/Ti composite electrodes (Se-TiO2/Ti): Photoelectrocatalyst of reactive green 19 under UV-Visible irradiation. AIP Conf. Proc. 2022, 2638, 020004. [Google Scholar] [CrossRef]
  101. Chen, C.; Zhao, J.; Guo, D.; Duan, K.; Wang, Y.; Lun, X.; Zhang, C. Microwave-assisted synthesis of defective Ca1−xAgxTi1−yCoyO3 with high photoelectrocatalytic activity for organic pollutant removal from water. Dalton Trans. 2022, 51, 2219–2225. [Google Scholar] [CrossRef]
  102. Yeganeh, M.; Sobhi, H.R.; Behbahani, M.; Ghambarian, M.; Esrafili, A. Photoelectrocatalytic degradation of sulphonamide antibiotics in aquatic media using a novel Co-doped ZnO nanocomposite: Evaluation of performance, kinetic studies. Int. J. Environ. Anal. Chem. 2022, 104, 2304–2315. [Google Scholar] [CrossRef]
  103. Chen, Z.; Duan, Y.; Li, Z.; Zhang, Y.; Lin, L.; Cao, T.; Yao, K. MoS2 grown on hollow carbon nanospheres as photoanode for improved photoelectrocatalytic degradation of Bisphenol A. J. Clean. Prod. 2023, 404, 136929. [Google Scholar] [CrossRef]
  104. Yu, M.; Tang, Y.; Liao, Y.; He, W.; Lu, X.-X.; Li, X. Defect-designed Mo-doped BiVO4 photoanode for efficient photoelectrochemical degradation of phenol. J. Mater. Sci. Technol. 2023, 165, 225–234. [Google Scholar] [CrossRef]
  105. Ahdour, A.; Taoufyq, A.; Aneflous, L.; Bakiz, B.; Benlhachemi, A. Electrochemical and photoelectrochemical degradation of Rhodamine B using a novel BHP@ZnO photoelectrode: Synthesis, characterization, and statistical study. Colloids Surf. A Physicochem. Eng. Asp. 2023, 678, 132427. [Google Scholar] [CrossRef]
  106. Kaur, P.; Khan, M.A.; Li, Y.; Al-Othman, A.A.S.; Alothman, Z.A.; Sillanpää, M.; Kuokkanen, V.; Imteaz, M.A.; Al-Farraj, S. Investigating the effectiveness of bifacial mixed metal MOF electrodes for the photoelectro-catalytic treatment of municipal wastewater. J. Clean. Prod. 2023, 392, 136165. [Google Scholar] [CrossRef]
  107. Zhao, D.; Jiang, L.; Yang, R.; Zhang, Y.; Zhou, Q. Photoelectrocatalytic activity of highly ordered TiO2 nanotube arrays modified with polyaniline for tetrabromobisphenol A degradation in water. Chemosphere 2022, 302, 134928. [Google Scholar] [CrossRef]
  108. Rodríguez, S.O.; Coy-Aceves, L.E.; Morales, J.E.D.; Sanchez-Salas, J.L.; Martínez-Huitle, C.A.; Ramirez-Rodrigues, M.M.; Cerro-Lopez, M. Ketorolac removal through photoelectrocatalysis using TiO2 nanotubes in water system. Environ. Sci. Pollut. Res. 2023, 30, 118536–118544. [Google Scholar] [CrossRef]
  109. Xing, Z.; Wang, Z.; Chen, W.; Zhang, M.; Fu, X.; Gao, Y. Degradation of levofloxacin in wastewater by photoelectric and ultrasonic synergy with TiO2/g-C3N4@AC combined electrode. J. Environ. Manag. 2023, 330, 117168. [Google Scholar] [CrossRef]
  110. Tolosana-Moranchel, A.; McMichael, S.; Hamilton, J.W.J.; Byrne, J.A.; Fernández-Ibañez, P. Electrochemically assisted photocatalytic degradation of contaminants of emerging concern in simulated wastewater using WO3—Elucidation of mechanisms. Chem. Eng. J. 2023, 458, 141442. [Google Scholar] [CrossRef]
  111. Martins, A.S.; Guaraldo, T.T.; Wenk, J.; Mattia, D.; Boldrin Zanoni, M.V. Nanoporous WO3 grown on a 3D tungsten mesh by electrochemical anodization for enhanced photoelectrocatalytic degradation of tetracycline in a continuous flow reactor. J. Electroanal. Chem. 2022, 920, 116617. [Google Scholar] [CrossRef]
  112. de Almeida, J.; Kaminagakura, V.M.; Felez, M.R.; de Léon, C.P.; Bertazzoli, R.; de Arruda Rodrigues, C. Effect of W concentration in the organized Ti-W alloy oxide nanotubes array on the photoelectrocatalytic properties and its application in the removal of endocrine disruptors using real water matrix. J. Environ. Chem. Eng. 2022, 10, 107830. [Google Scholar] [CrossRef]
  113. Mazierski, P.; Białk-Bielińska, A.; Siedlecka, E.; Zaleska-Medynska, A.; Pieczyńska, A. Role of operating parameters in photoelectrocatalytic degradation of anticancer drugs: Ifosfamide, 5-fluorouracil and imatinib using CdS/TiO2. J. Water Process Eng. 2023, 51, 103460. [Google Scholar] [CrossRef]
  114. Lei, X.; Lei, C.; Chen, W.; Guo, Q.; Huang, B. Photoelectrochemically driven nanoparticulate semiconductors as nanobipolar electrodes for advanced water remediation. Cell Rep. Phys. Sci. 2022, 3, 101132. [Google Scholar] [CrossRef]
  115. Liu, S.; Yang, B.; Zuo, A.; Tang, Y. Characterization of a Ti/SnO2-Sb/Fe-PVP-PbO2 Electrode Deposited from Methanesulfonate Bath and Application in Electrocatalytic Degradation of MO. J. Electrochem. Soc. 2023, 170, 092505. [Google Scholar] [CrossRef]
  116. Cifre-Herrando, M.; Roselló-Márquez, G.; Navarro-Gázquez, P.J.; Muñoz-Portero, M.J.; Blasco-Tamarit, E.; García-Antón, J. Characterization and Comparison of WO3/WO3-MoO3 and TiO2/TiO2-ZnO Nanostructures for Photoelectrocatalytic Degradation of the Pesticide Imazalil. Nanomaterials 2023, 13, 2584. [Google Scholar] [CrossRef]
  117. Buoio, E.; Cialini, C.; Cafiso, A.; Aidos, L.; Mazzola, S.M.; Rossi, R.; Livolsi, S.; Di Giancamillo, A.; Moretti, V.M.; Selli, E.; et al. From Photocatalysis to Photo-Electrocatalysis: An Innovative Water Remediation System for Sustainable Fish Farming. Sustainability 2022, 14, 9067. [Google Scholar] [CrossRef]
  118. Jaafar, N.F.; Nordin, N.; Mohamed Haris, N.Y.; Mohd Halim, N.H.; Lahuri, A.H.; Samad, W.Z. Potential of low-cost TiO2-PVC composite in photoelectrocatalytic degradation of reactive orange 16 under visible light. Environ. Sci. Pollut. Res. 2023, 30, 47144–47157. [Google Scholar] [CrossRef] [PubMed]
  119. Philippidis, N.; Pavlidou, E.; Sotiropoulos, S.; Kokkinos, P.; Mantzavinos, D.; Poulios, I. Photoelectrocatalytic Oxidation of Sulfamethazine on TiO2 Electrodes. Catalysts 2023, 13, 1189. [Google Scholar] [CrossRef]
  120. Thind, S.S.; Wentzel, J.S.; Hatami, E.; Goodwin, C.D.; Chen, A. Integration of Electrochemical Oxidation and Photocatalytic Degradation with Robust Synergistic Effect for Efficient Wastewater Treatment. ACS Sustain. Resour. Manag. 2024, 1, 634–643. [Google Scholar] [CrossRef]
  121. Tian, H.; Luo, J.; Mu, J.; Liu, B. Insight into the mechanisms of efficient selective removal of Pb2+ from wastewater by nano-flowered MoS2/NHCS electrodes. J. Environ. Chem. Eng. 2024, 12, 113039. [Google Scholar] [CrossRef]
  122. Bessegato, G.G.; Cardoso, J.C.; Zanoni, M.V.B. Enhanced photoelectrocatalytic degradation of an acid dye with boron-doped TiO2 nanotube anodes. Catal. Today 2015, 240, 100–106. [Google Scholar] [CrossRef]
  123. Muzakkar, M.Z.; Umar, A.A.; Ilham, I.; Saputra, Z.; Zulfikar, L.; Maulidiyah, M.; Wibowo, D.; Ruslan, R.; Nurdin, M. Chalcogenide material as high photoelectrochemical performance Se doped TiO2/Ti electrode: Its application for Rhodamine B degradation. J. Phys. Conf. Ser. 2019, 1242, 012016. [Google Scholar] [CrossRef]
  124. Nurdin, M.; Watoni, A.H.; Natsir, M.; Rahmatilah, S.; Maulidiyah, M.; Wibowo, D.; Salim, L.O.A.; Sadikin, S.N.; Bijang, C.M.; Umar, A.A. Photoelectrocatalysis performance of Se doped-TiO2/Ti nanotube arrays for visible-light-driven degradation of diazinon pesticide. Korean J. Chem. Eng. 2023, 40, 2209–2218. [Google Scholar] [CrossRef]
  125. Yence, M.; Cetinkaya, A.; Ozcelikay, G.; Kaya, S.I.; Ozkan, S.A. Boron-Doped Diamond Electrodes: Recent Developments and Advances in View of Electrochemical Drug Sensors. Crit. Rev. Anal. Chem. 2022, 52, 1122–1138. [Google Scholar] [CrossRef]
  126. Anglada, A.; Urtiaga, A.; Ortiz, I. Pilot scale performance of the electro-oxidation of landfill leachate at boron-doped diamond anodes. Environ. Sci. Technol. 2009, 43, 2035–2040. [Google Scholar] [CrossRef]
  127. Lin, H.; Peng, H.; Feng, X.; Li, X.; Zhao, J.; Yang, K.; Liao, J.; Cheng, D.; Liu, X.; Lv, S.; et al. Energy-efficient for advanced oxidation of bio-treated landfill leachate effluent by reactive electrochemical membranes (REMs): Laboratory and pilot scale studies. Water Res. 2021, 190, 116790. [Google Scholar] [CrossRef] [PubMed]
  128. Mardani, S.; Baghdadi, M.; Torabian, A.; Goharrizi, B.A. Optimization of ammonia and COD removal from municipal wastewater effluent by electrochemical continuous flow reactor equipped with Ti/RuO2 and Cu foam. J. Water Process Eng. 2023, 55, 104185. [Google Scholar] [CrossRef]
  129. Fang, C.; Xie, S.; Xiao, T.; Liu, Z.; Hong, H.; Gong, S.; Liu, X. Pretreatment of hypersaline and high-organic wastewater with a three-dimensional electrocatalytic system: A pilot-scale study. Water Sci. Technol. 2024, 89, 562–575. [Google Scholar] [CrossRef]
  130. Martín, A.J.; Mitchell, S.; Mondelli, C.; Jaydev, S.; Pérez-Ramírez, J. Unifying views on catalyst deactivation. Nat. Catal. 2022, 5, 854–866. [Google Scholar] [CrossRef]
  131. Koyale, P.A.; Mulik, S.V.; Gunjakar, J.L.; Dongale, T.D.; Koli, V.B.; Mullani, N.B.; Sutar, S.S.; Kapdi, Y.G.; Soni, S.S.; Delekar, S.D. Synergistic Enhancement of Water-Splitting Performance Using MOF-Derived Ceria-Modified g-C3N4 Nanocomposites: Synthesis, Performance Evaluation, and Stability Prediction with Machine Learning. Langmuir 2024, 40, 13657–13668. [Google Scholar] [CrossRef]
  132. Zhang, L.; Hu, W.; He, M.; Li, S. Optimizing Photoelectrochemical Photovoltage and Stability of Molecular Interlayer-Modified Halide Perovskite in Water: Insights from Interpretable Machine Learning and Symbolic Regression. ACS Appl. Energy Mater. 2023, 6, 5177–5187. [Google Scholar] [CrossRef]
  133. Wang, J.; Sun, C.; Dong, S. Editorial: Special topic on computation-assisted materials screening and design. Sci. China Mater. 2024, 67, 1011–1013. [Google Scholar] [CrossRef]
  134. Yu, J.; González-Cobos, J.; Dappozze, F.; Vernoux, P.; Caravaca, A.; Guillard, C. Basic comprehension and recent trends in photoelectrocatalytic systems. Green Chem. 2024, 26, 1682–1708. [Google Scholar] [CrossRef]
  135. Ertl, G.; Knözinger, H.; Schüth, F.; Weitkamp, J. Handbook of Heterogeneous Catalysis; VCH: Weinheim, Germany, 2008. [Google Scholar]
  136. Xu, K.; Zhong, H.; Li, X.; Song, J.; Estudillo-Wong, L.A.; Yang, J.; Feng, Y.; Zhao, X.; Alonso-Vante, N. Heterostructures by Templated Synthesis of Layered Double Hydroxide to Modulate the Electronic Structure of Nickel Sites for a Highly Efficient Oxygen Evolution Reaction. Small Sci. 2024, 4, 2300294. [Google Scholar] [CrossRef]
  137. Deng, Y.; Xiao, S.; Zheng, Y.; Rong, X.; Bai, M.; Tang, Y.; Ma, T.; Cheng, C.; Zhao, C. Emerging electrocatalytic activities in transition metal selenides: Synthesis, electronic modulation, and structure-performance correlations. Chem. Eng. J. 2023, 451, 138514. [Google Scholar] [CrossRef]
  138. Xu, X.; Zhong, Y.; Wajrak, M.; Bhatelia, T.; Jiang, S.P.; Shao, Z. Grain boundary engineering: An emerging pathway toward efficient electrocatalysis. InfoMat 2024, 6, e12608. [Google Scholar] [CrossRef]
  139. Zhang, Q.; Guo, D.; Huang, Z.; Liu, Y.-y.; Hong, J.-m. 2D hydroxylated MXene (OH-MXene)/RGO composites modification toward superior electrocatalytic degradation of paracetamol. Diam. Relat. Mater. 2023, 137, 110152. [Google Scholar] [CrossRef]
  140. Abdel-Maksoud, Y.; Imam, E.; Ramadan, A. TiO2 Solar Photocatalytic Reactor Systems: Selection of Reactor Design for Scale-up and Commercialization—Analytical Review. Catalysts 2016, 6, 138. [Google Scholar] [CrossRef]
  141. Rootare, H.M.; Prenzlow, C.F. Surface areas from mercury porosimeter measurements. J. Phys. Chem. 2002, 71, 2733–2736. [Google Scholar] [CrossRef]
  142. Trasatti, S.; Petrii, O.A. Real surface area measurements in electrochemistry. J. Electroanal. Chem. 1992, 327, 353–376. [Google Scholar] [CrossRef]
  143. Leofanti, G.; Padovan, M.; Tozzola, G.; Venturelli, B. Surface area and pore texture of catalysts. Catal. Today 1998, 41, 207–219. [Google Scholar] [CrossRef]
  144. Herrera, L.; Do, D.D.; Nicholson, D. A Monte Carlo integration method to determine accessible volume, accessible surface area and its fractal dimension. J. Colloid Interface Sci. 2010, 348, 529–536. [Google Scholar] [CrossRef]
  145. Dubuc, B.; Zucker, S.W.; Tricot, C.; Quiniou, J.F.; Wehbi, D. Evaluating the fractal dimension of surfaces. Proc. R. Soc. Lond. A Math. Phys. Sci. 1997, 425, 113–127. [Google Scholar] [CrossRef]
  146. Sun, S.; Li, H.; Xu, Z.J. Impact of Surface Area in Evaluation of Catalyst Activity. Joule 2018, 2, 1024–1027. [Google Scholar] [CrossRef]
  147. Li, H.; Du, Y.; Shen, X.; Kuang, X.; Zhu, J.; Wang, H. Comparative Electrochemical Oxidation of Bisphenol A Using BDD, PbO2, and IrO2 Anodes: Identification of Active Free Radicals. Int. J. Electrochem. Sci. 2022, 17, 221121. [Google Scholar] [CrossRef]
  148. Ganiyu, S.O.; Arslan, M.; Gamal El-Din, M. Combined solar activated sulfate radical-based advanced oxidation processes (SR-AOPs) and biofiltration for the remediation of dissolved organics in oil sands produced water. Chem. Eng. J. 2022, 433, 134579. [Google Scholar] [CrossRef]
  149. Peng, J.; Wang, Q.; Li, Z.; Wang, X.; Liu, S.; Li, Y.; Xie, Y.; Li, Y. Pilot testing and engineering application of O3/H2O2 process for 2-methylisoborneol and geosmin removal in drinking water treatment. J. Water Process Eng. 2024, 60, 105140. [Google Scholar] [CrossRef]
  150. Berg, S.M.; Hozalski, R.M.; Kuo-Dahab, C.; Chen, C.; Elliott, T.J.; Goedjen, G.J.; He, H.; Noe, E.R.; Scharf, R.G.; Arnold, W.A. Contaminant Removal in a Pilot Drinking Water Treatment Plant by Pre-oxidation Followed by Biological Activated Carbon Filtration: Spiking versus Ambient Studies. ACS EST Water 2023, 3, 2966–2977. [Google Scholar] [CrossRef]
  151. Murgolo, S.; De Giglio, O.; De Ceglie, C.; Triggiano, F.; Apollonio, F.; Calia, C.; Pousis, C.; Marzella, A.; Fasano, F.; Giordano, M.E.; et al. Multi-target assessment of advanced oxidation processes-based strategies for indirect potable reuse of tertiary wastewater: Fate of compounds of emerging concerns, microbial and ecotoxicological parameters. Environ. Res. 2024, 241, 117661. [Google Scholar] [CrossRef]
  152. Cha, D.; Lim, G.; Joo, H.; Yoon, J.; Lee, C. Oxidative degradation of micropollutants by a pilot-scale UV/H2O2 process: Translating experimental results into multiphysics simulations. Environ. Eng. Res. 2023, 28, 220650–220658. [Google Scholar] [CrossRef]
  153. Gu, H.; Polanco, J.; Ishida, K.P.; Plumlee, M.H.; Boyd, M.; Desormeaux, E.; Juby, G.J.G.; Shad, M.F. Permeate quality, advanced oxidation process treatability, and cost for two concentrate treatment technologies to enhance recovery for potable reuse. Water Reuse 2023, 13, 305–318. [Google Scholar] [CrossRef]
  154. Maniakova, G.; Rizzo, L. Pharmaceuticals degradation and pathogens inactivation in municipal wastewater: A comparison among UVC photo-Fenton with chelating agents, UVC/H2O2 and ozonation. J. Environ. Chem. Eng. 2023, 11, 111356. [Google Scholar] [CrossRef]
  155. Maniakova, G.; Polo López, M.I.; Oller, I.; Malato, S.; Rizzo, L. Ozonation Vs sequential solar driven processes as simultaneous tertiary and quaternary treatments of urban wastewater: A life cycle assessment comparison. J. Clean. Prod. 2023, 413, 137507. [Google Scholar] [CrossRef]
  156. Lou, F.; Qiang, Z.; Zou, X.; Lv, J.; Li, M. Organic pollutant degradation by UV/peroxydisulfate process: Impacts of UV light source and phosphate buffer. Chemosphere 2022, 292, 133387. [Google Scholar] [CrossRef]
  157. Jiang, Q.; Wang, Y.; Tian, L.; Liu, Y.; Liu, J.; He, G.; Li, J. Pilot-scale and mechanistic study of the degradation of typical odors and organic compounds in drinking water by a combined UV/H2O2-BAC process. Chemosphere 2022, 292, 133419. [Google Scholar] [CrossRef] [PubMed]
  158. Chabi, K.; Ye, C.; Yan, W.; Li, J.; Kiki, C.; Xianzhong, L.; Shikan, Z.; Gad, M.; Yu, X. Removing bacteria contaminants from raw surface water using multiple barriers pilot-scale reactor: Sand filtration, activated carbon, and advanced oxidation processes. Biochem. Eng. J. 2024, 204, 109246. [Google Scholar] [CrossRef]
  159. Guerra-Rodríguez, S.; Abeledo-Lameiro, M.J.; Polo-López, M.I.; Plaza-Bolaños, P.; Agüera, A.; Rodríguez, E.; Rodríguez-Chueca, J. Pilot-scale sulfate radical-based advanced oxidation for wastewater reuse: Simultaneous disinfection, removal of contaminants of emerging concern, and antibiotic resistance genes. Chem. Eng. J. 2023, 477, 146916. [Google Scholar] [CrossRef]
  160. Wang, S.; Sadhukhan, J.; Xuan, J.; Yu, Y.; Mao, X.; Wang, M.; Chen, X.; Zhou, X.; Xing, L.; Wang, X. Life Cycle Assessment and Life Cycle Cost of Sludge Dewatering, Conditioned with Fe2+/H2O2, Fe2+/Ca(ClO)2, Fe2+/Na2S2O8, and Fe3+/CaO Based on Pilot-Scale Study Data. ACS Sustain. Chem. Eng. 2023, 11, 7798–7808. [Google Scholar] [CrossRef]
  161. Liao, R.; Song, Z.; Zhang, J.; Xing, D.; Yan, S.; Dong, W.; Sun, F. Pilot-scale treatment of municipal garbage mechanical dewatering wastewater by an integrated system involving partial nitrification and denitrification. J. Environ. Manag. 2023, 329, 117088. [Google Scholar] [CrossRef]
  162. Wang, J.; Liu, H.; Gao, Y.; Yue, Q.; Gao, B.; Liu, B.; Guo, K.; Xu, X. Pilot-scale advanced treatment of actual high-salt textile wastewater by a UV/O3 pressurization process: Evaluation of removal kinetics and reverse osmosis desalination process. Sci. Total Environ. 2023, 857, 159725. [Google Scholar] [CrossRef]
  163. Ruíz-Delgado, A.; Ponce-Robles, L.; Salmerón, I.; Oller, I.; Polo-López, M.I.; Malato, S. Advanced microbiological tools for tracking complex wastewater treatment efficiency through the combination of physicochemical and biological technologies. J. Environ. Chem. Eng. 2022, 10, 108651. [Google Scholar] [CrossRef]
  164. Karaolia, P.; Michael, C.; Schwartz, T.; Fatta-Kassinos, D. Membrane bioreactor followed by solar photo-Fenton oxidation: Bacterial community structure changes and bacterial reduction. Sci. Total Environ. 2022, 847, 157594. [Google Scholar] [CrossRef]
  165. Maniakova, G.; Salmerón, I.; Aliste, M.; Inmaculada Polo-López, M.; Oller, I.; Malato, S.; Rizzo, L. Solar photo-Fenton at circumneutral pH using Fe(III)-EDDS compared to ozonation for tertiary treatment of urban wastewater: Contaminants of emerging concern removal and toxicity assessment. Chem. Eng. J. 2022, 431, 133474. [Google Scholar] [CrossRef]
  166. Rapti, I.; Kosma, C.; Albanis, T.; Konstantinou, I. Solar photocatalytic degradation of inherent pharmaceutical residues in real hospital WWTP effluents using titanium dioxide on a CPC pilot scale reactor. Catal. Today 2023, 423, 113884. [Google Scholar] [CrossRef]
  167. Ferhi, S.; Vieillard, J.; Garau, C.; Poultier, O.; Demey, L.; Beaulieu, R.; Penalva, P.; Gobert, V.; Portet-Koltalo, F. Pilot-scale direct UV-C photodegradation of pesticides in groundwater and recycled wastewater for agricultural use. J. Environ. Chem. Eng. 2021, 9, 106120. [Google Scholar] [CrossRef]
  168. Luna-Sanguino, G.; Ruíz-Delgado, A.; Tolosana-Moranchel, A.; Pascual, L.; Malato, S.; Bahamonde, A.; Faraldos, M. Solar photocatalytic degradation of pesticides over TiO2-rGO nanocomposites at pilot plant scale. Sci. Total Environ. 2020, 737, 140286. [Google Scholar] [CrossRef]
  169. Wang, Z.; Khan, M.A.; Al-Othman, A.A.S.; Alothman, Z.A.; Sillanpää, M. Pilot-scale study on photodegradation of benzophenone-3 and benzophenone-8 ultraviolet filters enriched synthetic effluent. J. Water Process Eng. 2021, 44, 102327. [Google Scholar] [CrossRef]
  170. Bogatu, C.; Covei, M.; Polo-López, M.I.; Duta, A.; Malato, S. Novel ZnO photocatalysts for pollutants’ abatement under solar radiation at pilot plant scale. Catal. Today 2023, 413–415, 113947. [Google Scholar] [CrossRef]
  171. Yang, Q.; Ke, J.; Li, H.; Guo, X.; Wang, D.; Liu, Y.; Chen, J.; Guo, R. Waste carbon conversion and utilization in chemical wastewater treatment process: Experimental approaches from lab-to pilot-scale. Sep. Purif. Technol. 2023, 308, 122884. [Google Scholar] [CrossRef]
  172. Barni, B.; Cavicchioli, A.; Riva, E.; Zanoni, L.; Bignoli, F.; Bellobono, I.R.; Gianturco, F.; De Giorgi, A.; Muntau, H.; Montanarella, L.; et al. Pilot-plant-scale photodegradation of phenol in aqueous solution by photocatalytic membranes immobilizing titanium dioxide (PHOTOPERM® process). Chemosphere 1995, 30, 1861–1874. [Google Scholar] [CrossRef]
  173. Ye, Z.; Steter, J.R.; Centellas, F.; Cabot, P.L.; Brillas, E.; Sirés, I. Photoelectro-Fenton as post-treatment for electrocoagulated benzophenone-3-loaded synthetic and urban wastewater. J. Clean. Prod. 2019, 208, 1393–1402. [Google Scholar] [CrossRef]
  174. Sánchez, M.; Ramos, D.R.; Fernández, M.I.; Aguilar, S.; Ruiz, I.; Canle, M.; Soto, M. Removal of emerging pollutants by a 3-step system: Hybrid digester, vertical flow constructed wetland and photodegradation post-treatments. Sci. Total Environ. 2022, 842, 156750. [Google Scholar] [CrossRef]
  175. Vela, N.; Calín, M.; Yáñez-Gascón, M.J.; Garrido, I.; Pérez-Lucas, G.; Fenoll, J.; Navarro, S. Photocatalytic oxidation of six endocrine disruptor chemicals in wastewater using ZnO at pilot plant scale under natural sunlight. Environ. Sci. Pollut. Res. 2018, 25, 34995–35007. [Google Scholar] [CrossRef] [PubMed]
  176. Biswas, P.; Bhunia, P.; Saha, P.; Sarkar, S.; Chandel, H.; De, S. In situ photodecyanation of steel industry wastewater in a pilot scale. Environ. Sci. Pollut. Res. 2020, 27, 33226–33233. [Google Scholar] [CrossRef]
  177. Li, Z.; Yang, Z.; Wang, S.; Luo, H.; Xue, Z.; Liu, Z.; Mu, T. Medium entropy metal oxide induced *OH species targeted transfer strategy for efficient polyethylene terephthalate plastic recycling. Chem. Eng. J. 2024, 479, 147611. [Google Scholar] [CrossRef]
  178. Murcia Mesa, J.J.; Hernández Niño, J.S.; González, W.; Rojas, H.; Hidalgo, M.C.; Navío, J.A. Photocatalytic Treatment of Stained Wastewater Coming from Handicraft Factories. A Case Study at the Pilot Plant Level. Water 2021, 13, 2705. [Google Scholar] [CrossRef]
  179. Sun, Y.; O’Connell, D.W. Application of visible light active photocatalysis for water contaminants: A review. Water Environ. Res. 2022, 94, e10781. [Google Scholar] [CrossRef] [PubMed]
  180. Pesqueira, J.F.J.R.; Pereira, M.F.R.; Silva, A.M.T. A life cycle assessment of solar-based treatments (H2O2, TiO2 photocatalysis, circumneutral photo-Fenton) for the removal of organic micropollutants. Sci. Total Environ. 2021, 761, 143258. [Google Scholar] [CrossRef]
  181. Duarte, A.A.L.S.; Amorim, M.T.S.P. Performance Assessment of Micropollutants Removal From Water Using Advanced Oxidation Processes. Wseas Trans. Environ. Dev. 2020, 16, 57–66. [Google Scholar] [CrossRef]
  182. Orozco-Hernández, L.; Gómez-Oliván, L.M.; Elizalde-Velázquez, A.; Natividad, R.; Fabian-Castoño, L.; SanJuan-Reyes, N. 17-β-Estradiol: Significant reduction of its toxicity in water treated by photocatalysis. Sci. Total Environ. 2019, 669, 955–963. [Google Scholar] [CrossRef]
  183. Polliotto, V.; Pomilla, F.R.; Maurino, V.; Marcì, G.; Bianco Prevot, A.; Nisticò, R.; Magnacca, G.; Paganini, M.C.; Ponce Robles, L.; Perez, L.; et al. Different approaches for the solar photocatalytic removal of micro-contaminants from aqueous environment: Titania vs. hybrid magnetic iron oxides. Catal. Today 2019, 328, 164–171. [Google Scholar] [CrossRef]
  184. Moreira, N.F.F.; Narciso-da-Rocha, C.; Polo-López, M.I.; Pastrana-Martínez, L.M.; Faria, J.L.; Manaia, C.M.; Fernández-Ibáñez, P.; Nunes, O.C.; Silva, A.M.T. Solar treatment (H2O2, TiO2-P25 and GO-TiO2 photocatalysis, photo-Fenton) of organic micropollutants, human pathogen indicators, antibiotic resistant bacteria and related genes in urban wastewater. Water Res. 2018, 135, 195–206. [Google Scholar] [CrossRef]
  185. Aguas, Y.; Hincapie, M.; Fernández-Ibáñez, P.; Polo-López, M.I. Solar photocatalytic disinfection of agricultural pathogenic fungi (Curvularia sp.) in real urban wastewater. Sci. Total Environ. 2017, 607–608, 1213–1224. [Google Scholar] [CrossRef] [PubMed]
  186. Zúñiga-Benítez, H.; Peñuela, G.A. Solar lab and pilot scale photo-oxidation of ethylparaben using H2O2 and TiO2 in aqueous solutions. J. Photochem. Photobiol. A Chem. 2017, 337, 62–70. [Google Scholar] [CrossRef]
  187. Booshehri, A.Y.; Polo-Lopez, M.I.; Castro-Alférez, M.; He, P.; Xu, R.; Rong, W.; Malato, S.; Fernández-Ibáñez, P. Assessment of solar photocatalysis using Ag/BiVO4 at pilot solar Compound Parabolic Collector for inactivation of pathogens in well water and secondary effluents. Catal. Today 2017, 281, 124–134. [Google Scholar] [CrossRef]
  188. Grcic, I.; Koprivanac, N.; Andricevic, R. Reliability Study of Laboratory Scale Water Treatment by Advanced Oxidation Processes. Environ. Eng. Manag. J. 2017, 16, 1–13. [Google Scholar] [CrossRef]
  189. Alvarez-Corena, J.R.; Bergendahl, J.A.; Hart, F.L. Advanced oxidation of five contaminants in water by UV/TiO2: Reaction kinetics and byproducts identification. J. Environ. Manag. 2016, 181, 544–551. [Google Scholar] [CrossRef]
  190. Meeroff, D.E.; Lakner, J.; Shaha, B.; Walecki, E.; Harris, A.; Meyer, L. Futuristic On-Site Leachate Management. World Environ. Water Resour. Congr. 2016, 2016, 1–10. [Google Scholar] [CrossRef]
  191. Ferro, G.; Fiorentino, A.; Alferez, M.C.; Polo-López, M.I.; Rizzo, L.; Fernández-Ibáñez, P. Urban wastewater disinfection for agricultural reuse: Effect of solar driven AOPs in the inactivation of a multidrug resistant E. coli strain. Appl. Catal. B Environ. 2015, 178, 65–73. [Google Scholar] [CrossRef]
  192. García-Fernández, I.; Fernández-Calderero, I.; Polo-López, M.I.; Fernández-Ibáñez, P. Disinfection of urban effluents using solar TiO2 photocatalysis: A study of significance of dissolved oxygen, temperature, type of microorganism and water matrix. Catal. Today 2015, 240, 30–38. [Google Scholar] [CrossRef]
  193. Manenti, D.R.; Soares, P.A.; Silva, T.F.C.V.; Módenes, A.N.; Espinoza-Quiñones, F.R.; Bergamasco, R.; Boaventura, R.A.R.; Vilar, V.J.P. Performance evaluation of different solar advanced oxidation processes applied to the treatment of a real textile dyeing wastewater. Environ. Sci. Pollut. Res. 2015, 22, 833–845. [Google Scholar] [CrossRef]
  194. Vicente, R.; Soler, J.; Arques, A.; Amat, A.M.; Frontistis, Z.; Xekoukoulotakis, N.; Mantzavinos, D. Comparison of different TiO2 samples as photocatalyst for the degradation of a mixture of four commercial pesticides. J. Chem. Technol. Biotechnol. 2014, 89, 1259–1264. [Google Scholar] [CrossRef]
  195. Moreira, F.C.; Vilar, V.J.P.; Ferreira, A.C.C.; dos Santos, F.R.A.; Dezotti, M.; Sousa, M.A.; Gonçalves, C.; Boaventura, R.A.R.; Alpendurada, M.F. Treatment of a pesticide-containing wastewater using combined biological and solar-driven AOPs at pilot scale. Chem. Eng. J. 2012, 209, 429–441. [Google Scholar] [CrossRef]
  196. Vilar, V.J.P.; Pinho, L.X.; Pintor, A.M.A.; Boaventura, R.A.R. Treatment of textile wastewaters by solar-driven advanced oxidation processes. Sol. Energy 2011, 85, 1927–1934. [Google Scholar] [CrossRef]
  197. Lopez-Alvarez, B.; Torres-Palma, R.A.; Peñuela, G. Solar photocatalitycal treatment of carbofuran at lab and pilot scale: Effect of classical parameters, evaluation of the toxicity and analysis of organic by-products. J. Hazard. Mater. 2011, 191, 196–203. [Google Scholar] [CrossRef]
  198. Oyama, T.; Otsu, T.; Hidano, Y.; Koike, T.; Serpone, N.; Hidaka, H. Enhanced remediation of simulated wastewaters contaminated with 2-chlorophenol and other aquatic pollutants by TiO2-photoassisted ozonation in a sunlight-driven pilot-plant scale photoreactor. Sol. Energy 2011, 85, 938–944. [Google Scholar] [CrossRef]
  199. Pérez-Estrada, L.A.; Malato, S.; Agüera, A.; Fernández-Alba, A.R. Degradation of dipyrone and its main intermediates by solar AOPs: Identification of intermediate products and toxicity assessment. Catal. Today 2007, 129, 207–214. [Google Scholar] [CrossRef]
  200. Oller, I.; Fernández-Ibáñez, P.; Maldonado, M.I.; Pérez-Estrada, L.; Gernjak, W.; Pulgarin, C.; Passarinho, P.C.; Malato, S. Solar heterogeneous and homogeneous photocatalysis as a pre-treatment option for biotreatment. Res. Chem. Intermed. 2007, 33, 407–420. [Google Scholar] [CrossRef]
  201. Pérez, M.H.; Peñuela, G.; Maldonado, M.I.; Malato, O.; Fernández-Ibáñez, P.; Oller, I.; Gernjak, W.; Malato, S. Degradation of pesticides in water using solar advanced oxidation processes. Appl. Catal. B Environ. 2006, 64, 272–281. [Google Scholar] [CrossRef]
  202. Muñoz, I.; Peral, J.; Antonio Ayllón, J.; Malato, S.; Passarinho, P.; Domènech, X. Life cycle assessment of a coupled solar photocatalytic–biological process for wastewater treatment. Water Res. 2006, 40, 3533–3540. [Google Scholar] [CrossRef] [PubMed]
  203. Malato, S.; Blanco, J.; Vidal, A.; Richter, C. Photocatalysis with solar energy at a pilot-plant scale: An overview. Appl. Catal. B Environ. 2002, 37, 1–15. [Google Scholar] [CrossRef]
  204. Sciscenko, I.; Mestre, S.; Climent, J.; Valero, F.; Escudero-Oñate, C.; Oller, I.; Arques, A. Magnetic Photocatalyst for Wastewater Tertiary Treatment at Pilot Plant Scale: Disinfection and Enrofloxacin Abatement. Water 2021, 13, 329. [Google Scholar] [CrossRef]
  205. Ata, R.; Tore, G.Y.; Shah, M.P. Emerging technologies for treatment of antibiotic residues from wastewater influent/effluent for sustainable environment: A case study with NFC-doped titania immobilized on polystyrene as an efficient technology. Curr. Res. Green Sustain. Chem. 2021, 4, 100065. [Google Scholar] [CrossRef]
  206. Mahy, J.G.; Wolfs, C.; Vreuls, C.; Drot, S.; Dircks, S.; Boergers, A.; Tuerk, J.; Hermans, S.; Lambert, S.D. Advanced oxidation processes for waste water treatment: From laboratory-scale model water to on-site real waste water. Environ. Technol. 2021, 42, 3974–3986. [Google Scholar] [CrossRef]
  207. Vatanpour, V.; Karami, A.; Sheydaei, M. Central composite design optimization of Rhodamine B degradation using TiO2 nanoparticles/UV/PVDF process in continuous submerged membrane photoreactor. Chem. Eng. Process. Process Intensif. 2017, 116, 68–75. [Google Scholar] [CrossRef]
  208. Wang, C.; Liu, H.; Qu, Y. TiO2-Based Photocatalytic Process for Purification of Polluted Water: Bridging Fundamentals to Applications. J. Nanomater. 2013, 2013, 319637. [Google Scholar] [CrossRef]
  209. Vela, N.; Calín, M.; Yáñez-Gascón, M.J.; el Aatik, A.; Garrido, I.; Pérez-Lucas, G.; Fenoll, J.; Navarro, S. Removal of Pesticides with Endocrine Disruptor Activity in Wastewater Effluent by Solar Heterogeneous Photocatalysis Using ZnO/Na2S2O8. Water Air Soil Pollut. 2019, 230, 134. [Google Scholar] [CrossRef]
  210. Lee, Y.-C.; Lee, H.U.; Oh, S.Y.; Jang, S.-C.; Lee, S.C.; Huh, Y.S. Self-Assembled/Oval-Shaped Iron Oxide Nanoparticles for Efficient Photo-Fenton Reaction at Neutral pH. J. Nanosci. Nanotechnol. 2017, 17, 7651–7655. [Google Scholar] [CrossRef]
  211. Choi, J.; Chung, J. Reuse of Semiconductor Wastewater Using Reverse Osmosis and Metal-Immobilized Catalyst-Based Advanced Oxidation Process. Ind. Eng. Chem. Res. 2014, 53, 11167–11175. [Google Scholar] [CrossRef]
  212. Huang, M.; Li, Y.-S.; Zhang, C.-Q.; Cui, C.; Huang, Q.-Q.; Li, M.; Qiang, Z.; Zhou, T.; Wu, X.; Yu, H.-Q. Facilely tuning the intrinsic catalytic sites of the spinel oxide for peroxymonosulfate activation: From fundamental investigation to pilot-scale demonstration. Proc. Natl. Acad. Sci. USA 2022, 119, e2202682119. [Google Scholar] [CrossRef]
  213. Chauhan, P.S.; Singh, K.; Choudhary, A.; Brighu, U.; Singh, S.K.; Bhattacharya, S. Combined advanced oxidation dye-wastewater treatment plant: Design and development with data-driven predictive performance modeling. NPJ Clean Water 2024, 7, 15. [Google Scholar] [CrossRef]
  214. Majumder, A.; Otter, P.; Röher, D.; Bhatnagar, A.; Khalil, N.; Gupta, A.K.; Bresciani, R.; Arias, C.A. Combination of advanced biological systems and photocatalysis for the treatment of real hospital wastewater spiked with carbamazepine: A pilot-scale study. J. Environ. Manag. 2024, 351, 119672. [Google Scholar] [CrossRef]
  215. Heinrichs, B.; Lambert, S.D.; Léonard, G.; Alié, C.; Douven, S.; Caucheteux, J.; Geens, J.; Daniel, A.; Archambeau, C.; Vreuls, C.; et al. Upscaling TiO2 sol-gel technology to make it a competitive way for coating manufacture and processing at an industrial scale. J. Sol-Gel Sci. Technol. 2023, 107, 244–258. [Google Scholar] [CrossRef]
  216. Ersan, M.S.; Wang, B.; Wong, M.S.; Westerhoff, P. Advanced oxidation processes may transform unknown PFAS in groundwater into known products. Chemosphere 2024, 349, 140865. [Google Scholar] [CrossRef] [PubMed]
  217. Franke, V.; Schäfers, M.D.; Joos Lindberg, J.; Ahrens, L. Removal of per- and polyfluoroalkyl substances (PFASs) from tap water using heterogeneously catalyzed ozonation. Environ. Sci. Water Res. Technol. 2019, 5, 1887–1896. [Google Scholar] [CrossRef]
  218. Monteil, H.; Pechaud, Y.; Oturan, N.; Trellu, C.; Oturan, M.A. Pilot scale continuous reactor for water treatment by electrochemical advanced oxidation processes: Development of a new hydrodynamic/reactive combined model. Chem. Eng. J. 2021, 404, 127048. [Google Scholar] [CrossRef]
  219. Roccamante, M.; Salmerón, I.; Ruiz, A.; Oller, I.; Malato, S. New approaches to solar Advanced Oxidation Processes for elimination of priority substances based on electrooxidation and ozonation at pilot plant scale. Catal. Today 2020, 355, 844–850. [Google Scholar] [CrossRef]
  220. Shestakova, M.; Graves, J.; Sitarz, M.; Sillanpää, M. Optimization of Ti/Ta2O5–SnO2 electrodes and reaction parameters for electrocatalytic oxidation of methylene blue. J. Appl. Electrochem. 2016, 46, 349–358. [Google Scholar] [CrossRef]
  221. Voglar, D.; Lestan, D. Chelant soil-washing technology for metal-contaminated soil. Environ. Technol. 2014, 35, 1389–1400. [Google Scholar] [CrossRef]
  222. Zhao, W.; Xing, J.; Chen, D.; Bai, Z.; Xia, Y. Study on the performance of an improved Ti/SnO2–Sb2O3/PbO2 based on porous titanium substrate compared with planar titanium substrate. RSC Adv. 2015, 5, 26530–26539. [Google Scholar] [CrossRef]
  223. Yan, Z.; Meng, H. Effect of Different Shapes of the Titanium Based IrO2-Ta2O5 Coatings Anode on Electrochemical Properties. Rare Met. Mater. Eng. 2012, 41, 772–775. [Google Scholar] [CrossRef]
  224. Li, X.; Xu, H.; Yan, W. Fabrication and Characterization of a PbO2-TiN Composite Electrode by Co-Deposition Method. J. Electrochem. Soc. 2016, 163, D592–D602. [Google Scholar] [CrossRef]
  225. Bertoncello, R.; Cattarin, S.; Frateur, I.; Musiani, M. Preparation of anodes for oxygen evolution by electrodeposition of composite oxides of Pb and Ru on Ti. J. Electroanal. Chem. 2000, 492, 145–149. [Google Scholar] [CrossRef]
  226. Min, H.; Hu, D.; Wang, H.; Zhao, Y.; Cui, Y.; Luo, K.; Zhang, L.; Liu, W.; Wu, P.; Ge, H.; et al. Electrochemical-assisted hydrolysis/acidification-based processes as a cost-effective and efficient system for pesticide wastewater treatment. Chem. Eng. J. 2020, 397, 125417. [Google Scholar] [CrossRef]
  227. Acosta-Santoyo, G.; Llanos, J.; Raschitor, A.; Bustos, E.; Cañizares, P.; Rodrigo, M.A. Performance of ultrafiltration as a pre-concentration stage for the treatment of oxyfluorfen by electrochemical BDD oxidation. Sep. Purif. Technol. 2020, 237, 116366. [Google Scholar] [CrossRef]
  228. Chen, X.; Chen, G.; Yue, P.L. Stable Ti/IrOx−Sb2O5−SnO2 Anode for O2 Evolution with Low Ir Content. J. Phys. Chem. B 2001, 105, 4623–4628. [Google Scholar] [CrossRef]
Figure 1. Schematic for main industrial wastewater decontamination process.
Figure 1. Schematic for main industrial wastewater decontamination process.
Catalysts 14 00703 g001
Figure 2. Classification of the main methods applied for the treatment of water effluents.
Figure 2. Classification of the main methods applied for the treatment of water effluents.
Catalysts 14 00703 g002
Figure 3. Basic configuration of the unit electrochemical cell in advanced electrochemical oxidation processes for (a) monopolar and (b) bipolar configurations.
Figure 3. Basic configuration of the unit electrochemical cell in advanced electrochemical oxidation processes for (a) monopolar and (b) bipolar configurations.
Catalysts 14 00703 g003
Figure 4. Some identifiable reaction trends in materials typically used in advanced oxidation electrochemical processes. Results extracted and modified with permission from References (a) [62], (b) [57], (c) [35], and (d) [63]. Copyright© 2010, 2017, 1994, and 2005, respectively, Elsevier.
Figure 4. Some identifiable reaction trends in materials typically used in advanced oxidation electrochemical processes. Results extracted and modified with permission from References (a) [62], (b) [57], (c) [35], and (d) [63]. Copyright© 2010, 2017, 1994, and 2005, respectively, Elsevier.
Catalysts 14 00703 g004
Figure 5. Basics of the photo-electrocatalysis process for OH generation.
Figure 5. Basics of the photo-electrocatalysis process for OH generation.
Catalysts 14 00703 g005
Figure 6. Key theoretical contributions to the understanding of the mechanism of chlorine evolution on the RuO2 surface. (a) Pourbaix diagram for the equilibrium of the Cl, H+, and H2O species on RuO2(110) at 298 K and a(Cl) = 1, considering solvent effects. Red balls: Ru 1f-cus, blue balls: Ru 2f-cus, and bulk Ru, green balls: O, and grey balls: Cl atoms. (b) Gibbs energy diagrams for the Volmer–Heyrovsky mechanism for CER over the (1OHbr1Obr + 2Oot)-coated RuO2(110) surface at electrode potentials of U = 1.36 V vs. SHE and pH = 0. (i) → (ii) corresponds to the Volmer step, (ii) → (iii) to the Heyrovsky step. (c) Free energy diagram for CER over RuO2(110), RuO2(101), RuO2(001), RuO2(111), and RuO2(100) surfaces at pH = 0 and U = 1.36 V. Reproduced with permission of Ref. (a) [84], (b) [85], and (c) [86]. Copyright© 2014 Elsevier, 2016, 2020 Wiley-VCH, respectively.
Figure 6. Key theoretical contributions to the understanding of the mechanism of chlorine evolution on the RuO2 surface. (a) Pourbaix diagram for the equilibrium of the Cl, H+, and H2O species on RuO2(110) at 298 K and a(Cl) = 1, considering solvent effects. Red balls: Ru 1f-cus, blue balls: Ru 2f-cus, and bulk Ru, green balls: O, and grey balls: Cl atoms. (b) Gibbs energy diagrams for the Volmer–Heyrovsky mechanism for CER over the (1OHbr1Obr + 2Oot)-coated RuO2(110) surface at electrode potentials of U = 1.36 V vs. SHE and pH = 0. (i) → (ii) corresponds to the Volmer step, (ii) → (iii) to the Heyrovsky step. (c) Free energy diagram for CER over RuO2(110), RuO2(101), RuO2(001), RuO2(111), and RuO2(100) surfaces at pH = 0 and U = 1.36 V. Reproduced with permission of Ref. (a) [84], (b) [85], and (c) [86]. Copyright© 2014 Elsevier, 2016, 2020 Wiley-VCH, respectively.
Catalysts 14 00703 g006
Figure 7. (a) Schematic illustration of MoS2-NHCS synthesis by a hard template method and electrodeposition [103], and (b) schematic illustration of the fabrication of Ca1−xAgxTi1−yCoyO3 by combining co-precipitation and the microwave hydrothermal assisted method [101]. Copyright© 2023 Elsevier and 2022 The Royal Society of Chemistry, respectively.
Figure 7. (a) Schematic illustration of MoS2-NHCS synthesis by a hard template method and electrodeposition [103], and (b) schematic illustration of the fabrication of Ca1−xAgxTi1−yCoyO3 by combining co-precipitation and the microwave hydrothermal assisted method [101]. Copyright© 2023 Elsevier and 2022 The Royal Society of Chemistry, respectively.
Catalysts 14 00703 g007
Figure 8. Classification of some electronic modifications for semiconductors. SMSI and SMCI are referring to the Strong-Metal Support Interaction and Strong-Metal Oxide Carbon Interaction.
Figure 8. Classification of some electronic modifications for semiconductors. SMSI and SMCI are referring to the Strong-Metal Support Interaction and Strong-Metal Oxide Carbon Interaction.
Catalysts 14 00703 g008
Figure 9. (a) The pilot system was tested with water from the Elbe River [76]. Three sets of Ir-Ru mixed oxide electrodes (MOX 1, 2, 3) with a total surface area of 1918 cm2 operated in series treat the water pumped by the pilot system in a continuous flow configuration followed by two low-pressure UV-C lamps (UV 1, 2). (b) Schematic diagram of an improved experimental process system [226]. A combined system of electrochemically assisted hydrolysis/acidification reactors (E-HAR), an expanded granular sludge bed (EGSB) reactor, an up-flow anaerobic sludge blanket (UASB) reactor, and a biological contact oxidation pool (BCOP). (c) Schematic diagram of the pilot plant [126]: The feeding system consists of a feed tank (1) and pumps (2). The electrooxidation unit includes a Diacell unit (3), low- and high-level switches (4), and a DiaCell assembly (5) with boron-doped diamond (BDD) anodes. Power supplies and instrumentation consist of power rectifiers (6), probes (7), hydrogen sensors (8), ventilation systems (9), and PLC (10). Reproduced with permission from Refs. (a) [76], (b) [226] and (c) [126]. Copyright© 2020 MDPI/CC BY 4.0, 2020 Elsevier, and 2009 American Chemical Society, respectively.
Figure 9. (a) The pilot system was tested with water from the Elbe River [76]. Three sets of Ir-Ru mixed oxide electrodes (MOX 1, 2, 3) with a total surface area of 1918 cm2 operated in series treat the water pumped by the pilot system in a continuous flow configuration followed by two low-pressure UV-C lamps (UV 1, 2). (b) Schematic diagram of an improved experimental process system [226]. A combined system of electrochemically assisted hydrolysis/acidification reactors (E-HAR), an expanded granular sludge bed (EGSB) reactor, an up-flow anaerobic sludge blanket (UASB) reactor, and a biological contact oxidation pool (BCOP). (c) Schematic diagram of the pilot plant [126]: The feeding system consists of a feed tank (1) and pumps (2). The electrooxidation unit includes a Diacell unit (3), low- and high-level switches (4), and a DiaCell assembly (5) with boron-doped diamond (BDD) anodes. Power supplies and instrumentation consist of power rectifiers (6), probes (7), hydrogen sensors (8), ventilation systems (9), and PLC (10). Reproduced with permission from Refs. (a) [76], (b) [226] and (c) [126]. Copyright© 2020 MDPI/CC BY 4.0, 2020 Elsevier, and 2009 American Chemical Society, respectively.
Catalysts 14 00703 g009
Table 1. Comparison strengths of common oxidizing species.
Table 1. Comparison strengths of common oxidizing species.
Reagent NameReduction Potential
(V/SHE)
Reference
Fluorine3.03[44]
Hydroxy radical2.80
Sulfate radical2.5[45]
Atomic Oxygen2.42[44]
Ozone2.07
Sodium persulfate2.0[45]
Hydrogen peroxide1.78[44]
Perhydroxyl radical1.70
Permanganate1.68
Chlorine dioxide1.57
Hypochlorous acid1.49
Chlorine1.36
Oxygen1.23[45]
Superoxide ion−2.4
Table 2. Oxygen evolution reaction (OER) potentials for water oxidation in different anode materials [59].
Table 2. Oxygen evolution reaction (OER) potentials for water oxidation in different anode materials [59].
Anode MaterialOER (V/SHE)
RuO21.4–1.7
IrO21.5–1.8
Pt1.6–1.9
Graphite1.7
Ebonex® (Ti4O7)1.7–1.8
PbO21.8–2.0
SnO21.9–2.2
BDD2.2–2.6
Table 3. Types of electronic modification applied to real and synthetic effluent.
Table 3. Types of electronic modification applied to real and synthetic effluent.
Catalyst Electrochemical ProcessType of
Solution
Crystalline Phases Electronic Modification Reference
TiO2/ITOPEC, Laboratory Anatase No modification[98]
Ti/RuO2CER, Laboratory Synthetic and real municipal wastewater RuO2, metallic TiNo modification[128]
Se doped-TiO2/Ti nanotubesPEC, LaboratorySynthetic diazinon Anatase, rutileElement doping [124]
Bi2WO6-Bi2MoO6/TiO2 nanotubes PEC, LaboratorySynthetic Methyl Orange, MB, and RhB Anatase, orthorhombic Bi2MoO6, orthorhombic Bi2WO6 Heterojunction [97]
Au@TiO2PEC, LaboratorySynthetic Mo, phenol, and BPAAnatase strong-interfacial interaction[87]
BHP@ZnOPEC, LaboratorySynthetic RhBHexagonal ZnO, orthorhombic BHP.Heterojunction[105]
MoS2/NHCSPEC, LaboratorySynthetic Bisphenol ANHCS, MoS2Heterojunction[103]
Mo-doped BiVO4PEC, LaboratorySynthetic phenolMonoclinic BiVO4Defect engineering[134]
TiO2–Bi (mixed metal)-MOF
TiO2–Sb (mixed metal)-MOF
PEC, LaboratoryReal municipal wastewaterBi2O3 tetragonal,
anatase
Valentinite, anatase
Heterojunction, element doping[106]
TiO2/g-C3N4@ACPEC, LaboratorySynthetic levofloxacin solutionAnatase,
g-C3N4
Heterojunction[109]
TiO2-PVCPEC, LaboratorySynthetic orange 16AnataseHeterojunction[118]
Y-doped TiO2PEC, LaboratorySynthetic PA and BAAnataseElement doping, defect engineering[89]
TiO2 NTsPEC, LaboratorySynthetic ketorolacAnatase, metallic TiNo modifications[108]
Ti/SnO2-Sb/Fe-PVP-PbO2EO, LaboratorySynthetic MO α and β-PbO2 Element doping, heterojunction [115]
WO3PEC, LaboratorySynthetic trimethoprim, diclofenac, sulfametho-xazole and carbamazepineMonoclinic WO3No modifications[110]
WO3/WPEC, LaboratorySynthetic tetracycline-No modification[111]
WO3/WO3-MoO3 PEC, LaboratorySynthetic pesticide ImazalilMonoclinic WO3, orthorhombic MoO3Heterojunction[116]
TiO2/TiO2-ZnOPEC, LaboratorySynthetic pesticide ImazalilAnatase, wurtzite structure of ZnOHeterojunction[116]
TiO2/Ti PEC, LaboratorySynthetic SulfamethazineAnatase and rutileNo modifications[119]
CdS/TiO2PEC, LaboratorySynthetic Ifosfamide, 5-fluorouracil and imatinibMetal Ti, anataseElement doping[113]
Bi2WO6PEC, LaboratorySynthetic BA and MB Polycrystalline orthorhombic Bi2WO6 Defect engineering[90]
Bi2WO6PEC, LaboratorySynthetic RhB Orthorhombic Bi2WO6 Defect engineering[91]
Ti-W alloy oxide nanotubesPEC, LaboratorySynthetic endocrine disruptors and real deepwater reservoirWO3−x (0 ≤ x ≤ 0.28)), Ti0.54W0.46O2, anatase, rutileElement doping[112]
Ca1−xAgxTi1−yCoyO3PEC, LaboratorySynthetic MB Orthorhombic CaTiO3, CoTi2O5 Element doping [101]
Se-doped TiO2/TiPEC, LaboratorySynthetic reactive green 19-Element doping[100]
B–Co/TiO2PEC, LaboratorySynthetic RhB Hexagonal Ti, anatase Element doping[95]
CatalystElectrochemical ProcessType of
Solution
XRD PhasesElectronic
Modification
Reference
g-C3N4/Sn3O4/NiPEC, LaboratoryU(VI)Triclinical Sn3O4, g-C3N4Heterojunction[92]
Au-RGO/TiO2 NTsPEC, LaboratorySynthetic MBAnatase, RGOHeterojunction[93]
BiOI/TiO2 NTsPEC, LaboratorySynthetic RhBTetragonal BiOI, anataseHeterojunction[94]
B-TiO2PEC, LaboratorySynthetic propyphenazoneAnatase, hexagonal Ti,Element doping[99]
Co-doped ZnOPEC, LaboratorySynthetic sulphonamide, real tap water, and secondary sedimentation effluent-Element doping[102]
PANI/TiO2 NTAsPEC, LaboratorySynthetic tetrabromobisphenol A-Heterojunction[107]
Ag/Fe3O4/g-C3N4PEC, Fenton, LaboratorySynthetic 4-chlorophenolFe3O4 (magnetite), g-C3N4Element doping[114]
Ti-Sn-Sb@γ-Al2O3CER, PilotIndustrial wastewater Anatase, rutile, cassiterite, valentinite Element doping, heterojunction [129]
RuO2−IrO2PEC, PilotReal wastewater of Lake Superior RuO2, IrO2 Heterojunction [120]
TiO2/TiPEC, PilotReal water fish farming Anatase (45%), rutile (55%) Defect engineering[117]
Disclaimer/Publisher’s Note: The statements, opinions and data contained in all publications are solely those of the individual author(s) and contributor(s) and not of MDPI and/or the editor(s). MDPI and/or the editor(s) disclaim responsibility for any injury to people or property resulting from any ideas, methods, instructions or products referred to in the content.

Share and Cite

MDPI and ACS Style

Jaimes-López, R.; Jiménez-Vázquez, A.; Pérez-Rodríguez, S.; Estudillo-Wong, L.A.; Alonso-Vante, N. Catalyst for the Generation of OH Radicals in Advanced Electrochemical Oxidation Processes: Present and Future Perspectives. Catalysts 2024, 14, 703. https://doi.org/10.3390/catal14100703

AMA Style

Jaimes-López R, Jiménez-Vázquez A, Pérez-Rodríguez S, Estudillo-Wong LA, Alonso-Vante N. Catalyst for the Generation of OH Radicals in Advanced Electrochemical Oxidation Processes: Present and Future Perspectives. Catalysts. 2024; 14(10):703. https://doi.org/10.3390/catal14100703

Chicago/Turabian Style

Jaimes-López, Raciel, Adriana Jiménez-Vázquez, Samuel Pérez-Rodríguez, Luis Alberto Estudillo-Wong, and Nicolas Alonso-Vante. 2024. "Catalyst for the Generation of OH Radicals in Advanced Electrochemical Oxidation Processes: Present and Future Perspectives" Catalysts 14, no. 10: 703. https://doi.org/10.3390/catal14100703

APA Style

Jaimes-López, R., Jiménez-Vázquez, A., Pérez-Rodríguez, S., Estudillo-Wong, L. A., & Alonso-Vante, N. (2024). Catalyst for the Generation of OH Radicals in Advanced Electrochemical Oxidation Processes: Present and Future Perspectives. Catalysts, 14(10), 703. https://doi.org/10.3390/catal14100703

Note that from the first issue of 2016, this journal uses article numbers instead of page numbers. See further details here.

Article Metrics

Back to TopTop