Study on Ultrasonically-Enhanced Sulfuric Acid Leaching of Nickel from Nickel-Containing Residue
Abstract
:1. Introduction
2. Materials and Methods
2.1. Raw Materials
2.2. Experimental Methods and Devices
2.3. Data Analysis and Mathematical Modeling
3. Results
3.1. Effect of Leaching Temperature
3.2. Effect of Sulfuric Acid Concentration
3.3. Effect of Particle Size
3.4. Effect of the Solid–Liquid Ratio
3.5. Influence of Ultrasonic Power
3.6. Leaching Kinetics
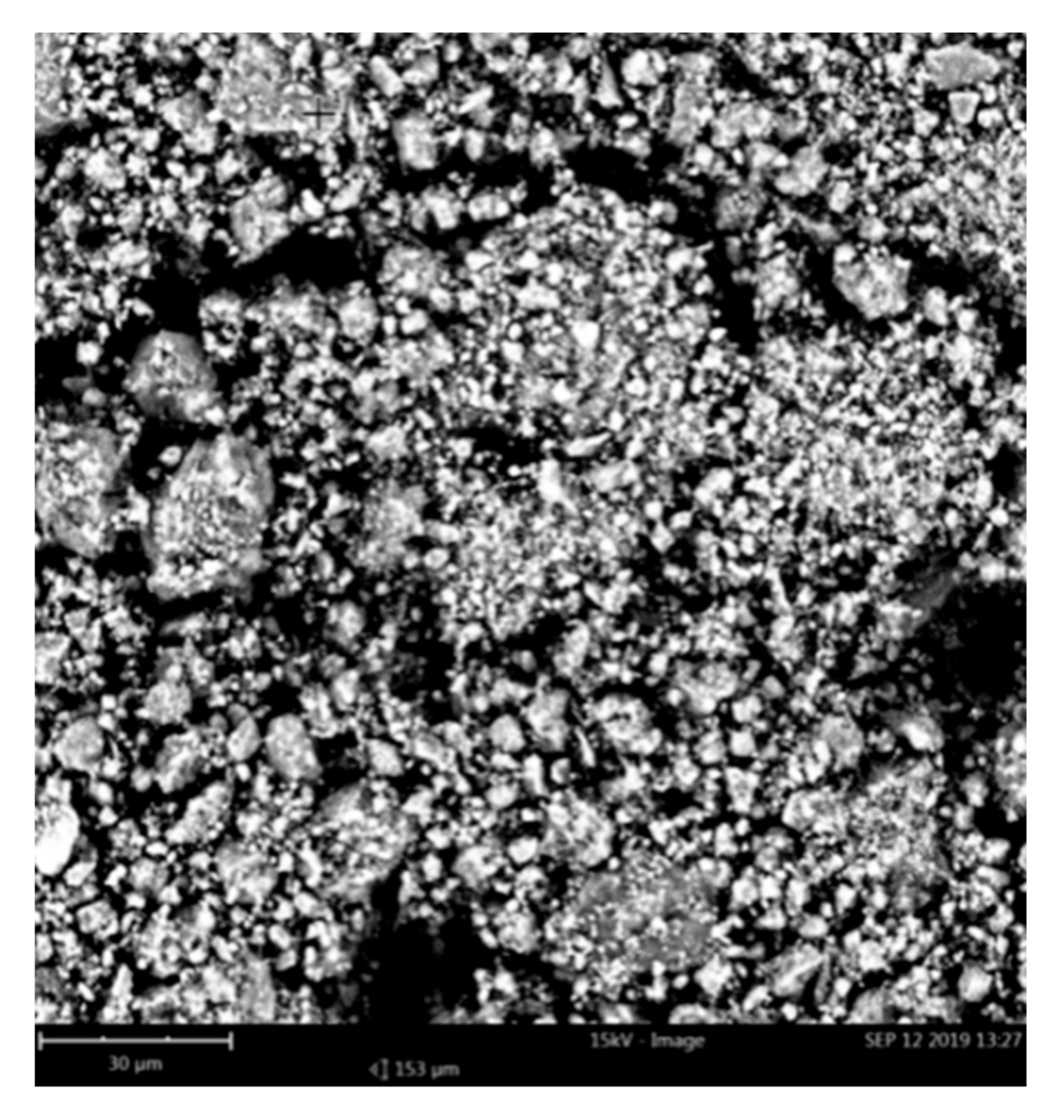
3.7. Analysis of the Leached Residue
4. Conclusions
Author Contributions
Funding
Institutional Review Board Statement
Informed Consent Statement
Data Availability Statement
Conflicts of Interest
References
- Gu, S.; Fu, B.; Ahn, J.W. Simultaneous removal of residual sulfate and heavy metals from spent electrolyte of lead-acid battery after precipitation and carbonation. Sustainability 2020, 12, 1263. [Google Scholar] [CrossRef] [Green Version]
- Sundararaju, S.; Manjula, A.; Kumaravel, V.; Muneeswaran, T.; Vennila, T. Biosorption of nickel ions using fungal biomass Penicillium sp. MRF1 for the treatment of nickel electroplating industrial effluent. Biomass Convers. Biorefin. 2020, 6, 1–10. [Google Scholar] [CrossRef]
- Jerroumi, S.; Lakhouiri, A.; Lekhlif, B.; Lakhdar, M.; Afrine, L.; Azzi, M.; Ngala Nsakou, S. Study of nickel removal from an electroplating unit wastewater by soda and characterization of the precipitate. J. Environ. Eng. Sci. 2018, 4, 321–327. [Google Scholar]
- Sivakumar, D.; Nouri, J.; Modhini, T.M.; Deepalakshmi, K. Nickel removal from electroplating industry wastewater: A bamboo activated carbon. Glob. J. Environ. Sci. Manag. 2018, 4, 325–338. [Google Scholar]
- Roy, A.; Stegemann, J.A. Nickel speciation in cement-stabilized/solidified metal treatment filtercakes. J. Hazard. Mater. 2016, 321, 353–361. [Google Scholar] [CrossRef] [PubMed]
- Harper, G.; Sommerville, R.; Kendrick, E.; Driscoll, P.L.; Slater, R.; Stolkin, A.; Walton, P.; Christensen, O.; Heidrich, S.; Lambert, A.; et al. Anderson Recycling lithium-ion batteries from electric vehicles. Nature 2019, 575, 75–86. [Google Scholar] [CrossRef] [Green Version]
- Lei, X.; Li, Y.; Weng, C.; Liu, Y.; Hu, J.; Yang, C.; Lin, Z.; Liu, M. Construction of heterostructured NiFe2O4-C nanorods by transition metal recycling from simulated electroplating sludge leaching solution for high performance lithium ion batteries. Nanoscale 2020, 12, 13398–13406. [Google Scholar] [CrossRef] [PubMed]
- Weng, C.; Sun, X.; Han, B.; Ye, X.; Zhong, Z.; Li, W.; Liu, W.; Deng, H.; Li, Z. Targeted conversion of Ni in electroplating sludge to nickel ferrite nanomaterial with stable lithium storage performance. J. Hazard. Mater. 2020, 393, 122296. [Google Scholar] [CrossRef]
- Peng, G.; Deng, S.; Liu, F.; Li, T.; Yu, G. Superhigh adsorption of nickel from electroplating wastewater by raw and calcined electroplating sludge waste. J. Clean. Prod. 2019, 246, 118948. [Google Scholar] [CrossRef]
- Silva, J.E.; Soares, D.; Paiva, A.P.; Labrincha, J.A.; Castro, F. Leaching behaviour of a galvanic sludge in sulphuric acid and ammoniacal media. J. Hazard. Mater. 2005, 121, 195–202. [Google Scholar] [CrossRef] [PubMed] [Green Version]
- Su, R.; Liang, B.; Guan, J. Leaching effects of metal from electroplating sludge under phosphate participation in hydrochloric acid medium. Procedia Environ. Sci. 2016, 31, 361–365. [Google Scholar] [CrossRef] [Green Version]
- Zhang, P.; Sun, L.; Wang, H.; Cui, J.; Hao, J. Surfactant-assistant atmospheric acid leaching of laterite ore for the improvement of leaching efficiency of nickel and cobalt. J. Clean. Prod. 2019, 228, 1–7. [Google Scholar] [CrossRef]
- Yang, C.; Li, S. Kinetics of iron removal from quartz under ultrasound-assisted leaching. High Temp. Mater. Process. 2020, 39, 395–404. [Google Scholar] [CrossRef]
- Xi, F.; Cui, H.; Zhang, Z.; Yang, Z.; Li, S.; Ma, W.; Wei, K.; Chen, Z.; Lei, Y.; Wu, J. Novel and efficient purification of silicon through ultrasonic-cu catalyzed chemical leaching. Ultrason. Sonochem. 2019, 56, 474–480. [Google Scholar] [CrossRef]
- Guo, P.; Wang, S.; Zhang, L. Selective removal of antimony from refractory gold ores by ultrasound. Hydrometallurgy 2019, 190, 105161. [Google Scholar] [CrossRef]
- Zhang, Y.; Chen, X.; Chu, W.; Cui, H.; Wang, M. Removal of vanadium from petroleum coke by microwave and ultrasonic-assisted leaching. Hydrometallurgy 2020, 191, 105168. [Google Scholar] [CrossRef]
- Li, H.; Zhang, L.; Xie, H.; Peng, J.; Li, S.; Yang, K.; Zhu, F. Ultrasound-assisted silver leaching process for cleaner production. JOM 2019, 72, 766–773. [Google Scholar] [CrossRef]
- Zhang, K.; Li, B.; Wu, Y.; Wang, W.; Li, R.; Zhang, Y.; Zuo, T. Recycling of indium from waste LCD: A promising non-crushing leaching with the aid of ultrasonic wave. Waste Manag. 2017, 64, 236–243. [Google Scholar] [CrossRef] [PubMed]
- Xie, H.; Li, S.; Zhang, L.; Wang, Y. Roasting pretreatment combined with ultrasonic enhanced leaching lead from electrolytic manganese anode mud. Metals 2019, 9, 601. [Google Scholar] [CrossRef] [Green Version]
- Nivetha, E.S.; Saravanathamizhan, R. Recovery of nickel from spent NiCd batteries by regular and ultrasonic leaching followed by electrodeposition. J. Electrochem. Sci. Eng. 2019, 10, 41–47. [Google Scholar] [CrossRef]
- Gui, H.; Khan, M.; Wang, S.; Zhang, L. The ultrasound leaching kinetics of gold in the thiosulfate leaching process catalysed by cobalt ammonia. Hydrometallurgy 2020, 196, 105426. [Google Scholar] [CrossRef]
- Guo, Z.; Guo, P.; Su, G.; Zhai, D.; Chen, F.; Li, F. High-Temperature Permittivity and Microwave Pretreatment Characteristics of Nickel-Containing Sludge from Battery Production. Processes 2019, 7, 257. [Google Scholar] [CrossRef] [Green Version]
- Guo, Z.; Li, F.; Su, G.; Zhai, D.; Liu, C. Microwave drying of nickel-containing residue: Dielectric properties, kinetics, and energy aspects. Green Process. Synth. 2019, 8, 814–824. [Google Scholar] [CrossRef]
- Dickinson, C.F.; Heal, G.R. Solid-liquid diffusion controlled rate equations. Thermochim. Acta 1999, 340, 89–103. [Google Scholar] [CrossRef]
- Meshram, P.; Mishra, A.; Abhilash, R.; Sahu, R. Environmental impact of spent lithium ion batteries and green recycling perspectives by organic acids—A review. Chemosphere 2020, 242, 125291. [Google Scholar] [CrossRef]
- Peng, C.; Chang, C.; Wang, Z.; Wilson, B.P.; Liu, F.; Lundström, M. Recovery of high-purity MnO2 from the acid leaching solution of spent Li-ion batteries. JOM 2020, 72, 790–799. [Google Scholar] [CrossRef] [Green Version]
- Xiao, J.; Li, J.; Xu, Z. Challenges to future development of spent Lithium ion batteries recovery from environmental and technological perspectives. Environ. Sci. Technol. 2020, 54, 9–25. [Google Scholar] [CrossRef] [PubMed]
- Fernández, Y.; MarañónL, E.; Castrillón, L.; Vázquez, I. Removal of Cd and Zn from inorganic industrial waste leachate by ion exchange. J. Hazard. Mater. 2005, 126, 169–175. [Google Scholar] [CrossRef] [PubMed] [Green Version]
- Chiu, K.; Chen, W. Recovery and separation of valuable metals from cathode materials of spent lithium-ion batteries (LIBs) by ion exchange. Sci. Adv. Mater. 2017, 9, 2155–2160. [Google Scholar] [CrossRef]
- Virolainen, S.; Wesselborg, T.; Kaukinen, A.; Tuomo, S. Removal of iron, aluminium, manganese and copper from leach solutions of lithium-ion battery waste using ion exchange. Hydrometallurgy 2021, 202, 105602. [Google Scholar] [CrossRef]
- Li, Z.; Mercken, J.; Li, X.; Sofía, R. Efficient and sustainable removal of magnesium from brines for lithium/magnesium separation using binary extractants. ACS Sustain. Chem. Eng. 2019, 10, 19225–19234. [Google Scholar] [CrossRef]

















| Composition | CaO | MgO | NiO | Fe2O3 | SiO2 | CdO | Al2O3 | ZnO |
|---|---|---|---|---|---|---|---|---|
| Content (wt %) | 35.88 | 16.21 | 13.81 | 8.02 | 5.07 | 1.05 | 1.01 | 0.63 |
| Composition | SO3 | CaO | SiO2 | Fe2O3 | NiO | MgO | Al2O3 | ZnO | CdO | |
|---|---|---|---|---|---|---|---|---|---|---|
| Conventional | Content (wt %) | 53.925 | 25.312 | 2.41 | 1.68 | 1.62 | 0.897 | 0.308 | 0.055 | 0.207 |
| Ultrasonic | Content (wt %) | 53.441 | 27.826 | 1.96 | 0.855 | 0.336 | 0.797 | 0.293 | 0.048 | 0.104 |
| Sample | BET Surface Area |
|---|---|
| Ultrasonic | 58.9057 m2/g |
| Conventional | 50.6720 m2/g |
| Chemical Component | Ni | Mg | Fe | Cd | Al | Zn | |
|---|---|---|---|---|---|---|---|
| Conventional | Content (g/L) | 17.95 | 19.75 | 13.11 | 0.12 | 0.11 | <0.1 |
| Ultrasonic | Content (g/L) | 18.11 | 21.85 | 13.81 | 0.14 | 0.12 | <0.1 |
Publisher’s Note: MDPI stays neutral with regard to jurisdictional claims in published maps and institutional affiliations. |
© 2021 by the authors. Licensee MDPI, Basel, Switzerland. This article is an open access article distributed under the terms and conditions of the Creative Commons Attribution (CC BY) license (https://creativecommons.org/licenses/by/4.0/).
Share and Cite
Guo, Z.; Guo, P.; Su, G.; Li, F. Study on Ultrasonically-Enhanced Sulfuric Acid Leaching of Nickel from Nickel-Containing Residue. Crystals 2021, 11, 810. https://doi.org/10.3390/cryst11070810
Guo Z, Guo P, Su G, Li F. Study on Ultrasonically-Enhanced Sulfuric Acid Leaching of Nickel from Nickel-Containing Residue. Crystals. 2021; 11(7):810. https://doi.org/10.3390/cryst11070810
Chicago/Turabian StyleGuo, Zhanyong, Ping Guo, Guang Su, and Fachuang Li. 2021. "Study on Ultrasonically-Enhanced Sulfuric Acid Leaching of Nickel from Nickel-Containing Residue" Crystals 11, no. 7: 810. https://doi.org/10.3390/cryst11070810
APA StyleGuo, Z., Guo, P., Su, G., & Li, F. (2021). Study on Ultrasonically-Enhanced Sulfuric Acid Leaching of Nickel from Nickel-Containing Residue. Crystals, 11(7), 810. https://doi.org/10.3390/cryst11070810
