Overlapping Features and Microstructures of Coarse Grain Heat-Affected Zones in Swing Arc Narrow Gap GMA Welded EH40 Grade Steels
Abstract
:1. Introduction
2. Experimental Materials, Methods and Models
3. Results and Discussion
4. Conclusions
- With the given parameters in this study, the size magnitude of the filling height and width of HAZs could be defined with a range of 2.8~4.2 mm and 1.6~2.2 mm, respectively, in grooves with a bottom width of 12 mm when the welding speed was around 180~220 mm/min and the wire feed speed was around 6.5~8.5 m/min. The welding speed had a more significant influence on the width of the HAZ than on the filling height.
- The overlapping features of HAZs among passes in a typical swing arc narrow gap GMA welded joint were defined. The CG-HAZ of a single pass could only be heat-affected by the next two passes.
- The distribution patterns of the CG-HAZs were defined and arranged as a CG-HAZ, an IRCG-HAZ, an SCRCG-HAZ, a UACG-HAZ and an IR-UACG-HAZ from a single heat-affected pass to the third pass.
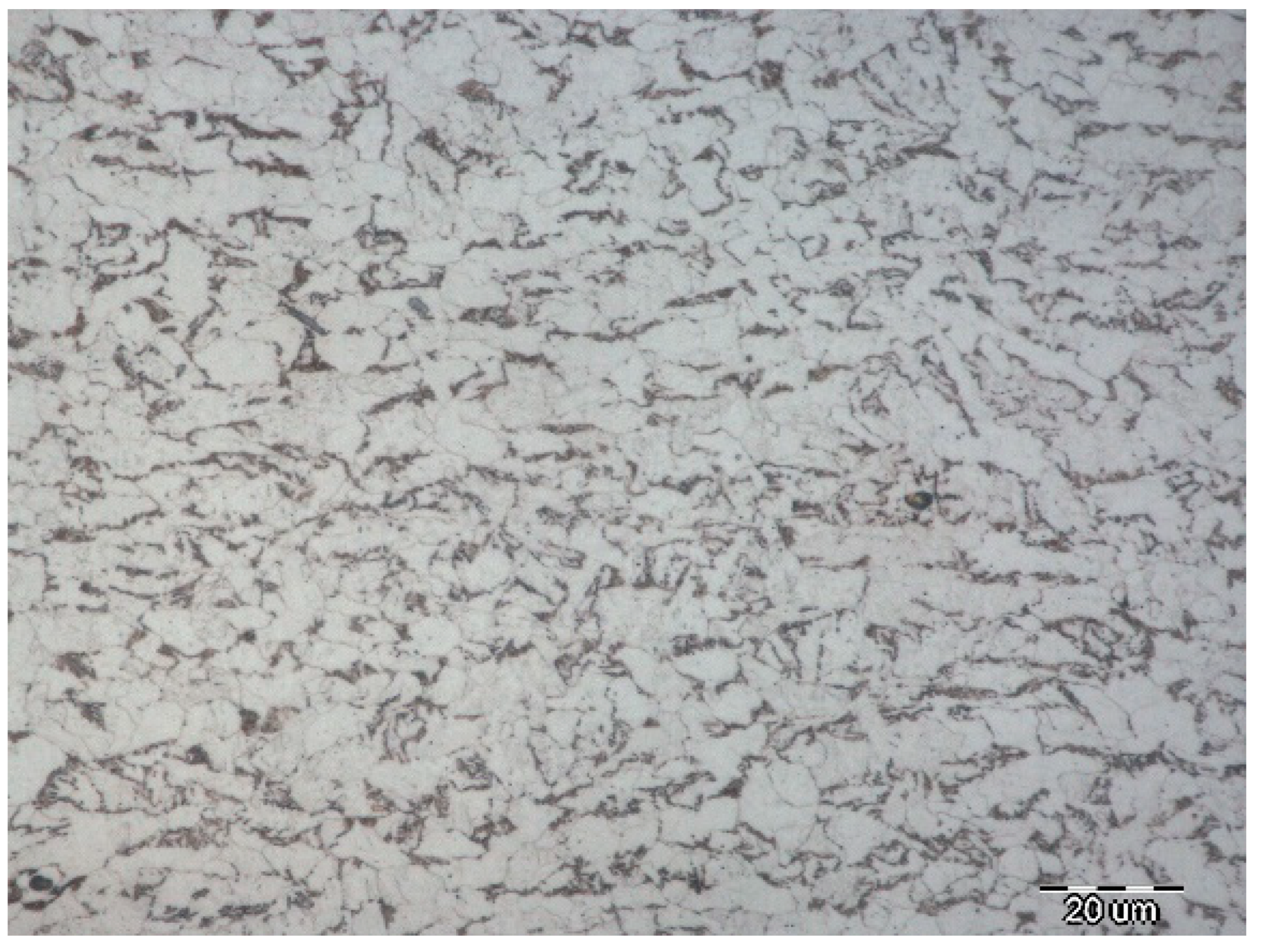
- The microstructures in the CG-HAZ and UACG-HAZ were lath bainite and acicular ferrite, the microstructures in the SCRCG-HAZ were short lath bainite and granular bainite and the microstructures in the IRCG-HAZ and UACG-HAZ were massive textures and secondary austenite decomposition products.
Author Contributions
Funding
Institutional Review Board Statement
Informed Consent Statement
Data Availability Statement
Acknowledgments
Conflicts of Interest
References
- Mandal, N.R. Ship Construction and Welding; Springer: Singapore, 2017. [Google Scholar]
- Dehghani, A.; Aslani, F. A review on defects in steel offshore structures and developed strengthening techniques. Structure 2019, 20, 635–657. [Google Scholar] [CrossRef]
- Tümer, M.; Schneider-Bröskamp, C.; Enzinger, N. Fusion welding of ultra-high strength structural steels—A review. J. Manuf. Process. 2022, 82, 203–229. [Google Scholar] [CrossRef]
- Deng, W.; Qin, X. Development of High Heat Input Welding Offshore Steel as Normalized Condition. In HSLA Steels 2015, Microalloying 2015 & Offshore Engineering Steels 2015; Wiley: Hoboken, NJ, USA, 2015. [Google Scholar]
- Shi, M.H.; Yuan, X.G.; Huang, H.J.; Zhang, S. Effect of Zr Addition on the Microstructure and Toughness of Coarse-Grained Heat-Affected Zone with High-Heat Input Welding Thermal Cycle in Low-Carbon Steel. J. Mater. Eng. Perform. 2017, 26, 3160–3168. [Google Scholar] [CrossRef]
- Shi, Z.; Wang, R.; Wang, Q.; Su, H.; Chai, F.; Yang, C. Microstructures and Continuous Cooling Transformation of CGHAZ in E36 Class V-N-Ti, V-Ti and Nb-Ti Shipbuilding Steels. In HSLA Steels 2015, Microalloying 2015 & Offshore Engineering Steels 2015; Springer: Berlin/Heidelberg, Germany, 2016. [Google Scholar]
- Shi, Y.; Han, Z. Effect of weld thermal cycle on microstructure and fracture toughness of simulated heat-affected zone for a 800 MPa grade high strength low alloy steel. J. Mater. Process. Technol. 2008, 207, 30–39. [Google Scholar] [CrossRef]
- Buchmayr, B. Thermomechanical Treatment of Steels—A Real Disruptive Technology Since Decades. Steel Res. Int. 2017, 88, 1700182. [Google Scholar] [CrossRef]
- Mu, W.; Jönsson, P.G.; Nakajima, K. Recent Aspects on the Effect of Inclusion Characteristics on the Intragranular Ferrite Formation in Low Alloy Steels: A Review. High Temp. Mater. Process. 2017, 36, 309–325. [Google Scholar] [CrossRef]
- Seo, K.; Ryoo, H.; Kim, H.J.; Park, C.G.; Lee, C. Local variation of impact toughness in tandem electro-gas welded joint. Weld. World 2020, 64, 457–465. [Google Scholar] [CrossRef]
- Sha, Q.; Sun, Z. Grain growth behavior of coarse-grained austenite in a Nb–V–Ti microalloyed steel. Mater. Sci. Eng. A 2009, 523, 77–84. [Google Scholar] [CrossRef]
- Medina, S.F.; Chapa, M.; Valles, P. Influence of Ti and N contents on austenite grain control and precipitate size in structural steels. ISIJ Int. 1999, 39, 930–936. [Google Scholar] [CrossRef]
- Liu, Y.; Li, G.; Wan, X.; Zhang, X.; Shen, Y.; Wu, K. Toughness improvement by Zr addition in the simulated coarse-grained heat-affected zone of high-strength low-alloy steels. Ironmak. Steelmak. 2019, 46, 113–123. [Google Scholar] [CrossRef]
- Li, X.; Zhang, T.; Min, Y.; Liu, C.; Jiang, M. Effect of magnesium addition in low-carbon steel part 1: Behaviour of austenite grain growth. Ironmak. Steelmak. 2019, 46, 292–300. [Google Scholar] [CrossRef]
- Guo, N.; Wang, M.; Guo, W.; Yu, J.; Feng, J. Effect of rotating arc process on molten pool control in horizontal welding. Sci. Technol. Weld. Join. 2014, 19, 385–391. [Google Scholar] [CrossRef]
- Xu, W.; Lin, S.; Fan, C.; Zhuo, X.; Yang, C. Statistical modelling of weld bead geometry in oscillating arc narrow gap all-position GMA welding. Int. J. Adv. Technol. 2014, 72, 1705–1716. [Google Scholar] [CrossRef]
- Xu, W.; Lin, S.; Fan, C.; Yang, C. Evaluation on microstructure and mechanical properties of high-strength low-alloy steel joints with oscillating arc narrow gap GMA welding. Int. J. Adv. Technol. 2014, 75, 1439–1446. [Google Scholar] [CrossRef]
- Cai, X.; Fan, C.; Lin, S.; Ji, X.; Yang, C.; Guo, W. Effects of shielding gas composition on arc properties and wire melting characteristics in narrow-gap MAG welding. J. Mater. Process. Technol. 2017, 244, 225–230. [Google Scholar] [CrossRef]
- Ferreira, S.L.C.; Bruns, R.E.; Ferreira, H.S.; Matos, G.D.; David, J.M.; Brandao, G.C.; Silva, E.G.P.D.; Portugal, L.A.; Reis, P.S.D.; Souza, A.S. Box-Behnken design: An alternative for the optimization of analytical methods. Anal. Chim. Acta 2007, 597, 179–186. [Google Scholar] [CrossRef] [PubMed]
- Ngo, T.T.; Wang, C.C.; Huang, J.H.; Than, V.T. Estimating heat generation and welding temperature for Gas Metal Arc Welding process. Appl. Therm. Eng. 2019, 160, 114056. [Google Scholar] [CrossRef]
- Gotelli, N.J.; Ellison, A.M. A Primer of Ecological Statistics; Sinauer Associates Sunderland: Oxford, UK, 2004. [Google Scholar]
- Zhao, H.; Palmiere, E.J. Effect of austenite grain size on acicular ferrite transformation in a HSLA steel. Mater. Charact. 2018, 145, 479–489. [Google Scholar] [CrossRef]














| C | Cr | Mn | Mo | Ni | P | S | Si | Fe | |
|---|---|---|---|---|---|---|---|---|---|
| EH40 | 0.080 | 0.018 | 1.500 | 0.003 | 0.350 | 0.015 | 0.002 | 0.350 | Bal. |
| MG-51T | 0.110 | - | 1.150 | - | - | 0.011 | 0.012 | 0.530 | Bal. |
| Symbol and Variable | Nomenclature and Range |
|---|---|
| vfill | Wire feed speed used in the welding procedure (6.5~8.5 m/min) |
| vweld | Welding speed used in the welding procedure (180~220 mm/min) |
| bgroove | Width of the bottom of the grooves used in the experiments (10/12/14 mm) |
| Pulse time | 2 ms |
| Base time | 2.5 ms |
| Peak voltage | 30.5 V |
| Base current | 60 A |
| Angular velocity | Angular velocity of conductive rod (300 °/s) |
| Oscillation amplitude | Oscillated width of the wire tip before arc striking (7/9/11 mm) |
| Staying time | Time during which the arc stays near the sidewall (300 ms) |
| Variable | Unit | Code | ||
|---|---|---|---|---|
| −1 | 0 | 1 | ||
| vfill | m/min | 6.5 | 7.5 | 8.5 |
| vweld | mm/min | 180 | 200 | 220 |
| bgroove | mm | 10 | 12 | 14 |
| Parameters Code | Response | ||||
|---|---|---|---|---|---|
| vfill | Vweld | bgroove | hfill (mm) | wHAZ (mm) | |
| 1 | −1 | −1 | 0 | 2.98 | 1.94888 |
| 2 | 1 | −1 | 0 | 4.47 | 2.23833 |
| 3 | −1 | 1 | 0 | 2.65 | 1.61585 |
| 4 | 1 | 1 | 0 | 3.27 | 1.69396 |
| 5 | −1 | 0 | −1 | 3.52 | 1.83829 |
| 6 | 1 | 0 | −1 | 4.30 | 2.26777 |
| 7 | −1 | 0 | 1 | 2.67 | 1.62266 |
| 8 | 1 | 0 | 1 | 3.44 | 1.52655 |
| 9 | 0 | −1 | −1 | 4.11 | 2.30823 |
| 10 | 0 | 1 | −1 | 3.68 | 1.98017 |
| 11 | 0 | −1 | 1 | 3.24 | 1.759 |
| 12 | 0 | 1 | 1 | 2.56 | 1.47005 |
| 13 | 0 | 0 | 0 | 3.27 | 1.86263 |
| 14 | 0 | 0 | 0 | 3.20 | 1.84335 |
| 15 | 0 | 0 | 0 | 3.16 | 1.88054 |
| 16 | 0 | 0 | 0 | 3.26 | 2.07303 |
| 17 | 0 | 0 | 0 | 3.38 | 1.83979 |
| Pulse Time (ms) | Base Time (ms) | Peak Voltage (V) | Base Current (A) | Angular Velocity (°/s) | Oscillation Amplitude (mm) | Staying Time (ms) |
|---|---|---|---|---|---|---|
| 2.0 | 2.5 | 30.5 | 60 | 300 | 7/9/11 | 300 |
| a1 (mm) | a2 (mm) | b (mm) | c (mm) | η | ε [19] | σ (W·m−2K−4) | hc [20] (W·m−2K−1) |
|---|---|---|---|---|---|---|---|
| 3 | 6 | 3 | 3 | 0.72 | 0.3 | 5.67 × 10−8 | 10 |
| Function | Lack of Fit F-Value | Model F-Value | R2 | Adjusted R2 | Predicted R2 | Adeq Precision |
|---|---|---|---|---|---|---|
| hfill | 0.0798 | 33.51 | 0.9526 | 0.9242 | 0.8307 | 20.1110 |
| wHAZ | 0.8023 | 23.48 | 0.9337 | 0.8940 | 0.8342 | 17.2704 |
| Wire Feed Speed (m/min) | Welding Speed (mm/min) | Penetration (mm) |
|---|---|---|
| 6.5 | 180 | 1.88 |
| 6.5 | 220 | 1.73 |
| 7.5 | 200 | 1.89 |
| 8.5 | 180 | 1.75 |
| 8.5 | 220 | 1.84 |
| Wire Feed Speed (m/min) | Welding Speed (mm/min) | Pass | Width of the Groove (mm) |
|---|---|---|---|
| 7.5–8.0 | 200 | 4 | 12 |
| Zone | t8/6 (s) | t6/5 (s) | t500/Ms (s) | Tp-end (℃) | tp/8 (s) |
|---|---|---|---|---|---|
| CG-HAZ1 | 3.13 | 6.20 | 8.16 | 1336.46 | 2.65 |
| CG-HAZ2 | 6.19 | 16.32 | 42.84 | 1355.64 | 3.94 |
| CG-HAZ3 | 7.54 | 17.32 | 41.8 | 1304.49 | 4.31 |
| UACG-HAZ | 12.57 | 23.64 | 68.8 | 1400 | 7.70 |
| SCRCG-HAZ | 10.44 | 17.28 | 37.8 | 1020.66 | 4.02 |
| IRCG-HAZ | 12.2 | 18.08 | 36.72 | 817.17 | 0.61 |
| IR-UACG-HAZ | 24.85 | 166.92 | 240 | 790.69 | - |
Disclaimer/Publisher’s Note: The statements, opinions and data contained in all publications are solely those of the individual author(s) and contributor(s) and not of MDPI and/or the editor(s). MDPI and/or the editor(s) disclaim responsibility for any injury to people or property resulting from any ideas, methods, instructions or products referred to in the content. |
© 2022 by the authors. Licensee MDPI, Basel, Switzerland. This article is an open access article distributed under the terms and conditions of the Creative Commons Attribution (CC BY) license (https://creativecommons.org/licenses/by/4.0/).
Share and Cite
Ni, Z.; Hu, F.; Dong, B.; Cai, X.; Lin, S. Overlapping Features and Microstructures of Coarse Grain Heat-Affected Zones in Swing Arc Narrow Gap GMA Welded EH40 Grade Steels. Crystals 2023, 13, 33. https://doi.org/10.3390/cryst13010033
Ni Z, Hu F, Dong B, Cai X, Lin S. Overlapping Features and Microstructures of Coarse Grain Heat-Affected Zones in Swing Arc Narrow Gap GMA Welded EH40 Grade Steels. Crystals. 2023; 13(1):33. https://doi.org/10.3390/cryst13010033
Chicago/Turabian StyleNi, Zhida, Fengya Hu, Bolun Dong, Xiaoyu Cai, and Sanbao Lin. 2023. "Overlapping Features and Microstructures of Coarse Grain Heat-Affected Zones in Swing Arc Narrow Gap GMA Welded EH40 Grade Steels" Crystals 13, no. 1: 33. https://doi.org/10.3390/cryst13010033
APA StyleNi, Z., Hu, F., Dong, B., Cai, X., & Lin, S. (2023). Overlapping Features and Microstructures of Coarse Grain Heat-Affected Zones in Swing Arc Narrow Gap GMA Welded EH40 Grade Steels. Crystals, 13(1), 33. https://doi.org/10.3390/cryst13010033

