Open-Celled Foams from Polyethersulfone/Poly(Ethylene Glycol) Blends Using Foam Extrusion
Abstract
1. Introduction
2. Experiment
2.1. Materials and Methods
2.2. Material Characterization
2.3. Foam Extrusion
2.4. Foam Characterization
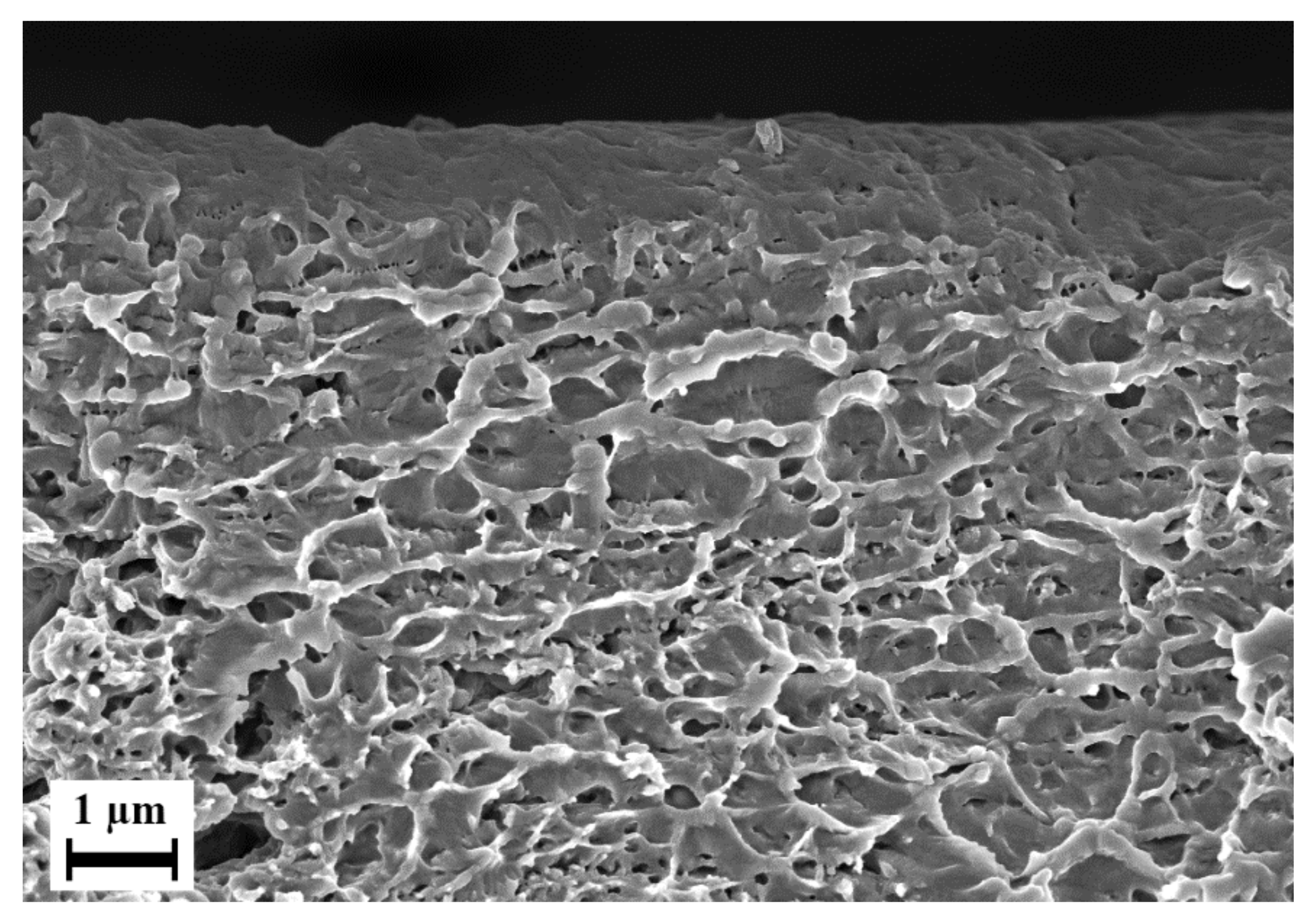
3. Results and Discussions
4. Conclusions
Supplementary Materials
Author Contributions
Funding
Institutional Review Board Statement
Informed Consent Statement
Data Availability Statement
Acknowledgments
Conflicts of Interest
Nomenclature
| Symbol | Parameter | Unit |
| Tg | Glass transition temperature | K |
| w | Mass fraction of polymer | % |
| cp, | Heat capacity of polymer | mW |
| Time | s | |
| Mass of gas absorbed by sample at time t | g | |
| M∞ | Mass of gas absorbed by sample at time t → ; i.e., equilibrium | g |
| DT | Diffusion coefficient at temperature T | |
| Apparent density | g/mL | |
| Text | Extruder temperature | °C |
| TN | Nozzle temperature | °C |
| PN | Nozzle pressure | bar |
| G′ | Storage modulus | Pa |
| G′′ | Loss modulus | Pa |
| ω | Angular frequency | rad/s |
| |η*| | Complex viscosity | Pa s |
References
- Giesa, R.; Schmidt, H.W. High-temperature Stable Polymers. In Encyclopedia of Materials: Science and Technology; Buschow, K.H.J., Cahn, R.W., Flemings, M.C., Ilschner, B., Kramer, E.J., Mahajan, S., Veyssière, P., Eds.; Elsevier: Oxford, UK, 2001; pp. 3803–3806. [Google Scholar] [CrossRef]
- Lutz, H. 2.06—Ultrafiltration: Fundamentals and Engineering. In Comprehensive Membrane Science and Engineering; Drioli, E., Giorno, L., Eds.; Elsevier: Oxford, UK, 2010; pp. 115–139. [Google Scholar] [CrossRef]
- Biernat, U. Threepart Sandwich, One Thermoplastic, Many Possibilities; BASF SE: Ludwigshafen, Germany, 2018. [Google Scholar]
- BASF. Ultrason® (Psu, Pesu, Ppsu)—The Specialty Plastic for High-Quality Parts; BASF SE: Ludwigshafen, Germany, 2020. [Google Scholar]
- Tsehaye, M.T.; Velizarov, S.; Van der Bruggen, B. Stability of polyethersulfone membranes to oxidative agents: A review. Polym. Degrad. Stabil. 2018, 157, 15–33. [Google Scholar] [CrossRef]
- Qi, K.; Huang, R. 3—Polyethersulfone (PES) and Its Processing. In Advanced Polymer Processing Operations; Cheremisinoff, N.P., Ed.; William Andrew Publishing: Westwood, NJ, USA, 1998; pp. 69–99. [Google Scholar] [CrossRef]
- Krause, B.; Boerrigter, M.E.; van der Vegt, N.F.A.; Strathmann, H.; Wessling, M. Novel open-cellular polysulfone morphologies produced with trace concentrations of solvents as pore opener. J. Membr. Sci. 2001, 187, 181–192. [Google Scholar] [CrossRef]
- Krause, B.; van der Vegt, N.F.A.; Wessling, M. New ways to produce porous polymeric membranes by carbon dioxide foaming. Desalination 2002, 144, 5–7. [Google Scholar] [CrossRef]
- Krause, B.; Diekmann, K.; van der Vegt, N.F.A.; Wessling, M. Open nanoporous morphologies from polymeric blends by carbon dioxide foaming. Macromolecules 2002, 35, 1738–1745. [Google Scholar] [CrossRef]
- Sorrentino, L.; Aurilia, M.; Iannace, S. Polymeric Foams from High-Performance Thermoplastics. Adv. Polym. Technol. 2011, 30, 234–243. [Google Scholar] [CrossRef]
- Guo, H.M.; Nicolae, A.; Kumar, V. Fabrication of high temperature polyphenylsulfone nanofoams using high pressure liquid carbon dioxide. Cell Polym. 2016, 35, 119–142. [Google Scholar] [CrossRef]
- Guo, H.M.; Nicolae, A.; Kumar, V. Solid-state microcellular and nanocellular polysulfone foams. J. Polym. Sci. Pol. Phys. 2015, 53, 975–985. [Google Scholar] [CrossRef]
- Owusu-Nkwantabisah, S.; Staudt, C.; Lesser, A.J. Synergy of supercritical CO2 and superheated H2O for enhanced processability of polyethersulfone towards open cell foams. Polym. Eng. Sci. 2018, 58, 1108–1114. [Google Scholar] [CrossRef]
- Raje, A.; Buhr, K.; Koll, J.; Lilleparg, J.; Abetz, V.; Handge, U.A. Open-Celled Foams of Polyethersulfone/Poly(N-vinylpyrrolidone) Blends for Ultrafiltration Applications. Polymers 2022, 14, 1177. [Google Scholar] [CrossRef]
- Jin, F.-L.; Zhao, M.; Park, M.; Park, S.-J. Recent Trends of Foaming in Polymer Processing: A Review. Polymers 2019, 11, 953. [Google Scholar] [CrossRef]
- Lee, S.T. Foam Extrusion, 2nd ed.; Polymeric Foams, Lee, S.T., Park, C.B., Eds.; CRC Press: Boca Raton, FL, USA, 2014; p. 624. [Google Scholar] [CrossRef]
- Huang, Q. Lösemittelfreie Herstellung von Porösen Polymeren Membranen Durch Schaumextrusion. Ph.D. Thesis, Universität Hamburg, Hamburg, Germany, 2000. Available online: https://ediss.sub.uni-hamburg.de/bitstream/ediss/1334/1/Dissertation-Huang.PDF (accessed on 3 November 2022).
- Ruckdäschel, H.; Gutmann, P.; Altstädt, V.; Schmalz, H.; Müller, A.H.E. Foaming of Microstructured and Nanostructured Polymer Blends. In Complex Macromolecular Systems I; Müller, A.H.E., Schmidt, H.-W., Eds.; Springer: Berlin/Heidelberg, Germany, 2010; pp. 199–252. [Google Scholar] [CrossRef]
- Bärwinkel, S.; Bahrami, R.; Löbling, T.I.; Schmalz, H.; Müller, A.H.E.; Altstädt, V. Polymer Foams Made of Immiscible Polymer Blends Compatibilized by Janus Particles—Effect of Compatibilization on Foam Morphology. Adv. Eng. Mater. 2016, 18, 814–825. [Google Scholar] [CrossRef]
- Kong, W.-l.; Bao, J.-B.; Wang, J.; Hu, G.-H.; Xu, Y.; Zhao, L. Preparation of open-cell polymer foams by CO2 assisted foaming of polymer blends. Polymer 2016, 90, 331–341. [Google Scholar] [CrossRef]
- Haurat, M.; Dumon, M. Amorphous Polymers’ Foaming and Blends with Organic Foaming-Aid Structured Additives in Supercritical CO2, a Way to Fabricate Porous Polymers from Macro to Nano Porosities in Batch or Continuous Processes. Molecules 2020, 25, 5320. [Google Scholar] [CrossRef] [PubMed]
- Krause, B.; Wessling, M.; Göhl, H.; Storr, M. Membrane and Use Thereof; European Patent Office, Ed.; Gambro Lundia AB: Lund, Germany, 2020. [Google Scholar]
- Yoshida, M.; Prasad, P.N. Fabrication of channel waveguides from sol-gel-processed polyvinylpyrrolidone/SiO2 composite materials. Appl. Opt. 1996, 35, 1500–1506. [Google Scholar] [CrossRef] [PubMed]
- Raviv, U.; Klein, J. 2.24—Adhesion, Friction, and Lubrication between Polymer-Bearing Surfaces. In Polymer Science: A Comprehensive Reference; Matyjaszewski, K., Möller, M., Eds.; Elsevier: Amsterdam, The Netherlands, 2012; pp. 607–628. [Google Scholar] [CrossRef]
- Ibrahim, M.S.; El-Wassefy, N.A.; Farahat, D.S. 8—Biocompatibility of dental biomaterials. In Biomaterials for Oral and Dental Tissue Engineering; Tayebi, L., Moharamzadeh, K., Eds.; Woodhead Publishing: Sawston, UK, 2017; pp. 117–140. [Google Scholar] [CrossRef]
- Porter, S.; Sackett, G.; Liu, L. Chapter 33—Development, Optimization, and Scale-up of Process Parameters: Pan Coating. In Developing Solid Oral Dosage Forms; Qiu, Y., Chen, Y., Zhang, G.G.Z., Liu, L., Porter, W.R., Eds.; Academic Press: San Diego, CA, USA, 2009; pp. 761–805. [Google Scholar] [CrossRef]
- Shah, H.; Jain, A.; Laghate, G.; Prabhudesai, D. Chapter 32—Pharmaceutical excipients. In Remington, 23rd ed.; Adejare, A., Ed.; Academic Press: Cambridge, MA, USA, 2021; pp. 633–643. [Google Scholar] [CrossRef]
- Hutanu, D.; Frishberg, M.D.; Guo, L.; Darie, C.C. Recent Applications of Polyethylene Glycols (PEGs) and PEG Derivatives. Mod. Chem. Appl. 2014, 2, 1–6. [Google Scholar] [CrossRef]
- Dimitrov, I.; Tsvetanov, C.B. 4.27—Oligomeric Poly(ethylene oxide)s. Functionalized Poly(ethylene glycol)s. PEGylation. In Polymer Science: A Comprehensive Reference; Matyjaszewski, K., Möller, M., Eds.; Elsevier: Amsterdam, The Netherlands, 2012; pp. 679–693. [Google Scholar] [CrossRef]
- Gronwald, O.; Frost, I.; Ulbricht, M.; Shalmani, A.K.; Panglisch, S.; Grunig, L.; Handge, U.A.; Abetz, V.; Heijnen, M.; Weber, M. Hydrophilic poly(phenylene sulfone) membranes for ultrafiltration. Sep. Purif. Technol. 2020, 250, 117107. [Google Scholar] [CrossRef]
- Hao, Y.; Liang, C.; Moriya, A.; Matsuyama, H.; Maruyama, T. Visualization of Protein Fouling inside a Hollow Fiber Ultrafiltration Membrane by Fluorescent Microscopy. Ind. Eng. Chem. Res. 2012, 51, 14850–14858. [Google Scholar] [CrossRef]
- Barry, E.; Mane, A.U.; Libera, J.A.; Elam, J.W.; Darling, S.B. Advanced oil sorbents using sequential infiltration synthesis. J. Mater. Chem. A 2017, 5, 2929–2935. [Google Scholar] [CrossRef]
- Gronwald, O.; Weber, M. AGNIQUE AMD 3L as green solvent for polyethersulfone ultrafiltration membrane preparation. J. Appl. Polym. Sci. 2020, 137, 48419. [Google Scholar] [CrossRef]
- Anastas, P.T.; Warner, J.C. Green chemistry. Frontiers 1998, 640, 1998. [Google Scholar]
- Redlich, C.A.; Beckett, W.S.; Sparer, J.; Barwick, K.W.; Riely, C.A.; Miller, H.; Sigal, S.L.; Shalat, S.L.; Cullen, M.R. Liver-disease associated with occupational exposure to the solvent dimethylformamide. Ann. Intern. Med. 1988, 108, 680–686. [Google Scholar] [CrossRef] [PubMed]
- Gutmann, P.; Hildebrandt, K.; Altstädt, V.; Müller, A.H.E. Foaming of an Immiscible Blend System Using Organic Liquids as Blowing Agents. J. Cell. Plast. 2010, 46, 239–258. [Google Scholar] [CrossRef]
- Okolieocha, C.; Raps, D.; Subramaniam, K.; Altstädt, V. Microcellular to nanocellular polymer foams: Progress (2004–2015) and future directions—A review. Eur. Polym. J. 2015, 73, 500–519. [Google Scholar] [CrossRef]
- Hwang, Y.D.; Cha, S.W. The relationship between gas absorption and the glass transition temperature in a batch microcellular foaming process. Polym. Test. 2002, 21, 269–275. [Google Scholar] [CrossRef]
- Sauceau, M.; Fages, J.; Common, A.; Nikitine, C.; Rodier, E. New challenges in polymer foaming: A review of extrusion processes assisted by supercritical carbon dioxide. Prog. Polym. Sci. 2011, 36, 749–766. [Google Scholar] [CrossRef]
- Jacobs, L.J.M. Carbon Dioxide as a Sustainable Means to Control Polymer Foam Morphology. Ph.D. Thesis, Technische Universiteit Eindhoven, Eindhoven, The Netherlands, 2008. Available online: https://research.tue.nl/en/publications/carbon-dioxide-as-a-sustainable-means-to-control-polymer-foam-mor (accessed on 3 November 2022).
- Han, X.; Koelling, K.W.; Tomasko, D.L.; Lee, L.J. Continuous microcellular polystyrene foam extrusion with supercritical CO2. Polym. Eng. Sci. 2002, 42, 2094–2106. [Google Scholar] [CrossRef]
- Park, C.B.; Behravesh, A.H.; Venter, R.D. Low density microcellular foam processing in extrusion using CO2. Polym. Eng. Sci. 1998, 38, 1812–1823. [Google Scholar] [CrossRef]
- Chauvet, M.; Sauceau, M.; Fages, J. Extrusion assisted by supercritical CO2: A review on its application to biopolymers. J. Supercrit. Fluids 2017, 120, 408–420. [Google Scholar] [CrossRef]
- Michaeli, W.; Heinz, R. Foam extrusion of thermoplastic polyurethanes (TPU) using CO2 as a blowing agent. Macromol. Mater. Eng. 2000, 284–285, 35–39. [Google Scholar] [CrossRef]
- Yeh, S.-K.; Yang, S.-H.; Han, L.; Liu, H.-Y.; Liao, Y.-S.; Chang, Y.-C. Foam extrusion of polypropylene–rice husk composites using CO2 as the blowing agent. J. Cell. Plast. 2019, 55, 401–419. [Google Scholar] [CrossRef]
- Mi, H.-Y.; Jing, X.; Liu, Y.; Li, L.; Li, H.; Peng, X.-F.; Zhou, H. Highly Durable Superhydrophobic Polymer Foams Fabricated by Extrusion and Supercritical CO2 Foaming for Selective Oil Absorption. ACS Appl. Mater. Interfaces 2019, 11, 7479–7487. [Google Scholar] [CrossRef] [PubMed]
- Sun, H.L.; Sur, G.S.; Mark, J.E. Microcellular foams from polyethersulfone and polyphenylsulfone—Preparation and mechanical properties. Eur. Polym. J. 2002, 38, 2373–2381. [Google Scholar] [CrossRef]
- Schulze, M.; Handge, U.A.; Abetz, V. Preparation and characterisation of open-celled foams using polystyrene-b-poly(4-vinylpyridine) and poly(4-methylstyrene)-b-poly(4-vinylpyridine) diblock copolymers. Polymer 2017, 108, 400–412. [Google Scholar] [CrossRef]
- Evans, G.C.; Lesser, A.J. Processing polyamides with superheated water. J. Polym. Sci. Part B Polym. Phys. 2018, 56, 803–813. [Google Scholar] [CrossRef]
- Papageorgiou, G.Z.; Bikiaris, D.N. Crystallization and melting behavior of three biodegradable poly(alkylene succinates). A comparative study. Polymer 2005, 46, 12081–12092. [Google Scholar] [CrossRef]
- Halder, K.; Khan, M.M.; Grünauer, J.; Shishatskiy, S.; Abetz, C.; Filiz, V.; Abetz, V. Blend membranes of ionic liquid and polymers of intrinsic microporosity with improved gas separation characteristics. J. Membr. Sci. 2017, 539, 368–382. [Google Scholar] [CrossRef]
- Schulze, M.; Handge, U.A.; Rangou, S.; Lillepärg, J.; Abetz, V. Thermal properties, rheology and foams of polystyrene-block-poly(4-vinylpyridine) diblock copolymers. Polymer 2015, 70, 88–99. [Google Scholar] [CrossRef]
- Wang, J.S.; Kamiya, Y. Concurrent Measurements of Sorption and Dilation Isotherms and Diffusivity for Polysulfone Membrane Carbon-Dioxide System. J. Membr. Sci. 1995, 98, 69–76. [Google Scholar] [CrossRef]
- Barrer, R.M. Diffusivities in Glassy-Polymers for the Dual Mode Sorption Model. J. Membr. Sci. 1984, 18, 25–35. [Google Scholar] [CrossRef]
- Frisch, H.L. Sorption and Transport in Glassy-Polymers—Review. Polym. Eng. Sci. 1980, 20, 2–13. [Google Scholar] [CrossRef]
- Höhme, C.; Filiz, V.; Abetz, C.; Georgopanos, P.; Scharnagl, N.; Abetz, V. Postfunctionalization of Nanoporous Block Copolymer Membranes via Click Reaction on Polydopamine for Liquid Phase Separation. ACS Appl. Nano Mater. 2018, 1, 3124–3136. [Google Scholar] [CrossRef]
- Georgopanos, P.; Eichner, E.; Filiz, V.; Handge, U.A.; Schneider, G.A.; Heinrich, S.; Abetz, V. Improvement of mechanical properties by a polydopamine interface in highly filled hierarchical composites of titanium dioxide particles and poly(vinyl butyral). Compos. Sci. Technol. 2017, 146, 73–82. [Google Scholar] [CrossRef]
- Cassagnau, P.; Courmont, M.; Melis, F.; Puaux, J.P. Study of mixing of liquid/polymer in twin screw extruder by residence time distribution. Polym. Eng. Sci. 2005, 45, 926–934. [Google Scholar] [CrossRef]
- Naeini, A.T. Visualization of the Crystallization in Foam Extrusion Process. Theory Comput. Syst. Math. Syst. Theory 2012, 14, 1–93. [Google Scholar]
- Maruhashi, Y.; Iida, S. Transparency of polymer blends. Polym. Eng. Sci. 2001, 41, 1987–1995. [Google Scholar] [CrossRef]
- Safety Data Sheet—Polyethylene Glycol 200 for Synthesis; Sigma-Aldrich: St. Louis, MO, USA, 2021.
- Lillepärg, J.; Georgopanos, P.; Shishatskiy, S. Stability of blended polymeric materials for CO2 separation. J. Membr. Sci. 2014, 467, 269–278. [Google Scholar] [CrossRef]
- Couchman, P.R. The Glass-Transition of Compatible Blends. Polym. Eng. Sci. 1987, 27, 618–621. [Google Scholar] [CrossRef]
- Fox, T.G. Influence of diluent and of copolymer composition on the glass temperature of a polymer system. Bull. Am. Phys. Soc. 1956, 1, 123. [Google Scholar]
- Georgopanos, P.; Handge, U.A.; Abetz, C.; Abetz, V. Influence of block sequence and molecular weight on morphological, rheological and dielectric properties of weakly and strongly segregated styrene-isoprene triblock copolymers. Polymer 2016, 104, 279–295. [Google Scholar] [CrossRef]
- Couchman, P.R. Compositional variation of glass-transition temperatures. 2. Application of thermodynamic theory to compatible polymer blends. Macromolecules 1978, 11, 1156–1161. [Google Scholar] [CrossRef]
- Sailer, C.; Weber, M.; Steininger, H.; Handge, U.A. Grafting of polyamide 6 on a styrene-acrylonitrile maleic anhydride terpolymer: Melt rheology at the critical gel state. Rheol. Acta 2009, 48, 579–588. [Google Scholar] [CrossRef]
- Asthana, H.; Jayaraman, K. Rheology of Reactively Compatibilized Polymer Blends with Varying Extent of Interfacial Reaction. Macromolecules 1999, 32, 3412–3419. [Google Scholar] [CrossRef]
- Stadler, R.; Freitas, L.D.; Krieger, V.; Klotz, S. Influence of the Phase-Separation on the Linear Viscoelastic Properties of a Polystyrene Polyvinyl Methyl-Ether) Blend. Polymer 1988, 29, 1643–1647. [Google Scholar] [CrossRef]
- Bates, F.S. Block Copolymers near the Microphase Separation Transition. 2. Linear Dynamic Mechanical-Properties. Macromolecules 1984, 17, 2607–2613. [Google Scholar] [CrossRef]
- Mani, S.; Malone, M.F.; Winter, H.H. Influence of Phase-Separation on the Linear Viscoelastic Behavior of a Miscible Polymer Blend. J. Rheol. 1992, 36, 1625–1649. [Google Scholar] [CrossRef][Green Version]
- Lillepärg, J.; Georgopanos, P.; Emmler, T.; Shishatskiy, S. Effect of the reactive amino and glycidyl ether terminated polyethylene oxide additives on the gas transport properties of Pebax® bulk and thin film composite membranes. RSC Adv. 2016, 6, 11763–11772. [Google Scholar] [CrossRef]
- Urakawa, O.; Ujii, T.; Adachi, K. Dynamic heterogeneity in a miscible poly(vinyl acetate)/poly(ethylene oxide) blend. J. Non-Cryst. Solids 2006, 352, 5042–5049. [Google Scholar] [CrossRef]
- Kalogeras, I.M. Glass-Transition Phenomena in Polymer Blends. In Encyclopedia of Polymer Blends; John Wiley & Sons, Ltd.: Hoboken, NJ, USA, 2016; pp. 1–134. [Google Scholar] [CrossRef]
- Han, C.D.; Kim, J. Rheological Technique for Determining the Order—Disorder Transition of Block Copolymers. J. Polym. Sci. Pol. Phys. 1987, 25, 1741–1764. [Google Scholar] [CrossRef]
- Yu, Z.X.; Wang, J.; Li, P.H.; Ding, D.C.; Zheng, X.; Hu, C.Q.; Gao, Z.N.; Hu, T.; Gong, X.H.; Wu, C.G. Melt Blending Modification of Commercial Polystyrene with Its Half Critical Molecular Weight, High Ion Content Ionomer, Poly(styrene-ran-cinnamic Acid) Zn Salt, toward Heat Resistance Improvement. Polymers 2020, 12, 584. [Google Scholar] [CrossRef]
- Walha, F.; Lamnawar, K.; Maazouz, A.; Jaziri, M. Rheological, Morphological and Mechanical Studies of Sustainably Sourced Polymer Blends Based on Poly(Lactic Acid) and Polyamide 11. Polymers 2016, 8, 61. [Google Scholar] [CrossRef]
- Luo, H.Y.; Han, H.; Chi, H.F.; Li, J.Y.; Zhao, S.M.; Tao, Y.; Hu, H.Q. Research on the viscous flow transition of styrene-isoprene-styrene triblock copolymer by Rheology. J. Polym. Res. 2021, 28, 160. [Google Scholar] [CrossRef]
- Tian, J.; Yu, W.; Zhou, C. The preparation and rheology characterization of long chain branching polypropylene. Polymer 2006, 47, 7962–7969. [Google Scholar] [CrossRef]
- Wu, D.; Huang, A.; Fan, J.; Xu, R.; Liu, P.; Li, G.; Yang, S. Effect of blending procedures and reactive compatibilizers on the properties of biodegradable poly(butylene adipate-co-terephthalate)/poly(lactic acid) blends. J. Polym. Eng. 2021, 41, 95–108. [Google Scholar] [CrossRef]
- Dunstan, D.E. The viscosity-radius relationship for concentrated polymer solutions. Sci. Rep. 2019, 9, 543. [Google Scholar] [CrossRef]
- John Vlachopoulos, N.D.P. Basic Concepts in Polymer Melt Rheology and Their Importance in Processing. In Applied Polymer Rheology: Polymeric Fluids with Industrial Applications; Kontopoulou, M., Ed.; John WIley & Sons: Hoboken, NJ, USA, 2012; pp. 1–27. [Google Scholar]
- Hernández-Alamilla, M.; Valadez-Gonzalez, A. The effect of two commercial melt strength enhancer additives on the thermal, rheological and morphological properties of polylactide. J. Polym. Eng. 2016, 36, 31–41. [Google Scholar] [CrossRef]
- Roland, C.M. Chapter 6—Rheological Behavior and Processing of Unvulcanized Rubber. In The Science and Technology of Rubber, 4th ed.; Mark, J.E., Erman, B., Roland, C.M., Eds.; Academic Press: Boston, MA, USA, 2013; pp. 285–336. [Google Scholar] [CrossRef]
- Vlachopoulos, J.; Strutt, D. The Role of Rheology in Polymer Extrusion. In Proceedings of the Extrusion Minitec and Conference: From Basics to Recent Developments, Düsseldorf, Germany, 2003. [Google Scholar]
- John Vlachopoulos, N.D.P. Understanding Rheology and Technology of Polymer Extrusion; Polydynamics Inc.: Dundas, ON, Canada, 2019. [Google Scholar]
- Mitsoulis, E.; Hatzikiriakos, S.G. Rheological Properties Related to Extrusion of Polyolefins. Polymers 2021, 13, 489. [Google Scholar] [CrossRef]
- Abeykoon, C.; Kelly, A.; Wilkinson, A. Investigation of Thermal Stability of Non-Newtonian Melt Flows; Avestia: Orléans, ON, Canada, 2019. [Google Scholar] [CrossRef]
- Han, C.D.; Villamizar, C.A. Studies on structural foam processing I. The rheology of foam extrusion. Polym. Eng. Sci. 1978, 18, 687–698. [Google Scholar] [CrossRef]
- Di Maio, E.; Iannace, S.; Mensitieri, G. Chapter 6—Mass transport of low molecular weight compounds in polymers. In Supercritical Fluid Science and Technology; Di Maio, E., Iannace, S., Mensitieri, G., Eds.; Elsevier: Amsterdam, The Netherlands, 2021; Volume 9, pp. 179–230. [Google Scholar] [CrossRef]
- Berens, A.R. Transport of Plasticizing Penetrants in Glassy Polymers. In Barrier Polymers and Structures; American Chemical Society: New York, NY, USA, 1990; Volume 423, pp. 92–110. [Google Scholar] [CrossRef]
- Barrer, R.M.; Rideal, E.K. Permeation, diffusion and solution of gases in organic polymers. Trans. Faraday Soc. 1939, 35, 628–643. [Google Scholar] [CrossRef]
- Gendron, R. Thermoplastic Foam Processing: Principles and Development; CRC Press: Boca Raton, FL, USA, 2004. [Google Scholar]
- Standau, T.; Castellón, S.M.; Delavoie, A.; Bonten, C.; Altstädt, V. Effects of chemical modifications on the rheological and the expansion behavior of polylactide (PLA) in foam extrusion. e-Polymers 2019, 19, 297–304. [Google Scholar] [CrossRef]
- Shabani, A.; Fathi, A.; Erlwein, S.; Altstädt, V. Thermoplastic polyurethane foams: From autoclave batch foaming to bead foam extrusion. J. Cell. Plast. 2021, 57, 391–411. [Google Scholar] [CrossRef]
- Kalia, K.; Francoeur, B.; Amirkhizi, A.; Ameli, A. In Situ Foam 3D Printing of Microcellular Structures Using Material Extrusion Additive Manufacturing. ACS Appl. Mater. Interfaces 2022, 14, 22454–22465. [Google Scholar] [CrossRef] [PubMed]
- Doyle, L. Extrusion foaming behavior of polybutene-1. Toward single-material multifunctional sandwich structures. J. Appl. Polym. Sci. 2022, 139, 51816. [Google Scholar] [CrossRef]
- Azdast, T.; Hasanzadeh, R. Increasing cell density/decreasing cell size to produce microcellular and nanocellular thermoplastic foams: A review. J. Cell. Plast. 2021, 57, 769–797. [Google Scholar] [CrossRef]
- Lee, Y.H.; Wang, K.H.; Park, C.B.; Sain, M. Effects of clay dispersion on the foam morphology of LDPE/clay nanocomposites. J. Appl. Polym. Sci. 2007, 103, 2129–2134. [Google Scholar] [CrossRef]
- Nikitine, C.; Rodier, E.; Sauceau, M.; Letourneau, J.-J.; Fages, J. Controlling the structure of a porous polymer by coupling supercritical CO2 and single screw extrusion process. J. Appl. Polym. Sci. 2010, 115, 981–990. [Google Scholar] [CrossRef]
- Minju, N.; Jobin, G.; Savithri, S.; Ananthakumar, S. Double-Silicate Derived Hybrid Foams for High-Capacity Adsorption of Textile Dye Effluent: Statistical Optimization and Adsorption Studies. Langmuir 2019, 35, 9382–9395. [Google Scholar] [CrossRef]
- Galzerano, B.; Cabello, C.I.; Muñoz, M.; Buonocore, G.G.; Aprea, P.; Liguori, B.; Verdolotti, L. Fabrication of Green Diatomite/Chitosan-Based Hybrid Foams with Dye Sorption Capacity. Materials 2020, 13, 3760. [Google Scholar] [CrossRef]
- Novais, R.M.; Pullar, R.C.; Labrincha, J.A. Geopolymer foams: An overview of recent advancements. Prog. Mater. Sci. 2020, 109, 100621. [Google Scholar] [CrossRef]
- Gong, P.J.; Taniguchi, T.; Ohshima, M. Nanoporous structure of the cell walls of polycarbonate foams. J. Mater. Sci. 2014, 49, 2605–2617. [Google Scholar] [CrossRef]
- Smith, R.M. Extractions with superheated water. J. Chromatogr. A 2002, 975, 31–46. [Google Scholar] [CrossRef]

















| Blend Name | PESU E 3020 P | PEG 200 |
|---|---|---|
| Content (wt%) | Content (wt%) | |
| E3_PEG200_08 | 92 | 8 |
| E3_PEG200_14 | 86 | 14 |
| E3_PEG200_20 | 80 | 20 |
| E3_PEG200_26 | 74 | 26 |
| Material | Text |
|---|---|
| (°C) | |
| E3_PEG_14 | 230 |
| E3_PEG_20 | 200 |
Disclaimer/Publisher’s Note: The statements, opinions and data contained in all publications are solely those of the individual author(s) and contributor(s) and not of MDPI and/or the editor(s). MDPI and/or the editor(s) disclaim responsibility for any injury to people or property resulting from any ideas, methods, instructions or products referred to in the content. |
© 2022 by the authors. Licensee MDPI, Basel, Switzerland. This article is an open access article distributed under the terms and conditions of the Creative Commons Attribution (CC BY) license (https://creativecommons.org/licenses/by/4.0/).
Share and Cite
Raje, A.; Georgopanos, P.; Koll, J.; Lillepärg, J.; Handge, U.A.; Abetz, V. Open-Celled Foams from Polyethersulfone/Poly(Ethylene Glycol) Blends Using Foam Extrusion. Polymers 2023, 15, 118. https://doi.org/10.3390/polym15010118
Raje A, Georgopanos P, Koll J, Lillepärg J, Handge UA, Abetz V. Open-Celled Foams from Polyethersulfone/Poly(Ethylene Glycol) Blends Using Foam Extrusion. Polymers. 2023; 15(1):118. https://doi.org/10.3390/polym15010118
Chicago/Turabian StyleRaje, Aniket, Prokopios Georgopanos, Joachim Koll, Jelena Lillepärg, Ulrich A. Handge, and Volker Abetz. 2023. "Open-Celled Foams from Polyethersulfone/Poly(Ethylene Glycol) Blends Using Foam Extrusion" Polymers 15, no. 1: 118. https://doi.org/10.3390/polym15010118
APA StyleRaje, A., Georgopanos, P., Koll, J., Lillepärg, J., Handge, U. A., & Abetz, V. (2023). Open-Celled Foams from Polyethersulfone/Poly(Ethylene Glycol) Blends Using Foam Extrusion. Polymers, 15(1), 118. https://doi.org/10.3390/polym15010118

