Modeling-Based Energy Performance Assessment and Validation of Air-To-Water Heat Pump System Integrated with Multi-Span Greenhouse on Cooling Mode
Abstract
:1. Introduction
2. Materials and Methods
2.1. Description of Experimental Setup
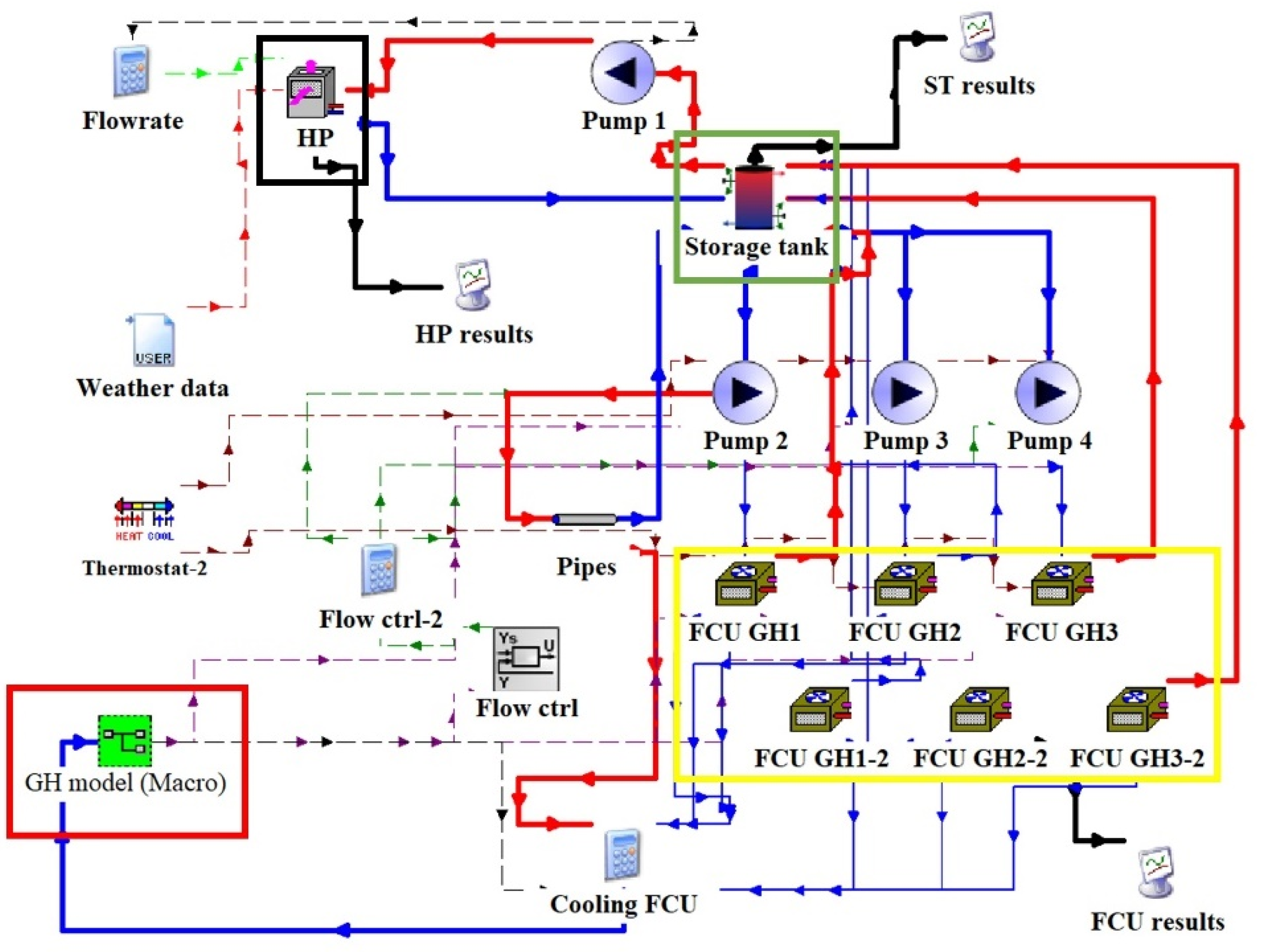
2.2. Modeling and Simulation
2.3. Statistical Analysis of BES Model
3. Results and Discussion
4. Conclusions
- The validation results for the cooling energy supplied to the greenhouse showed NES values of 0.87, 0.87, 0.85, and 0.86, for June, July, August, and September, respectively.
- The validation results for the air temperature inside the greenhouse showed NES values of 0.81, 0.67, 0.82, and 0.76, for June, July, August, and September, respectively.
- The observed R2 values of the experimental and simulated cooling loads compared with solar radiation were 0.83 and 79, respectively.
- The observed R2 values of the experimental and simulated cooling loads compared with the outside air temperature were 0.39 and 35, respectively.
- The R2 results demonstrate that the cooling load is more dependent on solar radiation rather than the outside air temperature. Moreover, the R2 value of the simulated data was more accurate than that of the experimental data, which could be due to a prediction error relating to the water temperature and flowrate sensors and the high predictive power of the simulation model.
- A comparison of the results for the HP water output temperature showed an NSE value of 0.93, which demonstrates the high accuracy of the simulation model.
- An R2 value of 0.90 demonstrated the high dependency of the electric power used by the HP on the ambient air temperature. With an increase in ambient temperature, the electric power consumed by the HP increased.
- The maximum cooling energy demand for the greenhouse at an internal air temperature setpoint of 25 °C was observed to be 0.4 kW·m−2. This result could be due to the lower cooling capacity of the FCU; the maximum cooling energy provided to the greenhouse was 0.2 kW·m−2.
- The desired control over the temperature inside the greenhouse was not achieved in the cooling mode because the FCU capacity was not sufficient to fulfil the high cooling energy demand in Daegu, South Korea (latitude 35.53° N, longitude 128.36° E, elevation 48 m).
- The results concerning the power of the HP and FCU revealed that the HP has the potential to supply more energy. To utilize the HP’s energy fully, the number of FCUs or the capacity of the FCU should be increased.
- The results for the daily average COP value of the HP during the extreme hot months of July and August showed a good correlation, with an overall average COP of 2.9.
- A data sheet used to calculate the cooling capacity is provided for the HP model (PSET-C60W-MIDEA). In addition, data file for the cooling performance of the AWHP, which is a necessary input to the simulation model, is also provided.
Author Contributions
Funding
Institutional Review Board Statement
Informed Consent Statement
Data Availability Statement
Conflicts of Interest
Nomenclature
| Symbols | |
| Q | Cooling capacity of the AWHP (kW) |
| Mass flow rate of air (kg·h−1) | |
| cp | Specific heat capacity of water (kW·kg−1·°C−1), |
| PHP | Power usage of AWHP ((kW) |
| Convective heat transfer (kJ·h−1·m−2·k−1) | |
| Convective heat transfer coefficient (kJ·h−1·m−2·k−1) | |
| Outside surface temperature (°C) | |
| Inside surface temperature (°C) | |
| Radiative heat flux to the surface (kJ·h−1·m−2·k−1) | |
| Sky temperature (°C) | |
| Discharge coefficient (-) | |
| H | Total height of window (m) |
| Height of window opening (m) | |
| W | Width of rectangular opening (m), |
| f(z) | Pressure difference at height z (pa) |
| 1−>2 | Flow direction from one air node to another (-) |
| I | Total radiation of horizontal surface (kJ·h−1·m−2) |
| Diffuse radiation of horizontal surface (kJ·h−1·m−2) | |
| kt | Clearness index (-) |
| Ambient temperature (°C) | |
| rh | Relative humidity (%) |
| Total radiation on tilted surface (kJ·h−1·m−2) | |
| Beam radiation on tilted surface (kJ·h−1·m−2) | |
| Ground reflected radiation on tilted surface (kJ·h−1·m−2) | |
| Diffuse radiation on tilted surface (kJ·h−1·m−2) | |
| Sky temperature (°C) | |
| Cloudiness factor of sky (-) | |
| Temperature of HP water output (°C) | |
| Temperature of HP water input (°C) | |
| Energy drawn by water (kJ·h−1) | |
| Water flowrate (kg·h−1) | |
| Air mass flow rate from one zone to another (kg·h−1) | |
| Enthalpy of exiting air (kJ·kg−1) | |
| Enthalpy of air mixing (kJ·kg−1) | |
| Energy drawn by fan (kJ·h−1) | |
| Mass flowrate of air leaving the fan (kg·h−1) | |
| Greek Symbols | |
| Stephen–Boltzmann constant (W·m−2·k−1) | |
| Long-wave emissivity (-) | |
| Air density at height z (kg·m−3) | |
| Angle of window opening (o) | |
| Solar altitude angle (o) | |
| Incident angle of beam radiation (o) | |
| Solar zenith angle (o) | |
| Slope of surface (o) | |
| Ground reflectance (-) | |
| Emittance of clear sky (-) | |
| Abbreviations | |
| COP | Coefficient of performance |
| NSE | Nash–Sutcliffe efficiency |
| HP | Heat pump |
| FCU | Fan coil unit |
| AWHP | Air-to-water heat pump |
Appendix A
| 10 | 12 | 14 | 16 | 18 | 20 | T_water_in |
|---|---|---|---|---|---|---|
| 21 | 25 | 30 | 35 | 40 | 46 | T_air_in |
| 1.12 | 0.881 | !Fraction capacity and power at T_air = 21 | deg. C and T_water_in = 10 | |||
| 1.054 | 0.908 | !Fraction capacity and power at T_air = 25 | deg. C and T_water_in = 10 | |||
| 0.994 | 0.936 | !Fraction capacity and power at T_air = 30 | deg. C and T_water_in = 10 | |||
| 0.94 | 0.965 | !Fraction capacity and power at T_air = 35 | deg. C and T_water_in = 10 | |||
| 0.881 | 1.013 | !Fraction capacity and power at T_air = 40 | deg. C and T_water_in = 10 | |||
| 0.81 | 1.064 | !Fraction capacity and power at T_air = 46 | deg. C and T_water_in = 10 | |||
| 1.198 | 0.913 | !Fraction capacity and power at T_air = 21 | deg. C and T_water_in = 12 | |||
| 1.126 | 0.941 | !Fraction capacity and power at T_air = 25 | deg. C and T_water_in = 12 | |||
| 1.06 | 0.97 | !Fraction capacity and power at T_air = 30 | deg. C and T_water_in = 12 | |||
| 1 | 1 | !Fraction capacity and power at T_air = 35 | deg. C and T_water_in = 12 | |||
| 0.939 | 1.05 | !Fraction capacity and power at T_air = 40 | deg. C and T_water_in = 12 | |||
| 0.866 | 1.102 | !Fraction capacity and power at T_air = 46 | deg. C and T_water_in = 12 | |||
| 1.27 | 0.95 | !Fraction capacity and power at T_air = 21 | deg. C and T_water_in = 14 | |||
| 1.191 | 0.978 | !Fraction capacity and power at T_air = 25 | deg. C and T_water_in = 14 | |||
| 1.119 | 1.009 | !Fraction capacity and power at T_air = 30 | deg. C and T_water_in = 14 | |||
| 1.054 | 1.04 | !Fraction capacity and power at T_air = 35 | deg. C and T_water_in = 14 | |||
| 0.992 | 1.092 | !Fraction capacity and power at T_air = 40 | deg. C and T_water_in = 14 | |||
| 0.916 | 1.146 | !Fraction capacity and power at T_air = 46 | deg. C and T_water_in = 14 | |||
| 1.354 | 0.973 | !Fraction capacity and power at T_air = 21 | deg. C and T_water_in = 16 | |||
| 1.268 | 1.003 | !Fraction capacity and power at T_air = 25 | deg. C and T_water_in = 16 | |||
| 1.19 | 1.034 | !Fraction capacity and power at T_air = 30 | deg. C and T_water_in = 16 | |||
| 1.118 | 1.066 | !Fraction capacity and power at T_air = 35 | deg. C and T_water_in = 16 | |||
| 1.054 | 1.12 | !Fraction capacity and power at T_air = 40 | deg. C and T_water_in = 16 | |||
| 0.976 | 1.19 | !Fraction capacity and power at T_air = 46 | deg. C and T_water_in = 16 | |||
| 1.41 | 0.995 | !Fraction capacity and power at T_air = 21 | deg. C and T_water_in = 18 | |||
| 1.318 | 1.026 | !Fraction capacity and power at T_air = 25 | deg. C and T_water_in = 18 | |||
| 1.234 | 1.058 | !Fraction capacity and power at T_air = 30 | deg. C and T_water_in = 18 | |||
| 1.158 | 1.09 | !Fraction capacity and power at T_air = 35 | deg. C and T_water_in = 18 | |||
| 1.094 | 1.145 | !Fraction capacity and power at T_air = 40 | deg. C and T_water_in = 18 | |||
| 1.015 | 1.202 | !Fraction capacity and power at T_air = 46 | deg. C and T_water_in = 18 | |||
| 1.464 | 1.007 | !Fraction capacity and power at T_air = 21 | deg. C and T_water_in = 20 | |||
| 1.366 | 1.038 | !Fraction capacity and power at T_air = 25 | deg. C and T_water_in = 20 | |||
| 1.276 | 1.07 | !Fraction capacity and power at T_air = 30 | deg. C and T_water_in = 20 | |||
| 1.195 | 1.103 | !Fraction capacity and power at T_air = 35 | deg. C and T_water_in = 20 | |||
| 1.132 | 1.158 | !Fraction capacity and power at T_air = 40 | deg. C and T_water_in = 20 | |||
| 1.052 | 1.216 | !Fraction capacity and power at T_air = 46 | deg. C and T_water_in = 20 | |||
| Cold Water Outlet Temp. | Ambient Temp °C | |||||||||||
|---|---|---|---|---|---|---|---|---|---|---|---|---|
| 21 | 25 | 30 | 35 | 40 | 46 | |||||||
| Capacity | Power | Capacity | Power | Capacity | Power | Capacity | Power | Capacity | Power | Capacity | Power | |
| °C | kW | kW | kW | kW | kW | kW | kW | kW | kW | kW | kW | kW |
| 05 | 72.77 | 18.76 | 68.52 | 19.34 | 64.64 | 19.94 | 61.10 | 20.55 | 57.25 | 21.58 | 52.67 | 22.66 |
| 06 | 75.23 | 19.05 | 70.77 | 19.64 | 66.70 | 20.25 | 62.99 | 20.87 | 59.08 | 21.92 | 54.41 | 23.01 |
| 07 | 77.85 | 19.44 | 73.17 | 20.04 | 68.90 | 20.66 | 65.00 | 21.30 | 61.04 | 22.37 | 56.27 | 23.48 |
| 08 | 80.26 | 20.02 | 75.36 | 20.64 | 70.90 | 21.28 | 66.82 | 21.94 | 62.81 | 23.04 | 57.97 | 24.19 |
| 09 | 82.52 | 20.22 | 77.41 | 20.84 | 72.76 | 21.49 | 68.51 | 22.15 | 64.47 | 23.26 | 59.57 | 24.42 |
| 10 | 85.65 | 20.52 | 80.27 | 21.16 | 75.38 | 21.81 | 70.91 | 22.48 | 66.80 | 23.61 | 61.79 | 24.79 |
| 11 | 88.04 | 20.72 | 82.44 | 21.36 | 77.33 | 22.02 | 72.68 | 22.71 | 68.54 | 23.84 | 63.47 | 25.03 |
| 12 | 90.06 | 21.03 | 84.24 | 21.68 | 78.95 | 22.35 | 74.13 | 23.04 | 69.98 | 24.19 | 64.87 | 25.40 |
| 13 | 91.66 | 21.19 | 85.67 | 21.85 | 80.21 | 22.53 | 75.25 | 23.22 | 71.11 | 24.38 | 65.99 | 25.60 |
| 14 | 93.94 | 21.34 | 87.72 | 22.00 | 82.05 | 22.68 | 76.90 | 23.38 | 72.75 | 24.55 | 67.58 | 25.78 |
| 15 | 95.15 | 21.45 | 88.76 | 22.11 | 82.95 | 22.79 | 77.67 | 23.50 | 73.55 | 24.67 | 68.41 | 25.91 |
References
- Jakhar, S.; Soni, M.; Gakkhar, N. Historical and recent development of concentrating photovoltaic cooling technologies. Renew. Sustain. Energy Rev. 2016, 60, 41–59. [Google Scholar] [CrossRef]
- Pandey, A.; Tyagi, V.; Jeyraj, A.; Selvaraj, L.; Rahim, N.; Tyagi, S. Recent advances in solar photovoltaic systems for emerging trends and advanced applications. Renew. Sustain. Energy Rev. 2016, 53, 859–884. [Google Scholar] [CrossRef]
- Arora, N.K.; Mishra, I. United nations sustainable development goals 2030 and environmental sustainability: Race against time. Environ. Sustain. 2019, 2, 339–342. [Google Scholar] [CrossRef] [Green Version]
- Gilbert, N. One-third of our greenhouse gas emissions come from agriculture. Nature 2012, 31, 10–12. [Google Scholar] [CrossRef]
- Rasheed, A.; Lee, J.W.; Lee, H.W. Evaluation of overall heat transfer coefficient of different greenhouse thermal screens using building energy simulation. Prot. Hortic. Plant Fact. 2018, 27, 294–301. [Google Scholar] [CrossRef]
- Rasheed, A.; Lee, J.; Lee, H. Development and optimization of a building energy simulation model to study the effect of greenhouse design parameters. Energies 2018, 11, 1–19. [Google Scholar] [CrossRef] [Green Version]
- Gorjian, S.; Ebadi, H.; Najafi, G.; Chandel, S.S.; Yildizhan, H. Recent advances in net-zero energy greenhouses and adapted thermal energy storage systems. Sustain. Energy Technol. Assess. 2021, 43, 100940. [Google Scholar] [CrossRef]
- Dongellini, M.; Morini, G.L. On-off cycling losses of reversible air-to-water heat pump systems as a function of the unit power modulation capacity. Energy Convers. Manag. 2019, 196, 966–978. [Google Scholar] [CrossRef]
- Benli, H.; Durmuş, A. Evaluation of ground-source heat pump combined latent heat storage system performance in greenhouse heating. Energy Build. 2009, 41, 220–228. [Google Scholar] [CrossRef]
- Sinha, S.; Chandel, S.S. Review of software tools for hybrid renewable energy systems. Renew. Sustain. Energy Rev. 2014, 32, 192–205. [Google Scholar] [CrossRef]
- Rasheed, A.; Lee, J.W.; Lee, H.W. A review of greenhouse energy management by using building energy simulation. Prot. Hortic. Plant Fact. 2015, 24, 317–325. [Google Scholar] [CrossRef]
- Klein, S.A. Trnsys, a Transient System Simulation Program; Solar Energy Laborataory, University of Wisconsin-Madison: Madison, WI, USA, 2017. [Google Scholar]
- Chargui, R.; Sammouda, H.; Farhat, A. Geothermal heat pump in heating mode: Modeling and simulation on trnsys. Int. J. Refrig. 2012, 35, 1824–1832. [Google Scholar] [CrossRef]
- Chargui, R.; Sammouda, H.; Farhat, A. Numerical simulation of a cooling tower coupled with heat pump system associated with single house using trnsys. Energy Convers. Manag. 2013, 75, 105–117. [Google Scholar] [CrossRef]
- Chargui, R.; Sammouda, H. Modeling of a residential house coupled with a dual source heat pump using trnsys software. Energy Convers. Manag. 2014, 81, 384–399. [Google Scholar] [CrossRef]
- Safa, A.A.; Fung, A.S.; Kumar, R. Performance of two-stage variable capacity air source heat pump: Field performance results and trnsys simulation. Energy Build. 2015, 94, 80–90. [Google Scholar] [CrossRef]
- Safa, A.A.; Fung, A.S.; Kumar, R. Heating and cooling performance characterisation of ground source heat pump system by testing and trnsys simulation. Renew. Energy 2015, 83, 565–575. [Google Scholar] [CrossRef]
- Mehrpooya, M.; Hemmatabady, H.; Ahmadi, M.H. Optimization of performance of combined solar collector-geothermal heat pump systems to supply thermal load needed for heating greenhouses. Energy Convers. Manag. 2015, 97, 382–392. [Google Scholar] [CrossRef]
- Ruiz-Calvo, F.; Montagud, C.; Cazorla-Marín, A.; Corberán, J.M. Development and experimental validation of a trnsys dynamic tool for design and energy optimization of ground source heat pump systems. Energies 2017, 10, 1510. [Google Scholar] [CrossRef] [Green Version]
- Jonas, D.; Theis, D.; Felgner, F.; Frey, G. A trnsys-based simulation framework for the analysis of solar thermal and heat pump systems. Appl. Sol. Energy 2017, 53, 126–137. [Google Scholar] [CrossRef]
- Park, S.-M.; Seo, T.-B. A study on performance of seasonal borehole thermal energy storage system using trnsys. J. Korean Sol. Energy Soc. 2018, 38, 37–47. [Google Scholar] [CrossRef]
- Lamrani, B.; Khouya, A.; Draoui, A. Energy and environmental analysis of an indirect hybrid solar dryer of wood using trnsys software. Sol. Energy 2019, 183, 132–145. [Google Scholar] [CrossRef]
- Yang, G.; Shi, H.; Xu, D.; Shen, Z.; Zhang, Z.; Shen, H.; Wang, Z. Energy consumption analysis of a ground water-source heat pump for the plant factory based on trnsys simulation. EDP Sci. 2021, 267, 01047. [Google Scholar] [CrossRef]
- Bordignon, S.; Emmi, G.; Zarrella, A.; De Carli, M. Energy analysis of different configurations for a reversible ground source heat pump using a new flexible trnsys type. Appl. Therm. Eng. 2021, 197, 117413. [Google Scholar] [CrossRef]
- Rasheed, A.; Na, W.H.; Lee, J.W.; Kim, H.T.; Lee, H.W. Optimization of greenhouse thermal screens for maximized energy conservation. Energies 2019, 12, 3592. [Google Scholar] [CrossRef] [Green Version]
- Rasheed, A.; Kwak, C.S.; Na, W.H.; Lee, J.W.; Kim, H.T.; Lee, H.W. Development of a building energy simulation model for control of multi-span greenhouse microclimate. Agronomy 2020, 10, 1236. [Google Scholar] [CrossRef]
- Rasheed, A.; Kwak, C.S.; Kim, H.T.; Lee, H.W. Building energy an simulation model for analyzing energy saving options of multi-span greenhouses. Appl. Sci. 2020, 10, 6884. [Google Scholar] [CrossRef]
- Rasheed, A.; Na, W.H.; Lee, J.W.; Kim, H.T.; Lee, H.W. Development and validation of air-to-water heat pump model for greenhouse heating. Energies 2021, 14, 4714. [Google Scholar] [CrossRef]
- Nemś, A.; Nemś, M.; Świder, K. Analysis of the possibilities of using a heat pump for greenhouse heating in polish climatic conditions—A case study. Sustainability 2018, 10, 3483. [Google Scholar] [CrossRef]
- Valera, M.D.; Molina, A.F.; Alvarez, M.A. Protocolo De Auditoría Energética En Invernaderos. Auditoría Energética De Un Invernadero Para Cultivo De Flor Cortada En Mendigorría; Instituto para la diversificacion y ahorro de la energia: Madrid, Spain, 2008. [Google Scholar]
- Rabiu, A.; Na, W.-H.; Akpenpuun, T.D.; Rasheed, A.; Adesanya, M.A.; Ogunlowo, Q.O.; Kim, H.T.; Lee, H.-W. Determination of overall heat transfer coefficient for greenhouse energy-saving screen using trnsys and hotbox. Biosyst. Eng. 2022, 217, 83–101. [Google Scholar] [CrossRef]
- Reindl, D.T.; Beckman, W.A.; Duffie, J.A. Diffuse fraction correlations. Sol. Energy 1990, 45, 1–7. [Google Scholar] [CrossRef]
- Ritter, A.; Munoz-Carpena, R. Performance evaluation of hydrological models: Statistical significance for reducing subjectivity in goodness-of-fit assessments. J. Hydrol. 2013, 480, 33–45. [Google Scholar] [CrossRef]
- Safa, A.A.; Fung, A.S.; Kumar, R. Comparative thermal performances of a ground source heat pump and a variable capacity air source heat pump systems for sustainable houses. Appl. Therm. Eng. 2015, 81, 279–287. [Google Scholar] [CrossRef]
- Le, K.X.; Huang, M.J.; Shah, N.N.; Wilson, C.; Artain, P.M.; Byrne, R.; Hewitt, N.J.J.A.E. Techno-economic assessment of cascade air-to-water heat pump retrofitted into residential buildings using experimentally validated simulations. Appl. Energy 2019, 250, 633–652. [Google Scholar] [CrossRef]

















| Component | Properties | Specification |
|---|---|---|
| Heat pump | Model | PSET-C60W (MIDEA) |
| Cooling capacity | 65 kW | |
| Power consumption | 21.9 | |
| Voltage | 380 V–415 V, 3-phase, 60 Hz | |
| Refrigerant | R-410a | |
| Water storage tank | Storage fluid | Water |
| Storage capacity | 50 m3 | |
| Water circulation pump | Model | Wilo TOP-S 40/7 |
| Max. fluid temperature | 130 °C | |
| Max. fluid temperature | −20 °C | |
| Power consumption | 390 W | |
| Fan coil unit | Model | IN-FCG0016-L |
| Cooling capacity | 18 kW | |
| Power consumption | 393 W | |
| Airflow rate | 83 m3 · m−1 |
| Weather Parameter | Unit | Time Interval | Sensor | Accuracy of Sensors |
|---|---|---|---|---|
| Air temperature | °C | 10 min | MTV Active, Ridder | ±1% |
| Relative humidity | % | 10 min | MTV Active, Ridder | ±2% |
| Solar radiation | W·m−2 | 10 min | SR05-D2A2-TMBL, Hukseflux | IEC 61724-1:2017 standard, Class C, Basic |
| Wind speed | m·s−1 | 10 min | Clima Sensor US, Thies Clima | ±5% |
| Wind direction | degrees | 10 min | Clima Sensor US, Thies Clima | ±5% of meas. value |
| Water temperature | °C | 10 min | HortiMax Omni Transducer, Ridder | ±5% |
| Water flowrate | Liter | 10 min | FS-WLH 40, FLSTRONIC | ±1% of measured. value |
| Ambient pressure | hPa | 10 min | PTB-220TS, VAISALA | ±5% hPa |
| Cover Characteristics | Covering | Screen | |
|---|---|---|---|
| HG | PC | PH_66 | |
| Solar transmittance front | 0.89 | 0.78 | 0.38 |
| Solar transmittance back | 0.89 | 0.78 | 0.38 |
| Solar reflectance front | 0.08 | 0.14 | 0.50 |
| Solar reflectance back | 0.08 | 0.14 | 0.48 |
| Visible radiation transmittance front | 0.91 | 0.75 | 0.38 |
| Visible radiation transmittance back | 0.91 | 0.75 | 0.38 |
| Visible radiation reflectance front | 0.08 | 0.15 | 0.50 |
| Visible radiation reflectance back | 0.08 | 0.15 | 0.48 |
| Thermal radiation transmittance | 0.1 | 0.02 | 0.35 |
| Thermal radiation emission front | 0.90 | 0.89 | 0.48 |
| Thermal radiation emission back | 0.90 | 0.89 | 0.55 |
| Conductivity (W·m−1· K−1) | 0.1 | 0.19 | 0.06 |
| Air permeability (m2) | — | — | 1.49 × 10−11 |
| Thickness (mm) | 4 | 16 | 0.24 |
| Material | Thickness (m) | Thermal Conductivity (kJ·h−1·m−1·K−1) | Thermal Capacity (kJ·kg−1·K−1) | Density (kJ·m−3) | Convective Heat Transfer Coefficient (kJ·h−1·m−2·K−1) | |
|---|---|---|---|---|---|---|
| Front | Back | |||||
| Steel | 0.04 | 54 | 1.8 | 7800 | 11 | 64 |
| Ground | 0.100 | 0.97 | 0.75 | 2900 | 11 | 0.001 |
| Solar Radiation (kW·m−2) | Greenhouse Setpoint Temp (°C) | Greenhouse Cooling Area (m2) | Max Cooling Load (kW) | Max Cooling Load per Unit Area (kW·m−2) |
|---|---|---|---|---|
| 1.01 | 25 | 391.2 | 168.6 | 0.43 |
Publisher’s Note: MDPI stays neutral with regard to jurisdictional claims in published maps and institutional affiliations. |
© 2022 by the authors. Licensee MDPI, Basel, Switzerland. This article is an open access article distributed under the terms and conditions of the Creative Commons Attribution (CC BY) license (https://creativecommons.org/licenses/by/4.0/).
Share and Cite
Rasheed, A.; Kim, H.T.; Lee, H.W. Modeling-Based Energy Performance Assessment and Validation of Air-To-Water Heat Pump System Integrated with Multi-Span Greenhouse on Cooling Mode. Agronomy 2022, 12, 1374. https://doi.org/10.3390/agronomy12061374
Rasheed A, Kim HT, Lee HW. Modeling-Based Energy Performance Assessment and Validation of Air-To-Water Heat Pump System Integrated with Multi-Span Greenhouse on Cooling Mode. Agronomy. 2022; 12(6):1374. https://doi.org/10.3390/agronomy12061374
Chicago/Turabian StyleRasheed, Adnan, Hyeon Tae Kim, and Hyun Woo Lee. 2022. "Modeling-Based Energy Performance Assessment and Validation of Air-To-Water Heat Pump System Integrated with Multi-Span Greenhouse on Cooling Mode" Agronomy 12, no. 6: 1374. https://doi.org/10.3390/agronomy12061374
APA StyleRasheed, A., Kim, H. T., & Lee, H. W. (2022). Modeling-Based Energy Performance Assessment and Validation of Air-To-Water Heat Pump System Integrated with Multi-Span Greenhouse on Cooling Mode. Agronomy, 12(6), 1374. https://doi.org/10.3390/agronomy12061374

