Ecohydraulic Characteristics of a Differential Weir-Orifice Structure and Its Application to the Transition Reach of a Fishway
Abstract
:1. Introduction
2. Material and Motivation
2.1. Hydraulic Properties of the Multistage Weirs and Multistage Orifices in Fishways
2.2. Modified Weir–Orifice Structure (DWO) and Its Features
2.3. Focus Issues
- 1.
- We analyzed the diversion relationship (between the weir and orifice) of the DWO and investigated the calculation method based on hydraulic theory. Then, the design principle of the DWO structure applied to a fishway was obtained, and the hydraulic design methodology considering the habits and biological demands of migrating fishes could be proposed.
- 2.
- We used a proposed fishway project as an example and designed a DWO structure to connect the two reaches upstream and downstream with a high head drop. Then, the hydraulic properties of the DWO and their potential effects on fish migration were studied by means of 3D hydrodynamical numerical simulation and a hydraulic physical-scale model experiment. A series of experiments were conducted, including two cases: Case S1 for the conventional multistage weir scheme and Case S2 for the modified multistage DWO scheme. In addition, the hydraulic characteristics of the two cases, such as the longitudinal water-level (surface) profile, velocity field, flow regime, and turbulence energy distribution, among others, were studied, assessed, and compared. Finally, the optimization technology parameter of the DWO structure fishway could be given.
3. Basic Principle and Design Methodology
3.1. Hydraulic Principle of DWO Structure Design
- 1.
- The calculation of the weir overflow: the discharge capacity of the submerged weir flow can be derived using the following energy equation:
- 2.
- The calculation of the orifice outflow: the discharge capacity formula of the orifice submerged outflow can also be obtained by using the following energy equation:
- 3.
- The calculation of the DWO outflow: by combining the characteristics of two discharging structures, i.e., a weir and bottom orifice, the DWO discharges flow by both the weir overflow and the bottom orifice outflow synchronously at each different stage. According to the principle of mass conservation, the flow discharge should satisfy the following formula:
- 4.
- The association between the weir overflow and orifice outflow in the DWO structure: the commonality between the weir flow and orifice flow is that their flow capacities are both attributed to the water depth H before the DWO plate and the water head difference ∆z between upstream and downstream of the plate. In addition, their flow capacities are affected by each other as the boundary condition of each stage plate changes. ∆z depends on the water level downstream and is usually attributed to the total water head drop of the reach and the number of multistage weirs.
- 5.
- The routine of calculating the split ratio of the weir flow to orifice flow: when the flow discharge Q, height of the weir P, and width b and height e of the orifice were given, the split ratio of the upper and bottom flow in the DWO had to be determined by trial calculations. The whole routine was as follows:
- (i)
- We assumed that the weir overflow Q′w accounted for 90% of the total flow Q, and then the initial weir crest head h′ was calculated according to the weir flow Equation (3);
- (ii)
- According to the relationships among the weir height P, the weir crest water head h, and the water depth in front of the orifice H, the water depth H′1 in front of the weir was determined;
- (iii)
- Using H′1 and Equation (5), the bottom orifice flow discharge Q′o was calculated;
- (iv)
- We checked whether the sum of Q′w and Q′o followed the mass conservation principle, i.e., Equation (4). If the error was less than the error limit ε, which usually takes the value of 0.001, then the Q′w and Q′o were obtained. Otherwise, if the error was larger than ε, we set the weir flow discharge as Q″w=Q − Q′o, and repeated Steps (ii), (iii), and (iv) until the error met the requirement. The calculation process is shown in Figure 4.
3.2. Hydraulic Design Methodology of DWO Structure in the Fishway
3.2.1. Design Essentials in Transition Reach of Fishway
3.2.2. Hydraulic Design Method
- According to the head drop of the entire fishway, the grade head difference and weir heights of all the levels of thin-walled weirs could be designed preliminarily; therefore, the water head of the weir top and the split ratio at all of the levels of the DWO were further determined.
- Based on this, the bottom orifice size of the thin-walled weir was designed preliminarily, and the orifice velocity was adjusted at the same time according to the requirements for fish crossing.
- The holes were designed as follows. Firstly, according to the habit of fishes that prefer to swim along the sidewall at the channel bottom, there are holes set in both the left and right sides at the bottom of the submerged weir for fish passage. Then, the size and position of the other holes were designed according to the needs of flow splitting.
- According to Figure 4 and Equations (1)–(5), the hydraulic design of the DWO was carried out, and the related indexes, such as the weir height and orifice size and position, could also be adjusted according to the demand of fish passage. Moreover, increasing the roughness of the fishway bottom could also be one of the methods to control the water depth and velocity near the bed.
4. Case Study and Result
4.1. Project Description and Research Method
4.2. Focus Issues in the Transition Reach of the Fishway
4.3. Optimized DWO Scheme Based on the Case
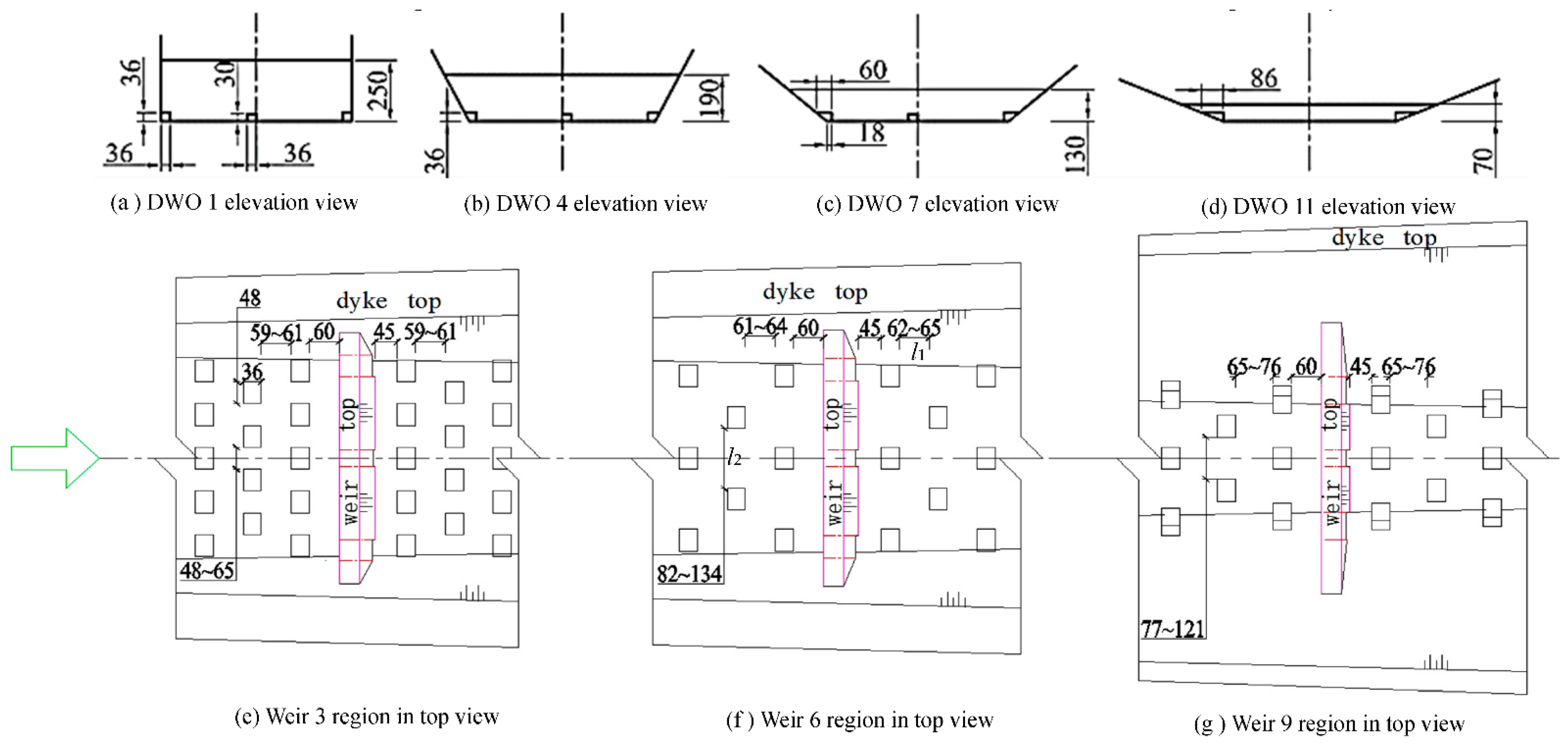
- Weir plate: a new weir plate was inserted between every two original weirs, with the same interval of 5.0 m, for a total of 21 weir plates. The water head drop of each weir was designed as 0.1 m, and the water depth on the weir crests ranged from 0.35 to 0.45 m. In addition, orifices were set in each weir bottom, with split ratios (weir to orifice) ranging from 0.65 to 0.82.
- Orifice arrangement: at the bottom of each submerged weir, there were three orifices set up for fish passage, among which two side holes (left and right) were designed close to the foot of the sidewall. The middle orifice was staggered along the central axis of the channel, as shown in Figure 7a–c. The width and the height of the bottom orifice were both about 0.36 m according to the split ratio and the size of the fish body, which is over 1.6 times the normal width of the migrating fish. As the bottom width decreases along the transition reach, there are only two orifices on the left and right sides of the weir, which should be behind weir 10 (see Figure 6). The layout of the submerged weirs and bottom orifices is shown in Figure 7a–d. The proportion of the orifice flow out of the total flow is about 18% to 35%.
- Roughening boulder: roughening boulders were added to the bottom of the channel in the transition reaches so as to reduce the flow velocity by increasing the resistance, the general diameters δ of which were about 0.35 to 0.45 m. In building the physical model, the shape of the roughening boulder was simplified to a cube. Boulders can not only increase the drag force and decrease the flow velocity but could also be used as a rest shelter for migrating fish, which is meaningful from the ecology point of view. The roughening boulders were arranged symmetrically according to the central axis of the channel. Meanwhile, they were also arranged symmetrically in front of and behind the orifice of DWO. The layout of the roughening boulders between the weir plates at different stages is shown in Figure 7e–g. Based on the relevant research and the former findings of several authors [37,49,52], some key indexes of the boulder arrangement for the channel were obtained according to the experimental test and simulation results. Respectively, the relative roughness δ/H should range from 0.11 to 0.26, the relative longitudinal spacing l1/B from 0.10 to 0.16, and the relative lateral spacing l2/B from 0.10 to 0.27, where H and B denote the water depth and bottom width of the entrance in the transition reach, respectively, and l1 and l2 denote the longitudinal spacing and lateral spacing between the boulders, respectively, as shown as Figure 7e–g.
4.4. Numerical Simulation Research on Hydrodynamic Characteristics of the DWO Fishway
4.4.1. Three-Dimensional Hydrodynamic Mathematical Model
- Model principle: in order to investigate the hydrodynamic characteristics of the combined DWO components in the fishway, a three-dimensional turbulent flow simulation was used. The hydrodynamic mathematical model of the transition reach was established by CFD calculation utilizing the k-ε equation (RNG k-ε turbulence model), which is reasonably accurate and stable. The volume of fluid (VOF) method was used to capture the free surface of the flow. The flow governing equations were solved by discrete iteration in the computational domain. The model was mainly used to simulate the flow field in the transition reach for the fishway, the velocity distribution, as well as the flow regime characteristics of the area, which are affected by the DWO. The baffle mode was added to monitor the fluid flow rate so as to obtain the split ratio of the weir overflow discharge to the bottom orifice flow discharge.
- Numerical simulation range and boundary conditions: the simulation range includes a short end reach of the vertical slot fishway (rectangular cross-section) of about 10 m, the whole transition reach (non-prismatic body) of about 100 m, and part of the ecological fishway (trapezoidal cross-section) of about 10 m as the outlet of the model. There were two boundary conditions (schemes) to simulate, Case S1 and Case S2. The S1 condition had multistage weirs (11 stages) without orifices, and the flow field was compared to that of Case S2. Case S2 had a multistage DWO (21 stages). The 3D shapes of the simulated channel boundaries and the DWO are shown in Figure 8 and Figure 9. The upstream open boundary conditions of the model were the water depth and flow rate. Here, the chosen flow condition not only had high intensity in practice but also met the boundary conditions of the upstream fishway, i.e., the discharge was about 3.6 m3/s, and the inlet water depth was 3.0 m, accordingly. The open boundary of the downstream fishway adopted a water depth of the outlet of about 0.75 m, determined by the inlet water depth of the ecological fishway with the broad and shallow channels. The wall boundary also fits the condition of no slip.


- 3.
- Mesh generation and validation: the computational domain grid was established using a uniform cubic mesh, and a local mesh was also processed finely by means of the Favor technology according to the boundary characteristics [45,46], as shown in Figure 9. The size of a single grid cell was about 0.1 m × 0.1 m × 0.1 m. There was a total of 3,136,000 elements.
- 4.
- Verification of the modeling: in order to ensure the accuracy of the numerical simulation, the numerical model of the fishway was validated based on the data of Case S1. The simulation results of the water surface line were compared with the test results of Case S1 obtained from the hydraulic scale model built before numerical simulation, as shown in Figure 10. It is indicated that the general trend of the water surface line of the simulated data was consistent with that of the experimental data to a large extent; both maintained almost the same drop at each stage (of about 0.4 m), and they had the same energy slope. The proper roughness of the channel was selected by adjusting the resistance parameter, i.e., improving the bottom boundary conditions by establishing roughness boulders (Figure 8 and Figure 9). Finally, the value of the Manning roughness was about 0.03.
4.4.2. Hydrodynamics Characteristics of DWO
- Characteristics of Flow Field and Velocity Profile
- 2.
- Vertical distribution characteristics of the turbulent kinetic energy
4.4.3. Adjustment to the Water Level and Flow Regime
4.5. Results of the Scale Model Test and Its Comparison with the Numerical Simulation
4.5.1. Brief Introduction of the Scale Model
4.5.2. Performance in Regulating the Water Surface
4.5.3. Velocity Profile of Double Passage Discharging
4.5.4. Flow Regime and Ecohydraulic Regulation of DWO
5. Conclusions
Author Contributions
Funding
Institutional Review Board Statement
Informed Consent Statement
Data Availability Statement
Acknowledgments
Conflicts of Interest
References
- Kiyoumars, R.; Mahdi, M.A.; Saman, S. Hydraulic performance of pk weirs based on experimental study and kernel-based modeling. Water Resour. Manag. 2021, 35, 3571–3592. [Google Scholar]
- Wang, L.; Melville, B.W.; Whittaker, C.N.; Guan, D. Scour estimation downstream of submerged weirs. J. Hydraul. Eng. 2019, 145, 06019016. [Google Scholar] [CrossRef]
- Chen, Q.W. Size and capacity of overflow weir. Water Conserv. Sci. Technol. 2008, 4, 46–48. [Google Scholar]
- Vatankhah, A.R.; Khalili, S. Stage-discharge relationship for weir-orifice structure located at the end of circular open channels. J. Irrig. Drain. Eng. 2020, 146, 06020006. [Google Scholar] [CrossRef]
- Guan, D.W.; Melville, B.; Friedrich, H. Flow patterns and turbulence structures in a scour hole downstream of a submerged weir. J. Hydraul. Eng. 2014, 140, 68–76. [Google Scholar] [CrossRef]
- Guiny, E.; Armstrong, J.D.; Ervine, D.A. Preferences of mature male brown trout and atlantic salmon parr for orifice and weir fish pass entrances matched for peak velocities and turbulence. Ecol. Freshw. Fish 2003, 12, 190–195. [Google Scholar] [CrossRef]
- Nilsson, C.; Reidy, C.A.; Dynesius, M.; Revenga, C. Fragmentation and flow regulation of the world’s large river systems. Science 2005, 308, 405–408. [Google Scholar] [CrossRef] [Green Version]
- Castro-Santos, T.; Cotel, A.; Webb, P.W. Fishway Evaluations for Better Bioengineering–An Integrative Approach; Bethesda, M.D., Ed.; American Fisheries Society: Bethesda, MD, USA, 2009; Volume 69, pp. 557–575. [Google Scholar]
- Zarfl, C.; Lumsdon, A.E.; Berlekamp, J.; Tydecks, L.; Tockner, K. A global boom in hydropower dam construction. Aquat. Sci. 2014, 77, 161–170. [Google Scholar] [CrossRef]
- Silva, A.T.; Lucas, M.C.; Castro-Santos, T.; Katopodis, C.; Baumgartner, L.J.; Thiem, J.D.; Aarestrup, K.; Pompeu, P.S.; O’Brien, G.C.; Braun, D.C.; et al. The future of fish passage science, engineering and practice. Fish Fish. 2018, 19, 340–362. [Google Scholar] [CrossRef] [Green Version]
- Kim, J.H.; Yoon, J.D.; Baek, S.H.; Park, S.-H.; Lee, J.-W.; Lee, J.-A.; Jang, M.-H. An Efficiency Analysis of a Nature-Like Fishway for Freshwater Fish Ascending a Large Korean River. Water 2016, 8, 3. [Google Scholar] [CrossRef] [Green Version]
- Pelicice, F.M.; Agostinho, C.S. Deficient downstream passage through fish ladders: The case of Peixe Angical Dam, Tocantins River, Brazil. Neotrop. Ichthyol. 2012, 10, 705–713. [Google Scholar] [CrossRef] [Green Version]
- Wang, X.Z.; Gan, X.N.; Li, J.B.; Chen, Y.; He, S. Cyprininae phylogeny revealed independent origins of the tibetan plateau endemic polyploid cyprinids and their diversifications related to the neogene uplift of the plateau. Sci. China Life Sci. 2016, 59, 1149–1165. [Google Scholar] [CrossRef] [PubMed] [Green Version]
- Baek, K.O.; Ku, Y.H.; Kim, Y.D. Attraction efficiency in natural-like fishways according to weir operation and bed change in nakdong river. Ecol. Eng. 2015, 84, 569–578. [Google Scholar] [CrossRef]
- Castro-Santos, T.; Shi, X.; Haro, A. Migratory behavior of adult sea lamprey and cumulative passage performance through four fishways. Can. J. Fish. Aquat. Sci. 2016, 74, 790–800. [Google Scholar] [CrossRef]
- Celestino, L.F.; Sanz-Ronda, F.J.; Miranda, L.E.; Makrakis, M.C.; Dias, J.H.P.; Makrakis, S. Bidirectional connectivity via fish ladders in a large Neotropical river. River Res. Appl. 2019, 35, 236–246. [Google Scholar] [CrossRef]
- Larinier, M.; Marmulla, G. Fish passages, Types, principles and geographical distribution–an overview. In Proceedings of the second international symposium on the management of large rivers for fisheries, Phnom Penh, Cambodia, 11–14 February 2003; Welcomme, R.L., Petr, T., Eds.; RAP Publication: Bangkok, Thailand, 2004; Volume 17, pp. 183–206. [Google Scholar]
- DVWK. Fish Passages-Design Dimension and Monitoring; FAO-Food and Agriculture Organization of theUnited Nations: Rome, Italy, 2002; ISBN 92-5-104894-0. [Google Scholar]
- Poff, N.L.; Hart, D.D. How dams vary and why it matters for the emerging science of dam removal. BioScience 2002, 52, 659–668. [Google Scholar] [CrossRef] [Green Version]
- Castro-Santos, T.; Haro, A. Fish Guidance and Passage at Barriers; Science Publishers: Enfield, NH, USA, 2010; pp. 62–89. [Google Scholar]
- Gough, P.; Philipsen, P.; Schollema, P.P.; Wanningen, H. From Sea to Source: International Guidance for the Restoration of Fish Migration Highways; Regional Water Authority Hunze en Aa’s: Veendam, The Netherlands, 2012. [Google Scholar]
- Tummers, J.S.; Hudson, S.; Lucas, M.C. Evaluating the effectiveness of restoring longitudinal connectivity for stream fish communities: Towards a more holistic approach. Sci. Total Environ. 2016, 569–570, 850–860. [Google Scholar] [CrossRef] [PubMed] [Green Version]
- Meyer, J.L.; Strayer, D.L.; Wallace, J.B.; Eggert, S.L.; Helfman, G.S.; Leonard, N.E. The contribution of headwater streams to biodiversity in river networks. J. Am. Water Resour. Assoc. 2007, 43, 86–103. [Google Scholar] [CrossRef] [Green Version]
- Cooke, S.J.; Hinch, S.G. Improving the reliability of fishway attraction and passage efficiency estimates to inform fishway engineering, science, and practice. Ecol. Eng. 2013, 58, 123–132. [Google Scholar] [CrossRef]
- Bido, A.F.; Urbinati, E.C.; Makrakis, M.C.; Celestino, L.F.; Serra, M.; Makrakis, S. Stress indicators for Prochilodus lineatus (Characiformes: Prochilodontidae) breeders during passage through a fish ladder. Mar. Freshw. Res. 2018, 69, 1814. [Google Scholar] [CrossRef]
- Radinger, J.; Wolter, C. Patterns and predictors of fish dispersal in rivers. Fish Fish. 2014, 15, 456–473. [Google Scholar] [CrossRef]
- Moraes, P.; Deverat, F. An Introduction to Fish Migration; Moraes, P., Deverat, F., Eds.; Taylor & Francis Group: London, UK, 2016; ISBN 978-1-4987-1874-5. [Google Scholar]
- Makrakis, S.; Bertao, P.S.; Jhony, F.M.S.; Makrakis, M.C.; Sanz-Ronda, F.J.; Celestino, L.F. Hydropower Development and Fishways: A Need for Connectivity in Rivers of the Upper Paraná Basin. Sustainability 2019, 11, 3749. [Google Scholar] [CrossRef] [Green Version]
- An, R.D.; Li, J.; Liang, R.F.; Tuo, Y. Three-dimensional simulation and experimental study for optimising a vertical slot fishways. J. Hydro-Environ. Res. 2016, 12, 119–129. [Google Scholar] [CrossRef]
- An, R.D.; Li, J.; Yi, W.M.; Xi, M. Hydraulics and swimming behavior of schizothorax prenanti in vertical slot fishways. J. Hydrodyn. 2019, 31, 169–176. [Google Scholar] [CrossRef]
- Cooper, M.M.; Brand, D.A. Non-salmonids in a salmonid fishway: What do 50 years of data tell us about past and future fish passage? Fish. Manag. Ecol. 2007, 14, 319–332. [Google Scholar] [CrossRef]
- Andersson, A.G.; Lindberg, D.-E.; Lindmark, E.M.; Leonardsson, K.; Andreasson, P.; Lundqvist, H.; Lundström, T.S. A study of the location of the entrance of a fishway in a regulated river with CFD and ADCP. Model. Simul. Eng. 2012, 2012, 2. [Google Scholar] [CrossRef]
- Cao, P.; Mu, X.P.; Baiyin, B.L.; Wang, X.Y.; Chen, Y.F. study on swimming behavior of juvenile grass carp for the fish channel hydraulic design. J. Water Conserv. 2017, 48, 1456–1291464. [Google Scholar]
- Cao, P. Fishway Hydraulics Study Based on Fish Swimming Behavior; China Institute of Water Resources and Hydropower Research: Beijing, China, 2018. [Google Scholar]
- Peirson, W.; Harris, J.; Kingsford, R.; Mao, X.; Felder, S. Piping Fish over Dams. J. Hydro-Environ. Res. 2021, 39, 71–80. [Google Scholar]
- Quaresma, A.L.; Pinheiro, A.N. Modelling of pool-type fishways flows: Efficiency and scale effects assessment. Water 2021, 13, 851. [Google Scholar] [CrossRef]
- Santos, J.M.; Branco, P.; Katopodis, C.; Ferreira, T.; Pinheiro, A. Retrofitting pool and weir fishways to improve passage performance of benthic fishes Effect of boulder density and fishway discharge. Ecol. Eng. 2014, 73, 335–344. [Google Scholar] [CrossRef]
- Poulet, N. Impact of weirs on fish communities in a piedmont stream. River Res. Appl. 2007, 23, 1038–1047. [Google Scholar] [CrossRef]
- Dong, Z.Y.; Huang, Z.; Yu, J.P. Experimental study of turbulent structures of slot-orifice-weir combined fishway with staggered layout. J. Hydroelectr. Eng. 2020, 39, 78–87. [Google Scholar]
- Fuentes-Pérez, J.F.; Sanz-Ronda, F.J.; Paredes, A.M.D.A.; García-Vega, A. Modeling water-depth distribution in vertical-slot fishways under uniform and nonuniform scenarios. J. Hydraul. Eng. 2014, 140, 06014016. [Google Scholar] [CrossRef] [Green Version]
- Mu, X.P.; Zhen, W.Y.; Li, X.; Cao, P.; Gong, L.; Xu, F. A study of the impact of different flow velocities and light colors at the entrance of a fish collection system on the upstream swimming behavior of juvenile grass carp. Water 2019, 11, 322. [Google Scholar] [CrossRef] [Green Version]
- Wassvik, E. Attraction Channel as Entrance to Fishways; Lule University of Technology: Luleå, Sweden, 2006. [Google Scholar]
- Kemp, P.S.; O’hanley, J.R. Procedures for Evaluating and Prioritising the Removal of Fish Passage Barriers: A Synthesis. Fish. Manag. Ecol. 2010, 17, 297–322. [Google Scholar] [CrossRef]
- Katopodis, C.; Kells, J.A.; Acharya, M. Nature-like and conventional fishways: Alternative concepts. Can. Water Re-Sources J. 2001, 26, 211–232. [Google Scholar] [CrossRef] [Green Version]
- Acharya, M.; Kells, J.A.; Katopodis, C. Some hydraulic design aspects of nature-like fishways. Water Resour. 2020, 5, 39–43. [Google Scholar]
- Yagci, O. Ydraulic aspects of pool-weir fishways asecologically friendly water structure. Ecol. Eng. 2010, 36, 36–46. [Google Scholar] [CrossRef]
- Bryan, A.M.; Abul, B.M.B.; David, Z.; Steven, J.C.; Christos, K. The hydraulics of a vertical slot fishway: A case study on the multi-species vianney-legendre fishway in Quebec, Canada. Ecol. Eng. 2016, 90, 190–202. [Google Scholar]
- Tudorache, C.; Viaene, P.; Blust, R.; Vereecken, H.; De Boeck, G. A comparison of swimming capacity and energy use in seven european freshwater fish species. Ecol. Freshw. Fish 2008, 17, 284. [Google Scholar] [CrossRef]
- Liu, M.X.; Liu, Z.; Fan, C.Z. Hydraulic modeling and shape optimization of a new pattern fishway in transition section. Eng. J. Wuhan Univ. 2021, 54, 991–998. [Google Scholar]
- Sun, D.P.; He, S.N.; Wang, P.T. Hydraulic characteristics of flow in intake area of open channel fishway and its improving measures. Water Resour. Hydropower Eng. 2016, 47, 58–62. [Google Scholar]
- Zhao, Z.L.; Liang, R.F.; Wang, Y.M.; Yuan, Q.; Zhang, Z.; Li, K. Study on the swimming ability of endemic fish in the lower reaches of the Yangtze River: A case study. Glob. Ecol. Conserv. 2020, 22, e01014. [Google Scholar] [CrossRef]
- Santos, J.M.; Branco, P.J.; Silva, A.T.; Katopodis, C.; Pinheiro, A.; Viseu, T.; Ferreira, T. Effect of two flow regimes on the upstream movements of the Iberian barbel (Luciobarbus bocagei) in an experimental pool-type fishway. Appl. Ichthyol. 2013, 29, 425–430. [Google Scholar] [CrossRef]






















Publisher’s Note: MDPI stays neutral with regard to jurisdictional claims in published maps and institutional affiliations. |
© 2022 by the authors. Licensee MDPI, Basel, Switzerland. This article is an open access article distributed under the terms and conditions of the Creative Commons Attribution (CC BY) license (https://creativecommons.org/licenses/by/4.0/).
Share and Cite
Liu, M.; Xu, M.; Liu, Z.; Sun, D.; Guala, M. Ecohydraulic Characteristics of a Differential Weir-Orifice Structure and Its Application to the Transition Reach of a Fishway. Water 2022, 14, 1711. https://doi.org/10.3390/w14111711
Liu M, Xu M, Liu Z, Sun D, Guala M. Ecohydraulic Characteristics of a Differential Weir-Orifice Structure and Its Application to the Transition Reach of a Fishway. Water. 2022; 14(11):1711. https://doi.org/10.3390/w14111711
Chicago/Turabian StyleLiu, Mingxiao, Mengxin Xu, Zhen Liu, Dongpo Sun, and Michele Guala. 2022. "Ecohydraulic Characteristics of a Differential Weir-Orifice Structure and Its Application to the Transition Reach of a Fishway" Water 14, no. 11: 1711. https://doi.org/10.3390/w14111711
APA StyleLiu, M., Xu, M., Liu, Z., Sun, D., & Guala, M. (2022). Ecohydraulic Characteristics of a Differential Weir-Orifice Structure and Its Application to the Transition Reach of a Fishway. Water, 14(11), 1711. https://doi.org/10.3390/w14111711

