Benchmarking L-PBF Systems for Die Production: Powder, Dimensional, Surface, Microstructural and Mechanical Characterisation
Abstract
1. Introduction
2. Materials and Methods
2.1. Phase 1|Supplier Assessment: Powder and As-Built Parts Evaluation
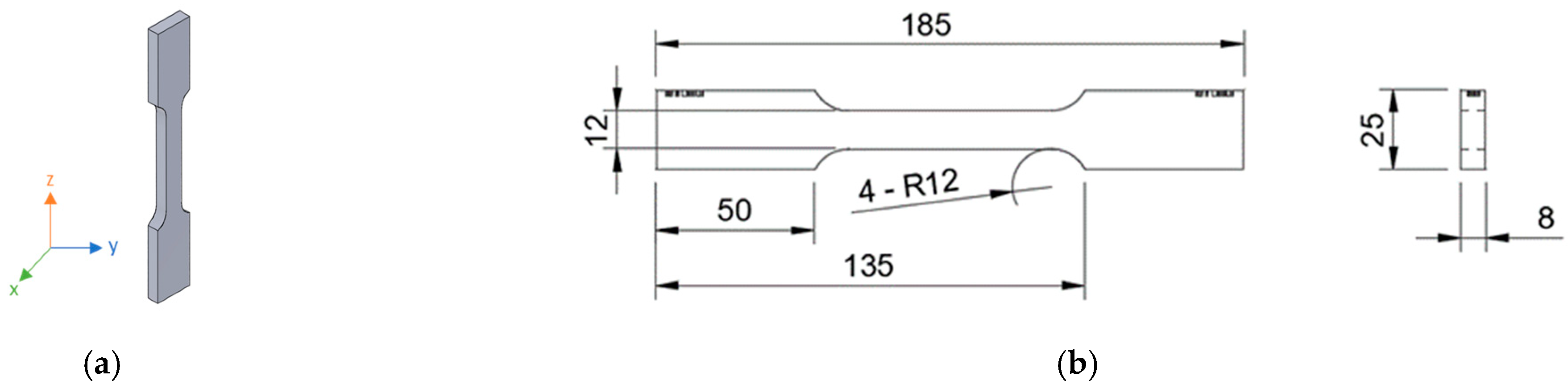
2.1.1. L-PBF Process and Part Design
2.1.2. Powder Characterisation
2.1.3. Dimensional Analysis
2.1.4. Surface Roughness
2.1.5. Microstructural Analysis
2.1.6. Hardness Testing
2.2. Phase 2|Selected Supplier: Further Characterisation and Evaluation and Heat Treatments HT
2.2.1. Heat Treatments
2.2.2. Tensile Testing
2.2.3. Impact Testing
2.2.4. EBSD
3. Experimental Results and Discussion
3.1. Phase 1|Supplier Assessment: Powder and As-Built Parts Evaluation
3.1.1. Powder Analysis
3.1.2. Dimensional Accuracy
3.1.3. Surface Roughness
3.1.4. Microstructure
3.1.5. Hardness
3.2. Phase 2|Selected Supplier: Further Characterisation and Evaluation and Heat Treatments HT
3.2.1. EBSD
3.2.2. Impact Testing
3.2.3. Heat Treatment Effects
3.2.4. Tensile Testing
4. Conclusions
- Powders present variations in particle morphology and amount of oxide inclusions. It was also observed that the presence of particle clusters or elongated particles, in some cases, can potentially impact powder bed and melt pool behaviours.
- The observed variations in dimensional accuracy between suppliers underscore the profound sensitivity of L-PBF processes to parameter variations. These variations can significantly alter thermal gradients and shrinkage behaviour within the part.
- Suppliers 1 and 4 had the best surface finish. Process parameters and powder characteristics likely influence surface roughness.
- Suppliers 1, 3, and 4 exhibited typical L-PBF maraging steel microstructures with fine cellular and columnar grains growing perpendicular to the melt pool boundaries along the build direction, characteristic of rapid solidification conditions in L-PBF. The absence of clear cellular or dendritic features in supplier 2’s microstructure suggests a different thermal history during processing, potentially involving extended laser exposure or a reheating strategy.
- Supplier 1 had, on average and considering both directions, the highest hardness, indicating that process parameter variations can significantly impact mechanical properties.
- EBSD analysis showed a refined grain structure in XY and Z due to the rapid L-PBF process. Differences in crystallographic orientation between XY and Z sections suggest microstructural anisotropy.
- Tensile test results demonstrated a significant anisotropy, with the Z section showing superior strength and ductility but lower stiffness.
- Impact tests showed that the as-built Z section had superior toughness. Heat treatment had a minimal effect, emphasising this build orientation’s dominance.
- HT eliminates the characteristic as-built cellular/columnar microstructure. Age hardening transformed massive martensite into fine precipitates, resulting in a hardness increase from 371 to 522 HV and from 388 to 566 HV in XY and Z sections, respectively. Solubilisation before ageing offered a slight hardness gain, but its practical benefits need further investigation.
- The variability observed in this study reinforces the need for industry-wide standards in L-PBF, standardised process control methods and technical specifications for AM-produced components.
Author Contributions
Funding
Data Availability Statement
Acknowledgments
Conflicts of Interest
References
- Pereira, T.; Kennedy, J.V.; Potgieter, J. A comparison of traditional manufacturing vs. additive manufacturing, the best method for the job. In Procedia Manufacturing; Elsevier: Amsterdam, The Netherlands, 2019; Volume 30, pp. 11–18. [Google Scholar]
- Nazir, A.; Gokcekaya, O.; Billah, K.M.M.; Ertugrul, O.; Jiang, J.; Sun, J.; Hussain, S. Multi-material additive manufacturing: A systematic review of design, properties, applications, challenges, and 3D printing of materials and cellular metamaterials. Mater. Des. 2023, 226, 111661. [Google Scholar] [CrossRef]
- Ngo, T.D.; Kashani, A.; Imbalzano, G.; Nguyen, K.T.Q.; Hui, D. Additive manufacturing (3D printing): A review of materials, methods, applications and challenges. Compos. Part B Eng. 2018, 143, 172–196. [Google Scholar] [CrossRef]
- Tofail, S.A.M.; Koumoulos, E.P.; Bandyopadhyay, A.; Bose, S.; O’Donoghue, L.; Charitidis, C. Additive manufacturing: Scientific and technological challenges, market uptake and opportunities. Mater. Today 2018, 21, 22–37. [Google Scholar] [CrossRef]
- Jung, S.; Kara, L.B.; Nie, Z.; Simpson, T.W.; Whitefoot, K.S. Is Additive Manufacturing an Environmentally and Economically Preferred Alternative for Mass Production? Environ. Sci. Technol. 2023, 57, 6373–6386. [Google Scholar] [CrossRef]
- Asnafi, N. Tool and Die Making, Surface Treatment, and Repair by Laser-based Additive Processes. BHM Berg Hüttenmännische Monatshefte 2021, 166, 225–236. [Google Scholar] [CrossRef]
- Yoder, S.; Nandwana, P.; Paquit, V.; Kirka, M.; Scopel, A.; Dehoff, R.; Babu, S. Approach to qualification using E-PBF in-situ process monitoring in Ti-6Al-4V. Addit. Manuf. 2019, 28, 98–106. [Google Scholar] [CrossRef]
- Hegab, H.; Khanna, N.; Monib, N.; Salem, A. Design for sustainable additive manufacturing: A review. Sustain. Mater. Technol. 2023, 35, e00576. [Google Scholar] [CrossRef]
- Thomas, D. Costs, Benefits, and Adoption of Additive Manufacturing: A Supply Chain Perspective. Int. J. Adv. Manuf. Technol. 2016, 85, 1857–1876. [Google Scholar] [CrossRef]
- DebRoy, T.; Wei, H.L.; Zuback, J.S.; Mukherjee, T.; Elmer, J.W.; Milewski, J.O.; Beese, A.M.; Wilson-Heid, A.D.; De, A.; Zhang, W. Additive manufacturing of metallic components—Process, structure and properties. Prog. Mater. Sci. 2018, 92, 112–224. [Google Scholar] [CrossRef]
- Herderick, E. Additive Manufacturing of Metals: A Review. In Proceedings of the MS&T 2011: Proceedings from the Materials Science & Technology Conference, Columbus, OH, USA, 16–20 October 2011; pp. 1413–1425. [Google Scholar]
- Vafadar, A.; Guzzomi, F.; Rassau, A.; Hayward, K. Advances in Metal Additive Manufacturing: A Review of Common Processes, Industrial Applications, and Current Challenges. Appl. Sci. 2021, 11, 1213. [Google Scholar] [CrossRef]
- Costa, J.; Sequeiros, E.; Vieira, M.T.; Vieira, M. Additive Manufacturing: Material Extrusion of Metallic Parts. U. Porto J. Eng. 2021, 7, 53–69. [Google Scholar] [CrossRef]
- Nunes, F.; Trindade, M.; Costa, J. Production and nTopology optimization of an additive manufactured support for smart glasses. U. Porto J. Eng. 2024, 10, 20–33. [Google Scholar] [CrossRef]
- Moshiri, M.; Candeo, S.; Carmignato, S.; Mohanty, S.; Tosello, G. Benchmarking of Laser Powder Bed Fusion Machines. J. Manuf. Mater. Process. 2019, 3, 85. [Google Scholar] [CrossRef]
- Yasa, E.; Kempen, K.; Kruth, J.P. Microstructure and mechanical properties of maraging steel 300 after selective laser melting. In Proceedings of the Solid Freeform Fabrication Symposium Proceedings, Austin, TX, USA, 9–11 August 2010. [Google Scholar]
- Jägle, E.; Sheng, Z.; Kürnsteiner, P.; Ocylok, S.; Weisheit, A.; Raabe, D. Comparison of Maraging Steel Micro- and Nanostructure Produced Conventionally and by Laser Additive Manufacturing. Materials 2016, 10, 8. [Google Scholar] [CrossRef]
- Kempen, K.; Yasa, E.; Thijs, L.; Kruth, J.P.; Van Humbeeck, J. Microstructure and mechanical properties of Selective Laser Melted 18Ni-300 steel. In Proceedings of the Lasers in Manufacturing 2011: Proceedings of the Sixth International Wlt Conference on Lasers in Manufacturing, Munich, Germany, 23–26 May 2011; Volume 12, pp. 255–263. [Google Scholar]
- Thijs, L.; Van Humbeeck, J.; Kempen, K.; Yasa, E.; Kruth, J.P.; Rombouts, M. Investigation on the inclusions in maraging steel produced by Selective Laser Melting. In Innovative Developments in Virtual and Physical Prototyping, Proceedings of the 5th International Conference on Advanced Research in Virtual and Rapid Prototyping, Leiria, Portugal, 28 September–1 October 2011; CRC Press: Boca Raton, FL, USA, 2011. [Google Scholar]
- Gao, W.; Zhang, Y.; Ramanujan, D.; Ramani, K.; Chen, Y.; Williams, C.B.; Wang, C.C.L.; Shin, Y.C.; Zhang, S.; Zavattieri, P.D. The status, challenges, and future of additive manufacturing in engineering. Comput. Aided Des. 2015, 69, 65–89. [Google Scholar] [CrossRef]
- Garcia-Dominguez, A.; Claver, J.; Camacho, A.M.; Sebastian, M.A. Analysis of General and Specific Standardization Developments in Additive Manufacturing from a Materials and Technological Approach. IEEE Access 2020, 8, 125056–125075. [Google Scholar] [CrossRef]
- Haghdadi, N.; Laleh, M.; Moyle, M.; Primig, S. Additive manufacturing of steels: A review of achievements and challenges. J. Mater. Sci. 2021, 56, 64–107. [Google Scholar] [CrossRef]
- Chowdhury, S.; Yadaiah, N.; Prakash, C.; Ramakrishna, S.; Dixit, S.; Gupta, L.R.; Buddhi, D. Laser powder bed fusion: A state-of-the-art review of the technology, materials, properties & defects, and numerical modelling. J. Mater. Res. Technol. 2022, 20, 2109–2172. [Google Scholar]
- Dejene, N.D.; Lemu, H.G. Current Status and Challenges of Powder Bed Fusion-Based Metal Additive Manufacturing: Literature Review. Metals 2023, 13, 424. [Google Scholar] [CrossRef]
- Gruber, S.; Grunert, C.; Riede, M.; López, E.; Marquardt, A.; Brueckner, F.; Leyens, C. Comparison of dimensional accuracy and tolerances of powder bed based and nozzle based additive manufacturing processes. J. Laser Appl. 2020, 32, 032016. [Google Scholar] [CrossRef]
- Ameta, G.; Lipman, R.; Moylan, S.; Witherell, P. Investigating the Role of Geometric Dimensioning and Tolerancing in Additive Manufacturing. J. Mech. Des. 2015, 137, 111401. [Google Scholar] [CrossRef]
- Mendricky, R.; Fris, D. Analysis of the Accuracy and the Surface Roughness of FDM/FFF Technology and Optimisation of Process Parameters. Teh. Vjesn. Tech. Gaz. 2020, 27, 1166–1173. [Google Scholar]
- Thompson, S.M.; Bian, L.; Shamsaei, N.; Yadollahi, A. An overview of Direct Laser Deposition for additive manufacturing; Part I: Transport phenomena, modeling and diagnostics. Addit. Manuf. 2015, 8, 36–62. [Google Scholar] [CrossRef]
- Frazier, W.E. Metal Additive Manufacturing: A Review. J. Mater. Eng. Perform. 2014, 23, 1917–1928. [Google Scholar] [CrossRef]
- Chen, H.; Sun, Y.; Yuan, W.; Pang, S.; Yan, W.; Shi, Y. A Review on Discrete Element Method Simulation in Laser Powder Bed Fusion Additive Manufacturing. Chin. J. Mech. Eng. Addit. Manuf. Front. 2022, 1, 100017. [Google Scholar] [CrossRef]
- Javidi, M.J.; Hosseini, S.; Khodabakhshi, F.; Mohammadi, M.; Orovcik, L.; Trembošová, V.N.; Nagy, Š.; Nosko, M. Laser powder bed fusion of 316L stainless steel/Al2O3 nanocomposites: Taguchi analysis and material characterization. Opt. Laser Technol. 2023, 158, 108883. [Google Scholar] [CrossRef]
- Jimenez Abarca, M.; Darabi, R.; de Sa, J.C.; Parente, M.; Reis, A. Multi-scale modeling for prediction of residual stress and distortion in Ti–6Al–4V semi-circular thin-walled parts additively manufactured by laser powder bed fusion (LPBF). Thin-Walled Struct. 2023, 182, 110151. [Google Scholar] [CrossRef]
- Chua, C.K.; Wong, C.H.; Yeong, W.Y. Chapter Eight—Benchmarking for Additive Manufacturing, in Standards, Quality Control, and Measurement Sciences in 3D Printing and Additive Manufacturing; Chua, C.K., Wong, C.H., Yeong, W.Y., Eds.; Academic Press: Cambridge, MA, USA, 2017; pp. 181–212. [Google Scholar]
- Montero, J.; Weber, S.; Petroll, C.; Brenner, S.; Bleckmann, M.; Paetzold, K.; Nedeljkovic-Groha, V. Geometrical Benchmarking of Laser Powder Bed Fusion Systems Based on Designer Needs. Proc. Des. Soc. 2021, 1, 1657–1666. [Google Scholar] [CrossRef]
- Król, M.; Snopiński, P.; Hajnyš, J.; Pagáč, M.; Łukowiec, D. Selective Laser Melting of 18NI-300 Maraging Steel. Materials 2020, 13, 4268. [Google Scholar] [CrossRef]
- ISO 4287:1997; Geometrical Product Specifications (GPS)—Surface Texture: Profile Method—Terms, Definitions and Surface Texture Parameters. International Organization for Standardization: Geneva, Switzerland, 1997.
- ISO 6507-1:2005; Metallic Materials—Vickers Hardness Test—Part 1: Test Method. International Organization for Standardization: Geneva, Switzerland, 2005.
- Casalino, G.; Campanelli, S.L.; Contuzzi, N.; Ludovico, A.D. Experimental investigation and statistical optimisation of the selective laser melting process of a maraging steel. Opt. Laser Technol. 2015, 65, 151–158. [Google Scholar] [CrossRef]
- Singh, R.; Davim, J.P. Additive Manufacturing: Applications and Innovations; CRC Press: Boca Raton, FL, USA, 2018. [Google Scholar]
- ISO 6892-1:2012; Metallic Materials—Tensile Testing—Part 1: Method of Test at Room Temperature. International Organization for Standardization: Geneva, Switzerland, 2012.
- ISO 148-1:2016; Metallic Materials—Charpy Pendulum Impact Test—Part 1: Test Method. International Organization for Standardization: Geneva, Switzerland, 2016.
- Stegman, B.T.; Lopez, J.; Jarosinski, W.; Wang, H.; Zhang, X. The Influence of Powder Particle Size Distributions on Mechanical Properties of Alloy 718 by Laser Powder Bed Fusion. Metals 2023, 13, 1384. [Google Scholar] [CrossRef]
- Anderson, I.E.; White, E.M.H.; Dehoff, R. Feedstock powder processing research needs for additive manufacturing development. Curr. Opin. Solid State Mater. Sci. 2018, 22, 8–15. [Google Scholar] [CrossRef]
- Iams, A.D.; Keist, J.S.; Giannuzzi, L.A.; Palmer, T.A. The Evolution of Oxygen-Based Inclusions in an Additively Manufactured Super-Duplex Stainless Steel. Metall. Mater. Trans. A 2021, 52, 3401–3412. [Google Scholar] [CrossRef]
- Deng, P.; Karadge, M.; Rebak, R.B.; Gupta, V.K.; Prorok, B.C.; Lou, X. The origin and formation of oxygen inclusions in austenitic stainless steels manufactured by laser powder bed fusion. Addit. Manuf. 2020, 35, 101334. [Google Scholar] [CrossRef]
- Mata, M.; Pinto, M.; Costa, J. Topological Optimization of a Metal Extruded Doorhandle using nTopology. U. Porto J. Eng. 2023, 9, 42–54. [Google Scholar] [CrossRef]
- Kuo, Y.H.; Cheng, C.-C.; Lin, Y.-S.; San, C.-H. Support structure design in additive manufacturing based on topology optimization. Struct. Multidiscip. Optim. 2018, 57, 183–195. [Google Scholar] [CrossRef]
- Gibson, I.; Rosen, D.W.; Stucker, B. Additive Manufacturing Technologies: Rapid Prototyping to Direct Digital Manufacturing; Springer: New York, NY, USA, 2010. [Google Scholar]
- Nunes, H.; Costa, J.M.; Viana, F.; Vieira, M.F. Additively Manufactured Ti-6Al-4V: Effects of Heat-Treatment. Mater. Proc. 2022, 8, 111. [Google Scholar] [CrossRef]
- Sarafan, S.; Wanjara, P.; Gholipour, J.; Bernier, F.; Osman, M.; Sikan, F.; Molavi-Zarandi, M.; Soost, J.; Brochu, M. Evaluation of Maraging Steel Produced Using Hybrid Additive/Subtractive Manufacturing. J. Manuf. Mater. Process. 2021, 5, 107. [Google Scholar] [CrossRef]
- Sendino, S.; Martinez, S.; Lartategui, F.; Gardon, M.; Lamikiz, A.; Gonzalez, J.J. Effect of powder particle size distribution on the surface finish of components manufactured by laser powder bed fusion. Int. J. Adv. Manuf. Technol. 2023, 124, 789–799. [Google Scholar] [CrossRef]
- Rao, B.S.; Rao, T.B. Effect of Process Parameters on Powder Bed Fusion Maraging Steel 300: A Review. Lasers Manuf. Mater. Process. 2022, 9, 338–375. [Google Scholar] [CrossRef]
- Thijs, L.; Kempen, K.; Kruth, J.-P.; Van Humbeeck, J. Fine-structured aluminium products with controllable texture by selective laser melting of pre-alloyed AlSi10Mg powder. Acta Mater. 2013, 61, 1809–1819. [Google Scholar] [CrossRef]
- Tan, C.L.; Zhou, K.; Ma, W.; Zhang, P.; Liu, M.; Kuang, T. Microstructural evolution, nanoprecipitation behavior and mechanical properties of selective laser melted high-performance grade 300 maraging steel. Mater. Des. 2017, 134, 23–34. [Google Scholar] [CrossRef]
- Narasimharaju, S.R.; Zeng, W.; See, T.L.; Zhu, Z.; Scott, P.; Jiang, X.; Lou, S. A comprehensive review on laser powder bed fusion of steels: Processing, microstructure, defects and control methods, mechanical properties, current challenges and future trends. J. Manuf. Process. 2022, 75, 375–414. [Google Scholar] [CrossRef]
- Santana, A.; Eres-Castellanos, A.; Jimenez, J.A.; Rementeria, R.; Capdevila, C.; Caballero, F.G. Effect of layer thickness and laser emission mode on the microstructure of an additive manufactured maraging steel. J. Mater. Res. Technol. 2023, 25, 6898–6912. [Google Scholar] [CrossRef]
- Sanjari, M.; Mahmoudiniya, M.; Pirgazi, H.; Tamimi, S.; Ghoncheh, M.H.; Shahriairi, A.; Hadadzadeh, A.; Amirkhiz, B.S.; Purdy, M.; de Araujo, E.G.; et al. Microstructure, texture, and anisotropic mechanical behavior of selective laser melted maraging stainless steels. Mater. Charact. 2022, 192, 112185. [Google Scholar] [CrossRef]
- Campanelli, S.L.; Contuzzi, N.; Posa, P.; Angelastro, A. Study of the aging treatment on selective laser melted maraging 300 steel. Mater. Res. Express 2019, 6, 066580. [Google Scholar] [CrossRef]
- Takata, N.; Nishida, R.; Suzuki, A.; Kobashi, M.; Kato, M. Crystallographic Features of Microstructure in Maraging Steel Fabricated by Selective Laser Melting. Metals 2018, 8, 440. [Google Scholar] [CrossRef]
- Tekin, T.; Ischia, G.; Naclerio, F.; Ipek, R.; Molinari, A. Effect of a direct aging heat treatment on the microstructure and the tensile properties of a 18Ni-300 maraging steel produced by Laser Powder Bed Fusion. Mater. Sci. Eng. A 2023, 872, 144921. [Google Scholar] [CrossRef]
- Mutua, J.; Nakata, S.; Onda, T.; Chen, Z.-C. Optimization of selective laser melting parameters and influence of post heat treatment on microstructure and mechanical properties of maraging steel. Mater. Des. 2018, 139, 486–497. [Google Scholar] [CrossRef]



























| Key Parameters | Supplier 1 | Supplier 2 | Supplier 3 | Supplier 4 |
|---|---|---|---|---|
| Build Volume | 250 × 250 × 325 mm3 | 280 × 280 × 350 mm3 | 250 × 250 × 350 mm3 | 300 × 300 × 400 mm3 |
| Laser Power | 400 W | 500 W | 400 W | 500 W |
| Scanning Speed | Up to 7.0 m/s | Up to 6.0 m/s | Up to 2.5 m/s | Up to 7.0 m/s |
| Layer Thickness | 20–80 µm | 20–50 µm | 20–100 µm | 20–100 µm |
| Laser Spot Size | 50 µm | 70 µm | 30 µm | 40 µm |
| Spot Spacing | 100 µm | 100 µm | 80 µm | 90 µm |
| Material Feed Rate | Up to 1000 mm3/h | Up to 500 mm3/h | Up to 300 mm3/h | Up to 800 mm3/h |
| Alloying Element | Fe | Ni | Co | Mo | Ti | Al | Cr Cu | C | Mn Si | P S |
|---|---|---|---|---|---|---|---|---|---|---|
| wt% | Balance | 17~19 | 8.5~9.5 | 4.5~5.2 | 0.6~0.8 | 0.05~0.15 | ≤0.5 | ≤0.03 | ≤0.1 | ≤0.01 |
| Alloying Element (wt%) | C | O | Mo | Ti | Fe | Co | Ni | Al |
|---|---|---|---|---|---|---|---|---|
| Supplier 1 (P) | 0.48 | 1.91 | 4.96 | 1.36 | 66.73 | 7.57 | 16.99 | 7.13 |
| Supplier 1 (I) | 0.84 | 40.01 | - | 46.69 | 4.25 | 1.08 | - | - |
| Supplier 2 (P) | 0.53 | - | 5.72 | 1.44 | 64.92 | 9.42 | - | - |
| Supplier 2 (I) | 0.75 | 17.34 | 4.31 | 2.44 | 38.19 | 5.83 | 10.67 | 20.48 |
| Supplier 3 (P) | 0.69 | 1.41 | 5.14 | 0.75 | 66.15 | 8.51 | 17.35 | - |
| Supplier 3 (I) | - | 25.87 | - | 50.49 | 13.24 | - | 2.7 | 7.7 |
| Supplier 4 (P) | 0.51 | - | 5.5 | 1.31 | 64.43 | 9.99 | 18.26 | - |
| Supplier 4 (I) | 0.88 | 26.62 | 2.79 | 12.9 | 20.92 | 2.9 | 4.52 | 28.46 |
| Reference Dimension | Supplier 1 | Supplier 2 | Supplier 3 | Supplier 4 | |||||
|---|---|---|---|---|---|---|---|---|---|
| Dimension (mm3) | Tolerance (±0.10 mm) | Dimension (mm3) | Tolerance (±0.10 mm) | Dimension (mm3) | Tolerance (±0.10 mm) | Dimension (mm3) | Tolerance (±0.10 mm) | ||
| 1 | 35.00 | 34.91 | −0.09 | 34.83 | −0.17 | 34.95 | −0.05 | 34.84 | −0.16 |
| 2 | 36.00 | 36.55 | 0.55 | 36.28 | 0.28 | 36.30 | 0.30 | 35.89 | −0.11 |
| 3 | 27.34 | 27.84 | 0.50 | 27.73 | 0.39 | 27.72 | 0.38 | 27.2 | −0.14 |
| 4 | 10.00 | 9.98 | −0.02 | 10.23 | 0.23 | 10.01 | 0.01 | 10.02 | 0.02 |
| 5 | 25.00 | 25.07 | 0.07 | 24.83 | −0.17 | 24.88 | −0.12 | 24.78 | −0.22 |
| 6 | 11.00 | 11.03 | 0.03 | 10.85 | −0.15 | 10.89 | −0.11 | 10.89 | −0.11 |
| 7 | 6.00 | 5.98 | −0.02 | 6.04 | 0.04 | 6.06 | 0.06 | 5.86 | −0.14 |
| Supplier 1 | Supplier 2 | Supplier 3 | Supplier 4 | |
|---|---|---|---|---|
| Ra (µm) | 2.5 | 4.0 | 4.3 | 2.8 |
| Rq (µm) | 3.1 | 4.9 | 5.2 | 3.5 |
| Rz (µm) | 12 | 20 | 20 | 14 |
| Rsk | 0.11 | 0.10 | 0.08 | 0.36 |
| Rku | 2.5 | 2.7 | 2.5 | 2.9 |
| Orientation | Build Orientation | Energy (J) |
|---|---|---|
| XY | XY | 4.4 ± 0.4 |
| XY | 38.6 ± 0.9 | |
| Z | Z | 4.9 ± 0.5 |
| Z | 37 ± 1 |
| Orientation | (MPa) | E (GPa) | Elongation (%) | |
|---|---|---|---|---|
| XY | 972 ± 53 | 1073 ± 13 | 212 ± 69 | 9 ± 1 |
| Z | 1066 ± 52 | 1178 ± 16 | 208 ± 57 | 13 ± 1 |
Disclaimer/Publisher’s Note: The statements, opinions and data contained in all publications are solely those of the individual author(s) and contributor(s) and not of MDPI and/or the editor(s). MDPI and/or the editor(s) disclaim responsibility for any injury to people or property resulting from any ideas, methods, instructions or products referred to in the content. |
© 2024 by the authors. Licensee MDPI, Basel, Switzerland. This article is an open access article distributed under the terms and conditions of the Creative Commons Attribution (CC BY) license (https://creativecommons.org/licenses/by/4.0/).
Share and Cite
Costa, J.M.; Sequeiros, E.W.; Santos, R.F.; Vieira, M.F. Benchmarking L-PBF Systems for Die Production: Powder, Dimensional, Surface, Microstructural and Mechanical Characterisation. Metals 2024, 14, 520. https://doi.org/10.3390/met14050520
Costa JM, Sequeiros EW, Santos RF, Vieira MF. Benchmarking L-PBF Systems for Die Production: Powder, Dimensional, Surface, Microstructural and Mechanical Characterisation. Metals. 2024; 14(5):520. https://doi.org/10.3390/met14050520
Chicago/Turabian StyleCosta, Jose Manuel, Elsa Wellenkamp Sequeiros, Ruben Filipe Santos, and Manuel Fernando Vieira. 2024. "Benchmarking L-PBF Systems for Die Production: Powder, Dimensional, Surface, Microstructural and Mechanical Characterisation" Metals 14, no. 5: 520. https://doi.org/10.3390/met14050520
APA StyleCosta, J. M., Sequeiros, E. W., Santos, R. F., & Vieira, M. F. (2024). Benchmarking L-PBF Systems for Die Production: Powder, Dimensional, Surface, Microstructural and Mechanical Characterisation. Metals, 14(5), 520. https://doi.org/10.3390/met14050520
