Prediction of Failure Due to Fatigue of Wire Arc Additive Manufacturing-Manufactured Product
Abstract
1. Introduction
- The possibility of fully automating the production of product blanks;
- Reducing the resource intensity of production, which is particularly pronounced in the production of products made from expensive materials such as titanium and nickel alloys;
2. Materials and Methods
2.1. Experimental Setup and Materials
- I= 150 A, U = 25 V (samples No. 1);
- I = 110 A, U = 17 V (samples No. 2).
2.2. Fatigue Testing
2.3. Microstructural Studies
2.4. Fractal Dimension
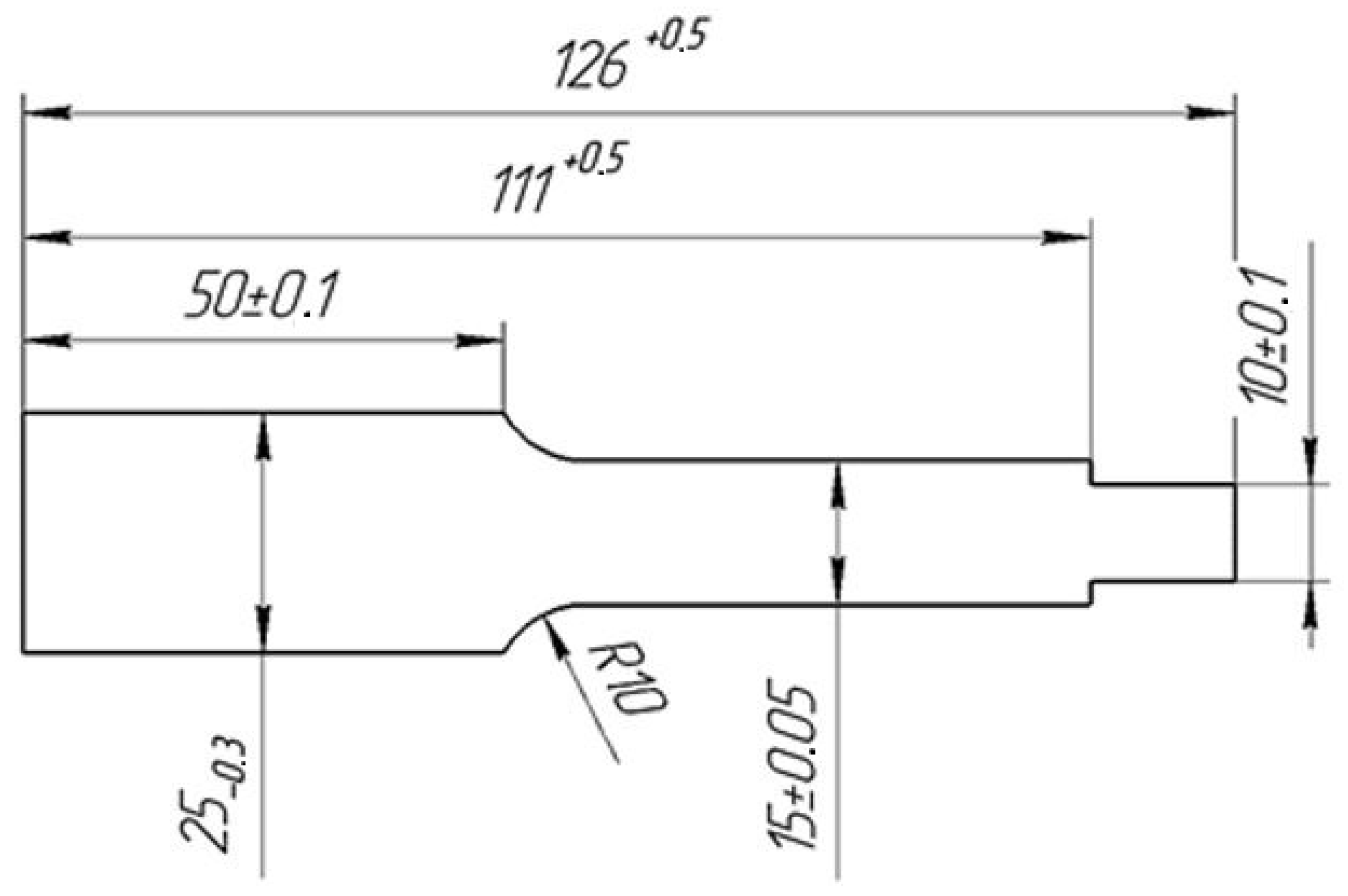
2.5. Product Manufacturing
2.6. Method of Damage Assessment Based on Fractal Analysis of Microstructure Images
3. Results
3.1. Metallography
3.2. Fatigue Tests
3.3. Fractal Dimension
3.4. Tests of the Lever
4. Analysis of the Results
4.1. Metallographic Studies
4.2. Fatigue Tests
4.3. Fractal Dimension Research
4.4. Full-Scale Testing of the Part
5. Conclusions
Author Contributions
Funding
Institutional Review Board Statement
Informed Consent Statement
Data Availability Statement
Conflicts of Interest
References
- Li, J.Z.; Alkahari, M.R.; Rosli, N.A.B.; Hasan, R.; Sudin, M.N.; Ramli, F.R. Review of Wire Arc Additive Manufacturing for 3D Metal Printing. Int. J. Autom. Technol. 2019, 13, 346–353. [Google Scholar] [CrossRef]
- Bintao, W.; Zengxi, P.; Donghong, D.; Cuiuri, D.; Huijun, L.; Jing, X.; Norrish, J. A review of the wire arc additive manufacturing of metals: Properties, defects and quality improvement. J. Manuf. Process. 2018, 35, 127–139. [Google Scholar] [CrossRef]
- Jackson, M.A.; Van Asten, A.; Morrow, J.D.; Min, S.; Pfefferkorn, F.E. Energy consumption model for additive-subtractive manufacturing processes with case study. Int. J. Precis. Eng. Manuf. Green Technol. 2018, 5, 459–466. [Google Scholar] [CrossRef]
- Williams, S.W.; Martina, F.; Addison, A.C.; Ding, J.; Pardal, G.; Colegrove, P. Wire + arc additive manufacturing. Mater. Sci. Technol. 2016, 32, 641–647. [Google Scholar] [CrossRef]
- Gu, J.; Ding, J.; Williams, S.W.; Gu, H.; Bai, J.; Zhai, Y.; Ma, P. The strengthening effect of inter-layer cold working and post-deposition heat treatment on the additively manufactured Al–6.3Cu alloy. Mater. Sci. Eng. 2016, 651, 18–26. [Google Scholar] [CrossRef]
- Nannan, G.; Ming, L. Additive manufacturing: Technology, applications and research needs. Front. Mech. Eng. 2013, 8, 215–243. [Google Scholar] [CrossRef]
- Fujia, X.; Yaohui, L.; Yuxin, L.; Fengyuan, S.; Peng, H.; Binshi, X. Microstructural Evolution and Mechanical Properties of Inconel 625 Alloy during Pulsed Plasma Arc Deposition Process. J. Mater. Sci. Technol. 2013, 29, 480–488. [Google Scholar] [CrossRef]
- Oskolkov, A.A.; Matveev, E.V.; Bezukladnikov, I.I.; Trushnikov, D.N.; Krotova, E.L. Advanced technologies for additive manufacturing of metal product. Bull. PNRPU. Mech. Eng. Mater. Sci. 2018, 20, 90–105. [Google Scholar] [CrossRef]
- Cunningham, C.R.; Wikshåland, S.; Xu, F.; Kemakolam, N.; Shokrani, A.; Dhokia, V.; Newman, S.T. Cost modelling and sensitivity analysis of wire and arc additive manufacturing. Procedia Manuf. 2017, 11, 650–657. [Google Scholar] [CrossRef]
- Grigor’ev, A.V.; Lepov, V.V. Estimation of the reliability of 09G2S steel structures operating in Arctic conditions. Ind. Lab. Diagn. Mater. 2019, 85, 53–58. [Google Scholar] [CrossRef]
- Trefilova, T.A.; Birykova, G.A. Reliability measures at the stages of design, production and operation of products. Electron. Electr. Equip. Transp. 2020, 4, 41–44. (In Russian) [Google Scholar]
- Terentyev, V.F.; Korableva, S.A. Fatigue of Metals: [Monograph]; Nauka: Moscow, Russia, 2015; 484p. (In Russian) [Google Scholar]
- Arutyunyan, A.R.; Arutyunyan, R.A. Formulirovka kriteriya ustalosti, osnovannogo na koncepcii skrỳtoj ènergii deformacii [Fatigue criterion based on the concept of latent strain energy]. Fiz. Mezomekhanika 2010, 13, 31–39. (In Russian) [Google Scholar]
- McEvily, A.J. Metal Failures: Mechanisms, Analysis, Prevention; Wiley-Interscience: New York, NY, USA, 2002; 336p. [Google Scholar]
- Nguyen Ngoc, T.; Kapralov, V.M.; Kolenko, G.S. Effect of loading frequencies on fatigue resistance of materials. St. Petersburg Polytech. Univ. J. Eng. Sci. Technol. 2019, 25, 68–77. [Google Scholar] [CrossRef]
- Hu, Y.; Sun, C.; Xie, J.; Hong, Y. Effects of Loading Frequency and Loading Type on High-Cycle and Very-High-Cycle Fatigue of a High-Strength Steel. Materials 2018, 11, 1456. [Google Scholar] [CrossRef]
- Myl’nikov, V.V.; Shetulov, D.I.; Kondrashkin, O.B.; Chernyshov, E.A.; Pronin, A.I. Changes in fatigue resistance of structural steels at different loading spectra. Izv. Ferr. Metall. 2019, 62, 796–802. [Google Scholar] [CrossRef]
- Figura, K. Influence of asymmetry of the loading cycle on the fatigue strength of pipelines under corrosion damage. FEFU School Eng. Bull. 2020, 2, 13–22. [Google Scholar] [CrossRef]
- Meraj, M.; Dutta, K.; Bhardwaj, R.; Yedla, N.; Karthik, V.; Pal, S. Influence of Asymmetric Cyclic Loading on Structural Evolution and Deformation Behavior of Cu-5 at. % Zr Alloy: An Atomistic Simulation-Based Study. J. Mater. Eng. Perform. 2017, 26, 5197–5205. [Google Scholar] [CrossRef]
- Pachurin, G.V.; Kuz’min, N.A.; Filippov, A.A.; Nuzhdina, T.V.; Goncharova, D.A. Mechanical Properties of Steel after Gas-Phase Application of a Nickel Coating. Russ. Eng. Res. 2019, 39, 577–579. [Google Scholar] [CrossRef]
- Nagesha, A. Influence of temperature on the low cycle fatigue behaviour of a modified 9Cr–1Mo ferritic steel. Int. J. Fatigue 2002, 24, 1285–1293. [Google Scholar] [CrossRef]
- Khlybov, A.A.; Kabaldin, Y.G.; Anosov, M.S.; Ryabov, D.A.; Naumov, V.I.; Sentyureva, V.I. The effect of low temperatures on the operability of products 20GL steel. J. Phys. Conf. Ser. 2019, 1431, 012063. [Google Scholar] [CrossRef]
- Khlybov, A.A.; Uglov, A.L.; Ryabov, D.A. On the Specific Features of Using the Phenomenon of Acoustoelasticity When Testing the Stress State of Anisotropic Material of Technical Objects at Subzero Temperatures. Russ. J. Nondestruct. Test. 2021, 57, 21–30. [Google Scholar] [CrossRef]
- Kabaldin, Y.G. 3D Printing Technology by Electric Arc Welding. Structure and Mechanical Properties of Products at Low Temperatures: Monograph; Kabaldin, Y.G., Kolchin, P.V., Anosov, M.S., Shatagin, D.A., et al., Eds.; NNSTU: Nizhny Novgorod, Russia, 2020; 134p. (In Russian) [Google Scholar]
- Naimark, O.; Oborin, V.; Bannikov, M.; Ledon, D. Critical Dynamics of Defects and Mechanisms of Damage-Failure Transitions in Fatigue. Materials 2021, 14, 2554. [Google Scholar] [CrossRef] [PubMed]
- Klevtsov, G.V.; Botvina, L.R.; Klevtsova, N.A.; Valiev, R.Z.; Pigaleva, I.N. Determination of Fatigue Failure Parameters from the Depth of Plastic Zones Beneath the Fracture Surface. Phys. Mesomech. 2023, 26, 1–6. [Google Scholar] [CrossRef]
- Chowdhury, P.; Sehitoglu, H. Mechanisms of fatigue crack growth—A critical digest of theoretical developments. Fatigue Fract. Eng. Mater. Struct. 2016, 39, 652–674. [Google Scholar] [CrossRef]
- Schneider, J.; Farris, L.; Nolze, G.; Reinsch, S.; Cios, G.; Tokarski, T.; Thompson, S. Microstructure Evolution inInconel 718 ProducedbyPowderBed Fusion Additive Manufacturing. J. Manuf. Mater. Process 2022, 6, 20. [Google Scholar] [CrossRef]
- Wegener, T.; Wu, T.; Sun, F.; Wang, C.; Lu, J.; Niendorf, T. Influence of Surface Mechanical Attrition Treatment (SMAT) on Microstructure, Tensile and Low-Cycle Fatigue Behavior of Additively Manufactured Stainless Steel 316L. Metals 2022, 12, 1425. [Google Scholar] [CrossRef]
- Zaiser, M.; Bay, K.; Hähner, P. Fractal analysis of deformation-induced dislocation patterns. Acta Mater. 1999, 47, 2463–2476. [Google Scholar] [CrossRef]
- Trefilov, V.I.; Kartuzov, V.V.; Minakov, N.V. Svjaz’ fraktal’noj razmernosti poverhnosti razrushenija s mehanicheskimi svojstvami [Contact Fractal Dimension of the Fracture Surface with Mechanical Properties]; Sb. FIPS 99. Fraktaly I Prikladnaja Sinergetika: Moscow, Russia, 1999; pp. 10–11. (In Russian) [Google Scholar]
- Krasikova, I.E.; Krasikov, I.V.; Kartuzov, V.V. Correlation of the values of the fractal characteristics of the structure of the material from electron microscopic photographs of the surface of the samples with the values of their physical and mechanical characteristics [Korrelyatsiya znacheniy fraktal’nykh kharakteristik struktury materiala po elektronnomikroskopicheskim fotografiyam poverkhnosti obraztsov so znacheniyami ikh fiziko-mekhanicheskikh kharakteristik]. Èlektronnaya mikroskopiya i prochnostˋ materialov. Seriya: Fizicheskoe materialovedenie, struktura i svojstva materialov; 2016; pp. 3–9. (In Russian)
- Kuznetsov, P.V.; Petrakova, I.V.; Shraiber, Y. Fraktal’naya razmernost’ kak kharakteristika ustalosti polikristallov metallov [Fractal dimension as a characteristic of fatigue of polycrystals of metals]. Fiz. Mezomekhanika 2004, 7, 389–392. [Google Scholar]
- Hilders, O.A.; Zambrano, N.; Caballero, R. Microstructure, Strength, and Fracture Topography Relations in AISI 316L Stainless Steel, as Seen through a Fractal Approach and the Hall-Petch Law. Int. J. Met. 2015, 2015, 624653. [Google Scholar] [CrossRef]
- Savenkov, G.G.; Barakhtin, B.K. Relation of the fractal dimension of the fracture surface with a set of standard tension characteristics of the material. J. Appl. Mech. Tech. Phys. 2011, 52, 997–1003. [Google Scholar] [CrossRef]
- Kabaldin, Y.G.; Anosov, M.S.; Shatagin, D.A. Evaluation of the mechanism of the destruction of metals based on approaches of artificial intelligence and fractal analysis. IOP Conf. Ser. Mater. Sci. Eng. 2020, 709, 033076. [Google Scholar] [CrossRef]
- Ivanova, V.S.; Oxogoev, A.A. On the relationship of the stages of plastic deformation processes with a fractal structure corresponding to a change in the scale level of deformation. Phys. Mesomech. 2006, 6, 17–27. [Google Scholar] [CrossRef]
- Ivanova, V.S.; Balankin, A.S.; Bunin, I.Z.; Oksogoev, A.A. Synergetics and Fractals in Materials Science; Nauka: Moscow, Russia, 1994; 384p. (In Russian) [Google Scholar]
- Kim, V.A.; Mokritskii, B.Y.; Morozova, A.V. Multifractal analysis of microstructures after lasertreatment of steels. Solidstatephenomena 2020, 299SSP, 926–932. [Google Scholar]
- Hinojosa, M.; Trejo, V.; Ortiz, U. Fractal Analysis of the Microstructure of Aisi 304 Steel. MRS Proc. 1995, 407, 411. [Google Scholar] [CrossRef]
- Nguyen, V.-T.; Minh, P.S.; The Uyen, T.M.; Do, T.T.; Thi Ngoc, H.V.; Le, M.-T.; Van Thanh Nguyen, V.T.T. WAAM Technique: Process Parameters Affecting the Mechanical Properties and Microstructures of Low-Carbon Steel. Metals 2023, 13, 873. [Google Scholar] [CrossRef]
- Kabaldin, Y.; Shatagin, D.; Ryabov, D.; Solovyov, A.; Kurkin, A. Microstructure, Phase Composition, and Mechanical Properties of a Layered Bimetallic Composite ER70S-6-ER309LSI Obtained by the WAAM Method. Metals 2023, 13, 851. [Google Scholar] [CrossRef]
- Blinn, B.; Hassel, T.; Viebranz, V.F.; Beck, T.; Maier, H.J. Influence of the grain orientation and δ-ferrite on the cyclic deformation behavior of an austenitic CrNi steel manufactured by wire and arc additive manufacturing. Mater. Sci. Eng. A 2023, 870, 144612. [Google Scholar] [CrossRef]
- Treutler, K.; Wesling, V. The Current State of Research of Wire Arc Additive Manufacturing (WAAM): A Review. Appl. Sci. 2021, 11, 8619. [Google Scholar] [CrossRef]
- Derekar, K.; Lawrence, J.; Melton, G.; Addison, A.; Zhang, X.; Xu, L. Influence of Interpass Temperature on Wire Arc Additive Manufacturing (WAAM) of Aluminium Alloy Components. MATEC Web Conf. 2019, 269, 05001. [Google Scholar] [CrossRef]
- Kabaldin Yu, G.; Kolchin, P.V.; Shatagin, D.A.; Kiselyov, A.V. Sposob 3D Pechati na Oborudovanii s ChPU s Intellektualˋnoj Optimizaciej Rezhimov [A Method of 3D Printing on CNC Equipment with Intelligent Mode Optimization]. Patent RF no. 2 696 121 C1, 2018. [Google Scholar]
- State Standard 30245-2012; Method of Measurement. Steel Bent Closed Welded Square and Rectanqular Section for Building Specifications. Standartinform Publ.: Moscow, Russia, 2014; 42p. (In Russian)
- International standard ISO 15552:2018; Pneumatic Fluid Power—Cylinders with Detachable Mountings, 1000 kPa (10 bar) Series, Bores from 32 mm to 320 mm—Basic, Mounting and Accessories Dimensions. ISO: Geneva, Switzerland, 2018; 26p.
- Technical regulations of the customs union TR CU 004/2011; as amended on 10 June 2022; Electromagnetic Compatibility of Technical Means; Approved by the decision of the EEC Council dated 10 June 2022 No. 91. 2022; 16p.
- Andreeva, O.V.; Orekhova, E.E. Avtomatizatsiya otsenki stepeni povrezhdennosti mikrostruktury poverkhnosti metallov i splavov [Automation of assessment of the degree of damage to the microstructure of the surface of metals and alloys]. Mod. Probl. Sci. Educ. 2015, 1-1. Available online: https://science-education.ru/ru/article/view?id=18854 (accessed on 20 August 2024). (In Russian).
- Shetulov, D.I.; Andreev, V.V. Prognozirovanie dolgovechnosti detalej mashin po nestandartnym fiziko-mekhanicheskim parametram konstruktsionnykh materialov [Forecasting the durability of machine parts according to non-standard physical and mechanical parameters of structural materials]. Izv. Akad. Nauk USSR. Met. 1998, 3, 55–59. [Google Scholar]
- Anosov, M.S.; Mancerov, S.A.; Lomakina, L.S.; Dvitovskaya, A.N. Diagnostika ostatochnogo resursa i povrezhdennosti splavov na osnove nerazrushayushhix metodov kontrolya, analiza izobrazhenij mikrostruktur i mashinnogo obucheniya [Diagnostics of residual life and damage of alloys based on non-destructive testing methods, image analysis of microstructures and machine learning]. In Certificate of State Registration of a Computer Program; no. RU 2023684547; 2023. [Google Scholar]
- Gürol, U.; Kocaman, E.; Dilibal, S.; Koçak, M. A comparative study on the microstructure, mechanical properties, wear and corrosion behaviors of SS 316 austenitic stainless steels manufactured by casting and WAAM technologies. CIRP J. Manuf. Sci. Technol. 2023, 47, 215–227. [Google Scholar] [CrossRef]
- Kumar, V.; Mandal, A. A critical investigation of the anisotropic behavior in the WAAM-fabricated structure. Rapid Prototyp. J. 2024, 30, 1023–1045. [Google Scholar] [CrossRef]
- Jorge, V.L.; Teixeira, F.R.; Wessman, S.; Scotti, A.; Henke, S.L. The Impact of Multiple Thermal Cycles Using CMT® on Microstructure Evolution in WAAM of Thin Walls Made of AlMg5. Metals 2024, 14, 717. [Google Scholar] [CrossRef]
- Maleta, M.; Kulasa, J.; Kowalski, A.; Kwaśniewski, P.; Boczkal, S.; Nowak, M. Microstructure, Mechanical and Corrosion Properties of Copper-Nickel 90/10 Alloy Produced by CMT-WAAM Method. Materials 2023, 17, 50. [Google Scholar] [CrossRef] [PubMed]
- Chauhan, S.; Narasimhulu, A. Comprehensive Study on Wire Arc Additive Manufacturing (WAAM). In Advances in Mechanical Engineering and Material Science; Tambe, P., Huang, P., Jhavar, S., Eds.; Springer: Singapore, 2023; pp. 281–305. [Google Scholar] [CrossRef]
- Ryan, E.M.; Sabin, T.J.; Watts, J.F.; Whiting, M.J. The influence of build parameters and wire batch on porosity of wire and arc additive manufactured aluminium alloy 2319. J. Mater. Process Technol. 2018, 262, 577–584. [Google Scholar] [CrossRef]
- Gao, C.; Chen, X.; Chen, X.; Su, C. Microstructure and mechanical properties of as-deposited and heat-treated additive manufactured 9Cr steel. Mater. Sci. Technol. 2019, 35, 2234–2242. [Google Scholar] [CrossRef]
- Yang, Q.; Xia, C.; Deng, Y.; Li, X.; Wang, H. Microstructure and mechanical properties of AlSi/Mg0/6 Aluminum alloy fabricated by wire and arc additive manufacturing based on cold Metal transfer (WAAM-CMT). Materials 2019, 12, 2525. [Google Scholar] [CrossRef]
- Zolotarevsky, V.S. Mechanical Properties of Metals; MISIS: Moscow, Russia, 1998; 400p. (In Russian) [Google Scholar]


















| Material | C | Si | Mn | Ni | S | P | Cr | Mo |
|---|---|---|---|---|---|---|---|---|
| 30CrMnSi | 0.269 | 1 | 0.93 | 0.099 | 0.015 | 0.020 | 0.961 | 0.005 |
| Material | Method 1 (Shetulov D.I.) | Method 2 (Andreeva O.V.) | The Proposed Method | |||
|---|---|---|---|---|---|---|
| Average Calculation Time, min | Prediction Accuracy | Average Calculation Time, min | Prediction Accuracy | Average Calculation Time, min | Prediction Accuracy | |
| 30CrMnSi | 14 | 86% | 0.6 | 66% | 0.2 | 88% |
Disclaimer/Publisher’s Note: The statements, opinions and data contained in all publications are solely those of the individual author(s) and contributor(s) and not of MDPI and/or the editor(s). MDPI and/or the editor(s) disclaim responsibility for any injury to people or property resulting from any ideas, methods, instructions or products referred to in the content. |
© 2024 by the authors. Licensee MDPI, Basel, Switzerland. This article is an open access article distributed under the terms and conditions of the Creative Commons Attribution (CC BY) license (https://creativecommons.org/licenses/by/4.0/).
Share and Cite
Mancerov, S.; Kurkin, A.; Anosov, M.; Shatagin, D.; Chernigin, M.; Mordovina, J. Prediction of Failure Due to Fatigue of Wire Arc Additive Manufacturing-Manufactured Product. Metals 2024, 14, 995. https://doi.org/10.3390/met14090995
Mancerov S, Kurkin A, Anosov M, Shatagin D, Chernigin M, Mordovina J. Prediction of Failure Due to Fatigue of Wire Arc Additive Manufacturing-Manufactured Product. Metals. 2024; 14(9):995. https://doi.org/10.3390/met14090995
Chicago/Turabian StyleMancerov, Sergei, Andrey Kurkin, Maksim Anosov, Dmitrii Shatagin, Mikhail Chernigin, and Julia Mordovina. 2024. "Prediction of Failure Due to Fatigue of Wire Arc Additive Manufacturing-Manufactured Product" Metals 14, no. 9: 995. https://doi.org/10.3390/met14090995
APA StyleMancerov, S., Kurkin, A., Anosov, M., Shatagin, D., Chernigin, M., & Mordovina, J. (2024). Prediction of Failure Due to Fatigue of Wire Arc Additive Manufacturing-Manufactured Product. Metals, 14(9), 995. https://doi.org/10.3390/met14090995

