Digital Form Generation of Heritages in Historical District Based on Plan Typology and Shape Grammar: Case Study on Kulangsu Islet
Abstract
1. Introduction
2. Literature Review of Shape Grammar
2.1. Shape Grammar as an Analysis and Model Generation Tool
2.2. Application of Shape Grammar in Architecture and Heritages
2.3. Towards Digitalization
3. Materials and Methods
3.1. Historical Context and the Digitalization and Management of Heritages on Kulangsu Islet
3.2. Methods and Stages
3.3. Stage 1: Typological Analysis of Kulangsu Modern Western-Style Houses
3.4. Stage 2: The Establishment of Western Style Houses’ Plan Typology to Shape Grammar
3.4.1. The Transformation Principle from Plan Prototype to Shape Grammar Parameter
3.4.2. The Main Process of Shaping Grammar Establishment of Kulangsu Modern Western-Style Houses
Sbr = Ilb(Rcn(Wbr, Lbr), LBd)
Soc = Ilb(Rcn(Woc, Loc), LBd)
2 × Lbr + Wlb < Loc
S = [Slb, Sbc, Sbr, Sor, Soc]
R1 = [Rn1, Rn2, Rf1, Rf2, Rf3, Rf4, Rf1]
R2 = [Rbc, Rbc, Ror, Roc]
L = (LBd, LBdc, LBe)
Rx∈(Rn1, Rn2, Rf1, Rf2, Rf3, Rf4, Rf1)
Lx∈(LBd, LBdc, LBe)
3.5. Stage 3: The Digital Form Generation Based on Shape Grammar
4. Results: Shape Grammar Digitalization and Form Generation of Kulangsu Modern Western-Style Houses
4.1. Typologies of Kulangsu Modern Western-Style Houses
4.1.1. Plan of Native Prototype
4.1.2. Plan of Foreign Western Prototype
4.1.3. Plan of Mixed Culture Prototype
4.2. The Grammer Set of Western Style Houses’ Plan Typologies
4.3. The Digital Form Generation of Modern Western-Style Houses
5. Discussion
6. Conclusions
Author Contributions
Funding
Institutional Review Board Statement
Informed Consent Statement
Data Availability Statement
Acknowledgments
Conflicts of Interest
References
- Osello, A.; Lucibello, G.; Morgagni, F. HBIM and Virtual Tools: A New Chance to Preserve Architectural Heritage. Buildings 2018, 8, 12. [Google Scholar] [CrossRef]
- Yang, X.; Pierre, G.; Mathieu, K.; Hélène, M.; Arnadi, M.; Tania, L. Review of Built Heritage Modelling: Integration of Hbim and Other Information Techniques. J. Cult. Herit. 2020, 46, 350–360. [Google Scholar] [CrossRef]
- Priavolou, C.; Tsiouris, N.; Niaros, V.; Kostakis, V. Towards Sustainable Construction Practices: How to Reinvigorate Vernacular Buildings in the Digital Era? Buildings 2021, 11, 297. [Google Scholar] [CrossRef]
- Rossato, L.; Massai, P.; Maietti, F.; Balzani, M. Digital Tools for Documentation and Analysis of Vernacular Cultural Heritage in Indian City Centers. Int. J. Archit. Herit. 2021, 15, 931–941. [Google Scholar] [CrossRef]
- Manriquez, C.; Sills, P. Evaluation of the Energy Performance of Stilt Houses (Palafitos) of the Chiloe Island. The Role of Dynamic Thermal Simulation on Heritage Architecture. In Proceedings of the Ecaade Sigradi 2019: Architecture in the Age of the 4th Industrial Revolution, Berlin, Germany, 11–13 September 2019; Volume 3, pp. 159–168. [Google Scholar] [CrossRef]
- Zhao, S.; Zhang, P.; Li, W. A Study on Evaluation of Influencing Factors for Sustainable Development of Smart Construction Enterprises: Case Study from China. Buildings 2021, 11, 221. [Google Scholar] [CrossRef]
- Zhang, X.; Zhi, Y.; Xu, J.; Han, L. Digital Protection and Utilization of Architectural Heritage Using Knowledge Visualization. Buildings 2022, 12, 1604. [Google Scholar] [CrossRef]
- Xia, S.; Liu, B.; Wang, H. Construction of a Sustainability-Based Building Attribute Conservation Assessment Model in Historic Areas. Buildings 2022, 12, 1346. [Google Scholar] [CrossRef]
- Yeoh, B.S.; Huang, S. The conservation-redevelopment dilemma in Singapore: The case of the Kampong Glam historic district. Cities 1996, 13, 411–422. [Google Scholar] [CrossRef]
- UNESCO World Heritage List. Available online: https://whc.unesco.org/en/list/xml (accessed on 31 December 2022).
- UNESCO China World Heritage List. Available online: https://whc.unesco.org/en/statesparties/cn (accessed on 31 December 2022).
- UNESCO Historic Centre of Macao. Available online: https://whc.unesco.org/en/list/1110 (accessed on 31 December 2022).
- UNESCO Kulangsu, a Historic International Settlement. Available online: https://whc.unesco.org/en/list/1541 (accessed on 31 December 2022).
- UNESCO Quanzhou: Emporium of the World in Song-Yuan China. Available online: https://whc.unesco.org/en/list/1561 (accessed on 31 December 2022).
- Chen, M.; Tong, H.; Xu, Y.; Zhou, Q.; Hu, L. Value Analysis and Rehabilitation Strategies for the Former Qingdao Exchange Building—A Case Study of a Typical Modern Architectural Heritage in the Early 20th Century in China. Buildings 2022, 12, 980. [Google Scholar] [CrossRef]
- Cai, Z.; Fang, C.; Zhang, Q.; Chen, F. Joint development of cultural heritage protection and tourism: The case of Mount Lushan cultural landscape heritage site. Herit. Sci. 2021, 9, 1–6. [Google Scholar] [CrossRef]
- Lin, T.C.; Su, P. Literary and cultural (re)productions of a utopian island: Performative geographies of colonial Shamian, Guangzhou in the latter half of the 19th century. Isl. Stud. J. 2022, 17, 28–51. [Google Scholar] [CrossRef]
- Huang, C.; Tsaur, J.; Yang, C. Does world heritage list really induce more tourists? Evidence from Macau. Tour. Manag. 2012, 33, 1450–1457. [Google Scholar] [CrossRef] [PubMed]
- Liang, X.; Coscia, C.; Dellapiana, E.; Martin, J.; Zhang, Y. Complex Social Value-Based Approach for Decision-Making and Valorization Process in Chinese World Cultural Heritage Site: The Case of Kulangsu (China). Land 2022, 11, 614. [Google Scholar] [CrossRef]
- Shaosen, W. Study on the Reginal Expression of Contemporary Architecture in South Fujian. Master’s Thesis, South China University of Technology, Guangzhou, China, October 2010. [Google Scholar]
- Olukoya, O.A.P. Framing the Values of Vernacular Architecture for a Value-Based Conservation: A Conceptual Framework. Sustainability 2021, 13, 4974. [Google Scholar] [CrossRef]
- Yi, Q.; Qing, W. Modernization and localization: The development of architecture in Kulangsu. Archit. Hist. 2017, 1, 151–161. [Google Scholar]
- Stiny, G.; James, G. Shape grammars and the generative specification of painting and sculpture. In Proceedings of the IFIP Congress (2), Ljubljana, Yugoslavia, 23–28 August 1971; Volume 2, pp. 125–135. [Google Scholar]
- Jiang, W.; Wei, F.; Bolun, Z. Analysis, Transformation, Generation: Review and Interpretation of Shape Grammar. Architects 2022, 4, 116–125. [Google Scholar]
- Stiny, G. Ice-Ray A Note on the Generation of Chinese Lattice Designs. Environ. Plan B Plan. Des. 1977, 4, 89–98. [Google Scholar] [CrossRef]
- Stiny, G.; Gips, J. Production systems and grammars: A uniform characterization. Environ. Plan B Plan. Des. 1980, 7, 399–408. [Google Scholar]
- Brown, K.N.; Cagan, J. Optimized Process Planning by Generative Simulated Annealing. AI EDAM 1997, 11, 219–235. [Google Scholar] [CrossRef]
- Pugliese, M.J.; Cagan, J. Capturing a rebel: Modeling the Harley-Davidson brand through a motorcycle shape grammar. Res. Eng. Des. 2002, 13, 139–156. [Google Scholar] [CrossRef]
- McCormack, J.P.; Cagan, J.; Vogel, C.M. Speaking the Buick Language: Capturing, Understanding, and Exploring Brand Identity with-Shape Grammars. Des. Stud. 2004, 25, 1–29. [Google Scholar] [CrossRef]
- Stiny, G.; Mitchell, W.J. The Palladian Grammar. Environ. Plan B Plan. Des. 1978, 5, 5–18. [Google Scholar] [CrossRef]
- Koning, H.; Eizenberg, J. The language of the prairie: Frank LloydWright’s prairie houses. Environ. Plan. B 1981, 8, 295–323. [Google Scholar] [CrossRef]
- Krüger, M.; Duarte, J.P.; Coutinho, F. Decoding De re aedificatoria: Using Grammars to Trace Alberti’s Influence on Portuguese Classical Architecture. Nexus Netw. J. 2011, 13, 171–182. [Google Scholar] [CrossRef]
- Li, A.I. Computing Style. Nexus Netw. J. 2011, 13, 183–193. [Google Scholar] [CrossRef]
- Hadighi, M.; Duarte, J. Using Grammars to Trace Architectural Hybridity in American Modernism the Case of William Hajjar Single-Family House. In Proceedings of the Ecaade Sigradi 2019: Architecture in the Age of the 4th Industrial Revolution, Porto, Portugal, 9–13 September 2019; Volume 1, pp. 529–540. [Google Scholar]
- Hadighi, M.; Duarte, J.P. Local Adaptation of the International Style Contextualizing Global Architecture between East and West. In Proceedings of the Ecaade 2020: Anthropologic—Architecture and Fabrication in the Cognitive Age, Online, 18–20 November 2020; Volume 2, pp. 331–340. [Google Scholar]
- Hadighi, M.; Duarte, J. Bauhaus Internationalism to College Town Modernism Exploring Bauhaus Culture in Hajjar’s Hybrid Architecture. In Proceedings of the Computer-Aided Architectural Design: Hello, Culture, Caad Futures 2019, Daejeon, Republic of Korea, 26–28 June 2019; Volume 1028, pp. 429–443. [Google Scholar]
- Amorim, L.; Griz, C. Amorim’s Law a Modern Grammar. In Proceedings of the Ecaade Sigradi 2019: Architecture in the Age of the 4th Industrial Revolution, Porto, Portugal, 9–13 September 2019; Volume 2, pp. 393–402. [Google Scholar]
- Mamoli, M. A Shape Grammar for the Building-Type Definition of the Ancient Greek and Roman Library and the Evaluation of Library Plans. Artif. Intell. Eng. Des. Anal. Manuf. 2020, 34, 191–206. [Google Scholar] [CrossRef]
- Wang, J.; Zhao, B.; Fan, W.; Yang, Y.; Jilong, Z. A Combined Shape Grammar and Housing-Space Demand Approach: Customized Mass Housing Design in Rural Areas of the North China Plain. Nexus Netw. J. 2022, 24, 5–23. [Google Scholar] [CrossRef]
- Bay, M.A.; Alnaim, M.M.; Albaqawy, G.A.; Noaime, E. The Heritage Jewel of Saudi Arabia: A Descriptive Analysis of the Heritage Management and Development Activities in the At-Turaif District in Ad-Dir’iyah, a World Heritage Site (WHS). Sustainability 2022, 14, 10718. [Google Scholar] [CrossRef]
- Kovacs, J.F.; Galvin, K.J.; Shipley, R. Assessing the success of Heritage Conservation Districts: Insights from Ontario, Canada. Cities 2015, 45, 123–132. [Google Scholar] [CrossRef]
- Cragoe, C.D. How to Read Buildings: A Crash Course in Architectural Styles; Rizzoli International Publications: New York, UK, 2008; ISBN 978-084-783-112-8. [Google Scholar]
- Fernie, E. Romanesque Architecture: The First Style of the European Age; Yale University Press: New Haven, UK, 2014; ISBN 978-030-020-354-7. [Google Scholar]
- Xia, B.; Li, X.; Shi, H.; Chen, S.; Chen, J. Style Classification and Prediction of Residential Buildings Based on Machine Learning. J. Asian Archit. Build. Eng. 2020, 19, 714–730. [Google Scholar] [CrossRef]
- Eilouti, B.H.; Al Shaar, M.J.H. Shape Grammars of Traditional Damascene Houses. Int. J. Archit. Herit. 2012, 6, 415–435. [Google Scholar] [CrossRef]
- Wutte, A.; Duarte, J.P. Shape Grammar as a Typology Defining Tool for Ancient Egyptian Funerary Monuments. Nexus Netw. J. 2021, 23, 319–336. [Google Scholar] [CrossRef]
- Coutinho, F.; Mateus, L.; Duarte, J.P.; Ferreira, V.; Kruger, M. From Point Cloud to Shape Grammar to Grammatical Transformations Using Terrestrial Laser Surveying to Develop and Compare Shape Grammars. In Proceedings of the Ecaade 2013: Computation and Performance, Delft, The Netherlands, 18–20 September 2013; Volume 2, pp. 655–663. [Google Scholar]
- Duarte, J.P.; Rocha, J.M.; Soares, G.D. Unveiling the Structure of the Marrakech Medina: A Shape Grammar and an Interpreter for Generating Urban Form. Artif. Intell. Eng. Des. Anal. Manuf. 2007, 21, 317–349. [Google Scholar] [CrossRef]
- Beirao, J.N.; Duarte, J.P.; Stouffs, R. Creating Specific Grammars with Generic Grammars: Towards Flexible Urban Design. Nexus Netw. J. 2011, 13, 73–111. [Google Scholar] [CrossRef]
- Vaz, C.E.V.; Celani, M.G.C.; Duarte, J.M.P. An Ontology Representing Roberto Burle Marx’s Landscape Design Solutions. In Proceedings of the 16th International Conference on Computer-Aided Architectural Design Research in Asia (Caadria 2011): Circuit Bending, Breaking and Mending, Newcastle, Australia, 27–29 April 2011; pp. 389–398. [Google Scholar]
- Mendes, L.T.; Beirao, J.N.; Duarte, J.P.; Celani, G. A Bottom-up Social Housing System Described with Shape Grammars the Case of Belapur Low-Income Housing Development. In Proceedings of the Ecaade 2013: Computation and Performance, Delft, The Netherlands, 18–20 September 2013; Volume 2, pp. 705–714. [Google Scholar]
- Lima, F.T.; Brown, N.C.; Duarte, J.P. A Grammar-BasedOptimization Approach for Designing Urban Fabrics and Locating Amenities for 15-Minute Cities. Buildings 2022, 12, 1157. [Google Scholar] [CrossRef]
- Ślusarczyk, G. A Grammar-Based Multiagent System in Dynamic Design. Artif. Intell. Eng. Des. Anal. Manuf. 2008, 22, 129–145. [Google Scholar] [CrossRef]
- Aksamija, A.; Yue, K.; Kim, H.; Grobler, F.; Krishnamurti, R. Integration of Knowledge-Based and Generative Systems for Building Characterization and Prediction. Artif. Intell. Eng. Des. Anal. Manuf. 2010, 24, 3–16. [Google Scholar] [CrossRef]
- Eloy, S.; Duarte, J.P. A Transfformation Grammar for Housing Rehabilitation. Nexus Netw. J. 2011, 13, 49–71. [Google Scholar] [CrossRef]
- Dincer, A.E.; Cagdas, G.; Tong, H. A Digital Tool for Customized Mass Housing Design. Fusion: Data Integration at Its Best. In Proceedings of the 32nd International Conference on Education and Research in Computer aided Architectural Design in Europe, Newcastle upon Tyne, UK, 10–12 September 2014; Volume 1, pp. 201–211. [Google Scholar]
- Kwiecinski, K.; Santos, F.; de Almeida, A.; Taborda, B.; Eloy, S. Wood Mass-Customized Housing. In Proceedings of the Ecaade 2016: Complexity & Simplicity, 34th International Conference on Education and Research in Computer Aided Architectural Design in Europe, Oulu, Finland, 24–26 August 2016; Volume 2, pp. 349–358. [Google Scholar]
- Grobler, F.; Aksamija, A.; Kim, H.; Krishnamurti, R.; Yue, K.; Hickerson, C. Ontologies and Shape Grammars: Communication between Knowledge-Based and Generative Systems. In Design Computing and Cognition; Gero, J.S., Goel, A.K., Eds.; Springer: Dordrecht, The Netherlands, 2008. [Google Scholar] [CrossRef]
- Strobbe, T.; Eloy, S.; Pauwels, P.; Verstraeten, R.; De Meyer, R.; Van Campenhout, J. A Graph-Theoretic Implementation of the Rabo-De-Bacalhau Transformation Grammar. Artif. Intell. Eng. Des. Anal. Manuf. 2016, 30, 138–158. [Google Scholar] [CrossRef]
- Veloso, P.; Celani, G.; Scheeren, R. From the Generation of Layouts to the Production of Construction Documents: An Application in the Customization of Apartment Plans. Autom. Constr. 2018, 96, 224–235. [Google Scholar] [CrossRef]
- Xiong, L.; Xiong, W.; Zhang, H.X. Gulou Structure Grammar and Its Computer Implementation a Computational Approach to Preserve the Ethnic Building Technique and to Guide New Designs. In Proceedings of the Ecaade 2013: Computation and Performance, Delft, The Netherlands, 18–20 September 2013; Volume 2, pp. 725–733. [Google Scholar]
- D’Oliveira Quaresma, P.F.C.C. A Detail Shape Grammar. Using Alberti’s Column System Rules to Evaluate the Longitudinal Elevation of the Nave of Sant’Andrea Church Generation. Artif. Intell. Eng. Des. Anal. Manuf. 2018, 32, 295–307. [Google Scholar] [CrossRef]
- Stouffs, R. Predicates and Directives for a Parametric-Associative Matching Mechanism for Shapes and Shape Grammars. In Proceedings of the Ecaade Sigradi 2019: Architecture in the Age of the 4th Industrial Revolution, Porto, Portugal, 11–13 September 2019 403–412; Volume 2. [Google Scholar]
- Ruibing, W.; Yinxin, L.; Zhecong, Z. The Architecture Art of Kulangsu; Tianjing University Press: Tianjing, China, 1997; ISBN 978-756-180-937-2. [Google Scholar]
- Shan, J. Research on the Plan of Modern Buildings in Kulangsu. Master’s Thesis, Huaqiao University, Fujian, China, June 2020. [Google Scholar]
- Stiny, G. Introduction to shape and shape grammars. Environ. Plan B Plan. Des. 1980, 7, 343–351. [Google Scholar] [CrossRef]
- Hou, D.; Stouffs, R. An Algorithmic Design Grammar for Problem Solving. Autom. Constr. 2018, 94, 417–437. [Google Scholar] [CrossRef]
- Nogueira, A.; Romao, L. Shape Grammars as a Method to Introduce Computational Thinking in Design the Case of Tiles. In Proceedings of the 38th International Online Conference on Education and Research in Computer Aided Architectural Design in Europe, Berlin, Germany, 16–17 September 2020; Volume 1, pp. 693–702. [Google Scholar]
- Chau, H.H.; Chen, X.; McKay, A.; de Pennington, A. Evaluation of a 3D Shape Grammar Implementation. In Design Computing and Cognition; Gero, J.S., Ed.; Springer: Dordrecht, The Netherlands, 2004. [Google Scholar] [CrossRef]
- Knight, T. Shape grammars: Six types. Environ. Plan B Plan. Des. 1999, 26, 15–31. [Google Scholar] [CrossRef]
- Chunping, C. Traditional Architecture of South Fujian in China; Xiamen University Press: Xiamen, China, 2006; ISBN 978-756-152-533-3. [Google Scholar]
- Yue, K.; Krishnamurti, R.; Grobler, F. Estimating the Interior Layout of Buildings Using a Shape Grammar to Capture Building Style. J. Comput. Civ. Eng. 2012, 26, 113–130. [Google Scholar] [CrossRef]
- Campagna, M.; Achenza, M.; Iannuzzi, Y.; Cocco, C. Geospatial Technologies for the Built Heritage Management: Experiences in Sardinia, Italy. In Proceedings of the Euro-Mediterranean Conference 2014, Cultural Heritage. Documentation, Preservation, and Protection5th International Conference, EuroMed 2014, Limassol, Cyprus, 3–8 November 2014; Digital Heritage: Cham, Switzerland, 2014; pp. 598–905. [Google Scholar]
- Almaimani, A.; Nawari, N.O. BIM-Driven Design Approach for Islamic Historical Buildings. Arab. J. Sci. Eng. 2019, 44, 4947–4960. [Google Scholar] [CrossRef]
- Ipekoglu, B. An architectural evaluation method for conservation of traditional dwellings. Build. Environ. 2006, 41, 386–394. [Google Scholar] [CrossRef]
- Ma, Y.P. Extending 3D-GIS District Models and BIM-Based Building Models into Computer Gaming Environment for Better Workflow of Cultural Heritage Conservation. Appl. Sci. 2021, 11, 2101. [Google Scholar] [CrossRef]
- Massimiliano, P.; Domenica, C.; Vincenzo, S.A.; Alfredo, G.R.; Nicola, M.P. Scan to BIM for the digital management and representation in 3D GIS environment of cultural heritage site. J. Cult. Herit. 2021, 50, 115–125. [Google Scholar] [CrossRef]
- Chandler, T.; Clulow, A.; Campbell, B.; Samsel, F. Modeling Virtual Angkor: An Evolutionary Approach to a Single Urban Space. IEEE Comput. Graph. Appl. 2020, 40, 9–16. [Google Scholar] [CrossRef]
- Almeida, R.N.; David, N. Signs of Heritage—An Agent-Based Model of the Dynamics of Heritage Categories. IEEE Trans. Comput. Soc. Syst. 2019, 99, 1–12. [Google Scholar] [CrossRef]
- He, S.; Wu, W.; Wang, X. Digital Protection of Historic Buildings in Urban Planning. J. Environ. Public Health 2022, 2022, 3549769. [Google Scholar] [CrossRef] [PubMed]
- Machete, R.; Falcão, A.P.; Gonçalves, A.B.; Godinho, M.; Bento, R. Bento. Development of a Manueline Style Object Library for Heritage Bim. Int. J. Archit. Herit. 2021, 15, 1930–1941. [Google Scholar] [CrossRef]
- Ligler, H. Reconfiguring Atrium Hotels: Generating Hybrid Designs with Visual Computations in Shape Machine. Autom. Constr. 2021, 132, 103923. [Google Scholar] [CrossRef]
















| Heritage Description | Number Count | Rate of Whole World Heritage | Typical Case of World Heritage |
|---|---|---|---|
| Architecture Groups in Historical districts emphasize the multi-culture features | 29 | 3% | Kulangsu; Stone Town of Zanzibar; Harar Jugol, Island of Saint-Louis, Hatra, Historic City of Meknes |
| Architecture Groups in Historical districts described as multi-culture features | 22 | 2% | Lamu Old Town, Medina of Tétouan, Historic Quarter of the City of Colonia del Sacramento, Flemish Béguinage |
| Architecture Groups in Historical districts described as single cultures | 216 | 23% | Historic Cairo, Ancient City of Damascus, Pingyao, Historic Centre of Bukhara, Historical Centre of the City of Yaroslavl |
| Smaller Groups and Single architecture heritages | 288 | 31% | Historic Centre of the City of Pienza, Historical Monuments of Mtskheta, Provins, Medieval Town of Toruń |
| Others | 381 | 41% |
| Label | Description |
|---|---|
| LBd | Connect through door |
| LBdc | Disconnect |
| LBe | Place of entrance |
| Shape | Function | Native Name | Description |
|---|---|---|---|
| Ilb | main lobby | Xia Luo | The main lobby of gathering or visitor reception. |
| Sbr | bedroom/normal room | Ce Wo | The bedroom or study. Usually for daily activities. |
| Sbc | backcorridor | Hou Xuan | The backcorridor behind lobby or stair space. |
| Soc | single outside veranda | Wai Lang | The veranda or corridor coming from west style. |
| Scr | corner room | Jiao Fang | The room located in the corner. Usually for servant or storing. |
| Sjt | a kind of secondary room | Ju Tou | The secondary room located on both sides of courtyard in Minnan courtyard buildings. Usually for next generations. |
| Slc | lane ecorridor | Xiang Lang | The small middle corridor between main lobby or hall and backrooms. |
| Sdc | deep courtyard | Shen Jing | The space in front of lobby. Usually are courtyard or hall. Providing an exhibition or leisure space. |
| Sbkr | backroom | Ding Luo | The rooms on the back spaces or the room on the second level of Minnan courtyard buildings. Usually for homeowners. |
| Szw | Zhaobi wall | Zhao Bi | The wall in front of main entrance. Isolating the hallway and lobby. |
| Sst | transport space | Zhong Lang | The transport space in the middle of western style houses. |
| Swc | winding corridor | Hui Lang | The winding corridor around the house. |
| Swt | wing tower | Yi Lou | The corner room in front of main room. Usually for study or holding activities. |
| Sgr | guard room | Hu Cuo | The additional long rooms to the both side of main rooms. Usually for servant or next generations. |
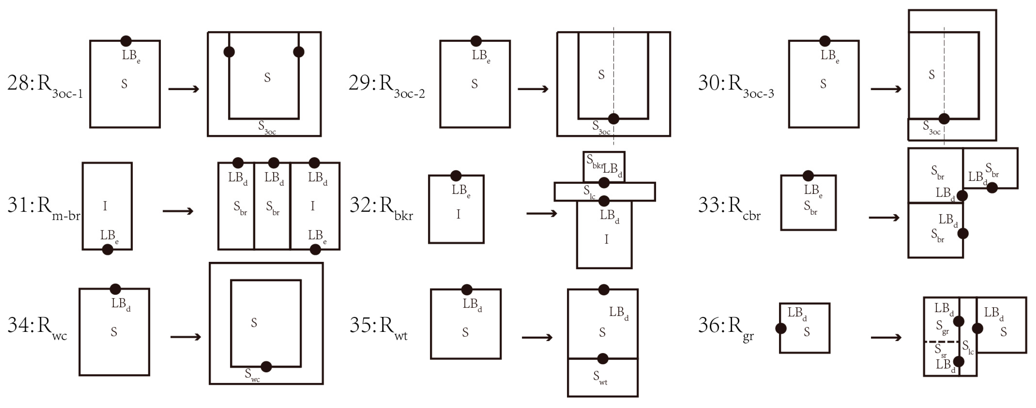
| No | Rule | Description | No | Rule | Description |
|---|---|---|---|---|---|
| 1 | Rbc | Assignment of backcorridor.* | 19 | Rm-jt | Mirror the secondary room shape. |
| 2 | Rbr-1 | Assignment of bedroom. | 20 | Rzw | Assignment of Zhaobi wall. * |
| 3 | Rbr-2 | Assignment of bedroom. | 21 | Rbr-8 | Assignment of bedroom to connect transport space. |
| 4 | Rbr-3 | Assignment of bedroom. | 22 | Rbr-9 | Assignment of bedroom to connect transport space. |
| 5 | Rbr-4 | Assignment of corner room. * | 23 | Rbr-10 | Assignment of bedroom to connect transport space. |
| 6 | Rbr-5 | Assignment of bedroom but does not connect lobby. | 24 | Rbr-11 | Assignment of bedroom to connect transport space. |
| 7 | Roc-1 | Assignment of outside corridor/veranda. * | 25 | Roc-1 | Assignment of outside ecorridor to connect transport space. * |
| 8 | Roc-2 | Assignment of outside corridor/veranda. * | 26 | Roc-2 | Assignment of outside corridor to connect transport space on the other side. * |
| 9 | Rbr-oc | Assignment of outside corridor to connect bedrooms. * | 27 | Roc-2 | Assignment of outside corridor to connect transport space on both sides. * |
| 10 | Rm-br | Mirror the bedroom shape. | 28 | R3oc-1 | Assignment of outside corridor on 3 sides of room (door on the left and right side). * |
| 11 | Ror | Assignment of bedroom but does not connect lobby. | 29 | R3oc-2 | Assignment of outside corridor on 3 sides of room (door on the front side). * |
| 12 | Rbr-br | Add another bedroom | 30 | R3oc-3 | Assignment of outside corridor on 3 sides of room. * |
| 13 | Rdc-br | Assignment of bedroom to connect deep courtyard. | 31 | Rmi-b | Assignment of bedroom to connect another room. |
| 14 | Rdc-lc | Assignment of lane corridor. * | 32 | Rbkr | Assignment of backroom. * |
| 15 | Rdc2-lc | Assignment of lane corridor. * | 33 | Rcbr | Assignment of 3 rooms to form the corner. * |
| 16 | Rbr-6 | Assignment of bedroom. * | 34 | Rwc | Assignment of wind corridor. * |
| 17 | Rbr-7 | Assignment of bedroom. * | 35 | Rwt | Assignment of wing tower. * |
| 18 | Ror-jt | Assignment of secondary room to connect outside corridor. * | 36 | Rgr | Assignment of guard room. * |
Disclaimer/Publisher’s Note: The statements, opinions and data contained in all publications are solely those of the individual author(s) and contributor(s) and not of MDPI and/or the editor(s). MDPI and/or the editor(s) disclaim responsibility for any injury to people or property resulting from any ideas, methods, instructions or products referred to in the content. |
© 2023 by the authors. Licensee MDPI, Basel, Switzerland. This article is an open access article distributed under the terms and conditions of the Creative Commons Attribution (CC BY) license (https://creativecommons.org/licenses/by/4.0/).
Share and Cite
Zhang, K.; Zhang, N.; Quan, F.; Li, Y.; Wang, S. Digital Form Generation of Heritages in Historical District Based on Plan Typology and Shape Grammar: Case Study on Kulangsu Islet. Buildings 2023, 13, 229. https://doi.org/10.3390/buildings13010229
Zhang K, Zhang N, Quan F, Li Y, Wang S. Digital Form Generation of Heritages in Historical District Based on Plan Typology and Shape Grammar: Case Study on Kulangsu Islet. Buildings. 2023; 13(1):229. https://doi.org/10.3390/buildings13010229
Chicago/Turabian StyleZhang, Kehan, Na Zhang, Fengmei Quan, Yuan Li, and Shaosen Wang. 2023. "Digital Form Generation of Heritages in Historical District Based on Plan Typology and Shape Grammar: Case Study on Kulangsu Islet" Buildings 13, no. 1: 229. https://doi.org/10.3390/buildings13010229
APA StyleZhang, K., Zhang, N., Quan, F., Li, Y., & Wang, S. (2023). Digital Form Generation of Heritages in Historical District Based on Plan Typology and Shape Grammar: Case Study on Kulangsu Islet. Buildings, 13(1), 229. https://doi.org/10.3390/buildings13010229

