Seismic Vulnerability Analysis of Long-Span Prestressed Concrete Composite Box Girder Bridge with Corrugated Steel Webs under Construction
Abstract
1. Introduction
2. Seismic Vulnerability Analysis Methodology in Construction Phase
3. Case Study
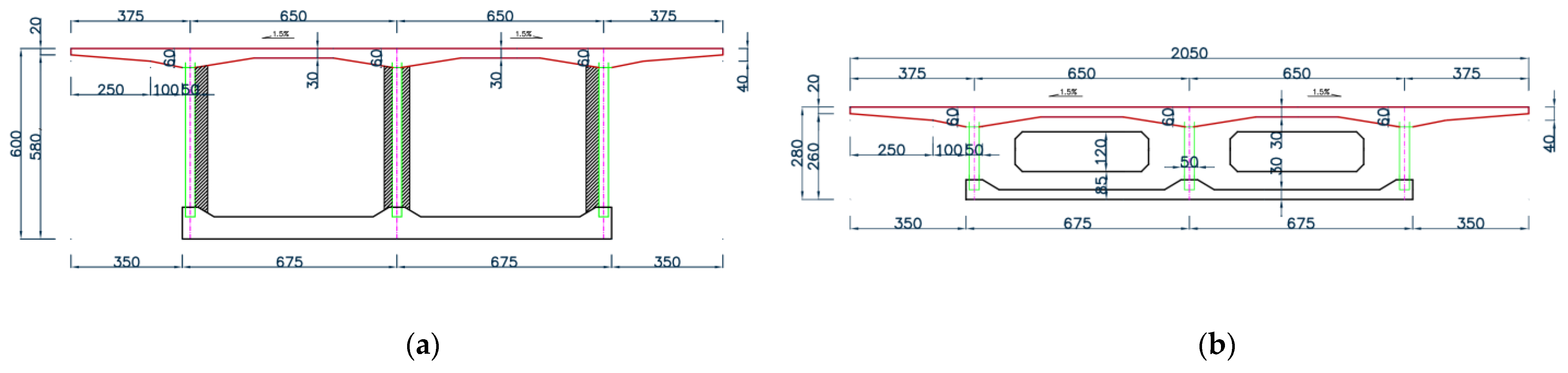
3.1. Bridge Description
3.2. Numerical Model
3.3. Selection of Ground Motions and Intensity Measures
3.4. Determination of Engineering Demand Parameters and Their Damage Indicators
4. Results Discussion
4.1. Seismic Vulnerability of Piers during the Construction
4.2. Seismic Vulnerability of Temporary Bearing during Construction
4.3. Comparison of Seismic Vulnerability between Completed Bridge and Construction Stage
5. Conclusions
- (1)
- A seismic damage index system for continuous beam bridges during the construction phase is established, targeted seismic intensity measure and engineering demand parameters are proposed, and finally, a seismic vulnerability analysis method for continuous girder bridges during the construction phase is established.
- (2)
- The damage probability of piers and temporary bearings under construction increases with the progress of construction. The initial formation of the cantilever structure and the size change of the construction girder section corresponds to the greater seismic vulnerability in the construction state, so the seismic damage prevention measures should be strengthened. Vertical earthquake actions slightly increase the damage probability of key components during construction.
- (3)
- The damage probability of a continuous girder bridge after completion under an earthquake is less than that of the corresponding structure at any construction state. The continuous girder bridge is more vulnerable to earthquakes in the construction stage than in the completion stage.
Author Contributions
Funding
Data Availability Statement
Conflicts of Interest
References
- Mackie, K.; Stojadinovic, B. Probabilistic seismic demand model for California highway bridges. J. Bridge Eng. 2001, 6, 468–481. [Google Scholar] [CrossRef]
- Lupoi, A.; Franchin, P.; Schotanus, M. Seismic risk evaluation of RC bridge structures. Earthq. Eng. Struct. Dyn. 2003, 32, 1275–1290. [Google Scholar] [CrossRef]
- Wei, B.; Yang, T.; Jiang, L.; He, X. Effects of uncertain characteristic periods of ground motions on seismic vulnerabilities of a continuous track-bridge system of high-speed railway. Bull. Earthq. Eng. 2018, 16, 3739–3769. [Google Scholar] [CrossRef]
- Cao, Y.; Liang, Y.; Huai, C.; Yang, J.; Mao, R. Seismic fragility analysis of multispan continuous girder bridges with varying pier heights considering their bond-slip behavior. Adv. Civ. Eng. 2020, 2020, 8869921. [Google Scholar] [CrossRef]
- Yuen, T.Y.; Chan, W.; Zhou, X.; Deb, T.; Liu, Y.; Zhang, H. Effect of prestress loss on seismic fragility of post-tensioned precast concrete segmental bridge. In Proceedings of the 17th World Conference on Earthquake Engineering, Sendai, Japan, 27 September–2 October 2021. [Google Scholar]
- Wang, D.; Wang, X.; Liu, H. Seismic fragility analysis of multi-span continuous girder bridge considering spatial variation of ground motions. In Proceedings of the 17th World Conference on Earthquake Engineering, Sendai, Japan, 27 September–2 October 2021. [Google Scholar]
- Yin, C.B.; Yu, F. Seismic Response Analysis of High Pier and Long Span Rigid Framed Bridge under Non Uniform Excitation. Appl. Mech. Mater. 2012, 193–194, 1315–1319. [Google Scholar] [CrossRef]
- Zhang, Y.; Li, J.; Wang, L.; Wu, H. Study on the Seismic Performance of Different Combinations of Rubber Bearings for Continuous girder Bridges. Adv. Civ. Eng. 2020, 2020, 8810874. [Google Scholar]
- Tan, Y.; Fang, R.; Zhang, W.; Zhao, H.; Du, X. Theoretical study on the seismic response of a continuous girder bridge with safe-belt devices. Soil Dyn. Earthq. Eng. 2021, 151, 106948. [Google Scholar] [CrossRef]
- Hsu, W.-K.; Chiang, W.-L.; Xue, Q.; Hung, D.-M.; Huang, P.-C.; Chen, C.-W.; Tsai, C.-H. A probabilistic approach for earthquake risk assessment based on an engineering insurance portfolio. Nat. Hazards 2013, 65, 1559–1571. [Google Scholar] [CrossRef]
- Huang, Y.; Li, H.G.; Xie, G.M.; Li, W.; Zu, L. Seismic fragility Analysis of Bridges under Construction. In Proceedings of the 17th World Conference on Earthquake Engineering, Sendai, Japan, 27 September–2 October 2021. [Google Scholar]
- Li, H.; Huang, Y.; Guo, E. Construction state Seismic fragility Evaluation of a Continuous Girder Bridge with the Cast-in-Place Cantilever Construction Method. Adv. Civ. Eng. 2021, 2021, 9915947. [Google Scholar]
- Li, H.X.; Huang, Y.; Guo, E.D. Seismic fragility analysis of bridges in the construction state for insurance. J. Harbin Eng. Univ. 2022, 43, 549–556. (In Chinese) [Google Scholar]
- Shi, Y.; Zhang, Z.C.; Li, J.; Qin, H. Seismic Fragility of the Long-span, Continuous, Rigid-frame Bridge with High-rise Pier Involving the State of the Internal Force. J. Seismol. Res. 2022, 45, 8–16. (In Chinese) [Google Scholar]
- Yang, C.; Chen, W.L.; Xu, T.F. The vulnerability analysis of bridge construction in aftershock area. Eng. Mech. 2016, 33, 251–256. [Google Scholar]
- Xiong, H.; Jiang, S.; Huang, Y.; Zhang, J. Seismic vulnerability analysis of simply supported continuous bridge during construction. Multidiscip. Model. Mater. Struct. 2022, 18, 459–476. [Google Scholar] [CrossRef]
- Luo, H.; Liang, Y.; Feng, J.; Li, B.; Liu, W. Seismic Vulnerability Analysis of Long Span Prestressed Concrete Continuous Rigid Frame Bridge. J. Eng. Sci. Technol. Rev. 2022, 15, 35–41. [Google Scholar]
- Ohashi, R.; Kiyomiya, O. Examination of safety against earthquake at each stage of construction of long cable-stayed bridge. In Proceedings of the 2016 JSCE Annual Meeting, Toronto, ON, Canada, 7–20 January 2016; Abstracts of Annual Meeting of JSCE. Volume I. [Google Scholar]
- Wang, S.; Sun, Q.; Yu, H.; Wang, H. Seismic vulnerability analysis of cable-stayed bridge during rotation construction. Stavební Obz. Civ. Eng. J. 2022, 31, 384–399. [Google Scholar] [CrossRef]
- Cornell, C.A.; Jalayer, F.; Hamburger, R.O.; Foutch, D.A. Probabilistic basis for 2000 SAC Federal Emergency Management Agency steel moment frame guidelines. J. Struct. Eng. 2002, 128, 526–533. [Google Scholar] [CrossRef]
- Opensees Manual. Open System for Earthquake Engineering Simulation User Command-Language Manual; Pacific Earthquake Engineering Research Centre, University of California: Berkeley, CA, USA, 2009. [Google Scholar]
- Mander, J.A.B.; Priestley, M.J.N. Theoretical Stress-Strain Model for Confined Concrete. J. Struct. Eng. 1988, 114, 1804–1826. [Google Scholar] [CrossRef]
- Filippou, F.C.; Popov, E.P.; Bertero, V.V. Effects of Bond Deterioration on Hysteretic Behavior of Reinforced Concrete Joints; Report EERC 83-19; Earthquake Engineering Research Center, University of California: Berkeley, CA, USA, 1983. [Google Scholar]
- Nielson, B.; Pang, W. Effect of ground motion suite size on uncertainty estimation in seismic bridge fragility modeling. In Proceedings of the Structures Congress 2011, ASCE, Las Vegas, NV, USA, 14 April 2011; pp. 23–34. [Google Scholar]
- Shafieezadeh, A.; Ramanathan, K.; Padgett, J.E.; DesRoches, R. Fractional order intensity measures for probabilistic seismic demand modeling applied to highway bridges. Earthq. Eng. Struct. Dyn. 2012, 41, 391–409. [Google Scholar] [CrossRef]
- Chaudhary, M.T.A. Effect of soil-foundation-structure interaction and pier column non-linearity on seismic response of bridges bearinged on shallow foundations. Aust. J. Struct. Eng. 2016, 17, 67–86. [Google Scholar] [CrossRef]
- Nielson, B.G.; Desroches, R. Seismic fragility methodology for highway bridges using a component level approach. Earthq. Eng. Struct. Dyn. 2007, 36, 823–839. [Google Scholar] [CrossRef]
- Wei, B.; Li, C.B.; He, X.H. The applicability of different earthquake intensity measures to the seismic fragility of a high-speed railway continuous bridge. Int. J. Civ. Eng. 2019, 17, 981–997. [Google Scholar] [CrossRef]
- Azevedo, J.; Guerreiro, L.; Bento, R.; Lopes, M.; Proença, J. Seismic fragility of lifelines in the greater Lisbon area. Bull. Earthq. Eng. 2009, 8, 157–180. [Google Scholar] [CrossRef]
- Zhong, J.; Hu, Z.; Yuan, W.; Chen, L. System-based probabilistic optimization of fluid viscous dampers equipped in cable-stayed bridges. Adv. Struct. Eng. 2018, 21, 1815–1825. [Google Scholar] [CrossRef]
- Nielson, B.G. Analytical Fragility Curves for Highway Bridges in Moderate Seismic Zones; Georgia Institute of Technology: Atlanta, GA, USA, 2005. [Google Scholar]

















| EDPs | DS-1 | DS-2 | DS-3 | DS-4 |
|---|---|---|---|---|
| Coefficient of pier bottom curvature (µϕx) | 1µϕV | 2µϕV | 4µϕV | 8µϕV |
| Bearing shear coefficient (µV) | 2 | 6.66 | - | - |
Disclaimer/Publisher’s Note: The statements, opinions and data contained in all publications are solely those of the individual author(s) and contributor(s) and not of MDPI and/or the editor(s). MDPI and/or the editor(s) disclaim responsibility for any injury to people or property resulting from any ideas, methods, instructions or products referred to in the content. |
© 2023 by the authors. Licensee MDPI, Basel, Switzerland. This article is an open access article distributed under the terms and conditions of the Creative Commons Attribution (CC BY) license (https://creativecommons.org/licenses/by/4.0/).
Share and Cite
Wang, R.; Hu, Z.; Hao, Z.; Chen, L.; Shi, G.; Hou, R.; Zuo, R. Seismic Vulnerability Analysis of Long-Span Prestressed Concrete Composite Box Girder Bridge with Corrugated Steel Webs under Construction. Buildings 2023, 13, 1598. https://doi.org/10.3390/buildings13071598
Wang R, Hu Z, Hao Z, Chen L, Shi G, Hou R, Zuo R. Seismic Vulnerability Analysis of Long-Span Prestressed Concrete Composite Box Girder Bridge with Corrugated Steel Webs under Construction. Buildings. 2023; 13(7):1598. https://doi.org/10.3390/buildings13071598
Chicago/Turabian StyleWang, Rubao, Zhangliang Hu, Zhiming Hao, Liang Chen, Guigang Shi, Ruini Hou, and Rui Zuo. 2023. "Seismic Vulnerability Analysis of Long-Span Prestressed Concrete Composite Box Girder Bridge with Corrugated Steel Webs under Construction" Buildings 13, no. 7: 1598. https://doi.org/10.3390/buildings13071598
APA StyleWang, R., Hu, Z., Hao, Z., Chen, L., Shi, G., Hou, R., & Zuo, R. (2023). Seismic Vulnerability Analysis of Long-Span Prestressed Concrete Composite Box Girder Bridge with Corrugated Steel Webs under Construction. Buildings, 13(7), 1598. https://doi.org/10.3390/buildings13071598
