Experimental Design of Fast Terminal Sliding Mode Control for Valve Regulation under Water Load Uncertainty for Precision Irrigation
Abstract
1. Introduction
- Experimental validation using a DC motor plant, the central component of the electrical valve control, adding load experiments so that the design results will be closer to reality in the field.
- Proposing the FTSMC method for solving problems in precision irrigation applications.
- An in-depth investigation of the accuracy comparison of the proposed method compared to conventional control techniques, namely error, overshoot, and signal response rate.
- Detailed experimental design and stability analysis of the proposed method.
2. Problem Statement and Design
2.1. Uncertainty Issue
2.2. Valve Control Model
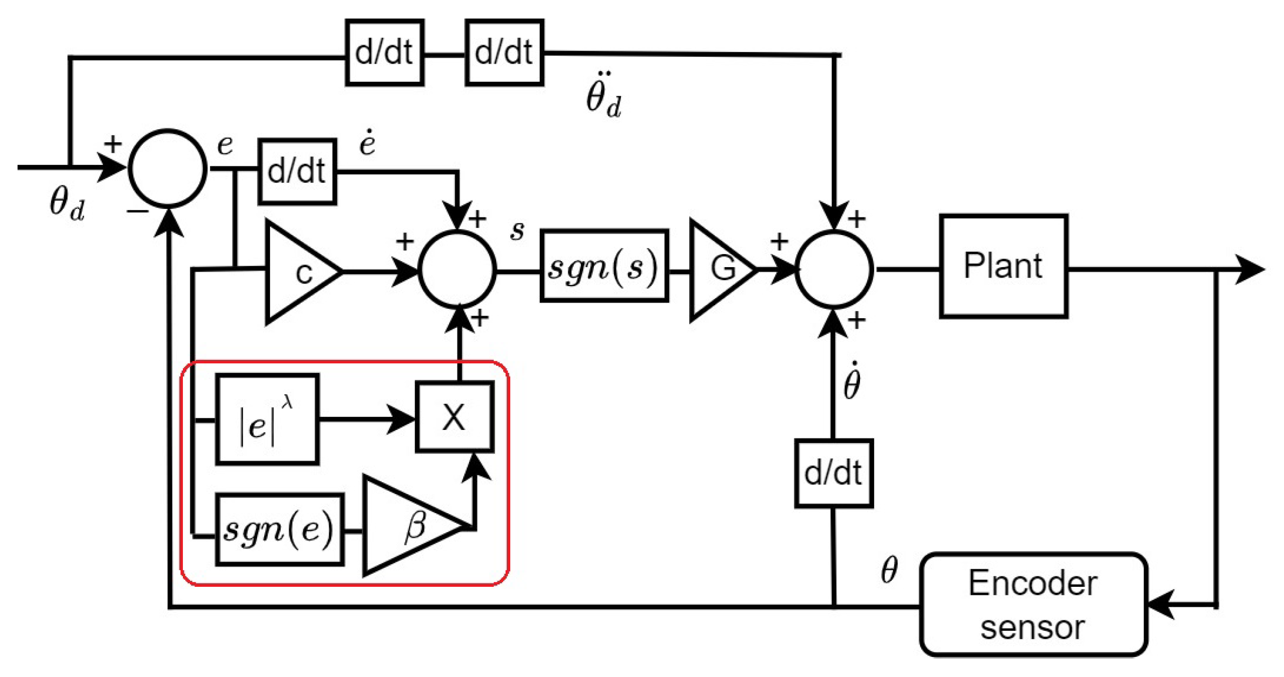
2.3. Fast Terminal Sliding Mode Control Design
- Simulate the gain value using the software concerning the convergence of the Lyapunov stability guarantee.
- Adjust the gain value referring to the simulation results with the amplifier capability in the experimental validator device.
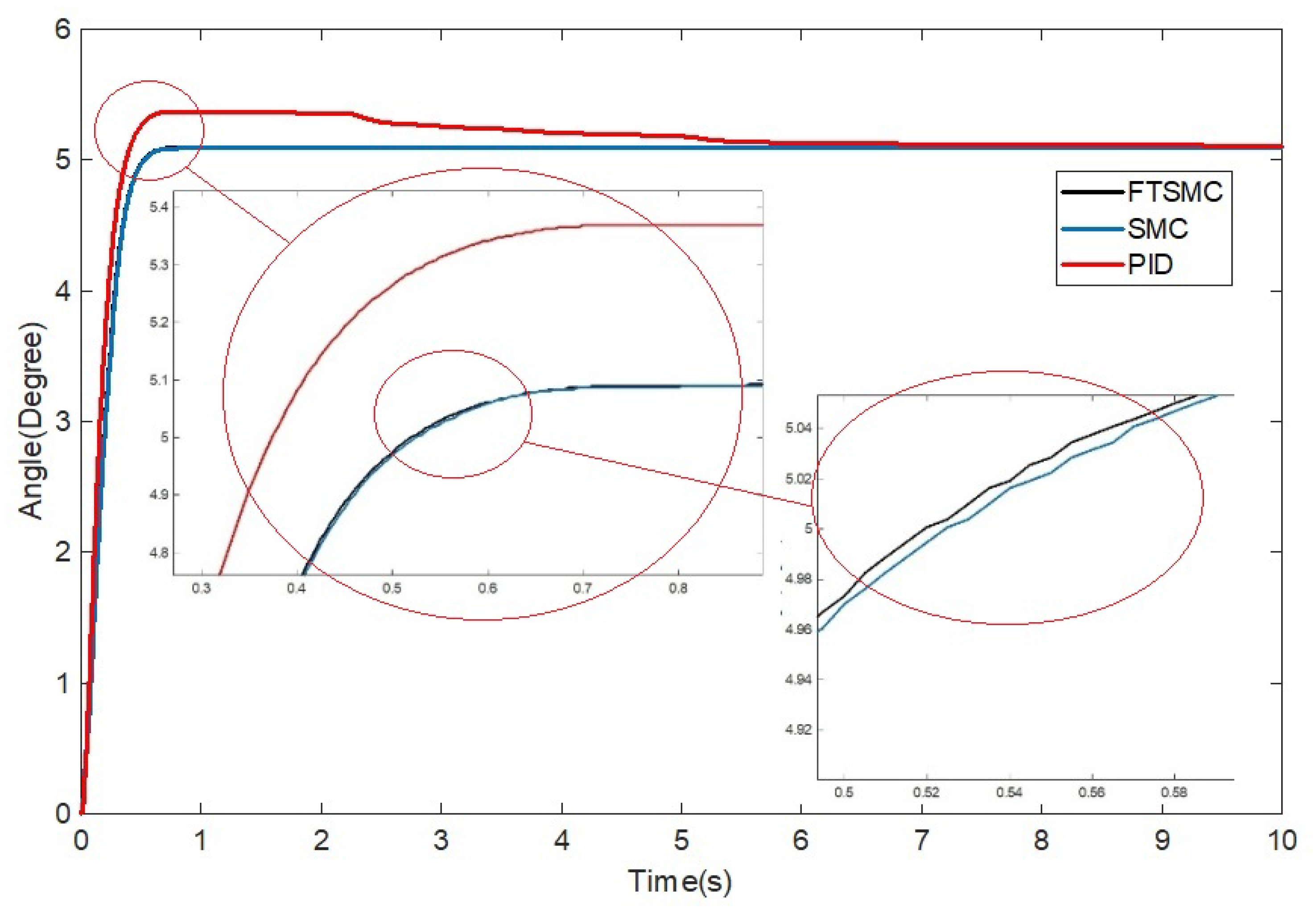
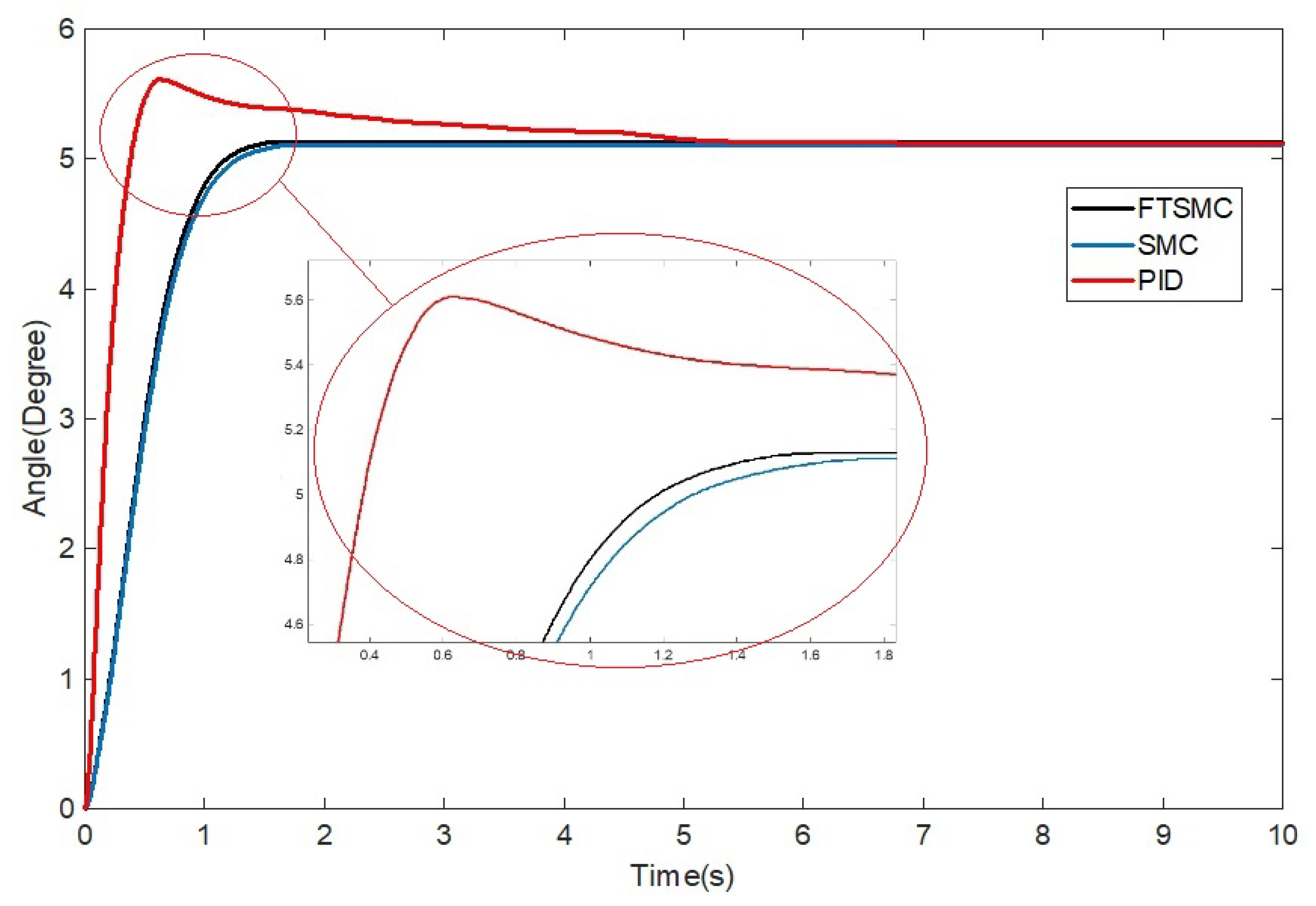
3. Results and Discussion
4. Conclusions
Author Contributions
Funding
Data Availability Statement
Acknowledgments
Conflicts of Interest
Abbreviations
| FTSMC | Fast Terminal Sliding Mode Control |
| SMC | Sliding Mode Control |
| RMSE | Root Mean Square Error |
| PID | Proportional Integral Derivative |
| DC | Direct Current |
References
- Abioye, E.A.; Abidin, M.S.Z.; Mahmud, M.S.A.; Buyamin, S.; Ishak, M.H.I.; Abd Rahman, M.K.I.; Otuoze, A.O.; Onotu, P.; Ramli, M.S.A. A review on monitoring and advanced control strategies for precision irrigation. Comput. Electron. Agric. 2020, 173, 105441. [Google Scholar] [CrossRef]
- Liang, Z.; Liu, X.; Xiong, J.; Xiao, J. Water allocation and integrative management of precision irrigation: A systematic review. Water 2020, 12, 3135. [Google Scholar] [CrossRef]
- Klein, L.J.; Hamann, H.F.; Hinds, N.; Guha, S.; Sanchez, L.; Sams, B.; Dokoozlian, N. Closed loop controlled precision irrigation sensor network. IEEE Internet Things J. 2018, 5, 4580–4588. [Google Scholar] [CrossRef]
- Kamienski, C.; Soininen, J.P.; Taumberger, M.; Dantas, R.; Toscano, A.; Salmon Cinotti, T.; Filev Maia, R.; Torre Neto, A. Smart water management platform: IoT-based precision irrigation for agriculture. Sensors 2019, 19, 276. [Google Scholar] [CrossRef] [PubMed]
- Adeyemi, O.; Grove, I.; Peets, S.; Norton, T. Advanced monitoring and management systems for improving sustainability in precision irrigation. Sustainability 2017, 9, 353. [Google Scholar] [CrossRef]
- Capraro, F.; Tosetti, S.; Rossomando, F.; Mut, V.; Vita Serman, F. Web-based system for the remote monitoring and management of precision irrigation: A case study in an arid region of Argentina. Sensors 2018, 18, 3847. [Google Scholar] [CrossRef]
- Zhang, J.; Guan, K.; Peng, B.; Jiang, C.; Zhou, W.; Yang, Y.; Pan, M.; Franz, T.E.; Heeren, D.M.; Rudnick, D.R.; et al. Challenges and opportunities in precision irrigation decision-support systems for center pivots. Environ. Res. Lett. 2021, 16, 053003. [Google Scholar] [CrossRef]
- Bodkhe, U.; Tanwar, S.; Bhattacharya, P.; Kumar, N. Blockchain for precision irrigation: Opportunities and challenges. Trans. Emerg. Telecommun. Technol. 2020, 33, e4059. [Google Scholar] [CrossRef]
- Mahmoud, M.S. Robust Control and Filtering for Time-Delay Systems; CRC Press: Boca Raton, FL, USA, 2018. [Google Scholar]
- Prakosa, J.A.; Gusrialdi, A.; Kurniawan, E.; Stotckaia, A.D.; Adinanta, H.; Suryadi. Experimentally robustness improvement of DC motor speed control optimization by H-infinity of mixed-sensitivity synthesis. Int. J. Dyn. Control 2022, 10, 1968–1980. [Google Scholar] [CrossRef]
- Kurniawan, E.; Wang, H.; Sirenden, B.H.; Prakosa, J.A.; Adinanta, H.; Suryadi, S. Discrete-time modified repetitive sliding mode control for uncertain linear systems. Int. J. Adapt. Control Signal Process. 2021, 35, 2245–2258. [Google Scholar] [CrossRef]
- Mohd Zaihidee, F.; Mekhilef, S.; Mubin, M. Robust speed control of PMSM using sliding mode control (SMC)—A review. Energies 2019, 12, 1669. [Google Scholar] [CrossRef]
- Yu, X.; Feng, Y.; Man, Z. Terminal sliding mode control—An overview. IEEE Open J. Ind. Electron. Soc. 2020, 2, 36–52. [Google Scholar] [CrossRef]
- Amirkhani, S.; Mobayen, S.; Iliaee, N.; Boubaker, O.; Hosseinnia, S.H. Fast terminal sliding mode tracking control of nonlinear uncertain mass–spring system with experimental verifications. Int. J. Adv. Robot. Syst. 2019, 16, 1729881419828176. [Google Scholar] [CrossRef]
- Du, H.; Chen, X.; Wen, G.; Yu, X.; Lü, J. Discrete-time fast terminal sliding mode control for permanent magnet linear motor. IEEE Trans. Ind. Electron. 2018, 65, 9916–9927. [Google Scholar] [CrossRef]
- Abioye, E.A.; Abidin, M.S.Z.; Aman, M.N.; Mahmud, M.S.A.; Buyamin, S. A model predictive controller for precision irrigation using discrete lagurre networks. Comput. Electron. Agric. 2021, 181, 105953. [Google Scholar] [CrossRef]
- Zhao, L.; Xia, Y.; Yang, H.; Zhang, J. Nonsingular Fast Terminal Sliding Mode Control. In Pneumatic Servo Systems Analysis; Springer: Berlin/Heidelberg, Germany, 2022; pp. 227–244. [Google Scholar]
- Lian, S.; Meng, W.; Lin, Z.; Shao, K.; Zheng, J.; Li, H.; Lu, R. Adaptive attitude control of a quadrotor using fast nonsingular terminal sliding mode. IEEE Trans. Ind. Electron. 2021, 69, 1597–1607. [Google Scholar] [CrossRef]
- Nguyen, H.T.; Trinh, V.C.; Le, T.D. An adaptive fast terminal sliding mode controller of exercise-assisted robotic arm for elbow joint rehabilitation featuring pneumatic artificial muscle actuator. Actuators 2020, 9, 118. [Google Scholar] [CrossRef]
- Hu, Y.; Wang, H.; Yazdani, A.; Man, Z. Adaptive full order sliding mode control for electronic throttle valve system with fixed time convergence using extreme learning machine. Neural Comput. Appl. 2022, 34, 5241–5253. [Google Scholar] [CrossRef]
- Hu, Y.; Wang, H. Robust tracking control for vehicle electronic throttle using adaptive dynamic sliding mode and extended state observer. Mech. Syst. Signal Process. 2020, 135, 106375. [Google Scholar] [CrossRef]
- Žvanut, P. 3D Finite Element Analysis of a Concrete Dam Behavior under Changing Hydrostatic Load: A Case Study. Materials 2022, 15, 921. [Google Scholar] [CrossRef]
- Carrera, F.F.; Sanchez, H.S.; Garcia-Orellana, Y.; Chadrina, O. A System for Measuring Water Levels in Open-Air Irrigation Canals. In Proceedings of the EPJ Web of Conferences, Madrid, Spain, 20–24 September 2021; Volume 248, p. 02011. [Google Scholar]
- Sun, M.; Gao, X.; Zhang, Y.; Song, X.; Zhao, X. A new solution of high-efficiency rainwater irrigation mode for water management in apple plantation: Design and application. Agric. Water Manag. 2022, 259, 107243. [Google Scholar] [CrossRef]
- Maftukhah, T.; Wijonarko, S.; Rustandi, D.; Sirenden, B.H.; Prakosa, J.A. Design and Implementation of Three Application Software Employed in Web Based Rain Gauge Calibrators. In Proceedings of the 2021 8th International Conference on Information Technology, Computer and Electrical Engineering (ICITACEE), Semarang, Indonesia, 23–24 September 2021; pp. 107–112. [Google Scholar]
- Cassan, L.; Dellinger, G.; Maussion, P.; Dellinger, N. Hydrostatic pressure wheel for regulation of open channel networks and for the energy supply of isolated sites. Sustainability 2021, 13, 9532. [Google Scholar] [CrossRef]
- Parwanti, A.; Wahyudi, S.; Ni’am, M. Barrier knock-down weir as an alternative technology for irrigation. In Proceedings of the IOP Conference Series: Earth and Environmental Science; IOP Publishing: Bristol, UK, 2022; Volume 955, p. 012004. [Google Scholar]
- Wijonarko, S.; Maftukhah, T.; Rustandi, D.; Widiyatmoko, B.; Bayuwati, D.; Sirenden, B.H.; Prakosa, J.A.; Hidayat, A.R.; Mandaris, D.; Firdaus, H.; et al. Empirical Formulas Between Outdoor Temperature And Humidity. In Proceedings of the 2021 7th International Conference on Electrical, Electronics and Information Engineering (ICEEIE), Malang, Indonesia, 2 October 2021; pp. 1–6. [Google Scholar]
- Prakosa, J.A.; Kozlova, L.P. Design and simulation of automatic control valve for gas flow meter calibrator of bell prover. In Proceedings of the 2018 IEEE Conference of Russian Young Researchers in Electrical and Electronic Engineering (EIConRus), St. Petersburg, Russia, 29 January–1 February 2018; pp. 966–969. [Google Scholar]
- Govind, A.; Selva Kumar, S. A comparative study of controllers for QUANSER QUBE Servo 2 rotary inverted pendulum system. In Advances in Electrical and Computer Technologies; Springer: Berlin/Heidelberg, Germany, 2020; pp. 1401–1414. [Google Scholar]
- Barkas, D.A.; Ioannidis, G.C.; Psomopoulos, C.S.; Kaminaris, S.D.; Vokas, G.A. Brushed DC Motor Drives for Industrial and Automobile Applications with Emphasis on Control Techniques: A Comprehensive Review. Electronics 2020, 9, 887. [Google Scholar] [CrossRef]
- Prakosa, J.A.; Kurniawan, E.; Sirenden, B.H.; Adinanta, H.; Afandi, M.I.; Ula, R.K.; Pratomo, H. Synthesis Method of Mixed Sensitivity for H-infinity Robust Control Optimization on DC Motor of Mechatronics Model. In Proceedings of the 2021 International Conference on Radar, Antenna, Microwave, Electronics, and Telecommunications (ICRAMET), Bandung, Indonesia, 23–24 November 2021; pp. 68–73. [Google Scholar]
- Kumar, S.; Tewari, V.K.; Bharti, C.K.; Ranjan, A. Modeling, simulation and experimental validation of flow rate of electro-hydraulic hitch control valve of agricultural tractor. Flow Meas. Instrum. 2021, 82, 102070. [Google Scholar] [CrossRef]
- Mu, H.; Wang, Y.; Teng, H.; Jin, Y.; Zhao, X.; Zhang, X. Cooling system based on double-ball motor control valve. Adv. Mech. Eng. 2021, 13, 16878140211011280. [Google Scholar] [CrossRef]
- Chiuso, A.; Pillonetto, G. System identification: A machine learning perspective. Annu. Rev. Control Robot. Auton. Syst. 2019, 2, 281–304. [Google Scholar] [CrossRef]
- Prakosa, J.A.; Kurniawan, E.; Adinanta, H.; Suryadi, S.; Purwowibowo, P. Experimental based identification model of low fluid flow rate control systems. In Proceedings of the 2020 International Conference on Radar, Antenna, Microwave, Electronics, and Telecommunications (ICRAMET), Tangerang, Indonesia, 18–20 November 2020; pp. 200–205. [Google Scholar]
- Ma’arif, A.; Çakan, A. Simulation and arduino hardware implementation of dc motor control using sliding mode controller. J. Robot. Control 2021, 2, 582–587. [Google Scholar]
- Zirkohi, M.M. Fast terminal sliding mode control design for position control of induction motors using adaptive quantum neural networks. Appl. Soft Comput. 2022, 115, 108268. [Google Scholar] [CrossRef]
- Hosseinzadeh, M.; Yazdanpanah, M.J. Performance enhanced model reference adaptive control through switching non-quadratic Lyapunov functions. Syst. Control Lett. 2015, 76, 47–55. [Google Scholar] [CrossRef]
- Tao, G. Model reference adaptive control with L 1+ α tracking. Int. J. Control 1996, 64, 859–870. [Google Scholar] [CrossRef]
- Oliveira, T.R.; Hsu, L.; Nunes, E.V.L. Smooth sliding control to overcome chattering arising in classical SMC and super-twisting algorithm in the presence of unmodeled dynamics. J. Frankl. Inst. 2022, 359, 1235–1256. [Google Scholar] [CrossRef]
- Ye, M.; Wang, H. A Robust Adaptive Chattering-Free Sliding Mode Control Strategy for Automotive Electronic Throttle System via Genetic Algorithm. IEEE Access 2020, 8, 68–80. [Google Scholar] [CrossRef]
- Cheng, X.; Liu, H.; Lu, W. Chattering-Suppressed Sliding Mode Control for Flexible-Joint Robot Manipulators. Actuators 2021, 10, 288. [Google Scholar] [CrossRef]
- Xiong, P.Y.; Jahanshahi, H.; Alcaraz, R.; Chu, Y.M.; Gómez-Aguilar, J.; Alsaadi, F.E. Spectral Entropy Analysis and Synchronization of a Multi-Stable Fractional-Order Chaotic System using a Novel Neural Network-Based Chattering-Free Sliding Mode Technique. Chaos Solitons Fractals 2021, 144, 110576. [Google Scholar] [CrossRef]
- Guo, B.; Zhuang, Z.; Pan, J.S.; Chu, S.C. Optimal Design and Simulation for PID Controller Using Fractional-Order Fish Migration Optimization Algorithm. IEEE Access 2021, 9, 8808–8819. [Google Scholar] [CrossRef]
- Rahayu, E.S.; Ma’arif, A.; Çakan, A. Particle Swarm Optimization (PSO) Tuning of PID Control on DC Motor. Int. J. Robot. Control Syst. 2022, 2, 435–447. [Google Scholar] [CrossRef]
- Querejeta, J.I.; Ren, W.; Prieto, I. Vertical decoupling of soil nutrients and water under climate warming reduces plant cumulative nutrient uptake, water-use efficiency and productivity. New Phytol. 2021, 230, 1378–1393. [Google Scholar] [CrossRef]
- Wagg, C.; Hann, S.; Kupriyanovich, Y.; Li, S. Timing of short period water stress determines potato plant growth, yield and tuber quality. Agric. Water Manag. 2021, 247, 106731. [Google Scholar] [CrossRef]
- Langenfeld, N.J.; Pinto, D.F.; Faust, J.E.; Heins, R.; Bugbee, B. Principles of nutrient and water management for indoor agriculture. Sustainability 2022, 14, 10204. [Google Scholar] [CrossRef]











| rmse (Degree) at 0 kg | rmse (Degree) at 1 kg | |
|---|---|---|
| FTSMC | 0.571 | 0.906 |
| SMC | 0.574 | 0.917 |
Disclaimer/Publisher’s Note: The statements, opinions and data contained in all publications are solely those of the individual author(s) and contributor(s) and not of MDPI and/or the editor(s). MDPI and/or the editor(s) disclaim responsibility for any injury to people or property resulting from any ideas, methods, instructions or products referred to in the content. |
© 2023 by the authors. Licensee MDPI, Basel, Switzerland. This article is an open access article distributed under the terms and conditions of the Creative Commons Attribution (CC BY) license (https://creativecommons.org/licenses/by/4.0/).
Share and Cite
Prakosa, J.A.; Purwowibowo, P.; Kurniawan, E.; Wijonarko, S.; Maftukhah, T.; Rustandi, D.; Pratiwi, E.B.; Rahmanto, R. Experimental Design of Fast Terminal Sliding Mode Control for Valve Regulation under Water Load Uncertainty for Precision Irrigation. Actuators 2023, 12, 155. https://doi.org/10.3390/act12040155
Prakosa JA, Purwowibowo P, Kurniawan E, Wijonarko S, Maftukhah T, Rustandi D, Pratiwi EB, Rahmanto R. Experimental Design of Fast Terminal Sliding Mode Control for Valve Regulation under Water Load Uncertainty for Precision Irrigation. Actuators. 2023; 12(4):155. https://doi.org/10.3390/act12040155
Chicago/Turabian StylePrakosa, Jalu Ahmad, Purwowibowo Purwowibowo, Edi Kurniawan, Sensus Wijonarko, Tatik Maftukhah, Dadang Rustandi, Enggar Banifa Pratiwi, and Rahmanto Rahmanto. 2023. "Experimental Design of Fast Terminal Sliding Mode Control for Valve Regulation under Water Load Uncertainty for Precision Irrigation" Actuators 12, no. 4: 155. https://doi.org/10.3390/act12040155
APA StylePrakosa, J. A., Purwowibowo, P., Kurniawan, E., Wijonarko, S., Maftukhah, T., Rustandi, D., Pratiwi, E. B., & Rahmanto, R. (2023). Experimental Design of Fast Terminal Sliding Mode Control for Valve Regulation under Water Load Uncertainty for Precision Irrigation. Actuators, 12(4), 155. https://doi.org/10.3390/act12040155

