Design, Control, and Testing of a Multifunctional Soft Robotic Gripper
Abstract
1. Introduction
2. Materials and Methods
2.1. Modeling Bending Behavior of PneuNet Actuators
2.2. Modeling of the Actuators and Gripper
2.3. Control of the Soft Gripper
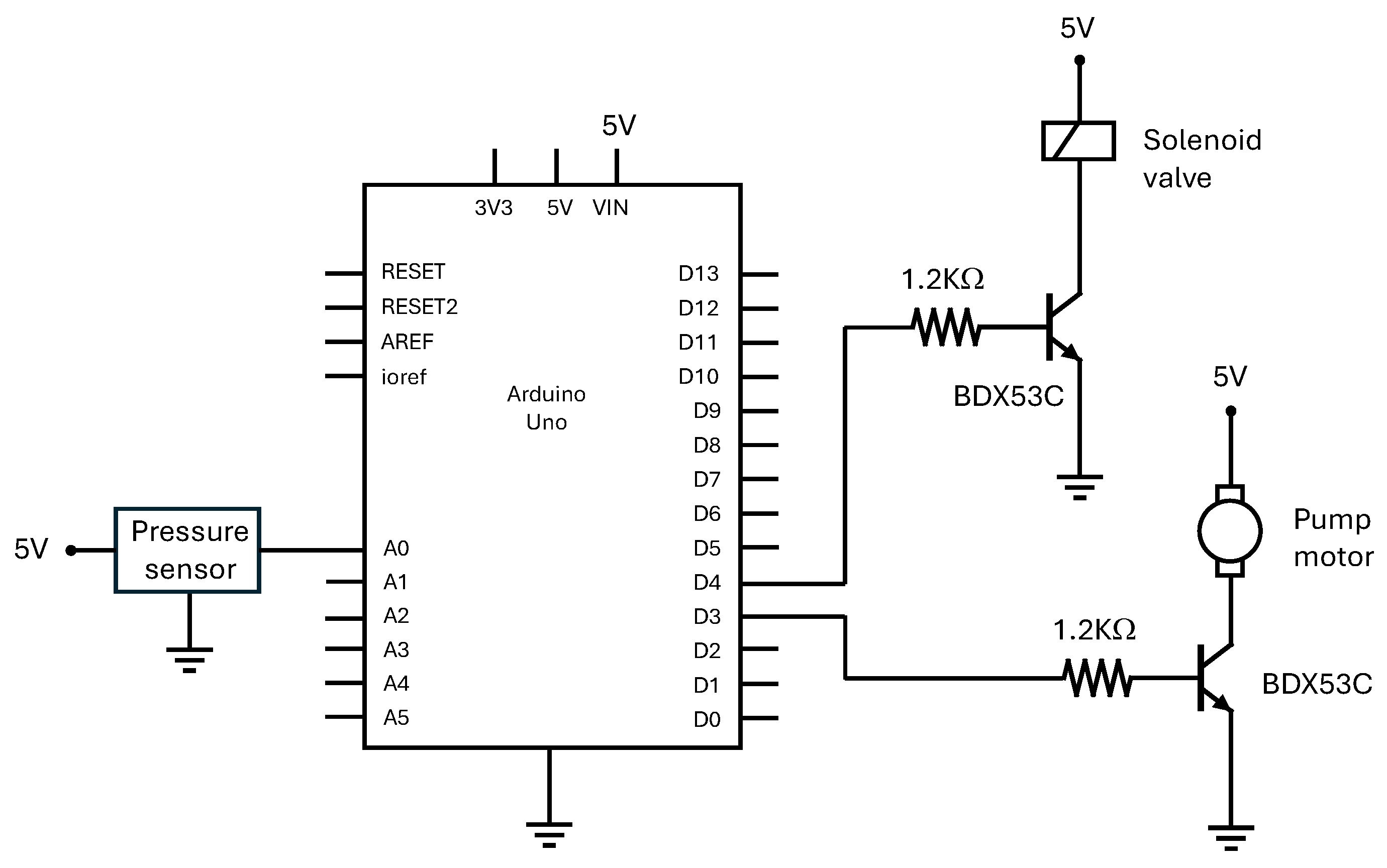
2.3.1. Pneumatic and Electronic Circuits
2.3.2. Nonlinear PI Control
| Algorithm 1 Nonlinear PI Controller | |
| 1: | integral = 0 |
| 2: | repeat: |
| 3: | error = reference–pressure |
| 4: | integral = integral + error × dt |
| 5: | uPI = Kp × error + Ki × integral |
| 6: | if uPI ≥ 0 then |
| 7: | upump = uPI |
| 8: | uvalve = closed |
| 9: | else |
| 10: | uvalve = open |
| 11: | upump = 0 |
- In the above algorithm, the symbols used are as follows:
- Reference—desired pressure [bar];
- Pressure—actual pressure [bar];
- Dt—sample time [s];
- UPI—proportional/integral control action [%];
- Kp—proportional gain [bar−1];
- Ki—integral gain [bar−1 s−1];
- Upump—duty cycle of the pump [%];
- Uvalve—valve state [on/off].
2.3.3. On/Off Controller
| Algorithm 2 On/Off Controller | |
| 1: | upump = 0 |
| 2: | uvalve = closed |
| 3: | repeat: |
| 4: | if e > threshold then |
| 5: | upump = PWMON |
| 6: | if upump > 0 and e < 0 then |
| 7: | upump = 0 |
| 8: | if e < −threshold then |
| 9: | uvalve = open |
| 10: | if uvalve = open and e > 0 then |
| 11: | uvalve = closed |
- Where PWMOn is a constant duty cycle selected for the on state of the pump, and threshold is the maximum allowed error above which a control action is triggered.
3. Simulation and Experimental Results
3.1. Introduction to Simulation Results
3.2. Hyperelastic Material Models
3.3. FEM and Experimental Results’ Comparison
3.3.1. Type 1 Silicone Actuators’ Results
3.3.2. Type 1 and 2 Actuator Results with FDM Filaflex 60A
3.3.3. Data Analysis, Experimental Challenges, and Material Properties
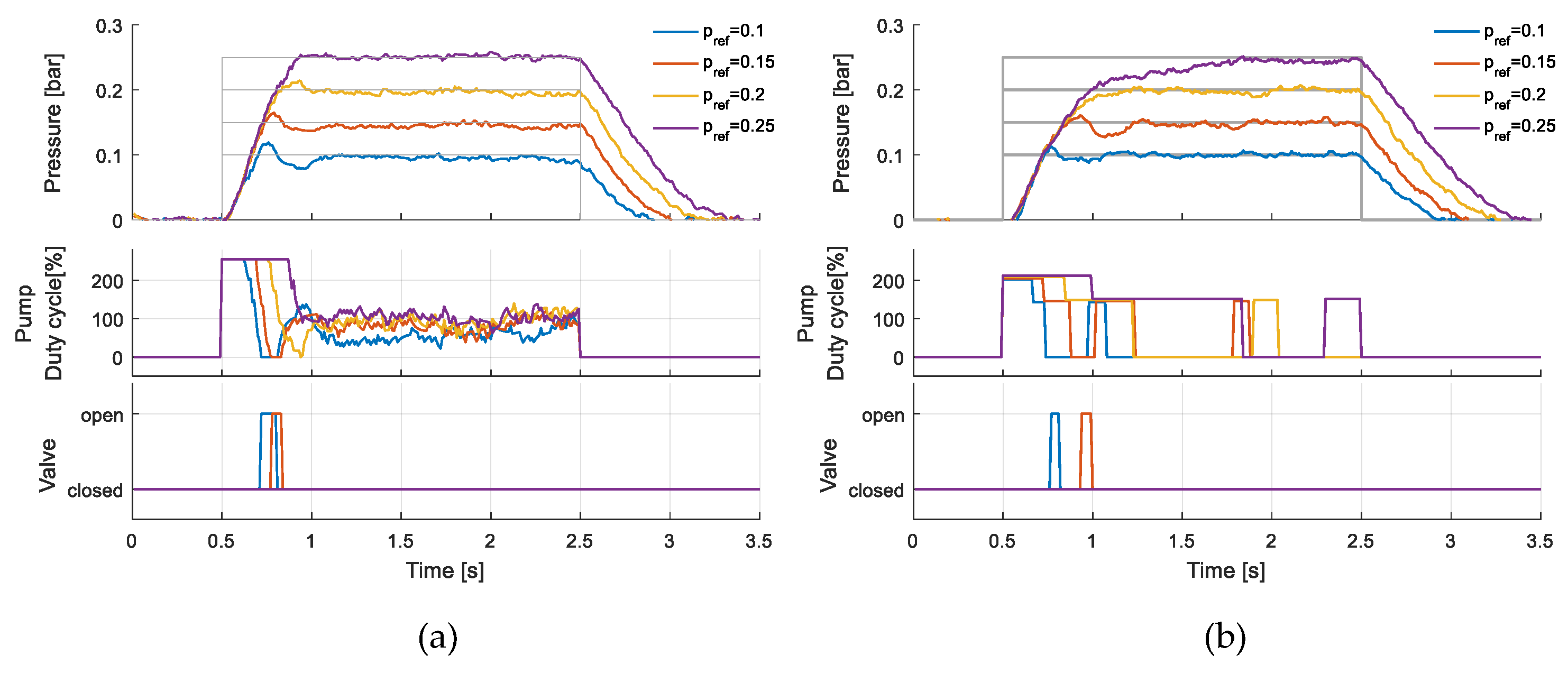
3.4. Control Results
4. Conclusions
Author Contributions
Funding
Data Availability Statement
Conflicts of Interest
References
- Robotics, D. Magician Robot—Desktop Grade Robot for Advanced Education. Available online: https://www.dobot-robots.com/products/education/magician.html (accessed on 28 September 2024).
- Rus, D.; Tolley, M.T. Design, Fabrication and Control of Soft Robots. Nature 2015, 521, 467–475. [Google Scholar] [CrossRef] [PubMed]
- Tawk, C.; Alici, G. A Review of 3D-Printable Soft Pneumatic Actuators and Sensors: Research Challenges and Opportunities. Adv. Intell. Syst. 2021, 3, 2000223. [Google Scholar] [CrossRef]
- El-Atab, N.; Mishra, R.B.; Al-Modaf, F.; Joharji, L.; Alsharif, A.A.; Alamoudi, H.; Diaz, M.; Qaiser, N.; Hussain, M.M. Soft Actuators for Soft Robotic Applications: A Review. Adv. Intell. Syst. 2020, 2, 2000128. [Google Scholar] [CrossRef]
- Pratt, G.A.; Williamson, M.M. Series Elastic Actuators. IEEE Int. Conf. Intell. Robot. Syst. 1995, 1, 399–406. [Google Scholar] [CrossRef]
- Ham, R.; Sugar, T.; Vanderborght, B.; Hollander, K.; Lefeber, D. Compliant Actuator Designs. IEEE Robot. Autom. Mag. 2009, 16, 81–94. [Google Scholar] [CrossRef]
- Mosadegh, B.; Polygerinos, P.; Keplinger, C.; Wennstedt, S.; Shepherd, R.F.; Gupta, U.; Shim, J.; Bertoldi, K.; Walsh, C.J.; Whitesides, G.M. Pneumatic Networks for Soft Robotics That Actuate Rapidly. Adv. Funct. Mater. 2014, 24, 2163–2170. [Google Scholar] [CrossRef]
- Ang, B.W.K.; Yeow, C.H. 3D Printed Soft Pneumatic Actuators with Intent Sensing for Hand Rehabilitative Exoskeletons. In Proceedings of the 2019 International Conference on Robotics and Automation, Montreal, QC, Canada, 20–24 May 2019; pp. 841–846. [Google Scholar] [CrossRef]
- Kim, S.; Laschi, C.; Trimmer, B. Soft Robotics: A Bioinspired Evolution in Robotics. Trends Biotechnol. 2013, 31, 287–294. [Google Scholar] [CrossRef]
- Shepherd, R.F.; Ilievski, F.; Choi, W.; Morin, S.A.; Stokes, A.A.; Mazzeo, A.D.; Chen, X.; Wang, M.; Whitesides, G.M. Multigait Soft Robot. Proc. Natl. Acad. Sci. USA 2011, 108, 20400–20403. [Google Scholar] [CrossRef]
- Ogura, K.; Wakimoto, S.; Suzumori, K.; Nishioka, Y. Micro Pneumatic Curling Actuator -Nematode Actuator-. In Proceedings of the 2008 IEEE International Conference on Robotics and Biomimetics, Bangkok, Thailand, 22–25 February 2009; pp. 462–467. [Google Scholar] [CrossRef]
- Gu, G.; Wang, D.; Ge, L.; Zhu, X. Analytical Modeling and Design of Generalized Pneu-Net Soft Actuators with Three-Dimensional Deformations. Soft Robot. 2021, 8, 462–477. [Google Scholar] [CrossRef]
- Wilson, J.F. Mechanics of Bellows: A Critical Survey. Int. J. Mech. Sci. 1984, 26, 593–605. [Google Scholar] [CrossRef]
- Sudani, M.; Deng, M.; Wakimoto, S. Modelling and Operator-Based Nonlinear Control for a Miniature Pneumatic Bending Rubber Actuator Considering Bellows. Actuators 2018, 7, 26. [Google Scholar] [CrossRef]
- Peng, Y.; Nabae, H.; Funabora, Y.; Suzumori, K. Controlling a Peristaltic Robot Inspired by Inchworms. Biomim. Intell. Robot. 2024, 4, 100146. [Google Scholar] [CrossRef]
- Rad, C.; Hancu, O.; Lapusan, C. Data-Driven Kinematic Model of PneuNets Bending Actuators for Soft Grasping Tasks. Actuators 2022, 11, 58. [Google Scholar] [CrossRef]
- Majidi, C.; Shepherd, R.F.; Kramer, R.K.; Whitesides, G.M.; Wood, R.J. Influence of Surface Traction on Soft Robot Undulation. Int. J. Robot. Res. 2013, 32, 1577–1584. [Google Scholar] [CrossRef]
- Alici, G.; Canty, T.; Mutlu, R.; Hu, W.; Sencadas, V. Modeling and Experimental Evaluation of Bending Behavior of Soft Pneumatic Actuators Made of Discrete Actuation Chambers. Soft Robot. 2018, 5, 24–35. [Google Scholar] [CrossRef]
- Yap, H.K.; Ng, H.Y.; Yeow, C.-H. High-Force Soft Printable Pneumatics for Soft Robotic Applications. Soft Robot. 2016, 3, 144–158. [Google Scholar] [CrossRef]
- Patel, D.K.; Sakhaei, A.H.; Layani, M.; Zhang, B.; Ge, Q.; Magdassi, S. Highly Stretchable and UV Curable Elastomers for Digital Light Processing Based 3D Printing. Adv. Mater. 2017, 29, 1606000. [Google Scholar] [CrossRef]
- Smooth-On Dragon SkinTM 10 FAST. Available online: https://www.smooth-on.com/products/dragon-skin-10-fast/ (accessed on 29 September 2024).
- Wacker Chemie AG. ELASTOSIL® M 4601 A/B. Room Temperature Curing Silicone Rubber (RTV-2). Available online: https://www.wacker.com/h/en-us/medias/ELASTOSIL-M-4601-AB-en-2024.06.16.pdf (accessed on 29 September 2024).
- Recreus Filaflex 60A. Available online: https://recreus.com/gb/filaments/1-1-filaflex-60a.html#/1-colour-black/2-diameter-175_mm/3-weight-500_gr (accessed on 29 September 2024).
- Oh, H.-A.; Park, D.; Han, K.-S.; Oh, T.S. Elastic Modulus of Locally Stiffness-Variant Polydimethylsiloxane Substrates for Stretchable Electronic Packaging Applications. J. Microelectron. Packag. Soc. 2015, 22, 91–98. [Google Scholar] [CrossRef]
- Adafruit Industries Air Pump and Vacuum DC Motor—4.5 V and 2.5 LPM [ZR370-02PM]: ID 4699: Adafruit Industries, Unique & Fun DIY Electronics and Kits. Available online: https://www.adafruit.com/product/4699 (accessed on 7 November 2024).
- Adadruit Industries 6V Air Valve with 2-Pin JST XH Connector [FA0520E]: ID 4663: Adafruit Industries, Unique & Fun DIY Electronics and Kits. Available online: https://www.adafruit.com/product/4663 (accessed on 7 November 2024).
- Hi-Tech Flow Control Valve 4mm M5 | E-Pneumatic Store. Available online: https://www.e-pneumatic.com/valves/manual-throttle-valves/flow-valve-04-m5.html (accessed on 20 November 2024).
- Honeywell. Basic Board Mount Pressure Sensors; Datasheet 32307741; Honeywell: Charlotte, NC, USA, 2024. [Google Scholar]
- Gerboni, G.; Diodato, A.; Ciuti, G.; Cianchetti, M.; Menciassi, A. Feedback Control of Soft Robot Actuators via Commercial Flex Bend Sensors. IEEE/ASME Trans. Mechatron. 2017, 22, 1881–1888. [Google Scholar] [CrossRef]
- Wang, T.; Zhang, Y.; Chen, Z.; Zhu, S. Parameter Identification and Model-Based Nonlinear Robust Control of Fluidic Soft Bending Actuators. IEEE/ASME Trans. Mechatron. 2019, 24, 1346–1355. [Google Scholar] [CrossRef]
- Chen, C.; Tang, W.; Hu, Y.; Lin, Y.; Zou, J. Fiber-Reinforced Soft Bending Actuator Control Utilizing On/Off Valves. IEEE Robot. Autom. Lett. 2020, 5, 6732–6739. [Google Scholar] [CrossRef]
- Memarian, M.; Gorbet, R.; Kulic, D. Control of Soft Pneumatic Finger-like Actuators for Affective Motion Generation. In Proceedings of the IEEE International Conference on Intelligent Robots and Systems, Hamburg, Germany, 28 September–2 October 2015; Institute of Electrical and Electronics Engineers Inc.: Piscataway, NJ, USA, 2015; pp. 1691–1697. [Google Scholar]
- Elgeneidy, K.; Lohse, N.; Jackson, M. Bending Angle Prediction and Control of Soft Pneumatic Actuators with Embedded Flex Sensors—A Data-Driven Approach. Mechatronics 2018, 50, 234–247. [Google Scholar] [CrossRef]
- Ibrahim, S.; Krause, J.C.; Raatz, A. Linear and Nonlinear Low Level Control of a Soft Pneumatic Actuator. In Proceedings of the RoboSoft 2019 2nd IEEE International Conference on Soft Robotics, Seoul, Republic of Korea, 14–18 April 2019; Institute of Electrical and Electronics Engineers Inc.: Piscataway, NJ, USA, 2019; pp. 434–440. [Google Scholar]
- Luo, M.; Skorina, E.H.; Tao, W.; Chen, F.; Ozel, S.; Sun, Y.; Onal, C.D. Toward Modular Soft Robotics: Proprioceptive Curvature Sensing and Sliding-Mode Control of Soft Bidirectional Bending Modules. Soft Robot. 2017, 4, 117–125. [Google Scholar] [CrossRef] [PubMed]
- Skorina, E.H.; Luo, M.; Ozel, S.; Chen, F.; Tao, W.; Onal, C.D. Feedforward Augmented Sliding Mode Motion Control of Antagonistic Soft Pneumatic Actuators. In Proceedings of the 2015 IEEE International Conference on Robotics and Automation, Seattle, WA, USA, 26–30 May 2015; Institute of Electrical and Electronics Engineers Inc.: Piscataway, NJ, USA, 2015; pp. 2544–2549. [Google Scholar]
- Skorina, E.H.; Luo, M.; Tao, W.; Chen, F.; Fu, J.; Onal, C.D. Adapting to Flexibility: Model Reference Adaptive Control of Soft Bending Actuators. IEEE Robot. Autom. Lett. 2017, 2, 964–970. [Google Scholar] [CrossRef]
- Arena, P.; Famoso, C.; Noce, A.L.; Motta, A.; Galati, I.; Patanè, L. A New Motor-Neuron Circuit Implementation. In Proceedings of the 2024 IEEE International Symposium on Circuits and Systems, Singapore, 19–22 May 2024; Institute of Electrical and Electronics Engineers Inc.: Piscataway, NJ, USA, 2024. [Google Scholar]
- Ogata, K. Modern Control Engineering, 5th ed.; Pearson: London, UK, 2009; ISBN 13: 9780136156734. [Google Scholar]
- Muddada, R. Design, Modeling, and Comparative Analysis on Silicone Rubber Soft Gripper for Food Industry. Int. Res. J. Mod. Eng. Technol. Sci. 2021, 3, 2582–5208. [Google Scholar]
- ANSYS ANSYS Mechanical: Advanced Nonlinear Materials—Appendix 4A: Hyperelasticity. Available online: https://innovationspace.ansys.com/courses/wp-content/uploads/sites/5/2024/01/8_Modulus-vs-Strain-data.pdf (accessed on 19 November 2024).
- Dezaki, M.L.; Bodaghi, M.; Serjouei, A.; Afazov, S.; Zolfagharian, A. Soft Pneumatic Actuators with Controllable Stiffness by Bio-Inspired Lattice Chambers and Fused Deposition Modeling 3D Printing. Adv. Eng. Mater. 2023, 25. [Google Scholar] [CrossRef]





















| DragonSkin Fast10 [21] | Elastosil M4601 A/B [22] | Filaflex 60A [23] | Unit | |||
|---|---|---|---|---|---|---|
| Component | A | B | A | B | - | |
| Mixing ratio in weight | 50 | 50 | 90 | 10 | - | % |
| Density at 23 °C | 1.07 | 1.14 | 1.01 | 1.07 | g/cm3 | |
| Cure time | 1.15 | 12 | - | h | ||
| Viscosity a 23 °C | 23,000 | 10,000 | - | MPa.s | ||
| Hardness | 10 | 28 | 63 | Shore A | ||
| Young Modulus | 0.13 [24] | 0.4835 [12] | 2.5 | Mpa | ||
| Tensile strength | 3.3 | 6.5 | 26 | Mpa | ||
| Poisson’s Ratio | 0.48–0.50 | 0.499 [12] | 0.49–0.50 | |||
| Tear strength | - | >30 | 40 | N/mm | ||
| Elongation at tear | 1000 | 700 | 950 | % | ||
| Hyperelastic Model | Parameter | Material | Material | Units |
|---|---|---|---|---|
| Dragon Skin Fast 10 [40] | Elastosil M4601 A/B [7] | |||
| Yeoh (third-order) | C10 | 0.036 | 0.11 | Mpa |
| C20 | 2.50 × 10−4 | 0.02 | Mpa | |
| C30 | 2.3 × 10−5 | 0 | Mpa | |
| D1, D2, D3 | 0 | 0 | (Mpa)−1 | |
| Filaflex 60A [42] | ||||
| Mooney–Rivlin (second-order) | C10 | 0.87897 | Mpa | |
| C01 | 1.634 | Mpa | ||
| d | 0 | (Mpa)−1 |
Disclaimer/Publisher’s Note: The statements, opinions and data contained in all publications are solely those of the individual author(s) and contributor(s) and not of MDPI and/or the editor(s). MDPI and/or the editor(s) disclaim responsibility for any injury to people or property resulting from any ideas, methods, instructions or products referred to in the content. |
© 2024 by the authors. Licensee MDPI, Basel, Switzerland. This article is an open access article distributed under the terms and conditions of the Creative Commons Attribution (CC BY) license (https://creativecommons.org/licenses/by/4.0/).
Share and Cite
Correia, A.; Charters, T.; Leite, A.; Campos, F.; Monge, N.; Rocha, A.; Mendes, M.J.G.C. Design, Control, and Testing of a Multifunctional Soft Robotic Gripper. Actuators 2024, 13, 476. https://doi.org/10.3390/act13120476
Correia A, Charters T, Leite A, Campos F, Monge N, Rocha A, Mendes MJGC. Design, Control, and Testing of a Multifunctional Soft Robotic Gripper. Actuators. 2024; 13(12):476. https://doi.org/10.3390/act13120476
Chicago/Turabian StyleCorreia, Ana, Tiago Charters, Afonso Leite, Francisco Campos, Nuno Monge, André Rocha, and Mário J. G. C. Mendes. 2024. "Design, Control, and Testing of a Multifunctional Soft Robotic Gripper" Actuators 13, no. 12: 476. https://doi.org/10.3390/act13120476
APA StyleCorreia, A., Charters, T., Leite, A., Campos, F., Monge, N., Rocha, A., & Mendes, M. J. G. C. (2024). Design, Control, and Testing of a Multifunctional Soft Robotic Gripper. Actuators, 13(12), 476. https://doi.org/10.3390/act13120476

