Research on Optimization and Verification of the Number of Stator Blades of kW Ammonia Working Medium Radial Flow Turbine in Ocean Thermal Energy Conversion
Abstract
:1. Introduction
2. Materials and Methods
2.1. Turbine Aerodynamic Design and 3D Modeling
2.1.1. Selection of Pneumatic Parameters
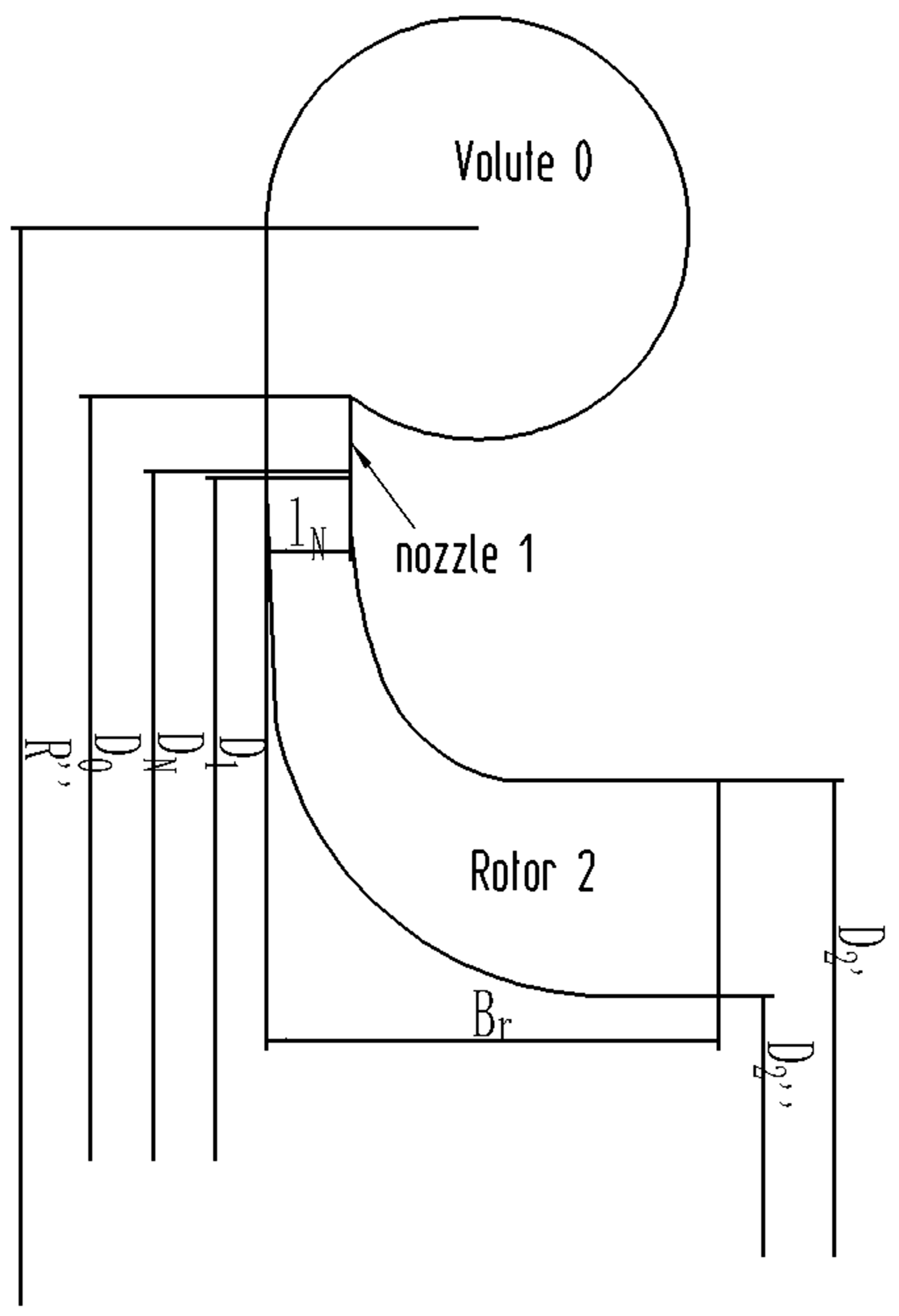
2.1.2. Initial Aerodynamic Design and Three-Dimensional Modling
2.2. Optimized Method
3. Results
4. Discussion
5. Conclusions
Author Contributions
Funding
Institutional Review Board Statement
Informed Consent Statement
Acknowledgments
Conflicts of Interest
References
- Carroquino, J.; Dufo-López, R.; Bernal-Agustín, J.L. Sizing of off-grid renewable energy for drip irrigation in Mediterranean crops. J. Renew. Energy 2015, 76, 566–574. [Google Scholar] [CrossRef]
- Crowley, B. Statistical review of world energy. Hydrocarb. Process. 2000, 79, 23. [Google Scholar]
- Zhang, X.P. Marine Energy: The Key for the Development of Sustainable Energy Supply. Proc. IEEE 2011, 100, 3–5. [Google Scholar] [CrossRef]
- Wang, S.; Yuan, P.; Li, D. An overview of ocean renewable energy in China. J. Renew. Sustain. Energy Rev. 2011, 15, 91–111. [Google Scholar] [CrossRef]
- Bahaj, A.S. Generating electricity from the oceans. J. Renew. Sustain. Energy Rev. 2011, 15, 3399–3416. [Google Scholar] [CrossRef]
- Martínez, M.L.; Vázquez, G.; Pérez-Maqueo, O.; Silva, R.; Moreno-Casasola, P.; Mendoza-González, G.; López-Portillo, J.; MacGregor-Fors, I.; Heckel, G.; Hernández-Santana, J.R.; et al. A systemic view of potential environmental impacts of ocean energy production. J. Renew. Sustain. Energy Rev. 2021, 149, 111332. [Google Scholar] [CrossRef]
- Feng, C.; Ye, G.; Jiang, Q.; Zheng, Y.; Chen, G.; Wu, J.; Feng, X.; Si, Y.; Zeng, J.; Li, P.; et al. The contribution of ocean-based solutions to carbon reduction in China. J. Sci. Total Environ. 2021, 797, 149168. [Google Scholar] [CrossRef]
- Zereshkian, S.; Mansour, Y.D. A study on the feasibility of using solar radiation energy and ocean thermal energy conversion to supply electricity for offshore oil and gas fields in the Caspian Sea. J. Renew. Energy 2021, 163, 66–77. [Google Scholar] [CrossRef]
- Hernández-Fontes, J.V.; Martínez, M.L.; Wojtarowski, A.; González-Mendoza, J.L.; Landgrave, R.; Silva, R. Is ocean energy an alternative in developing regions? A case study in Michoacan, Mexico. J. Clean. Prod. 2020, 266, 121984. [Google Scholar] [CrossRef]
- Avery, W.H.; Wu, C. An energy alternative. (Book reviews: renewable energy from the ocean. A guide to OTEC.). J. Sci. 1994, 265, 419–420. [Google Scholar]
- Vega, L.A. Ocean thermal energy conversion primer. J. Mar. Technol. Soc. J. 2002, 36, 25–35. [Google Scholar] [CrossRef]
- Zhang, X.; Li, X.; Shi, Y.; Wang, Y. The development status and prospect of ocean energy. J. Sci. Technol. Vis. 2015, 16, 258. [Google Scholar]
- Yage, Y.; Wei, L.; Weimin, L.; Xiaoying, L.; Feng, W. Development status and prospects of ocean energy power generation technology. J. Autom. Electr. Power Syst. 2010, 34, 1–12. [Google Scholar]
- Al-Weshahi, M.A. Working fluid selection of low grade heat geothermal Organic Rankine Cycle (ORC). Int. J. Therm. Sci. 2014, 4, 6–12. [Google Scholar]
- Imran, M.; Park, B.S.; Kim, H.J.; Lee, D.H.; Usman, M.; Heo, M. Thermo-economic optimization of regenerative organic rankine cycle for waste heat recovery applications. Energy Convers. Manag. 2014, 87, 107–118. [Google Scholar] [CrossRef]
- Chen, F.; Liu, L.; Peng, J.; Ge, Y.; Wu, H.; Liu, W. Theoretical and experimental research on the thermal performance of ocean thermal energy conversion system using the rankine cycle mode. Energy 2019, 183, 497–503. [Google Scholar] [CrossRef]
- Li, X.; Li, Z.; Zhang, Y. Study on the optimization of the organic working fluid centripetal permeable calm leaf shape. Therm. Turbine 2017, 46, 258–262. [Google Scholar]
- Xie, Y.; Deng, Q.; Zhang, D.; Feng, Z. Strength design and numerical analysis of radial inflow turbine rotor for a 100kW microturbine. Turbo Expo Power Land Sea Air 2005, 46997, 881–888. [Google Scholar]
- Li, Y.; Gu, C. Research on aerodynamic optimization of a centripetal turbine with a high expansion ratio organic working fluid. J. Eng. Thermophys. 2013, 34, 1239–1242. [Google Scholar]
- Tan, X.; Guo, H.J.; Li, H.; Huang, D.G. Centrifugal turbine blade design based on NURBS curve. J. Therm. Energy Power Eng. 2017, 32, 47–53. [Google Scholar]
- Wang, X.; Liu, X. Response surface analysis and optimization of organic working fluid turboexpander stator. J. Xi’an Jiaotong Univ. 2015, 49, 7–13. [Google Scholar]
- Song, P.; Sun, J.; Wang, K.; He, Z. Development of an optimization design method for turbomachinery by incorporating the cooperative coevolution genetic algorithm and adaptive approximate model. In Proceedings of the ASME 2011 Turbo Expo: Turbine Technical Conference and Exposition, Vancouver, BC, Canada, 6–10 June 2011. [Google Scholar]
- Al Jubori, A.M.; Al-Dadah, R.; Mahmoud, S. Performance enhancement of a small-scale organic Rankine cycle radial-inflow turbine through multi-objective optimization algorithm. Energy 2017, 131, 297–311. [Google Scholar] [CrossRef]
- Liu, W.; Ge, Y.; Liu, L.; Chen, Y. Current Development and Prospect of Turbine in OTEC. 2020. Available online: https://library.oapen.org/bitstream/handle/20.500.12657/43849/external_content.pdf?sequence=1#page=65 (accessed on 19 August 2021).
- Liu, W.M.; Chen, F.Y.; Wang, Y.Q.; Jiang, W.J.; Zhang, J.G. Progress of Closed-Cycle OTEC and c of OTEC. J. Adv. Mater. Res. 2012, 354, 275–278. [Google Scholar] [CrossRef]
- Chen, F.; Zhang, L.; Liu, W.; Liu, L.; Peng, J. Thermodynamic Analysis of Rankine Cycle in Ocean Thermal Energy Conversion. Int. J. Simul. Syst. 2016, 17, 7.1–7.4. [Google Scholar]
- Li, Y.; Lu, G. Radial Inflow Turbine and Centrifugal Compressor, 1st ed.; Machinery Industry Press: Beijing, China, 1992; pp. 110–132. [Google Scholar]
- Xu, Z.W.; Guo, H.Y.; Zheng, Z.J.; Jiang, X.H.; Zheng, Y. Improvement of Design Technology for a Radial Inflow Turbine Guide Vane and Its Application. Tuijin Jishu J. Propuls. Technol. 2017, 38, 2358–2364. [Google Scholar]
- Chen, Y.; Liu, Y.; Zhang, L.; Yang, X. Three-dimensional performance analysis of a radial–inflow turbine for ocean thermal energy conversion system. J. Mar. Sci. Eng. 2021, 9, 287. [Google Scholar] [CrossRef]
- Higashi, Y. NIST thermodynamic and transport properties of refrigerants and refrigerant mixtures (REFPROP). J. Netsu Bussei 2000, 14, 1575–1577. [Google Scholar]
- Zhang, J.H.; Zhou, Z.G. Aerodynamic Optimization Design of Radial Turbine Based on Parallel Genetic Algorithm. Aeroengine 2015, 41, 39–43. [Google Scholar]
- Bekiloglu, H.E.; Bedir, H.; Anlas, G. Multi-objective optimization of ORC parameters and selection of working fluid using preliminary radial inflow turbine design. J. Energy Convers. Manag. 2019, 183, 833–847. [Google Scholar] [CrossRef]
- Rocha, P.C.; Rocha, H.B.; Carneiro, F.M.; da Silva, M.V.; Bueno, A.V. k–ω SST (shear stress transport) turbulence model calibration: A case study on a small scale horizontal axis wind turbine. Energy 2014, 65, 412–418. [Google Scholar] [CrossRef]
- Louda, P.; Sváček, P.; Fořt, J.; Fürst, J.; Halama, J.; Kozel, K. Numerical simulation of turbine cascade flow with blade-fluid heat exchange. Appl. Math. Comput. 2013, 219, 7206–7214. [Google Scholar] [CrossRef]













| Thermal Parameters | Results |
|---|---|
| Inlet total pressure p1/MPa | 0.83 |
| Inlet total temperature T1/K | 297.15 |
| Outlet static pressure p3/MPa | 0.5 |
| Massflow rate kg·s−1 | 2.44 |
| Isentropic efficiency ηs/- | 0.85 |
| Empirical Parameters | Design Value | Experience Value |
|---|---|---|
| Ω | 0.49 | 0.35–0.55 |
| μ | 0.44 | 0.3–0.5 |
| 1 | 0.623 | 0.65–0.7 |
| φ | 0.95 | 0.95–0.97 |
| ψ | 0.86 | 0.75–0.85 |
| α1/° | 16.31 | 12–30 |
| β2/° | 33.59 | 20–45 |
| Basic Parameter | Design Value |
|---|---|
| Rotor speed N/r·min−1 | 18,300 |
| Power output P/kW | 121.45 |
| Isentropic expansion efficiency ηs/- | 0.8552 |
| Height of stator inlet lN/mm | 9.38 |
| Diameter of stator inlet mm | 326 |
| Diameter of stator onlet mm | 242 |
| Rotor inlet absolute airflow angle α1/° | 16.31 |
| Rotor inlet relative airflow angle β1/° | 90.29 |
| Rotor inlet circumferential speed u1/m·s−1 | 244.11 |
| Rotor inlet absolute speed c1/m·s−1 | 253.57 |
| Rotor inlet relative speed w1/m·s−1 | 69.89 |
| Rotor inlet diameter D1/mm | 240 |
| Rotor inlet height l1/mm | 11 |
| Rotor outlet absolute airflow angle α2/° | 87.46 |
| Rotor outlet circumferential speed u2/m·s−1 | 100.53 |
| Rotor outlet absolute speed c2/m·s−1 | 74.87 |
| Rotor outlet relative speed w2/m·s-1 | 129.60 |
| Rotor outlet absolute airflow angle β2/° | 33.59 |
| Rotor outlet outer diameter D2′/mm | 128 |
| Rotor outlet inner diameter D2″/mm | 62 |
| Rotor outlet height mm | 32 |
| Rotor axial length Brmm | 72 |
| Diffuser inlet diameter mm | 128 |
| Diffuser outlet diameter mm | 200 |
| Diffuser length mm | 342 |
| Parameters | Design Result | 30 | 33 | No Optimization (32) |
|---|---|---|---|---|
| Stator outlet velocity c1/m·s−1 | 253.57 | 233.83 | 232.90 | 247.06 |
| Outlet static pressure p3/MPa | 0.50 | 0.53 | 0.50 | 0.51 |
| Reaction degree Ω | 0.49 | 0.49 | 0.43 | 0.45 |
| Total-total efficiency ηtt/% | 85.52 | 92.07 | 88.63 | 89.82 |
| Shaft power Pt/kW | 131.45 | 122.65 | 135.66 | 132.11 |
| Boundary Conditions | One-DimensionalDesign Result | P to M 1 | P to P 2 | ||
|---|---|---|---|---|---|
| Number of Stator Blades | 30 | 33 | 30 | 33 | |
| Stator outlet velocity c1/m·s−1 | 253.57 | 233.83 | 232.90 | 251.72 | 253.88 |
| Outlet static pressure of p3/MPa | 0.5 | 0.53 | 0.50 | 0.5 | 0.5 |
| Mass flow /kg·s−1 | 2.44 | 2.44 | 2.44 | 2.57 | 2.44 |
| Reaction degree Ω | 0.49 | 0.49 | 0.43 | 0.4335 | 0.4282 |
| Total-total efficiency ηtt/% | 85.52 | 92.07 | 88.63 | 90.15 | 89.46 |
| Shaft power Pt/kW | 131.45 | 122.65 | 135.66 | 143.31 | 135.74 |
Publisher’s Note: MDPI stays neutral with regard to jurisdictional claims in published maps and institutional affiliations. |
© 2021 by the authors. Licensee MDPI, Basel, Switzerland. This article is an open access article distributed under the terms and conditions of the Creative Commons Attribution (CC BY) license (https://creativecommons.org/licenses/by/4.0/).
Share and Cite
Chen, Y.; Liu, Y.; Yang, W.; Wang, Y.; Zhang, L.; Wu, Y. Research on Optimization and Verification of the Number of Stator Blades of kW Ammonia Working Medium Radial Flow Turbine in Ocean Thermal Energy Conversion. J. Mar. Sci. Eng. 2021, 9, 901. https://doi.org/10.3390/jmse9080901
Chen Y, Liu Y, Yang W, Wang Y, Zhang L, Wu Y. Research on Optimization and Verification of the Number of Stator Blades of kW Ammonia Working Medium Radial Flow Turbine in Ocean Thermal Energy Conversion. Journal of Marine Science and Engineering. 2021; 9(8):901. https://doi.org/10.3390/jmse9080901
Chicago/Turabian StyleChen, Yun, Yanjun Liu, Wei Yang, Yiming Wang, Li Zhang, and Yongpeng Wu. 2021. "Research on Optimization and Verification of the Number of Stator Blades of kW Ammonia Working Medium Radial Flow Turbine in Ocean Thermal Energy Conversion" Journal of Marine Science and Engineering 9, no. 8: 901. https://doi.org/10.3390/jmse9080901
APA StyleChen, Y., Liu, Y., Yang, W., Wang, Y., Zhang, L., & Wu, Y. (2021). Research on Optimization and Verification of the Number of Stator Blades of kW Ammonia Working Medium Radial Flow Turbine in Ocean Thermal Energy Conversion. Journal of Marine Science and Engineering, 9(8), 901. https://doi.org/10.3390/jmse9080901

