Characterization of Polyorganosilazane-Derived Hybrid Coatings for the Corrosion Protection of Mild Steel in Chloride Solution
Abstract
1. Introduction
2. Materials and Methods
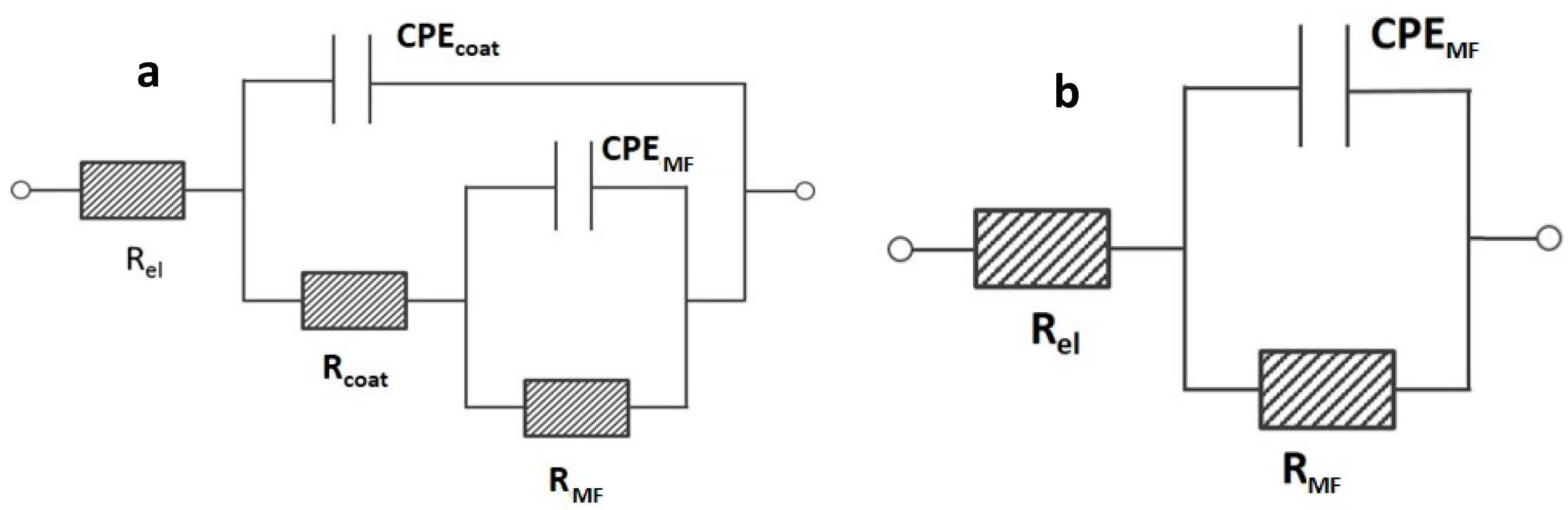
3. Results
4. Discussion
5. Conclusions
Author Contributions
Funding
Acknowledgments
Conflicts of Interest
Abbreviations
| TEOS | Tetraethyl-orthosilicate |
| MTES | Methyltriethoxysilane |
| GPTMS | Glycidyloxypropyltrimethoxysilane |
| APTES | (3-Aminopropyl)triethoxysilane |
| DMODS | Dimethyl octadecylsilane |
| MTMS | Trimethoxymethylsilane |
| PMDMS | polymethyl(hydro)/polydimethylsilazane |
References
- Fenker, M.; Balzer, M.; Kappl, H. Corrosion protection with hard coatings on steel: Past approaches and current research efforts. Surf. Coat. Technol. 2014, 257, 182–205. [Google Scholar] [CrossRef]
- Liu, C.; Bi, Q.; Matthews, A. EIS comparison on corrosion performance of PVD TiN and CrN coated mild steel in 0.5 N NaCl aqueous solution. Corros. Sci. 2001, 43, 1953–1961. [Google Scholar] [CrossRef]
- Hausbrand, R.; Bolado-Escudero, B.; Dhont, A.; Wielant, J. Corrosion of flame-assisted CVD silica-coated steel sheet. Corros. Sci. 2012, 61, 28–34. [Google Scholar] [CrossRef]
- Zhang, J.; Xue, Q.; Li, S. Microstructure and corrosion behavior of TiC/Ti(CN)/TiN multilayer CVD coatings on high strength steels. Appl. Surf. Sci. 2013, 280, 626–631. [Google Scholar] [CrossRef]
- Díaz, B.; Härkönen, E.; Swiatowska, J.; Maurice, V.; Seyeux, A.; Marcus, P.; Ritala, M. Low-temperature atomic layer deposition of Al2O3 thin coatings for corrosion protection of steel: Surface and electrochemical analysis. Corros. Sci. 2011, 53, 2168. [Google Scholar] [CrossRef]
- Potts, S.E.; Schmalz, L.; Fenker, M.; Díaz, B.; Swiatowska, J.; Maurice, V.; Seyeux, A.; Marcus, P.; Radnóczi, G.; Toth, L.; et al. Ultra-thin aluminium oxide films deposited by plasma-enhanced atomic layer deposition for corrosion protection. J. Electrochem. Soc. 2011, 158, C132–C138. [Google Scholar] [CrossRef]
- Delimi, A.; Galopin, E.; Coffinier, Y.; Pisarek, M.; Boukherrou, R.; Talhi, B.; Szunerits, S. Investigation of the corrosion behavior of carbon steel coated with fluoropolymer thin films. Surf. Coat. Technol. 2011, 205, 4011–4017. [Google Scholar] [CrossRef]
- Lavollée, C.; Gressier, M.; Garcia, J.; Sobrino, J.-M.; Reby, J.; Menu, M.-J.; Rossi, S.; Fedel, M. New architectured hybrid sol-gel coatings for wear and corrosion protection of low-carbon steel. Prog. Org. Coat. 2016, 99, 337–345. [Google Scholar]
- Asadi, N.; Naderi, R.; Saremi, M.; Arman, S.Y.; Fedel, M.; Deflorian, F. Study of corrosion protection of mild steel by eco-friendly silane sol–gel coating. J. Sol Gel Sci. Technol. 2014, 70, 329–338. [Google Scholar] [CrossRef]
- Mora, L.V.; Naik, S.; Paul, S.; Dawson, R.; Neville, A.; Barker, R. Influence of silica nanoparticles on corrosion resistance of sol-gel based coatings on mild steel. Surf. Coat. Technol. 2017, 324, 368–375. [Google Scholar] [CrossRef]
- Taheri, M.; Naderi, R.; Saremi, M.; Mahdavian, M. Development of an ecofriendly silane sol-gel coating with zinc acetylacetonate corrosion inhibitor for active protection of mild steel in sodium chloride solution. J. Sol. Gel. Sci. Technol. 2017, 81, 154–166. [Google Scholar] [CrossRef]
- Santana, I.; Pepe, A.; Schreiner, W.; Pellice, S.; Ceré, S. Hybrid sol-gel coatings containing clay nanoparticles for corrosion protection of mild steel. Electrochim. Acta 2016, 203, 396–403. [Google Scholar] [CrossRef]
- Sugama, T.; Carciello, N. Pre-ceramic polysilazane coatings for cold-rolled steels. Mater. Lett. 1992, 14, 322–328. [Google Scholar] [CrossRef]
- Schütz, A.; Günthner, M.; Motz, G.; Greißl, O.; Glatzel, U. Characterisation of novel precursor-derived ceramic coatings with glass filler particles on steel substrates. Surf. Coat. Technol. 2012, 207, 319–327. [Google Scholar] [CrossRef]
- Günthner, M.; Kraus, T.; Krenkel, W.; Motz, G.; Dierdorf, A.; Decker, D. Particle-filled PHPS silazane-based coatings on steel. Int. J. Appl. Ceram. Technol. 2009, 6, 373–380. [Google Scholar] [CrossRef]
- Bauer, F.; Decker, U.; Dierdorf, A.; Ernst, H.; Heller, R.; Liebe, H.; Mehnert, R. Preparation of moisture curable polysilazane coatings: Part I. Elucidation of low temperature curing kinetics by FT-IR spectroscopy. Prog. Org. Coat. 2005, 53, 183–190. [Google Scholar] [CrossRef]
- D’Elia, R.; Dusserre, G.; Del Confetto, S.; Eberling-Fux, N.; Descamps, C.; Cutard, T. Cure kinetics of a polysilazane system: Experimental characterization and numerical modelling. Eur. Polym. J. 2016, 76, 40–52. [Google Scholar] [CrossRef]
- Mueller, S.; De Hazan, Y.; Penner, D. Effect of temperature, humidity and aminoalkoxysilane additive on the low temperature curing of polyorganosilazane coatings studied by IR spectroscopy, gravimetric and evolved gas analysis. Prog. Org. Coat. 2016, 97, 133–145. [Google Scholar] [CrossRef]
- Kong, J.; Fan, X.; Zhang, G.; Xie, X.; Si, Q.; Wang, S. Synthesis and UV-curing behaviours of novel rapid UV-curable polyorganosilazanes. Polymer 2006, 47, 1519–1525. [Google Scholar] [CrossRef]
- Vu, C.; Osterod, F.; Brand, S.; Ryan, K. Silicon and nitrogen. Eur. Coat. J. 2008, 38, 1–11. [Google Scholar]
- Amouzou, D.; Fourdrinier, L.; Maseri, F.; Sporken, R. Formation of Me–O–Si covalent bonds at the interface between polysilazane and stainless steel. Appl. Surf. Sci. 2014, 320, 519–523. [Google Scholar] [CrossRef]
- Kroke, E.; Li, Y.L.; Konetschny, C.; Lecomte, E.; Fasel, C.; Riedel, R. Silazane derived ceramics and related materials. Mater. Sci. Eng. 2000, 26, 97–199. [Google Scholar] [CrossRef]
- Bernardo, E.; Fiocco, L.; Parcianello, G.; Storti, E.; Colombo, P. Advanced ceramics from preceramic polymers modified at the nano-scale: A review. Materials 2014, 7, 1927–1956. [Google Scholar] [CrossRef] [PubMed]
- Barroso, G.S.; Krenkel, W.; Motz, G. Low thermal conductivity coating system for application up to 1000 °C by simple PDC processing with active and passive fillers. J. Eur. Ceram. Soc. 2015, 35, 3339–3348. [Google Scholar] [CrossRef]
- Lenz Leite, M.; Barroso, G.; Parchovianský, M.; Galusek, D.; Ionescu, E.; Krenkel, W.; Motz, G. Synthesis and characterization of yttrium and ytterbium silicates from their oxides and an oligosilazane by the PDC route for coating applications to protect Si3N4 in hot gas environments. J. Eur. Ceram. Soc. 2017, 37, 5177–5191. [Google Scholar] [CrossRef]
- Song, Y.C.; Zhao, Y.; Feng, C.X.; Lu, Y. Synthesis and pyrolysis of polysilazane as the precursor of Si3N4/SiC ceramic. J. Mater. Sci. 1994, 29, 5745–5756. [Google Scholar] [CrossRef]
- Kubo, T.; Tadaoka, E.; Kozuka, H. Preparation of hot water-resistant silica thin films from polysilazane solution at room temperature. J. Sol Gel Sci. Technol. 2004, 31, 257–261. [Google Scholar] [CrossRef]
- Lu, Y.; Feng, C.X.; Song, Y.C. Curing polysilazane fibres by exposure to boron trichloride. J. Mater. Sci. Lett. 1998, 17, 481–484. [Google Scholar] [CrossRef]
- Lukacs, A.; Knasiak, G.J. Thermally Stable, Moisture Curable Polysilazanes and Polysiloxazanes. U.S. Patent US 6,652,978 B2, 25 November 2003. [Google Scholar]
- Furtat, P.; Lenz-Leite, M.; Ionescu, E.; Machado, R.A.F.; Motz, G. Synthesis of fluorine-modified polysilazanes: Via Si-H bond activation and their application as protective hydrophobic coatings. J. Mater. Chem. A 2017, 5, 25509–25521. [Google Scholar] [CrossRef]
- Akutsu, K.; Niizeki, T.; Nagayama, S.; Miyata, N.; Sahara, M.; Shimomura, A.; Yoshii, M.; Hasegawa, Y. Investigation of structure of a thin SiO2 layer as an antifouling and corrosion-resistant coating. J. Ceram. Soc. Jpn. 2016, 124, 172–176. [Google Scholar] [CrossRef]
- Augustinho, T.R.; Motz, G.; Ihlow, S.; Machado, R.A.F. Application of hybrid organic/inorganic polymers as coatings on metallic substrates. Mater. Res. Exp. 2016, 3, 095301. [Google Scholar] [CrossRef]
- Marceaux, S.; Bressy, C.; Perrin, F.X.; Martin, C.; Margaillan, A. Development of polyorganosilazane–silicone marine coatings. Prog. Org. Coat. 2014, 77, 1919–1928. [Google Scholar] [CrossRef]
- Chen, Z.; Li, G.; Wang, L.; Lin, Y.; Zhou, W. A strategy for constructing superhydrophobic multilayer coatings with self-cleaning properties and mechanical durability based on the anchoring effect of organopolysilazane. Mater. Des. 2018, 141, 37–47. [Google Scholar] [CrossRef]
- Fedel, M.; Rossi, S.; Deflorian, F. Polymethyl (hydro)/polydimethylsilazane-derived coatings applied on AA1050: Effect of the dilution in butyl acetate on the structural and electrochemical properties. J. Coat. Technol. Res. 2019, 16, 1013–1019. [Google Scholar] [CrossRef]
- Rossi, S.; Deflorian, F.; Fedel, M. Polysilazane-based coatings: Corrosion protection and anti-graffiti properties. Surf. Eng. 2019, 35, 343–350. [Google Scholar] [CrossRef]
- Landau, L.; Levich, V. Dragging of liquid by a moving plate. Acta Physicochim. 1942, 17, 42–54. [Google Scholar]
- Al-Oweini, R.; El-Rassy, H. Synthesis and characterization by FTIR spectroscopy of silica aerogels prepared using several Si(OR)4 and R’’Si(OR’)3 precursors. J. Mol. Struct. 2009, 919, 140–145. [Google Scholar] [CrossRef]
- Fedel, M.; Callone, E.; Fabbian, M.; Deflorian, F.; Dirè, S. Influence of Ce3+ doping on molecular organization of Si-based organic/inorganic sol-gel layers for corrosion protection. Appl. Surf. Sci. 2017, 414, 82–91. [Google Scholar] [CrossRef]
- Schiavon, M.A.; Ciuffi, K.J.; Valéria, I.; Yoshida, P. Glasses in the Si-O-C-N system produced by pyrolysis of polycyclic silazane/siloxane networks. J. Non Cryst. Solids 2007, 353, 2280–2288. [Google Scholar] [CrossRef]
- Fedel, M.; Callone, E.; Diré, S.; Deflorian, F.; Olivier, M.G.; Poelman, M. Effect of Na-Montmorillonite sonication on the protective properties of hybrid silica coatings. Electrochim. Acta 2014, 124, 90–99. [Google Scholar] [CrossRef]
- Seo, Y.; Cho, S.; Kim, S.; Choi, S.; Kim, H. Synthesis of refractive index tunable silazane networks for transparent glass fiber reinforced composite. Ceram. Int. 2017, 43, 7895–7900. [Google Scholar] [CrossRef]
- Schiavon, M.A.; Sorarù, G.D.; Yoshida, I.V.P. Synthesis of a polycyclic silazane network and its evolution to silicon carbonitride glass. J. Non Cryst. Solids 2002, 304, 76–83. [Google Scholar] [CrossRef]
- Chico, B.; Galván, J.C.; de la Fuente, D.; Morcillo, M. Electrochemical impedance spectroscopy study of the effect of curing time on the early barrier properties of silane systems applied on steel substrates. Prog. Org. Coat. 2007, 60, 45–53. [Google Scholar] [CrossRef]
- Wang, H.; Akid, R. Encapsulated cerium nitrate inhibitors to provide high-performance anti-corrosion sol–gel coatings on mild steel. Corros. Sci. 2008, 50, 1142–1148. [Google Scholar] [CrossRef]
- Asadi, N.; Naderi, R.; Saremi, M. Determination of optimum concentration of cloisite in an eco-friendly silane sol-gel film to improve corrosion resistance of mild steel. Appl. Clay Sci. 2014, 95, 243–251. [Google Scholar] [CrossRef]
- Pepe, A.; Galliano, P.; Aparicio, M.; Duràn, A.; Ceré, S. Sol-gel coatings on carbon steel: Electrochemical evaluation. Surf. Coat. Technol. 2006, 200, 3486–3491. [Google Scholar] [CrossRef]
- Kirtay, S. Preparation of hybrid silica sol–gel coatings on mild steel surfaces and evaluation of their corrosion resistance. Prog. Org. Coat. 2014, 77, 1861–1866. [Google Scholar] [CrossRef]
- Eduok, U.; Suleiman, R.; Khaled, M.; Akid, R. Enhancing water repellency and anticorrosion properties of a hybrid silica coating on mild steel. Prog. Org. Coat. 2016, 93, 97–108. [Google Scholar] [CrossRef]
- Alinejad, S.; Naderi, R.; Mahdavian, M. The effect of zinc cation on the anticorrosion behavior of aneco-friendly silane sol–gel coating applied on mild steel. Prog. Org. Coat. 2016, 101, 142–148. [Google Scholar] [CrossRef]
- Alibakhshi, E.; Akbarian, M.; Ramezanzadeh, M.; Ramezanzadeh, B.; Mahdavian, M. Evaluation of the corrosion protection performance of mild steel coated with hybrid sol-gel silane coating in 3.5 wt.% NaCl solution. Prog. Org. Coat. 2018, 123, 190–200. [Google Scholar] [CrossRef]
- Izadi, M.; Shahrabi, T.; Ramezanzadeh, B. Electrochemical investigations of the corrosion resistance of a hybrid sol–gel film containing green corrosion inhibitor-encapsulated nanocontainers. J. Taiwan Inst. Chem. Eng. 2017, 81, 356–372. [Google Scholar] [CrossRef]
- Chawada, G.; Dholakiya, B.Z. Organic–inorganic hybrid sol–gel pretreatments for corrosion protection of mild steel in neutral and acidic solutions. Res. Chem. Intermed. 2015, 41, 3659–3674. [Google Scholar] [CrossRef]










| Sample | Peak Position | Si–O–Si Relative Ratio |
|---|---|---|
| PSZ-10 | 1045 | 0.954 |
| PSZ-20 | 1022 | 1.370 |
| PSZ-30 | 1018 | 1.577 |
| PSZ-40 | 1008 | 1.807 |
| Sample | Rcoat Ω cm2 | Qcoat Ω−1 cm−2 sα | αcoat | RMF Ω cm2 | QMF Ω−1 cm−2 sα | αMF |
|---|---|---|---|---|---|---|
| Bare | – | – | – | 4.6 × 102 | 5.6 × 10−4 | 0.87 |
| PSZ-10 | – | – | – | 2.1 × 103 | 1.8 × 10−4 | 0.82 |
| PSZ-20 | 3.4 × 104 | 3.4 × 10−7 | 0.76 | 1.9 × 105 | 1.7 × 10−6 | 0.77 |
| PSZ-30 | 5.4 × 103 | 3.4 × 10−6 | 0.67 | 2.9 × 104 | 2.2 × 10−5 | 0.74 |
| PSZ-40 | 2.4 × 104 | 2.5 × 10−7 | 0.67 | 6.3 × 105 | 2.0 × 10−7 | 0.82 |
| Precursors* | Electrolyte and Time | |Z|0.01 (Ωcm2) | Thickness (µm) | Ref. |
|---|---|---|---|---|
| TEOS-MTES | 3.5 wt.% NaCl (1 h) | 9 × 104 | 3–4 | [45] |
| TEOS-MTES-GPTMS | 0.1 M NaCl (8 h) | 104 | NP | [46] |
| TEOS-MTES | 3.5 wt.% NaCl (2 h) | 3 × 105 | 1.14 | [47] |
| TEOS-GPTMS | 3.5 wt.% NaCl (48 h) | 3 × 106 | 20–40 | [10] |
| APTES | 3.5 wt.% NaCl (2 h) | 7 × 102 | 1.8/2.0 | [48] |
| TEOS-GPTMS-DMODS | 3.5 wt.% NaCl (20 days) | 6 × 104 | 13 | [49] |
| TEOS-GPTMS-MTES | 0.1 M NaCl (6 h) | 104 | ≈0.5 | [50] |
| TEOS-MTMS | 3.5 wt.% NaCl (1 h) | 1.26 × 105 | 7.6 | [51] |
| MTES-TEOS | 3.5 wt.% NaCl (2 h) | 3.2 × 104 | NP | [52] |
| APTES-Epoxy | 3.5 wt.% NaCl (3 h) | 2 × 103 | 2/10 | [53] |
| TEOS-GPTMS-MTES | 0.1 M NaCl (2 h) | 3 × 104 | ≈0.34 | [11] |
| TEOS-GPTMS-MTES | 0.1 M NaCl (8 h) | 104 | ≈0.26 | [9] |
| PSZ-40 PSZ-40 | 0.1 M NaCl (1 h) 0.1 M NaCl (24 h) | 6 × 105 8 × 104 | 3.4 | This work |
© 2019 by the authors. Licensee MDPI, Basel, Switzerland. This article is an open access article distributed under the terms and conditions of the Creative Commons Attribution (CC BY) license (http://creativecommons.org/licenses/by/4.0/).
Share and Cite
Fedel, M.; Rodríguez Gómez, F.J.; Rossi, S.; Deflorian, F. Characterization of Polyorganosilazane-Derived Hybrid Coatings for the Corrosion Protection of Mild Steel in Chloride Solution. Coatings 2019, 9, 680. https://doi.org/10.3390/coatings9100680
Fedel M, Rodríguez Gómez FJ, Rossi S, Deflorian F. Characterization of Polyorganosilazane-Derived Hybrid Coatings for the Corrosion Protection of Mild Steel in Chloride Solution. Coatings. 2019; 9(10):680. https://doi.org/10.3390/coatings9100680
Chicago/Turabian StyleFedel, Michele, Francisco Javier Rodríguez Gómez, Stefano Rossi, and Flavio Deflorian. 2019. "Characterization of Polyorganosilazane-Derived Hybrid Coatings for the Corrosion Protection of Mild Steel in Chloride Solution" Coatings 9, no. 10: 680. https://doi.org/10.3390/coatings9100680
APA StyleFedel, M., Rodríguez Gómez, F. J., Rossi, S., & Deflorian, F. (2019). Characterization of Polyorganosilazane-Derived Hybrid Coatings for the Corrosion Protection of Mild Steel in Chloride Solution. Coatings, 9(10), 680. https://doi.org/10.3390/coatings9100680

