A Novel Switched-Capacitor Inverter with Reduced Capacitance and Balanced Neutral-Point Voltage
Abstract
1. Introduction
- (1)
- Less capacitance (200 μF) is used.
- (2)
- There is no problem of neutral-point voltage imbalance.
- (3)
- Good performance is achieved in not only a three-phase four-wire system but also a three-phase three-wire system.
- (4)
- Only one DC source is used as a three-phase topology.
- (5)
- All floating capacitors are used to generate the top voltage level.
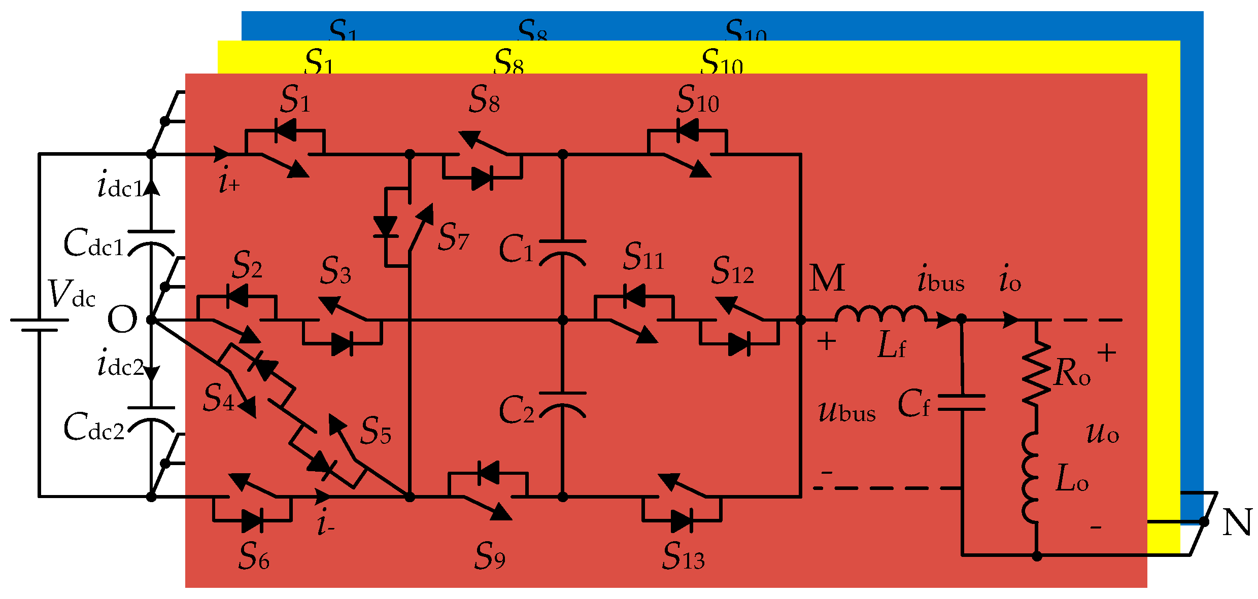
2. Proposed SCMLI and Operating Principle
3. Capacitor Charging Approaches
3.1. Approach I
3.2. Approach II
4. Control Strategies to Limit Voltage Ripples
5. Capacitance Determination
6. Efficiency Calculation
7. Simulation Results and Comparison
7.1. Simulation Results
7.1.1. Performance in Three-Phase Four-Wire System
7.1.2. Performance in Three-Phase Three-Wire System
7.2. Comparison
- (1)
- Less capacitance (200 μF) is used.
- (2)
- There is no problem of neutral-point voltage imbalance.
- (3)
- Good performance is achieved in not only the three-phase four-wire system but also the three-phase three-wire system.
- (4)
- Only one DC source is used as a three-phase topology.
- (5)
- All floating capacitors are used to generate the top voltage level.
8. Conclusions
Author Contributions
Funding
Conflicts of Interest
Nomenclature
| uN | Rated voltage of capacitors. |
| Vdc | Input DC voltage. |
| fs and Ts | Switching frequency and switching period. |
| Ac | Amplitude of the carrier waveform. |
| uref | Reference voltage. |
| ubus | Bus voltage. |
| Rdc1, Rdc2, R1 and R2 | Equivalent resistance of the devices. |
| R0 and C0 | It is assumed that Rdc1 = Rdc2 = R1 = R2 = R0 and Cdc1 = Cdc2 = C1 = C2 = C0. |
| Req and Ceq | Equivalent resistance and equivalent capacitance of the charging topology. |
| is | Current that flows through the DC source in the charging topology. |
| uCd1, uCd2, uC1, uC2 | Voltage of capacitors. |
| iCd1, iCd2, iC1, iC2 | Current of capacitors. |
| uCdc1(0), uCdc2(0), uC1(0), uC2(0) | Initial voltage of capacitors. |
| ueq(0) | Initial voltage of the equivalent capacitor. |
| uα, uβ, uγ | Adjustable parameters that represent the requirements of selecting the appropriate control strategy. |
| ibus | Bus current that flows through the filter inductor. |
| tldt | The longest discharging time of floating capacitors. |
| tc | Minimum duration of 0.5 Vdc voltage level. |
| m | Modulation index. |
| Aboost | Voltage gain. |
| tstart and tend | Start time and end time of the longest discharging time. |
| ZMN | Total impedance between point M and point N (can be calculated by the filter parameter and the load condition). |
| tbegin and tfinish | End time of the first approach I and Start time of the next approach I. |
| k | A parameter that satisfies the equation kTs = tfinish − tbegin. |
| Pcon1 | Conduction loss of the power switches. |
| isi, rsi, and Vsi | Current, internal resistance and voltage drop of the ith switch. |
| Nswi | Number of power switches. |
| fo and To | Frequency and period of the output voltage. |
| Pcon2 | Conduction loss that comes from DC-link and floating capacitors. |
| iCi and rCi | Current and internal resistance of the ith capacitor. |
| Ncap | Number of capacitors. |
| Pcon3 | Conduction loss of the output filters. |
| iLfi and rLfi | Current and internal resistance of the i-th filter inductor. |
| iCfi and rCfi | Current and internal resistance of the i-th filter capacitor. |
| Nfil | Number of filters. |
| Poff(i,j) | Switching loss caused by the j-th turning OFF process of the i-th switch. |
| Voff(i,j) and Ioff(i,j) | Voltage after the j-th turning OFF process of the i-th switch and current before the j-th turning OFF process of the i-th switch |
| Pon(i,j) | Switching loss caused by the j-th turning ON process of the i-th switch. |
| Von(i,j) and Ion(i,j) | Voltage before the j-th turning ON process of the i-th switch and current after the j-th turning ON process of the i-th switch. |
| Psw | Total switching loss. |
| Non(i) and Noff(i) | Number of i-th switch turning ON processes and turning OFF processes. |
| η | Overall efficiency of the proposed topology. |
| Po | Output power. |
| Zo | Load impedance. |
| Z1 | Load condition that is adopted in this paper. |
| Rd | A disturbance load that is only added to the A-phase temporarily. |
References
- Xiao, Q.; Chen, L.; Jin, Y.; Mu, Y.; Cupertino, A.F.; Jia, H.; Neyshabouri, Y.; Dragicevic, T.; Teodorescu, R. An Improved Fault-Tolerant Control Scheme for Cascaded H-Bridge STATCOM with Higher Attainable Balanced Line-to-Line Voltages. IEEE Trans. Ind. Electron. 2021, 68, 2784–2797. [Google Scholar] [CrossRef]
- Mathew, E.C.; Sharma, R.; Das, A. A Modular Resonant DC-DC Converter with High Step-Down Ratio for Tapping Power From HVDC Systems. IEEE Trans. Ind. Electron. 2021, 68, 324–332. [Google Scholar] [CrossRef]
- Franquelo, L.G.; Rodriguez, J.; Leon, J.I.; Kouro, S.; Portillo, R.; Prats, M.M. The Age of Multilevel Converters Arrives. IEEE Ind. Electron. Mag. 2008, 2, 28–39. [Google Scholar] [CrossRef]
- Dong, Z.; Wang, C.; Cui, K.; Cheng, Q.; Wang, J. Neutral-Point Voltage-Balancing Strategies of NPC-Inverter Fed Dual Three-Phase AC Motors. IEEE Trans. Power Electron. 2021, 36, 3181–3191. [Google Scholar] [CrossRef]
- Reddy, B.P.; Meraj, M.; Iqbal, A.; Keerthipati, S.; Bhaskar, M.S. A Hybrid Multilevel Inverter Scheme for Nine-Phase PPMIM Drive by Using Three-Phase Five-Leg Inverters. IEEE Trans. Ind. Electron. 2021, 68, 1895–1904. [Google Scholar] [CrossRef]
- Riad, N.; Anis, W.; Elkassas, A.; Hassan, A.E.-W. Three-Phase Multilevel Inverter Using Selective Harmonic Elimination with Marine Predator Algorithm. Electronics 2021, 10, 374. [Google Scholar] [CrossRef]
- Nabae, A.; Takahashi, I.; Akagi, H. A New Neutral-Point-Clamped PWM Inverter. IEEE Trans. Ind. Appl. 1981, IA-17, 518–523. [Google Scholar] [CrossRef]
- Meynard, T.A.; Foch, H. Multi-level conversion: High voltage choppers and voltage-source inverters. In Proceedings of the PESC 92 Record, 23rd Annual IEEE Power Electronics Specialists Conference, Toledo, Spain, 29 June–3 July 1992. [Google Scholar]
- Hammond, P.W. A new approach to enhance power quality for medium voltage AC drives. IEEE Trans. Ind. Appl. 1997, 33, 202–208. [Google Scholar] [CrossRef]
- Cervone, A.; Brando, G.; Dordevic, O. Hybrid Modulation Technique with DC-Bus Voltage Control for Multiphase NPC Converters. IEEE Trans. Power Electron. 2020, 35, 13528–13539. [Google Scholar] [CrossRef]
- Zhang, L.; Lou, X.T.; Li, C.S.; Wu, F.; Gu, Y.F.; Chen, G.; Xu, D.W. Evaluation of Different Si/SiC Hybrid Three-Level Active NPC Inverters for High Power Density. IEEE Trans. Power Electron. 2020, 35, 8224–8236. [Google Scholar] [CrossRef]
- Akagi, H. Multilevel Converters: Fundamental Circuits and Systems. Proc. IEEE 2017, 105, 2048–2065. [Google Scholar] [CrossRef]
- Mayer, R.; Kattel, M.B.E.; Oliveira, S.V.G. Multiphase Interleaved Bidirectional DC/DC Converter with Coupled Inductor for Electrified-Vehicle Applications. IEEE Trans. Power Electron. 2021, 36, 2533–2547. [Google Scholar] [CrossRef]
- Forouzesh, M.; Siwakoti, Y.P.; Gorji, S.A.; Blaabjerg, F.; Lehman, B. Step-Up DC-DC Converters: A Comprehensive Review of Voltage-Boosting Techniques, Topologies, and Applications. IEEE Trans. Power Electron. 2017, 32, 9143–9178. [Google Scholar] [CrossRef]
- Jahan, H.K. A New Transformerless Inverter with Leakage Current Limiting and Voltage Boosting Capabilities for Grid-Connected PV Applications. IEEE Trans. Ind. Electron. 2020, 67, 10542–10551. [Google Scholar] [CrossRef]
- McLaughlin, P.H.; Rentmeister, J.S.; Kiani, M.H.; Stauth, J.T. Analysis and Comparison of Hybrid-Resonant Switched-Capacitor DC-DC Converters with Passive Component Size Constraints. IEEE Trans. Power Electron. 2021, 36, 3111–3125. [Google Scholar] [CrossRef]
- Khodaparast, A.; Hassani, M.J.; Azimi, E.; Adabi, M.E.; Adabi, J.; Pouresmaeil, E. Circuit Configuration and Modulation of a Seven-Level Switched-Capacitor Inverter. IEEE Trans. Power Electron. 2021, 36, 7087–7096. [Google Scholar] [CrossRef]
- Hussan, M.R.; Sarwar, A.; Siddique, M.D.; Mekhilef, S.; Ahmad, S.; Sharaf, M.; Zaindin, M.; Firdausi, M. A Novel Switched-Capacitor Multilevel Inverter Topology for Energy Storage and Smart Grid Applications. Electronics 2020, 9, 1703. [Google Scholar] [CrossRef]
- Lee, S.S.; Bak, Y.; Kim, S.M.; Joseph, A.; Lee, K.B. New Family of Boost Switched-Capacitor Seven-Level Inverters (BSC7LI). IEEE Trans. Power Electron. 2019, 34, 10471–10479. [Google Scholar] [CrossRef]
- Kim, K.-M.; Han, J.-K.; Moon, G.-W. A High Step-Up Switched-Capacitor 13-Level Inverter with Reduced Number of Switches. IEEE Trans. Power Electron. 2021, 36, 2505–2509. [Google Scholar] [CrossRef]
- Ramaiah, S.; Lakshminarasamma, N.; Mishra, M.K. Multisource Switched Capacitor Based Boost Multilevel Inverter for Photovoltaic-Based Systems. IEEE Trans. Power Electron. 2020, 35, 2558–2570. [Google Scholar] [CrossRef]
- Raman, S.R.; Fong, Y.C.; Ye, Y.M.; Cheng, K.W.E. Family of Multiport Switched-Capacitor Multilevel Inverters for High-Frequency AC Power Distribution. IEEE Trans. Power Electron. 2019, 34, 4407–4422. [Google Scholar] [CrossRef]
- Raman, S.R.; Cheng, K.W.E.; Ye, Y.M. Multi-Input Switched-Capacitor Multilevel Inverter for High-Frequency AC Power Distribution. IEEE Trans. Power Electron. 2018, 33, 5937–5948. [Google Scholar] [CrossRef]
- Fong, Y.C.; Raman, S.R.; Ye, Y.; Cheng, K.W.E. Generalized Topology of a Hybrid Switched- Capacitor Multilevel Inverter for High- Frequency AC Power Distribution. IEEE J. Emerg. Sel. Top. Power Electron. 2020, 8, 2886–2897. [Google Scholar] [CrossRef]
- Siwakoti, Y.P.; Mahajan, A.; Rogers, D.J.; Blaabjerg, F. A Novel Seven-Level Active Neutral-Point-Clamped Converter with Reduced Active Switching Devices and DC-Link Voltage. IEEE Trans. Power Electron. 2019, 34, 10492–10508. [Google Scholar] [CrossRef]
- Nakagawa, Y.; Koizumi, H. A Boost-Type Nine-Level Switched Capacitor Inverter. IEEE Trans. Power Electron. 2019, 34, 6522–6532. [Google Scholar] [CrossRef]
- Barzegarkhoo, R.; Moradzadeh, M.; Zamiri, E.; Kojabadi, H.M.; Blaabjerg, F. A New Boost Switched-Capacitor Multilevel Converter with Reduced Circuit Devices. IEEE Trans. Power Electron. 2018, 33, 6738–6754. [Google Scholar] [CrossRef]
- Talooki, M.F.; Rezanejad, M.; Khosravi, R.; Samadaei, E. A Novel High Step-Up Switched-Capacitor Multilevel Inverter with Self-Voltage Balancing. IEEE Trans. Power Electron. 2021, 36, 4352–4359. [Google Scholar] [CrossRef]
- Ye, Y.; Chen, S.; Wang, X.; Cheng, K.W.E. Self-Balanced 13-Level Inverter Based on Switched Capacitor and Hybrid PWM Algorithm. IEEE Trans. Ind. Electron. 2021, 68, 4827–4837. [Google Scholar] [CrossRef]
- Siddique, M.D.; Mekhilef, S.; Shah, N.B.M.; Ali, J.S.M.; Meraj, M.; Iqbal, A.; Al-Hitmi, M.A. A New Single Phase Single Switched-Capacitor Based Nine-Level Boost Inverter Topology with Reduced Switch Count and Voltage Stress. IEEE Access 2019, 7, 174178–174188. [Google Scholar] [CrossRef]
- Siddique, M.D.; Mekhilef, S.; Shah, N.M.; Sandeep, N.; Ali, J.S.M.; Iqbal, A.; Ahmed, M.; Ghoneim, S.S.M.; Al-Harthi, M.M.; Alamri, B.; et al. A Single DC Source Nine-Level Switched-Capacitor Boost Inverter Topology with Reduced Switch Count. IEEE Access 2020, 8, 5840–5851. [Google Scholar] [CrossRef]
- Zeng, J.; Lin, W.J.; Liu, J.F. Switched-Capacitor-Based Active-Neutral-Point-Clamped Seven-Level Inverter with Natural Balance and Boost Ability. IEEE Access 2019, 7, 126889–126896. [Google Scholar] [CrossRef]
- Lee, S.S.; Lim, C.S.; Lee, K.-B. Novel Active-Neutral-Point-Clamped Inverters with Improved Voltage-Boosting Capability. IEEE Trans. Power Electron. 2020, 35, 5978–5986. [Google Scholar] [CrossRef]




















| STATES | Voltage | Figure Position | Switches | ||||||||||||
|---|---|---|---|---|---|---|---|---|---|---|---|---|---|---|---|
| Level | S1 | S2 | S3 | S4 | S5 | S6 | S7 | S8 | S9 | S10 | S11 | S12 | S13 | ||
| 1 | 1.5 Vdc | Figure 2 | 1 | 0 | 0 | 0 | 0 | 0 | 1 | 0 | 1 | 1 | 0 | 0 | 0 |
| 2 | Vdc | Figure 2 | 1 | 0 | 0 | 0 | 0 | 0 | 1 | 0 | 1 | 0 | 1 | 1 | 0 |
| 3 | Vdc | Figure 5 | 0 | 0 | 0 | 1 | 1 | 0 | 0 | 0 | 1 | 1 | 0 | 0 | 0 |
| 4 | 0.5 Vdc | Figure 4 | 1 | 0 | 0 | 0 | 0 | 1 | 0 | 1 | 1 | 1 | 0 | 0 | 0 |
| 5 | 0.5 Vdc | Figure 4 | 0 | 1 | 1 | 0 | 0 | 1 | 0 | 0 | 1 | 1 | 0 | 0 | 0 |
| 6 | 0.5 Vdc | Figure 4 | 1 | 1 | 1 | 0 | 0 | 0 | 0 | 1 | 0 | 1 | 0 | 0 | 0 |
| 7 | 0.5 Vdc | Figure 5 | 1 | 0 | 0 | 0 | 0 | 0 | 0 | 1 | 0 | 1 | 0 | 0 | 0 |
| 8 | 0.5 Vdc | Figure 2 | 0 | 1 | 1 | 0 | 0 | 0 | 0 | 0 | 0 | 1 | 0 | 0 | 0 |
| 9 | 0.5 Vdc | Figure 2 | 0 | 0 | 0 | 1 | 1 | 0 | 0 | 0 | 1 | 0 | 1 | 1 | 0 |
| 10 | 0 V | Figure 4 | 1 | 0 | 0 | 0 | 0 | 1 | 0 | 1 | 1 | 0 | 1 | 1 | 0 |
| 11 | 0 V | Figure 4 | 0 | 1 | 1 | 0 | 0 | 1 | 0 | 0 | 1 | 0 | 1 | 1 | 0 |
| 12 | 0 V | Figure 4 | 1 | 1 | 1 | 0 | 0 | 0 | 0 | 1 | 0 | 0 | 1 | 1 | 0 |
| 13 | 0 V | Figure 5 | 1 | 0 | 0 | 0 | 0 | 0 | 0 | 1 | 0 | 0 | 1 | 1 | 0 |
| 14 | 0 V | Figure 5 | 0 | 0 | 0 | 0 | 0 | 1 | 0 | 0 | 1 | 0 | 1 | 1 | 0 |
| 15 | 0 V | Figure 2 | 0 | 1 | 1 | 0 | 0 | 0 | 0 | 0 | 0 | 0 | 1 | 1 | 0 |
| 16 | −0.5 Vdc | Figure 4 | 1 | 0 | 0 | 0 | 0 | 1 | 0 | 1 | 1 | 0 | 0 | 0 | 1 |
| 17 | −0.5 Vdc | Figure 4 | 0 | 1 | 1 | 0 | 0 | 1 | 0 | 0 | 1 | 0 | 0 | 0 | 1 |
| 18 | −0.5 Vdc | Figure 4 | 1 | 1 | 1 | 0 | 0 | 0 | 0 | 1 | 0 | 0 | 0 | 0 | 1 |
| 19 | −0.5 Vdc | Figure 5 | 0 | 0 | 0 | 0 | 0 | 1 | 0 | 0 | 1 | 0 | 0 | 0 | 1 |
| 20 | −0.5 Vdc | Figure 2 | 0 | 1 | 1 | 0 | 0 | 0 | 0 | 0 | 0 | 0 | 0 | 0 | 1 |
| 21 | −0.5 Vdc | Figure 2 | 0 | 0 | 0 | 1 | 1 | 0 | 1 | 1 | 0 | 0 | 1 | 1 | 0 |
| 22 | −Vdc | Figure 2 | 0 | 0 | 0 | 0 | 0 | 1 | 1 | 1 | 0 | 0 | 1 | 1 | 0 |
| 23 | −Vdc | Figure 5 | 0 | 0 | 0 | 1 | 1 | 0 | 1 | 1 | 0 | 0 | 0 | 0 | 1 |
| 24 | −1.5 Vdc | Figure 2 | 0 | 0 | 0 | 0 | 0 | 1 | 1 | 1 | 0 | 0 | 0 | 0 | 1 |
| Capacitors | Control Strategy |
|---|---|
| C1 and C2 | Approach II, path selection |
| Cdc1 and Cdc2 | Approach I, path selection |
| Parameters | Value |
|---|---|
| Vdc | 200 V |
| Capacitor rated voltage | 100 V |
| Modulation ratio | 0.95 |
| Output voltage | 285 V |
| C1, C2, Cdc1, and Cdc2 | 200 μF |
| Output power | 1884 W |
| Resistive–inductive load Z1 | 40 Ω, 100 mH |
| uα | 8 V |
| Filter capacitor | 80 μF |
| Filter inductor | 4 mH |
| Switching frequency | 20 kHz |
| Output frequency | 50 Hz |
| [19] | [20] | [26] | [27] | [30] | [31] | [32] | [33] | Proposed Topology | |
|---|---|---|---|---|---|---|---|---|---|
| CDC-link | 4700 4700 | - | - | - | - | - | 1000 1000 | 4700 4700 | 200 200 |
| Cfloating | 4700 4700 | 6800 6800 3300 | 4330 4320 2190 | 1000 1000 | 2200 2200 2200 | 2200 /2200 | 1000 | 4700 | 200 200 |
| Nca_3p | 8 | 9 | 9 | 6 | 9 | 6 | 5 | 5 | 8 |
| TRVca_3p | 4 | 15 | 15 | 3 | 6 | 3 | 4 | 4 | 4 |
| εca | 100% | 100% | 80% | 100% | 50% | 100% | 100% | 100% | 100% |
| NDC_3p | 1 | 3 | 3 | 3 | 3 | 3 | 1 | 1 | 1 |
| Load condition | 40 Ω 100 mH | 50 Ω 30 mH | 42.2 Ω 79 mH | 200 Ω | 30 Ω 30 mH | 10 Ω 100 mH | 160 Ω | 40 Ω 100 mH | 40 Ω 100 mH |
| m | 1.0 | 0.9 | 0.91 | 1.0 | 1.0 | 1.0 | 1.0 | 1.0 | 0.95 |
| Suffering from imbalance | yes | no | no | yes | yes | yes | yes | yes | no |
| Aboost | 1.5 | 6 | 4 | 2 | 2 | 2 | 1.5 | 1.5 | 1.5 |
| Nlevel | 7 | 13 | 9 | 9 | 9 | 9 | 7 | 7 | 7 |
| Nsd | 10 | 15 | 12 | 11 | 11 | 10 | 9 | 9 | 13 |
| TSVsw | 9 | 33 | 24 | 12 | 10 | 11 | 8 | 8 | 11 |
Publisher’s Note: MDPI stays neutral with regard to jurisdictional claims in published maps and institutional affiliations. |
© 2021 by the authors. Licensee MDPI, Basel, Switzerland. This article is an open access article distributed under the terms and conditions of the Creative Commons Attribution (CC BY) license (https://creativecommons.org/licenses/by/4.0/).
Share and Cite
Xun, Z.; Ding, H.; He, Z. A Novel Switched-Capacitor Inverter with Reduced Capacitance and Balanced Neutral-Point Voltage. Electronics 2021, 10, 947. https://doi.org/10.3390/electronics10080947
Xun Z, Ding H, He Z. A Novel Switched-Capacitor Inverter with Reduced Capacitance and Balanced Neutral-Point Voltage. Electronics. 2021; 10(8):947. https://doi.org/10.3390/electronics10080947
Chicago/Turabian StyleXun, Zhuyu, Hongfa Ding, and Zhou He. 2021. "A Novel Switched-Capacitor Inverter with Reduced Capacitance and Balanced Neutral-Point Voltage" Electronics 10, no. 8: 947. https://doi.org/10.3390/electronics10080947
APA StyleXun, Z., Ding, H., & He, Z. (2021). A Novel Switched-Capacitor Inverter with Reduced Capacitance and Balanced Neutral-Point Voltage. Electronics, 10(8), 947. https://doi.org/10.3390/electronics10080947

