Seamless Capable PV Power Generation System without Battery Storage for Rural Residential Load
Abstract
:1. Introduction
- The seamless transition of VSC control from PZA-LMS algorithm-based current control to SRF-based voltage control without any transient in the load and grid side.
- InC MPPT operates in a derated mode to offer excess PV power curtailment, reduces overall cost in the absence of a battery, and results in a lower payback period.
- The PZA-LMS algorithm offers better sparse system identification without forcing near-zero coefficients to zero, better filtering, and faster convergence speeds.
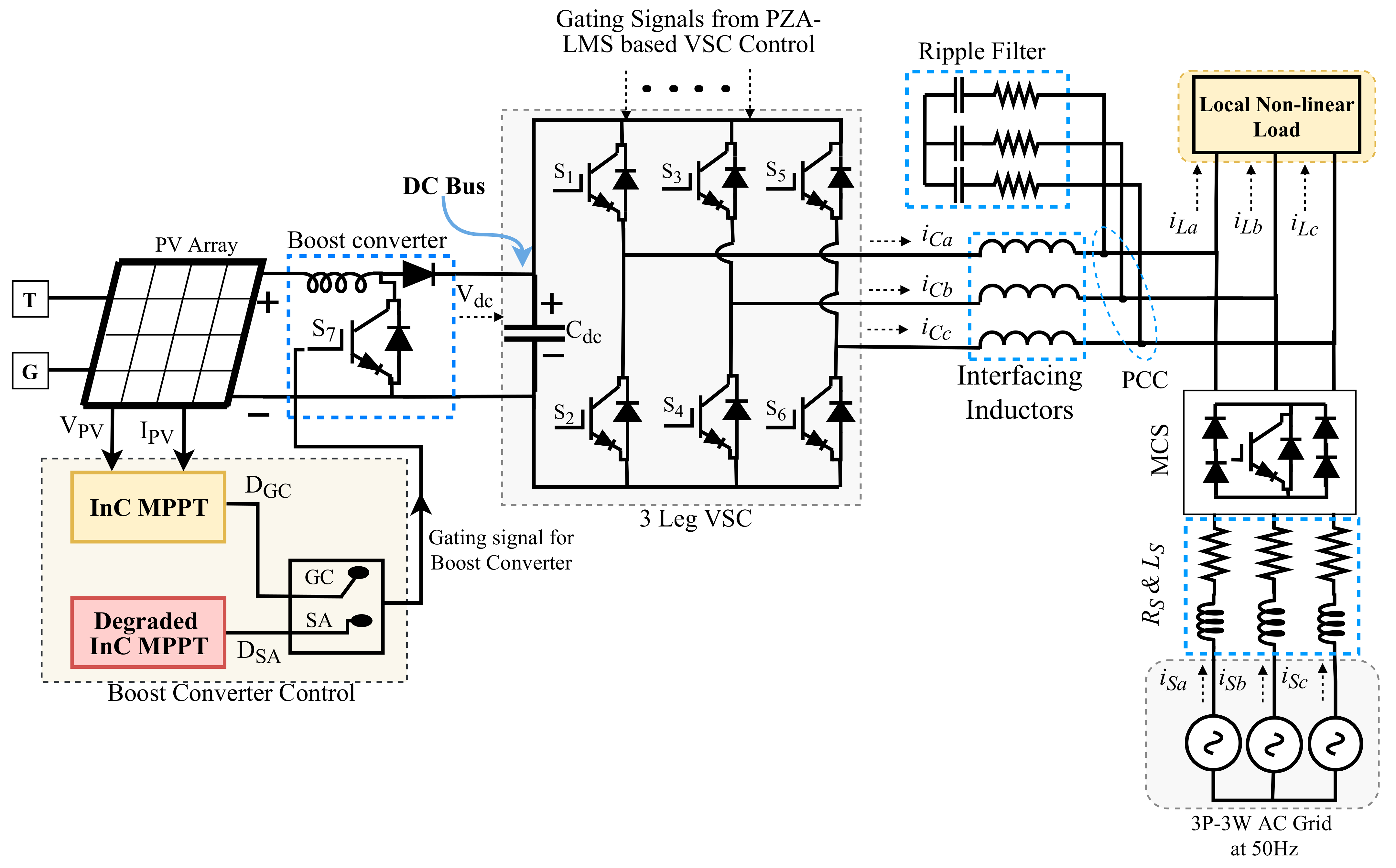
2. Proposed System
3. Research Methodology
4. Control Algorithms
4.1. InC MPPT Control in GC Mode
4.2. Derated InC MPPT Control in SA Mode
4.3. PZA-LMS Based VSC Control during GC Mode
4.4. SRF Based VSC Control during SA Mode
4.5. Islanding and Re-Synchronization Control of VSC Control
5. Results and Discussion
5.1. Steady-State Analysis during GC Mode
5.2. Irradiation Variation Analysis during GC Mode
5.3. Load Unbalancing Analysis during GC Mode
5.4. Islanding and Re-Synchronization Analysis
5.5. Derated InC MPPT Operation Analysis in SA Mode
5.6. Steady-State Analysis during SA Mode
5.7. Irradiation Variation Analysis during SA Mode
6. Conclusions
Author Contributions
Funding
Institutional Review Board Statement
Informed Consent Statement
Data Availability Statement
Acknowledgments
Conflicts of Interest
Nomenclature
| In-phase components | |
| Voltage magnitude (V) | |
| PV Current (A) | |
| PV Voltage (V) | |
| PV Power (kW) | |
| Grid-Connected Duty Cycle | |
| DC Bus Voltage (V) | |
| Load Demand (kW) | |
| Derated Duty Cycle | |
| Standalone Duty Cycle | |
| Voltage at MPP (V) | |
| Current at MPP (A) | |
| Error signals | |
| Source voltage (V) | |
| Source current (A) | |
| Load voltage (V) | |
| Load current (A) | |
| Each phase’s Weight signals | |
| Step Size | |
| Feed-forward term | |
| Average weight signals | |
| Overall weight | |
| Reference source current (A) | |
| Reference Load Voltages in dq0 frame (V) | |
| Load Voltages in dq0 frame (V) | |
| Reference Load Currents (A) | |
| Compensator Currents (A) | |
| Active Power delivered to Grid (kW) | |
| Reactive Power delivered to Grid (kVAR) | |
| 3P–3W | Three-phase three-wire |
| GC | Grid-Connected |
| SA | Standalone |
| VSC | Voltage source converter |
| LMS | Least Mean Square |
| PZA-LMS | Polynomial Zero-Attracting LMS |
| PCC | Point of Common Coupling |
| InC | Incremental conductance |
| MPPT | Maximum Power Point Tracking |
| MPP | Maximum Power Point |
| SRF | Synchronous Reference Frame |
| BSS | Battery Storage System |
| THD | Total Harmonics Distortion |
| RESs | Renewable Energy Systems |
| DG | Distributed Generators |
| MPE | Maximum Power Extraction |
| P&O | Perturb and Observe |
| MPP | Maximum Power Point |
| LMF | Least Mean Fourth |
| HC-LMS | Hyperbolic LMS |
| VSS-LMS | Variable Step-Size LMS |
| MCC | Maximum Correntropy Criteria |
| RZA-LMS | Resized Zero-Attracting LMS |
| MCS | Master Control Switch |
| PI | Proportional Integral |
References
- Ines Come Zebra, E.; van der Windt, H.J.; Nhumaio, G.; Faaji, A.P.C. A Review of Hybrid Renewable Energy Systems in Mini-Grids for off-Grid Electrification in Developing Countries United States Agency for International Development. Renew. Sustain. Energy Rev. 2021, 144, 111036. [Google Scholar] [CrossRef]
- Smirnova, E.; Kot, S.; Kolpak, E.; Shestak, V. Governmental Support and Renewable Energy Production: A Cross-Country Review. Energy 2021, 230, 120903. [Google Scholar] [CrossRef]
- Bhamu, S.; Bhatti, T.S.; Pathak, N. Modelling and Dynamic Stability Study of Interconnected System of Renewable Energy Sources and Grid for Rural Electrification. Int. J. Emerg. Electr. Power Syst. 2019, 20, 1–14. [Google Scholar] [CrossRef]
- Naqvi, S.B.Q.; Singh, B. A PV-Battery System Resilient to Weak Grid Conditions with Regulated Power Injection and Grid Supportive Features. IEEE Trans. Sustain. Energy 2022, 13, 1408–1419. [Google Scholar] [CrossRef]
- Chong, L.W.; Wong, Y.W.; Rajkumar, R.K.; Isa, D. Modelling and Simulation of Standalone PV Systems with Battery-Supercapacitor Hybrid Energy Storage System for a Rural Household. Energy Procedia 2017, 107, 232–236. [Google Scholar] [CrossRef]
- Zarina, P.P.; Mishra, S. Cost Benefit of Using Deloaded PV Instead of Battery. In Proceedings of the IEEE International Conference on Power Electronics, Drives and Energy Systems, 2016 IEEE International Conference on Power Electronics, Drives and Energy Systems (PEDES), Trivandrum, India, 14–17 December 2016. pp. 1–4. [CrossRef]
- Velasco De La Fuente, D.; Trujillo Rodríguez, C.L.; Garcerá, G.; Figueres, E.; Ortega Gonzalez, R. Photovoltaic Power System with Battery Backup with Grid-Connection and Islanded Operation Capabilities. IEEE Trans. Ind. Electron. 2013, 60, 1571–1581. [Google Scholar] [CrossRef]
- Zhu, Y.L.; Yao, J.G.; Wu, D. Comparative Study of Two Stages and Single Stage Topologies for Grid-Tie Photovoltaic Generation by PSCAD/EMTDC. In Proceedings of the 2011 International Conference on Advanced Power System Automation and Protection, Beijing, China, 16–20 October 2011; Volume 2, pp. 1304–1309. [Google Scholar] [CrossRef]
- Srinivas, V.L.; Singh, B.; Mishra, S. Fault Ride-Through Strategy for Two-Stage Grid-Connected Photovoltaic System Enabling Load Compensation Capabilities. IEEE Trans. Ind. Electron. 2019, 66, 8913–8924. [Google Scholar] [CrossRef]
- Kumar, V.; Singh, M. Derated Mode of Power Generation in PV System Using Modified Perturb and Observe MPPT Algorithm. J. Mod. Power Syst. Clean Energy 2021, 9, 1183–1192. [Google Scholar] [CrossRef]
- Sahoo, S.; Mishra, S.; Jha, S.; Singh, B. A Cooperative Adaptive Droop Based Energy Management and Optimal Voltage Regulation Scheme for DC Microgrids. IEEE Trans. Ind. Electron. 2020, 67, 2894–2904. [Google Scholar] [CrossRef]
- Alam, M.J.E.; Muttaqi, K.M.; Sutanto, D. Mitigation of Rooftop Solar PV Impacts and Evening Peak Support by Managing Available Capacity of Distributed Energy Storage Systems. IEEE Trans. Power Syst. 2013, 28, 3874–3884. [Google Scholar] [CrossRef] [Green Version]
- Mao, M.; Cui, L.; Zhang, Q.; Guo, K.; Zhou, L.; Huang, H. Classification and Summarization of Solar Photovoltaic MPPT Techniques: A Review Based on Traditional and Intelligent Control Strategies. Energy Rep. 2020, 6, 1312–1327. [Google Scholar] [CrossRef]
- Motahhir, S.; el Hammoumi, A.; el Ghzizal, A. The Most Used MPPT Algorithms: Review and the Suitable Low-Cost Embedded Board for Each Algorithm. J. Clean. Prod. 2020, 246, 118983. [Google Scholar] [CrossRef]
- Karami, N.; Moubayed, N.; Outbib, R. General Review and Classification of Different MPPT Techniques. Renew. Sustain. Energy Rev. 2017, 68, 1–18. [Google Scholar] [CrossRef]
- Villegas-Mier, C.G.; Rodriguez-Resendiz, J.; Álvarez-Alvarado, J.M.; Rodriguez-Resendiz, H.; Herrera-Navarro, A.M.; Rodríguez-Abreo, O. Artificial Neural Networks in Mppt Algorithms for Optimization of Photovoltaic Power Systems: A Review. Micromachines 2021, 12, 1260. [Google Scholar] [CrossRef] [PubMed]
- Zarina, P.P.; Mishra, S. Power Oscillation Reduction Contribution by PV in Deloaded Mode. In Proceedings of the 2016 IEEE 6th International Conference on Power Systems (ICPS), New Delhi, India, 4–6 March 2016; pp. 128–131. [Google Scholar] [CrossRef]
- Kumar, V.; Singh, M. Reactive Power Compensation Using Derated Power Generation Mode of Modified P&O Algorithm in Grid-Interfaced PV System. Renew. Energy 2021, 178, 108–117. [Google Scholar] [CrossRef]
- Liu, H.; Zhang, W.; Sun, B.; Member, S.; Loh, P.C.; Wang, W.; Xu, D.; Blaabjerg, F. Seamless Transfer Scheme with Unified Control Core for Paralleled Systems. IEEE Trans. Power Electron. 2019, 34, 6286–6298. [Google Scholar] [CrossRef]
- Naqvi, S.B.Q.; Kumar, S.; Singh, B. Three-Phase Four-Wire PV System for Grid Interconnection at Weak Grid Conditions. IEEE Trans. Ind. Appl. 2020, 56, 7077–7087. [Google Scholar] [CrossRef]
- Zhang, Q.; Mao, M.; Ke, G.; Zhou, L.; Xie, B. Stability Problems of PV Inverter in Weak Grid: A Review. IET Power Electron. 2020, 13, 2165–2174. [Google Scholar] [CrossRef]
- Chankaya, M.; Hussain, I.; Ahmad, A.; Malik, H.; García Márquez, F.P.; Márquez, F.P.G. Generalized Normal Distribution Algorithm-Based Control of 3-Phase 4-Wire Grid-Tied PV-Hybrid Energy Storage System. Energies 2021, 14, 4355. [Google Scholar] [CrossRef]
- Chankaya, M.; Hussain, I.; Ahmad, A.; Malik, H.; García Márquez, F.P. Multi-Objective Grasshopper Optimization Based MPPT and VSC Control of Grid-Tied PV-Battery System. Electronics 2021, 10, 2770. [Google Scholar] [CrossRef]
- Bhattacharjee, S.S.; Ray, D.; George, N.V. Adaptive Modified Versoria Zero Attraction Least Mean Square Algorithms. IEEE Trans. Circuits Syst. II Express Briefs 2020, 67, 3602–3606. [Google Scholar] [CrossRef]
- Maheshwari, J.; George, N.V. Polynomial Sparse Adaptive Algorithm. Electron. Lett. 2016, 52, 2063–2065. [Google Scholar] [CrossRef]
- Chankaya, M.; Ahmad, A.; Hussain, I. Path-Finder Optimization Based Control of Grid-Tied PV Hybrid Energy Storage System. IETE J. Res. 2021, 1–18. [Google Scholar] [CrossRef]













Publisher’s Note: MDPI stays neutral with regard to jurisdictional claims in published maps and institutional affiliations. |
© 2022 by the authors. Licensee MDPI, Basel, Switzerland. This article is an open access article distributed under the terms and conditions of the Creative Commons Attribution (CC BY) license (https://creativecommons.org/licenses/by/4.0/).
Share and Cite
Chankaya, M.; Hussain, I.; Malik, H.; Ahmad, A.; Alotaibi, M.A.; Márquez, F.P.G. Seamless Capable PV Power Generation System without Battery Storage for Rural Residential Load. Electronics 2022, 11, 2413. https://doi.org/10.3390/electronics11152413
Chankaya M, Hussain I, Malik H, Ahmad A, Alotaibi MA, Márquez FPG. Seamless Capable PV Power Generation System without Battery Storage for Rural Residential Load. Electronics. 2022; 11(15):2413. https://doi.org/10.3390/electronics11152413
Chicago/Turabian StyleChankaya, Mukul, Ikhlaq Hussain, Hasmat Malik, Aijaz Ahmad, Majed A. Alotaibi, and Fausto Pedro García Márquez. 2022. "Seamless Capable PV Power Generation System without Battery Storage for Rural Residential Load" Electronics 11, no. 15: 2413. https://doi.org/10.3390/electronics11152413
APA StyleChankaya, M., Hussain, I., Malik, H., Ahmad, A., Alotaibi, M. A., & Márquez, F. P. G. (2022). Seamless Capable PV Power Generation System without Battery Storage for Rural Residential Load. Electronics, 11(15), 2413. https://doi.org/10.3390/electronics11152413

