Conception and Experimental Validation of a Standalone Photovoltaic System Using the SUPC5 Multilevel Inverter
Abstract
:1. Introduction
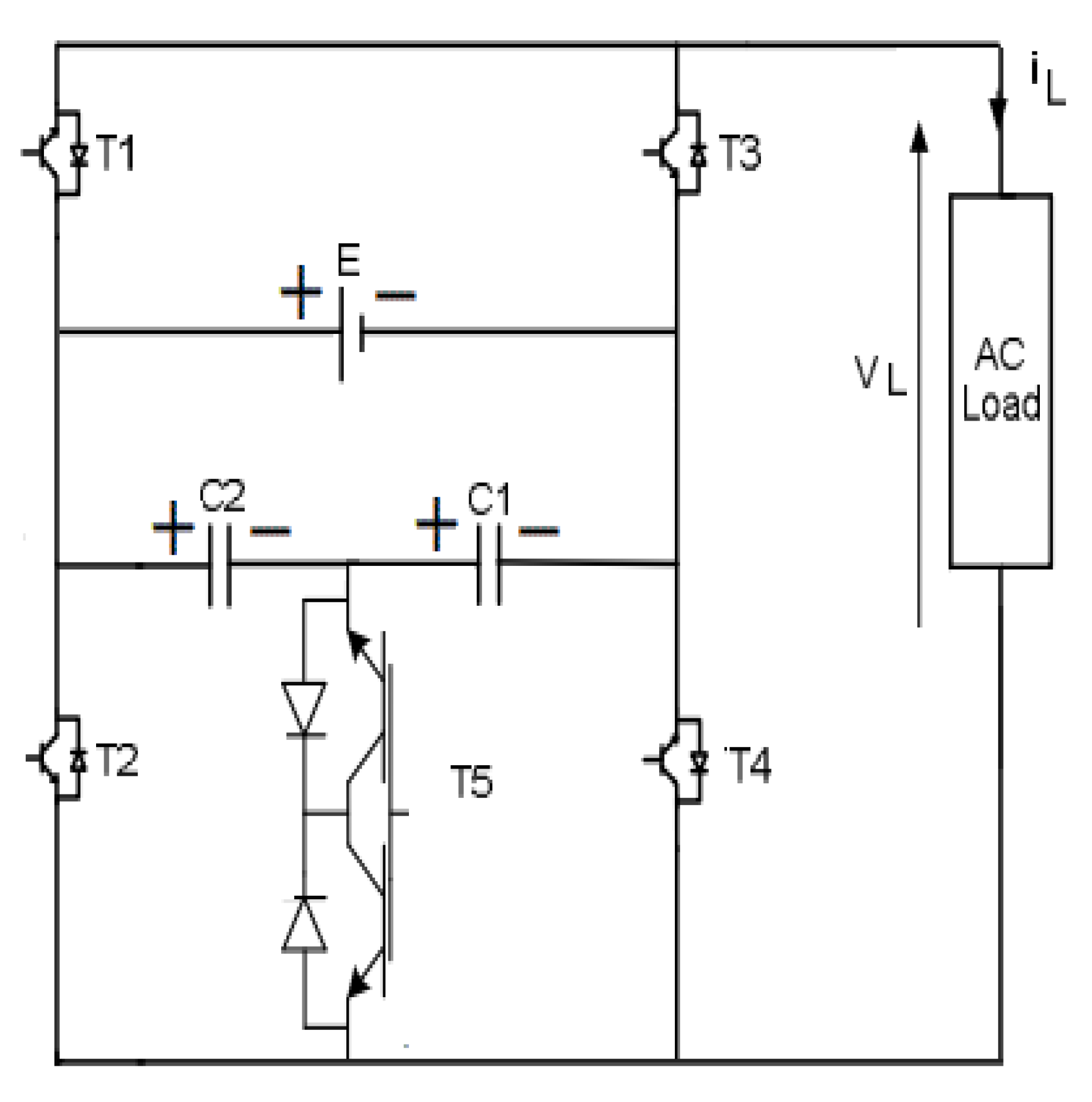
2. The Proposed Control Technique of the SPUC5 Inverter
3. The Suggested Photovoltaic System
3.1. The PV Array under Consideration
3.2. The Utilized MPPT Controller
4. Simulation Results
5. Experimental Validation
6. Conclusions
Author Contributions
Funding
Conflicts of Interest
References
- Awasthi, A.; Shukla, A.K.; Murali Manohar, S.R.; Dondariya, C.; Shukla, K.N.; Porwal, D.; Richhariya, G. Review on sun tracking technology in solar PV system. Energy Rep. 2020, 6, 392–405. [Google Scholar] [CrossRef]
- Jalil, M.F.; Khatoon, S.; Nasiruddin, I.; Bansal, R.C. Review of PV array modelling, configuration and MPPT techniques. Int. J. Model. Simul. 2022, 42, 533–550. [Google Scholar] [CrossRef]
- Ghamrawi, A.; Gaubert, J.P.; Mehdi, D. A new dual-mode maximum power point tracking algorithm based on the Perturb and Observe algorithm used on solar energy system. Sol. Energy 2018, 174, 508–514. [Google Scholar] [CrossRef]
- Kumar, V.; Singh, M. Derated mode of power generation in PV system using modified perturb and observe MPPT algorithm. J. Mod. Power Syst. Clean Energy 2020, 9, 1183–1192. [Google Scholar] [CrossRef]
- Pathak, P.K.; Padmanaban, S.; Yadav, A.K.; Alvi, P.A.; Khan, B. Modified incremental conductance MPPT algorithm for SPV-based grid-tied and stand-alone systems. IET Gener. Transm. Distrib. 2022, 16, 776–791. [Google Scholar] [CrossRef]
- Singh, P.; Shukla, N.; Gaur, P. Modified variable step incremental-conductance MPPT technique for photovoltaic system. Int. J. Inf. Technol. 2021, 13, 2483–2490. [Google Scholar] [CrossRef]
- Jately, V.; Azzopardi, B.; Joshi, J.; Venkateswaran V, B.; Sharma, A.; Arora, S. Experimental Analysis of hill-climbing MPPT algorithms under low irradiance levels. Renew. Sustain. Energy Rev. 2021, 150, 111467. [Google Scholar] [CrossRef]
- Baek, S.; Cho, Y.; Cho, B.G.; Hong, C. Performance comparison between two-level and three-level SiC-based VFD applications with output filters. IEEE Trans. Ind. Appl. 2019, 55, 4770–4779. [Google Scholar] [CrossRef]
- Vemuganti, H.P.; Sreenivasarao, D.; Ganjikunta, S.K.; Suryawanshi, H.M.; Abu-Rub, H. A survey on reduced switch count multilevel inverters. IEEE Open J. Ind. Electron. Soc. 2021, 2, 80–111. [Google Scholar] [CrossRef]
- Mondol, M.H.; Tür, M.R.; Biswas, S.P.; Hosain, M.K.; Shuvo, S.; Hossain, E. Compact three phase multilevel inverter for low and medium power photovoltaic systems. IEEE Access 2020, 8, 60824–60837. [Google Scholar] [CrossRef]
- Sridhar, V.; Umashankar, S.; Sanjeevikumar, P.; Ramachandaramurthy, V.K.; Mihet-Popa, L.; Fedák, V. Control architecture for cascaded H-bridge inverters in large-scale PV systems. Energy Procedia 2018, 145, 549–557. [Google Scholar] [CrossRef]
- Alepuz, S.; Busquets-Monge, S.; Nicolás-Apruzzese, J.; Filbà-Martínez, À.; Bordonau, J.; Yuan, X.; Kouro, S. A Survey on Capacitor Voltage Control in Neutral-Point-Clamped Multilevel Converters. Electronics 2022, 11, 527. [Google Scholar] [CrossRef]
- Ye, Y.; Hua, T.; Chen, S.; Wang, X. Neutral-Point-Clamped Five-Level Inverter with Self-Balanced Switched-Capacitor. IEEE Trans. Ind. Electron. 2021, 69, 2202–2215. [Google Scholar] [CrossRef]
- Zhao, X.; Jiang, D.; Chen, J.; Shen, Z.; Li, Q. Leakage current suppression with capacitor voltage control of three-level flying capacitor grid-connected inverters. IEEE Trans. Ind. Electron. 2021, 69, 2191–2201. [Google Scholar] [CrossRef]
- Humayun, M.; Khan, M.M.; Muhammad, A.; Xu, J.; Zhang, W. Evaluation of symmetric flying capacitor multilevel inverter for grid-connected application. Int. J. Electr. Power Energy Syst. 2020, 115, 105430. [Google Scholar] [CrossRef]
- Ounejjar, Y.; Al-Haddad, K.; Gregoire, L.A. Packed U cells multilevel converter topology: Theoretical study and experimental validation. IEEE Trans. Ind. Electron. 2010, 58, 1294–1306. [Google Scholar] [CrossRef]
- Al-Haddad, K.; Ounejjar, Y.; Gregoire, L.A. Multilevel Electric Power Converter. U.S. Patent No. 9,331,599, 3 May 2016. [Google Scholar]
- El Gadari, A.; El Ouardi, H.; Alibou, S.; Ounejjar, Y.; Bejjit, L.; Sharifzadeh, M.; Al-Haddad, K. New nine-level SPUC inverter using single DC source. In Proceedings of the 45th Annual Conference of the IEEE Industrial Electronics Society, Lisbon, Portugal, 14–17 October 2019; Volume 1, pp. 1892–1897. [Google Scholar]
- El Ouardi, H.; El Gadari, A.; Ounejjar, Y.; Kamal, A.H.; Alibou, S. A standalone photovoltaic system based on the SPUC5 inverter. In Proceedings of the IEEE 29th International Symposium on Industrial Electronics (ISIE), Delft, The Netherlands, 17–19 June 2020; pp. 1484–1489. [Google Scholar]
- El Ouardi, H.; El Kasmi Alaoui, M.; Nabaoui, M.; Habib, M.; El Gadari, A.; Ounejjar, Y.; Al-Haddad, K. Grid connected photovoltaic system based on SPUC5 inverter. In Proceedings of the 22nd IEEE International Conference on Industrial Technology (ICIT), Valencia, Spain, 10–12 March 2021; pp. 371–376. [Google Scholar]
- Serra, F.M.; Fernández, L.M.; Montoya, O.D.; Gil-González, W.; Hernández, J.C. Nonlinear voltage control for three-phase dc-ac converters in hybrid systems: An application of the pi-pbc method. Electronics 2020, 9, 847. [Google Scholar] [CrossRef]
- Jiménez-Castillo, G.; Muñoz-Rodríiguez, F.J.; Rus-Casas, C.; Hernández, J.C.; Tina, G.M. Monitoring PWM signals in stand-alone photovoltaic systems. Measurement 2019, 134, 412–425. [Google Scholar] [CrossRef]
- Rehman, H.U.; Yan, X.; Abdelbaky, M.A.; Jan, M.U.; Iqbal, S. An advanced virtual synchronous generator control technique for frequency regulation of grid-connected PV system. Int. J. Electr. Power Energy Syst. 2021, 125, 106440. [Google Scholar] [CrossRef]
















| DC Voltage Combination | Switches Pulses | ||||
|---|---|---|---|---|---|
| S1 | S2 | S3 | S4 | S5 | |
| E = VC1 + VC2 | 1 | 0 | 0 | 1 | 0 |
| VC1 | 1 | 0 | 0 | 0 | 1 |
| 0 | 0 | 0 | 1 | 1 | 0 |
| −VC2 | 0 | 0 | 1 | 0 | 1 |
| −E = −VC1−VC2 | 0 | 1 | 1 | 0 | 0 |
| Parameters | Values |
|---|---|
| Maximum current Imax at Pmax (A) | 5.58 |
| Maximum voltage Vmax at Pmax (V) | 54.7 |
| Short circuit current Isc (A) | 5.96 |
| Open circuit voltage Voc (V) | 64.2 |
| Series resistance Rs (Ω) | 0.037998 |
| Parallel resistance Rp (Ω) | 993.51 |
| Number of cells | 96 |
| Parameters | Values |
|---|---|
| Fundamental frequency | 60 Hz |
| Switching frequency | 2000 Hz |
| SPUC5 capacitors | 4000 μF |
| Load resistor | 80 Ω |
| Load inductor | 15 mH |
Publisher’s Note: MDPI stays neutral with regard to jurisdictional claims in published maps and institutional affiliations. |
© 2022 by the authors. Licensee MDPI, Basel, Switzerland. This article is an open access article distributed under the terms and conditions of the Creative Commons Attribution (CC BY) license (https://creativecommons.org/licenses/by/4.0/).
Share and Cite
El Ouardi, H.; El Gadari, A.; Ounejjar, Y.; Al-Haddad, K. Conception and Experimental Validation of a Standalone Photovoltaic System Using the SUPC5 Multilevel Inverter. Electronics 2022, 11, 2779. https://doi.org/10.3390/electronics11172779
El Ouardi H, El Gadari A, Ounejjar Y, Al-Haddad K. Conception and Experimental Validation of a Standalone Photovoltaic System Using the SUPC5 Multilevel Inverter. Electronics. 2022; 11(17):2779. https://doi.org/10.3390/electronics11172779
Chicago/Turabian StyleEl Ouardi, Hind, Ayoub El Gadari, Youssef Ounejjar, and Kamal Al-Haddad. 2022. "Conception and Experimental Validation of a Standalone Photovoltaic System Using the SUPC5 Multilevel Inverter" Electronics 11, no. 17: 2779. https://doi.org/10.3390/electronics11172779
APA StyleEl Ouardi, H., El Gadari, A., Ounejjar, Y., & Al-Haddad, K. (2022). Conception and Experimental Validation of a Standalone Photovoltaic System Using the SUPC5 Multilevel Inverter. Electronics, 11(17), 2779. https://doi.org/10.3390/electronics11172779

