Abstract
With the demand for fast response of magnetic field measurement and the development of laser diode technology, self-oscillating laser-pumped atomic magnetometers have become a new development trend. In this work, we designed a portable self-oscillating VCSEL-pumped Cs atom magnetometer, including the probe (optical path) and circuits. The signal amplification and feedback loop of the magnetometer, VCSEL laser control unit, and atomic cell temperature control unit were realized. We tested the performance of the magnetometer in the metering station. Finally, The performance of the VCSEL-pumped magnetometer designed in this work was compared with that of a CS-3 lamp-pumped self-oscillating atomic magnetometer; their performance was found to be mostly in the same order of magnitude, while the power consumption of our magnetometer was 3 W less than that of the CS-3. This work represents an exploratory attempt to integrate and miniaturize a portable self-oscillating VCSEL-pumped Cs atomic magnetometer.
1. Introduction
In recent years, research on laser detection of alkali metal atomic magnetometers has become a frontier topic in quantum precision measurement and quantum sensing technology. An atomic magnetometer is a high-precision and high-sensitivity magnetic field measurement instrument based on optical pumping and electron paramagnetic resonance technology [1,2]. In the research to date on the mechanism of magnetometers, a two-beam structure of pumping light and probe light has usually been used, which makes the volume of magnetometer not very small. In order to miniaturize the magnetometer, the pump–probe structure is the best choice for a portable magnetometer. According to the radio frequency excitation method and detection component that generates the magnetic resonance, optically pumped atomic magnetometers (OPM) can be divided into the tracking type and self-oscillating type [3]. Self-oscillating magnetometers can quickly respond to magnetic field changes, and have broad application prospects in areas such as marine anti-submarine activities and aviation magnetic fields [4,5,6,7]. Compared with spectral lamps, semiconductor lasers have the advantages of narrower line width, easier miniaturization, and lower power consumption [8,9]. Vertical Cavity Surface Emitting LASERs (VCSELs) have been applied in atomic gyroscopes and atomic clocks [10,11]. Due to the high sensitivity of atomic magnetometers, the fast response rate of self-oscillating magnetometers, and the advantages of semiconductor lasers, a portable self-oscillating VCSEL-pumped atomic magnetometer is suitable for occasions requiring high sensitivity, fast response rate, small volume, and low power consumption. However, the research on applying miniaturized lasers to magnetometers remains in the exploratory stage [12].
Frequency stability is an important parameter of a laser. Because the linewidth of the laser is narrow, the frequency stability directly affects the sensitivity of OPM. Because the frequency fluctuations and intensity noise can affect the sensor output, it needs to be stable [13]. This is usually achieved by controlling the temperature and current of the laser. Frequency stabilization can be divided into passive and active frequency stabilization [14]. Passive frequency stabilization can only narrow the linewidth to a limited extent, and active frequency stabilization is needed to achieve high precision. After choosing a stable reference, it must be possible to adjust the frequency automatically through the control system if the laser frequency deviates from the reference frequency. The reference frequency should have high stability and repetition, and the linewidth should be narrow [15,16]. There are many ways to approach active frequency stabilization. The usual method is to take the center frequency of the transition line of an atom or molecule as the reference standard, including Lamb depression, Zeeman Effect atomic absorption, and absorption or saturated absorption of atoms or molecules. Among these, the advantages of the atomic absorption method are high-frequency stability and high repetition [17].
The density of atoms in a cell is proportional to the temperature [18]. When the vapor temperature changes, the self-oscillating frequency of the magnetometer shifts [19]. Therefore, it is necessary to increase the atomic density by heating the cell while introducing as little magnetic field noise as possible. There are four kinds of heating methods: Using an AC signal [20], using intermittent DC [21], using hot gas flow [22], or using a laser [23]. The AC heating method is to pass an alternating current into the heating wire to generate heat. The drawback is the introduction of magnetic noise. The intermittent DC heating method is to heat the atomic cell and measure the temperature intermittently. While this makes it easy to control and avoids magnetic noise, it is easy to produce a temperature gradient. The hot air flow heating method heats the atomic cell by heated air. Although it has no magnetic field interference, its temperature stability is not high, its structure is complex, and it can introduce vibration noise or light refraction. Non-magnetic heating can also be realized by laser. Due to the different energy levels of atoms, certain energy levels may be more complex and difficult to describe. Therefore, heating light may cause unnecessary energy level transitions.
In this work, a portable self-oscillating VCSEL-pumped Cesium (Cs) atomic magnetometer is designed, including the probe (optical path) and circuits. The signal amplification and feedback loop of the magnetometer, VCSEL laser control unit, and atomic cell temperature control unit are realized. Finally, we test the performance of the magnetometer in a metering station.
2. The System Structure
Figure 1 presents the structure of the portable self-oscillating VCSEL-pumped Cs atomic magnetometer. The part shown by the dotted lines is the probe, including the Collimating Lens (CL), Polarizing Beam Splitter (PBS), half-wave (/2) plate, quarter-wave (/4) plate, Thermistor (THE), Photodiode (PD), and RF coil. The circuit can be divided into three parts. Part A is the amplification and feedback loop. The operational amplifiers U1-U6, feedback resistor , and capacitors , , and are in series across the RF coil activated through the analog switch chip U7. Part B is the VCSEL controller. Part C is the temperature controller of the atomic cell, including the voltage Amplifier (VA), Power Amplifier (PA), Analog-to-Digital Converter (ADC), Digital-to-Analog Converter (DAC), Proportion-Integral-Differential (PID) controller, Direct-Digital-Synthesis (DDS) signal generator, and Microcontroller Unit (MCU).
Figure 1.
The structure of the portable self-oscillating VCSEL-pumped Cs atomic magnetometer.
In the probe, the laser emitted from the VCSEL is a linearly polarized light. It is collimated by a lens and becomes parallel light, then passes through a /2 plate and a circular polarizer composed of a PBS and a /4 plate. Adjusting the /2 plate can change the light intensity. The pump–probe structure is used to implement the magnetometer to ensure that the light cannot be too weak or too strong. Then, by adjusting the /4 plate, the polarization of the parallel light becomes circular. This light passes through the atomic cell and is picked up by a photodiode, then the signal is fed back to the RF coil through the circuit to form a closed loop. Coated cells or buffer gas cells can increase the polarization spin polarization lifetime of the atoms, which is an effective way of improving the signal-to-noise ratio of the optical signal. However, the coated cell may be damaged at high temperatures, which is not suitable for long-term use of the instrument. In addition, as the buffer gas cell needs to work at a high temperature, the cell is wrapped with a twisted pair of heating wires to maintain a warm temperature. Finally, the RF coil is wound around the outside of the probe. The position of the atomic cell is located in the geometric center of the probe structure.
3. The Self-Oscillating Signal Circuit
3.1. The Preamplifier (90-Degree Phase Shifter)
The amplification and feedback loop is a crucial part of the circuit, as shown in Figure 1 Part A. In 1946, Bloch indicated that there was a 90-degree phase shift between the RF signal () and the optical signal () of a self-oscillating OPM. Although there are many schemes to implement a phase shifter [24], the passive resistance–capacitance (RC) phase shifter remains the most suitable integration scheme for instruments. The preamplifier is designed to amplify and phase shift the signal. Figure 2 (left) is the equivalent noise model of the preamplifier; is the sum of various noises considering the photocurrent shot noise, the dark current shot noise, the thermal noise, and the equivalent current noise of the operational amplifier; is the equivalent voltage noise of the operational amplifier; is the equivalent resistance of the photodiode’s parallel resistance and the amplifier’s input resistance; and is the equivalent capacitance of photodiode junction capacitance, amplifier input capacitance, and wire distribution capacitance in parallel.
Figure 2.
The equivalent noise model of the preamplifier (left) and the gain–frequency characteristics of noise gain and signal gain (right).
A small non-magnetic Silicon (Si) PIN photodiode is used. Its rising edge time is 25 ns and its junction capacitance value is 10 pF. A preamplifier circuit composed of an ultra-low noise high-speed operational amplifier chip (U1) converts the current signal into a voltage signal, making the photodiode work in a reversed bias state. The feedback resistor in the preamplifier circuit is selected by the actual photocurrent and its required gain. Without a feedback capacitor, the circuit is prone to gain bump, step output ringing, and noise gain spikes. To eliminate the above problems, a small capacitor is added to in parallel. The gain–frequency characteristics of noise gain and signal gain are shown in Figure 2 (right), where log is denoted by log f and and constitute a pole in the frequency response of the amplifier, as shown in Equation (1). If the open loop gain () curve crosses the noise gain (1/) curve as it rises, the circuit may oscillate uncontrollably. Another name for noise gain is closed-loop gain, which is always defined as the reciprocal of the feedback factor (). The signal gain of an operational amplifier circuit is not always the same as its noise gain. To reach a steady state, the curve needs to intersect the 1/ curve where it flattens, as shown in Equation (2):
The unity–gain bandwidth ( in Equation (2)) of the preamplifier is 75 MHz. The junction capacitance of the photodiode is 10 pF, the input capacitance of the amplifier is 5 pF, and the distributed capacitance of the wire is generally much less than 0.5 pF; thus, the value of in Equation (2) is about 15.5 pF. From Equations (1) and (2), we obtain Equation (3):
When is equal to 200 k, it can be seen from Equation (3) that the value of only needs to be greater than 0.42 pF to satisfy the condition of circuit stability. However, the problem that cannot be ignored is that the phase shift is no less than 8 degrees within the operating frequency range (from 70 kHz to 350 kHz for a magnetic field range from 2 × 10 nT to 10 × 10 nT) when is 200 k and is no less than 0.42 pF. This causes an issue with the design of the phase-shift circuit. If an additional phase-shift circuit is connected, the phase-shift degree within the operating frequency range needs to be compensated to 90 degrees.
When the selected value of is large enough (hundreds of picofarads), the phase shift of the preamplifier circuit is close to 90 degrees. Ideally, the larger the value of the capacitor, the closer the phase shift is to 90 degrees. The influence of the , , and frequency values on the phase shift of the preamplifier circuit is shown in Equation (4):
In this work, the value of is selected to be 180 pF and the value of is selected to be 200 k. Under this set of parameters, the maximum difference of the phase shift in the frequency range of 70 kHz to 350 kHz is not more than 3 degrees, as shown in Figure 3. Because the circuit is in the form of reverse amplification, the output is 90 degrees ahead of the signal observed on the photodetector.
Figure 3.
The relationship between phase shift degree and , , frequency.
3.2. The Automatic Gain Control Circuit and Others
The disadvantage of the RC network is that the output signal amplitude varies greatly with the frequency; thus, we designed an automatic gain control (AGC) circuit. Chip U2 is a voltage-controlled gain amplifier. Then, a passive RC high-pass circuit is cascaded in the latter stage; the resistance of the high-pass circuit is 10 k, and the capacitance is selected in the range of 1 nF to 100 nF. While it is not obvious, the phase of the preamplifier circuit can be compensated accordingly. If the self-oscillating signal phenomenon cannot preferably appear in the middle of the operating frequency range, the capacitor value should be adjusted in response. Due to the limitation of U2’s , U3 has to further compensate and amplify the output of U2. The low-noise performance of the circuit depends primarily on the selection of low-noise operational amplifiers and the fully differential form (differential input and output). Then, the RF coil is connected to a multi-channel 2-to-1 analog switch U7; as such, the sign (lead or lag) of the 90-degrees phase shift of the signal is not a concern in practice. When the polarity reversal of the magnetic field is detected, the gear of the analog switch is switched by the controller; U4 is used to convert the differential signal into a single-ended signal, while U6 rectifies and filters the single-ended signal and obtains its average value as feedback, which is used to control the AGC amplifier (U2) after being adjusted by the resistor divider. At the same time, the single-ended signal is used as the output of the magnetometer after simple band-pass filtering (U5) and supplied to the frequency meter.
4. VCSEL Controller
In the laboratory, the saturable absorption optical path is usually used to stabilize the frequency of a commercial laser [25]. In portable instruments, VCSELs are used as a substitute for commercial lasers. The heated buffer gas cell has a linewidth widening which is unsuitable for frequency stabilization. Therefore, an additional vacuum atomic cell is added to the magnetometer probe without increasing the volume; this is a small cylindrical cell with a diameter of 20 mm and a thickness of 10 mm. At the same time, a photodiode is close to it, as shown in Figure 4. Although the saturated absorption method exhibits better performance than the absorption method, the optical path needs to be integrated into the probe. The more complex the optical path is, the more noise is caused by the vibration, which is unfavorable for its application in instrumentation. In cases where the requirements of laser frequency stability are met, the optical path of the absorption method is simple and easy to build. The remainder consists of the frequency stabilization circuit. The VCSEL manual shows that the wavelength is positively correlated with the current and the temperature of the laser (0.5 nm/mA, 0.06 nm/°C). Therefore, the control of laser wavelength can be transformed into accurate control of current and temperature. The VCSEL frequency stabilization circuit in this work is shown in Figure 1 Part B.
Figure 4.
A vacuum atomic cell and a photodiode are added to the original structure.
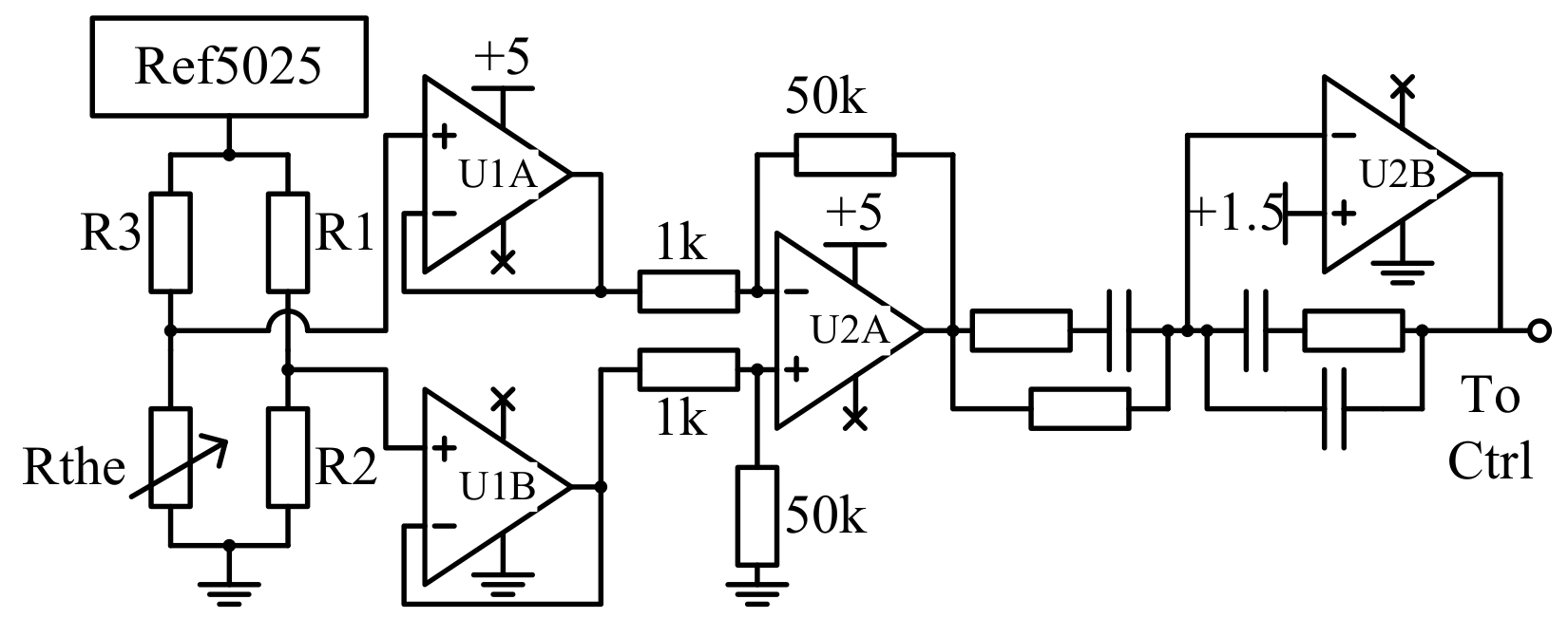
4.1. Temperature Control Circuits of VCSEL
A Thermo-Electric Cooler (TEC) temperature control scheme is often implemented by chip MAX1978 [26]. We designed the circuit with reference to the typical circuit as shown in Figure 5. When laying out related wires on PCB, they should be short and thick to reduce the transmission voltage drop of the wires. At the same time, the contact voltage drop of the connector and wiring voltage drop of the circuit board should be minimized and the analog ground, digital ground, and power wired separately to reduce crosstalk. For the PID circuit, the circuit output and heater are disconnected, then a unit step signal is input to the heater and the response of the thermistor (the input of the PID circuit) is recorded in order to determine the circuit parameters.
Figure 5.
The VCSEL temperature control circuits.
To evaluate the temperature stability of VCSEL, the data were recorded for five minutes (once per second) with an eight-and-a-half-bit Keysight 3458A multimeter. These data included (the value of 1.8 k low temperature drift resistance with accuracy of 0.01%); (the 1.5 V voltage reference obtained from external voltage reference chip REF5025 (noise: 3 Vpp/V, temperature drift: 3 ppm/°C) through precision low-temperature-drift resistance voltage division), and (the voltage applied to the thermistor of VCSEL after 1.8 k resistor voltage division). The data are shown in Figure 6.
Figure 6.
Drift of the value of low-temperature drift resistance, drift of the voltage of external reference REF5025, and drift of the voltage applied to the thermistor of the VCSEL.
First, we used the random walk overlay white noise model with trend term to fit the above three data items and obtain their respective eigenvalues. Then, we obtained the relationship between and and between and V according to Ohm’s law. Monte Carlo simulations of the thermistor resistance () were performed to plot the trend of thermistor resistance values times, as shown in Figure 7; the statistical chart helps to evaluate the effect of temperature control. The average temperature fluctuation range of the laser does not exceed 0.002 °C, corresponding to the VCSEL frequency fluctuation range less than 60 MHz. This indicates that the best index of TEC temperature control for the MAX1978 is reached (±0.001 °C, as shown in the manual).
Figure 7.
The trend and statistical chart of over times, conducted by Monte Carlo simulation.
4.2. Current Control Circuits of VCSEL
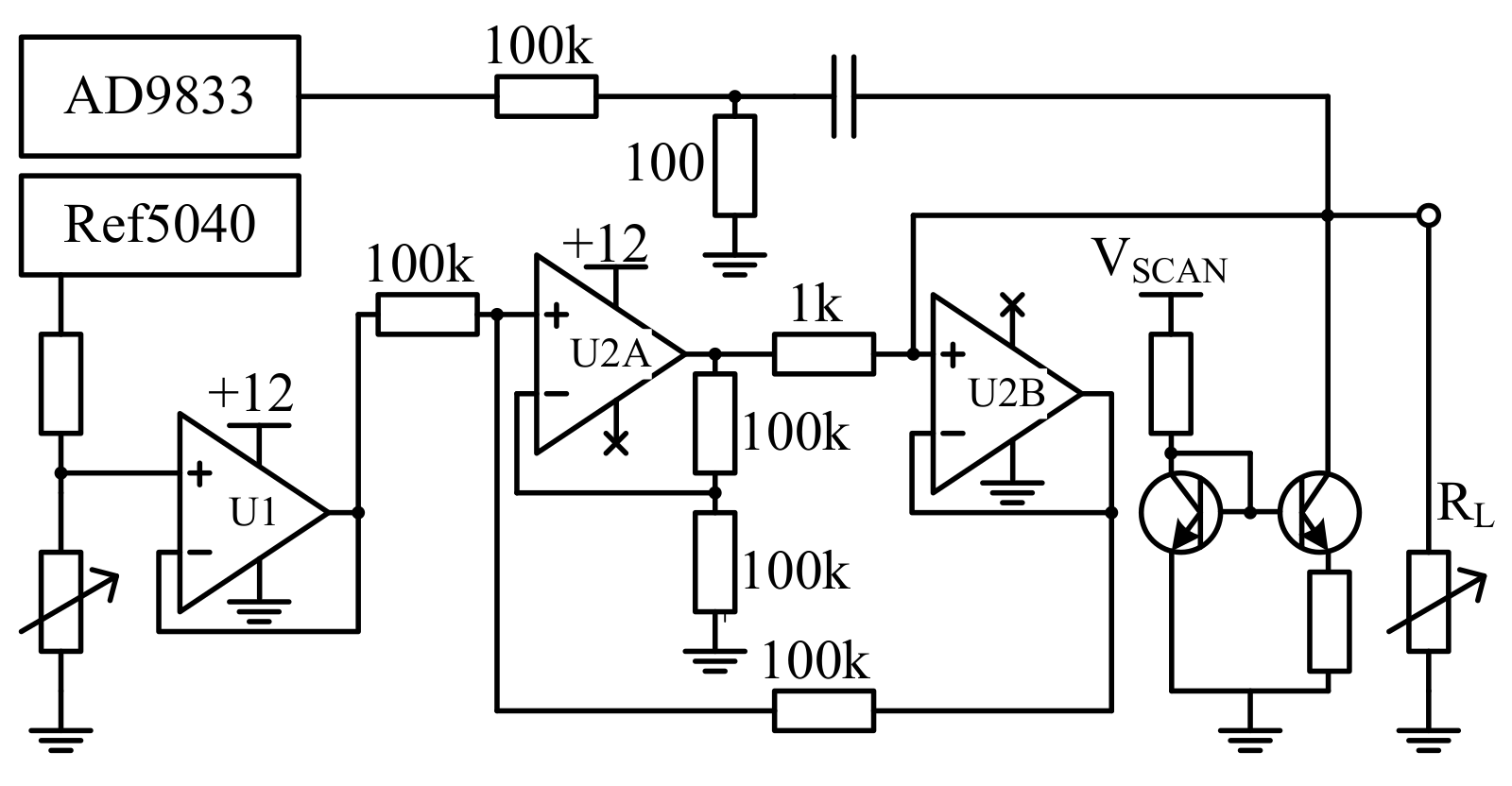
Because controlling the temperature of VCSEL to 0.002 C is a limit, it is difficult for other schemes to achieve higher accuracy. Accuracy of the current below 1A seems to be easier to achieve. Therefore, after the range of laser frequency is roughly ensured with a fixed temperature, the scanning current is used to scan the frequency. The absorption peak is obtained on the photodetector passing through the atomic cell by scanning the laser frequency, then the peak position is locked. Because both a rated current and a scanning current are required, the current control part is composed of a constant current source and a micro-current source. The current control part is shown in Figure 8.
Figure 8.
The current control circuits of the VCSEL.
The part of the constant current source is a variant of the Howland current source. It is capable of both sourcing and sinking current proportional to an input voltage. Because positive feedback and negative feedback are introduced at the same time, it can ensure that the current through the load remains unchanged when the load changes [27]. The range of current scanning can be adjusted by adjusting the scanning voltage of the micro-current source or the ratio of the resistance of the emitter of two triodes. Thus, after the output of the constant current source is connected in parallel with the output of the micro-current source, the purpose of scanning near the rated current range is achieved.
To evaluate the accuracy of the constant current source, the current output was first connected in series with a resistance of 1.8 k as the load, then the data were recorded for five minutes (100 records per second) with an eight-and-a-half-bit Keysight 3458A multimeter and compared with the constant current output (about 3 mA) of a Keysight B2902A. The noise power spectrum of the measurement results is shown in Figure 9. The results show that when the constant current source outputs current, the accuracy is 0.72 A (the standard deviation) and the noise is less than 0.2 A/Hz from 0.1 Hz to 20 Hz. The magnitude of the noise is the same as that of the Keysight B2902A, which is 0.5 times better in this test. This corresponds to a frequency fluctuation range of less than 40 MHz for the VCSEL.
Figure 9.
The noise power spectrum of the current source.
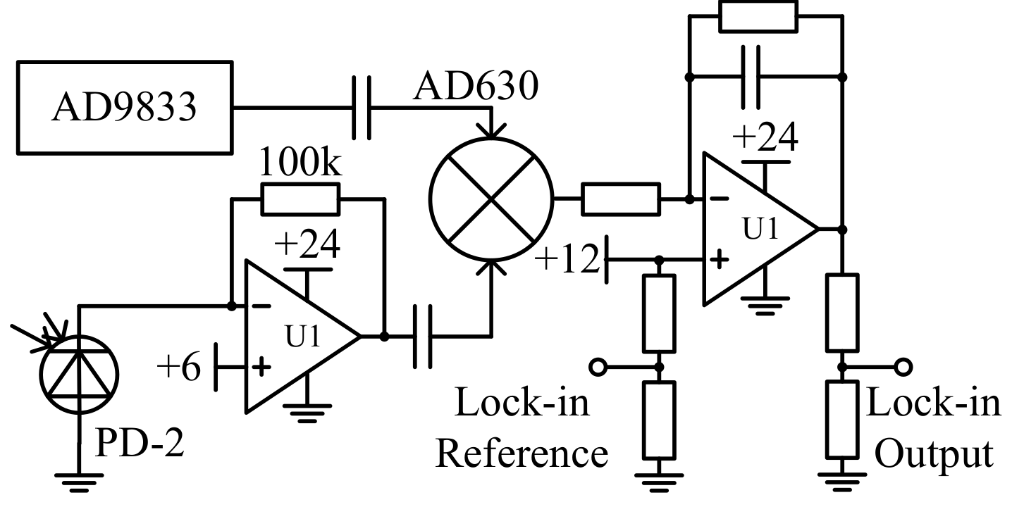
4.3. Circuits of Lock-in Amplifier
To stabilize the frequency of the VCSEL, it is necessary to modulate the current at a low frequency, then detect the error of laser frequency through the output of the lock-in amplifier. The system uses a peak of absorption to stabilize the laser frequency. A modulated current signal with weak amplitude and far lower frequency than the magnetic resonance frequency (<1 App, 1 kHz) is added to the laser current. An AD9833 DDS chip is programmed to generate a 1 kHz sine wave, which is AC coupled to the output of the current source after passing through the resistance attenuation network. In this way, the laser is be modulated. During photoelectric conversion, the conversion from photodiode current to voltage (I-V) is realized on the LT1028chip (low noise amplifier), and then the voltage signal is AC amplified and sent to the AD630 chip (lock-in amplifier), as shown in Figure 10. At the same time, the 1 kHz signal generated by the DDS is connected to the reference input of the AD630 chip.
Figure 10.
The circuits of the lock-in amplifier.
These two signals are represented as Equations (5) and (6), where is the component in the output of the I-V conversion with the same frequency as the reference signal (the noise introduced by the current source, the frequency signal of optical magnetic resonance, and other noise in the optical path are removed) and is the 1 kHz reference signal.
When and are multiplied, the result is , as shown in Equation (7). In the spectrum, the frequency is moved to = 0 and = 2:
Because the frequency of the reference signal is low (1 kHz) and the phase shift in the signal is close to 0, the amplitude of the reference signal is fixed. The DC component of reflects the amplitude of . After passing through the next link of phase-sensitive detection, i.e., a low-pass filter, the AC component is filtered out, leaving only the DC component, which reflects the slope of the absorption peak and is used as the error input of the PID to control the lock-in amplifier’s output to zero.
4.4. Fast Frequency Stabilization Algorithm
The waiting time from startup to the normal operation of the laser-pumped magnetometer mainly depends on the wavelength scanning and locking process of the laser, while the discharge lamp can provide a stable light in a few seconds. Therefore, the time of laser wavelength scanning and locking process should be shortened. A fast laser frequency stabilization algorithm for atomic magnetometers is proposed, which can be roughly divided into the two sub-processes of scanning and locking. The proposed algorithm was tested to ensure that by controlling the process of scanning the temperature and current, the laser wavelength can be correctly set and locked within 30 s after the first start and then locked again within 30 s after the system is reset.
The sampling value with the scanning current is obtained by ADC sampling of the MCU. In analyzing these data, the extreme value point is the position of the absorption peak. Accordingly, the current is set to the value at the absorb peak position. A sliding window judgment method is used. In the process of traversing this group of sampling values, the point i from 0 to array length N is regarded as the center point of the window, and whether i is the extreme point is judged according to the data in the current window . The window width w is set according to the linewidth of the absorption peak, which is approximately equal to the DAC quantization value of the linewidth of the half peak width. By setting the height h of the window to ensure that there is enough difference between the extreme point and the sampling point at the window boundary, the interference of noise in the sampling data can be eliminated and all qualified extreme points can be obtained accurately. The window height h can be set according to the amplitude of the sampling noise, which is roughly several times the quantization value of the noise peak value. The schematic diagram of the extreme point position obtained from the scanning window and the actual process is shown in Figure 11. After judging whether the wavelength is locked to the position where magnetic resonance can occur through the sampling value of the absorption peak, if the position of the absorption peak is within the tolerance value during the three scans it is considered that the required wavelength position has been found. The wavelength scanning process can be completed in about 30 s.
Figure 11.
The schematic diagram of the fast frequency stabilization algorithm (left) and the actual process of frequency stabilization after using the algorithm (right).
4.5. Evaluation of Frequency Fluctuation and Long-Term Frequency Drift
In this section, we evaluate the frequency fluctuation according to the fluctuation amplitude U of the lock-in amplifier output after the scanning process. The method is shown in Figure 12. In the scanning process, the time interval of the zero-crossing position of the lock-in output corresponding to the two absorption peaks (Cs-D1 line: 4→3 and 4→4) is recorded as T, and the time interval of the amplitude U of the lock output fluctuation when passing the target absorption peak (Cs-D1 line: 4→3) is recorded as t. The distance between the two absorption peaks of the Cs atom is a constant of about 1167 MHz. Therefore, the output of the stable lock-in amplifier is sampled for one hour to obtain the fluctuation amplitude U. For Figure 12, U = 2.7 V, t = 0.16 s, and T = 4.38 s. According to Equation (8), the corresponding fluctuation range is 43 MHz.
Figure 12.
Evaluation of the frequency fluctuation according to the fluctuation amplitude of the lock-in amplifier output.
The wavelength was measured at PD1 with the 671B wavelength meter. Because of the limited accuracy of the wavelength meter, it was not used to evaluate the short-term frequency stability; instead, the wavelength was recorded for a long time. We monitored the stable VCSEL wavelength for 24 h and plotted the data, as shown in Figure 13. Compared with the uncontrolled (free drift) VCSEL frequency, this has a better stability effect. During the whole measurement time, the measured data are within the minimum accuracy (0.0008 nm, corresponding to 300 MHz linewidth) of the wavelength meter. It can be inferred that the frequency drift rate is less than 12.5 MHz/hour.
Figure 13.
The monitored wavelength data of the VCSEL for 24 h in stable and free drift mode.
5. Temperature Controller of Atomic Cell
5.1. The Heater Structure and the Heating Scheme
An AC heating scheme was realized after comparing various schemes. A structure that keeps the heating wire away from the atomic cell is proposed to eliminate the interfering magnetic field, as shown in Figure 14. The atomic cell is placed in the groove of a non-magnetic alloy heat-conducting interlayer. The interlayer is placed in an insulation shell made of Teflon. The shell is matched with anti-reflective lenses to keep the vapor cell in a closed space, slow the heat loss, and keep the interior warm. The heat-conducting interlayer increases the distance between the heating wire and the atomic cell while conducting the heat to ensure that there is almost no magnetism at the atomic cell. The remanence decreases with the third power of distance. The symmetrical heating wires counteract the magnetic fields of equal amplitude and opposite directions. As the AC frequency is far from the Larmor frequency, the noise can be filtered out.
Figure 14.
The structure of the atomic cell heater.
The temperature control system is designed as shown in Figure 1 Part C. A DDS chip is used to generate an AC signal with adjustable frequency. The multiplier is used to multiply the AC signal with the DAC output of the MCU to adjust the amplitude of the signal. The signal is amplified by a voltage amplifier and a power amplifier. The temperature measurement is realized by high-precision ADC.
5.2. Evaluation of Temperature Stability
In order to explore the performance of the temperature control system, the following experiments were conducted at 25 °C. The curve is drawn according to the measurement of the thermistor; as shown in Figure 15 (left), the output was stable to within 0.1/°C over 10 min, which can be regarded as the real temperature of the non-magnetic alloy layer. In these experiments, the temperature of the atomic vapor cell is conducted by the non-magnetic alloy interlayer, then the vapor temperature is further evaluated with the output of the photodetector. A commercial laser is used to emit a beam with a constant power and a stable wavelength of 894.6 nm. After attenuation to a certain intensity (60 W), the beam is injected into a Cs atomic cell placed in a magnetic shielding bucket. The photoelectric detector observes the received transmitted light intensity, and the output is detected by a multimeter (RIGOL-DM3058E, 5-1/2 Digits). The laser intensity of the incident atomic vapor cell is now kept constant. Because the atomic density in the vapor cell is proportional to the temperature, as the temperature increases, the atoms absorb more light, and the light intensity received by the photodetector is lower.
Figure 15.
Measurement of the thermistor (left) and the voltage output by the photodetector (right).
Figure 15 (right) shows the following: (1) when the temperature is controlled at 25 °C (t1), the output voltage of photodetector remains stable at about V1 and fluctuates within V1; (2) the heating system starts to work, and the measured temperature of the vapor cell rises to the set value (t2), after which, about 10 minutes, the temperature measurement value of the system output becomes stable and the fluctuation range is less than 0.1 °C; (3) in about 40 min, the output voltage of the photodetector is stable at V2 and fluctuates within V2, and the heat transfer between the non-magnetic alloy and the atomic vapor is almost in equilibrium. The temperature fluctuation range of the vapor t can be evaluated by Equation (9) (see Table 1). The testing results indicate that the fluctuation range of the vapor cell temperature is less than 0.018 °C, 0.015 °C, and 0.006 °C, respectively, at 40 °C, 50 °C, and 60 °C.
Table 1.
Data recorded when evaluating the temperature stability of steam with the output of the photoelectric detector.
6. Test and Evaluation
The integrated portable self-oscillating VCSEL-pumped cesium atomic magnetometer is shown in Figure 16. The optical path is integrated into a cylindrical probe with a diameter of 70 mm and a length of 180 mm. The circuit is integrated into a cylindrical metal barrel with a diameter of 62 mm and a length of 350 mm.
Figure 16.
The integrated portable self-oscillating VCSEL-pumped cesium atomic magnetometer.
We tested the magnetometer at the First-Class Weak Magnetic Metering Station of NDM (Magnetism Testing and Calibration Laboratory Station of Yichang Testing Technique R&D Institute). The report shows that it can work within a magnetic field range from 2 × 10 nT to 10 × 10 nT, as shown in Table 2. The fitting relationship between the standard magnetic field and the instrument indication is = B × 1.0155 − 716.25, as shown in Figure 17. Thus, the results in the measurement range are considered to be linear.
Table 2.
The working range of the magnetometer.
Figure 17.
The fitting relationship between the standard magnetic field and the instrument indication.
The noise power spectrum was tested in the laboratory, as shown in Figure 18 (left). We generated a measured magnetic field using a 3D printed Helmholtz coil at an angle of 45 degrees to the magnetometer probe with the Keysight B2902A as the current source. The output of the magnetometer was acquired with the Keysight 53230A frequency meter. We found that worse results are obtained if a current source with lower accuracy than the Keysight B2902A is used to generate the measured magnetic field in the laboratory. Therefore, it is necessary to evaluate the performance of the magnetometer in an accurate magnetic field [28]. The noise power spectrum was measured at the metering station as well, as shown in Figure 18 (right). The root mean square (rms) noise of the magnetometer is 3 pT/Hz as tested at the metering station.
Figure 18.
The noise power spectrum of the magnetometer as tested in the laboratory (left) and at the metering station (right).
The performance of the VCSEL-pumped magnetometer designed in this work was compared with that of the lamp-pumped CS-3 self-oscillating atomic magnetometer [29]. They have the same operating range, and their sensitivities are in the same order of magnitude (CS-3: 0.6 pT/Hz rms). The design of this work refers to the appearance of CS-3, as they are basically the same in size; however, this design does not require such a large volume, and can be reduced even further. Due to the low power consumption of the VCSEL, the power consumption of the designed magnetometer is only about 9 W, which is less than the 12 W of the CS-3 (24 V 0.5 A at 20 C).
7. Conclusions
A portable self-oscillating VCSEL-pumped Cs atomic magnetometer is designed in this work. Its circuits mainly include the amplification and feedback loop, VCSEL control circuit, and temperature controller of the atomic cell. In this work, the maximum phase shift difference of the circuit within the frequency range of 70 kHz to 350 kHz is not more than 3 degrees, the frequency of VCSEL is stabilized to within 43 MHz, and the temperature of the atomic cell is stabilized to within 0.02 C. The magnetometer can work in the magnetic field range from 2 × 10 nT to 10 × 10 nT, and the noise is 3 pT/Hz rms. This work is an exploratory attempt to integrate a portable self-oscillating VCSEL-pumped Cs atomic magnetometer. The magnetometer designed in this work is suitable for occasions requiring high sensitivity, fast response rate, small volume, and low power consumption at the same time, such as submarine detection at sea and aeromagnetic measurement of unmanned aerial vehicles.
Author Contributions
Conceptualization, G.H., G.L., G.Y. and S.L.; methodology, K.J.; G.H., G.L., G.Y. and S.L.; software, K.J., Z.L., W.T. and H.H.; validation, X.G., J.X., G.Y. and S.L.; formal analysis, X.G. and J.X.; investigation, K.J., Z.L., W.T. and H.H.; resources, K.J., Z.L., W.T. and H.H.; data curation, K.J., W.T. and X.G.; writing—original draft preparation, K.J.; writing—review and editing, K.J. and G.H.; visualization, K.J.; supervision, G.Y. and S.L.; project administration, G.H. and G.L.; funding acquisition, G.H. and G.L. All authors have read and agreed to the published version of the manuscript.
Funding
This research was funded by the National Natural Science Foundation of China under Grant No. 12174139.
Institutional Review Board Statement
Not applicable.
Informed Consent Statement
Not applicable.
Data Availability Statement
The data that support the findings of this study are available from the corresponding author upon reasonable request.
Acknowledgments
We are thankful for the discussion with Tianya Wu.
Conflicts of Interest
The authors declare no conflict of interest.
Abbreviations
The following abbreviations are used in this manuscript:
| ADC | Analog-to-digital converter |
| AGC | Automatic gain control |
| CL | Collimating Lens |
| Cs | Cesium |
| DAC | Digital-to-analog converter |
| DDS | Direct digital frequency synthesis |
| I-V | Current to voltage |
| MCU | Microcontroller unit |
| OPM | Optically pumped atomic magnetometer |
| PBS | Polarizing beam splitter |
| PD | Photodiode |
| PID | Proportion-integral differential |
| RC | Resistance–capacitance |
| Si | Silicon |
| TEC | Thermo-electric cooler |
| THE | Thermistor |
| VCSEL | Vertical-cavity surface-emitting laser |
References
- Wang, W.; Yang, G.; Liang, S.; Xu, Y.; Wang, Y.; Li, S.; Zhao, W. Study on design of low power control system for atom magnetometer. Aerosp. Shanghai 2017, 34, 47–51. [Google Scholar]
- Zhang, R.; Wu, T.; Chen, J.; Peng, X.; Guo, H. Frequency Response and of Optically Pumped Magnetometer with Nonlinear Zeeman Effect. Appl. Sci. 2020, 10, 7031. [Google Scholar] [CrossRef]
- Groeger, S.; Bison, G.; Schenker, J.L.; Wynands, R.; Weis, A. A high-sensitivity laser-pumped Mx magnetometer. At. Phys. 2006, 38, 239–247. [Google Scholar] [CrossRef]
- Pollinger, A.; Lammegger, R.; Magnes, W.; Hagen, C.; Ellmeier, M.; Jernej, I.; Baumjohann, W. Coupled dark state magnetometer for the China Seismo-Electromagnetic Satellite. Meas. Sci. Technol. 2018, 29, 1361–6501. [Google Scholar] [CrossRef]
- Gerginov, V.; da Silva, F.C.; Hati, A.; Nelson, C. An Atomic Sensor for Direct Detection of Weak Microwave Signals. IEEE Trans. Magn. 2019, 67, 3485–3493. [Google Scholar] [CrossRef]
- Maslennikov, Y.V.; Slobodchikov, V.Y.; Krymov, V.A.; Sukhodrovsky, A.D.; Gulyaev, Y.V. Magnetometric systems and precise magnetic measurements for biomedical applications. Bull. Russ. Acad. Sci. Phys. 2020, 84, 1354–1358. [Google Scholar] [CrossRef]
- Taue, S.; Sugihara, Y.; Kobayashi, T.; Ichihara, S.; Ishikawa, K.; Mizutani, N. Development of a Highly Sensitive Optically Pumped Atomic Magnetometer for Biomagnetic Field Measurements: A Phantom Study. IEEE Trans. Magn. 2010, 46, 3635–3638. [Google Scholar] [CrossRef]
- Groeger, S.; Pazgalev, A.S.; Weis, A. Comparison of discharge lamp and laser pumped cesium magnetometers. Appl. Phys. B 2005, 80, 645–654. [Google Scholar] [CrossRef]
- Baranov, A.A.; Ermak, S.V.; Sagitov, E.A.; Smolin, R.V.; Semenov, V.V. Signal correlation in the tandem of a spin oscillator and microwave frequency discriminator with laser-pumped alkali atoms. Tech. Phys. Lett. 2016, 42, 186–190. [Google Scholar] [CrossRef]
- Dong, G.; Deng, J.; Lin, J.; Zhang, S.; Lin, H.; Wang, Y. Recent improvements on the pulsed optically pumped rubidium clock at SIOM. Chin. Opt. Lett. 2017, 15, 040201. [Google Scholar] [CrossRef]
- Lin, H.; Deng, J.; Lin, J.; Zhang, S.; Wang, Y. Frequency stability of a pulsed optically pumped atomic clock with narrow Ramsey linewidth. Appl. Opt. 2018, 57, 3056. [Google Scholar] [CrossRef]
- Tang, J.; Zhai, Y.; Cao, L.; Zhang, Y.; Li, L.; Zhao, B.; Liu, G. High-sensitivity operation of a single-beam atomic magnetometer for three-axis magnetic field measurement. Opt. Express 2021, 29, 15641. [Google Scholar] [CrossRef]
- Yan, Y.; Liu, G.; Lin, H.; Yin, K.; Wang, K.; Lu, J. VCSEL frequency stabilization for optically pumped magnetometer. Chin. Opt. Lett. 2021, 19, 121407. [Google Scholar] [CrossRef]
- Jin, J.; Guo, S.G. External-cavity diode laser at 1.5 mm with saturated absorption frequency stabilization. Laser Optoelectron. Prog. 2000, 37, 13–18. [Google Scholar]
- Fu, Y.; Fan, W.; Ruan, J.; Liu, Y.; Lu, Z.; Quan, W. Effects of Probe Laser Intensity on Co-Magnetometer Operated in Spin-Exchange Relaxation-Free Regime. IEEE Trans. Instrum. Meas. 2022, 71, 1–7. [Google Scholar] [CrossRef]
- Jia, Y.; Liu, Z.; Chai, Z.; Liang, X.; Wu, W. The Optimization and Stabilization of Pump Light Frequency in the Minimized Atomic Magnetometer. IEEE Trans. Instrum. Meas. 2021, 70, 1–9. [Google Scholar] [CrossRef]
- Tengfei, M.; Yuelong, W.; Zhonghua, J. Frequency stabilized diode laser based on cesium molecular saturated absorption spectroscopy. Chin. J. Lasers 2010, 37, 1182–1185. [Google Scholar] [CrossRef]
- Zhou, Y.; Zeng, L.; Xu, Z.; Li, L.; Qiu, X.; Xu, X. Measurement of the number density of alkali atoms in gyroscope cells. Navig. Position. Timing 2020, 7, 145–150. [Google Scholar]
- Long, C.; Dong, H.B.; Tan, C. Constant temperature control system on inhalation chamber of self-oscillation optically pumped cesium magnetometer. Instrum. Tech. Sens. 2012, 7, 29–34. [Google Scholar]
- Johnson, C.; Schwindt, P.D.; Weisend, M. Magnetoencephalography with a two-color pump-probe, fiber-coupled atomic magnetometer. Appl. Phys. Lett. 2010, 97, 243703. [Google Scholar] [CrossRef]
- Shah, V.; Romalis, M.V. Spin-exchange relaxation-free magnetometry using elliptically polarized light. Phys. Rev. A 2009, 80, 013416. [Google Scholar] [CrossRef]
- Kornack, T.W. A Test of CPT and Lorentz Symmetry Using a K-3He Co-Magnetometer. Ph.D. Thesis, Princeton University, Princeton, NJ, USA, 2005. [Google Scholar]
- IJsselsteijn, R.; Kielpinski, M.; Woetzel, S.; Scholtes, T.; Kessler, E.; Stolz, R.; Meyer, H.G. A full optically operated magnetometer array: An experimental study. Rev. Sci. Instrum. 2012, 83, 113106. [Google Scholar] [CrossRef] [PubMed]
- Wang, H.; Wu, T.; Wang, H.; Liu, Y.; Mao, X.; Peng, X.; Guo, H. All-optical self-oscillating 4 He atomic mangnetometer with optical phase shift. Opt. Express 2020, 28, 15081–15089. [Google Scholar] [CrossRef] [PubMed]
- Hao, S.; Jie, M.; Xiao-feng, L.; Jie, L.; Shou-gang, Z. Compact Frequency Stabilized Laser for Optically Pumped Cs Beam Clocks. Acta Photonica Sin. 2018, 47, 414002. [Google Scholar]
- Zhang, W.; Li, Z.; Guo, P.; Zhao, J. Design of Precise Temperature Control System for Saturated Absorption Frequency Stabilization of DFB Laser. Semicond. Optoelectron. 2020, 41, 560. [Google Scholar]
- Chen, L.; Huang, G.; Yang, G. Design of high stability constant current source circuit design for laser atomic magnetometer. Laser Infrared 2019, 49, 1007–1013. [Google Scholar]
- Shen, L.; Zhang, R.; Wu, T.; Peng, X.; Yu, S.; Chen, J.; Guo, H. Suppression of current source noise with an atomic magnetometer. Rev. Sci. Instrum. 2020, 91, 084701. [Google Scholar] [CrossRef]
- CS-3 High Sensitivity Cs Magnetometer Sensor. Available online: https://scintrexltd.com/product/cs-3-high-resolution-cesium-magnetometer-copy/ (accessed on 6 November 2022).
Publisher’s Note: MDPI stays neutral with regard to jurisdictional claims in published maps and institutional affiliations. |
© 2022 by the authors. Licensee MDPI, Basel, Switzerland. This article is an open access article distributed under the terms and conditions of the Creative Commons Attribution (CC BY) license (https://creativecommons.org/licenses/by/4.0/).

















