Fault-Tolerant Control Strategy for Phase Loss of the Flywheel Energy Storage Motor
Abstract
:1. Introduction
2. Flywheel Energy Storage Motor Phase-Loss Model
3. Fault-Tolerant Control Strategy for the Flywheel Energy Storage Motors
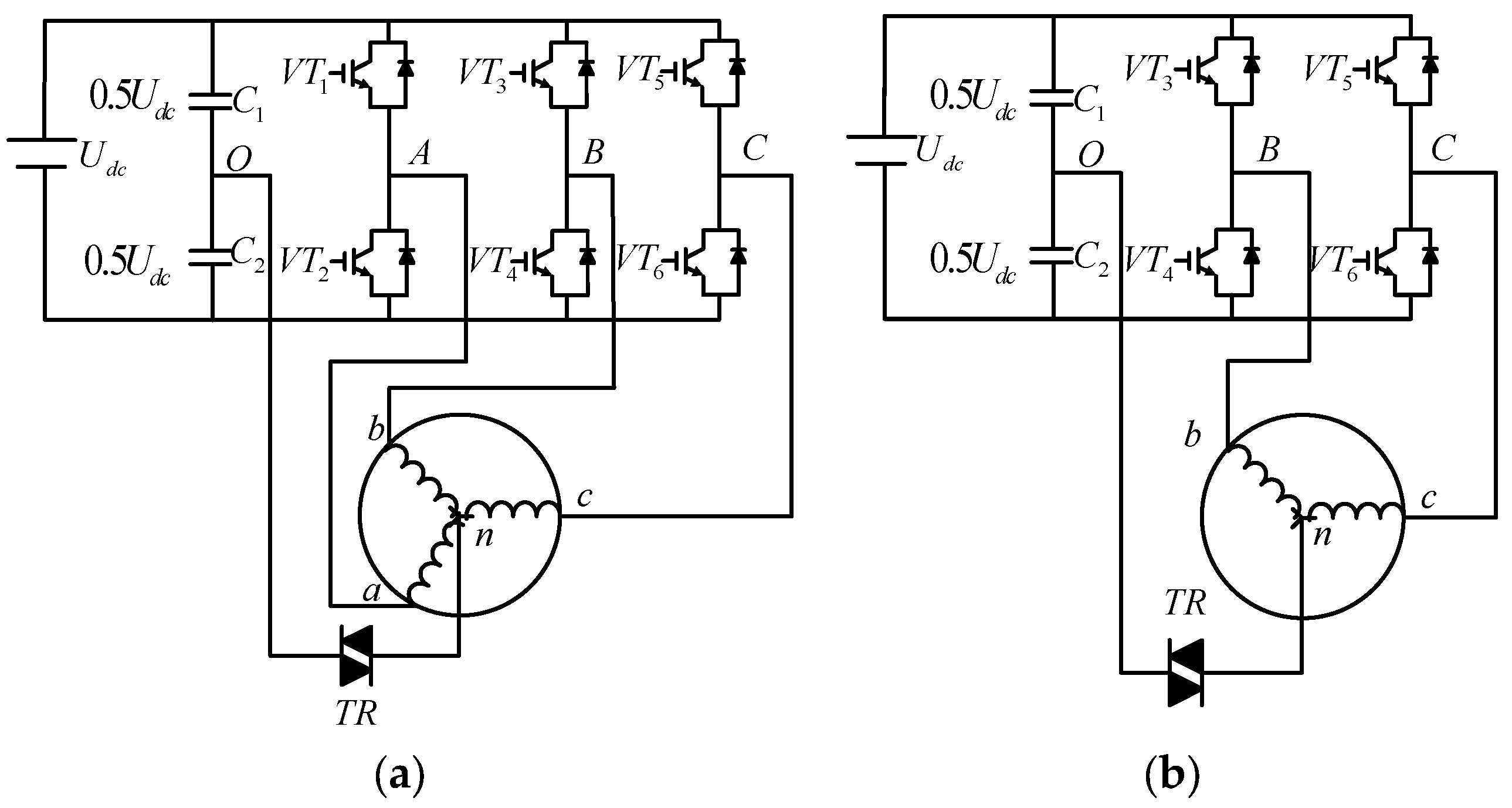
3.1. Fault-Tolerant Control Solutions
3.2. 3D-SVPWM Pulse Width Modulation Method
- Sector Judgment:
- Duty cycle conversion to action time:
- PWM control signal module generates switching tube on/off commands.
4. Simulation Analysis
4.1. Simulation Diagram of Three-Phase Current
4.2. Simulation Diagram of dq0 Current
4.3. Electromagnetic Torque Simulation Diagram
4.4. Motor Speed Simulation Diagram
4.5. Load Torque Sudden Increase Experiment
5. Conclusions and Future Work
Author Contributions
Funding
Data Availability Statement
Conflicts of Interest
Nomenclature
| NEC | National energy administration |
| FESS | Flywheel energy storage system |
| PMSM | Permanent-magnet synchronous motor |
| IM | Induction motor |
| VRM | Variable reluctant motor |
| SRM | Switched reluctance motor |
| SVPWM | Space vector pulse width modulation |
| 3D-SVPWM | Three-dimensional space vector pulse width modulation |
| MPC | Model predictive control |
| Rotational inertia and mechanical angular speed of FESS | |
| Maximum and minimum speeds of FESS | |
| d-axis inductance, q-axis inductance, 0-axis inductance, stator resistance, permanent-magnet flux linkage and pole pairs of PMSMs | |
| Current amplitude in each phase of PMSM | |
| Phase voltages of PMSM | |
| Phase currents of PMSM | |
| Counter-electromotive force of PMSM | |
| Phase self-inductance and mutual inductance | |
| d-axis voltage, q-axis voltage and 0-axis voltage of PMSM | |
| d-axis current, q-axis current and 0-axis current of PMSM | |
| Counter-electromotive force in the dq0 coordinate system of PMSM | |
| α-axis current and β-axis current of PMSM | |
| Neutral point current of PMSM | |
| Electromagnetic torque and electrical rotor position of PMSM | |
| Reference voltage vector of 3D-SVPWM | |
| Projected values of the reference voltage on each axis in the ABC coordinate system (X = A, B, C) of 3D-SVPWM | |
| Projected values of the switching voltage vector in the ABC coordinate system (x = 1, 2, 3) of 3D-SVPWM | |
| Duty cycle of 3D-SVPWM | |
| Conduction time of 3D-SVPWM | |
| Sampling period |
References
- Jing, L.; Xue, X.; Guo, X. Research Review of Flywheel Energy Storage Technology. IOP Conf. Ser. Earth Environ. Sci. 2020, 558, 052034. [Google Scholar] [CrossRef]
- Dai, X.; Wei, K.; Zhang, X.; Jiang, X.; Zhang, K. A review on flywheel energy storage technology in fifty years. Energy Storage Sci. Technol. 2018, 7, 765–782. [Google Scholar]
- Olabi, A.G.; Wilberforce, T.; Abdelkareem, M.A.; Ramadan, M. Critical Review of Flywheel Energy Storage System. Energies 2021, 14, 2159. [Google Scholar] [CrossRef]
- Li, X.; Palazzolo, A.J.J.o.E.S. A review of flywheel energy storage systems: State of the art and opportunities. J. Energy Storage 2022, 46, 103576. [Google Scholar] [CrossRef]
- Pullen, K.R. The Status and Future of Flywheel Energy Storage. Joule 2019, 3, 1394–1399. [Google Scholar] [CrossRef]
- Liu, S.; Jiang, J. Technical Evolution of Advanced Flywheel Energy Storage System. In Proceedings of the 38th Chinese Control Conference (CCC), Guangzhou, China, 27–30 July 2019; pp. 6588–6593. [Google Scholar]
- Jiang, X.; Wu, D.; Li, L.; Li, Y. Analysis of Highly Reliable Electric Drive System Based on Dual-Winding Fault-Tolerant Permanent Magnet Motor. In Proceedings of the IEEE International Magnetic Conference (INTERMAG), Electr Network, Lyon, France, 26–30 April 2021. [Google Scholar] [CrossRef]
- Zhou, X.; Sun, J.; Li, H.; Song, X. High Performance Three-Phase PMSM Open-Phase Fault-Tolerant Method Based on Reference Frame Transformation. IEEE Trans. Ind. Electron. 2019, 66, 7571–7580. [Google Scholar] [CrossRef]
- Zhou, X.; Li, S.; Lu, M.; Zeng, F.; Zhu, M.; Yu, Y. New Fault Tolerance Method for Open-Phase PMSM. IEEE Access 2019, 7, 146416–146427. [Google Scholar] [CrossRef]
- Zhou, X.; Sun, J.; Li, H.; Lu, M.; Zeng, F. PMSM Open-Phase Fault-Tolerant Control Strategy Based on Four-Leg Inverter. IEEE Trans. Power Electron. 2020, 35, 2799–2808. [Google Scholar] [CrossRef]
- Meinguet, F.; Kestelyn, X.; Semail, E.; Gyselinck, J. Fault Detection, Isolation and Control Reconfiguration of Three-Phase PMSM Drives. In Proceedings of the 20th IEEE International Symposium on Industrial Electronics (ISIE), Gdansk, Poland, 27–30 June 2011. [Google Scholar]
- Meng, Y.; Zhou, X.; Li, H.; Cui, Y. Fault Tolerant Strategy of Four-Leg for Permanent Magnet Synchronous Motor in Case of Open Circuit Fault. Trans. China Electrotech. Soc. 2019, 34, 3158–3166. [Google Scholar]
- Gu, M.; Wan, H.; Huang, Z.; Gin, F. Research on Fault-tolerant Predictive Control Based on Three-phase Four-switch in Motor. In Proceedings of the 2021 China Automation Congress (CAC), Beijing, China, 22–24 October 2021; pp. 7332–7337. [Google Scholar]
- Li, Y.; Zhao, J.; Chen, Z.; Liu, X.; Chen, H. Fault tolerant control of dual-rotor PMSM under open-circuit fault conditions. In Proceedings of the 17th IEEE International Conference on Electrical Machines and Systems (ICEMS), Hangzhou, China, 22–25 October 2014; pp. 1227–1232. [Google Scholar]
- Fang, W.; Wang, Z.; Wang, D.; Li, R.; Li, M. A Strategy of Suppressing Torque Ripple in PMSM Drive System with Open-Phase Fault. In Proceedings of the 39th Chinese Control Conference (CCC), Shenyang, China, 27–29 July 2020; pp. 2573–2580. [Google Scholar]
- Wang, W.; Zhang, J.; Cheng, M. Common Model Predictive Control for Permanent-Magnet Synchronous Machine Drives Considering Single-Phase Open-Circuit Fault. IEEE Trans. Power Electron. 2017, 32, 5862–5872. [Google Scholar] [CrossRef]
- Li, G.; Zhao, Y.; Li, B. Open-Circuit Fault-Tolerant Control of Five-Phase Permanent-Magnet Synchronous Motor using Control Variable Method. In Proceedings of the International Conference on Electrical Machines (ICEM), Electr Network, Gothenburg, Sweden, 23–26 August 2020; pp. 2132–2138. [Google Scholar]
- Hu, W.; Ruan, C.H.; Nian, H.; Sun, D. A Unified Modulation Strategy Based on Current Prediction Control for Open-Winding PMSM with Four Bridge Arms. In Proceedings of the 34th Annual IEEE Applied Power Electronics Conference and Exposition (APEC), Anaheim, CA, USA, 17–21 March 2019; pp. 1865–1870. [Google Scholar]
- Li, G.; Teng, Q.; Gao, F.; Zhang, Y.; Wang, C. Model Predictive Torque Control of Fault-tolerant Three-phase Four-switch Inverter Permanent Magnet Synchronous Motor. Inf. Control 2015, 44, 697–702. [Google Scholar]
- Dong, Y.; Zhang, H.; Jing, K.; Zhang, X. PMSM Torque Ripple Optimized New SVPWM Strategy for Three-phase Four-switch Inverter. Power Electron. 2020, 54, 87–91,109. [Google Scholar]
- Li, X.; Deng, Z.; Chen, Z.; Fei, Q. Analysis and Simplification of Three-Dimensional Space Vector PWM for Three-Phase Four-Leg Inverters. IEEE Trans. Ind. Electron. 2011, 58, 450–464. [Google Scholar] [CrossRef]
- Awad, F.H.; Mansour, A.A.; Marei, M.I.; El-Sattar, A.A. Simplified methods of the 3D-SVPWM for four-wire three-leg inverter. J. Power Electron. 2020, 20, 1405–1419. [Google Scholar] [CrossRef]
- Jang-Hwan, K.; Sul, S.-K. A carrier-based PWM method for three-phase four-leg voltage source converters. IEEE Trans. Power Electron. 2004, 19, 66–75. [Google Scholar] [CrossRef]
- Xu, Y.; Sun, Y.; Hou, Y. Multi-step model predictive current control of permanent-magnet synchronous motor. J. Power Electron. 2020, 20, 176–187. [Google Scholar] [CrossRef]
- Ren, S.; Xiao, Z.; Hu, B. 3D-SVPWM Modulation Strategy for Four-leg Three-level Inverter. Proc. CSU-EPSA 2019, 31, 125–132. [Google Scholar]
- Tang, H.; Li, W.; Li, J.; Gao, H.; Wu, Z.; Shen, X. Calculation and Analysis of the Electromagnetic Field and Temperature Field of the PMSM Based on Fault-Tolerant Control of Four-Leg Inverters. IEEE Trans. Energy Convers. 2020, 35, 2141–2151. [Google Scholar] [CrossRef]
- Zhang, X.; Zhang, W. Model Predictive Full-Torque Control for the Open-Winding PMSM System Driven by Dual Inverter with a Common DC Bus. IEEE J. Emerg. Sel. Top. Power Electron. 2021, 9, 1541–1554. [Google Scholar] [CrossRef]
















| Parameters | Value |
|---|---|
| () | 2.07 |
| (mH) | 8.3 |
| (mH) | 8.3 |
| (mH) | 2.3 |
| 4 | |
| (Wb) | 0.108 |
Disclaimer/Publisher’s Note: The statements, opinions and data contained in all publications are solely those of the individual author(s) and contributor(s) and not of MDPI and/or the editor(s). MDPI and/or the editor(s) disclaim responsibility for any injury to people or property resulting from any ideas, methods, instructions or products referred to in the content. |
© 2023 by the authors. Licensee MDPI, Basel, Switzerland. This article is an open access article distributed under the terms and conditions of the Creative Commons Attribution (CC BY) license (https://creativecommons.org/licenses/by/4.0/).
Share and Cite
Zheng, X.; Wu, Z.; Jia, Y.; Zhang, J.; Yang, P.; Zhang, Z. Fault-Tolerant Control Strategy for Phase Loss of the Flywheel Energy Storage Motor. Electronics 2023, 12, 3076. https://doi.org/10.3390/electronics12143076
Zheng X, Wu Z, Jia Y, Zhang J, Yang P, Zhang Z. Fault-Tolerant Control Strategy for Phase Loss of the Flywheel Energy Storage Motor. Electronics. 2023; 12(14):3076. https://doi.org/10.3390/electronics12143076
Chicago/Turabian StyleZheng, Xuechen, Zhenkui Wu, Yu Jia, Jihong Zhang, Peihong Yang, and Zilei Zhang. 2023. "Fault-Tolerant Control Strategy for Phase Loss of the Flywheel Energy Storage Motor" Electronics 12, no. 14: 3076. https://doi.org/10.3390/electronics12143076
APA StyleZheng, X., Wu, Z., Jia, Y., Zhang, J., Yang, P., & Zhang, Z. (2023). Fault-Tolerant Control Strategy for Phase Loss of the Flywheel Energy Storage Motor. Electronics, 12(14), 3076. https://doi.org/10.3390/electronics12143076

