Abstract
The ongoing energy transition has changed the architecture of electricity networks in ways that conventional power transformers are not able to cope with the new required functionalities. For this purpose, the solid state transformer (SST), which comprises state of the art power electronics with galvanic isolation to interconnect two separate alternating current (AC) or direct current (DC) power grids, is considered to be the dominant solution. The purpose of this paper is to provide a practical, application-oriented review of the SST. In this context, the main functionalities and possible applications of the SST are presented, including smart grids (SGs), data centres, railways, offshore wind farms, etc. Furthermore, the main developed SST prototypes are analysed with special focus on the related projects, demonstrators, stakeholders and rated values, e.g., voltage, switching frequency and power. The analysis is concluded with the future trends and challenges regarding the wider implementation of SST technology in the electrical grid.
1. Introduction
Nowadays, the electric power grid is at a crossroads for the incoming architecture deployment that will be defined in the next few decades. This reconfiguration aims to cope with the planned scenarios regarding the electrification of services such as transport and the increment of renewable energy sources (RES) share. For instance, the European Union has promoted new directives with the goal to increase the installation of distributed energy resources (DERs), as well as to raise their share in the mix of the energy system [1,2]. The SG paradigm, enabling a more flexible and controllable distribution network, is the only way to deal with these new requirements for the electrical grid.
In the near future, the electric power grid will have to handle the interconnection of multiple new sources of generation and consumption, most of them in DC, such as photovoltaic (PV) systems, wind turbines of variable speed control, electric vehicles (EVs), energy storage systems (ESS), or new electric loads associated with domestic or industrial applications [3,4]. Thus, the introduction of hybrid AC/DC grids in power distribution networks seems to be part of the future SG implementation. DC grids have associated several benefits [5]:
- More controllable voltage.
- Direct connections among DC/DC converters, obtaining a more efficient and simpler network.
- Increasing the power carrying capacity to admit more DERs, EVs, etc.
- Longer supply connections without power quality issues.
- Improving the system efficiency.
- Enhancing the network resilience and its problem management.
- Achieving the implementation of more friendly solutions and the use of more sustainable resources in production and operation.
- DC grids can be more economical than AC grids in certain applications.
Currently, DC grids are working in high voltage DC connections, DC networks to public transport, shipping, aviation, data centres and so on [6,7]. Further, new technologies such as power semiconductors based on wide band-gap (WBG) materials, the irruption of DC breakers and new systems based on wide monitoring protection and control are enabling the appearance of more DC and hybrid AC/DC power grids. Among them, SSTs are power electronics devices that can interconnect separate electrical grids with different ranges of voltage or frequency providing galvanic isolation between them, thanks to a medium frequency power electronics stage. Hence, they can act as a perfect interface between DC and AC networks, being a key enabler to the introduction of DC and hybrid DC/AC grids. The basic concept of a SST is presented in Figure 1.
Figure 1.
Basic concept of the SST.
One of the key concept in SST technology is the medium frequency transformer (MFT). The weight and volume of any transformer depends on its rated frequency. SSTs convert the input and output voltages in medium frequency waveforms by means of different power electronics stages. Hence, the transformer employed to provide galvanic isolation can be more compact and lighter. The converters also allow the voltages at both sides of the MFT to be adjusted, so that the operating point can be controlled. Finally, another common characteristic of a SST is the connection to medium voltage (MV) levels, in contrast to other power electronics that only handle low voltage (LV) levels [8]. Figure 2 shows how, depending on the topology, different electrical networks can be interconnected via a MFT.
Figure 2.
Working principle of SST. Different configurations can be obtained depending on the employed power electronics stages.
Many SST topologies have been proposed since it was first patented in 1970. Nevertheless, all these topologies can be grouped into five main categories, derived as combinations of the aforementioned commom concepts [8]:
- Matrix type.
- Isolated back end.
- Isolated front end.
- Isolated modular multilevel converter.
- Single-cell approach.
However, most of the proposed technical solutions and devices remain in a test stage within controlled environments. Hence, some actions are needed in order to state if those solutions can be implemented on a great scale [5,9], especially through pilot demonstrators and innovation projects.
This paper aims to provide a critical review of the current state of the art of SSTs with a special focus on real demonstrators where their application as enablers of the new SG paradigm can be tested. Firstly, SST capabilities are presented in Section 2 and, considering those features, their potential applications are analysed in Section 3. Then, a review of the main identified developments and prototypes are included in Section 4. Consequently, a discussion made on their analysis is presented in Section 5. Finally, the future trends and challenges of the technology and its application to hybrid grids and SGs are presented in Section 6 and some conclusions summarize the review findings in Section 7.
2. Functionalities
SSTs are extremely flexible devices. They allow a wide range of functionalities that could be used for improving the power quality of the grid and provide new services with respect to classic power transformers [10,11]. Some of the more useful SST capabilities are described in the following subsections.
2.1. Waveform Regeneration
SSTs have an independent full-controlled power converter in each side of the device. Therefore, only the energy is transmitted from the input to the output of the device. As a result, possible deviations and disturbances in the waveform on one side are not replicated or transmitted into the other side.
Consequently, imperfections in one side could be removed in the other side, producing the desired output signal. This is shown in Figure 3, where the signal could be restored in either direction [12].
Figure 3.
Waveform regeneration feature by a SST device. (a) Harmonics can be transmitted from one side to the other in a classic power transformer. (b) In SST devices, the signal is built up synthetically at both sides and zero harmonics are replicated from the input to the output.
2.2. Smooth Voltage and Frequency Regulation
As described previously, SSTs have an independent full control over the output in each side. This autonomy only requires an energy balance between the primary and the secondary side, because SSTs cannot store energy (except for the limited energy associated with their internal capacitors). Consequently, as long as the energy balance is respected, voltage and frequency excursions in one side could be removed in the other side, producing an output signal at their rated values [13]. This is shown in Figure 4, where the voltage and frequency magnitudes are corrected in the output of the system.
Figure 4.
Voltage and frequency regulation feature by a SST device. (a) A classic power transformer has the same voltage and frequency deviations in both sides. (b) A SST is able to smoothly regulate the output in terms of voltage and frequency magnitudes.
2.3. Reactive Power Injection
In SST systems the active power reference is controllable but must be the same for both terminals, in order to keep the energy balance of the whole system. However, SSTs, having a full controlled converter at each side, allow an independent control over the reactive power reference for each winding with any restrictions [14]. Hence, the primary and the secondary side could work in different points of the four-quadrant capability curve (see Figure 5) regarding the reactive power reference, only observing the constraints of the active power flow.
Figure 5.
Reactive power injection feature of a SST device. Reactive power can be fixed independently at each side with a four-quadrant capability curve.
2.4. Power Flow Control
As with most full-converter power electronics devices, SSTs are able to work as a voltage or a current source. In addition, SSTs are capable of performing a control over the grid power flow, which depends upon its mode of operation [15].
On the one hand, when SSTs work as current source, they cannot control directly the voltage and frequency outputs of the converter. Nevertheless, they have a complete control over the active power transmission from the primary to the secondary side, and the reactive power injection could be selected freely.
On the other hand, SSTs working as a voltage source are not able to control directly the active and reactive power transmission. However, they have a complete control over the voltage and frequency established at the secondary side, allowing a smooth regulation of these parameters. An indirect power control is also possible by means of regulating at a convenient voltage and frequency.
2.5. Black-Start and Protection Features
SSTs are fully controllable devices with an actuation time in the order of microseconds. Therefore, several timing and instantaneous thresholds can be programmed according to the use-case requirements. In addition, the disconnection can be performed instantaneously or progressively, thanks to the controllability performance of the device [16]. These features allow SSTs to act as protection devices, isolating a section of the electrical grid via their disconnection.
In the same way, after the clearance of faulty conditions or after a blackout of the primary side, the reconnection of the secondary side can follow a desired ramp, in order to avoid undesirable load peaks that could lead to a new fall of the system [17]. Figure 6 shows this feature, considering the ramps obtained by the SST acting either as a protection or in a power restoration.
Figure 6.
Protection and black-start SST features. SSTs can be disconnected instantaneously if a programmed threshold is fired; whenever the power grid comes back again, the re-starting process can be performed in a progressive and controlled way.
3. Applications
The aforementioned capabilities allow using SSTs in different fields beyond the power grid. This fact helps to find out synergies and to increase the attractiveness of the technology to be used in an industrial way. In the following, the most interesting applications are described briefly, highlighting their potential benefits and advantages.
3.1. Railways
The origins of SST technology are related to traction applications because the lighter and the smaller the on-board power transformers are, the more competitive they become. The power transformer volume is inversely proportional to the waveform frequency. In order to reduce both of them, a SST was proposed in 1968 by General Electric [18] for traction applications. The objective was to substitute the 16.66 Hz or 50 Hz power transformer in the locomotive motor for a SST, which comprised two stages of power converters and an intermediate medium frequency transformer.
In addition, the volume constraints in traction applications lead to low frequency transformers (LFTs) with a limited rated power and significantly poor efficiency. Thus, the SST alternative is a great choice not only to reduce volume and weight but also to improve the overall efficiency and enable engines with higher rated power [19].
Railway applications were developed during the 19th century and had a golden age in the beginning of the 20th century. However, they suffered a decline period in the middle of the 20th century due to the rise of road transport. Nevertheless, thanks to the electrification and improvement of the railway network, as well as the increase in fuel prices, the railway transport sector has recovered its importance in recent decades [20]. In fact, the trend of the railway sector is to increase its capacity, improve its consumption, reduce its environmental impact and limit its investment and operational costs while preserving safety and quality services. Thus, commercial SSTs for traction applications have appeared in the last decade [21] and a great penetration in this sector is expected in the next few years.
3.2. Data Centres
A forthcoming and very interesting application is the new hyper data centres, that are arising world-wide. These centres are a key part to satisfy the communication needs of the internet and require a high consumption of electric power. It is expected that their importance grows in the next few years with an exponential increment in the number of transactions, concentrating up to 90% of web traffic worldwide [22,23].
The new requirements of hyper-centres (high process capacity, reliability and traffic volume capability) lead to high consumption loads connected directly to the distribution grid. This fact together with other specifications such as modularity, efficiency and high voltage conversion ratio makes SSTs an alternative to classical approaches.
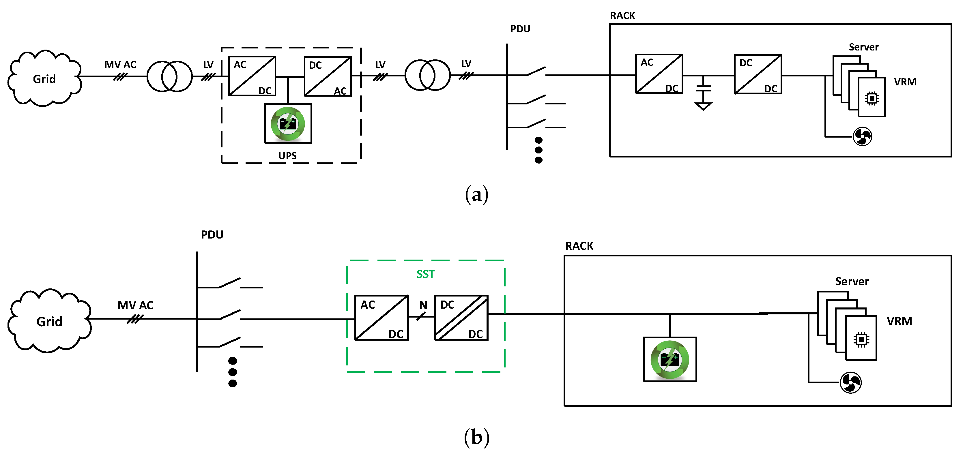
Figure 7 shows a comparison between a classical approach and an alternative considering the SST technology for a power supply to hyper data centres. The introduction of a SST allows the number of power electronics stages to be reduced, and removes the necessity of low frequency transformers in the MV connection and in further stages. Additionally, battery systems could be adapted more easily to be scalable and they could be integrated with the rest of the system, helping in the scalability of the design.
Figure 7.
(a) Classical approach for a power source supplying a rack in a data centre. Black dots indicate multiple racks connected in parallel. (b) The alternative SST configuration.
3.3. Smart Grids
Recently, the use of SST in SGs has attracted more attention than ever before.
The urbanization phenomenon brings the creation of “megacities” and the electrification of energy production and usage. Under this scenario, the DER’s role to satisfy demand is critical, the development of hybrid grids and the implementation of SGs in the current power system gaining great importance. Considering this new paradigm, the SST could be a key actor as a system controller [24,25,26].
Nowadays, SGs join a high number of devices with many functionalities. This fact represents a great opportunity to develop new services and improve the quality and efficiency of the power system. However, these devices have to be accompanied by tools like power flow control, grid regulation schemes, etc. In the next few years, new solutions must be developed to provide these tools and, among them, SST represents an attractive choice for some of the required functionalities.
SST application is considered under two main scenarios: a standard microgrid and a hybrid one. Figure 8 shows how its implementation could be performed within the whole SG system.
Figure 8.
A SST controlling the point of common coupling in a typical microgrid system. This device adds intelligence to the MV/LV substation and provides new services and tools. (a) A SST supplying a single LV AC grid. (b) A SST supplying a hybrid AC/DC configuration.
3.4. Offshore Wind Farms
SSTs are also very useful for utility-scale renewable power plants; their usage is expected in the next few years.
With regard to offshore wind farms, the trend towards higher rated power wind turbines and power plants [27] leads to a significant increment in installation and maintenance costs. Meanwhile, thanks to the usage of SST systems, MV or HV DC buses could interconnect the wind turbines, reducing power transmission losses and installation costs (because offshore power substations could be removed). Figure 9 shows a possible arrangement of such application [28,29,30,31].
Figure 9.
(a) Classical approach for power delivery at utility-scale offshore wind farms. Black dots indicate multiple wind turbines connected in parallel. (b) The alternative SST configuration.
3.5. Utility-Scale PV Plants
Solar energy is going to have an exponential growth in the next few decades, rapidly raising the installed PV capacity. Furthermore, the implementation of larger solar power plants is expected [32,33].
SST systems allow the PV power plants to reduce the number of steps, raising the voltage level at the output of the PV arrays. Therefore, MV or HV DC buses can be used to deliver the power to the electrical substation, reducing installation costs and power losses. Figure 10 shows two possible configurations that can be used in future utility-scale solar power plants, in which the output of PV arrays is directly connected to AC or DC MV buses [34,35].
Figure 10.
(a) Classical approach for power delivery at utility-scale solar PV plant. Black dots indicate multiple solar arrays connected in parallel. (b) Two SST configuration alternatives.
3.6. EV Charging Solutions
Regarding the mobility sector, SST applications also have great potential. As previously described, SSTs are very useful for on-board applications. Nevertheless, they are an interesting option for EV charging stations too.
Nowadays, EV charging docks trend towards higher rated power to reduce the charging time. At the same time, car parks should integrate a high number of charging outlets in parallel [36,37]. Consequently, a direct connection between these facilities and the MV grid is a future solution to reduce power losses in an energy-intensive environment. In this sense, SSTs are a competitive solution to connect a high number of charging docks through a common DC bus [38]. Figure 11 shows the proposed configuration using a SST.
Figure 11.
(a) Typical scheme of a multiport EV ultra-fast charger. (b) The alternative SST configuration. Black dots indicate multiple EV chargers connected in parallel.
Furthermore, new EV charging stations should provide extra services desired in SG applications, where the variability of RES and DERs takes a relevant role. Vehicle-to-grid charging stations can offer additional ancillary services to the grid, such as demand management, phase balancing, reactive power compensation, and voltage and frequency control [39,40]. As stated in Section 2, SSTs have features to support and implement the expected ancillary services. Moreover, the solution shown in Figure 11 facilitates the V2G charger aggregation, providing more flexibility to the electrical grid and helping to manage the new SG paradigm.
3.7. Maritime and Aerospace Sectors
Continuing with mobility applications, SST technology has a long way to go in other sectors such as electric or hybrid planes and ships. SSTs seem to be the best solution for onboard applications due to the volume and weight constraints (see right side of Figure 12). Hence, SST technology is undergoing an easy adoption for these applications with respect to others analysed previously [41,42].
Figure 12.
(a) Maritime and aerospace high voltage electric chargers based on SST technology. (b) SST example acting as onboard system for maritime or aerospace applications.
SST not only seems a good solution for onboard application but also for maritime and aerospace charging docks. These types of applications are energy-intensive, requiring high power flows. Thus, a charging station outlet directly connected to MV seems the best alternative from the distribution power grid point of view. SST systems are enabling tools to build up this kind of charging docks. This proposal can be observed in the left side of Figure 12.
3.8. Energy Storage Systems
Utility-scale ESS are also going to be increasingly present in the electrical grid in the next few years. SST systems could provide important advantages to utility-scale ESS in comparison with other approaches [43,44,45].
Nowadays, the commercial alternative for these systems is the so-called containerized solution (see top of Figure 13). However, the use of a SST directly connected to the point of common coupling can remove a high number of power transformers, achieving a more compact facility with lower power losses (see bottom of Figure 13).
Figure 13.
(a) Classical approach for utility-scale ESS. Black dots indicate multiple batteries connected in parallel. (b) The alternative SST configuration.
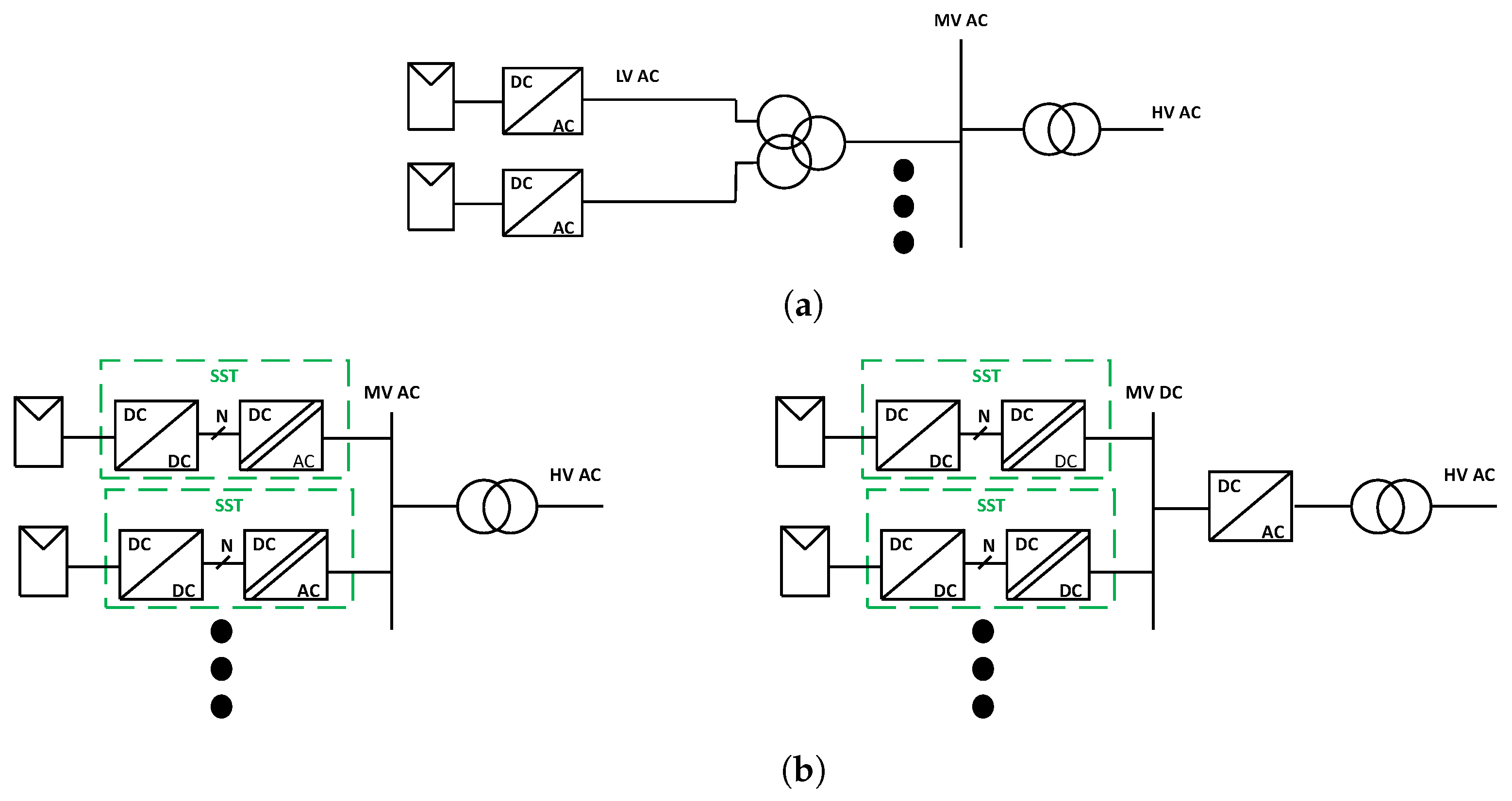
3.9. Flexible AC Transmission System (FACTS)
Finally, SSTs could be useful acting as a FACTS. These systems have been used during the last three decades to control power transmission lines. The continuous development of power electronics leads to more inexpensive and compact devices. Furthermore, the ever-increasing deployment of DER and RES also requires this kind of solution to the power distribution network. Therefore, an increasing usage of FACTS is expected in the forthcoming years.
There are three main FACTS configurations, depending on its connection with the power line [46]:
- Shunt compensation: the FACTS device can either inject into or absorb from the power line reactive power, thus regulating the grid voltage.
- Series compensation: this configuration allows the power line impedance to be modified. Therefore, it is possible to control the power flow.
- Shunt-series compensation: the so-called unified power flow controller (UPFC) has both a series and a parallel transformer, connecting the FACTS to the power line at two different points. This configuration converts UPFC into a series voltage source within the line, arguments controllable in phase. Hence, UPFC is able to provide control actions such reactive power compensation, smooth voltage regulation and power flow control.
Therefore, UPFCs are the most versatile FACTS, capable of completely controlling the power line [47]. Regarding UPFCs, SST technology is able to remove LFT both at the shunt and serial side, even so introducing galvanic isolation by means of one MFT between the power converters of the shunt and serial side (as shown in Figure 14).
Figure 14.
(a) Classical approach for a UPFC device. (b) The alternative SST configuration.
4. Projects
The capabilities and potential applications of the SST have been shown in previous Section 2 and Section 3. Indeed, SST technology has great potential and it has attracted a lot of attention in recent years. However, the maturity of this technology is still far from breaking into the market with a high penetration factor in the aforementioned applications.
SST was introduced in 1970 by W. McMurray, describing an electronic transformer which allows a DC or low frequency AC supply with a wide range of voltage control [18]. Since then, SST has evolved enormously in terms of topologies (covering modular configurations and hybrid AC/DC applications) and materials used in its design, such as ferromagnetics and wide-band gap power semiconductors. Nevertheless, all SST developments have in common three key characteristics: connection to MV (in contrast to other isolated power electronics converters that operate with a LV input); galvanic isolation by means of MF transformers; and controllability (as opposed to conventional LFTs) [8].
In the past three decades some companies and research centres have been working on the development of SST technology. For example, ETH proposes different approaches considering the final application. In proof of this, they have developed an air-core transformer (ACT) and also a magnetic-core transformer (MCT) as a medium frequency link in a SST intended for DC applications, operating at 7 kV DC with rated power equal to 166 kW and switching frequency equal to 77.4 kHz and 40 kHz, respectively [48,49]. Another important ETH development is the MEGALink SST [50], which facilitates the connection between 10 kV AC and 0.4 kV AC grids (MV to LV) with rated power equal to 630 kVA. Furthermore, funded by the Swiss government, in the context of the SwiSS Transformer project, ETH developed a SST especially designed for the connection of SGs in Switzerland. The developed prototype, with rated power equal to 25 kW and switching frequency equal to 50 kHz, facilitates the connection of 0.4 kV DC distribution networks with the medium voltage grid, which, in this case, is equal to 6.6 kV AC [51]. Significant progress in this field has also been made by HITACHI-ABB, where a SST has been developed with rated voltages equal to 15 kV AC/0.75 kV DC and rated power equal to 1.2 MW, operating at 10 kHz [52]. Moreover, they have developed two SSTs [53], especially designed for railway applications. The first one connects to 1.5 kV DC traction systems, and it has rated power equal to 54 kW and switching frequency equal to 1.5 kHz [54], whereas the second one is designed for larger systems and connects to 15 kV systems, with rated power equal to 1.2 MVA and switching frequency equal to 1.75 kHz [55]. It should be noted that the 15 kV model was installed during 2011 on a type Ee 933 shunting locomotive, in partnership with the Swiss Federal Railways. A similar SST has also been developed by Siemens, for connection to traction systems at 15 kV, but with higher rated power, i.e., 2 MW, and a seventeen-level output voltage [56]. Other remarkable SSTs have also been designed and developed by GE [57,58], Bombardier [59], Delta Electronics [60,61,62], EPRI [63], FREEDM [64], etc. Additionally, various universities have participated in the design and control of significant SST prototypes, such as the Pusan National University [65].
It is highlighted that the SST prototypes have covered a range of applications such as SGs, railways, ships and electric vehicles. The main purpose is the connection between MV, e.g., 2.2 kV, 10 kV, 15 kV, and LV systems, sometimes switching from AC to DC. In most cases the rated power is in the order of a few hundred kW but there are also cases where it exceeds 1 MW, e.g., [54,55]. The switching frequency is usually close to 10–50 kHz. It can be concluded that SSTs constitute a rather new technology, hence the variety of designs, in contrast to the conventional transformers, which constitute a more mature and standardized technology. All most representative SST prototypes of recent years found in the literature are summarized in Table 1.
Table 1.
Projects related to SST development/application.
In addition, the capabilities of the SST are exploited in a number of research projects, which promote their wider implementation by showcasing their performance when applied to various use cases and voltage levels. In the following, main research collaborative projects that cover the use and development of SSTs in the last decade are presented:
- The UNIFLEX-PM project (2006–2009) [66] aims to develop a 300 kVA, 3.3 kV prototype SST converter, assembled and tested at the University of Nottingham, in collaboration with ABB. The converter comprises twelve modules, containing 4 H-bridges and a MF transformer each [83].
- The SPEED project (2014–2017) [68] focuses on the development of energy-efficient devices based on silicon carbide (SiC), operating on LV and MV levels, with special attention to power electronics. Except from fabricating these devices, SPEED also focuses on packaging, reliability testing, real-life applications and field-tests. In SPEED a three-phase SST with seven cells per phase is developed and tested, supporting storage systems. The SST operates at 6 kV/0.4 kV with switching frequency equal to 30 kHz and it has a rated power equal to 105 kW [16].
- The HEART project (2014–2019) [71], develops a SST with rated power equal to 1 MVA. The purpose of this SST is the connection between 10 kV AC and 0.4 kV AC nodes, while also providing a MV DC link at 10.2 kV and a LV DC link at 0.7 kV. It is noted that the switching frequency is equal to 20 kHz [84].
- The FST project (2018–2021) [76,85] proposes the development of a HV UPFC to be installed in an actual transmission power line which is located in Bescanó-Sentmenat, Spain. The voltage of the line is equal to 400 kV, the highest value within the European Union, and its rated power is equal to 2.4 GW. The proposed way to achieve this target is the combination of a number of SST modules with rated voltage equal to 2.2 kV and rated power equal to 50 kW, with special focus on the galvanic isolation between the primary and secondary side (each module has to support the whole isolation voltage between the primary and the secondary side). The importance of this project is not only its practical application but also the fact that it challenges the voltage barriers that limit the applications of the SST in HV systems.
- The LV Engine project (2018–2022) [78] covers the development of a SST for the connection between 11 kV AC and 0.4 kV AC grids, with rated power equal to 500 kVA. It is noted that the SST was developed by the University of Kiel, which also developed the SST of the HEART project, mentioned above [86]. Indeed, LV Engine can be considered as the continuation of the developments in HEART.
- The ASSTRA project (2018–2022) [79] is an interdisciplinary training and research project. This means that part of its purpose is to train and mentor early-stage researchers in the fields of power electronics, mechanical engineering, software engineering, material sciences and magnetics design. The expected outcome is the development of an advanced SST which enables the efficient and flexible incorporation of DC-based power supply units in the electrical network. The developed SST is based on SiC and the MFT is constructed as a shell type transformer operating at 20 kHz [87]. This project focuses mostly on the power electronics, such as the pulse-width modulation, the estimation of winding losses using the finite element method, etc.
- The FUNDRES project (2019–2021) [75] is related to railway applications. This project proposes an advanced railway electrification system using MV DC grids, ideally supported by RES. Various interesting aspects are investigated, including the possibility of managing the braking energy and injecting it into the public grid, the integration of RES into the railway system, etc. In order to achieve the project’s ambitions, the use of a SST is proposed, designed to operate at 1.8 kV DC with rated power equal to 300 kW and switching frequency equal to 15 kHz [88,89].
- In the TIGON project (2020–2024) [81], the advantages of AC/DC hybrid distribution grids are investigated. This project involves both AC and DC distribution lines in MV and LV levels, connecting a variety of DC-based RES as well as storage systems. A conventional transformer can neither directly connect these grids nor allow an active control of the grid. Therefore, in the context of the TIGON project, a specialized SST is developed, with rated power equal to 300 kW, to be applied in the project’s two demonstrators, which are two distribution networks in France and Spain, respectively [90]. In the first one, the purpose of the SST is to facilitate the connection between 0.4 kV AC, 3 kV DC and 1.4 kV DC nodes that host the hybrid grid’s PV systems, storage and AC load. In the second one, the purpose of the SST is to facilitate the connection between 0.4 kV AC, 3 kV DC and 0.8 kV DC nodes that host the hybrid grid’s PV system, wind generators, storage systems, AC and DC loads [91].
- The SSTAR project (2022–2025) [82] is entirely devoted to the development of an innovative SST. In this project the aim is to construct and combine SST modules based on SiC semiconductors with voltage levels equal to 1.5 kV/0.4 kV and rated power equal to 50 kW. These modules comprise a bidirectional inductive power transfer (IPT) as a medium frequency stage, in order to meet higher voltage levels. Additionally, each SST module is insulated and cooled with the use of a sustainable biobased dielectric fluid which is developed within the project. It is noted that this project is different from others, e.g., TIGON, in the sense that it is related to product development instead of application, meaning that the technology readiness level (TRL) is lower, i.e., equal to 4.
5. Discussion
Without a doubt, SST technology is attracting worldwide attention. Its promising and numerous features allow multiple alternatives to be developed [92]. Thus, several questions arise regarding the current state of the art and future trends. The previous analysis and the list of reviewed projects can help to answer some of them.
What are the main problems of current power transformers? Nowadays power transformers present some problems to face the new scenario proposed by SGs:
- They are bulky and voluminous, being inconvenient in applications such as high-density urban areas, onboard and special applications.
- They are not able to control the power flow. The traditional grid has unidirectional power flows, where this lack of controllability is not a problem. However, in the new scenario proposed by SGs, bidirectional power flows are inherent to the system [83]. Therefore, systems capable of controlling power flows are essential in order to achieve the best possible grid operation.
- Traditional power transformers are not able to regulate the output voltage. An on-load tap changer can be installed, allowing a limited voltage control. However, this solution is only able to modify the voltage in discrete steps and within a reduced range. The new SG paradigm, where great load variations are expected, requires more flexibility in order to adapt the electrical network to the volatile load-generation profiles [80].
- The primary and secondary sides must share the same frequency, limiting the interconnection between two different grids. Indeed, a DC output is not available. Consequently, DC grids cannot be directly integrated into traditional distribution power systems, based on AC networks. This might be an important disadvantage, considering the great amount of new DERs which will be connected to the SG and the improvement of efficiency which can be reached interconnecting these DERs within DC microgrids [93].
- Traditional transformers are not modular, delivering all their power with a single device. Therefore, a failure implies a total disconnection of the whole system. Nevertheless, scalable systems allow arrangements where an error in a module does not compromise the performance of the rest of the modules and enables partial working of the whole system.
Can SSTs solve some of the problems of current power transformers? SSTs are not going to substitute 50/60 Hz power transformers. Traditional power transformers are a cheap, mature and very reliable technology, and SSTs will not overpass them completely, at least for the next few decades. Indeed, several studies have assessed SST technology from an economic point of view. The authors of [94] present a comparison between a three-phase distribution LFT and the equivalent SST, considering a rated power of 1 MVA and 10/0.4 kV as voltage levels. This analysis only considers hardware costs and yet the cost of the SST is approximately five times more expensive than the traditional alternative. However, when this study considers the need for an accessible DC feeder, the cost difference is significantly reduced depending on the percentage of DC over AC power on the LV side, with the SST solution being only 10% more expensive in the case of a 100% LV DC network. Some authors have highlighted that a correct sizing of the required SST, taking into account that this device provides ancillary services, may allow that SSTs with lower rated power can replace LFTs [24]. Therefore, the cost difference between the current distribution transformer and the SST alternative may be shortened, although only the AC/AC interface is considered. On the one hand, Ref. [95] finds the material cost of a 100 kVA SST to be five times higher than a traditional transformer, updating and maintaining the previous figure. On the other hand, a continuous growth of the SST market is expected in coming years, mainly driven by an increasing share of RES. Consequently, technological advancement and large production scale may reduce the currently higher costs of SST technology (factors from five to ten have been estimated between laboratory prototypes and series production [94]).
Nevertheless, SSTs provide a series of attractive new features to complement or use in special applications in which classical power transformers are not an optimum solution. All main modern SST topologies have in common several key characteristics: medium-frequency (MF) isolation stage, connection to MV and controllability. These features allow them to solve some of the problems to adapt traditional transformers to the SG paradigm:
- The building volume of any transformer is calculated using the following Equation [8]:Clearly, the volume of the device is inversely proportional to the electromagnetic field frequency. SSTs raise mains frequency by means of power electronics stages, delivering a high frequency waveform to the MFT. Hence, the galvanic isolation stage reduces its weight and volume, reaching a lighter system.
- SSTs are made up of two independent power electronics stages at each side of the galvanic isolation. Therefore, they can be independently controlled, so the voltage phasors can be adapted depending upon the electrical network needs (only observing SSTs cannot storage energy). As a result, SSTs are able to control bidirectional power flows and balance high load-generation variations.
- Several stages comprise a single SST, and these stages can be different depending on the necessities. Figure 8 shows how diverse power grids can be interconnected using different power electronics stages within a SST [96]. Thus, it is possible to couple networks with different kind of current (hybrid AC/DC), number of phases and frequency.
- SSTs are modular by definition. They can be interconnected with each other making a bigger system. Therefore, all advantages from scalability are enabled by SST technology.
What is the rated voltage and power of the prototypes?
Observing Table 1, all prototypes have a MV side and many of them have a LV side. Some devices have a MFT with a 1:1 ratio, but they can be used with other power electronics stages and a LV interface can be easily obtained. When prototypes are modular, a series-parallel configuration can achieve a MV–LV interface as well. These pilots enable a galvanic isolation between MV and LV electrical networks, along with new control features. The review presented in this paper has considered only relevant prototypes, so scaled-down devices have not been studied. Therefore, all pilots have significant rated powers. The values range from tens of kVA to MVA. The most common rated power is within a 100–300 kVA interval. However, it must be considered that most topologies are modular, so grouping them in series/parallel allows the rated power to be increased and also the rated voltage of the whole system. Finally, considering all remarkable prototypes, it seems clear that there are still strong technological barriers to break before the SST could be successful working on very high voltage grids.
Who are the stakeholders of SSTs?
Currently, stakeholders involved in SST technology are not only research centres and universities, but also some manufacturers. Figure 15 shows a worldwide map where different kinds of institutions appear related to SST prototypes. This means that the technology has a high potential to be exploited as a commercial product by companies. However, manufacturers are especially interested in those applications related to traction, where SSTs are very convenient because of the great reduction in volume and weight. The first experimental prototypes are also being developed in the field of SGs and even EVs, but these are less advanced devices than traction ones and are mainly implemented within research projects.
Figure 15.
Identified stakeholders that have published a SST prototype having relevant features, namely, not a scaled-down prototype and with rated power higher than 25 kVA.
The interest of universities and technology centres is clear, due to the enormous potential that this technology has demonstrated. However, more projects have to be developed in which the prototypes can be tested in real environments. Thus, the involvement of DSOs is essential in order to advance towards the development of SSTs as enablers of the SG paradigm. In the short term, more DC demonstrators must be developed with participation of utilities, in order to gain experience and confidence in these solutions. Additionally, DC integration into distribution network long term impact has to be assessed in detail, particularly considering power carrying capacity and new user connections. Furthermore, DSOs and service providers must define clear use cases, exploitation strategies and business models for their products and services in the new network paradigm.
Finally, there is a legal lack regarding DC grids. Therefore, regulatory and standard bodies must contribute in further works in order to define a clear legal framework for DC grid application and, therefore, for the services that SSTs must provide [5,9].
What are the main applications of the current SST prototypes?
During the past two decades, SSTs have evolved quickly and have been considered for replacing conventional LFTs in applications such as traction, where important weight and volume savings are possible [59]. The oldest prototypes were developed with this aim by manufacturing companies and have been tested in operational environments.
Great efforts have been made in another important application. Multiple SST prototypes have been implemented to replace LFTs in traditional distribution power networks, connecting MV and LV grids. SST controllability is the key feature that promotes this substitution, since, the further distribution networks move towards the SG paradigm, the more DSOs need to be able to control power flows and voltage levels [97]. Nevertheless, most of them have been validated in laboratory facilities and a further step is needed to prove the technology in relevant and operational environments, where SSTs will have to face issues such as functional safety [98], among others.
In recent years, different prototypes have been developed to allow the integration of DC grids. A single SST device enables traditional AC grids to be connected with new DC grids, where RES, ESS and EVs can be integrated in an easier way. In this regard, SST is a key enabling technology to implement hybrid grids [99]. However, there is still a lack of enough demonstrators in real scenarios, where the interaction between AC and DC networks can be assessed.
Only a few prototypes are intended for EV, ships or very high voltage applications. Advantages regarding the use of SST technology in those applications have been identified and, therefore, different projects aim to develop new SSTs adapted to their special characteristics. Nevertheless, they are in an early stage of development.
What is the readiness level of the SSTs?
The maturity of SST technology depends on the application, due to several factors such as the time the application has been studied, the technological barriers that must be meet in each case, and the potential competitors and cost associated with each application [100]. A brief review of SST development status for each field is listed as follows:
- Traction: Nowadays, SSTs have not only been tested in real locomotives but also have been homologated in some cases. The first commercial prototypes appeared one decade ago and it is possible to find some examples in the market to date. Nevertheless, substantial efficiency improvements can still be achieved to reach a more attractive product.
- SGs: There have been a lot of initiatives to apply SST to SG applications. Nevertheless, due to the high technical requirements they have not broken into the market yet. Currently, there are some international research projects that try to level up the technology maturity, installing the first prototypes in representative controlled scenarios to evaluate the performance of the technology.
- EVs: Few prototypes can still be found regarding SSTs charging EVs, despite some possible configurations with interesting features having been proposed. In addition, the flexibility and compactness of SSTs make them very attractive for this sector. Even so, SSTs acting as EV chargers are in an early stage of development.
- HV power networks: Unlike MV and LV power grids, few projects about the application of SSTs in transmission lines can be found. Despite it being possible to apply most of the research about SSTs in SG to this sector, the technology must face important challenges such as the development of very high voltage WBG power semiconductors, capacitors for medium voltage applications, providing isolation between windings and so on. Therefore, the research is in an earlier phase.
- Others: Apart from the applications exposed above, SSTs could be applied to other fields. Even so, projects related to electric planes and ships, large data centres, etc. can barely be found.
6. Future Trends and Challenges
SSTs constitute advanced transformers, based on power electronics, that challenge the dominance of their conventional counterparts. Their main advantages are that they enable the efficient integration of MV and LV AC and DC systems, they are scalable, modular, controllable, provide galvanic isolation and decouple the MV from the LV grid [93]. Nevertheless, in contrast to conventional transformers, they are more complex, have higher maintenance requirements and their advanced capabilities are also reflected in their cost. It should be noted that the main factors that influence the cost of the SST are the power semiconductors and the MFTs [93,101]. Additionally, since they constitute a relatively recent technological development, there is no standard, optimized design and each manufacturer has their own approach regarding SST architecture.
One of the most significant open issues is power semiconductors. More specifically, power electronics equipment is manufactured from semiconductor substrates, silicon (Si) being the most used material. Si is a mature technology that has been employed for power control applications since 1956 [102]. However, the performance of Si-based power switching devices is reaching its theoretical limits. The main limitations of Si-based devices are high losses, low switching frequency and poor high-temperature performance. A new group of advanced materials known as WBG semiconductors including SiC, gallium nitride (GaN), diamond, gallium oxide (Ga2O3), aluminium nitride (AlN), boron nitride (BN) and zinc oxide (ZnO) exhibit better characteristics as semiconductors than Si, and they become a promising choice for next generation of power conversion systems [103]. Some of the properties of the most relevant WBG materials are: the bandgap, the breakdown field, the thermal conductivity and the carrier mobility. Moreover, the low switching losses allow WBG semiconductors to reach efficiencies up to 99%. This figure means up to 75% energy losses reduction compared with Si [104]. One of the most promising WBG technologies is SiC, which allows some Si limitations to be overcome [105]. Thus, SiC-based switching devices enable the manufacturing of efficient, high voltage and compact SSTs. However, nowadays SiC-based components are still under development and they lack availability and have a high price compared with Si-based devices. Fortunately, analysts foresee that the SiC market will evolve fast in the next few years [80].
Another open issue is the design of the cooling system. Basically, there are three categories of cooling systems for power electronics devices: passive/conduction, forced air and forced liquid [106]. The selection of the most appropriate system varies according to the application and size of the SST, and more specifically according to the losses. In particular, power losses are defined by the power electronics stages and the MFT. However, it is the latter that poses a real challenge to the cooling system. Power electronics are relatively easy to cool using mounted cooling plates and, thanks to the WBG materials advancement, they do not need to dissipate large amounts of heat. However, due to the complex design of MFT systems, SSTs usually have hot spots that can damage the device if they are not handled properly. Therefore, a major effort is expected in coming years to improve MFT design in order to achieve better thermal distribution, that will lead to raising the efficiency and the rated values of the whole device. For example, the designers of [82] propose a forced liquid cooling system based on a dielectric, environmentally friendly fluid which cools the IPT (acting as the medium frequency stage) and, as a result, allows for the efficient combination of many SST modules, reaching higher voltage levels and higher overall rated power, while also taking into account other aspects, such as the corona breakdown.
Finally, a major factor that inhibits the wider implementation of SSTs is the lack of an adequate regulatory framework, especially when it comes to the connection between AC and DC systems, DC-related applications, new provided services, safety and voltage levels. Therefore, new developments in standards and markets are expected based on the experience of current and future SST demonstrators. Some of the most important and relevant existing standards are: (i) IEEE Std 1547 [107], which includes requirements for interconnecting distributed resources with power system interfaces, (ii) ETSI EN 300 132-3 [108], which is related to power supply interfaces for the input of information and communication technology (ICT) equipment, (iii) IEEE Std 946 which is related to the design of DC power systems for stationary applications [109], (iv) EN IEC 60204-11 [110] where safety requirements for AC and DC equipment are analysed, v) EN IEC 60947-1 [111] which concerns LV switch gear and control gear, and (vi) IEC 61992-1 [112] and IEC 60850 [113], which are about railways.
Overall, it can be concluded that there are technological as well as regulatory barriers that should be overcome through further research, development and implementation in demonstration grids, in order for SSTs to penetrate the market.
7. Conclusions
This paper reviews the capabilities and applications of SST technology, which is a key component towards the development of advanced SGs, hybrid grids and microgrids, thus supporting the ongoing energy transition. Nevertheless, further technological developments are needed to reduce the overall cost and to increase the functionalities offered by this solution.
In summary, this work describes the main SST functionalities, showing the potential benefits in terms of power quality and controllability when using this power electronics solution. In addition, an overview of the sectors in which SST technology can be applied is also presented, highlighting the main advantages compared to the traditional approaches. A thorough analysis regarding the existing prototypes and projects related to the development of novel SSTs is performed, including their nominal values and purpose. Furthermore, a worldwide analysis of the main stakeholders is presented. A number of questions raised up by the authors about SST technology and its application are then answered considering the gathered information. The review is completed with the main trends and technical and regulatory challenges related to SST development and market penetration.
This analysis allows a global outlook of SST technology considering an application-oriented view. As a result, several conclusions can be drawn. The relevant stakeholders are spread all over the world, which confirms the potential identified in this technology. In addition, several manufacturers have been involved in the located research and development projects, which shows the eventual market uptake of SST technology. The main projects involving pilots have moved from railway to distribution power grids, namely SSTs to replace classical LFTs, enabling the implementation of AC/DC hybrid networks. This is consistent with the increasing number of available technologies allowing the new SG paradigm in recent years. However, applications in sectors such as EVs or marine and naval transport are still few, showing that there are still major challenges to be overcome.
Author Contributions
Conceptualization, D.C., J.M.-C., M.F. and J.F.S.; methodology, D.C., J.M.-C. and M.F.; investigation, D.C. and J.M.-C.; writing—original draft preparation, D.C., J.M.-C. and M.F.; writing—review and editing, D.C., J.M.-C. and M.F.; supervision, J.M.-C., J.F.S., D.R., F.S., N.N. and S.V. All authors have read and agreed to the published version of the manuscript.
Funding
This research was funded by the European Union’s Horizon 2020 research and innovation programme, TIGON (Towards Intelligent DC-based hybrid Grids Optimizing the Network performance), under grant agreement No 957769, https://cordis.europa.eu/project/id/957769 (accessed on 1 February 2023).
Data Availability Statement
Not applicable.
Conflicts of Interest
The authors declare no conflict of interest.
Abbreviations
The following abbreviations are used in this manuscript:
| SST | Solid state transformer |
| AC | Alternating current |
| DC | Direct current |
| SG | Smart grid |
| RES | Renewable energy sources |
| DER | Distributed energy resources |
| PV | Photovoltaic |
| EV | Electric vehicle |
| ESS | Energy storage systems |
| WBG | Wide band-gap |
| MFT | Medium frequency transformer |
| MV | Medium voltage |
| LV | Low voltage |
| LFT | Low frequency transformer |
| FACTS | Flexible AC transmission system |
| UPFC | Unified power flow controller |
| ACT | Air-core transformer |
| MCT | Magnetic-core transformer |
| SiC | Silicon carbide |
| TRL | Technology readiness level |
| Univ. | University |
References
- United Nations Framework Convention on Climate Change. Paris Agreement. 2015. Available online: https://www.un.org/en/climatechange/paris-agreement (accessed on 1 February 2023).
- European Commission. The European Green Deal; European Commission: Brussels, Belgium, 2019. [Google Scholar]
- Kartalidis, A.; Atsonios, K.; Nikolopoulos, N. Enhancing the self-resilience of high renewable energy sources, interconnected islanding areas through innovative energy production, storage, and management technologies: Grid simulations and energy assessment. Int. J. Energy Res. 2021, 45, 13591–13615. [Google Scholar] [CrossRef]
- Apostolopoulos, V.; Giourka, P.; Martinopoulos, G.; Angelakoglou, K.; Kourtzanidis, K.; Nikolopoulos, N. Smart readiness indicator evaluation and cost estimation of smart retrofitting scenarios—A comparative case-study in European residential buildings. Sustain. Cities Soc. 2022, 82, 103921. [Google Scholar] [CrossRef]
- Makkieh, A.; Burt, G.; Alzola, R.P.; Jambrich, G.; Fuchs, N.; Kazerooni, A.; Allais, A.; Preve, C.; Bećirović, E.; Yu, J.; et al. DC Networks on the Distribution Level—New Trend or Vision? CIRED: Liège, Belgium, 2021; p. 113. [Google Scholar]
- Priebe, J.; Korompili, A.; Voss, J.; Luerkens, P.; Moser, A.; Monti, A.; De Doncker, R.W. DC Grid Technology—Advances in Efficient Power Conversion, Multi-Node Control, and Medium Voltage DC Grid Design and Requirements for Planning. In Proceedings of the PCIM Europe 2019; International Exhibition and Conference for Power Electronics, Intelligent Motion, Renewable Energy and Energy Management, Nuremberg, Germany, 7–9 May 2019; VDE: Nuremberg, Germany, 2019; pp. 1–8. [Google Scholar]
- Fuchs, N.; Jambrich, G.; Brunner, H. Simulation Tool for Techno-Economic Analysis of Hybrid AC/DC Low Voltage Distribution Grids. In Proceedings of the CIRED 2021—26th International Conference and Exhibition on Electricity Distribution, Online, 20–23 September 2021; pp. 2549–2553. [Google Scholar] [CrossRef]
- Huber, J.E.; Kolar, J.W. Solid-State Transformers: On the Origins and Evolution of Key Concepts. IEEE Ind. Electron. Mag. 2016, 10, 19–28. [Google Scholar] [CrossRef]
- CIGRE Working Group WG C6.31. Medium Voltage Direct Current (MVDC) Grid Feasibility Study; Technical Report; Cigré: Paris, France, 2020. [Google Scholar]
- Kolar, J.W.; Huber, J.E. Potential Future Applications & Topologies of Solid-State-Transformers (SSTs); Technical Report; Swiss Federal Institute of Technology (ETH): Zürich, Switzerland, 2019. [Google Scholar]
- Shadfar, H.; Ghorbani Pashakolaei, M.; Akbari Foroud, A. Solid-state transformers: An overview of the concept, topology, and its applications in the smart grid. Int. Trans. Electr. Energy Syst. 2021, 31, e12996. [Google Scholar] [CrossRef]
- Alvarez-Gariburo, I.; Sarnago, H.; Lucia, O.; Burdio, J.M. Design and Optimization of a SiC-Based Versatile Bidirectional High-Voltage Waveform Generator. In Proceedings of the 2022 IEEE Applied Power Electronics Conference and Exposition, Houston, TX, USA, 20–24 March 2022; pp. 1333–1337. [Google Scholar] [CrossRef]
- Zheng, L.; Kandula, R.P.; Divan, D. Soft-Switching Solid-State Transformer with Reduced Conduction Loss. IEEE Trans. Power Electron. 2021, 36, 5236–5249. [Google Scholar] [CrossRef]
- Abu-Siada, A.; Budiri, J.; Abdou, A.F. Solid state transformers topologies, controllers, and applications: State-of-the-art literature review. Electronics 2018, 7, 298. [Google Scholar] [CrossRef]
- Chen, H.; Prasai, A.; Moghe, R.; Chintakrinda, K.; Divan, D. A 50-kVA Three-Phase Solid-State Transformer Based on the Minimal Topology: Dyna-C. IEEE Trans. Power Electron. 2016, 31, 8126–8137. [Google Scholar] [CrossRef]
- Saeed, M.; Cuartas, J.M.; Rodríguez, A.; Arias, M.; Briz, F. Energization and Start-Up of CHB-Based Modular Three-Stage Solid-State Transformers. IEEE Trans. Ind. Appl. 2018, 54, 5483–5492. [Google Scholar] [CrossRef]
- Parks, N.; Dutta, S.; Ramachandram, V.; Hatua, K.; Bhattacharya, S. Black start control of a solid state transformer for emergency power restoration. In Proceedings of the 2012 IEEE Energy Conversion Congress and Exposition, Raleigh, NC, USA, 15–20 September 2012; pp. 188–195. [Google Scholar] [CrossRef]
- William McMurray. Power Converter Circuits Having a High Frequency Link. U.S. Patent 3,517,300, 23 June 1970. [Google Scholar]
- Ortiz, G. High-Power DC-DC Converter Technologies for Smart Grid and Traction Applications. Ph.D. Thesis, ETH-Zürich, Zürich, Switzerland, 2014. [Google Scholar] [CrossRef]
- Burns, A. Railroad History (USA): Timeline, Statistics, Photos & More. Available online: https://www.american-rails.com/history.html{#}gallery[pageGallery]/0/ (accessed on 7 November 2022).
- Cottet, D.; Van Der Merwe, W.; Agostini, F.; Riedel, G.; Oikonomou, N.; Rüetschi, A.; Geyer, T.; Gradinger, T.; Velthuis, R.; Wunsch, B.; et al. Integration technologies for a fully modular and hot-swappable MV multi-level concept converter. In Proceedings of the PCIM Europe 2015; International Exhibition and Conference for Power Electronics, Intelligent Motion, Renewable Energy and Energy Management, Nuremberg, Germany, 19–20 May 2015; pp. 779–786. [Google Scholar]
- TE Connectivity. The Evolution of Data Centers Models; Technical Report; DesignSpark: Kent, UK, 2017. [Google Scholar]
- Manville, J.; Woolwine, J.; Van de Voorde, B. Evolution of the Data Center Global Cloud Strategy & Tetration; Technical Report; CISCO: San Jose, CA, USA, 2016. [Google Scholar]
- Ferreira Costa, L.; De Carne, G.; Buticchi, G.; Liserre, M. The Smart Transformer: A solid-state transformer tailored to provide ancillary services to the distribution grid. IEEE Power Electron. Mag. 2017, 4, 56–67. [Google Scholar] [CrossRef]
- Mattioli, R.; Moulinos, K. Communication Network Interdependencies in Smart Grid; European Union Agency for Network and Information Security (ENISA): Heraklion, Greece, 2015; pp. 1–54. [Google Scholar] [CrossRef]
- Strasser, T.; Andrén, F.; Kathan, J.; Cecati, C.; Buccella, C.; Siano, P.; Leitão, P.; Zhabelova, G.; Vyatkin, V.; Vrba, P.; et al. A Review of Architectures and Concepts for Intelligence in Future Electric Energy Systems. IEEE Trans. Ind. Electron. 2015, 62, 2424–2438. [Google Scholar] [CrossRef]
- Prakash, G.; Anuta, H.; Wagner, N.; Gallina, G.; Gielen, D.; Gorini, R. Future of Wind: Deployment, Investment, Technology, Grid Integration and Socio-Economic Aspects; Technical Report; International Renewable Energy Agency: Abu Dhabi, United Arab Emirates, 2019. [Google Scholar]
- Borgaonkar, A. Solid State Transformers: A Review of Technology and Applications. Unpublished work. 2015. [Google Scholar] [CrossRef]
- Gao, R.; Husain, I.; Wang, F.; Huang, A.Q. Solid-State Transformer Interfaced PMSG Wind Energy Conversion System. In Proceedings of the 2015 IEEE Applied Power Electronics Conference and Exposition, Charlotte, NC, USA, 15–19 March 2015; pp. 1310–1317. [Google Scholar] [CrossRef]
- Smailes, M.; Ng, C.; McKeever, P.; Shek, J.; Theotokatos, G.; Abusara, M. Hybrid, multi-megawatt HVDC transformer topology comparison for future offshore wind farms. Energies 2017, 10, 851. [Google Scholar] [CrossRef]
- Gao, R.; She, X.; Husain, I. Solid-State-Transformer-Interfaced Permanent Magnet Wind Turbine Distributed Generation System. IEEE Trans. Ind. Appl. 2017, 53, 3849–3861. [Google Scholar] [CrossRef]
- Schmela, M.; Beauvais, A.; Chevillard, N.; Paredes, M.G.; Heisz, M.; Rossi, R. Global Market Outlook For Solar Power/2018–2022; Solar Power Europe: Brussels, Belgium, 2018; p. 81. [Google Scholar]
- Olson, D.; Bakken, B.E. Utility-Scale Solar PV: From Big to Biggest; Technical Report; DNV GL: Høvik, Norway, 2019. [Google Scholar]
- Amaral, F.V.; Parreiras, T.M.; Lobato, G.C.; Augusto, A.; Machado, P.; Member, S.; Pires, I.A.; Jesus, B.D.; Filho, C. Operation of a Grid-Tied Cascaded Multilevel Converter Based on a Forward Solid-State Transformer under Unbalanced. IEEE Trans. Ind. Appl. 2018, 54, 5493–5503. [Google Scholar] [CrossRef]
- Foureaux, N.C.; Adolpho, L.; Silva, S.M.; Brito, J.A.D.S.; Filho, B.D.J.C. Application of Solid State Transformers in Utility Scale Solar Power Plants. In Proceedings of the 2014 IEEE 40th Photovoltaic Specialist Conference, Denver, CO, USA, 8–13 June 2014; Volume 2, pp. 3695–3700. [Google Scholar] [CrossRef]
- Bunsen, T.; Cazzola, P.; D’Amore, L.; Gorner, M.; Scheffer, S.; Schuitmaker, R.; Signollet, H.; Tattini, J.; Paoli, J.T.L. Global EV Outlook 2019 to Electric Mobility; Technical Report; International Energy Agency (IEA): Paris, France, 2019. [Google Scholar]
- Webasto. EV Solutions|Electric Vehicle Chargers for Your Business. Available online: https://www.evsolutions.com/ev-charging-products-for-business (accessed on 23 December 2022).
- Christen, D. Analysis and Performance Evaluation of Converter Systems for EV-Ultra-Fast Charging Stations with Integrated Grid Storage. Ph.D. Thesis, ETH Zurich, Zürich, Switzerland, 2017. [Google Scholar] [CrossRef]
- Alba, J.M.C.; Fuertes, J.B.; Gomez, A.M.M.; Osorio, J.F.S.; Puyal, E.L. 50-kW Modular V2G SiC Charger Station in Energy Island Microgrids: A Real Use-Case in Madeira Island. In Proceedings of the PCIM Europe 2022, Nuremberg, Germany, 10–12 May 2022; pp. 106–114. [Google Scholar] [CrossRef]
- Vahedipour-Dahraie, M.; Rashidizaheh-Kermani, H.; Najafi, H.; Anvari-Moghaddam, A.; Guerrero, J. Coordination of EVs Participation for Load Frequency Control in Isolated Microgrids. Appl. Sci. 2017, 7, 539. [Google Scholar] [CrossRef]
- Airbus. Electric Flight—Laying the Groundwork for Zero-Emission Aviation. Available online: https://www.airbus.com/en/innovation/zero-emission-journey/electric-flightight.html (accessed on 23 December 2022).
- Infineon Technologies. Electric Ships: The Future of Shipping. Available online: https://www.infineon.com/cms/en/discoveries/electrified-ships/ (accessed on 23 December 2022).
- Carnegie, R.; Gotham, D.; Nderitu, D.; Preckel, P.V. Utility Scale Energy Storage Systems; Technical Report; State Utility Forecasting Group: West Lafayette, IN, USA, 2013. [Google Scholar]
- Anisie, A.; Boshell, F.; Kamath, S.; Kanani, H.; Mehrotra, S. Innovation Landscape Brief: Utility-Scale Batteries; Technical Report; International Renewable Energy Agency: Abu Dhabi, United Arab Emirates, 2019. [Google Scholar]
- Tesla Australia. Introducing Megapack: Utility-Scale Energy Storage. Available online: https://www.tesla.com/en{_}eu/blog/introducing-megapack-utility-scale-energy-storage (accessed on 23 December 2022).
- Peng, F.Z. Flexible AC Transmission Systems (FACTS) and Resilient AC Distribution Systems (RACDS) in Smart Grid. Proc. IEEE 2017, 105, 2099–2115. [Google Scholar] [CrossRef]
- Gyugyi, L.; Schauder, C.D.; Williams, S.L.; Rietman, T.R.; Torgerson, D.R.; Edris, A. The Unified Power Flow Controller: A New Approach To Power Transmission Control. IEEE Trans. Power Deliv. 1995, 10, 1085–1097. [Google Scholar] [CrossRef]
- Czyz, P.; Guillod, T.; Krismer, F.; Huber, J.; Kolar, J.W. Design and Experimental Analysis of 166 kW Medium-Voltage Medium-Frequency Air-Core Transformer for 1:1-DCX Applications. IEEE J. Emerg. Sel. Top. Power Electron. 2022, 10, 3541–3560. [Google Scholar] [CrossRef]
- Czyz, P.; Member, G.S.; Guillod, T.; Zhang, D.; Member, S.; Krismer, F.; Huber, J.; Färber, R.; Franck, C.M.; Member, S.; et al. Analysis of the Performance Limits of 166 kW/7 kV Air- and Magnetic-Core Medium-Voltage Medium-Frequency Transformers for 1:1-DCX Applications. IEEE J. Emerg. Sel. Top. Power Electron. 2022, 10, 2989–3012. [Google Scholar] [CrossRef]
- Kolar, J.W. Solid-State-Transformer (SST) Applications—A Glimpse into the Future; Technical Report; ETH Zurich: Doha, Qatar, 2019. [Google Scholar]
- Huber, J.E.; Böhler, J.; Rothmund, D.; Kolar, J.W. Analysis and Cell-Level Experimental Verification of a 25 kW All-SiC Isolated Front End 6.6 kV/400 V AC-DC Solid-State Transformer. CPSS Trans. Power Electron. Appl. 2017, 2, 140–148. [Google Scholar] [CrossRef]
- Kieferndorf, F.; Drofenik, U.; Agostini, F.; Canales, F. Modular PET, two-phase air-cooled converter cell design and performance evaluation with 1.7 kV IGBTs for MV applications. In Proceedings of the IEEE Applied Power Electronics Conference and Exposition, Long Beach, CA, USA, 20–24 March 2016; pp. 472–479. [Google Scholar] [CrossRef]
- Claesens, M.; Dujic, D.; Canales, F.; Steinke, J.K.; Stefanutti, P.; Veterli, C. Traction transformation: A power-electronic traction transformer (PETT). ABB Rev. 2012, 11–17. Available online: https://library.e.abb.com/public/fc192d38056fa3b3c12579f20055483b/11-17%201m211_EN_72dpi.pdf (accessed on 1 February 2023).
- Dujic, D.; Zhao, C.; Mester, A.; Steinke, J.K.; Weiss, M.; Lewdeni-Schmid, S.; Chaudhuri, T.; Stefanutti, P. Power Electronic Traction Transformer-Low Voltage Prototype. IEEE Trans. Power Electron. 2013, 28, 5522–5534. [Google Scholar] [CrossRef]
- Zhao, C.; Dujic, D.; Mester, A.; Steinke, J.K.; Weiss, M.; Lewdeni-Schmid, S.; Chaudhuri, T.; Stefanutti, P. Power Electronic Traction Transformer-Medium Voltage Prototype. IEEE Trans. Ind. Electron. 2014, 61, 3257–3268. [Google Scholar] [CrossRef]
- Glinka, M. Prototype of multiphase modular-multilevel-converter with 2 MW power rating and 17-level-output-voltage. In Proceedings of the 2004 35th Annual Power Electronics Specialists Conference, Aachen, Germany, 20–25 June 2004; pp. 2572–2576. [Google Scholar] [CrossRef]
- Grider, D.; Das, M.; Agarwal, A.; Palmour, J.; Leslie, S.; Ostop, J.; Raju, R.; Schutten, M.; Hefner, A. 10 kV/120 A SiC DMOSFET half H-bridge power modules for 1 MVA solid state power substation. In Proceedings of the 2011 IEEE Electric Ship Technologies Symposium, Alexandria, VA, USA, 10–13 April 2011; pp. 131–134. [Google Scholar] [CrossRef]
- Das, M.K.; Capell, C.; Grider, D.E.; Leslie, S.; Ostop, J.; Raju, R.; Schutten, M.; Nasadoski, J.; Hefner, A. 10 kV, 120 A SiC half H-bridge power MOSFET modules suitable for high frequency, medium voltage applications. In Proceedings of the IEEE Energy Conversion Congress and Exposition, ECCE 2011, Phoenix, AZ, USA, 17–22 September 2011; pp. 2689–2692. [Google Scholar] [CrossRef]
- Steiner, M.; Reinold, H. Medium frequency topology in railway applications. In Proceedings of the 2007 European Conference on Power Electronics and Applications, Aalborg, Denmark, 2–5 September 2007. [Google Scholar] [CrossRef]
- Chen, K.T.; Chen, J.F.; Wang, T.J.; Liao, H. Study and Implementation of High Frequency Cast Resin Transformer Applied for Medium-Voltage Solid-State Transformer. In Proceedings of the 2021 IEEE International Future Energy Electronics Conference, Taipei, Taiwan, 16–19 November 2021; pp. 1–6. [Google Scholar] [CrossRef]
- Lu, C.; Hu, W.; Zhang, W.; Lee, F.C. Comparison of Three-Level Cell Topology and Control for Solid State Transformer. In Proceedings of the 2021 IEEE 4th International Electrical and Energy Conference, Wuhan, China, 28–30 May 2021; pp. 1–6. [Google Scholar] [CrossRef]
- Zhu, C. High-Efficiency, Medium-Voltage-Input, Solid-State-Transformer-Based 400-kW/1000-V/400-A Extreme Fast Charger for Electric Vehicles; Technical Report; Delta Electronics (Americas) Ltd.: Fremont, CA, USA, 2019. [Google Scholar]
- Lai, J.S.; Lai, W.H.; Moon, S.R.; Zhang, L.; Maitra, A. A 15-kV class intelligent universal transformer for utility applications. In Proceedings of the IEEE Applied Power Electronics Conference and Exposition, Long Beach, CA, USA, 20–24 March 2016; pp. 1974–1981. [Google Scholar] [CrossRef]
- Anurag, A.; Acharya, S.; Bhattacharya, S.; Weatherford, T.R.; Parker, A.A. A Gen-3 10-kV SiC MOSFET-Based Medium-Voltage Three-Phase Dual Active Bridge Converter Enabling a Mobile Utility Support Equipment Solid State Transformer. IEEE J. Emerg. Sel. Top. Power Electron. 2022, 10, 1519–1536. [Google Scholar] [CrossRef]
- Yun, H.J.; Jeong, D.K.; Kim, H.S.; Kim, M.; Baek, J.W.; Kim, J.Y.; Kim, H.J. Implementation of a single-phase SST for the interface between a 13.2 kV MVAC network and a 750 V bipolar DC distribution. Electronics 2018, 7, 62. [Google Scholar] [CrossRef]
- Hyde, A.R. UNIFLEX-PM (Advanced Power Converters for Universal and Flexible Power Management in Future Electricity Networks); Technical Report, UNIFLEX-PM Project; AREVA: Paris, France, 2009. [Google Scholar]
- Kjellqvist, T.; Norrga, S.; Östlund, S.; Ilves, K. Thermal evaluation of a medium frequency transformer in a line side conversion system. In Proceedings of the 2009 13th European Conference on Power Electronics and Applications, Barcelona, Spain, 8–10 September 2009. [Google Scholar]
- Silicon Carbide Power Technology for Energy Eficient Devices|SPEED Project|Fact Sheet|FP7|CORDIS|European Commission. Available online: https://cordis.europa.eu/project/id/604057/it (accessed on 9 November 2022).
- Wang, D.; Mao, C.; Yang, Y.; Zhang, J.; Tian, J. Design and implementation of 10-kV MW-level electronic power transformer (EPT). In Proceedings of the 2018 IEEE Industry Applications Society Annual Meeting, Portland, OR, USA, 23–27 September 2018; pp. 1–10. [Google Scholar] [CrossRef]
- Tian, J.; Mao, C.; Wang, D.; Nie, S.; Yang, Y. A Short-Time Transition and Cost Saving Redundancy Scheme for Medium-Voltage Three-Phase Cascaded H-Bridge Electronic Power Transformer. IEEE Trans. Power Electron. 2018, 33, 9242–9252. [Google Scholar] [CrossRef]
- “The Highly Efficient and Reliable Smart Transformer (HEART), a New Heart for the Electric Distribution System”|HEART Project|FP7|CORDIS|European Commission. Available online: https://cordis.europa.eu/project/id/616344 (accessed on 24 April 2020).
- Fu, Q.; Li, B.; Zhao, X.; Mao, S.; Xu, D.; Han, L. Voltage Balancing Methods for Inner and Outer Switches of Three-level Resonant DC-DC Converter for Solid State Transformers. In Proceedings of the 2020 IEEE 9th International Power Electronics and Motion Control Conference, Nanjing, China, 29 November–2 December 2020; pp. 517–522. [Google Scholar] [CrossRef]
- Adamowicz, M.; Szewczyk, J. SiC-Based Power Electronic Traction Transformer (PETT) for 3 kV DC Rail Traction. Energies 2020, 13, 5573. [Google Scholar] [CrossRef]
- Liu, T.; Yang, X.; Chen, W.; Xuan, Y.; Li, Y.; Huang, L.; Hao, X. High-Efficiency Control Strategy for 10-kV/1-MW Solid-State Transformer in PV Application. IEEE Trans. Power Electron. 2020, 35, 11770–11782. [Google Scholar] [CrossRef]
- FUTURE UNIFIED DC RAILWAY ELECTRIFICATION SYSTEM|FUNDRES Project|Fact Sheet|H2020|CORDIS|European Commission. Available online: https://cordis.europa.eu/project/id/881772 (accessed on 9 November 2022).
- REE. Grid2030 Program|Red Eléctrica. Available online: https://www.ree.es/en/sustainability/anticipating-change-and-taking-action/grid2030-programme (accessed on 10 November 2022).
- Zhang, J.; Zha, K.; Tang, X.; Yang, Y.; Yan, H.; Wen, F.; Shi, M. Topology and start-up strategy for DC–DC transformers based on voltage balancing unit. J. Power Electron. 2021, 21, 1072–1083. [Google Scholar] [CrossRef]
- SP Energy Networks; UK Power Networks. LV Engine—2017 Network Innovation Competition Proposal; Technical Report; SP Energy Networks: Glasgow, Scotland, 2017. [Google Scholar]
- Advanced Solid State Transformers|ASSTRA Project|Fact Sheet|H2020|CORDIS|European Commission. Available online: https://cordis.europa.eu/project/id/765774 (accessed on 9 November 2022).
- Zheng, L.; Marellapudi, A.; Chowdhury, V.R.; Bilakanti, N.; Kandula, R.P.; Saeedifard, M.; Grijalva, S.; Divan, D. Solid-State Transformer and Hybrid Transformer With Integrated Energy Storage in Active Distribution Grids: Technical and Economic Comparison, Dispatch, and Control. IEEE J. Emerg. Sel. Top. Power Electron. 2022, 10, 3771–3787. [Google Scholar] [CrossRef]
- Towards Intelligent DC-Based Hybrid Grids Optimizing the Network Performance|TIGON Project|Fact Sheet|H2020|CORDIS| European Commission. Available online: https://cordis.europa.eu/project/id/957769 (accessed on 9 November 2022).
- Innovative HV Solid-State TrAnsformer for Maximizing Renewable Energy Penetration in Energy Distribution and Transmission Systems|SSTAR Project|Fact Sheet|HORIZON|CORDIS|European Commission. Available online: https://cordis.europa.eu/project/id/101069702 (accessed on 9 November 2022).
- Bifaretti, S.; Zanchetta, P.; Watson, A.; Tarisciotti, L.; Clare, J.C. Advanced power electronic conversion and control system for universal and flexible power management. IEEE Trans. Smart Grid 2011, 2, 231–243. [Google Scholar] [CrossRef]
- Costa, L.F.; Buticchi, G.; Liserre, M. Quad-active-bridge dc-dc converter as cross-link for medium-voltage modular inverters. IEEE Trans. Ind. Appl. 2017, 53, 1243–1253. [Google Scholar] [CrossRef]
- Cervero García, D.; García-Martínez, E.; Muñoz-Cruzado Alba, J.; Sanz Osorio, J.F.; Perié Buil, J.M.; Soto Rodríguez, A. Solid-State Transformers for High Voltage Applications: FST Project Use Case. In Proceedings of the 2022 7th International Advanced Research Workshop on Transformers (ARWtr), Baiona, Spain, 24–26 October 2022. [Google Scholar]
- Smith, K.; Wang, D.; Peña-Alzola, R.; Burt, G.M.; Kazerooni, A.; Eves, M. Approach to assessing the effective integration of solid-state transformers in LV networks. CIRED Open Access Proc. J. 2020, 2020, 182–185. [Google Scholar] [CrossRef]
- Cremasco, A.; Rothmund, D.; Curti, M.; Lomonova, E.A. Voltage Distribution in the Windings of Medium-Frequency Transformers Operated With Wide Bandgap Devices. IEEE J. Emerg. Sel. Top. Power Electron. 2022, 10, 3587–3602. [Google Scholar] [CrossRef]
- Fortes, G.; Ladoux, P.; Fabre, J.; Flumian, D. Characterization of a 300 kW Isolated DC-DC Converter using 3.3 kV SiC-MOSFETs. In Proceedings of the PCIM Europe Digital Days 2021; International Exhibition and Conference for Power Electronics, Intelligent Motion, Renewable Energy and Energy Management, Online, 3–7 May 2021; pp. 745–752. [Google Scholar]
- Ladoux, P. The Solid State Transformer—An Essential Device in the Evolution of DC Railway Electrification Systems. Available online: https://www.power-and-beyond.com/the-solid-state-transformer–an-essential-device-in-the-evolution-of-dc-railway-electrification-systems-a-1013013/ (accessed on 10 November 2022).
- Peña-Carro, P.; Izquierdo-Monge, O. Hybrid AC/DC architecture in the CE.D.E.R.-CIEMAT microgrid: Demonstration of the TIGON project. Open Res. Eur. 2022, 2, 123. [Google Scholar] [CrossRef]
- Jambrich, G.; Stöckl, J.; Strasser, T.I.; Alba, J.M.C.; Sanchez, B. Transition to Future Power Systems in the SEERC Region Towards Resilient hybrid Medium and Low Voltage AC-DC Power Grids—A European Perspective. In Proceedings of the 3rd CIGRE SEERC Conference Vienna 2021 (CIGRE SEERC Vienna 2021), Online, 30 November 2021. [Google Scholar] [CrossRef]
- Khan, S.; Rahman, K.; Tariq, M.; Hameed, S.; Alamri, B.; Babu, T.S. Solid-state transformers: Fundamentals, topologies, applications, and future challenges. Sustainability 2022, 14, 319. [Google Scholar] [CrossRef]
- Fotopoulou, M.; Rakopoulos, D.; Trigkas, D.; Stergiopoulos, F.; Blanas, O.; Voutetakis, S. State of the Art of Low and Medium Voltage Direct Current (DC) Microgrids. Energies 2021, 14, 5595. [Google Scholar] [CrossRef]
- Huber, J.E.; Kolar, J.W. Volume/Weight/Cost Comparison of a 1MVA 10 kV/400 V Solid-State against a Conventional Low-Frequency Distribution Transformer. In Proceedings of the 2014 IEEE Energy Conversion Congress and Exposition, Pittsburgh, PA, USA, 14–18 September 2014; pp. 4545–4552. [Google Scholar] [CrossRef]
- Mordor Intelligence. Global Solid-State Transformer Market (2021–2026); Technical Report; Mordor Intelligence: Hyderabad, India, 2021. [Google Scholar]
- Hannan, M.A.; Ker, P.J.; Lipu, M.S.; Choi, Z.H.; Rahman, M.S.A.; Muttaqi, K.M.; Blaabjerg, F. State of the art of solid-state transformers: Advanced topologies, implementation issues, recent progress and improvements. IEEE Access 2020, 8, 19113–19132. [Google Scholar] [CrossRef]
- Gorla, N.B.Y.; Kolluri, S.; Panda, S.K. Solid state transformer control aspects for various smart grid scenarios. In Proceedings of the 2017 IEEE Innovative Smart Grid Technologies-Asia, Auckland, New Zealand, 4–7 December 2017; p. 6. [Google Scholar] [CrossRef]
- Schmidt, S.; Oberrath, J.; Mercorelli, P. A Sensor Fault Detection Scheme as a Functional Safety Feature for DC-DC Converters. Sensors 2021, 21, 6516. [Google Scholar] [CrossRef]
- Unamuno, E.; Barrena, J.A. Hybrid ac/dc microgrids—Part I: Review and classification of topologies. Renew. Sustain. Energy Rev. 2015, 52, 1251–1259. [Google Scholar] [CrossRef]
- Kolar, J.W.; Huber, J.E. Solid-State Transformers. Key Design Challenges, Applicability, and Future Concepts. In Proceedings of the 2016 IEEE International Conference on Power Electronics and Motion Control, Varna, Bulgaria, 25–28 September 2016; p. 211. [Google Scholar]
- Mollik, M.S.; Hannan, M.A.; Reza, M.S.; Abd Rahman, M.S.; Lipu, M.S.H.; Ker, P.J.; Mansor, M.; Muttaqi, K.M. The Advancement of Solid-State Transformer Technology and Its Operation and Control with Power Grids: A Review. Electronics 2022, 11, 2648. [Google Scholar] [CrossRef]
- Computer History Museum. 1956: Silicon Comes to Silicon Valley|The Silicon Engine|Computer History Museum. Available online: https://www.computerhistory.org/siliconengine/silicon-comes-to-silicon-valley/ (accessed on 21 December 2022).
- Singh, S.; Chaudhary, T.; Khanna, G. Recent Advancements in Wide Band Semiconductors (SiC and GaN) Technology for Future Devices. Silicon 2022, 14, 5793–5800. [Google Scholar] [CrossRef]
- Elasser, A.; Chow, T.P. Silicon carbide benefits and advantages for power electronics circuits and systems. Proc. IEEE 2002, 90, 969–986. [Google Scholar] [CrossRef]
- Raju, R.; Dame, M.; Steigerwald, R. Solid-state transformers using silicon carbide-based modular building blocks. In Proceedings of the 2017 IEEE 12th International Conference on Power Electronics and Drive Systems, Honolulu, HI, USA, 12–15 December 2017; pp. 1–7. [Google Scholar] [CrossRef]
- Chereches, N.C.; Chereches, M.; Miron, L.; Hudisteanu, S. Numerical Study of Cooling Solutions Inside a Power Transformer. Energy Procedia 2017, 112, 314–321. [Google Scholar] [CrossRef]
- 1547-2018; IEEE Standard for Interconnection and Interoperability of Distributed Energy Resources with Associated Electric Power Systems Interfaces. Standards Coordinating Committee 21, IEEE: New York, NY, USA, 2018.
- Draft ETSI EN 300 132-3: Environmental Engineering (EE); Power Supply Interface at the Input of Information and Communication Technology (ICT) Equipment; Part 3: Up to 400 V Direct Current (DC). ETSI Technical Committee Environmental Engineering (EE). ETSI: Sophia Antipolis, France, 2021.
- 946-2020; IEEE Recommended Practice for the Design of DC Power Systems for Stationary Applications. Energy Storage and Stationary Battery Committee. IEEE: New York, USA, 2020.
- EN IEC 60204-11:2019; Safety of machinery—Electrical equipment of machines—Part 11: Requirements for equipment for voltages above 1 000 V AC or 1 500 V DC and not exceeding 36 kV. CLC/TC 44X—Safety of Machinery: Electrotechnical Aspects. CENELEC: Brussels, Belgium, 2019.
- EN IEC 60947-1:2021; Low-voltage switchgear and controlgear—Part 1: General rules. CLC/TC 121A—Low-Voltage Switchgear and Controlgear. CENELEC: Brussels, Belgium, 2021.
- IEC 61992-1:2006+AMD1:2014 CSV; Railway Applications—Fixed Installations—DC Switchgear—Part 1:General. TC 9—Electrical Equipment and Systems for Railways. IEC: Geneva, Switzerland, 2014.
- IEC 60850:2014; Railway Applications—Supply Voltages of Traction systems. TC 9—Electrical Equipment and Systems for Railways. IEC: Geneva, Switzerland, 2014.
Disclaimer/Publisher’s Note: The statements, opinions and data contained in all publications are solely those of the individual author(s) and contributor(s) and not of MDPI and/or the editor(s). MDPI and/or the editor(s) disclaim responsibility for any injury to people or property resulting from any ideas, methods, instructions or products referred to in the content. |
© 2023 by the authors. Licensee MDPI, Basel, Switzerland. This article is an open access article distributed under the terms and conditions of the Creative Commons Attribution (CC BY) license (https://creativecommons.org/licenses/by/4.0/).














