A Solid-State Marx Generator with Prevention of through Current for Rectangular Pulses
Abstract
:1. Introduction
2. Principle Analysis and Design
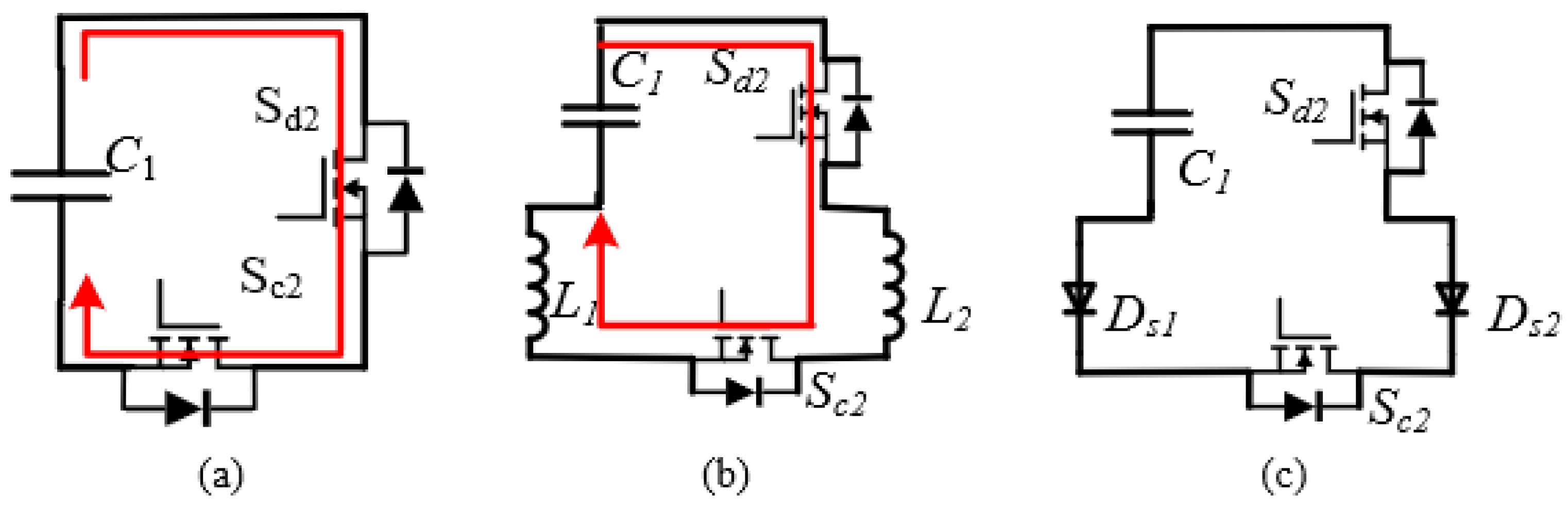
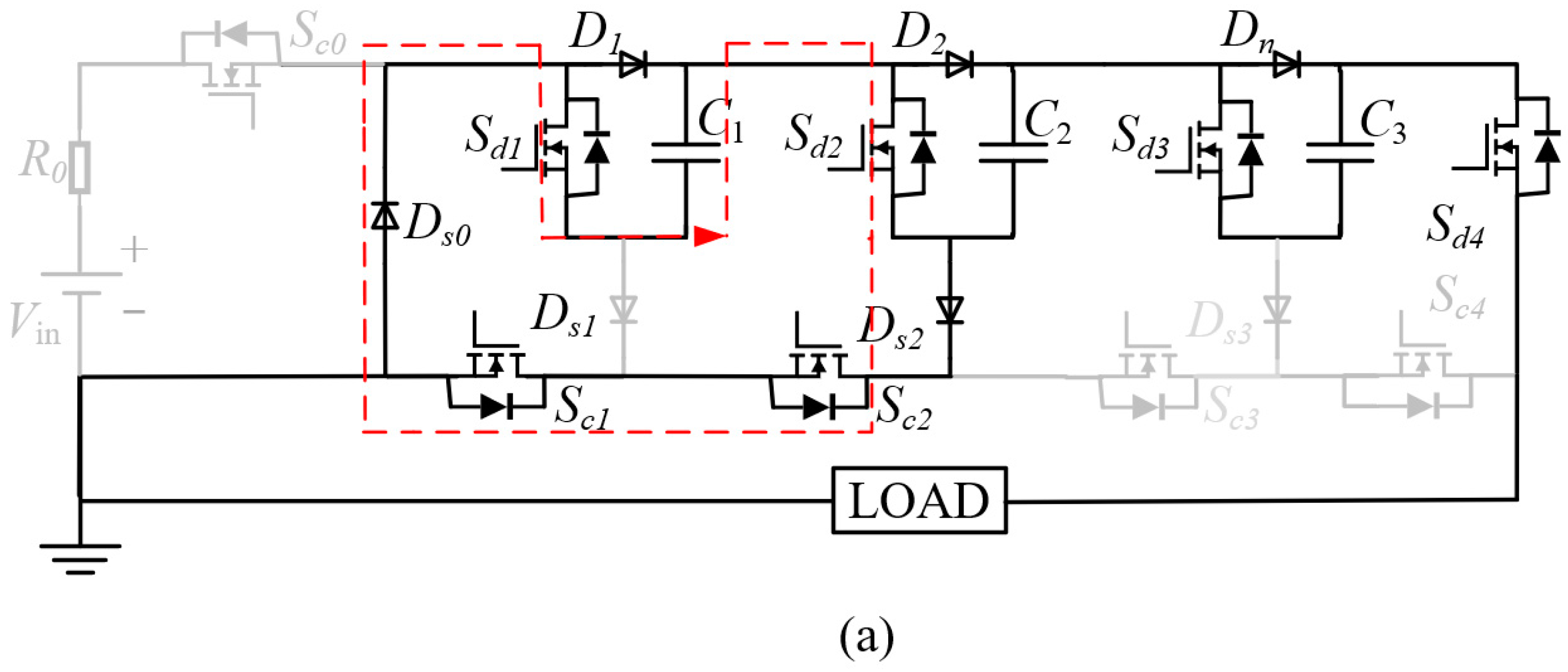
2.1. Working Principle of Diode Protection SSMG
2.2. Comparison of through Current in Different SSMGs
2.3. Component Selection
3. Simulation
4. Experimental Results and Discussion
5. Conclusions
Author Contributions
Funding
Data Availability Statement
Conflicts of Interest
References
- Zhong, Z.; Rao, J.; Liu, H.; Redondo, L.M. Review on Solid-State-Based Marx Generators. IEEE Trans. Plasma Sci. 2021, 49, 3625–3643. [Google Scholar] [CrossRef]
- Renau, A. 35 Years of challenge and innovation in ion implant. MRS Adv. 2022, 7, 1234–1240. [Google Scholar] [CrossRef]
- Nguyen, D.K.; Dimitrakellis, P.; Talley, M.R.; O’Dea, R.M.; Epps, T.H., III; Watson, M.P.; Vlachos, D.G. Oxidative Functionalization of Long-Chain Liquid Alkanes by Pulsed Plasma Discharges at Atmospheric Pressure. ACS Sustain. Chem. Eng. 2022, 10, 15749–15759. [Google Scholar] [CrossRef]
- Peng, W.; Cao, Y.; Zhang, Y.; Zhong, A.; Zhang, C.; Wei, Z.; Liu, X.; Dong, S.; Wu, J.; Xue, Y.; et al. Optimal Irreversible Electroporation Combined with Nano-Enabled Immunomodulatory to Boost Systemic Antitumor Immunity. Adv. Healthc. Mater. 2023, e2302549. [Google Scholar] [CrossRef]
- Rao, J.; Zhang, R.; Shi, F.; Zhuang, L.; Ji, Z.; Zhuang, J. A high-voltage solid-state Marx generator with adjustable pulse edges. High Volt. 2023, 8, 878–888. [Google Scholar] [CrossRef]
- Chen, L.; Zhu, C.; Zheng, J.; Qiu, J.; Zhao, H.; Liu, K. A Flexible Solid-State Marx Modulator Module Based on Discrete Magnetic Coupling Drivers. Electronics 2023, 12, 3831. [Google Scholar] [CrossRef]
- Chen, R.; Yang, J.; Cheng, X.; Qian, B. Study on a Marx generator with high-voltage silicon-stacks instead of isolating inductances. High Volt. 2020, 5, 762–767. [Google Scholar] [CrossRef]
- Ma, J.; Yu, L.; Sun, W.; Dong, S.; Gao, L.; Yao, C. Investigation and Evaluation of Solid-State Marx Pulse Generator Based on 3-D Busbar. IEEE Trans. Plasma Sci. 2021, 49, 1597–1604. [Google Scholar] [CrossRef]
- Ding, W.; Wang, Y.; Fan, C.; Gou, Y.; Xu, Z.; Yang, L. A Subnanosecond Jitter Trigger Generator Utilizing Trigatron Switch and Avalanche Transistor Circuit. IEEE Trans. Plasma Sci. 2015, 43, 1054–1062. [Google Scholar] [CrossRef]
- Jo, H.B.; Song, S.H.; Lee, S.H.; Ryoo, H.J. MOSFET Gate Driver Circuit Design for High Repetitive (200 kHz) High Voltage (10 kV) Solid-State Pulsed-Power Modulator. IEEE Trans. Power Electron. 2021, 36, 10461–10469. [Google Scholar] [CrossRef]
- Jiang, W.; Yatsui, K. Compact pulsed power generators for industrial applications. IEEJ Trans. Fundam. Mater. 2004, 124, 451–455. [Google Scholar] [CrossRef]
- Lehr, J.; Ron, P. Marx generators and Marx-like circuits. In Foundations of Pulsed Power Technology; IEEE: New York, NY, USA, 2018; pp. 1–62. [Google Scholar] [CrossRef]
- Bykov, Y.A.; Krastelev, E.G. Gas spark switches with increased operating life for Marx generator of lightning test complex. Phys. At. Nucl. 2016, 79, 1614–1618. [Google Scholar] [CrossRef]
- Zhang, H.; Shu, T.; Liu, S.; Zhang, Z.; Song, L.; Zhang, H. A Compact Modular 5 GW Pulse PFN-Marx Generator for Driving HPM Source. Electronics 2021, 10, 545. [Google Scholar] [CrossRef]
- Krasnykh, A.; Akre, R.; Gold, S.; Koontz, R. A solid state Marx type modulator for driving a TWT. In Proceedings of the Conference Record of the 2000 Twenty-fourth International Power Modulator Symposium, Norfolk, VA, USA, 26–29 June 2000; pp. 209–211. [Google Scholar]
- Rao, J.; Lei, Y.; Jiang, S.; Li, Z.; Kolb, J.F. All solid-state rectangular sub-microsecond pulse generator for water treatment application. IEEE Trans. Plasma Sci. 2018, 46, 3359–3363. [Google Scholar] [CrossRef]
- Chirokov, A.; Gutsol, A.; Fridman, A.; Sieber, K.D.; Grace, J.M.; Robinson, K.S. Analysis of two-dimensional microdischarge distribution in dielectric-barrier discharges. Plasma Sources Sci. Technol. 2004, 13, 623. [Google Scholar] [CrossRef]
- Baek, J.W.; Yoo, D.W.; Rim, G.H.; Lai, J.-S. Solid state Marx generator using series-connected IGBTs. IEEE Trans. Plasma Sci. 2005, 33, 1198–1204. [Google Scholar] [CrossRef]
- Cassel, R.L. An all solid-state pulsed Marx type modulator for magnetrons and klystrons. In Proceedings of the 2005 IEEE Pulsed Power Conference, Monterey, CA, USA, 13–15 June 2007; pp. 836–838. [Google Scholar]
- Horiguchi, T.; Kinouchi, S.I.; Nakayama, Y.; Akagi, H. A fast short-circuit protection method using gate charge characteristics of SiC MOSFETs. In Proceedings of the 2015 IEEE Energy Conversion Congress and Exposition (ECCE), Montreal, QC, Canada, 20–24 September 2015. [Google Scholar]
- Wang, J.; Jiang, X.; Li, Z.; Shen, Z.J. Short-Circuit Ruggedness and Failure Mechanisms of Si/SiC Hybrid Switch. IEEE Trans. Power Electron. 2019, 34, 2771–2780. [Google Scholar] [CrossRef]
- Li, Z.; Liu, H.; Jiang, S.; Rao, J. A novel drive circuit with overcurrent protection for solid state pulse generators. IEEE Trans. Dielectr. Electr. Insul. 2019, 26, 361–366. [Google Scholar] [CrossRef]
- Yuan, S.; Wang, Y.; Li, Z.; Jiang, S.; Zhuang, J.; Rao, J. A Drive Circuit with Overcurrent Protection for Solid-State Marx Generators. IEEE Trans. Plasma Sci. 2022, 50, 2412–2420. [Google Scholar] [CrossRef]
- Liu, K.; Luo, Y.; Qiu, J. A repetitive high voltage pulse adder based on solid state switches. IEEE Trans. Dielectr. Electr. Insul. 2009, 16, 1076–1080. [Google Scholar] [CrossRef]
- Jang, S.R.; Ryoo, H.J.; Goussev, G. Compact and High Repetitive Pulsed Power Modulator Based on Semiconductor Switches. IEEE Trans. Dielectr. Electr. Insul. 2011, 18, 1242–1249. [Google Scholar] [CrossRef]
- Achour, Y.; Starzyński, J.; Rąbkowski, J. Modular Marx Generator Based on SiC-MOSFET Generating Adjustable Rectangular Pulses. Energies 2021, 14, 3492. [Google Scholar] [CrossRef]
- Kpomahou, Y.J.F.; Miwadinou, C.H.; Hinvi, L.A. Mathematical modelling and parametric resonances of a nonlinear RLC series circuit. Int. J. Nonlinear Dyn. Control 2018, 1, 133–153. [Google Scholar] [CrossRef]
- Premkumar, M.; Kumar, C.; Sowmya, R. Analysis and Implementation of High-Performance DC-DC Step-Up Converter for Multilevel Boost Structure. Front. Energy Res. 2019, 7, 149. [Google Scholar] [CrossRef]
- Zhang, C.; Jin, S.; Fang, Z. Research on the Overcurrent-Short Circuit Protection Method of Nanosecond Pulse Power Supply Applied in the Field of Gliding Arc Discharge. In Proceedings of the 2021 IEEE International Conference on Plasma Science (ICOPS), Lake Tahoe, NV, USA, 12–16 September 2021; p. 1. [Google Scholar] [CrossRef]










| Contents | Value |
|---|---|
| Drain-Source Voltage Vds | 1200 V |
| Continuous Drain Current Id | 31.6 A |
| Pulsed Drain Current | 80 A |
| On-Resistance Rds(on) | 80 mΩ |
| Contents | Value |
|---|---|
| Repetitive Peak Voltage VRRM | 1 kV |
| Average Forward Current IF(AV) | 1.5 A |
| Surge Forward Current IFSM | 60 A |
| Peak Reverse Current IRRM | 50 μA |
| Reverse Recovery Time trr | 500 ns |
| Contents | Value |
|---|---|
| Input Voltage | 420 V |
| Stages | 3 |
| Output Voltage | 1260 V |
| Storage Capacitor | 400 nF |
| Load | 3 pF |
| Pulse Width | 5 μs |
| Protection Inductor | 10 μH |
| Contents | Value |
|---|---|
| Input Voltage | 0–420 V |
| Stages | 52 |
| Output Voltage | 0–22 kV |
| Pulse Width | 1–50 μs |
| Load | 3 pF (Probe) |
| Storage Capacitor | 400 nF |
Disclaimer/Publisher’s Note: The statements, opinions and data contained in all publications are solely those of the individual author(s) and contributor(s) and not of MDPI and/or the editor(s). MDPI and/or the editor(s) disclaim responsibility for any injury to people or property resulting from any ideas, methods, instructions or products referred to in the content. |
© 2023 by the authors. Licensee MDPI, Basel, Switzerland. This article is an open access article distributed under the terms and conditions of the Creative Commons Attribution (CC BY) license (https://creativecommons.org/licenses/by/4.0/).
Share and Cite
Shi, F.; Chen, P.; Jiang, S.; Zhuang, J.; Rao, J. A Solid-State Marx Generator with Prevention of through Current for Rectangular Pulses. Electronics 2024, 13, 101. https://doi.org/10.3390/electronics13010101
Shi F, Chen P, Jiang S, Zhuang J, Rao J. A Solid-State Marx Generator with Prevention of through Current for Rectangular Pulses. Electronics. 2024; 13(1):101. https://doi.org/10.3390/electronics13010101
Chicago/Turabian StyleShi, Fukun, Ping Chen, Song Jiang, Jie Zhuang, and Junfeng Rao. 2024. "A Solid-State Marx Generator with Prevention of through Current for Rectangular Pulses" Electronics 13, no. 1: 101. https://doi.org/10.3390/electronics13010101
APA StyleShi, F., Chen, P., Jiang, S., Zhuang, J., & Rao, J. (2024). A Solid-State Marx Generator with Prevention of through Current for Rectangular Pulses. Electronics, 13(1), 101. https://doi.org/10.3390/electronics13010101

