Identification of Critical Nodes in Power Grid Based on Improved PageRank Algorithm and Power Flow Transfer Entropy
Abstract
:1. Introduction
2. Power Grid Modeling and PageRank Algorithm
2.1. Complex Network Model of Power Grid
2.2. PageRank Algorithm
3. Improved PageRank Algorithm
3.1. Problems and Improvements
- The PageRank algorithm assumes users move randomly along the hyperlink matrix, distributing PageRank values to nodes they point to with equal probability. In contrast, the power system’s network features varying interconnections between nodes, necessitating the allocation of PageRank values based on the degree of connection.
- When using the PageRank algorithm to assess node importance, the power nodes, serving as the network’s starting points, have only outgoing lines and no incoming lines, while load nodes possess only incoming lines and no outgoing lines. This results in these two node types being assigned low importance, deviating from the actual dynamics of the power grid.
- Modification of the general transfer matrix G based on power flow in the line and equivalent impedance between nodes. This adjustment creates an electrical transmission transfer matrix that aligns with the link characteristics of the power system.
- Introduction of a virtual node v within the original grid structure (Figure 3). To maintain power balance after incorporating virtual nodes, they are connected to all power generation nodes, and all load nodes are linked to the virtual nodes. Ultimately, the sizes of the load and generator output serve as the weights of the edges.
3.2. Electrical Adjacency Matrix
- When ,
- When there are three cases:
- When , ,
- When , ,
- When , ,
3.3. Electrical Self-Link Matrix
3.4. Electrical Transmission Transfer Matrix
- 1.
- Randomness: is a random matrix.
- 2.
- Irreducibility: is an irreducible matrix.
- 3.
- Aperiodicity: is a non-periodic matrix.
4. Identification of Critical Nodes
4.1. Weighted Power Flow Transfer Entropy of Grid Node
4.2. Calculation Method of IPRA-PFTE
- Step 1:
- The weighted directed network model of the power grid is constructed using Equation (1).
- Step 2:
- The network expansion matrix is calculated using Equations (4)–(10).
- Step 3:
- The network electrical transmission transfer matrix is calculated using Equation (11).
- Step 4:
- The vector is calculated using Equations (13)–(15).
- Step 5:
- The node-weighted power flow transfer entropy is calculated using Equations (16)–(18).
- Step 6:
- The vector , which is an indicator for evaluating the importance of the node, is calculated using Equation (19).
- Step 7:
- The nodes are sorted according to the size of the evaluation index.
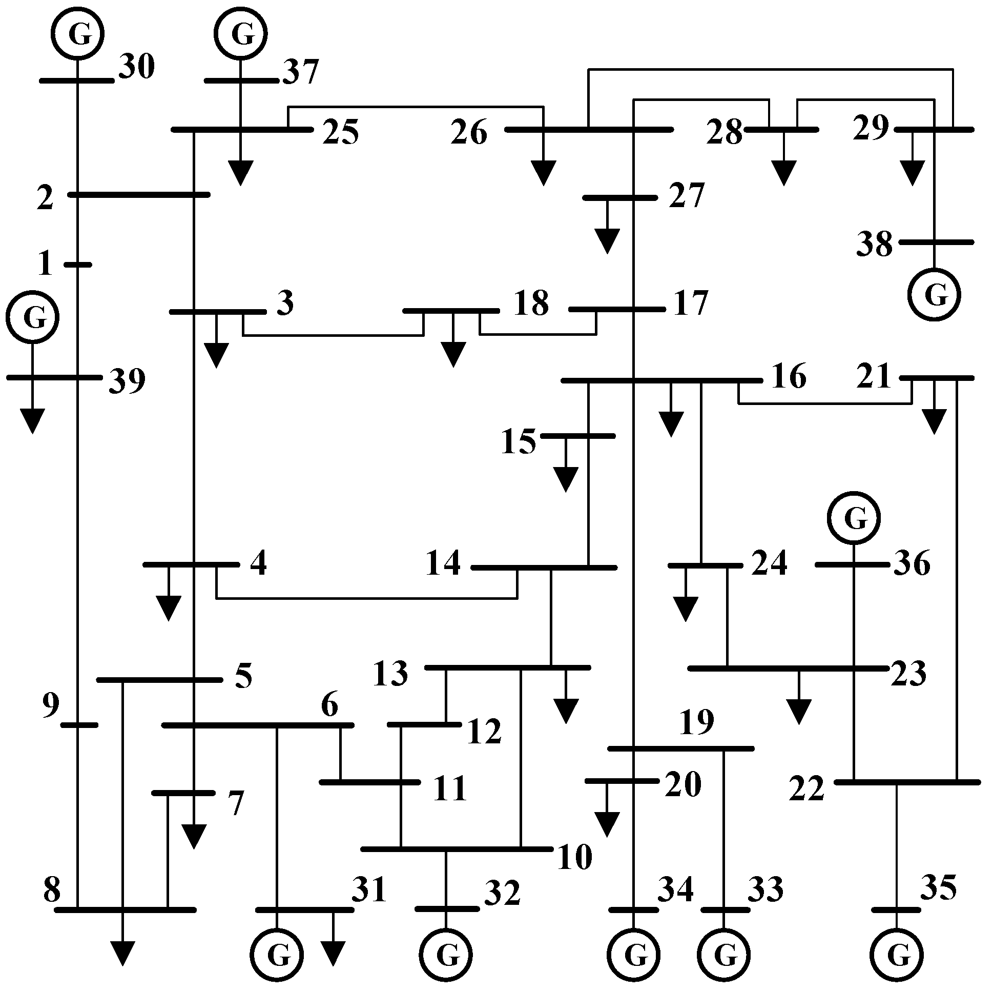
5. Simulation and Discussion
5.1. Critical Node Identification Results
5.2. Network Performance Impact Analysis
5.2.1. Network Performance Indicators
- Network Transmission Efficiency
- 2.
- Load Survival Rate
- 3.
- Comprehensive Performance Indicator
5.2.2. Comparison Analysis
6. Conclusions
Author Contributions
Funding
Data Availability Statement
Conflicts of Interest
References
- Tu, J.; He, J.; An, X.; Zhang, G.; Xie, Y.; Sun, W.; Li, L. Analysis and Lessons of Pakistan Blackout Event on January 23, 2023. Proc. CSEE 2023, 43, 5319–5329. [Google Scholar]
- Eisenberg, D.A.; Park, J.; Seager, T.P. Linking cascading failure models and organizational networks to manage large-scale blackouts in South Korea. J. Manag. Eng. 2020, 36, 04020067. [Google Scholar] [CrossRef]
- Lei, A.; Zhou, J.; Mei, Y.; Tu, L.; Wang, H.; Li, J. Analysis and Lessons of the Blackout in Chinese Taiwan Power Grid on March 3, 2022. South. Power Syst. Technol. 2022, 16, 90–97. [Google Scholar]
- Yan, D.; Wen, J.; Du, Z.; Yang, D.; Yao, W.; Zhao, H.; Liu, J. Analysis of Texas blackout in 2021 and its enlightenment to power system planning management. Power Syst. Prot. Control 2021, 49, 121–128. [Google Scholar]
- Hu, Y.; Xue, S.; Zhang, H.; Feng, X.X. Cause Analysis and Enlightenment of Global Blackouts in the Past 30 Years. Electr. Power 2021, 54, 204–210. [Google Scholar]
- Li, Y.; Liu, J.; Liu, X.; Jiang, L.; Wei, Z.; Xu, W. Vulnerability Assessment in Power Grid Cascading Failures Based on Entropy of Power Flow. Autom. Electr. Power Syst. 2012, 36, 11–16. [Google Scholar]
- Li, J.; Lin, Y.; Su, Q. Identifying critical nodes in power grids containing renewable energy based on electrical spreading probability. Int. J. Electr. Power Energy Syst. 2023, 154, 109431. [Google Scholar] [CrossRef]
- Guo, Y.; Liu, S.; Gao, W.; Li, D.; Zhang, A.; Jiang, X. Research on the Construction Method of Cascading Outage Fault Set Based on Weighted Power Flow Entropy and Coupling Branch Intermediate Index. Proc. CSU-EPSA:1-7 2023. [Google Scholar]
- Liu, W.; Zhang, D.; Ding, Y.; Wu, Q.; Deng, C.Y.; Liu, D.W. Power Grid Vulnerability Identification Methods Based on Random Matrix Theory and Entropy Theory. Proc. CSEE 2017, 37, 5893–5901. [Google Scholar]
- Zhang, W.; Sheng, W.; Liu, K.; Du, S.; Jia, D. Operation Risk Assessment of High Penetration Distributed Generation Connected to Distribution Network According to Node Criticality. High Volt. Eng. 2021, 47, 937–947. [Google Scholar]
- Wang, Z.; Miao, S.; Guo, S.; Han, J.; Yin, H.; Mao, W. Node vulnerability evaluation of distribution network considering randomness characteristic of cistributed generation output. Electr. Power Autom. Equip. 2021, 41, 33–40. [Google Scholar]
- Hu, F.; Chen, L.; Chen, J. Cascading failure modeling and robustness evaluation based on AC power flow. Power Syst. Prot. Control. 2021, 49, 35–43. [Google Scholar]
- Wang, X.; Li, H.; Liao, F.; Li, C.; Wang, Y.; Li, Y. Critical node identification of power grid based on voltage anti-interference factors and comprehensive influence factors. Electr. Power Autom. Equip. 2018, 38, 82–88+125. [Google Scholar]
- Li, C.; Liu, W.; Cao, Y.; Chen, H.; Fang, B.; Zhang, W.; Shi, H. Method for evaluating the importance of power grid nodes based on PageRank algorithm. IET Gener. Transm. Distrib. 2014, 8, 1843–1847. [Google Scholar] [CrossRef]
- Ma, Z.; Liu, F.; Shen, C.; Zhang, S.; Tian, B. Rapid Identification of Vulnerable Lines in Power Grid Using Modified PageRank Algorithm—Part I: Theoretical Foundation. Proc. CSEE 2016, 36, 6363–6370+6601. [Google Scholar]
- Ma, Z.; Liu, F.; Shen, C.; Zhang, J.; Gao, F. Rapid Identification of Vulnerable Lines in Power Grid Using Modified PageRank Algorithm—Part II: Factors Affecting Identification Results. Proc. CSEE 2017, 37, 36–45. [Google Scholar]
- Fan, B.; Shu, N.; Li, Z.; Li, F. Critical Nodes Identification for Power Grid Based on Electrical Topology and Power Flow Distribution. IEEE Syst. J. 2023, 17, 4874–4884. [Google Scholar] [CrossRef]
- Zhu, D.; Wang, R.; Cheng, W.; Duan, J.; Wang, H. Critical transmission node identification method based on improved PageRank algorithm. Power Syst. Prot. Control 2022, 50, 86–93. [Google Scholar]
- Li, C.; Kang, Z.; Yu, H.; Li, X.; Zhao, B. Identification Method of Key Nodes in Power System Based on Improved PageRank Algorithm. Trans. China Electrotech. Soc. 2019, 34, 1952–1959. [Google Scholar]
- Ma, Z.; Shen, C.; Liu, F.; Mei, S. Fast screening of vulnerable transmission lines in power grids: A pagerank-based approach. IEEE Trans. Smart Grid 2017, 10, 1982–1991. [Google Scholar] [CrossRef]
- Luo, G.; Shi, D.; Chen, J.; Duan, X. Automatic identification of transmission sections based on complex network theory. IET Gener. Transm. Distrib. 2014, 8, 1203–1210. [Google Scholar]
- Zhu, Z.; Qiu, Z.; Zhao, Y. Importance Identification of Distribution Network Nodes based on Improved PageRank Algorithm. In Proceedings of the 2022 First International Conference on Cyber-Energy Systems and Intelligent Energy (ICCSIE), Shenyang, China, 14–15 January 2023; pp. 1–6. [Google Scholar]
- Ran, L.; Baoyuan, J.; Fan, Z.; Hang, F.; Qingang, D. Research on identification of key nodes in power system based on spectral graph theory. Power Syst. Prot. Control 2018, 46, 14–22. [Google Scholar]










| Power Grid | Web | Weighted Directed Networks |
|---|---|---|
| Bus | Webpage | Node |
| Transmission line | Hyperlink | Edge |
| Power flow on the line | The probability of accessing hyperlinks | The weight of edge |
| Nodal load capacity | Visits to webpage | Load of node |
| Importance of a node | Initial quality of a webpage | Initial quality of a node |
Disclaimer/Publisher’s Note: The statements, opinions and data contained in all publications are solely those of the individual author(s) and contributor(s) and not of MDPI and/or the editor(s). MDPI and/or the editor(s) disclaim responsibility for any injury to people or property resulting from any ideas, methods, instructions or products referred to in the content. |
© 2023 by the authors. Licensee MDPI, Basel, Switzerland. This article is an open access article distributed under the terms and conditions of the Creative Commons Attribution (CC BY) license (https://creativecommons.org/licenses/by/4.0/).
Share and Cite
Zeng, J.; Wu, Y.; Liu, J.; He, D.; Lan, Z. Identification of Critical Nodes in Power Grid Based on Improved PageRank Algorithm and Power Flow Transfer Entropy. Electronics 2024, 13, 184. https://doi.org/10.3390/electronics13010184
Zeng J, Wu Y, Liu J, He D, Lan Z. Identification of Critical Nodes in Power Grid Based on Improved PageRank Algorithm and Power Flow Transfer Entropy. Electronics. 2024; 13(1):184. https://doi.org/10.3390/electronics13010184
Chicago/Turabian StyleZeng, Jinhui, Yisong Wu, Jie Liu, Dong He, and Zheng Lan. 2024. "Identification of Critical Nodes in Power Grid Based on Improved PageRank Algorithm and Power Flow Transfer Entropy" Electronics 13, no. 1: 184. https://doi.org/10.3390/electronics13010184
APA StyleZeng, J., Wu, Y., Liu, J., He, D., & Lan, Z. (2024). Identification of Critical Nodes in Power Grid Based on Improved PageRank Algorithm and Power Flow Transfer Entropy. Electronics, 13(1), 184. https://doi.org/10.3390/electronics13010184
