Variable Switching Frequency for ZVS over Wide Voltage Range in Dual Active Bridge
Abstract
1. Introduction
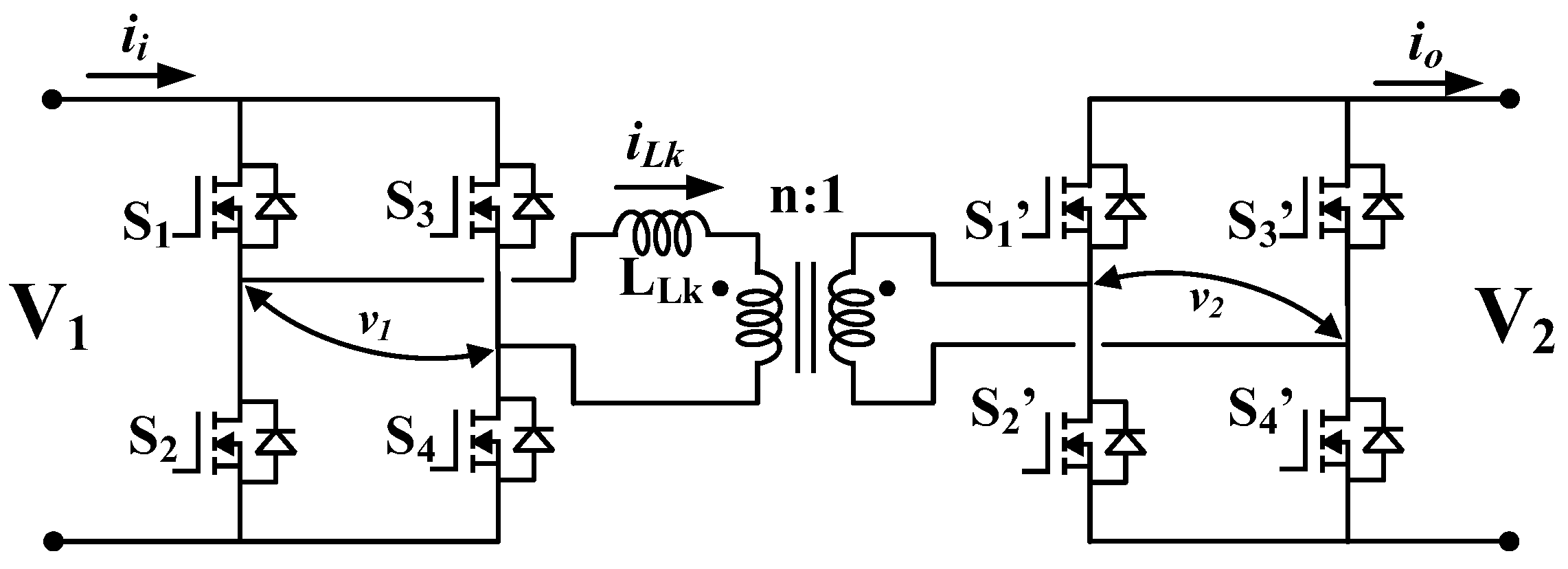
2. DAB Converter Operating Principles
3. Variable Switching Frequency
3.1. RMS and Reactive Currents
3.2. ZVS Boundaries
3.3. Minimum Switching Frequency
4. Experimental Results
5. Conclusions
Author Contributions
Funding
Data Availability Statement
Conflicts of Interest
References
- De Doncker, R.W.; Divan, D.M.; Kheraluuwala, M.H. A Three-Phase Soft-Switched High Power Density DC/DC Converter for High Power Applications. IEEE Ind. Appl. Soc. Annu. Meet. 1988, 1, 796–805. [Google Scholar]
- Kheraluwala, M.H.; Gascoigne, R.W.; Divan, D.M.; Baumann, E.D. Performance Characterization of a High-Power Dual Active Bridge dc-to-dc Converter. IEEE Trans. Ind. Appl. 1992, 28, 1294–1301. [Google Scholar] [CrossRef]
- Schibli, N. Symmetrical Multilevel Converters with Two Quadrant DC-DC Feeding; École Polytechnique Fédérale de Lausanne: Lausanne, Switzerland, 2000. [Google Scholar]
- Krismer, F. Modeling and Optimization of Bidirectional Dual Active Bridge DC—DC Converter Topologies; ETH Zurich: Zürich, Switzerland, 2010. [Google Scholar]
- Rodríguez, A.; Vázquez, A.; Lamar, D.G.; Hernando, M.M.; Sebastián, J. Different purpose design strategies and techniques to improve the performance of a dual active bridge with phase-shift control. IEEE Trans. Power Electron. 2015, 30, 790–804. [Google Scholar] [CrossRef]
- Dong, J.; Pou, J.; Li, X.; Mukherjee, S.; Gupta, A.K.; Zeng, Y. Hybrid Duty Ratio Phase-Shift Modulation for a Si + SiC Neutral-Point-Clamped Dual-Active-Bridge Converter. IEEE Access 2023, 11, 129866–129881. [Google Scholar] [CrossRef]
- Zhao, B.; Song, Q.; Liu, W. Power characterization of isolated bidirectional dual-active-bridge dc-dc converter with dual-phase-shift control. IEEE Trans. Power Electron. 2012, 27, 4172–4176. [Google Scholar] [CrossRef]
- Gu, H.; Jiang, D.; Yin, R.; Huang, S.; Liang, Y.; Wang, Y. Power characteristics analysis of bidirectional full-bridge DC-DC converter with triple-phase-shift control. In Proceedings of the 2015 10th IEEE Conference on Industrial Electronics and Applications, ICIEA 2015, Auckland, New Zealand, 5–17 June 2015; pp. 363–368. [Google Scholar] [CrossRef]
- Zeng, Y.; Pou, J.; Sun, C.; Mukherjee, S.; Xu, X.; Gupta, A.K.; Dong, J. Autonomous Input Voltage Sharing Control and Triple Phase Shift Modulation Method for ISOP-DAB Converter in DC Microgrid: A Multiagent Deep Reinforcement Learning-Based Method. IEEE Trans. Power Electron. 2023, 38, 2985–3000. [Google Scholar] [CrossRef]
- Yan, Y.; Bai, H.; Foote, A.; Wang, W. Securing Full-Power-Range Zero-Voltage Switching in Both Steady-State and Transient Operations for a Dual-Active-Bridge-Based Bidirectional Electric Vehicle Charger. IEEE Trans. Power Electron. 2020, 35, 7506–7519. [Google Scholar] [CrossRef]
- Fernandez-Hernandez, A.; Gonzalez-Hernando, F.; Garcia-Bediaga, A.; Villar, I.; Abad, G. Design Space Analysis of the Dual-Active-Bridge Converter for More Electric Aircraft. Energies 2022, 15, 9503. [Google Scholar] [CrossRef]
- Krismer, F.; Kolar, J.W. Closed form solution for minimum conduction loss modulation of DAB converters. IEEE Trans. Power Electron. 2012, 27, 174–188. [Google Scholar] [CrossRef]
- Xie, H.; Zhang, Y.; Cai, F. Variable inductance control of DAB converter to reduce reactive power. In Proceedings of the 2023 IEEE 6th International Electrical and Energy Conference, CIEEC 2023, Hefei, China, 2–14 May 2023; Institute of Electrical and Electronics Engineers Inc.: Piscataway, NJ, USA, 2023; pp. 1360–1364. [Google Scholar] [CrossRef]
- Saeed, S.; Garcia, J. Extended Operational Range of Dual-Active-Bridge Converters by using Variable Magnetic Devices. In Proceedings of the 2019 IEEE Applied Power Electronics Conference and Exposition (APEC), Anaheim, CA, USA, 17–21 March 2019. [Google Scholar] [CrossRef]
- Yin, Y.; Wang, W.; Wang, N.; Chen, A. An Online Efficiency Optimization Strategy Based on Variable-Frequency Phase-Shift Modulation for Dual-Active-Bridge Converters. In Proceedings of the 2023 11th International Conference on Power Electronics and ECCE Asia (ICPE 2023—ECCE Asia), Jeju, Republic of Korea, 22–25 May 2023. [Google Scholar] [CrossRef]
- Guidi, G.; Pavlovsky, M.; Kawamura, A.; Imakubo, T.; Sasaki, Y. Improvement of Light Load Efficiency of Dual Active Bridge DC-DC Converter by Using Dual Leakage Transformer and Variable Frequency. In Proceedings of the 2010 IEEE Energy Conversion Congress and Exposition, Atlanta, GA, USA, 12–16 September 2010. [Google Scholar] [CrossRef]
- Cárcamo, A.; Vázquez, A.; Rodríguez, A.; Lamar, D.G.; Hernando, M.M.; Gómez, A.A.; Remón, D. Control Strategy for DAB using SPS for Integration of Modular Batteries in EV. In Proceedings of the 2023 25th European Conference on Power Electronics and Applications (EPE’23 ECCE Europe), Aalborg, Denmark, 4–8 September 2023. [Google Scholar] [CrossRef]
- Everts, J.; Krismer, F.; Van Den Keybus, J.; Driesen, J.; Kolar, J.W. Optimal zvs modulation of single-phase single-stage bidirectional dab ac-dc converters. IEEE Trans. Power Electron. 2014, 29, 3954–3970. [Google Scholar] [CrossRef]
- Esteve, V.; Bellido, J.L.; Jordán, J.; Dede, E.J. Improving the Efficiency of an Isolated Bidirectional Dual Active Bridge DC–DC Converter Using Variable Frequency. Electronics 2024, 13, 294. [Google Scholar] [CrossRef]
- Saegmueller, M.; Hackl, C.; Witzmann, R.; Richter, R. Analytic Solutions for Minimum Conduction LossModulation of Dual Active Bridge ConvertersIncluding Frequency Variation. In Proceedings of the IECON 2020 The 46th Annual Conference of the IEEE Industrial Electronics Society, Singapore, 18–21 October 2020. [Google Scholar] [CrossRef]
- Erni, I.R.; Vidal-Idiarte, E.; Calvente, J.; Guasch-Pesquer, L. Small Signal Modelling for Variable Frequency Control with Maximum Efficiency Point Tracking of DAB Converter. IEEE Access 2021, 9, 85289–85299. [Google Scholar] [CrossRef]
- Hiltunen, J.; Vaisanen, V.; Juntunen, R.; Silventoinen, P. Variable-Frequency Phase Shift Modulation of a Dual Active Bridge Converter. IEEE Trans. Power Electron. 2015, 30, 7138–7148. [Google Scholar] [CrossRef]
- Mandal, S.; Shukla, A.; Doolla, S. Optimizing Transformer RMS Current Using Single Phase Shift Variable Frequency Modulation for Dual Active Bridge DC-DC Converter. In Proceedings of the 2022 IEEE Energy Conversion Congress and Exposition, ECCE 2022, Detroit, MI, USA, 9–13 October 2022; Institute of Electrical and Electronics Engineers Inc.: Piscataway, NJ, USA, 2022. [Google Scholar] [CrossRef]
- Ma, P.; Sha, D.; Zhang, D. High-Efficiency and Full Range ZVS Single-Stage Semi-DAB AC-DC Converter with Improved Modulation and Variable Frequency Control. IEEE Trans. Power Electron. 2024, 39, 6003–6016. [Google Scholar] [CrossRef]
- Kazemtarghi, A.; Dey, S.; Mallik, A.; Johnson, N.G. Asymmetric Half-Frequency Modulation in DAB to Optimize the Conduction and Switching Losses in EV Charging Applications. IEEE Trans. Transp. Electrif. 2023, 9, 4196–4210. [Google Scholar] [CrossRef]
- Zhao, X.; Jiang, D.; Chen, J.; Wang, Z.; Liu, Z. The Impact of Periodic Variable Switching Frequency Modulation on Power Transmission in Dual-Active-Bridge Converter and an Improved Scheme. IEEE Trans. Power Electron. 2023, 38, 13966–13976. [Google Scholar] [CrossRef]
- Lyu, D.; Straathof, C.; Soeiro, T.B.; Qin, Z.; Bauer, P. ZVS-Optimized Constant and Variable Switching Frequency Modulation Schemes for Dual Active Bridge Converters. IEEE Open J. Power Electron. 2023, 4, 801–816. [Google Scholar] [CrossRef]
- Fan, Z.; Lu, H.; Chai, J.; Li, Y.; Sun, X. Partition Variable Frequency and EPS Hybrid Control to Achieve Full Load Range ZVS for Dual Active Bridge Converters. IEEE J. Emerg. Sel. Top. Power Electron. 2024, 12, 143–155. [Google Scholar] [CrossRef]
- Tang, Y.; Hu, W.; Cao, D.; Hou, N.; Li, Z.; Li, Y.W.; Chen, Z.; Blaabjerg, F. Deep Reinforcement Learning Aided Variable-Frequency Triple-Phase-Shift Control for Dual-Active-Bridge Converter. IEEE Trans. Ind. Electron. 2023, 70, 10506–10515. [Google Scholar] [CrossRef]
- Fernandez-Hernandez, A.; Garcia-Bediaga, A.; Villar, I.; Abad, G. Analytical equations of the currents in dual active bridge converter for more electric aircraft. In Proceedings of the 2020 IEEE Vehicle Power and Propulsion Conference, VPPC 2020—Proceedings, Virtual Conference, 18 November–16 December 2020; Institute of Electrical and Electronics Engineers Inc.: Piscataway, NJ, USA, 2020. [Google Scholar] [CrossRef]
- Li, S.; Yuan, X.; Wang, Z.; Wang, K.; Zhang, Y.; Wu, X. A Unified Optimal Modulation Strategy for DAB Converters to Trade-off the Backflow Power Reduction and All ZVS in the Full Operating Range. IEEE J. Emerg. Sel. Top. Power Electron. 2023, 11, 5701–5723. [Google Scholar] [CrossRef]
- Costinett, D.; Maksimovic, D.; Zane, R. Circuit-oriented treatment of nonlinear capacitances in switched-mode power supplies. IEEE Trans. Power Electron. 2015, 30, 985–995. [Google Scholar] [CrossRef]
- Kasper, M.; Burkart, R.M.; Deboy, G.; Kolar, J.W. ZVS of Power MOSFETs Revisited. IEEE Trans. Power Electron. 2016, 31, 8063–8067. [Google Scholar] [CrossRef]











| Parameter | Value |
|---|---|
| V1 [V] | 650–800 |
| V2 [V] | 300–500 |
| Lk [µH] | 114 |
| Pn [kW] | 10 |
| [kHz] | 20–70 |
| n | 2 |
| MOSFET | FF11MR12W1M1_B11 |
| M | V1 [V] | V2 [V] | [rad] | [kHz] | [%] | Power [kW] | |
|---|---|---|---|---|---|---|---|
| 0.75 | 800 | 300 | 0.33 | 20 | 21.12 | 97.25 | 10.006 |
| 0.74 | 38 | 18.9 | 96.86 | 10.012 | |||
| 1.1 | 50 | 20.68 | 95.83 | 10.002 | |||
| 1 | 800 | 400 | 0.25 | 20 | 13.58 | 98.28 | 10.009 |
| 0.69 | 50 | 14.84 | 96.60 | 10.002 | |||
| 700 | 350 | 1.03 | 50 | 19.09 | 96.14 | 10.012 | |
| 1.25 | 800 | 500 | 0.19 | 20 | 17.68 | 95.54 | 10.032 |
| 0.39 | 38 | 14.2 | 94.21 | 10.016 | |||
| 0.55 | 50 | 13.63 | 95.88 | 10.002 | |||
| 1.54 | 650 | 500 | 0.22 | 20 | 26.63 | 93.99 | 9.999 |
| 0.74 | 51.5 | 17.08 | 94.55 | 10.000 | |||
| 1.05 | 66.2 | 17.69 | 93.99 | 10.000 |
Disclaimer/Publisher’s Note: The statements, opinions and data contained in all publications are solely those of the individual author(s) and contributor(s) and not of MDPI and/or the editor(s). MDPI and/or the editor(s) disclaim responsibility for any injury to people or property resulting from any ideas, methods, instructions or products referred to in the content. |
© 2024 by the authors. Licensee MDPI, Basel, Switzerland. This article is an open access article distributed under the terms and conditions of the Creative Commons Attribution (CC BY) license (https://creativecommons.org/licenses/by/4.0/).
Share and Cite
Cárcamo, A.; Fernandez-Hernandez, A.; Gonzalez-Hernando, F.; Vázquez, A.; Rodríguez, A. Variable Switching Frequency for ZVS over Wide Voltage Range in Dual Active Bridge. Electronics 2024, 13, 1800. https://doi.org/10.3390/electronics13101800
Cárcamo A, Fernandez-Hernandez A, Gonzalez-Hernando F, Vázquez A, Rodríguez A. Variable Switching Frequency for ZVS over Wide Voltage Range in Dual Active Bridge. Electronics. 2024; 13(10):1800. https://doi.org/10.3390/electronics13101800
Chicago/Turabian StyleCárcamo, Alberto, Alejandro Fernandez-Hernandez, Fernando Gonzalez-Hernando, Aitor Vázquez, and Alberto Rodríguez. 2024. "Variable Switching Frequency for ZVS over Wide Voltage Range in Dual Active Bridge" Electronics 13, no. 10: 1800. https://doi.org/10.3390/electronics13101800
APA StyleCárcamo, A., Fernandez-Hernandez, A., Gonzalez-Hernando, F., Vázquez, A., & Rodríguez, A. (2024). Variable Switching Frequency for ZVS over Wide Voltage Range in Dual Active Bridge. Electronics, 13(10), 1800. https://doi.org/10.3390/electronics13101800

