Unidirectional Hybrid Three-Phase Rectifier with Boost Converter and Coupled Inductor
Abstract
1. Introduction
HTR with Boost Converter
- The coupled inductor was not characterized in details;
 - The control circuit applied was not through a specific integrated circuit;
 - It was not presented how to eliminate the coupling that may arise between the power circuit and the control circuit.
 
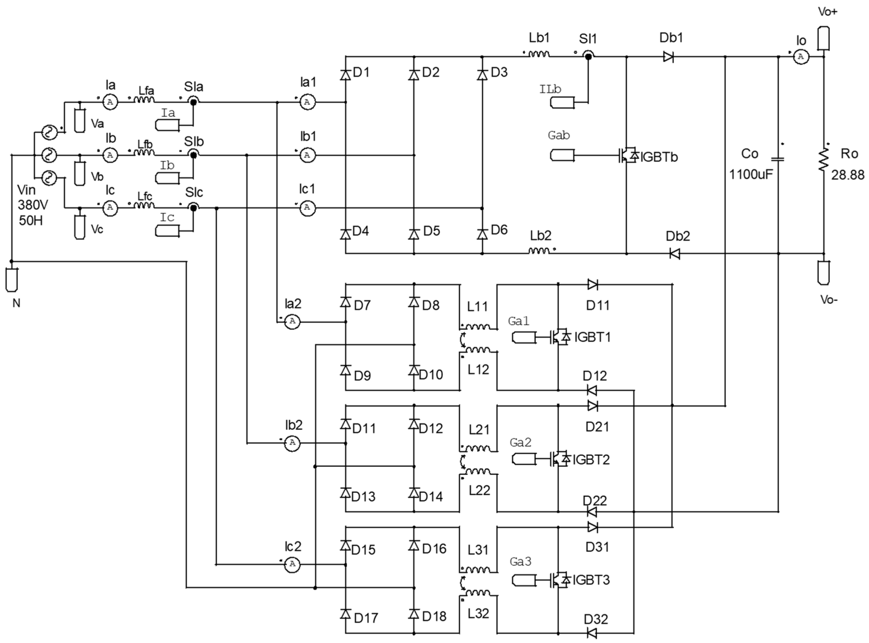
2. Modeling and Implementation of the Proposed UHTR
2.1. Power Circuit
- Gab (IGBT gate to connect to Rectifier 1 control circuit);
 - (IGBT gate to connect to the respective modules of the Rectifier 2 control circuit);
 - (current sensor signal in Rectifier 1 boost converter);
 - (hybrid rectifier input current sensors signal);
 - (hybrid rectifier input voltage);
 - (hybrid rectifier output voltage).
 

2.1.1. Inductor
2.1.2. Discordant Sense Coupled Inductor
2.2. Interface Circuit
- Current sensors: The inductor current signal is obtained by means of current sensors with galvanic isolation. In Rectifier 1, the current sensor is installed on the positive polarity of the Boost converter and, therefore, does not require a precision rectifier, just a polarity inverter, as described in the control circuit. For Rectifier 2, the AC at the input of each phase of the hybrid rectifier is monitored.
 - Current precision rectifier: The output signal of the current sensor (AC) is thus rectified by a current precision rectifier (CPR) in negative polarity. The CPR consists mainly of three operational amplifiers, the first two of which are designed for proper rectification and the last is a Buffer circuit [2,17]. Figure 5a shows the CPR of just one phase.
 - Voltage precision rectifier: The rms voltages obtained from the voltage sensor were rectified by a precision rectifier in positive polarity. In this case, the precision rectifier mainly consists of three operational amplifiers, the first two of which are designed to rectify the appropriate voltage, and the last one is a Voltage Buffer (voltage follower), as shown in Figure 5b [2,17].
 - AC voltage sensor: The input voltage sensors used are transformers in each phase, with a ratio of 220 V/6 V (sensor gain = 0.0273) in star-star configuration, as shown in Figure 6a. In this way, the voltages , , , are obtained, which are images of the input voltages. Three resistors connected in a star are also applied as a load to the output of the transformers, with the central point connected to the ground of the control circuit, serving as a virtual neutral. To avoid high frequency noise above hundreds of Hz, 56 nF capacitors were added in parallel with the resistors.
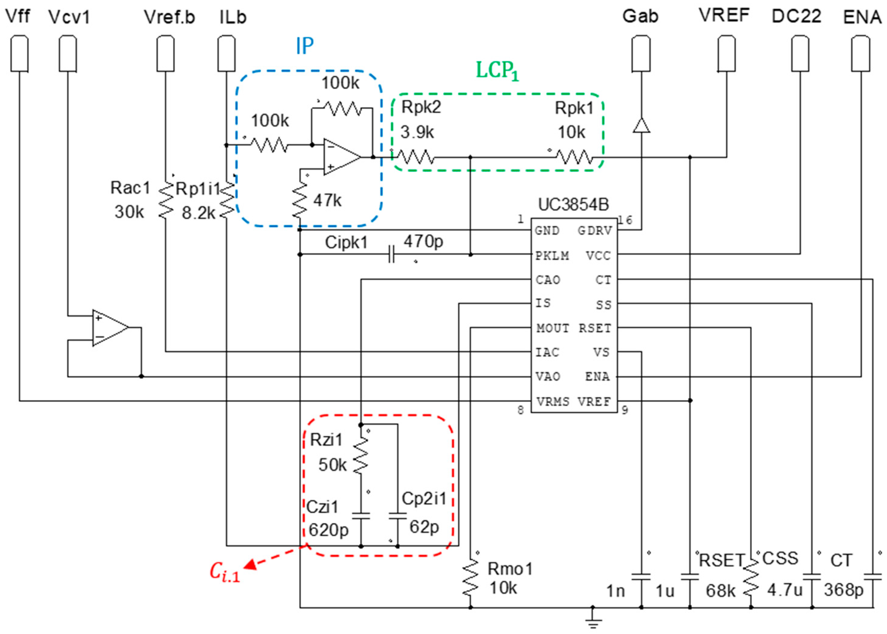
 - DC voltage sensor: To control the output voltage of the DC bus, the output voltage loop circuit is created, which mainly consists of an output voltage sensor (sensor gain, = 0.00329), a voltage signal amplifier and then the respective voltage compensator [2,17], as shown in Figure 6b.According to the methodology for adjusting the voltage compensator parameters, the frequencies determined are:
- ;
 - ;
 - ;
 - .
 
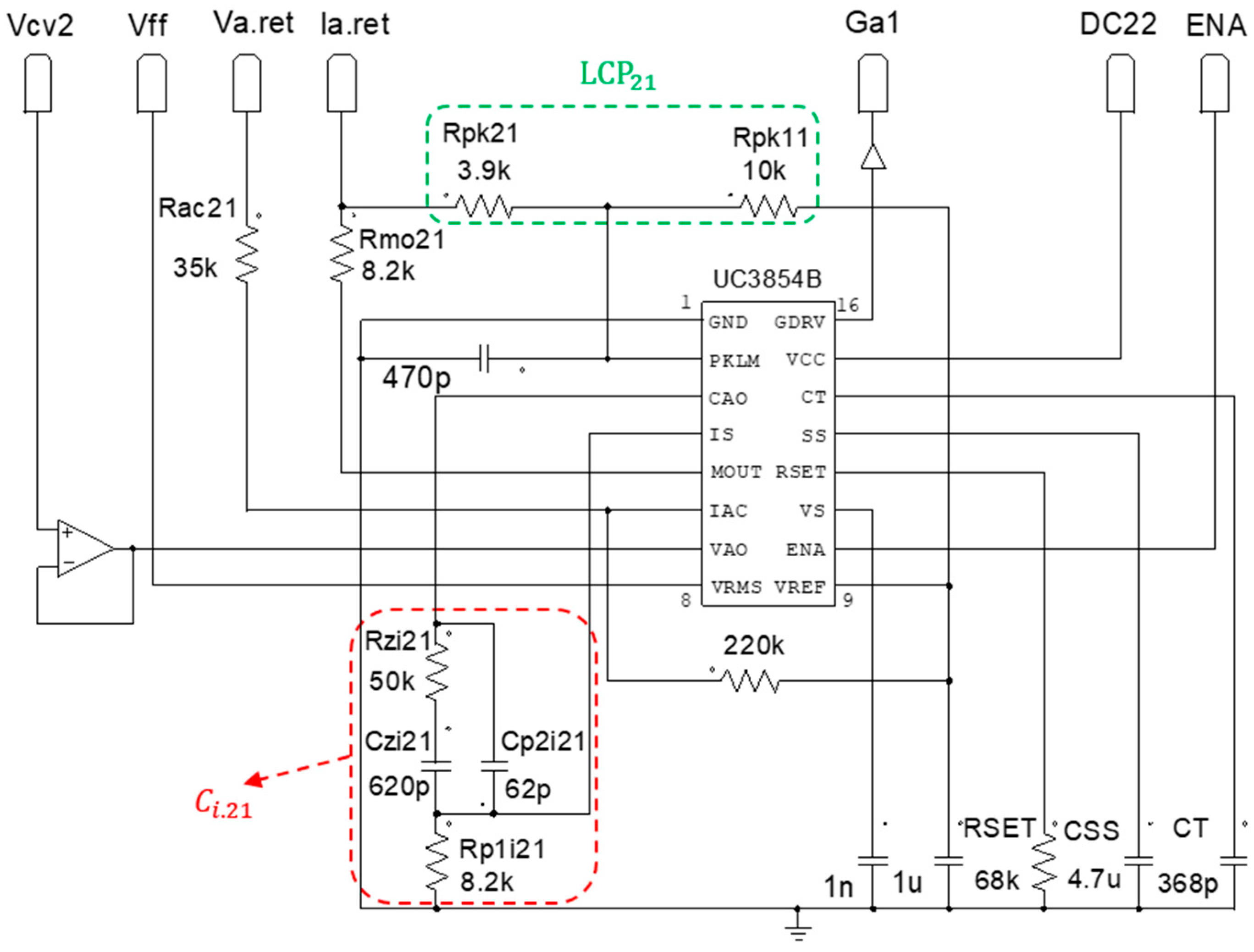
Depending on the frequencies, the components of the voltage compensator are determined, shown in Figure 6b. - Current level regulator circuit: The voltage compensator output voltage can be used to control the current level that the power circuit processes through an additional circuit [4], as is the case with the current level regulator current shown in Figure 7. In this case, the current level regulator allows to regulate (control) the voltage and thus change the current level at the rectifier input. It consists of two circuits, an amplifier and then an inverter, as shown in Figure 7 [2,17]. Although the voltage sensor and voltage compensator are exclusive to the two rectifiers (Rectifier 1 and Rectifier 2), the current level regulator circuit must be one for each rectifier. Thus, as the current level in Regulator 1 changes, the current in Rectifier 2 is compensated, and vice versa [4].
 - Feed-forward voltage circuit: The circuit applied to the feed-forward voltage loop is shown in Figure 8a. It can be seen that the circuit consists of a three-resistance voltage adder (to generate the voltage ), an operational amplifier (to generate the voltage ) and a voltage divider with a filter (to generate the voltage ).
 - Programmable reference voltage of Rectifier 1: For Rectifier 1 to impose a current waveform as represented in Figure 3a, it is necessary that the programmable reference voltage injected into the control circuit is a constant voltage and proportional to the voltage effective input, for which the voltage is used from the feed-forward voltage circuit. The circuit used to generate the programmable reference voltage is represented in Figure 8b.
 - On/off control mode circuit.
 - Auxiliary sources.
 
2.3. Control Circuit
- For the Rectifier 1 current loop, the Boost 1 inductor current signal () is applied;
 - For the current loop of Rectifier 2, the input current signals, and the reference voltage signals, , are applied;
 - On the other hand, the signal is applied to the voltage loop to obtain and this is used for the current loop of the two rectifiers.
 
- (PWM for Rectifier 1 IGBT gate);
 - (PWM for Rectifier 2 IGBT gate);
 - (Rectifier 1 Boost inductor current);
 - (phase A rectified current);
 - (Voltage compensator control voltage for Rectifier 1);
 - (Voltage compensator control voltage for Rectifier 2);
 - (programmable reference voltage for Rectifier 1);
 - (programmable reference voltage for Rectifier 2);
 - (feed-forward voltage);
 - (7.5 V reference voltage);
 - DC22V (22 V integrated circuit power supply);
 - ENA (5 V power supply for on/off control mode).
 
3. Simulation Results
3.1. Rectifier Input Parameters
3.2. Rectifier Output Parameters
3.3. Rectifier Performance
3.4. Power Distribution
3.5. Comparison
4. Conclusions
Author Contributions
Funding
Data Availability Statement
Conflicts of Interest
References
- Kolar, J.W.; Ertl, H. Status of the Techniques of Three-phase Rectifier Systems with Low Effects on the Mains. In Proceedings of the 21st International Telecommunications Energy Conference INTELEC ’99 (Cat No99CH37007), Copenhagen, Denmark, 9 June 1999; pp. 11–14. [Google Scholar]
 - Alves, R.L. Concepção e Análise de Retificadores Híbridos Trifásicos Unidirecionais. Doctoral’s Thesis, Universidade Federal de Santa Catarina, Florianópolis, Brazil, 2008. [Google Scholar]
 - Gonçalves, J.T.; Valtchev, S.; Melicio, R.; Al-Saadi, M. Three-Phase Unidirectional Transformerless Hybrid Rectifier with Boost Converter. In Proceedings of the 2019 IEEE 1st Global Power, Energy and Communication Conference, GPECOM, Nevsehir, Turkey, 12–15 June 2019; pp. 158–163. [Google Scholar]
 - Gonçalves, J.T.; Valtchev, S.; Melicio, R.; Gonçalves, A.; Blaabjerg, F. Hybrid Three-Phase Rectifiers with Active Power Factor Correction: A Systematic Review. Electronics 2021, 10, 1520. [Google Scholar] [CrossRef]
 - Alves, R.L.; Barbi, I. Analysis and Implementation of a Hybrid High-Power-Factor Three-Phase Unidirectional Rectifier. IEEE Trans. Power Electron. 2009, 24, 632–640. [Google Scholar] [CrossRef]
 - De Freitas, L.C.G.; Coelho, E.A.A.; Finazzi, A.P.; Simoes, M.G.; Canesin, C.A.; de Freitas, L.C. Programmable PFC based hybrid multipulse power rectifier for utility interface of power electronic converters. In Proceedings of the 2005 IEEE 36th Power Electronics Specialists Conference, Dresden, Germany, 16 June 2005; IEEE: Piscataway, NJ, USA, 2005; pp. 2237–2243. [Google Scholar]
 - De Freitas, L.C.G.; Vincenzi, F.; Freitas, M.A.A.; Fernandes, E.R.; Mendonça, R.G.; de Freitas, L.C. Programmable PFC Based Hybrid Multipulse Power Rectifier with Sinusoidal Input Line Current Imposed by Digital Controller. In Proceedings of the IEEE APEC 07—Twenty-Second Annual IEEE Applied Power Electronics Conference and Exposition, Anaheim, CA, USA, 25 February–1 March 2007; pp. 1356–1361. [Google Scholar]
 - De Freitas, L.C.G.; Coelho, E.A.A.; Parreira, É.F.; Oliveira, M.A.G.; de Freitas, L.C. Multipulse Power Rectifier without Using Multiphase Transformers. In Proceedings of the 31st Annual Conference of IEEE Industrial Electronics Society, 2005 IECON 2005, Raleigh, NC, USA, 6–10 November 2005; IEEE: Piscataway, NJ, USA, 2005; pp. 519–524. [Google Scholar]
 - Bai, L.; Wang, D.; Zhou, Y. Study on the Current Control Strategy of Hybrid Rectifier based on the PR Controller. In Proceedings of the International Conference on Electrical Machines and Systems (ICEMS), Busan, Republic of Korea, 26–29 October 2013; pp. 1693–1696. [Google Scholar]
 - De Freitas, L.C.G.; Simoes, M.G.; Canesin, C.A.; de Freitas, L.C. Programmable PFC Based Hybrid Multipulse Power Rectifier for Ultra Clean Power Application. IEEE Trans. Power Electron. 2006, 21, 959–966. [Google Scholar] [CrossRef]
 - De Freitas, L.C.G.; Simões, M.G.; Canesin, C.A.; de Freitas, L.C. Performance Evaluation of a Novel Hybrid Multipulse Rectifier for Utility Interface of Power Electronic Converters. IEEE Trans. Ind. Electron. 2007, 54, 3030–3041. [Google Scholar] [CrossRef]
 - Gonçalves, J.T. Desenvolvimento de um Retificador Trifásico Híbrido Unidirecional com Conversor Boost. Doctoral’s Thesis, NOVA School of Science and Technology, Caparica, Portugal, 2022. [Google Scholar]
 - Mayergoyz, I.D.; Lawson, W. Basic Electric Circuit Theory: A One-Semester Text; Gulf Professional Publishing: Houston, TX, USA, 1997; pp. 382–400. [Google Scholar]
 - Zhang, Z. Coupled-Inductor Magnetics in Power Electronics; California Institute of Technology: Pasadena, CA, USA, 1987. [Google Scholar]
 - Sundararajan, D. Introductory Circuit Theory; Springer International Publishing: Berlin/Heidelberg, Germany, 2020; Volume 258, pp. 177–201. [Google Scholar]
 - Brusamarello, V.J.; Blauth, Y.B. An analysis of k ii coupling coefficients. Int. J. Electr. Eng. Educ. 2012, 49, 16–25. [Google Scholar] [CrossRef]
 - Font, C.H.I. Retificadores Trifásicos HIíbridos Bidirecioanais com Fator de Potência Unitário. Doctoral’s Thesis, Florianópolis, Brazil, 2009. Available online: http://repositorio.ufsc.br/xmlui/handle/123456789/92783 (accessed on 7 May 2024).
 - Rossetto, L.; Spiazzi, G.; Tenti, P. Control techniques for power factor correction converters. In Proceedings of the Power Electronic, Motion Control (PEMC), Warsaw, Poland, 20–22 September 1994; pp. 1310–1318. Available online: https://citeseerx.ist.psu.edu/document?repid=rep1&type=pdf&doi=cfed95f1348fe56119c8d1376023f238a2e691d8 (accessed on 7 May 2024).
 - Silva, C.d.S. Power Factor Correction with the UC3854; Application Note; Unitrode Integr Circuits Corp.: Merrimack, NH, USA, 1995. [Google Scholar]
 - Redl, R.; Balogh, L. RMS, DC, Peak, and Harmonic Current in High-Frequency Power-Factor Correctors with Capacitive Energy Storage. In Proceedings of the APEC ’92 Seventh Annual Applied Power Electronics Conference and Exposition, Boston, MA, USA, 23–27 February 1992; pp. 533–540. [Google Scholar]
 - Balogh, L.; Redl, R. Power-Factor Correction with Interleaved Boost Converters in Continuous-Inductor-Current Mode. In Proceedings of the Eighth Annual Applied Power Electronics Conference and Exposition, San Diego, CA, USA, 7–11 March 1993; pp. 168–174. [Google Scholar]
 - Andreycak, B. Optimizing Performance in UC3854 Power Factor Correction Applications. In Unitrode Design Note DN-39E Texas Instruments; Texas Instruments Incorporated: Dallas, TX, USA, 1999; Available online: https://www.ti.com/lit/an/slua172/slua172.pdf?ts=1700675470810 (accessed on 7 May 2024).
 - Alves, R.L.; Barbi, I. A New Hybrid High Power Factor Three-Phase Unidirectional Rectifier. In Proceedings of the 2006 IEEE International Symposium on Industrial Electronics, Scottsdale, AZ, USA, 8–11 May 2006; IEEE: Piscataway, NJ, USA, 2006. [Google Scholar]
 - Font, C.H.I.; Barbi, I. A New High Power Factor Bidirectional Hybrid Three-Phase Rectifier. In Proceedings of the Twenty-First Annual IEEE Applied Power Electronics Conference and Exposition, APEC ’06, Dallas, TX, USA, 19–23 March 2006; IEEE: Piscataway, NJ, USA, 2006; pp. 1300–1306. [Google Scholar]
 - Alves, R.L.; Font, C.H.I.; Barbi, I. Novel Unidirectional Hybrid Three-Phase Rectifier System Employing Boost Topology. In Proceedings of the IEEE 36th Power Electronics Specialists Conference, Recife, Brazil, 12–16 June 2005; IEEE: Piscataway, NJ, USA, 2005; pp. 487–493. [Google Scholar]
 - Duffey, C.K.; Stratford, R.P. Update of harmonic standard IEEE519: IEEE recommended practices and requirements for harmonic control in electric power systems. IEEE Trans. Ind. Appl. 1989, 25, 1025–1034. [Google Scholar] [CrossRef]
 - IEC 61000-3-2; Electromagnetic Compatibility (emc)-Part 3: Limits-Section 2: Limits for Harmonic Current Emissions (Equipment Input Current < 16a Per Phase). International Electrotechnical Commision (IEC): Geneva, Switzerland, 2009.
 - Costa, A.V.; Rodrigues, D.B.; de Lima, G.B.; de Freitas, L.C.; Coelho, E.A.A.; Farias, V.J.; Freitas, L.C.G. New hybrid high-power rectifier with reduced THDI and voltage-sag ride-through capability using BOOST converter. IEEE Trans. Ind. Appl. 2013, 49, 2421–2436. [Google Scholar] [CrossRef]
 





















| Parameter | Description | Value | 
|---|---|---|
| rms line voltage | 380 V | |
| Grid frequency | 50 Hz | |
| Rated output voltage | 760 V | |
| Output power | 20 kW | |
| Load | ||
| Output Condenser | ||
| Switching frequency | 50 kHz | |
| Rectifier 1 boost inductor | ||
| Rectifier 2 Coupled Inductor | ||
| Mutual inductance | ||
| Rectifier 1 current sensor gain | 0.14 | |
| Rectifier 2 current sensor gain | 0.07 | |
| Output voltage sensor gain | 0.00329 | 
| Phase | (V) | (A) | S (kVA) | P (kW) | PF (%) | THD (%) | 
|---|---|---|---|---|---|---|
| Phase A | 220 | 30.33 | 6.653 | 6.648 | 99.92 | 3.96 | 
| Phase B | 220 | 30.32 | 6.649 | 6.643 | 99.92 | 3.96 | 
| Phase C | 220 | 30.33 | 6.654 | 6.649 | 99.92 | 3.96 | 
| Phase | P(kW)-R1 | P(kW)-R2 | P(kW)-HR | P(%)-R1 | P(%)-R2 | 
|---|---|---|---|---|---|
| Phase A | 3.639 | 3.009 | 6.648 | 54.74 | 45.26 | 
| Phase B | 3.640 | 3.008 | 6.648 | 54.75 | 45.25 | 
| Phase C | 3.640 | 3.009 | 6.649 | 54.75 | 45.25 | 
| Total | 10.92 | 9.03 | 19.95 | 54.75 | 45.28 | 
| (kΩ) | P (kW)-R1 | P (kW)-R2 | P (kW)-HR | P (%)-R1 | PF (%) | THDi (%) | 
|---|---|---|---|---|---|---|
| 3 | 5.96 | 13.98 | 19.94 | 29.89 | 99.93 | 3.45 | 
| 5 | 10.92 | 9.02 | 19.94 | 54.75 | 99.92 | 3.96 | 
| 8 | 15.21 | 4.73 | 19.94 | 76.28 | 99.68 | 7.97 | 
Disclaimer/Publisher’s Note: The statements, opinions and data contained in all publications are solely those of the individual author(s) and contributor(s) and not of MDPI and/or the editor(s). MDPI and/or the editor(s) disclaim responsibility for any injury to people or property resulting from any ideas, methods, instructions or products referred to in the content.  | 
© 2024 by the authors. Licensee MDPI, Basel, Switzerland. This article is an open access article distributed under the terms and conditions of the Creative Commons Attribution (CC BY) license (https://creativecommons.org/licenses/by/4.0/).
Share and Cite
Gonçalves, J.T.; Valtchev, S.; Luis, E.; Blaabjerg, F. Unidirectional Hybrid Three-Phase Rectifier with Boost Converter and Coupled Inductor. Electronics 2024, 13, 1864. https://doi.org/10.3390/electronics13101864
Gonçalves JT, Valtchev S, Luis E, Blaabjerg F. Unidirectional Hybrid Three-Phase Rectifier with Boost Converter and Coupled Inductor. Electronics. 2024; 13(10):1864. https://doi.org/10.3390/electronics13101864
Chicago/Turabian StyleGonçalves, José Teixeira, Stanimir Valtchev, Euclides Luis, and Frede Blaabjerg. 2024. "Unidirectional Hybrid Three-Phase Rectifier with Boost Converter and Coupled Inductor" Electronics 13, no. 10: 1864. https://doi.org/10.3390/electronics13101864
APA StyleGonçalves, J. T., Valtchev, S., Luis, E., & Blaabjerg, F. (2024). Unidirectional Hybrid Three-Phase Rectifier with Boost Converter and Coupled Inductor. Electronics, 13(10), 1864. https://doi.org/10.3390/electronics13101864
        
