Multi-Level Sum of Product (SOP) Network Power Optimization Based on Switching Graph
Abstract
1. Introduction
2. Theoretical Background
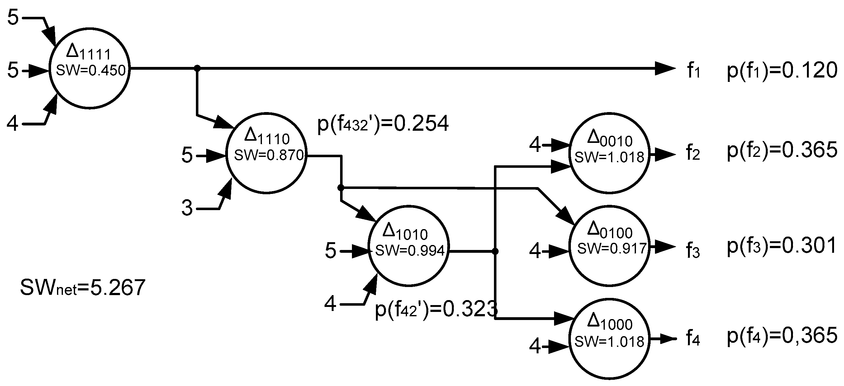
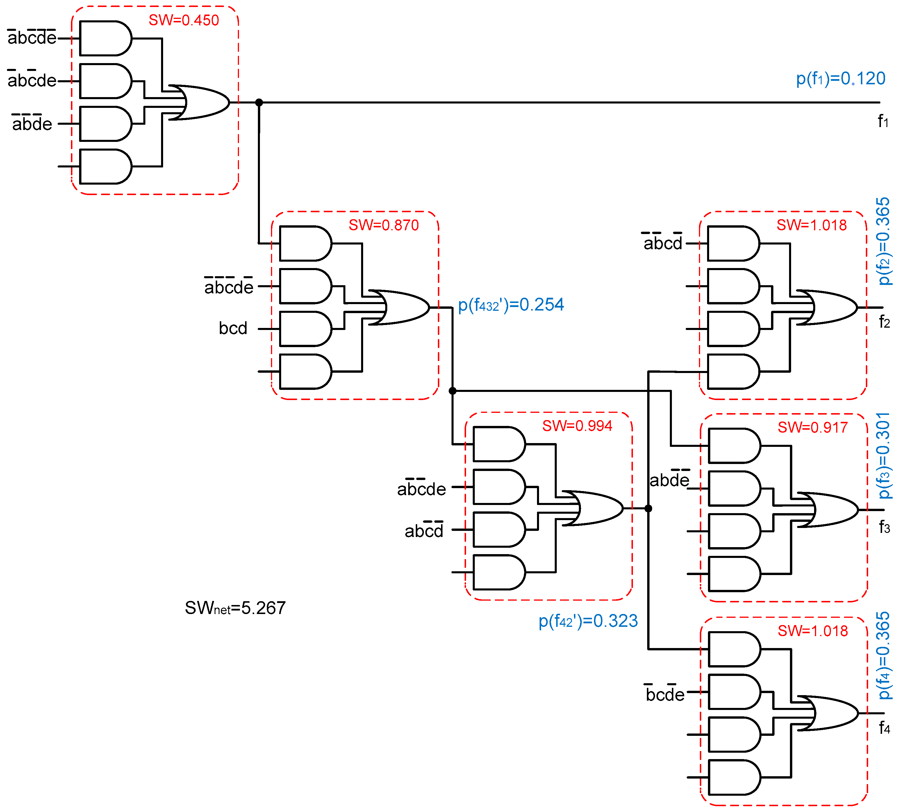
3. SOP Network Optimization Strategy for SW Minimization
- (i)
- Moving terms between SOP networks nodes;
- (ii)
- Moving connections in SOP networks;
- (iii)
- Splitting (removing) network vertices, which can lead to a reduction in nodes.
4. Algorithm for Technology Mapping Multi-Output Function Aimed at Reducing Switching SOP Networks
- Minimize the multi-output function.
- Based on the output vectors obtained after minimization, determine the values of the discriminants.
- Create an output graph .
- Sequential implementation of multi-output implicants associated with subsequent vertices of SOP networks.
- Determine the SW value for SOP blocks and probabilities p(out), where p(out) denotes the probability of the appearance of the value 1 at the output of SOP blocks.
- Create a switching graph describing the technology mapping of the multi-output function in the form of SOP networks.
- Determine the value of the SWnet coefficient for the obtained mapping in the form of SOP networks.
- Optimization of the SOP network, which comes down to the sequential implementation of one of the following three optimization methods:- (i)
- Moving products from blocks closest to the inputs to blocks closest to the outputs of the SOP networks;
- (ii)
- Moving connections between blocks closest to the inputs to blocks closest to the outputs of the SOP networks;
- (iii)
- Splitting vertices and possibly reducing the number of SOP network nodes. If none of the optimization methods can be used, go to 10.
 
- Determine the value of the SWnet coefficient for the new SOP networks. If the minimization of the value of the SWnet coefficient is achieved, go to 8.
- End the optimization procedure.
5. Experimental Results
6. Conclusions
Author Contributions
Funding
Data Availability Statement
Conflicts of Interest
References
- Kok, C.L.; Siek, L. A novel 2-terminal zener voltage reference. In Proceedings of the 2011 IEEE 54th International Midwest Symposium on Circuits and Systems (MWSCAS), Seoul, Republic of Korea, 7–10 August 2011; pp. 1–4. [Google Scholar] [CrossRef]
- Kyaw, H.Y. Empowering Wearable Devices: Harnessing Ambient Energy for Sustainable Operation in IoT Systems. Int. J. Eng. Sci. (IJES) 2024, 13, 109–151. [Google Scholar]
- Bondade, R. Hardware-software co-design of an embedded power management module with adaptive on-chip power processing schemes. In Proceedings of the 2010 IEEE International Symposium on Circuits and Systems (ISCAS), Paris, France, 30 May–2 June 2010; pp. 617–620. [Google Scholar]
- Benini, L.; De Micheli, G. System-Level Power Optimization: Techniques and Tools. ACM Trans. Des. Autom. Electron. Syst. 2000, 5, 115–192. [Google Scholar] [CrossRef]
- Hsiung, P.A.; Liu, C.W. Exploiting Hardware and Software Low power Techniques for Energy Efficient Co-Scheduling in Dynamically Reconfigurable Systems. In Proceedings of the International Conference on Field Programmable Logic and Applications, Amsterdam, The Netherlands, 27–29 August 2007; pp. 165–170. [Google Scholar]
- Raghunathan, A.; Jha, N.K.; Dey, S. High-Level Power Analysis and Optimization; Springer: Boston, MA, USA, 1998; ISBN 978-1-4615-5433-2. [Google Scholar]
- Ali, H.; Al-Hashimi, B.M. Architecture Level Power-Performance Tradeoffs for Pipelined Designs. In Proceedings of the IEEE International Symposium on Circuits and Systems, New Orleans, LA, USA, 27–30 May 2007; pp. 1791–1794. [Google Scholar]
- Unsal, O.S.; Koren, I. System-level power-aware design techniques in real-time systems. Proc. IEEE 2003, 91, 1055–1069. [Google Scholar] [CrossRef]
- Ratto, F.; Fanni, T.; Raffo, L.; Sau, C. Mutual Impact between Clock Gating and High Level Synthesis in Reconfigurable Hardware Accelerators, Eloectronics. Electronics 2021, 10, 73. [Google Scholar] [CrossRef]
- Gagarski, K.; Petrov, M.; Moiseev, M.; Klotchkov, I. Power specification, simulation and verification of SystemC designs. In Proceedings of the 2016 IEEE East-West Design Test Symposium (EWDTS), Yerevan, Armenia, 14–17 October 2016; pp. 1–4. [Google Scholar]
- Bard, S.; Rafla, N.I. Reducing power consumption in FPGAs by pipelining. In Proceedings of the 51st Midwest Symposium on Circuits and Systems, Knoxville, TN, USA, 10–13 August 2008; pp. 173–176. [Google Scholar]
- Brooks, D.; Tiwari, V.; Martonosi, M. Wattch: A framework for architectural-level power analysis and optimizations. In Proceedings of the 27th International Symposium on Computer Architecture, Vancouver, BC, Canada, 14 June 2000; pp. 83–94. [Google Scholar]
- Sunghwan, K.; Jihong, K. Low-power data representation. Electron. Lett. 2000, 36, 958–959. [Google Scholar]
- Pursley, D.; Yeh, T. High-level low-power system design optimization. In Proceedings of the Symposium on VLSI Design, Automation and Test, Hsinchu, Taiwan, 24–27 April 2017; pp. 1–4. [Google Scholar]
- Macko, D. Contribution to Automated Generating of System Power-Management Specification. In Proceedings of the 2018 IEEE 21st International Symposium on Design and Diagnostics of Electronic Circuits Systems (DDECS), Budapest, Hungary, 25–27 April 2018; pp. 27–32. [Google Scholar]
- Chen, C.; Srivastava, A.; Sarrafzadeh, M. On gate level power optimization using dual supply voltages. IEEE Trans. Very Large Scale Integr. (VLSI) Syst. 2001, 9, 616–629. [Google Scholar] [CrossRef]
- Chi, J.C.; Lee, H.H.; Tsai, S.H.; Chi, M.C. Gate Level Multiple Supply Voltage Assignment Algorithm for Power Optimization Under Timing Constraint. IEEE Trans. Very Large Scale Integr. (VLSI) Syst. 2007, 15, 637–648. [Google Scholar] [CrossRef]
- Manzak, A.; Chakrabarti, C. A low power scheduling scheme with resources operating at multiple voltages. IEEE Trans. Very Large Scale Integr. (VLSI) Syst. 2002, 10, 6–14. [Google Scholar] [CrossRef]
- Mukherjee, R.; Memik, S.O. Evaluation of Dual VDD Fabrics for Low Power FPGAs. In Proceedings of the Asia and South Pacific Design Automation Conference, Shanghai, China, 18–21 January 2005; Volume 2, pp. 1240–1243. [Google Scholar]
- Shin, Y.; Seomum, J.; Choi, K.; Sakurai, T. Power gating: Circuits, design methodologies, and best practice for standard-cell VLSI designs. ACM Trans. Design Autom. Electron. Syst. 2010, 15, 1–37. [Google Scholar] [CrossRef]
- Wang, N.; Zhong, W.; Chen, S.; Ma, Z.; Ling, X.; Zhu, Y. Power-gating-aware scheduling with effective hardware resources optimization. Integr. Vlsi J. 2018, 61, 167–177. [Google Scholar] [CrossRef]
- Sain, M.; Shringi, S.; Asati, A. An Improved Power Gating Technique with Data Retention and Clock Gating. In Proceedings of the 2021 International Conference on Control, Automation, Power and Signal Processing (CAPS), 2021, Jabalpur, India, 10–12 December 2021. [Google Scholar] [CrossRef]
- Raya, M.; Aviñó, O.; Busquets-Monge, S.; Perpiñá, X.; Vellvehi, M.; Jordà, X. Improvement of a self-powered gate driver power supply. In Proceedings of the 24th European Conference on Power Electronics and Applications (EPE’22 ECCE Europe), Hanover, Germany, 5–9 September 2022. [Google Scholar]
- Fanni, T.; Sau, C.; Raffo, L.; Palumbo, F. Automated Power Gating Methodology for Dataflow-Based Reconfigurable Systems. In Proceedings of the 12th ACM International Conference on Computing Frontiers, Ischia, Italy, 18–21 May 2015. [Google Scholar]
- Alam, M.R.; Nasab, M.E.S.; Fakhraie, S.M. Power Efficient High-Level Synthesis by Centralized and Fine-Grained Clock Gating. IEEE Trans. Comput.-Aided Des. Integr. Circuits Syst. 2015, 34, 1954–1963. [Google Scholar] [CrossRef]
- Bezati, E.; Casale-Brunet, S.; Mattavelli, M.; Janneck, J.W. Clock-Gating of Streaming Applications for Energy Efficient Implementations on FPGAs. IEEE Trans. Comput.-Aided Des. Integr. Circuits Syst. 2017, 36, 699–703. [Google Scholar] [CrossRef]
- Mullins, R.; Moore, S. Demystifying Data-Driven and Pausible Clocking Schemes. In Proceedings of the 13th IEEE International Symposiun on Asynchronous Circuits and Systems, Berkeley, CA, USA, 12–14 March 2007; pp. 175–185. [Google Scholar]
- Park, Y.S.; Tao, Y.; Zhang, Z. A Fully Parallel Nonbinary LDPC Decoder with Fine-Grained Dynamic Clock Gating. IEEE J. Solid-State Circuits 2015, 50, 464–475. [Google Scholar] [CrossRef]
- Xin, F.; Krstić, M.; Grass, E. Improvements of Pausible Clocking Scheme for High-Throughput and High-Reliability GALS Systems Design. In Advanced Techniques in Logic Synthesis, Optimizations and Applications; Springer: New York, NY, USA, 2011; pp. 401–417. [Google Scholar]
- Chindhu, S.; Shanmugasundaram, N. Clock Gating Techniques: An Overview. In Proceedings of the Conference on Emerging Devices and Smart Systems (ICEDSS), Tiruchengode, India, 2–3 March 2018. [Google Scholar] [CrossRef]
- Özbaltan, M.; Berthier, N. Exercising Symbolic Discrete Control for Designing Low-power Hardware Circuits: An Application to Clock-gating. IFAC-PapersOnLine 2018, 51, 120–126. [Google Scholar] [CrossRef]
- Shelar, R.S.; Narayanan, H.; Desai, M.P. Orthogonal partitioning and gated clock architecture for low power realization of FSMs. In Proceedings of the 13th Annual IEEE International ASIC/SOC Conference, Arlington, VA, USA, 13–16 September 2000; pp. 266–270. [Google Scholar]
- Shen, W.; Cai, Y.; Hong, X.; Hu, J. Activity-Aware Registers Placement for Low Power Gated Clock Tree Construction. In Proceedings of the IEEE Computer Society Annual Symposium on VLSI, Porto Alegre, Brazil, 9–11 March 2007; pp. 383–388. [Google Scholar]
- Amini, E.; Najibi, M.; Pedram, H. A Novel Clock Generation Scheme for Globally Asynchronous Locally Synchronous Systems: An FPGA-Validated Approach. In Proceedings of the 15th Great Lakes Symposium on VLSI, Chicago, IL, USA, 17–19 April 2005; pp. 296–301. [Google Scholar]
- Amini, E.; Najibi, M.; Pedram, H. Globally Asynchronous Locally Synchronous Wrapper Circuit Based on Clock Gating. In Proceedings of the IEEE Proceedings of Computer Society Annual Symposium on Emerging VLSI Technologies and Architectures, Karlsruhe, Germany, 2–3 March 2006; pp. 193–199. [Google Scholar]
- Krstic, M.; Grass, E.; Gurkaynak, F.K.; Vivet, P. Globally Asynchronous, Locally Synchronous Circuits: Overview and Outlook. IEEE Des. Test Comput. 2007, 24, 430–441. [Google Scholar] [CrossRef]
- Kulmala, A.; Hamalainen, T.D.; Hannikainen, M. Reliable GALS Implementation of MPEG-4 Encoder with Mixed Clock FIFO on Standard FPGA. In Proceedings of the International Conference on Field Programmable Logic and Applications, Madrid, Spain, 28–30 August 2006; pp. 1–6. [Google Scholar]
- Yu, Z.; Baas, B.M. High Performance, Energy Efficiency, and Scalability with GALS Chip Multiprocessors. IEEE Trans. Very Large Scale Integr. (VLSI) Syst. 2009, 17, 66–79. [Google Scholar] [CrossRef]
- Tang, B.; Bhave, S.; Manohar, R. Low Power Asynchronous VLSI with NEM Relays. In Proceedings of the 20th IEEE International Symposium on Asynchronous Circuits and Systems (ASYNC), Potsdam, Germany, 12–14 May 2014. [Google Scholar]
- Chen, Y.-H.; Chen, T.-C.; Tsai, C.-Y.; Tsai, S.-F.; Chen, L.-G. Algorithm and Architecture Design of Power-oriented H.264/AVC Baseline Profile Encoder for Portable Devices. IEEE Trans. Circuits Syst. Video Technol. 2009, 19, 1118–1128. [Google Scholar] [CrossRef]
- Darabiha, A.; Chan Carusone, A.; Kschischang, F.R. Power Reduction Techniques for LDPC Decoders. IEEE J. Solid-State Circuits 2008, 43, 1835–1845. [Google Scholar] [CrossRef]
- Park, Y.S.; Blaauw, D.; Sylvester, D.; Zhang, Z. Low-Power High-Throughput LDPC Decoder Using Non-Refresh Embedded DRAM. IEEE J. Solid-State Circuits 2014, 49, 783–794. [Google Scholar] [CrossRef]
- Yong, G.; Yuan, Y.; Bei, F. The application of bus coding in designing of low power SoC based on Wishbone. In Proceedings of the 2012 International Conference on Computer Science and Information Processing (CSIP), Xi’an, China, 24–26 August 2012; pp. 1132–1135. [Google Scholar] [CrossRef]
- Barkalov, A.; Titarenko, L.; Chmielewski, S. Improving characteristics of LUT-based Moore FSMs. IEEE Access 2020, 8, 155306–155318. [Google Scholar] [CrossRef]
- Barkalov, A.; Titarenko, L.; Mielcarek, K. Improving characteristic of LUT-based Mealy FSMs. Int. J. Appl. Math. Comput. Sci. 2020, 30, 745–759. [Google Scholar] [CrossRef]
- Li, S.; Choi, K. A high performance low power implementation scheme for FSM. In Proceedings of the 2014 International SoC Design Conference (ISOCC), Jeju, Republic of Korea, 3–6 November 2014. [Google Scholar] [CrossRef]
- Chattopadhyay, S.; Yadav, P.; Singh, R. Multiplexer Targeted Finite State Machine Encoding for Area and Power Minimization. In Proceedings of the IEEE INDICON, India Annual Conference, 2004, Kharagpur, India, 20–22 December 2004; pp. 12–16. [Google Scholar]
- Kajstura, K.; Kania, D. Low Power Synthesis of Finite State Machines State Assignment Decomposition Algorithm. J. Circuits Syst. Comput. 2018, 27, 1850041. [Google Scholar] [CrossRef]
- Mengibar, L.; Entrena, L.; Lorenz, M.G.; Millan, E.S. Patitioned state encoding for low Power in FPGAs. Electron. Lett. 2005, 41, 948–949. [Google Scholar] [CrossRef]
- Xia, Y.; Almaini, A.E.A. Genetic algorithm based state assignment for power and area optimization. IEEE Proc. Comput. Digit. Tech. 2002, 149, 128–133. [Google Scholar] [CrossRef]
- Kubica, M.; Opara, A.; Kania, D. Logic Synthesis Strategy Oriented to Low Power Optimization. Appl. Sci. 2021, 11, 8797. [Google Scholar] [CrossRef]
- Opara, A.; Kubica, M.; Kania, D. Decomposition Approaches for Power Reduction. IEEE Access 2023, 11, 29417–29429. [Google Scholar] [CrossRef]
- Opara, A.; Kubica, M. Technology mapping of multi–output functions leading to the reduction of dynamic power consumption in FPGAS. Int. J. Appl. Math. Comput. Sci. 2023, 33, 267–284. [Google Scholar] [CrossRef]
- Kubica, M.; Kania, D.; Kulisz, J. A Technology Mapping of FSMs based on Graph of Excitations and Outputs. IEEE Access 2019, 7, 16123–16131. [Google Scholar] [CrossRef]
- Kubica, M.; Kania, D. Graph of Outputs in the Process of Synthesis Directed at CPLDs. Mathematics 2019, 7, 1771. [Google Scholar] [CrossRef]
- Fanni, T.; Rodríguez, A.; Sau, C.; Suriano, L.; Palumbo, F.; Raffo, L.; de la Torre, E. Multi-Grain Reconfiguration for Advanced Adaptivity in Cyber-Physical Systems. In Proceedings of the 2018 International Conference on ReConFigurable Computing and FPGAs (ReConFig), Cancun, Mexico, 3–5 December 2018; pp. 1–8. [Google Scholar]
- Baumann, D.; Mager, F.; Singh, H.; Zimmerling, M.; Trimpe, S. Evaluating Low-Power Wireless Cyber-Physical Systems. In Proceedings of the 2018 IEEE Workshop on Benchmarking Cyber-Physical Networks and Systems (CPSBench), Porto, Portugal, 10–13 April 2018. [Google Scholar] [CrossRef]
- Kubica, M.; Pochopień, B.; Kania, D. Switching activity reduction of SOP networks. IEEE Access 2024, 12, 112984–112994. [Google Scholar] [CrossRef]
- Kania, D. A technology mapping algorithm for PAL-based devices using multi-output function graphs. In Proceedings of the 26-th Euromicro Conference, IEEE Computer Society Press, Maastricht, The Netherlands, 5–7 September 2000; pp. 146–153. [Google Scholar]
- Kania, D. An Efficient Approach to Synthesis of Multi-Output Boolean Functions on PAL-based Devices. IEEE Proc.-Comput. Digit. Tech. 2003, 150, 143–149. [Google Scholar] [CrossRef]
- Collection of Digital Design Benchmarks (Petr Fišer). 2008. Available online: https://ddd.fit.cvut.cz/www/prj/Benchmarks/ (accessed on 1 April 2016).









| Benchmark | k = 3 | k = 5 | k = 7 | ||||||||||||
|---|---|---|---|---|---|---|---|---|---|---|---|---|---|---|---|
| Name | In | Out | Cl | SG | SGopt | SG/SGopt | Cl | SG | Sgopt | SG/Sgopt | Cl | SG | Sgopt | SG/Sgopt | |
| 1 | bw_21_11_9 | 5 | 3 | 8.32 | 3.84 | 3.84 | 1.00 | 6.88 | 2.85 | 2.85 | 1.00 | 4.18 | 2.85 | 2.53 | 1.12 | 
| 2 | bw_27_26_25 | 5 | 3 | 4.00 | 1.99 | 1.99 | 1.00 | 3.71 | 1.89 | 1.89 | 1.00 | 2.91 | 1.89 | 1.34 | 1.41 | 
| 3 | bw_321 | 5 | 3 | 8.81 | 2.79 | 2.45 | 1.14 | 4.82 | 1.80 | 1.56 | 1.16 | 4.82 | 1.80 | 1.56 | 1.16 | 
| 4 | bw_432 | 5 | 3 | 7.84 | 2.89 | 2.65 | 1.09 | 4.03 | 1.90 | 1.66 | 1.15 | 3.87 | 1.90 | 1.66 | 1.15 | 
| 5 | ldd_mno | 9 | 3 | 6.91 | 0.16 | 0.15 | 1.10 | 5.74 | 0.18 | 0.18 | 1.04 | 3.62 | 0.15 | 0.15 | 1.00 | 
| 6 | sao2_210 | 10 | 3 | 16.61 | 0.95 | 0.91 | 1.05 | 11.71 | 0.61 | 0.56 | 1.09 | 10.26 | 0.55 | 0.45 | 1.24 | 
| 7 | sao2_310 | 10 | 3 | 16.22 | 0.66 | 0.62 | 1.07 | 11.70 | 0.47 | 0.41 | 1.14 | 10.16 | 0.43 | 0.34 | 1.26 | 
| 8 | sao2_320 | 10 | 3 | 6.93 | 1.14 | 1.06 | 1.07 | 4.96 | 0.68 | 0.59 | 1.16 | 4.78 | 0.54 | 0.43 | 1.25 | 
| 9 | sao2_321 | 10 | 3 | 11.51 | 1.14 | 1.06 | 1.07 | 8.52 | 0.68 | 0.59 | 1.15 | 7.07 | 0.53 | 0.43 | 1.24 | 
| 10 | clip_432 | 10 | 3 | 28.25 | 5.42 | 5.36 | 1.01 | 19.59 | 3.13 | 2.94 | 1.07 | 16.44 | 2.43 | 2.12 | 1.15 | 
| 11 | rd53 | 5 | 3 | 10.99 | 9.62 | 9.52 | 1.01 | 7.20 | 7.06 | 6.73 | 1.05 | 6.31 | 4.97 | 4.84 | 1.03 | 
| 12 | rd73 | 7 | 3 | 30.37 | 28.70 | 28.48 | 1.01 | 20.73 | 16.26 | 15.67 | 1.04 | 14.99 | 12.75 | 11.85 | 1.08 | 
| 13 | sao2 | 10 | 3 | 17.09 | 3.12 | 2.94 | 1.06 | 12.30 | 2.25 | 2.21 | 1.02 | 10.76 | 2.07 | 1.81 | 1.14 | 
| 14 | sqn | 7 | 3 | 15.02 | 4.83 | 4.32 | 1.12 | 9.83 | 3.06 | 2.91 | 1.05 | 8.86 | 2.51 | 2.33 | 1.08 | 
| 15 | Misex1_356 | 7 | 3 | 6.73 | 0.95 | 0.86 | 1.10 | 4.78 | 0.86 | 0.65 | 1.32 | 3.74 | 0.71 | 0.59 | 1.20 | 
| 16 | Misex1_367 | 7 | 3 | 6.30 | 0.96 | 0.93 | 1.03 | 4.42 | 0.87 | 0.75 | 1.16 | 3.49 | 0.87 | 0.84 | 1.04 | 
| 17 | Misex1_567 | 8 | 3 | 6.80 | 0.55 | 0.51 | 1.09 | 4.87 | 0.44 | 0.40 | 1.12 | 4.00 | 0.44 | 0.31 | 1.45 | 
| 18 | Misex1_3456 | 8 | 4 | 8.04 | 0.61 | 0.55 | 1.11 | 5.43 | 0.56 | 0.50 | 1.12 | 4.44 | 0.56 | 0.56 | 1.00 | 
| 19 | Misex1_3567 | 7 | 4 | 8.49 | 1.59 | 1.56 | 1.02 | 5.85 | 1.50 | 1.47 | 1.02 | 4.98 | 1.50 | 1.47 | 1.02 | 
| 20 | Misex1_4567 | 8 | 4 | 8.12 | 0.52 | 0.46 | 1.13 | 5.61 | 0.48 | 0.46 | 1.03 | 4.74 | 0.48 | 0.43 | 1.11 | 
| SUM: | 233.35 | 72.46 | 70.23 | 162.67 | 47.54 | 44.98 | 134.42 | 39.94 | 36.04 | ||||||
| MEAN: | 1.06 | 1.09 | 1.16 | ||||||||||||
| Disclaimer/Publisher’s Note: The statements, opinions and data contained in all publications are solely those of the individual author(s) and contributor(s) and not of MDPI and/or the editor(s). MDPI and/or the editor(s) disclaim responsibility for any injury to people or property resulting from any ideas, methods, instructions or products referred to in the content. | 
© 2024 by the authors. Licensee MDPI, Basel, Switzerland. This article is an open access article distributed under the terms and conditions of the Creative Commons Attribution (CC BY) license (https://creativecommons.org/licenses/by/4.0/).
Share and Cite
Kubica, M.; Kania, D. Multi-Level Sum of Product (SOP) Network Power Optimization Based on Switching Graph. Electronics 2024, 13, 4011. https://doi.org/10.3390/electronics13204011
Kubica M, Kania D. Multi-Level Sum of Product (SOP) Network Power Optimization Based on Switching Graph. Electronics. 2024; 13(20):4011. https://doi.org/10.3390/electronics13204011
Chicago/Turabian StyleKubica, Marcin, and Dariusz Kania. 2024. "Multi-Level Sum of Product (SOP) Network Power Optimization Based on Switching Graph" Electronics 13, no. 20: 4011. https://doi.org/10.3390/electronics13204011
APA StyleKubica, M., & Kania, D. (2024). Multi-Level Sum of Product (SOP) Network Power Optimization Based on Switching Graph. Electronics, 13(20), 4011. https://doi.org/10.3390/electronics13204011
 
        



 
       