Three-Level Double LLC Resonant Converter with Ripple-Free Input Current for DC Microgrid Application
Abstract
1. Introduction
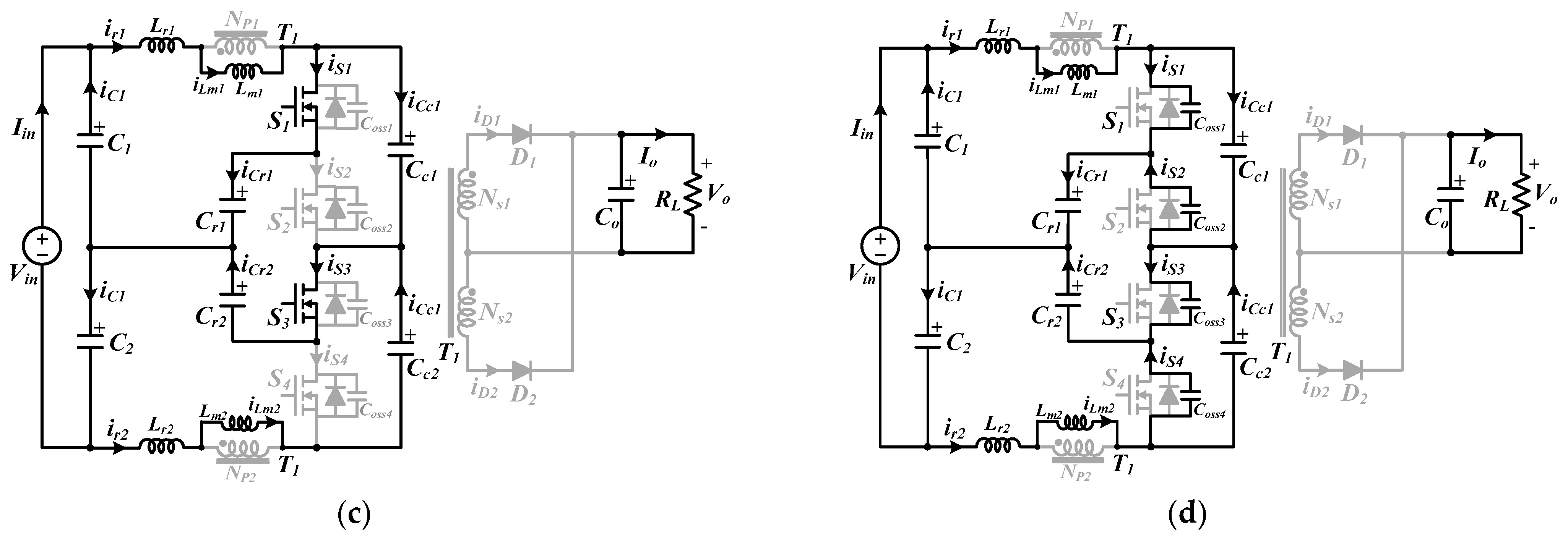
2. Proposed TL Double LLC Resonant DC-DC Converter
2.1. Circuit Description
- The output capacitor Co is large enough that the output voltage Vo and output current Io can be considered constant during a switching period Ts.
- The capacitances of the clamp capacitors Cc1 and Cc2 are sufficiently large; therefore, the voltage of the clamp capacitors can be assumed to be constant. They are equal to Cc.
- The input capacitors C1 and C2 are equal to C.
- The resonant capacitors Cr1 and Cr2 are equal to Cr.
- The resonant inductors Lr1 and Lr2 are equal to Lr.
- The parasitic output capacitances of the four primary switches are equal to Coss and treated as constant values during the dead-time period.
- The main transformer has windings: NP1 = NP2 = NP; a turn ratio: n = NP/NS; and a magnetizing inductance: Lm1 = Lm2 = Lm.
2.2. Operation Principle
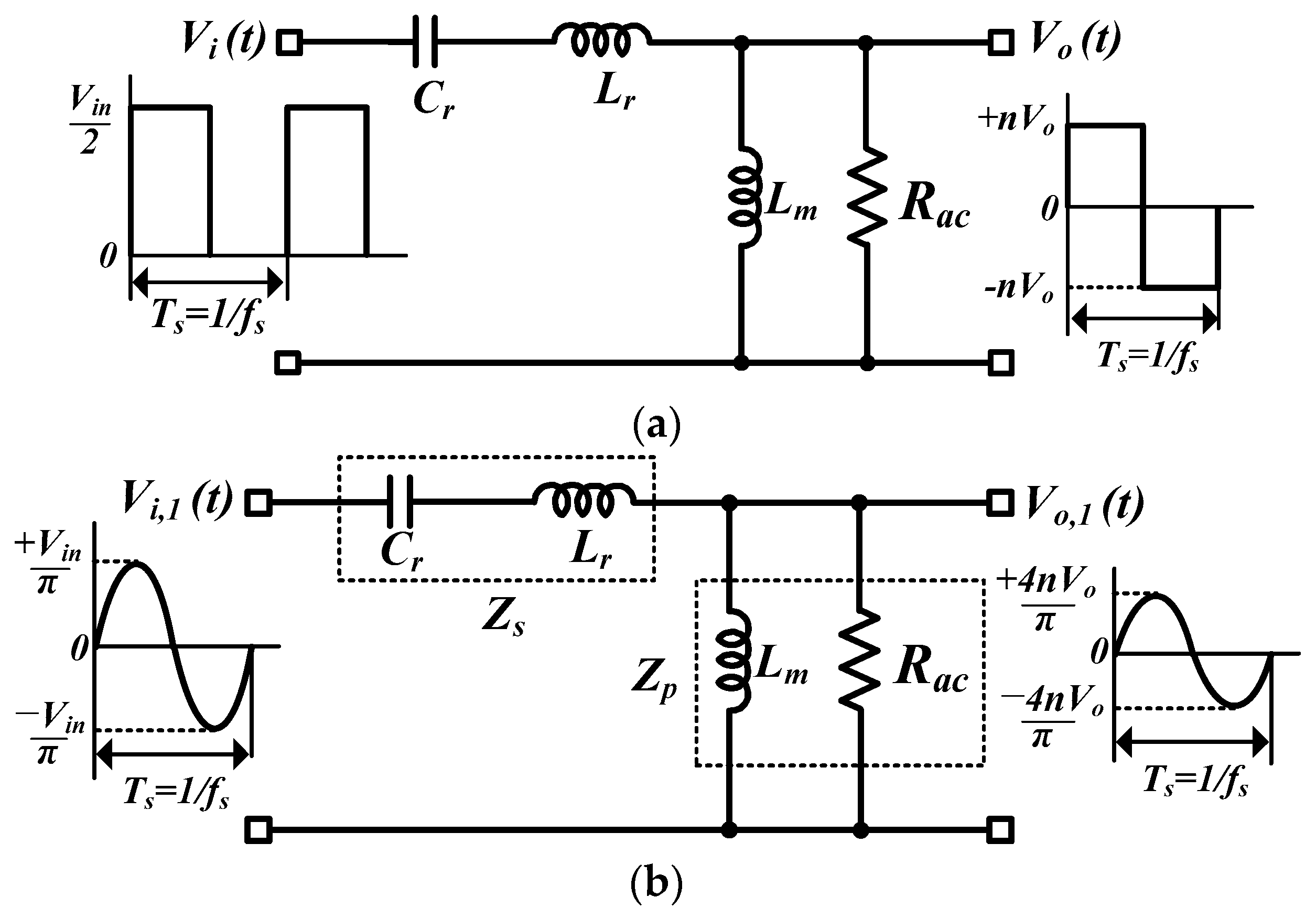
3. Steady-State Analysis
3.1. DC Voltage Gain
3.2. Input-Current Ripple
3.3. Comparison of Converter Circuit Topologies
4. Design Considerations
4.1. Transformer Turn Ratio
4.2. Quality Factor
4.3. Resonant Capacitor
4.4. Resonant Inductor
4.5. ZVS Conditions for Switches
5. Simulation and Experimental Results
6. Conclusions
Funding
Data Availability Statement
Conflicts of Interest
References
- Khan, S.S.; Wen, H. A comprehensive review of fault diagnosis and tolerant control in DC-DC converters for DC micro grids. IEEE Access 2021, 9, 80100–80127. [Google Scholar] [CrossRef]
- Carvalho, E.L.; Sidorova, A.; Blinov, A.; Chub, A.; Vinnikov, D. Design considerations of dual-active bridge DC grid-forming converter for DC buildings. IEEE Trans. Ind. Electron. 2024, 71, 10601–10611. [Google Scholar] [CrossRef]
- Kakigano, H.; Miura, Y.; Ise, T. Low-voltage bipolar-type DC microgrid for super high quality distribution. IEEE Trans. Power Electron. 2010, 12, 3066–3075. [Google Scholar] [CrossRef]
- Stupar, A.; Friedli, T.; Minibock, J.; Kolar, J.W. Towards a 99% efficient three-phase buck-type PFC rectifier for 400-V DC distribution systems. IEEE Trans. Power Electron. 2012, 27, 1732–1744. [Google Scholar] [CrossRef]
- Sadaf, S.; Al-Emadi, N.; Maroti, P.K.; Iqbal, A. A New High Gain Active Switched Network-Based Boost Converter for DC Microgrid Application. IEEE Access 2021, 9, 68253–68265. [Google Scholar] [CrossRef]
- Lago, J.; Heldwein, M.L. Operation and control-oriented modeling of a power converter for current balancing and stability improvement of DC active distribution networks. IEEE Trans. Power Electron. 2011, 26, 877–885. [Google Scholar] [CrossRef]
- Pi, L.L. Modified Two-Channel LLC Resonant Converter With Optimal Efficiency for Wide Input Voltage Applications. IEEE Access 2023, 11, 38957–38969. [Google Scholar] [CrossRef]
- Zong, S.; Luo, H.; Li, W.; Deng, Y.; He, X. Asymmetrical Duty Cycle-Controlled LLC Resonant Converter with Equivalent Switching Frequency Doubler. IEEE Trans. Power Electron. 2016, 31, 4963–4973. [Google Scholar] [CrossRef]
- Cho, I.H.; Kim, Y.D.; Moon, G.-W. A Half-Bridge LLC Resonant Converter Adopting Boost PWM Control Scheme for Hold-Up State Operation. IEEE Trans. Power Electron. 2014, 29, 841–850. [Google Scholar] [CrossRef]
- Wang, H.; Chen, Y.; Fang, P.; Liu, Y.-F.; Afsharian, J.; Yang, Z. An LLC Converter Familiy with Auxiliary Switch for Hold-Up Mode Operation. IEEE Trans. Power Electron. 2017, 32, 4291–4306. [Google Scholar] [CrossRef]
- Jeong, Y.; Lee, M.-S.; Park, J.-D.; Kim, J.-K.; Rorrer, R.A.L. Holdup time compensation circuit of half-bridge LLC resonant converter for high light-load efficiency. IEEE Trans. Power Electron. 2020, 35, 13126–13135. [Google Scholar] [CrossRef]
- Jin, K.; Ruan, X. Hybrid full-bridge three-level LLC resonant converter—A novel dc–dc converter suitable for fuel-cell power system. IEEE Trans. Ind. Electron. 2006, 53, 1492–1503. [Google Scholar] [CrossRef]
- Gu, Y.; Lu, Z.; Hang, L.; Qian, Z.; Huang, G. Three-level LLC series resonant DC/DC converter. IEEE Trans. Power Electron. 2005, 20, 781–789. [Google Scholar] [CrossRef]
- Lee, I.-O.; Cho, S.-Y.; Moon, G.-W. Three-Level Resonant Converter with Double LLC Resonant Tanks for High-Input-Voltage Applications. IEEE Trans. Ind. Electron. 2012, 59, 3450–3463. [Google Scholar]
- Rathore, A.K.; Mazumder, S.K. Novel zero-current switching current-fed half-bridge isolated Dc/Dc converter for fuel cell based applications. In Proceedings of the 2010 IEEE Energy Conversion Congress and Exposition, Atlanta, GA, USA, 12–16 September 2010; pp. 3523–3529. [Google Scholar]
- Jang, S.J.; Chung-Yuen, W.; Byoung-Kuk, L.; Jin, H. Fuel cell generation system with a new active clamping current-fed half-bridge converter. IEEE Trans. Energy Convers. 2007, 22, 332–340. [Google Scholar] [CrossRef]
- Mousavi, A.; Das, P.; Moschopoulos, G. A comparative study of a new ZCS DC-DC full-bridge boost converter with a ZVS active-clamp converter. IEEE Trans. Power Electron. 2012, 27, 1347–1358. [Google Scholar] [CrossRef]
- Xin, Z.; Chung, H.S.H.; Xinbo, R.; Ioinovici, A. A ZCS full-bridge converter without voltage overstress on the switches. IEEE Trans. Power Electron. 2010, 25, 686–698. [Google Scholar]
- Leu, C.S.; Nha, Q.T. A Half-Bridge Converter With Input Current Ripple Reduction for DC Distribution Systems. IEEE Trans. Power Electron. 2013, 28, 1756–1763. [Google Scholar] [CrossRef]
- Kim, K.-M. High-Efficiency Resonant DC-DC Converter With Low Input Current Ripple for DC Power Distribution Systems. IEEE Access 2024, 12, 85983–85994. [Google Scholar] [CrossRef]
- Khan, D.; Hu, P.; Waseem, M.; Yasir Ali Khan, M.; Tahir, M.; Annuk, A. Practical Evaluation of Loss Reduction in Isolated Series Resonant Converter with Fixed Frequency Modulation. Energies 2022, 15, 5802. [Google Scholar] [CrossRef]
















| Parameters | HBC-CRR [19] | LC-DAB [21] | HFB-TL-LLC [12] | TL-LLC [13] | TL-DLLC [14] | Proposed Topology |
|---|---|---|---|---|---|---|
| Continuous input current | Yes | No | No | No | No | Yes |
| Input-current ripple | Low | High | High | High | High | Very low |
| Input voltage range (V) | 360–400 | 80 | 200–400 | 500–700 | 400–600 | 300–400 |
| Output voltage (V) | 12 | 50–160 | 360 | 54 | 48 | 48 |
| Output power (W) | 240 | 1500 | 1440 | 540 | 480 | 240 |
| Modulation method | PWM | FFM | PS-PWM | PFM | PFM | PFM |
| Soft-switching capability | No | Yes | Yes | Yes | Yes | Yes |
| Number of switches | 2 | 8 | 6 | 4 | 4 | 4 |
| Items | Values |
|---|---|
| Input voltage range (Vin) | 300 V–400 V |
| Output voltage (Vo) | 48 V |
| Output power (Po) | 240 W |
| Resonant frequency (fr) | 195 kHz |
| Switching frequency range | 110 kHz–195 kHz |
| Parameter | Specification |
|---|---|
| Primary switches S1–S4 | FQPF16N25 (250 V, 9.5 A, 0.23 Ω) |
| Modulation method | PFM |
| Duty ratio range | 0.5 (fixed) |
| Switching frequency | 110–195 kHz |
| Resonant frequency | 195 kHz |
| Transformer(Np1:Np2:Ns1:Ns2) | PQ3535 (12:12:6:6) |
| Magnetizing inductances Lm1, Lm2 | 52.5 μH |
| Leakage inductors Lr1, Lr2 | 15 μH |
| Input capacitors C1, C2 | 22 μF |
| Resonant capacitors Cr1, Cr2 | 44 nF |
| Clamp capacitor CC1, CC2 | 4.7 μF |
| Output capacitor Co | 1000 μF |
| Secondary diodes D1, D2 | 30CPQ150 (150 V 30 A: 15 A × 2) |
Disclaimer/Publisher’s Note: The statements, opinions and data contained in all publications are solely those of the individual author(s) and contributor(s) and not of MDPI and/or the editor(s). MDPI and/or the editor(s) disclaim responsibility for any injury to people or property resulting from any ideas, methods, instructions or products referred to in the content. |
© 2024 by the author. Licensee MDPI, Basel, Switzerland. This article is an open access article distributed under the terms and conditions of the Creative Commons Attribution (CC BY) license (https://creativecommons.org/licenses/by/4.0/).
Share and Cite
Kim, K.-M. Three-Level Double LLC Resonant Converter with Ripple-Free Input Current for DC Microgrid Application. Electronics 2024, 13, 4299. https://doi.org/10.3390/electronics13214299
Kim K-M. Three-Level Double LLC Resonant Converter with Ripple-Free Input Current for DC Microgrid Application. Electronics. 2024; 13(21):4299. https://doi.org/10.3390/electronics13214299
Chicago/Turabian StyleKim, Ki-Mok. 2024. "Three-Level Double LLC Resonant Converter with Ripple-Free Input Current for DC Microgrid Application" Electronics 13, no. 21: 4299. https://doi.org/10.3390/electronics13214299
APA StyleKim, K.-M. (2024). Three-Level Double LLC Resonant Converter with Ripple-Free Input Current for DC Microgrid Application. Electronics, 13(21), 4299. https://doi.org/10.3390/electronics13214299
