Open Circuit Fault Diagnosis and Fault Tolerance of Three-Phase Bridgeless Rectifier
Abstract
1. Introduction
2. Basic Principles of Three-Phase Bridgeless Converters
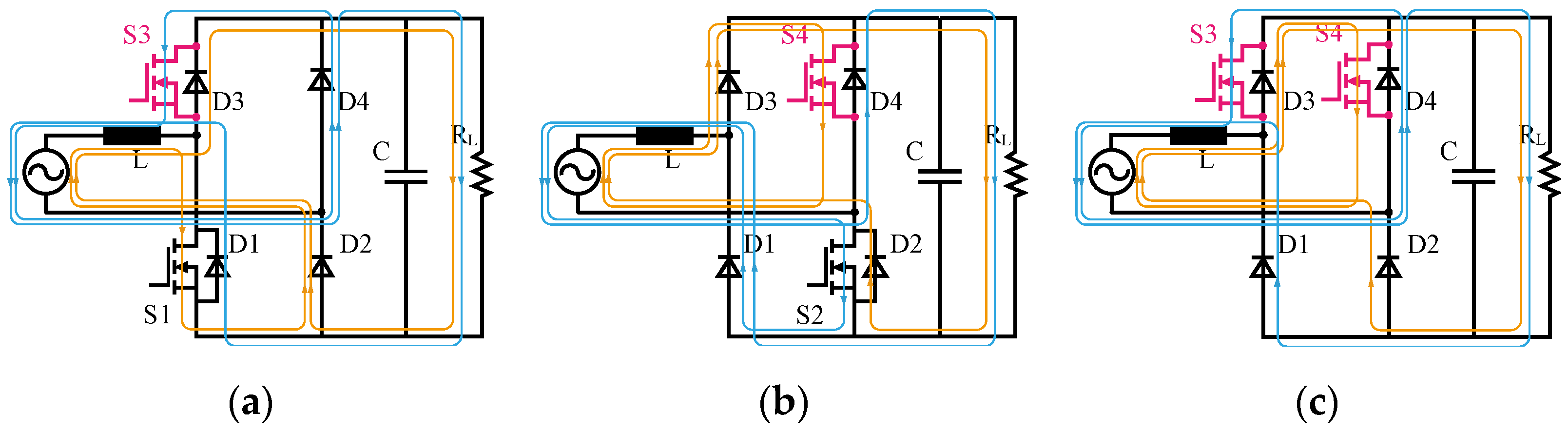
2.1. Structure and Operation of 3-BLC
2.2. Open Circuit Fault Analysis
2.3. Input Side Interferences
2.4. Load Side Interferences7
3. Fault Diagnosis Technique
3.1. Fault Features Extraction
3.2. Fault Detection and Location Method
4. Fault Tolerance Method
5. Simulation and Experiment Results
6. Conclusions
Author Contributions
Funding
Conflicts of Interest
References
- Blahnik, V.; Kosan, T.; Peroutka, Z.; Talla, J. Control of a Single-Phase Cascaded H-Bridge Active Rectifier under Unbalanced Load. IEEE Trans. Power Electron. 2018, 33, 5519–5527. [Google Scholar]
- Wang, C.; Zhuang, Y.; Jiao, J.; Zhang, H.; Wang, C.; Cheng, H. Topologies and Control Strategies of Cascaded Bridgeless Multilevel Rectifiers. IEEE J. Emerg. Sel. Top. Power Electron. 2017, 5, 432–444. [Google Scholar] [CrossRef]
- Kremes, W.D.J.; Font, C.H.I. Proposal of a three-phase bridgeless PFC SEPIC rectifier with MPPT for small wind energy systems. In Proceedings of the IEEE International Conference on Industry Applications, Curitiba, Brazil, 20–23 November 2016; pp. 1–8. [Google Scholar]
- Silva, C.E.A.; Oliveira, D.S.; Barreto, L.H.S.C.; Bascopé, R.P.T. A novel three-phase rectifier with high power factor for wind energy conversion systems. In Proceedings of the Power Electronics Conference (COBEP ’09), Bonito-Mato Grosso do Sul, Brazil, 27 September–1 October 2009; pp. 985–992. [Google Scholar]
- Park, S.M.; Park, S. Versatile Control of Unidirectional AC–DC Boost Converters for Power Quality Mitigation. IEEE Trans. Power Electron. 2015, 30, 4738–4749. [Google Scholar] [CrossRef]
- Whitaker, B.; Barkley, A.; Cole, Z.; Passmore, B.; Martin, D.; McNutt, T.R.; Lostetter, A.B.; Lee, J.S.; Shiozaki, K. A High-Density, High-Efficiency, Isolated On-Board Vehicle Battery Charger Utilizing Silicon Carbide Power Devices. IEEE Trans. Power Electron. 2014, 29, 2606–2617. [Google Scholar] [CrossRef]
- Malinowski, M.; Gopakumar, K.; Rodriguez, J.; Pérez, M.A. A Survey on Cascaded Multilevel Inverters. IEEE Trans. Ind. Electron. 2010, 57, 2197–2206. [Google Scholar] [CrossRef]
- Yang, S.; Bryant, A.; Mawby, P.; Xiang, D. An Industry-Based Survey of Reliability in Power Electronic Converters. IEEE Trans. Ind. Appl. 2011, 47, 1441–1451. [Google Scholar] [CrossRef]
- Yu, Y.; Zhao, Y.; Wang, B.; Huang, X.; Xu, D. Current sensor fault diagnosis and tolerant control for VSI-based induction motor drives. IEEE Trans. Power Electron. 2018, 33, 4238–4248. [Google Scholar] [CrossRef]
- Choi, U.; Lee, J.S.; Blaabjerg, F.; Lee, K.B. Open-Circuit Fault Diagnosis and Fault-Tolerant Control for a Grid-Connected NPC Inverter. IEEE Trans. Power Electron. 2016, 31, 7234–7247. [Google Scholar] [CrossRef]
- Wang, T.; Xu, H.; Han, J.; Bouchikhi, E. Cascaded H-Bridge Multilevel Inverter System Fault Diagnosis Using a PCA and Multi-class Relevance Vector Machine Approach. IEEE Trans. Power Electron. 2015, 30, 7006–7018. [Google Scholar] [CrossRef]
- Freire, N.; Estima, J.O.; Cardoso, A. A Voltage-Based Approach without Extra Hardware for Open-Circuit Fault Diagnosis in Closed-Loop PWM AC Regenerative Drives. IEEE Trans. Ind. Electron. 2014, 61, 4960–4970. [Google Scholar] [CrossRef]
- Freire, N.; Estima, J.O.; Cardoso, A. Open-Circuit Fault Diagnosis in PMSG Drives for Wind Turbine Applications. IEEE Trans. Ind. Electron. 2013, 60, 3957–3967. [Google Scholar] [CrossRef]
- Estima, J.O.; Cardoso, A.J.M. A New Approach for Real-Time Multiple Open-Circuit Fault Diagnosis in Voltage-Source Inverters. IEEE Trans. Ind. Appl. 2011, 47, 2487–2494. [Google Scholar] [CrossRef]
- Zidani, F.; Diallo, D.; Benbouzid, M.E.H.; Nait-Said, R. A fuzzy-based approach for the diagnosis of fault modes in a voltage-fed PWM inverter induction motor drive. IEEE Trans. Ind. Electron. 2008, 55, 586–593. [Google Scholar] [CrossRef]
- Aly, M.; Ahmed, E.; Shoyama, M. A New Single Phase Five-Level Inverter Topology for Single and Multiple Switches Fault Tolerance. IEEE Trans. Power Electron. 2018, 33, 9198–9208. [Google Scholar] [CrossRef]
- Gou, B.; Ge, X.; Wang, S.; Feng, X. An Open-Switch Fault Diagnosis Method for Single-Phase PWM Rectifier using a Model-based Approach in High-Speed Railway Electrical Traction Drive System. IEEE Trans. Power Electron. 2016, 31, 3816–3826. [Google Scholar] [CrossRef]
- Feng, W.; Jin, Z. Current Similarity Analysis Based Open-Circuit Fault Diagnosis for Two-Level Three-Phase PWM Rectifier. IEEE Trans. Power Electron. 2016, 32, 3935–3945. [Google Scholar]
- Chao, K.; Hsieh, C. Mathematical Modeling and Fault Tolerance Control for a Three-Phase Soft-Switching Mode Rectifier. Math. Probl. Eng. 2013, 2013, 598130. [Google Scholar] [CrossRef]
- Lee, J.S.; Lee, K.B. Open-Circuit Fault-Tolerant Control for Outer Switches of Three-Level Rectifiers in Wind Turbine Systems. IEEE Trans. Power Electron. 2016, 31, 3806–3815. [Google Scholar] [CrossRef]
- Wang, C.; Zhuang, Y.; Kong, J.; Tian, C.; Cheng, H. Revised topology and control strategy of three-phase cascaded bridgeless rectifier. In Proceedings of the IEEE Industrial Electronics Society, Beijing, China, 29 October–1 November 2017; pp. 1499–1504. [Google Scholar]
- Zhang, Y.; Kotecha, R.; Mantooth, H.A.; Balda, J.C.; Zhao, Y.; Farnell, C. Cascaded bridgeless totem-pole multilevel converter with model predictive control for 400 V dc-powered data centers. In Proceedings of the Applied Power Electronics Conference and Exposition, Tampa, FL, USA, 26–30 March 2017; pp. 2745–2750. [Google Scholar]
- Jiao, J.; Wang, C. The research of new cascade bridgeless multi-level rectifier. In Proceedings of the Power Electronics and Application Conference and Exposition, Shanghai, China, 5–8 November 2014; pp. 1513–1518. [Google Scholar]
- Gopinath, M.; Prabakaran; Ramareddy, S. A brief analysis on bridgeless boost PFC converter. In Proceedings of the International Conference on Sustainable Energy and Intelligent Systems, Chennai, India, 20–22 July 2011; pp. 242–246. [Google Scholar]
- Kolar, J.W.; Friedli, T. The Essence of Three-Phase PFC Rectifier Systems. In Proceedings of the IEEE Conference of Telecommunications Energy, Amsterdam, The Netherlands, 9–13 October 2011; pp. 179–198. [Google Scholar]
- Wang, C.; Jiao, J.; Wang, C.; Jiang, X.; Cheng, H. Research on New Multi-level Cascaded Bridgeless Rectifier. J. Power Supply 2015, 13, 10–16. [Google Scholar]
- Gao, Z.; Cecati, C.; Ding, S.X. A Survey of Fault Diagnosis and Fault-Tolerant Techniques-Part I: Fault Diagnosis with Model-Based and Signal-Based Approaches. IEEE Trans. Ind. Electron. 2015, 62, 3757–3767. [Google Scholar] [CrossRef]
- Lezana, P.; Pou, J.; Meynard, T.A.; Rodriguez, J.; Ceballos, S.; Richardeau, F. Survey on Fault Operation on Multilevel Inverters. IEEE Trans. Ind. Electron. 2010, 57, 2207–2218. [Google Scholar] [CrossRef]
- Qiao, W.; Lu, D. A Survey on Wind Turbine Condition Monitoring and Fault Diagnosis—Part II: Signals and Signal Processing Methods. IEEE Trans. Ind. Electron. 2015, 62, 6546–6557. [Google Scholar] [CrossRef]
- Rahmani-Andebili, M.; Fotuhi-Firuzabad, M. An Adaptive Approach for PEVs Charging Management and Reconfiguration of Electrical Distribution System Penetrated by Renewables. IEEE Trans. Ind. Inf. 2018, 14, 2001–2010. [Google Scholar] [CrossRef]
- Rahmani-Andebili, M. Dynamic and adaptive reconfiguration of electrical distribution system including renewables applying stochastic model predictive control. IET Gener. Transm. Distrib. 2017, 11, 3912–3921. [Google Scholar] [CrossRef]
- Jamshidpour, E.; Poure, P.; Gholipour, E.; Saadate, S. Single-switch DC-DC converter with fault-tolerant capability under open-and short-circuit switch failures. IEEE Trans. Power Electron. 2015, 30, 2703–2712. [Google Scholar] [CrossRef]

















| Faulty Switch | Drive Signal | |||
|---|---|---|---|---|
| S1 | S2 | S3 | S4 | |
| None | 0 | 0 | ||
| S1 | / | 0 | ||
| S2 | / | 0 | ||
| S1&S2 | / | / | ||
| Parameter | Value |
|---|---|
| Input ac voltage | 220 V 50 Hz |
| Reference dc voltage | 380 V |
| Boost inductor | 5 mH |
| dc capacitor | 330 μF |
| Normal power | 2000 W |
| Switching frequency | 10 kHz |
| Sampling frequency | 10 kHz |
| 0.021, 0.55 | |
| 10.1, 200 |
© 2018 by the authors. Licensee MDPI, Basel, Switzerland. This article is an open access article distributed under the terms and conditions of the Creative Commons Attribution (CC BY) license (http://creativecommons.org/licenses/by/4.0/).
Share and Cite
Cheng, H.; Chen, W.; Wang, C.; Deng, J. Open Circuit Fault Diagnosis and Fault Tolerance of Three-Phase Bridgeless Rectifier. Electronics 2018, 7, 291. https://doi.org/10.3390/electronics7110291
Cheng H, Chen W, Wang C, Deng J. Open Circuit Fault Diagnosis and Fault Tolerance of Three-Phase Bridgeless Rectifier. Electronics. 2018; 7(11):291. https://doi.org/10.3390/electronics7110291
Chicago/Turabian StyleCheng, Hong, Wenbo Chen, Cong Wang, and Jiaqing Deng. 2018. "Open Circuit Fault Diagnosis and Fault Tolerance of Three-Phase Bridgeless Rectifier" Electronics 7, no. 11: 291. https://doi.org/10.3390/electronics7110291
APA StyleCheng, H., Chen, W., Wang, C., & Deng, J. (2018). Open Circuit Fault Diagnosis and Fault Tolerance of Three-Phase Bridgeless Rectifier. Electronics, 7(11), 291. https://doi.org/10.3390/electronics7110291
