Abstract
This paper presents a low-voltage ZigBee transceiver covering a unique frequency band of 780/868/915/2400 MHz in 180 nm CMOS technology. The design consists of a receiver with a wideband variable-gain front end and a complex band-pass filter (CBPF) based on poles construction, a transmitter employing the two-point direct-modulation structure, a Ʃ-Δ fractional-N frequency synthesizer with two VCOs and some auxiliary circuits. The measured results show that under 1 V supply voltage, the receiver reaches −93.8 dBm and −102 dBm sensitivity for 2.4 GHz and sub-GHz band, respectively, and dissipates only 1.42 mW power. The frequency synthesizer achieves −106.8 dBc/Hz and −116.7 dBc/Hz phase noise at 1 MHz frequency offset along with 4.2 mW and 3.5 mW power consumption for 2.4 GHz and sub-GHz band, respectively. The transmitter features 2.67 dBm and 12.65 dBm maximum output power at the expense of 21.2 mW and 69.5 mW power for 2.4 GHz and sub-GHz band, respectively.
1. Introduction
Wireless sensor network (WSN) is one of the research hotspots in the current information field with a wide application prospect. How to minimize the power consumption is an important issue when designing the sensor network nodes and other wireless communication systems as well. Compared with baseband circuits, RF circuits account for most of the system power consumption, while each performance index of an RF transceiver has a certain tradeoff with power consumption [1]. Thus, how to reduce the power consumption while ensuring the RF performance has become one of the research hotspots and difficulties [2]. Generally, the RF transceiver is comprised of the low noise amplifier (LNA), mixer, band-pass filter, IF amplifier, power amplifier (PA), frequency synthesizer, and several other circuit modules. Several methods have been proposed to improve the traditional transceiver structure by integrating multiple functions in one module or reusing bias current in multiple modules [3,4,5,6,7]. For each module in the transceiver, the traditional design optimization theory is mainly aimed at the improvement of circuit performance while less consideration is given to power saving [8,9,10,11,12]. In order to minimize the power consumption of the WSN system fundamentally, attention should be paid both to the system architecture and to the circuit modules.
Currently, the research and design of a low-power ZigBee transceiver are mainly focused on 2.4 GHz frequency band [13,14,15]. Few studies concentrated in sub-GHz frequency band transceiver are reported [16,17]. A reconfigurable sliding-IF transceiver covering 400 MHz and 2.4 GHz bands was proposed in 2013 [18]. No research of a transceiver covering full ZigBee band has been reported. This paper presents a ZigBee transceiver covering 780/868/915/2400 MHz frequency bands, focusing on both low-power and performance improvements. Specific design methods and optimization strategies are presented, including the implementation method of two VCOs in the two-point delta-sigma modulation frequency synthesizer for wideband operation, the graphical solution for parameter determination in the receiver front end to achieve the compromise between conversion gain, noise figure, input matching, and power consumption, and the pole structure-based design method for power saving and circuit simplification in a complex band-pass filter (CBPF). The paper is organized as follows. System architecture and consideration of the ZigBee transceiver are described in Section 2. Low-voltage and low-power RF transmitter/receiver circuit designs are demonstrated in Section 3 and Section 4, respectively. Section 5 presents the experimental results of the implemented transceiver, and Section 6 concludes this work.
2. ZigBee Transceiver Architecture
2.1. Transceiver Architecture
Figure 1 shows the block diagram of the proposed low-voltage multi-band ZigBee transceiver. The receiver employs low-IF structure for its high integration level, low cost, and reasonable dc offset and 1/f noise. The transmitter employs the direct digital modulation structure to produce constant envelope signals containing phase information only by controlling the frequency synthesizer directly, such that the hardware overhead and power consumption can be minimized.
Figure 1.
Block diagram of the proposed low-voltage multi-band ZigBee transceiver.
The receiver, consisting of a front end, a CBPF, a limiter, and a 1-bit ADC, adopts a fully differential structure to weaken the effect of bond wires. The IEEE 802.15.4 standard specifies the data rate utilizing a direct sequence spread spectrum (DSSS) and O-QPSK modulation, of which the signal amplitude contains no useful information. Therefore, the output signal of CBPF can be handled directly by the limiter for digital signal converting.
The transmitter is comprised of a two-point modulation fractional-N PLL, as shown in Figure 2, and a PA. The digital baseband signal is injected to control the frequency dividing ratio of the divider and the tuning voltage of the VCO simultaneously to maintain the dynamic locking of the loop, which ensures the stability of the carrier frequency of the transmitter and avoids frequency shift [19].
Figure 2.
Block diagram of the two-point modulation PLL.
2.2. System Consideration
WSN has a total of 31 channels on a global scale according to IEEE 802.15.4 protocol [20], and the center frequency (fC), modulation mode, and chip rate (Fchip) of baseband signals are shown in Table 1. The frequency synthesizer should provide the frequency of fC − fIF (fIF = 2 MHz) and fC ± Fchip/4 in receiving and transmitting mode, respectively. In all, the output frequency range of the frequency synthesizer ought to be 778–925 MHz and 2403–2481 MHz with the frequency resolution of 100 kHz.
Table 1.
Center frequency, modulation mode, and chip rate of baseband signals for a wireless sensor network (WSN).
To ensure that the down-converted product of the jamming signal in the receiver would not affect the signal-to-noise ratio (SNR), the following relationship should be satisfied [21]
where PInt is the power of the interference signal, PSig is the power of the useful signal, and L is the phase noise of the LO signal. The required SNRmin was 0.5 dB [22] and the channel bandwidth BW was 2 MHz. In IEEE 802.15.4 protocol, PInt is likely to be 20 dB and 30 dB greater than PSig at 1 MHz and 3 MHz frequency offset, respectively, which resulted in the requirement of phase noise lower than −83.5 dBc/Hz and −93.5 dBc/Hz, respectively.
In order to generate quadrature LO signals for the mixer in the receiver, a divide-by-2 frequency divider was adopted, which required that the oscillation frequency of the VCO should be double that of the output frequency of the frequency synthesizer. Thus, two individual VCOs were employed in the design, including VCO_H for high frequency band and VCO_L for low frequency band. Accordingly, two dual-modulus prescalers were employed to make sure that each one can work near the resonant frequency of the corresponding VCO, so that the amplitude requirement could be easily satisfied. In addition, the use of gated power technology can guarantee that when working in a high frequency band, the associated circuit for a low frequency band was dormant, and vice versa. The block diagram of the frequency synthesizer is presented in Figure 3. The reference frequency was 16 MHz.
Figure 3.
Block diagram of the frequency synthesizer for the WSN transceiver.
Three gain levels (low, mid, and high), corresponding to three input signal ranges (–35 to approximately −20 dBm, −60 to approximately −35 dBm, and −85 to approximately −60 dBm), were set by adjusting the gain of the front end or the filter to enlarge the SFDR of the receiver. Accordingly, with 5 dB margins, the NF in mid and high gain mode should be lower than 45.5 dB and 20.5 dB according to the following relationship [21]
where Psen is the RF receiver sensitivity.
With large input signals, the input IP3 (IIP3) was generally required to be 10 dB larger than IP1dB (>−20 dBm), that is −10 dBm. With small input signals, considering the influence of interference signals, the following relationship shall be satisfied [22]
With 5 dB margins, an interfering power of −52 dBm [22], and a minimum signal power of −82 dBm (3 dB above minimum sensitivity level), the expected IIP3 was −34.25 dBm. The summary of indexes (NF and IIP3) for the receiver at three gain levels is shown in Table 2.
Table 2.
Summary of indexes (NF and IIP3) for the receiver at three gain levels.
3. Transmitter Design
3.1. Implementation of Two-Point Modulation Frequency Synthesizer
The semi-cos-formed O-QPSK signal is known to be constant, of which the circular frequency ωM can be expressed as
where ωC is the circular frequency of the carrier, and τ is the inverse of Fchip. Assuming bk as the symbol of baseband signal, then
The frequency of the modulated signal can be calculated as
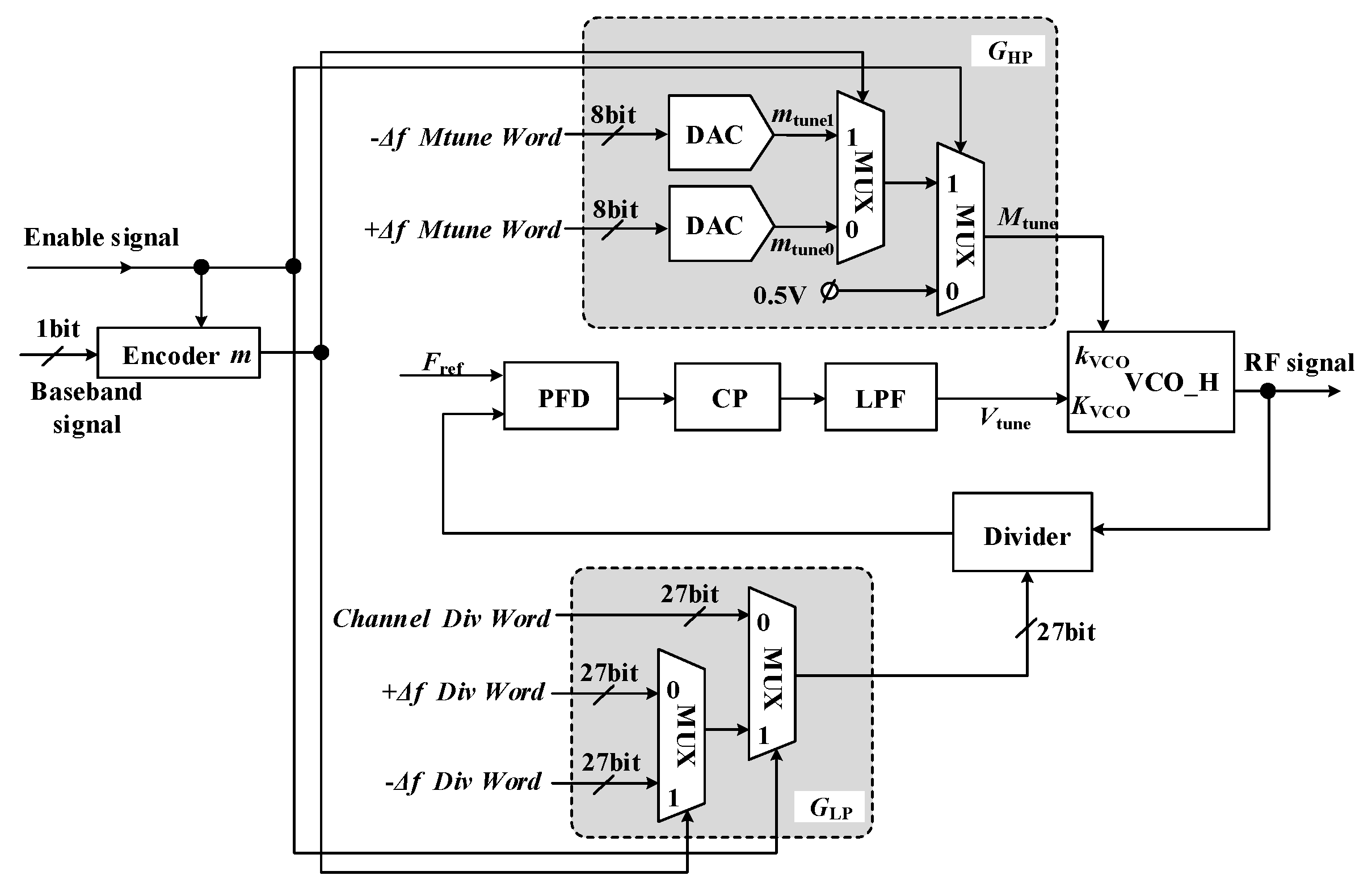
Taking the high-frequency loop of the frequency synthesizer as an example, the block diagram of the two-point modulation system is depicted in Figure 4. When the enable signal EN is 1, the encoder computed the input baseband signal and generated the control signal m. Then, module GLP switched the control word of the frequency divider ratio between +Δf Div Word and −Δf Div Word to achieve the frequency deviation of ±Fchip/4. Meanwhile, module GHP switched the tuning voltage Mtune between mtune0 and mtune1. The mtune0 and mtune1 were the output of the 8-bit DAC controlled by +Δf Mtune Word and −Δf Mtune Word. It should be noted that the output tuning voltage of GHP (Mtune) and output tuning voltage of CP (Vtune) were superimposed relationships, in which Vtune determined the carrier frequency fC, and Mtune was used to control the frequency deviation. To avoid extra noise, Mtune and Vtune controlled two parallel variable capacitors of the VCO_H resonator, respectively. The control words +Δf Div Word, −Δf Div Word, +Δf Mtune Word, and −Δf Mtune Word were configured through in-chip integrated SPI.
Figure 4.
Block diagram of the two-point modulation system.
3.2. VCO
In order for VCO to have a wide frequency tuning range with relatively small tuning gain, a switched capacitor array for coarse frequency tuning was imposed on the basis of original variable capacitors. For VCO_H, a 3-bit switched capacitor array was utilized to achieve 8 levels of frequency coarse adjustment with 300 MHz/V tuning gain for each tuning curve. In order to guarantee equal open-loop transfer functions for high- and low-frequency loops in the frequency synthesizer to unify the parameters of the two loops and simplify the design of other modules like LPF, the tuning gain and divider ratio of the two loops should satisfy the following relationship
where KVCO_H and KVCO_L were the tuning gain of VCO_H and VCO_L, M_H was the total divider ratio of high frequency loop, which was 300–310, and M_L was the total divider ratio of the low frequency loop, which was 97–116. It was found that M_H was approximately three times of M_L, which led to KVCO_L = KVCO_H/3 = 100 MHz/V. Thus, for VCO_L, a 4-bit switched capacitor array was employed to achieve 16 levels of frequency coarse adjustment with 100 MHz/V tuning gain for each tuning curve.
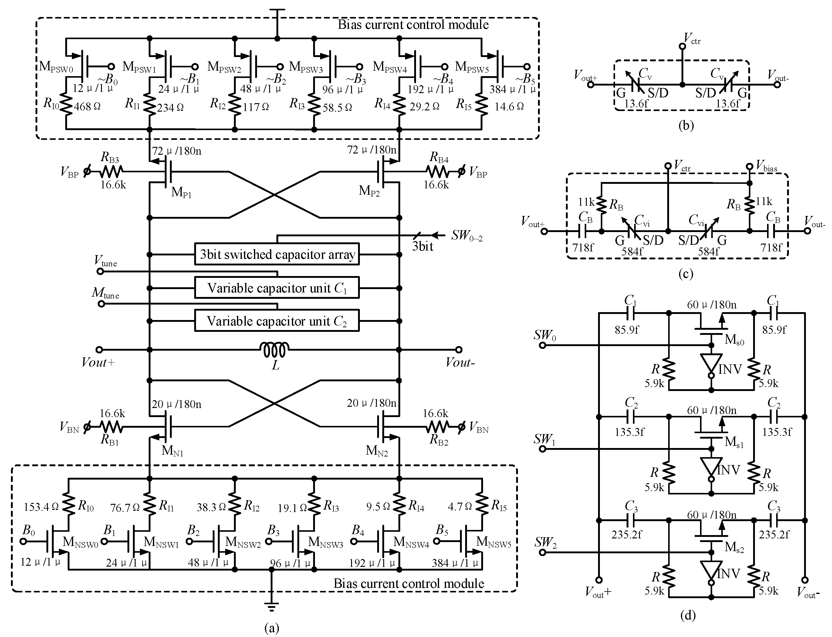
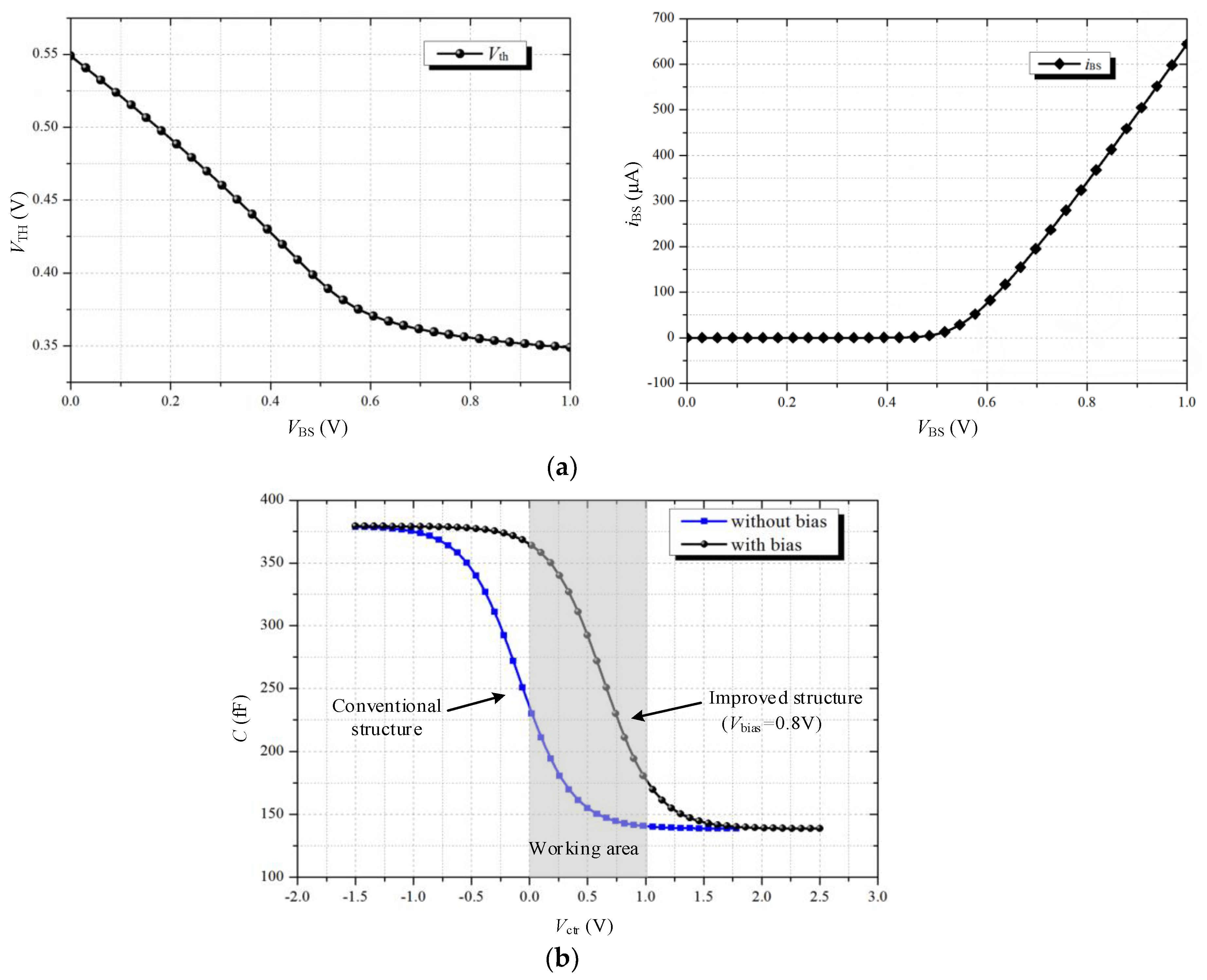
The schematic of VCO_H is shown in Figure 5a. A CMOS complementary cross-coupling structure was chosen for its larger equivalent negative trans-conductance under the same bias current compared with NMOS cross-coupling structure, so that the starting condition for oscillation can be satisfied under smaller current and the power consumption can be reduced in consequence. The oscillation frequency was controlled by SW0–2, Vtune, and Mtune. The current of VCO_H was controlled through the 4-bit switched resistors at the power and grounding end. In order to solve the voltage margin problem under low supply voltage, forward bias technology was employed in this design. Figure 6a presents the variation curves of threshold voltage VTH and body-source leakage current iBS of the NMOS transistor (W = 20 μm, L = 0.18 μm) against VBS under the bias condition of VGS = 0.6 V and VDS = 0.5 V. As can be seen from the figure, with the increase of VBS, VTH gradually decreased. When VBS > 0.6 V, VTH decreased slowly, while iBS increased sharply, which is what should be avoided in the design. Thus, VBS was finally set as 0.5 V, and the VTH of the transistor was about 0.4 V, which made the complementary cross-coupling structure work normally under the supply voltage of 1 V. RB1–RB4 are current-limiting resistors for reducing the substrate leakage current caused by the using of forward bias technology.
Figure 5.
Schematic of (a) VCO_H, (b) conventional variable capacitor unit, (c) improved variable capacitor unit, and (d) switching capacitor array.
Figure 6.
(a) The variation curves of VTH and iBS against VBS, (b) C-V characteristic curves of the variable capacitor unit.
The variable capacitor unit utilized accumulation MOS tube, which has a larger tuning range and smaller parasitic resistance and the capacitance is monotonous against control voltage. The schematic of the conventional variable capacitor unit is shown in Figure 5b, and the C-V characteristic curves are shown in Figure 6b. As can be seen from Figure 6b, the voltage-controlled characteristic of the conventional variable capacitor was not fully utilized. To improve the performance, blocking capacitor CB and resistor RB were employed to add a bias voltage Vbias to the gate of the MOS tube, as presented in Figure 5c, so that the C-V characteristic curve can shift with Vbias and the variable capacitance can be fully exploited, as shown in Figure 6. The schematic of the switching capacitor array is demonstrated in Figure 5d.
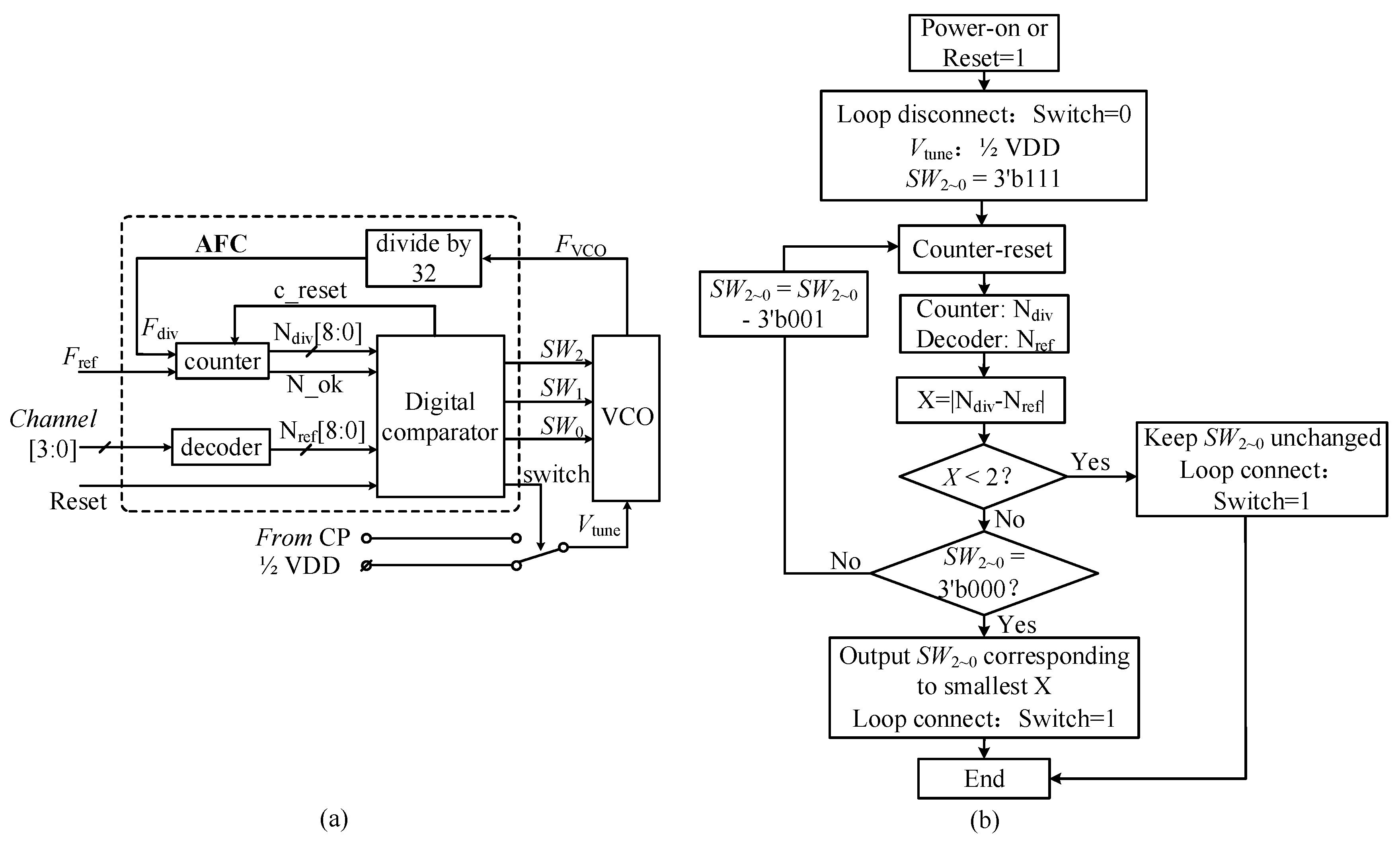
An automatic frequency calibration (AFC) module was utilized to automatically select an appropriate tuning curve for VCO to make sure that the frequency synthesizer could work in the expected frequency range. The basic principle of the AFC is to measure the output frequency of the VCO under different control words using a counting method and to find a set of control words which is closest to corresponding to the frequency that needs to be locked. The block diagram of AFC is presented in Figure 7a and the work flow chart is demonstrated in Figure 7b. The function of the 32 divider in AFC is to reduce the output frequency of the VCO, so that the frequency divided signal could be processed directly by the digital circuits. The accuracy of AFC should be less than half of the frequency difference between the center points of two adjacent tuning curves. There were 8 tuning curves in VCO_H, and the frequency difference between the two adjacent curves was 150 MHz. Therefore, the frequency accuracy of AFC needed to be less than 75 MHz.
Figure 7.
(a) Block diagram, (b) work flow chart of the AFC.
When the tuning voltage Vtune was 0.5 V, the measured results of the AFC function of VCO_H under different channel codes Channel [3:0] are shown in Table 3. It can be seen from the table that the AFC functioned correctly, and the maximum frequency deviation after locking was 32 MHz, which met the index requirement.
Table 3.
Measured results of the AFC function of VCO_H under different channel codes Channel [3:0] with 0.5 V Vtune.
3.3. PA
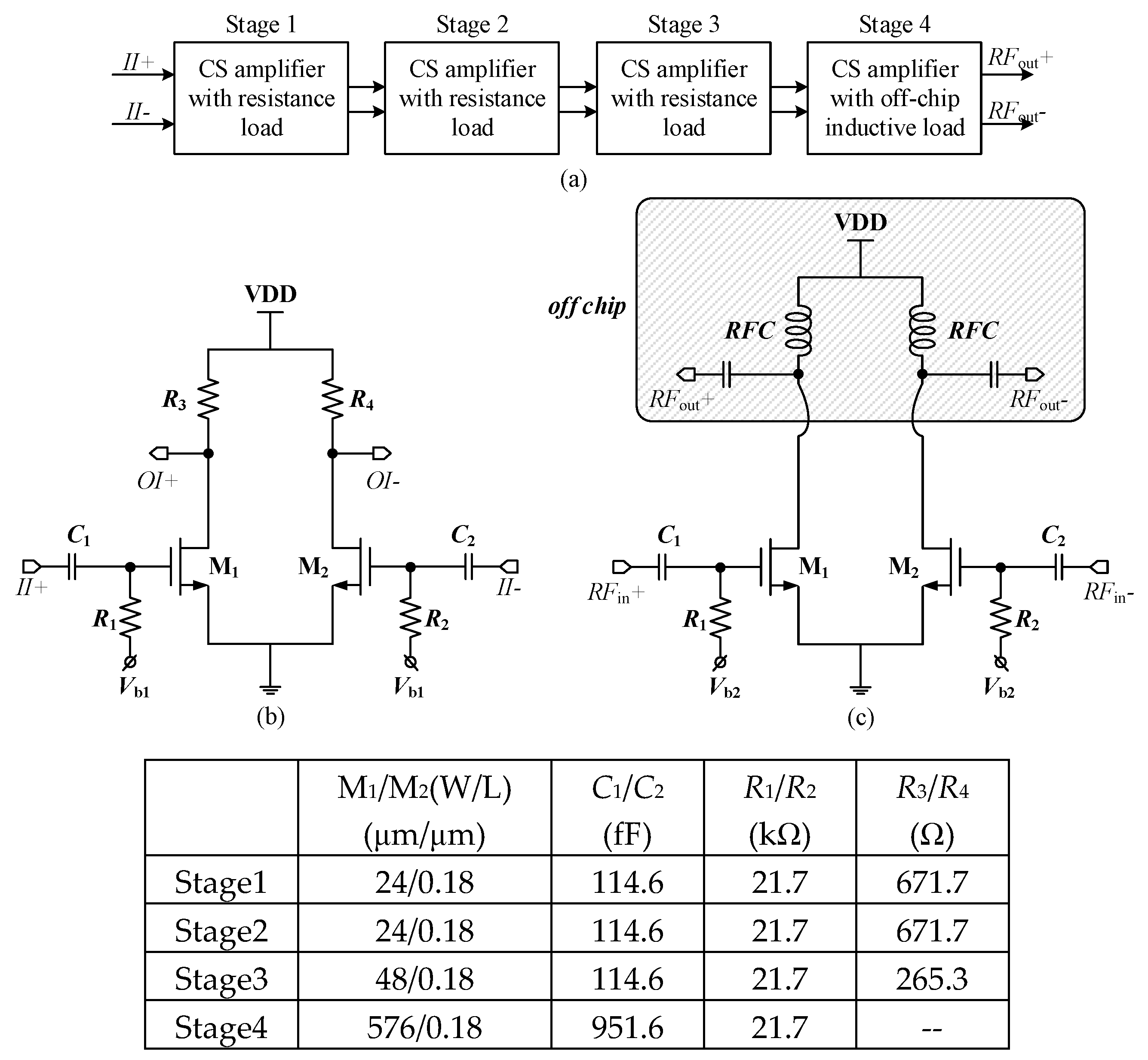
PA is composed of four stages differential common-source (CS) amplifiers. The first three stages adopt resistance load and the last stage adopts off-chip Bias-T as inductive load. The block diagram, circuit structure, and component parameters of PA are shown in Figure 8.
Figure 8.
Schematic of a power amplifier (PA) (a) block diagram, (b) structure of common-source (CS) amplifier with resistance load, (c) structure of CS amplifier with off-chip inductive load.
4. Receiver Design
4.1. Receiver Front End
Figure 9 demonstrates the schematic of the receiver front end employing current reuse and active gm-boosting technologies for power saving and gain enhancement, respectively. MSW is a gain-control switch controlled by signal D0. When D0 is low, MSW is in cut-off state, which has little effect on the circuit. When D0 is high, MSW is in conduction state and can be equivalent to a small resistor, which is in parallel with the resistance load RLOAD in the circuit. Thus, it can reduce the gain of the receiver front end.
Figure 9.
Schematic of the receiver front end.
The conversion gain (GV) and input admittance (YIN-D(jω)) of the differential LNA-mixer current-reuse receiver front end can be respectively derived as
where GM is the equivalent trans-conductance of the common-gate LNA (CG-LNA), Aboost and REQ are, respectively, the voltage gain and the equivalent load impedance of the trans-conductance enhanced amplifier, gm1(3) is the trans-conductance of M1(3), CM is the equivalent load capacitance of nodal point M, and Cin is the parasitic capacitance of ESD and pads. REQ varies with R1 and operating frequency f, as shown in Figure 10a. To make a compromise between the conversion gain and the frequency bandwidth of the front end, R1 = 1 kΩ was finally selected. On this basis, the blue curves in Figure 10b show the values of GV against gm1 and gm3. The shaded area in Figure 10b present the available gm1 and gm3 for YIN-D curve corresponding to the frequency range of 780–2400 MHz to fall within the circle S11 < −10 dB in the smith chart.
Figure 10.
(a) Equivalent load impedance REQ against R1 and f, (b) conversion gain GV, NF FCG_LNA, and input matching S11 against gm1 and gm3.
The CG-LNA using active gm-boosting technology can provide enough gain to suppress the noise of the mixer [23], thus the main analysis and optimization of the NF were for trans-conductance circuit CG-LNA. The NF of CG-LNA (FCG_LNA) can be written as
where RS is the source impedance, γ is the thermal noise coefficient of MOS transistors, and α is the ratio of gm (trans-conductance) to gd0 (zero-bias drain conductance). Parameters γ and α are dependent on process and bias [24], and for BSIM v4.5 MOS transistor model, the value of γ/α can empirically be estimated as 2.5 [25]. The red curves in Figure 10b show the values of FCG_LNA against gm1 and gm3.
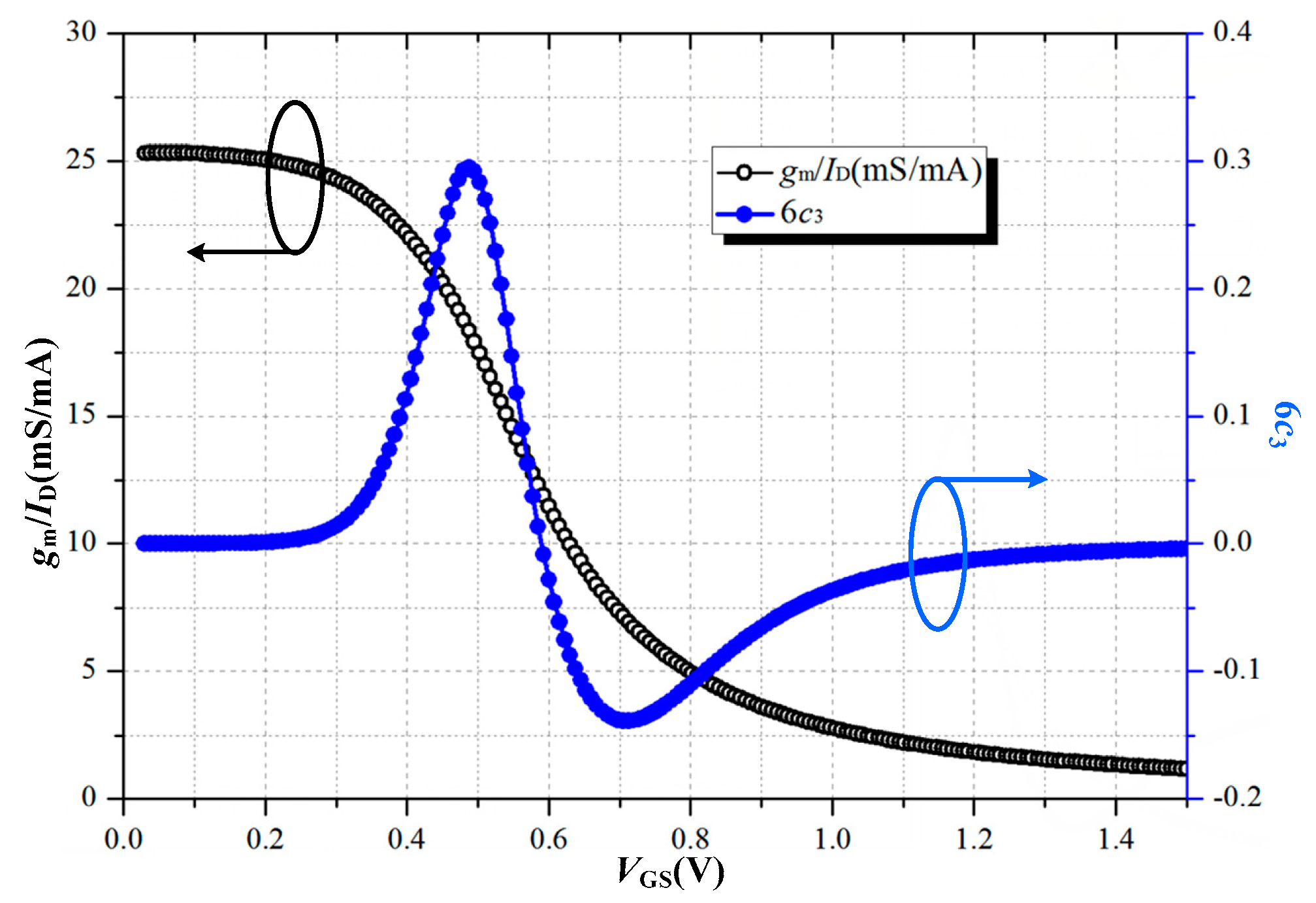
The parameter η = gm/ID determines the trans-conductance that can be provided by unit bias current, which directly affects the power consumption of the circuit, and η is only determined by overdrive voltage VGS-VTH [26]. VGS also affects the linearity of the circuit. Thus, a compromise between η and linearity was required to select the appropriate bias voltage VGS for the front end. The current ID can be approximately expressed as
where ci is the ith harmonic coefficient of the current ID, and c1 is transistor trans-conductance gm, c3 is the main source of trans-conductance distortion. For NMOS transistors with gate length of 0.18 μm, the variation curve of gm/ID and 6c3 against VGS is shown in Figure 11. It can be seen that the curve 6c3 against VGS has a zero crossing when VGS = 0.6 V, where the linearity of the trans-conductance circuit got the maximal value and gm/ID = 12.5 mS/mA, within reasonable limits. With limited power consumption, if VGS is continually reduced in order to obtain a higher trans-conductance value, the value of c3 will deviate from the zero point, resulting in a worse linearity, which is not worth the loss in the design of front end with a very critical linearity index. Thus, the value of η is finally determined as 12.5 mS/mA in this design.
Figure 11.
The variation curve of gm/ID and 6c3 against VGS.
Eventually, the value of gm1 and gm3 were evaluated as 5 mS and 2 mS. As shown in Figure 10b, the design point falls in the center of the shaded region, indicating a good input matching feature, an acceptable noise feature (FCG-LNA = 4~5), enough conversion gain (GV > 25 dB), and a restricted power consumption (ID-total = 2(gm1 + gm3)/η).
4.2. Complex Band-Pass Filter
The four-order CBPF employs Gm-C structure implemented based on the technique of poles construction to simplify the circuit and to reduce the power consumption to the utmost extent. The CBPF totally consumed 8 complex pole units, and the schematic of the unit circuit is shown in Figure 12. MT and variable-resistance R constitute the trans-conductance unit (with the equivalent trans-conductance of Gm), MQ, MR, and C form the load unit, and MS represents the frequency shifting unit which reused the current with trans-conductance unit. Gain control was achieved by changing the feedback resistance R, which was in parallel constituted by a fixed resistor RF and a switch MSWF controlled by signal D1. It worked in a similar way to the gain control part of the receiver front end.
Figure 12.
Schematic of the complex pole unit and component parameters of each unit used in complex band-pass filter (CBPF).
Assuming that Vin = VI+ − VI−, Vout = VOI+ − VOI−, j∙Vin = VQ+ − VQ−, and j∙Vout = VOQ+ − VOQ−, the transfer function of the complex pole unit can be written as
with one complex pole
where gmS, gmQ, and gmR are the trans-conductance of MS, MQ, and MR. By choosing suitable parameters, four complex poles were constructed separately and then cascaded to finally compose the four-order CBPF with 2 MHz bandwidth. The component parameters of each pole unit are listed in the table in Figure 12.
4.3. Modulator
Thanks to O-QPSK modulation, a simple limiting amplifier with a 1-bit ADC was employed as the modulator to amplify and shape IF signals output by CBPF to square wave signals which can be processed directly as digital signals in following digital modules. The limiting amplifier adopting a fully differential architecture utilized negative feedback structure for DC-offset cancellation, and the overall circuit block diagram, including four stages voltage amplifiers, A1–A4, and trans-conductance amplifiers, Gm1 and GmF, is shown in Figure 13. The small signal gain of the limiting amplifier was 54 dB. The schematic of the voltage amplifier is shown in Figure 14a, and Gm1, GmF, and RD can be combined and achieved by the circuit structure shown in Figure 14b. The block diagram of 1-bit ADC and the schematic of the internal comparator are presented in Figure 15.
Figure 13.
The overall circuit block diagram of the limiting amplifier.
Figure 14.
The schematic of (a) the voltage amplifier, (b) Gm1, GmF and RD.
Figure 15.
(a) The block diagram of the 1-bit ADC, (b) the schematic of the internal comparator.
5. Measurement Results
The die photograph of the proposed multi-band ZigBee transceiver fabricated in TSMC 0.18 μm CMOS process is presented in Figure 16. The chip size was 6.04 mm2, including ESD and pads. The transceiver was measured under 1 V supply voltage.
Figure 16.
Chip micrograph of the full-band ZigBee transceiver: (a) Chip micrograph, (b) bonding photo, (c) photo of PCB for measurement.
The schematic diagrams of receiving and transmitting tests are shown in Figure 17. The gain, linearity, and noise test of the receiving link only included the receiver front end and CBPF in the link, as the modulator worked in a nonlinear state. Since the minimum test frequency of the psophometer N8975A in the laboratory was 10 MHz, the noise at IF frequency 2 MHz could not be measured. Thus, the gain test method [27] was adopted in NF measurement through the spectrum analyzer. In linearity (IIP3) measurement, a dual-tone signal with a frequency interval of 10 MHz was fed to the RF port. The RX gain of the transceiver was controlled by D0 and D1. When D0 and D1 were both low, the receiver worked in high gain mode. When D0 was low and D1 was high, the receiver worked in mid gain mode. When D0 and D1 were both high, the receiver worked in low gain mode.
Figure 17.
(a) Schematic diagram of receiving test, (b) schematic diagram of transmitting test.
5.1. RX Transmission
In receiving mode, the current consumption of this work was only 1.42 mA without PLL. The measured RX conversion gain and NF in three gain modes against multi-band are shown in Figure 18. As can be seen from the picture, different characteristics existed between 2.4 GHz and sub-GHz frequency band, but the internal characteristics of sub-GHz frequency band were similar. Thus, the RX and TX measurement results at 780 MHz frequency band are given in the paper as the representative of sub-GHz frequency band characteristics. In high gain mode, the receiver showed 38.4 dB and 45.9 dB in-band gain at 2.4 GHz and 780 MHz band and the corresponding NF was 16.7 dB and 8.4 dB. The measured RX intermediate-frequency response test curve in high gain mode at 2.4 GHz band is presented in Figure 19a, from which the alternate channel rejection, adjacent channel rejection, and image rejection can be read to be 55 dB, 29.3 dB, and 23.1 dB. The receiver showed a good input-matching (S11 < −10 dB) from 500 MHz to 2.5 GHz, as shown in Figure 19b. Figure 20 shows the measured RX out-of-band IIP3 at 2.4 GHz and 780 MHz band in three gain modes, which were 2.4 dBm and −2.5 dBm, respectively, in low gain mode. Furthermore, it followed that the sensitivity and SFDR of the receiver could be estimated to be −93.8 dBm, 64 dB, and −102 dBm, 66.2 dB at 2.4 GHz and sub-GHz band, respectively. In three gain modes, the measured RX conversion gain, NF and IIP3 are summarized in Table 4.
Figure 18.
Measured RX (a) conversion gain, (b) NF in three gain modes against multi-band.
Figure 19.
(a) Measured RX intermediate-frequency response test curve in high gain mode at 2.4 GHz band, (b) measured RX input matching.
Figure 20.
Measured RX out-of-band IIP3 at 2.4 GHz and 780 MHz band in three gain modes: (a) High gain mode, fLO = 2.4 GHz; (b) high gain mode, fLO = 780 MHz; (c) mid gain mode, fLO = 2.4 GHz; (d) mid gain mode, fLO = 780 MHz; (e) low gain mode, fLO = 2.4 GHz; (f) low gain mode, fLO = 780 MHz.
Table 4.
Measured RX conversion gain, NF, and IIP3.
5.2. Frequency Synthesizer
The measured phase noise at PA output is presented in Figure 20a. The worst phase noise at sub-GHz frequency band was −116.7 dBc/Hz and −129.2 dBc/Hz at 1-MHz and 3-MHz frequency offset, and the phase noise at 2480 MHz was −106.8 dBc/Hz and −122.6 dBc/Hz at 1-MHz and 3-MHz frequency offset, satisfying the phase noise requirement of the system. The measured synthesizer current consumption for sub-GHz and 2.4 GHz band were 3.5 mA and 4.2 mA, respectively.
5.3. TX Transmission
Figure 21b shows the TX carrier spectrum at 2.4 GHz and sub-GHz band. Taking 5 dB loss of the cable and balun at RF port into consideration, the output power measured at 780/868/924/2480 MHz band were 12.65 dBm, 12.37 dBm, 12.16 dBm, and 2.67 dBm, respectively. The TX output power and current consumption, including the PA, the frequency synthesizer, and the modulator which is used to change the dividing ratio of the divider and the tuning word of the VCO, for different channel frequency are shown in Table 5. Figure 22 shows the measured TX carrier spectrum at 784 MHz with the reference spur of −53 dB and the TX carrier spectrum at 2.4 GHz with the reference spur of −51 dB.
Figure 21.
(a) Measured phase noise, (b) measured TX carrier spectrum at 2.4 GHz and sub-GHz band.
Table 5.
Measured TX output power and current consumption.
Figure 22.
Measured TX carrier spectrum (a) at 784 MHz with the reference spur of −53 dB, (b) at 2.4 GHz with the reference spur of −51 dB.
5.4. Performance Summary and Comparison
Performance summary and comparison of the proposed transceiver with previously reported transceivers and available systems in the market are listed in Table 6. It can be seen that the proposed transceiver had comparable performance with previously reported or market-available transceivers working alone at 2.4 GHz or sub-GHz band, but it could cover the whole frequency band and consume less power.
Table 6.
Performance summary and comparison.
6. Conclusions
This paper has demonstrated a low-voltage multi-band ZigBee transceiver employing various techniques for power saving and performance enhancement. Specific design methods and optimization strategies were proposed in the design of receiver front end, filter, and frequency synthesizer. Two VCOs were employed for wideband operation. Different gain modes were utilized to adapt to different input signal amplitudes to expand the RX dynamic range. Measurement results indicated that the proposed transceiver is comparable to or even better than previously reported single/dual band transceivers in the following aspects: Receiver sensitivity, IIP3, synthesizer phase noise, and power dissipation, while providing a particular frequency coverage of 780/868/915 MHz and 2.4 GHz, which means that the WSN nodes can be equipped with superb compatibility and flexibility.
Author Contributions
Formal analysis, Z.L., Y.Y., and Z.W.; Funding acquisition, Z.L.; Investigation, Y.Y., Z.W., G.C., and L.L.; Methodology, Z.L., Y.Y., and Z.W.; Supervision, Z.L.; Writing—original draft, Y.Y.; Writing—review & editing, Z.L.
Funding
This research was funded by National Natural Science Foundation of China, grant number 61474021.
Acknowledgments
The authors would like to thank the TSMC for the fabrication. The authors would also like to thank the CSMC project “Device Model and High-speed RF IP Core Research for Deep Submicron CMOS Process” for support.
Conflicts of Interest
The authors declare no conflict of interest.
References
- Cook, B.W.; Berny, A.; Molnar, A.; Lanzisera, S.; Pister, K.S. Low-Power 2.4-GHz Transceiver with Passive RX Front-End and 400-mV Supply. IEEE J. Solid State Circuits 2006, 41, 2757–2766. [Google Scholar] [CrossRef]
- Fiorelli, R.; Villegas, A.; Peralias, E.; Vazquez, D.; Rueda, A. 2.4-GHz single-ended input low-power low-voltage active front-end for ZigBee applications in 90 nm CMOS. In Proceedings of the 20th European Conference on Circuit Theory and Design, Linkoping, Sweden, 29–31 August 2011; pp. 829–832. [Google Scholar] [CrossRef]
- Lee, S.; Jeong, D.; Kim, B. Ultralow-Power 2.4-GHz Receiver with All Passive Sliding-IF Mixer. IEEE Trans. Microw. Theory Tech. 2018, 66, 2356–2362. [Google Scholar] [CrossRef]
- Sayilir, S.; Loke, W.; Lee, J.; Diamond, H.; Epstein, B.; Phodes, D.L.; Jung, B. A—90 dBm Sensitivity Wireless Transceiver Using VCO-PA-LNA-Switch-Modulator Co-Design for Low Power Insect-Based Wireless Sensor Networks. IEEE J. Solid State Circuits 2014, 49, 996–1006. [Google Scholar] [CrossRef]
- Kim, S.J.; Park, C.S.; Lee, S. A 2.4-GHz Ternary Sequence Spread Spectrum OOK Transceiver for Reliable and Ultra-Low Power Sensor Network Applications. IEEE Trans. Circuits Syst. I Regul. Pap. 2017, 64, 2976–2987. [Google Scholar] [CrossRef]
- Kim, S.J.; Lee, D.; Lee, K.; Lee, S. A 2.4-GHz Super-Regenerative Transceiver with Selectivity-Improving Dual Q-Enhancement Architecture and 102-μW All-Digital FLL. IEEE Trans. Microw. Theory Tech. 2017, 65, 3287–3298. [Google Scholar] [CrossRef]
- Lin, Z.; Mak, P.I.; Martins, R.P. A 0.14-mm2 1.4mW 59.4dB SFDR 2.4GHz ZigBee/WPAN Receiver Exploiting a “Split-LNTA+50% LO” Topology in 65nm CMOS. IEEE Trans. Microw. Theory Tech. 2014, 62, 1525–1534. [Google Scholar] [CrossRef]
- Kargaran, E.; Manstretta, D.; Castello, R. Design and Analysis of 2.4 GHz 30 μW CMOS LNAs for Wearable WSN Applications. IEEE Trans. Circuits Syst. I Regul. Pap. 2018, 65, 891–903. [Google Scholar] [CrossRef]
- Sharma, J.; Krishnaswamy, H. A 2.4-GHz Reference-Sampling Phase-Locked Loop That Simultaneously Achieves Low-Noise and Low-Spur Performance. IEEE J. Solid State Circuits 2019, 54, 1407–1424. [Google Scholar] [CrossRef]
- Hsieh, C.; Liu, S. A 2.4-GHz Frequency-Drift-Compensated Phase-Locked Loop with 2.43 ppm/°C Temperature Coefficient. IEEE Trans. Very Large Scale Integr. Syst. 2019, 27, 501–510. [Google Scholar] [CrossRef]
- Xu, Y.; Moon, U. Charge-domain switched-gm-C CBPF using semi-passive charge-sharing technique. Electron. Lett. 2016, 52, 1667–1669. [Google Scholar] [CrossRef]
- Bhuiyan, M.; Badal, M.T.I.; Reaz, M.B.I.; Crespo, M.; Cicuttin, A. Design Architectures of the CMOS Power Amplifier for 2.4 GHz ISM Band Applications: An Overview. Electronics 2019, 8, 477. [Google Scholar] [CrossRef]
- Kluge, W.; Poegel, F.; Roller, H.; Lange, M.; Ferchland, T.; Dathe, L.; Eggert, D. A Fully Integrated 2.4GHz IEEE 802.15.4 Compliant Transceiver for ZigBee Applications. IEEE Int. Solid State Circuits Conf. Dig. Tech. Pap. 2006, 1470–1479. [Google Scholar] [CrossRef]
- Kwon, Y.I.; Park, S.G.; Park, T.J.; Cho, K.S.; Lee, H.Y. An Ultra-Low-Power CMOS Transceiver Using Various Low-Power Techniques for LR-WPAN Applications. IEEE Trans. Circuits Syst. I Regul. Pap. 2012, 59, 324–336. [Google Scholar] [CrossRef]
- Gil, J.; Kim, J.H.; Kim, C.S.; Park, C.; Park, J.; Park, H.; Lee, H.; Lee, S.J.; Jang, Y.H.; Koo, M.; et al. A Fully Integrated Low-Power High-Coexistence 2.4-GHz ZigBee Transceiver for Biomedical and Healthcare Applications. IEEE Trans. Microw. Theory Tech. 2014, 62, 1879–1889. [Google Scholar] [CrossRef]
- Lin, Z.; Mak, P.; Martins, R.P. A Sub-GHz Multi-ISM-Band ZigBee Receiver Using Function-Reuse and Gain-Boosted N-Path Techniques for IoT Applications. IEEE J. Solid State Circuits 2014, 49, 2990–3004. [Google Scholar] [CrossRef]
- Kim, E.H.; Kang, H.; Pyo, C.S.; Kim, C. A CMOS single-chip transceiver design for 700/800/900MHz wireless sensor network applications. In Proceedings of the 2014 International Conference on Information and Communication Technology Convergence (ICTC), Busan, Korea, 22–24 October 2014; pp. 699–700. [Google Scholar] [CrossRef]
- Zhang, L.; Jiang, H.; Wei, J.; Dong, J.; Li, F.; Li, W.; Gao, J.; Cui, J.; Chi, B.; Zhang, C.; et al. A Reconfigurable Sliding-IF Transceiver for 400 MHz/2.4 GHz IEEE 802.15.6/ZigBee WBAN Hubs with Only 21% Tuning Range VCO. IEEE J. Solid State Circuits 2013, 48, 2705–2716. [Google Scholar] [CrossRef]
- Ghahramani, M.M.; Ferriss, M.A.; Flynn, M.P. A 2.4GHz 2Mb/s digital PLL-based transmitter for 802.15.4 in 130nm CMOS. In Proceedings of the 2011 IEEE Radio Frequency Integrated Circuits Symposium, Baltimore, MD, USA, 5–7 June 2011; pp. 1–4. [Google Scholar] [CrossRef]
- IEEE Computer Society. IEEE Std 802.15.4: Wireless Medium Access Control (MAC) and Physical Layer (PHY) Specifications for Low-Rare Wireless Personal Area Networks (WPANs); IEEE Press: New York, NY, USA, 2006. [Google Scholar]
- Razavi, B. RF Microelectronics; Prentice Hall PTR: Englewood Cliffs, NJ, USA, 1998. [Google Scholar]
- Oh, N.J.; Lee, S.G. Building a 2.4-GHZ radio transceiver using IEEE 802.15.4. IEEE Circuits Devices Mag. 2006, 21, 43–51. [Google Scholar] [CrossRef]
- Richard, C.L. RF Circuit Design; Prentice Hall PTR: Hoboken, NJ, USA, 2009; pp. 764–766. [Google Scholar]
- Li, X.; Shekhar, S.; Allstot, D.J. Gm-boosted common-gate LNA and differential colpitts VCO/QVCO in 0.18-/spl mu/m CMOS. IEEE J. Solid State Circuits 2005, 40, 2609–2619. [Google Scholar] [CrossRef]
- Li, Z.; Wang, Z.; Zhang, M.; Chen, L.; Wu, C.; Wang, Z. A 2.4 GHz ultra-low-power current-reuse CG-LNA with Active Gm-boosting technique. IEEE Microw. Wirel. Compon. Lett. 2014, 24, 348–350. [Google Scholar] [CrossRef]
- Comer, D.J.; Comer, D.T. Operation of analog MOS circuits in the weak or moderate inversion region. IEEE Trans. Educ. 2004, 47, 430–435. [Google Scholar] [CrossRef]
- Maxim Integrated Three Methods of Noise Figure Measurement. Available online: https://www.maximintegrated.com/en/design/technical-documents/tutorials/2/2875.html (accessed on 28 November 2019).
- MICROCHIP. MRF24J40MA Data Sheet. Available online: https://www.microchip.com/wwwproducts/en/en535967 (accessed on 29 November 2019).
- ANALOG DEVICES. ADF7242 Data Sheet. Available online: https://www.analog.com/media/en/technical-documentation/data-sheets/ADF7242.pdf (accessed on 29 November 2019).
- ANALOG DEVICES. ADF7023 Data Sheet. Available online: https://www.analog.com/media/en/technical-documentation/data-sheets/ADF7023.pdf (accessed on 29 November 2019).
© 2019 by the authors. Licensee MDPI, Basel, Switzerland. This article is an open access article distributed under the terms and conditions of the Creative Commons Attribution (CC BY) license (http://creativecommons.org/licenses/by/4.0/).





















