A Passive-Constrained Observer and Controller Applied to an In-Wheel Synchronous Machine Implemented on a Fixed-Point DSP
Abstract
1. Introduction
2. Mathematical Modeling in Stationary Frame
2.1. Deriving Motion Equations from an Energy Model
2.2. Passivity Property of the Process
3. Stator Frame Currents Controller
3.1. Design of the Passive Observer
3.2. Closed-Loop Dynamics
3.3. Passivity of the Inter-Connected System: Constraints of Parameters
- the transfer function is Hurwitz;
- ;
- or .
3.4. Angular Speed Controller
4. Hardware Setup
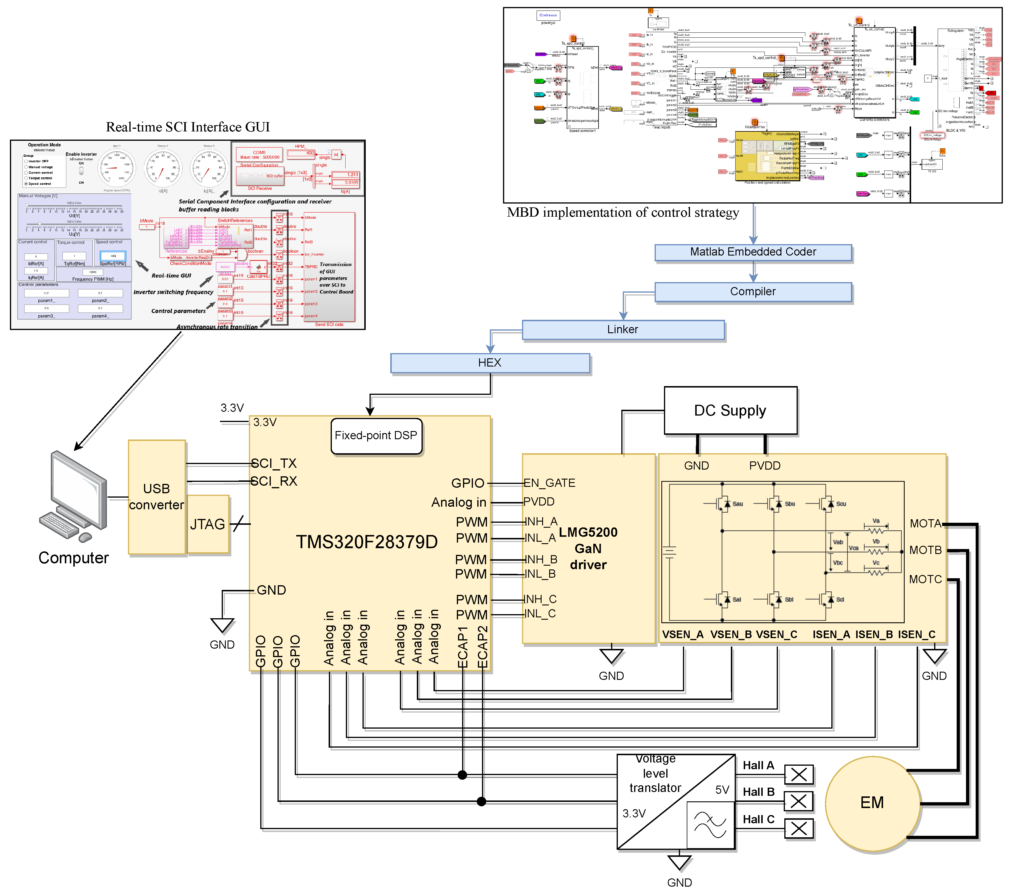
- OverviewThe test bench’s primary components are highlighted in Figure 3 and are self-explanatory. The main components are (a) a DSP dual-core 200 MHz–800 MIPS development board; (b) a three-phase gallium nitride (GaN) inverter with a nominal power of 480 W; (c) a 5 V to 3.3 V voltage translator for Hall sensor connection to the DSP; (d) an electric machine with a nominal power of 350 W; (e) a CAN interface; and (f) open- and short-circuit stator phase switches. Figure 4 highlights the main electrical connections. Via a Serial Communication Interface (SCI) over USB, the control board interfaces with the acquisition GUI shown in Figure 5. The communication is full-duplex established through the receiver (SCI_RX) and transmitter (SCI_TX) ports. This communication channel is used for parameter tuning the transmission of set points, and for the measurement of the controlled variables. The CAN adapter, based on an integrated circuit ADM3053, is used for debugging. The JTAG connector is used for writing the binary HEX file to the DSPs program and data memory modules. To eliminate unwanted power ripples caused by the fast switching of the Enhanced Pulse Width Modulation (ePWM) block and possibly slower switching or a reaction of the power supply, a linear DC supply was employed instead of a switching DC supply.
- GaN inverter specificationsThe three-phase GaN inverter has an input voltage range of 12 V to 60 V and a peak output current of 7 ARMS or 10A. It was tested up to 100 kHz PWM (by manufacturer). The GaN power stage features low switching losses, allowing for high PWM switching frequencies and a peak efficiency of up to 98.5% at 100 kHz PWM. Switch node voltage overshoot and undershoot are at low levels with a low 12.5 ns deadband. The inverter minimizes phase voltage ringing while also reducing phase voltage distortions and electromagnetic interfaces. The LMG5200 gate driver and 3.3 V band-gap reference are powered by a 5 V rail, while the INA240 current sense amplifiers and temperature switch are powered by a 3.3 V rail [24].
- DSP-Inverter data acquisitionThe use of peripherals on the DSP side is seen in Figure 4. Data from the hall sensor are collected from general input-output () ports. The three-phase terminal voltages obtained from the ADC inputs are denoted as , while the ADC current measurements are provided by a shunt resistor amplified by linear amplifiers. The electrical machine connection to the voltage source inverter is denoted by . The high-side and low-side connections to the gate driver are denoted by and , respectively. is the gate driver enable signal, and is a DC voltage-proportional analog signal. The Enhanced Capture and Compare (ECAP) ports are used to determine the time interval between a rising and lower edge of the Hall signals, as a redundant speed measurement method.



- The rotor speed controller task;
- The ADC interrupt-based input data acquisition task (i.e., phase currents, phase voltages);
- The rotor and position speed calculation task (determines the electrical angle and rotor speed from the three-phase Hall sensors);
- The current controller task;
- The SCI data transmitter task;
- The SCI data receiver task.

5. Experimental Results
5.1. Test Bench Results
5.2. Numerical Results
6. Discussion
- The increase in the commutation frequency of the GaN inverter, but keeping the focus on balancing the torque ripple vs. power losses;
- In terms of observer design and voltage compensation terms, the presented control scheme has some similarities with the model-free controller, thus a comparison between the two should be carried out;
- The derivation of the passivity constraints for higher-order observers;
- A comparison between floating-point and fixed-point numerical implementation for the controlled and control variables, and possibly fine tuning the fixed-point’s Q-number to increase numerical precision.
Author Contributions
Funding
Institutional Review Board Statement
Informed Consent Statement
Data Availability Statement
Conflicts of Interest
Abbreviations
| DSP | Digital Signal Processor |
| ECAP | Enhanced Capture and Compare |
| EL | Euler–Lagrange |
| ePWM | Enhanced Pulse Width Modulation |
| GaN | Gallium Nitride |
| GUI | Graphical User Interface |
| GPIO | General Purposed Input Output |
| Inverter High-side phase A | |
| Inverter Low-side phase A | |
| Inverter High-side phase B | |
| Inverter Low-side phase B | |
| Inverter High-side Phase C | |
| Inverter Low-side Phase C | |
| IWSM | In-wheel Synchronous Machine |
| MDPI | Multidisciplinary Digital Publishing Institute |
| MIL | Model-in-the-loop |
| PBC | Passivity-based Control |
| SCI | Serial Component Interface |
| SIL | Software-in-the-loop |
| SVPWM | Space-Vector PWM |
| VSI | Voltage Source Inverter |
References
- Xiaojuan, Y.; Jinglin, L. A novel sliding mode control for BLDC motor network control system. In Proceedings of the 2010 3rd International Conference on Advanced Computer Theory and Engineering(ICACTE), Chengdu, China, 20–22 August 2010; Volume 2, pp. 289–293. [Google Scholar] [CrossRef]
- Melkote, H.; Khorrami, F. Nonlinear adaptive control of direct-drive brushless DC motors and applications to robotic manipulators. IEEE/ASME Trans. Mechatron. 1999, 4, 71–81. [Google Scholar] [CrossRef]
- Krishnan, P.H.; Arjun, M. Control of BLDC motor based on adaptive fuzzy logic PID controller. In Proceedings of the 2014 International Conference on Green Computing Communication and Electrical Engineering (ICGCCEE), Coimbatore, India, 6–8 March 2014; pp. 1–5. [Google Scholar] [CrossRef]
- Arifiyan, D.; Riyadi, S. Hardware Implementation of Sensorless BLDC Motor Control To Expand Speed Range. In Proceedings of the 2019 International Seminar on Application for Technology of Information and Communication (iSemantic), Semarang, Indonesia, 21–22 September 2019; pp. 476–481. [Google Scholar] [CrossRef]
- Wen, H.; Yin, J. A Duty Cycle Based Finite-Set Model Predictive Direct Power Control for BLDC Motor Drives. In Proceedings of the IECON 2020 The 46th Annual Conference of the IEEE Industrial Electronics Society, Singapore, 18–21 October 2020; pp. 821–825. [Google Scholar] [CrossRef]
- Koiwa, K.; Kuribayashi, T.; Zanma, T.; Liu, K.; Wakaiki, M. Optimal current control for PMSM considering inverter output voltage limit: Model predictive control and pulse-width modulation. IET Electr. Power Appl. 2019, 13, 2044–2051. [Google Scholar] [CrossRef]
- de la Guerra, A.; Alvarez-Icaza, L. Robust Control of the Brushless DC Motor with Variable Torque Load for Automotive Applications. Electr. Power Components Syst. 2020, 48, 117–127. [Google Scholar] [CrossRef]
- Mocanu, R.; Onea, A. Robust Control of Permanent Magnet Synchronous Machine Based on Passivity Theory. Asian J. Control 2018, 20, 2034–2041. [Google Scholar] [CrossRef]
- Luo, Y.; Liu, C. A Flux Constrained Predictive Control for a Six-Phase PMSM Motor with Lower Complexity. IEEE Trans. Ind. Electron. 2019, 66, 5081–5093. [Google Scholar] [CrossRef]
- Raff, T.; Ebenbauer, C.; Allgöwer, F. Nonlinear Model Predictive Control: A Passivity-Based Approach; Springer: Berlin/Heidelberg, Germany, 2007; Volume 358, pp. 151–162. [Google Scholar] [CrossRef]
- Chen, H.; Scherer, C.W. Moving horizon H8 control with performance adaptation for constrained linear systems. Automatica 2006, 42, 1033–1040. [Google Scholar] [CrossRef]
- Tran, T.; Ha, Q. Networked control systems with accumulative quadratic constraint. Electron. Lett. 2011, 47, 108–110. [Google Scholar] [CrossRef]
- Tippett, M.J.; Bao, J. Distributed model predictive control based on dissipativity. AIChE J. 2013, 59, 787–804. [Google Scholar] [CrossRef]
- Achour, A.Y.; Mendil, B. Passivity based voltage controller-observer design with unknown load disturbance for Permanent Magnet Synchronous Motor. In Proceedings of the 2014 IEEE 23rd International Symposium on Industrial Electronics (ISIE), Istanbul, Turkey, 1–4 June 2014; pp. 201–206. [Google Scholar]
- Tao, L.; Jiuhe, W.; Yi, T.; Lei, W. A new nonlinear control stragety for PMSM. In Proceedings of the 2010 International Conference On Computer Design and Applications, Qinhuangdao, China, 25–27 June 2010; Volume 3, pp. 1152–3755. [Google Scholar]
- Riffo, S.; Gil-González, W.; Montoya, O.D.; Restrepo, C.; Muñoz, J. Adaptive Sensorless PI+ Passivity-Based Control of a Boost Converter Supplying an Unknown CPL. Mathematics 2022, 10, 4321. [Google Scholar] [CrossRef]
- Beltrán, C.A.; Diaz-Saldierna, L.H.; Langarica-Cordoba, D.; Martinez-Rodriguez, P.R. Passivity-Based Control for Output Voltage Regulation in a Fuel Cell/Boost Converter System. Micromachines 2023, 14, 187. [Google Scholar] [CrossRef] [PubMed]
- Liu, Z.; Du, J.; Stimming, U.; Wang, Y. Adaptive passivity-based control for speed regulation of permanent magnet synchronous motor. In Proceedings of the 2014 9th IEEE Conference on Industrial Electronics and Applications, Hangzhou, China, 9–11 June 2014; pp. 645–649. [Google Scholar]
- Belabbes, B.; Lousdad, A.; Meroufel, A.; Larbaoui, A. Simulation and modelling of passivity based control of PMSM under controlled voltage. J. Electr. Eng. 2013, 64, 298–304. [Google Scholar] [CrossRef]
- Cheng, Z.; Jiao, L. Hamiltonian Modeling and Passivity-based Control of Permanent Magnet Linear Synchronous Motor. J. Comput. 2013, 8, 501–508. [Google Scholar] [CrossRef]
- Bas, O.Y.; Stankovic, A.M.; Tadmor, G. Passivity based sensorless control of a smooth rotor permanent magnet synchronous motor. In Proceedings of the 36th IEEE Conference on Decision and Control, San Diego, CA, USA, 12 December 1997; Volume 1, pp. 239–244. [Google Scholar]
- Vanier, J.; Tomescu, C. Universe Dynamics: The Least Action Principle and Lagrange’s Equations; CRC Press: Boca Raton, FL, USA, 2019. [Google Scholar]
- Ortega, R.; Perez, J.A.L.; Nicklasson, P.J.; Sira-Ramirez, H.J. Passivity-Based Control of Euler-Lagrange Systems: Mechanical, Electrical and Electromechanical Applications; Springer Science & Business Media: Berlin/Heidelberg, Germany, 2013. [Google Scholar]
- 48-V, 10-A, High-Frequency PWM, 3-Phase GaN Inverter Reference Design for High-Speed Motor Drives; Texas Instruments: Dallas, TX, USA, 2017.
- TMS320F2837xD Dual-Core Microcontrollers: Technical Reference Manual; Texas Instruments: Dallas, TX, USA, 2019.












| Parameter | Value |
|---|---|
| Current () dissipating factor () | 9 [] |
| Current () dissipating factor () | 9 [] |
| numerator coefficients (, ) | 1000 [-] |
| denominator coefficients (, ) | 1000 [-] |
| Outer loop dissipating factor () | 0.01 |
| numerator coefficient () | 5 |
| denominator coefficient () | 5 |
| Recurrence time of angle processing chain | 0.0002 [s] |
| Recurrence time of current control loop | 0.0001 [s] |
| Recurrence time of angular speed control loop | 0.0005 [s] |
| ADC acquisition time | Interrupt-based (end-of-conversion) ∼ 50 [uS]) |
| Inverter PWM frequency () | 20 [kHz] |
| Parameter | Value |
|---|---|
| Number of poles () | 15 [-] |
| Nominal stator resistance () | 0.5 [] |
| Nominal stator inductance () | 5 × 10 [H] |
| Permanent magnet flux () | 0.012 [] |
| Torque constant () | 0.285 [] |
| Rotor inertia () | 4.4 × 10 [kg m] |
| Rotor viscous damping () | 0.015 [Nm/rad/s] |
| Nominal power () | 350 [W] |
| Nominal voltage () | 36 [V] |
Disclaimer/Publisher’s Note: The statements, opinions and data contained in all publications are solely those of the individual author(s) and contributor(s) and not of MDPI and/or the editor(s). MDPI and/or the editor(s) disclaim responsibility for any injury to people or property resulting from any ideas, methods, instructions or products referred to in the content. |
© 2023 by the authors. Licensee MDPI, Basel, Switzerland. This article is an open access article distributed under the terms and conditions of the Creative Commons Attribution (CC BY) license (https://creativecommons.org/licenses/by/4.0/).
Share and Cite
Mocanu, R.; Onea, A. A Passive-Constrained Observer and Controller Applied to an In-Wheel Synchronous Machine Implemented on a Fixed-Point DSP. Mathematics 2023, 11, 1860. https://doi.org/10.3390/math11081860
Mocanu R, Onea A. A Passive-Constrained Observer and Controller Applied to an In-Wheel Synchronous Machine Implemented on a Fixed-Point DSP. Mathematics. 2023; 11(8):1860. https://doi.org/10.3390/math11081860
Chicago/Turabian StyleMocanu, Razvan, and Alexandru Onea. 2023. "A Passive-Constrained Observer and Controller Applied to an In-Wheel Synchronous Machine Implemented on a Fixed-Point DSP" Mathematics 11, no. 8: 1860. https://doi.org/10.3390/math11081860
APA StyleMocanu, R., & Onea, A. (2023). A Passive-Constrained Observer and Controller Applied to an In-Wheel Synchronous Machine Implemented on a Fixed-Point DSP. Mathematics, 11(8), 1860. https://doi.org/10.3390/math11081860

