Abstract
In engineering fracture problems, cracks tend to interact with each other rather than exist singly. In recent years, the phenomenon of multi-cracking has received attention from both academia and industry. This article firstly emphasizes the importance and research trends of crack interactions. The article then discusses the experimental observation and theoretical modeling of the multi-crack problem and compares the different numerical methods in detail. Finally, this paper offers a comprehensive summary and in-depth analysis of the advancements in multi-crack fracture mechanics, aiming to provide reliable support for solving the multi-crack problem in engineering.
MSC:
74R99
1. Introduction
Many cracks exist in high-strength and brittle materials applied in engineering, such as rocks, concretes, alloys, composites, etc. These cracks may rapidly grow from micro-scale to macro-scale under external loads or harsh environments, leading to structural damage once they reach a critical size. The presence of multiple cracks complicates the assessment compared to a single crack, as each crack is affected by the others. It is difficult to assess the stress intensity factor (SIF) at the crack tip and the direction of crack initiation accurately with conventional methods. The complexity of the multi-crack problem increases the risk of structural failure and places higher demands on engineering design and materials. Therefore, assessing the fracture behavior of cracks and their interactions quantitatively has become an important topic that needs to be addressed in fracture mechanics.
In practical engineering, scholars are concerned with the real-time monitoring and prediction of crack propagation in structures under external effects such as static, cyclic and temperature loads. These multi-crack interactions are prevalent in a variety of structures, and crack development significantly affects material strength, which directly influences the overall structural service life. Secondly, with the wide application of functional materials in civil engineering and geotechnical, aerospace, automotive, and other industries, the study of multi-crack fracture behavior in composites and heterogeneous materials has become crucial, with different properties of the materials determining different crack propagation laws. Due to the limitations of experimental and theoretical research, computer numerical simulations such as the extended finite element method (XFEM), the boundary element method (BEM), and the meshfree method (MM) have become the mainstream methods and are suitable for modeling complex interactions of cracks.
This paper serves as a review article focusing on the multi-crack problem, which is an important topic in fracture mechanics. Currently, there are many review articles in the field of fracture mechanics that summarize the development of multiscale analysis [1,2], fractures of layered materials [3], fatigue fractures [4,5], composite fractures [6,7,8], and various numerical methods [9,10,11,12]. Nevertheless, the fracture problem remains a common challenge in engineering practice, as cracks often do not exist in isolation. The interactions of multiple cracks increase the complexity of the problem. Although multi-crack problems are common in fracture mechanics, there is a lack of systematic review papers to discuss this topic. In this paper, we provide a comprehensive overview and summary of the multi-crack propagation problem, mainly from three aspects: experimental observations in different media, theoretical studies, and numerical methods. The composition of research on multi-crack fracture mechanics is shown as Figure 1.
Figure 1.
Composition of research on multi-crack fracture mechanics.
2. Experimental Observations
Multi-crack phenomena are very common in engineering, but the crack propagation modes show significant variability due to the diversity of physical properties of the materials and external loading modes. For example, in fiber composites, cracks tend to grow along the main direction of the fibers, showing a strong directionality, whereas in more brittle materials such as rock and concrete, cracks tend to branch and aggregate. In addition, when multiple cracks develop in the same material, the interactions between the cracks often cause significant changes in the crack paths, increasing the difficulty of predicting and controlling the cracking behavior. In recent years, many researchers have delved into the fracture behavior of multiple cracks through experimental studies, which are the basis for the study of fracture problems.
2.1. Rocks
The problem of multi-crack fractures in rock is widespread in industries such as mining, civil engineering, petroleum engineering, and geohazard assessment. Significant progress has been made in theory, experimentation, simulation, and engineering applications. Thermal cycling, freezing, thawing, magmatism, and creep of rocks in geology can cause cracking phenomena in rocks [13,14,15,16].
In the fracture test of rocks, researchers mainly focus on a series of fracture mechanisms such as crack initiation, propagation, branching, and aggregation. Unlike general elastomers, due to non-homogeneity and internal defects, cracks in rocks are difficult to explain with traditional elastic fracture mechanics, but have more variable fracture modes under different external loads, which are usually accompanied by cracks of different genesis, such as wing (tensile) cracks and horsetail (shear) cracks [17,18,19,20,21], as shown in Figure 2a. Damage and fractures of rocks are closely related to external loads [22], and the way cracks grow and interconnect in rocks depends on internal defects such as air cavities, microcracks, and impurities. Prefabricated cracks are a common experimental approach to study fracture problems, and a large number of studies have been carried out by researchers on two or more parallel cracks in different rock bodies and under different external loading conditions [20,23,24,25,26]. Ma and Yang et al. [21,23] observed the fracture pattern of multi-directional propagation of crack tips in rocks, as shown in Figure 2b. Shen et al. [24] performed uniaxial compression tests using a red sandstone cube specimen with three parallel cracks, as shown in Figure 2b. Haeri et al. [25,27] investigated the effect of the fracture behavior between two prefabricated L-shaped cracks in the sample, as shown in Figure 2d.
Cracks are usually observed in the laboratory using rock samples or synthetic materials that simulate rock properties with the help of techniques such as the digital image correlation (DIC) method [28,29], X-ray computed tomography [30,31], and acoustic emission monitoring [27,32], and the related processes or instruments are shown in Figure 2e–g. However, these techniques provide convenience while having problems, respectively, such as difficulty in dealing with off-surface displacement, inability to observe the dynamic crack propagation process directly, and uncertainty in the localization of cracks. Liu et al. [33] investigated the multi-crack cracking behavior of rocks under cyclic compressive loading. And Ghamsogar et al. [34] compared the crack propagation patterns of rocks under cyclic loading and static loading.
Figure 2.
(a) Secondary cracks in a rock [21]. (b) Multi-crack propagation patterns in experiments [21]. (c) Fracture of red sandstone specimens [24]. (d) Damage patterns for L-shaped cracks [25]. (e) Procedure for analyzing the fracture problem in DIC [29]. (f) X-ray computed tomography scanning instrumentation [30]. (g) Acoustic emission transducer [13].
Figure 2.
(a) Secondary cracks in a rock [21]. (b) Multi-crack propagation patterns in experiments [21]. (c) Fracture of red sandstone specimens [24]. (d) Damage patterns for L-shaped cracks [25]. (e) Procedure for analyzing the fracture problem in DIC [29]. (f) X-ray computed tomography scanning instrumentation [30]. (g) Acoustic emission transducer [13].

2.2. Concretes
Concrete is a man-made material widely used in civil engineering and hydraulic engineering. The development of cracks is the main reason for structural damage. By studying the law of multi-crack propagation in concrete, the growth of cracks can be monitored and controlled to ensure the safety and functionality of the structure.
Due to the casting process for concrete, the interior contains a large number of air holes, and these holes are the places where cracks are generated. Zhang et al. [35] established an intrinsic relationship for concrete coupling with air and verified it with uniaxial compression experiments, and the concrete slices were observed with a microscope, as shown in Figure 3a. Concrete is usually functioned in engineering as a reinforced concrete composite structure with steel reinforcement. Durand et al. [36] proposed an FEM considering the interactions of steel reinforcement with various structures of concrete, which was compared to the fracture experiments of reinforced concrete beams by Rabczuk et al. [37,38,39], as shown in Figure 3b. In civil engineering tests, multi-cracking of concrete is very common in impact tests [40] and three-point bending tests [41,42], which are used for assessing the strength and fracture toughness of concrete.
Reinforcement of concrete structures with fiber-reinforced composites is a concerning topic [43,44]. Pan et al. [45] found that the presence of multiple cracks on spans of reinforced concrete beams leads to the debonding of the FRP, as shown in Figure 3c. Cho et al. [46] observed multi-crack fractures of high-performance fiber-reinforced cementitious composites (HPFRCs) in the plastic hinge zone of reinforced concrete columns, as shown in Figure 3d.
Fatigue damage is an important cause of deterioration in concrete structures, and under fatigue loading, crack propagation becomes more complex, so investigating the development of multiple cracks in this case is vital to understand the behavior of materials under cyclic loading, to predict the durability and safety of the structure [47,48]. Elshazli et al. [49] used several fiber-reinforced polymers to strengthen concrete beams under cyclic loading, and significant multi-crack development was observed. Figure 3e depicts the crack propagation in fatigue test of concrete columns from the experiment of Li et al. [50].
The techniques mentioned in the previous study, such as DIC, acoustic emission, and X-ray computed tomography, can also be used for the concrete fracture problem [51,52,53,54]. However, cracks in rock and concrete have poor experimental reproducibility and are difficult to be explained by theoretical models due to the heterogeneity and intrinsic defects of the material, and more computerized methods are currently used for the study of concrete structure fracture problems [55,56].
Figure 3.
(a) Air voids in concrete slice [35]. (b) Multi-crack fracture of reinforced concrete beams [36]. (c) Cracks in FRP-reinforced concrete beam [45]. (d) Multi-crack in HPFRC column [46]. (e) Crack propagation in concrete columns in fatigue tests [50].
Figure 3.
(a) Air voids in concrete slice [35]. (b) Multi-crack fracture of reinforced concrete beams [36]. (c) Cracks in FRP-reinforced concrete beam [45]. (d) Multi-crack in HPFRC column [46]. (e) Crack propagation in concrete columns in fatigue tests [50].

2.3. Fiber-Reinforced Composites
Fiber-reinforced composites are widely used in various engineering fields due to their excellent specific strength and designability; however, their fracture study is an active and complex field because of their material inhomogeneity, orientation, and heterogeneity. X-ray computed tomography [57,58,59,60] and DIC [61,62,63] methods are widely used in the research of fiber-reinforced composites.
In fiber-reinforced composites, the fracture of the member includes the pull-off of the fibers and the fracture of the matrix, and it is difficult to explain the fracture behavior of composites with the traditional fracture mechanics theory. Test methods for the fracture of fiber-reinforced composites are mainly divided into tensile and compression tests. The earliest experimental studies related to fiber-reinforced composites date back to the 1960s, when Rosen et al. [64] conducted a series of experiments on the destruction of fiber-reinforced composite samples. Li et al. [57] studied the fracture failure process in laminates by an over-height compact tension test combined with X-ray computed tomography. The experimental procedure is shown in Figure 4a. Zobeiry et al. [61] measured the fracture damage properties of laminated composites by combining over-height compact tension and compact compression tests. The fiber breakage and matrix cracking are shown in Figure 4b. Sadowski et al. [63] analyzed the propagation and interactions of parallel cracks in polymer matrix composites. The process of the tensile experiment and DIC results are shown by Figure 4c,d. As shown in Figure 4e, Nguyen et al. [62] used DIC to observe the tensile damage of double cross laminates.
Fatigue tests and indentation tests are also common methods to study the multi-crack fractures of composites. Garcea et al. [58] surveyed the fatigue damage cracking phenomenon of carbon fiber-reinforced epoxy specimens by computed tomography. Sommer et al. [65] observed microscopic damage in fatigue experiments on composite laminates with multiple off-axis plies. In composite laminates, multi-crack fracture problems are accompanied by delamination [57,66,67,68]. The phenomenon of delamination and fractures of laminates with different indenter displacements in the quasi-static indentation experiments of Wagih et al. [67] is shown in Figure 4f.
Figure 4.
(a) Tension test combined with X-ray computed tomography [57]. (b) Fiber breakage and matrix cracking under tension [61]. (c) Parallel unequal crack propagation in polymer matrix composites [63]. (d) Plane strain data obtained by the DIC technique [63]. (e) Fatigue fracture damage of carbon fiber-reinforced epoxy specimens [62]. (f) Pressure fracture of laminates [67].
Figure 4.
(a) Tension test combined with X-ray computed tomography [57]. (b) Fiber breakage and matrix cracking under tension [61]. (c) Parallel unequal crack propagation in polymer matrix composites [63]. (d) Plane strain data obtained by the DIC technique [63]. (e) Fatigue fracture damage of carbon fiber-reinforced epoxy specimens [62]. (f) Pressure fracture of laminates [67].

2.4. Compound Coating
A compound coating is defined here as a thin layer of a compound or a mixture that forms a double layer with another material as a substrate, and the structure is usually formed due to the reaction of the metal with an active gas or a spraying process in engineering. In this model, the top layer will fracture before the substrate because it is more brittle and thinner relative to the substrate. When multiple cracks are produced in the top layer, the fracture is easily observed due to the bonding of the substrate to the top layer.
Under uniaxial tension, the fracture of the top coating on the substrate takes the form of a parallel crack fracture. Thouless et al. [69] explored the relationship between the spacing of brittle film cracks on an elastic substrate and the film stress, thickness, and fracture toughness, and obtained TEM micrographs of oxides cracking in parallel on the substrate. Beuth, Hutchinson, and Suo et al. [70,71,72] investigated the phenomena of elastic fractures in laminar structures and deduced the case of multiple cracks, revealing the law of interactions between cracks in the top coating of the substrate and laying the foundation for subsequent studies of cracking in this problem. Chen et al. [73] developed an elastic-plastic fracture model combined with uniaxial tensile tests to investigate the multi-crack fractures of an alumina coating when it is fully bonded to an aluminum substrate under large tensile deformation, as shown in Figure 5a. Cheikh et al. [74] used a microscope to observe the multi-crack cracking pattern of a ZnO coating deposited on an ethylene-terafluoroethlene substrate by magnetron sputtering, as shown in Figure 5b. Shenoy et al. [75] observed a fracture pattern in a GaN top coating on a Si substrate, as shown in Figure 5c. Andersons et al. [76] analyzed the cracking patterns of a 100 nm thick silicon oxide coating on polyethylene terephthalate, polypropylene, and polyamide films, as shown in Figure 5d. Vellinga et al. [77] observed fracture, delamination, and buckling of an amorphous carbon-hydroxide coating on an Al substrate under tensile load.
Figure 5.
(a) Cracking of GaN coatings under tensile loading [73]. (b) Cracking of ZnO coatings under different substrate strains [74]. (c) Cracking of GaN coatings under residual stresses [75]. (d) Cracking of polypropylene coatings under biaxial stress [76].
2.5. Other Materials
Glass, ceramics and some polymer materials are known for their excellent physical and chemical properties. However, the brittleness of these materials makes them susceptible to cracking, which results in fractures when subjected to stress. Therefore, the study of multi-crack fracture behavior of such materials is not only crucial but also challenging.
Glass materials tend to fracture under external loading due to their high brittleness and poor ductility, and the cracks will split open, leading to extensive fractures [78]. Fineberg et al. [79] observed the phenomenon of typical microcrack branching in their study of fractures in glass polymers. When glass materials are subjected to single-point impact loading [80], a spider net of cracks is produced, as shown in Figure 6a,b. The fracture pattern of glass members in four-point bending tests [81] is shown in Figure 6c. Glass materials tend to chip on the surface or scratch during processing, which is often the cause of cracking and damage to the structure under external loads [82,83]. A fracture of glass with prefabricated scratches is shown in Figure 6d. Scratches [84] and fatigue [85] that produce fractures are also present in ceramic or composite ceramic bases; the cracks near the scratches are shown in Figure 7a, and a multi-crack fracture of the ceramic matrix in a composite under fatigue loading is shown in Figure 7b,c. Additionally, ceramic materials produce a large number of thermal shock cracks [86,87] during quenching experiments, as shown in Figure 7d.
Figure 6.
Fractures in glass. (a) Glass fracture under single-point impact [80]. (b) Glass fracture under single-point impact with preexisting cracks [80]. (c) Fracture behavior in four-point bending test [81]. (d) Fracture between scratches [82].
Figure 7.
Fractures in ceramics. (a) Propagation of cracks around the scratches [84]. (b) Cracking of ceramic matrix [85]. (c) SEM image of cracks in ceramics [85]. (d) Ceramic cracks under thermal shock [86].
In addition to the typically brittle materials such as glass and ceramics, it has been observed that multi-crack fractures also occur in non-metallic materials such as polymer fluids [88], water-soluble gels [89], polymers [90,91], and crystals [92]. The gelatin material used by Fender et al. [89] and the PC material used by Belova et al. [90] both have good linear elasticity and photoelasticity, which can correspond well to the theory of linear elastic fracture. The tensile test procedure for gelatin is shown in Figure 8a–f, and the photoelasticity phenomenon is shown in Figure 8g,h. The photoelasticity test of a PC plane containing two cracks is shown in Figure 8i, and the stress distribution can be clearly observed. Goehring et al. observed the cracking process of colloidal film during drying, as shown in Figure 8j,k.
Figure 8.
(a) Tensile test of gelatin material [89]. (b–f) Crack propagation process in gelatin sheet [89]. (g,h) Photoelasticity experiment of two-crack propagation in gelatin [89]. (i) Stress distribution of PC plane containing two cracks under different tensile forces in photoelastic experiment [90]. (j,k) Cracking process in colloidal film during drying [91].
Fractures of plastic materials, such as metals, are quite different from those of brittle materials in that they undergo significant plastic deformation as the material absorbs a large amount of energy during cracking and destruction. A plastic fracture usually has a large necking region; therefore, the phenomenon of multi-crack fractures is not common in plastic materials. Alloy materials represented by steels play an important role in engineering, and these materials are usually subject to multiple cracking and fatigue damage due to low-cycle fatigue and thermomechanical fatigue effects during service [93,94,95,96], as shown in Figure 9a, which represents the multiple cracking of austenitic stainless steels under low-cycle fatigue at 72% of its service life [97]. Figure 9b shows the path of crack propagation in fatigue tests [94]. In addition, stress corrosion causes steel to become less plastic, and brittle fractures occur below the yield strength [98,99]. Figure 9c–f illustrate the phenomenon of multi-crack propagation at macroscopic and microscopic scales in steel under stress corrosion [99].
Figure 9.
(a) Multiple cracks in austenitic stainless steels subjected to low-cycle fatigue [97]. (b) Crack propagation paths in steel during fatigue tests. (c) Cracks on the steel surface [94]. (d–f) Microscopic cracks corresponding to A, B, and C in (c) [99].
Compared to plastic materials, the materials of rocks, concrete, composites, and compounds are of interest in fracture mechanics because of their brittleness. The fracture process in these materials is sudden and lacks plastic deformation as a warning signal, which makes their fracture behavior unpredictable, so we need to study the multi-crack fracture problem as a challenge in engineering.
3. Theoretical Modeling
Fracture phenomena are common in brittle materials. The fundamental theory of fracture mechanics based on linear elasticity was developed by pioneers such as Griffiths and Owen, who introduced concepts like the stress intensity factor (SIF) and energy release rate. The current analytical solutions of single-crack fracture problems in linear elastic materials are usually dominated by the field functions containing SIF in polar coordinates proposed by Williams et al. [100] and the complex variable field functions by Sih et al. [101]. In multi-crack problems, the development of analytical methods is limited due to uncertainty in the locations of cracks.
For the analytical study of multiple cracks, there were many early exploratory works. In 1953, Muskhelishvili [102] proposed a complex function solution of the planar elasticity problem by two stress functions, Φ(z) and Ω(z), which provided the conditions for the theory of linear elastic fractures. The stress equation is
where the coordinate z = x + iy.
Some scholars [103,104] have solved problems involving colinear or parallel multiple cracks based on the analytical method of Muskhelishvili’s complex function. The work of Koiter et al. [103] is the most representative, in which the stress functions Φ(z) and Ω(z) are revised to solve the model for colinear equidistant multiple cracks under the same boundary conditions, as shown in Figure 10. The strain energy increment for each crack under far-field stresses is
where E is the modulus of elasticity of the material, the crack length is 2c, and the crack spacing is 2b.
Figure 10.
Multiple colinear equidistant cracks.
Horii et al. [105,106] proposed a method of pseudotractions to solve the problems of two arbitrary relative cracks, colinear cracks, and parallel cracks in a linear elastic solid. The problem of two arbitrarily located cracks is decomposed as shown in Figure 11, and the SIF is
where the crack numbers j = 1,2, and P and Q are the coefficients of each term after Taylor expansion of Equation (2).
For the cases of colinear and parallel cracks, as shown in Figure 12, the SIFs are
- Colinear cracks:
- Parallel cracks:
Figure 11.
Decomposition of the fracture problem with two arbitrary cracks.
Figure 11.
Decomposition of the fracture problem with two arbitrary cracks.

Figure 12.
(a) Colinear cracks. (b) Parallel cracks.
Figure 12.
(a) Colinear cracks. (b) Parallel cracks.

Kachanov [107,108] proposed a simple method for stress analysis in elastic solids containing many cracks. As shown in Figure 13, p∞ is the crack surface traction, and pk is considered to be generated by the uniform average traction <p> acting on the kth crack. By assuming that the traction force in each crack can be expressed as the sum of uniform and non-uniform components, the interactions between cracks are only caused by the uniform component, and the average stress ideology is used to solve the problem of adjacent cracks. Respectively, the SIFs of the outer and inner crack tips are
where Λ is the traction attenuation factor, the positive and negative of k represent the crack number to the left and right of the corresponding crack, and ζ and χ are the complete elliptic integrals of .
Figure 13.
Superposition of periodic crack rows.
Li et al. [109] improved Kachanov’s method and applied it to parallel and tilted cracks. Qing et al. [110] proposed a new method for solving the tight crack problem and plastic zone assessment based on Kachanov’s method and alternating iteration technique. Recent analytical methods based on Muskhelishvili’s complex function and superposition principle also remain in the modeling of colinear cracks [111,112], which are too poor to serve practical engineering.
It has been found that complex crack distributions are difficult to be solved by traditional analytical methods and that singular integral equations (SIE) can solve the problem of complex crack interactions [113]. Chen [114] found that the multi-crack problem can be easily transformed into a system of Fredholm integral equations to compute the SIF. Lam et al. [115] used the SIE to explore the effect on SIF by the interactions of the cracks. Cheung et al. [116] combined the Fredholm integral equation used for the infinite plate crack problem with a weighted residual method to solve the multi-crack problem. Yavuz et al. [117] analyzed the interactions of cracks in an infinite plate and determined the overall stress field and SIF. Chen [118,119] provided a review of the integral equations for the planar elastic cracking problem and split the plate into two edge value problems for the integral solution. Shen et al. [24] computed the SIF of the inclined-parallel cracks with different relative positions for a combination of the complex function method and the integral method. Denda et al. [120] enhanced the accuracy of the traditional integration method by incorporating a continuous distribution of dislocation dipoles. Doubly periodic cracking is a problem in which the crack arrangement is characterized by periodicity, as shown in Figure 14. Shi et al. [121,122,123,124,125] used SIE for a series of doubly periodic arrays of cracks to explore the interaction problem in periodic cracks. Ayatollahi et al. [126,127,128] used distributed dislocation in conjunction with Cauchy’s singular equation to solve the problem of linear multi-crack interactions in bonded, functionally gradient, and electro-elastic materials. SIE is useful in solving the problems of nematic as well as magneto-electro-elastic materials [129,130], where it plays a crucial role in solving multi-field coupling problems with multiple cracks.
Figure 14.
Doubly periodic cracking.
However, the implementation of singular integration techniques usually needs to be realized with the help of numerical methods [131], such as boundary integral equations (BIE) [132,133,134]. The boundary element method (BEM), which is a numerical implementation of the BIE, allows the construction of a system of equations to solve the problem by dividing the boundary into a finite number of elements and the boundary integral equations.
4. Numerical Simulation
The study of multi-crack models reveals the complexity of the fracture behavior, where the interactions between cracks and the interactions of stress fields constitute a complex system that introduces unpredictable variables into the crack propagation path and velocity. With the advancement of computer technology, numerical methods have become a key tool for solving fracture problems due to their flexibility, low cost, and ease of multiscale analysis and multi-physics field coupling.
Nowadays, several efficient and accurate simulation techniques, including the finite element method (FEM), the meshfree method (MM) and the boundary element method (BEM), have emerged. These techniques have enhanced our ability to understand and predict complex crack behavior. It is worth noting that these numerical methods enlist completely different mechanisms in solving crack propagation paths due to their own different principles. For example, extended finite element methods (XFEM), extended isogeometric analysis (XIGA), and boundary element methods (BEM) are based on continuum mechanics and use crack propagation criteria such as the maximum tangential stress criterion to determine the cracking, and the phase field method (PFM) is usually combined with continuum mechanics, which does not need to track the crack surface. The above methods usually assume that the material is homogeneous, continuous, and linear-elastic or elasto-plastic in modeling. On the contrary, the discrete element method (DEM) and peridynamics (PD) do not belong to continuum medium mechanics and naturally satisfy the conditions of random crack propagation through the contact and bond connection of discrete bodies, which gives these two methods a natural advantage in the study of multi-crack propagation problems in non-homogeneous, discrete media.
This section will focus on the application of numerical methods to multi-crack problems, demonstrating how they can provide strong support for deepening theoretical research and innovation in engineering practice.
4.1. Extended Finite Element Method
The FEM is one of the most representative numerical analysis tools due to its excellent applicability and flexibility. However, FEM depends on mesh and is difficult to apply to unknown crack paths and crack tip singularities. Although it has been reported in the literature that FEM can be improved or combined with other numerical methods to solve some multi-crack problems [135,136,137], difficulties limit the scope of application of FEM in complex fracture problems. To overcome these difficulties, the extended finite element method (XFEM), which demonstrates significant advantages with its efficiency and accuracy in dealing with multi-crack fracture problems, has emerged. XFEM effectively captures the singularity of the crack tip by introducing an enrichment function and tracing crack surfaces by techniques such as the level set method, without the need to predefine the crack path.
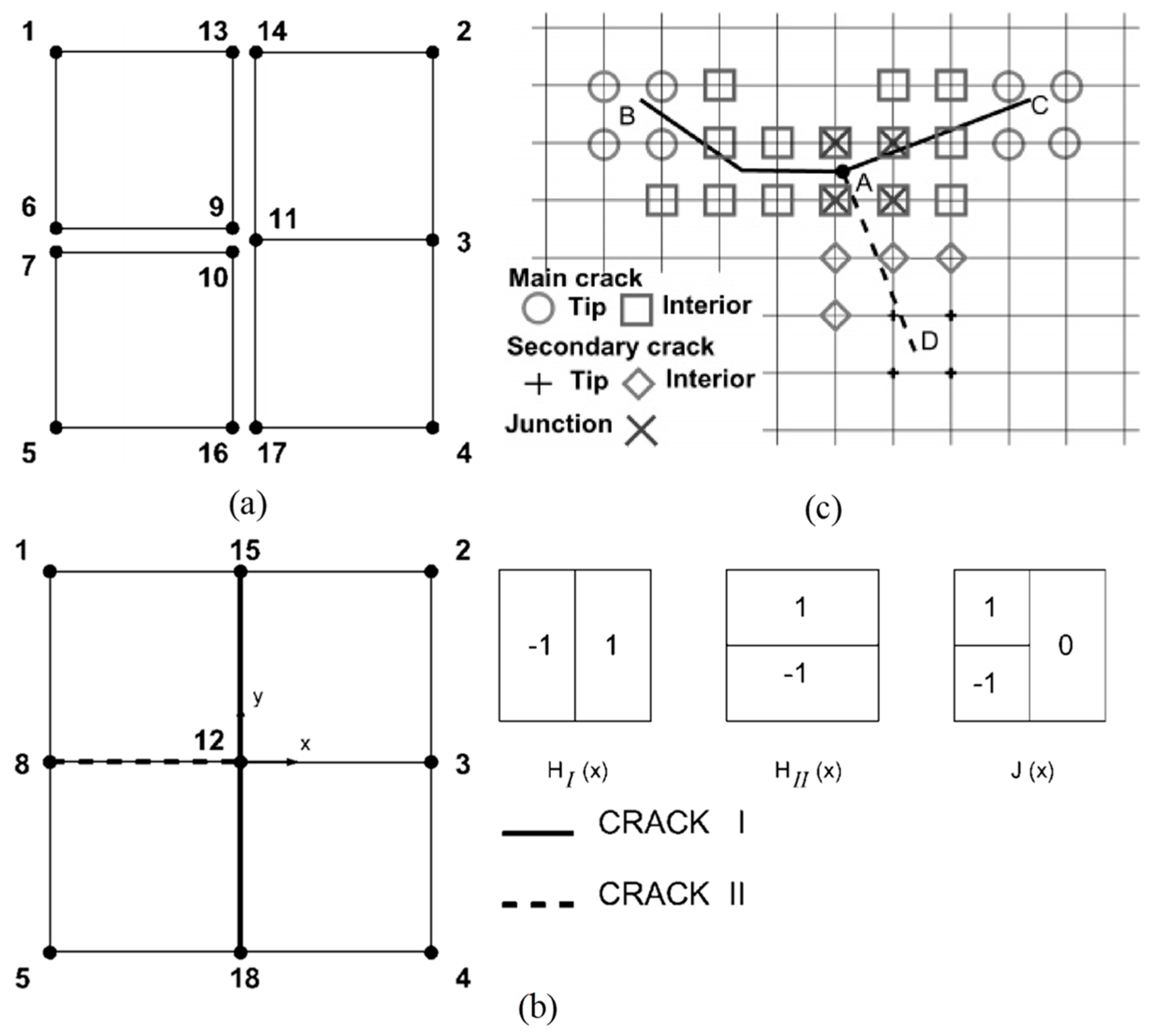
XFEM is vital in the study of fracture problems, and the analysis of multi-crack models has been developed. In 2000, Daux et al. [138] pioneered the use of XFEM to study the phenomena of arbitrary branched and intersecting cracks. The meshing principles for XFEM are different from those for FEM. The FEM approximation of displacement associated with Figure 15a is
where ui is the displacement at node i and is the bilinear shape function corresponding to node i. The approximated displacement by XFEM associated with Figure 15b is
where α, β, γ are the corresponding nodal vector variables, and the enrichment functions HI(x), HII(x), and J(x) are defined as in Figure 15b. As shown in Figure 15c, the enrichment process of the main crack (solid line) branched cracks (dashed line) is carried out by the finite element shape function of the support point near the junction A. If we consider a main crack, which is connected to several other cracks, the approximated displacement is
where Nc is the total number of cracks, Nt is the number of crack tips, and Nx is the number of nodes.
Figure 15.
(a) FEM mesh. (b) XFEM mesh and definition of the discontinuous enrichment function. (c) Enrichment for branched cracks [138].
Belytschko et al. [139] modeled the discontinuity of arbitrary defects in the XFEM. Budyn et al. [140] introduced a crack-length control scheme to model arbitrary multi-cracks. Mousavi et al. [141] proposed a treatment of intersecting and branched cracks by harmonic enrichment functions. Richardson et al. [142] proposed a new geometric cutting algorithm to simulate crack propagation in complex geometries. Xu et al. [143] extended the junction enrichment in XFEM to simulate branched dynamic cracks. Sutula et al. [144,145,146] developed a minimum energy method for multiple cracks propagation. Agathos et al. [147] proposed a new algorithm in 3D structures for the multi-crack problem. Chen et al. [148] applied the phantom node method proposed by Song et al. [149] to solve multiple crack problems by the mesh-cutting technique. Ding et al. [150,151] developed a variable node XFEM with local mesh refinement. As shown in Figure 16a,b, Wen and Wang et al. [152,153] developed an improved XFEM that introduces the enrichment of crack tip singularities, which solves the problems of combining the level sets and the disorder of the global stiffness matrix in multi-crack problems. Its simulated crack propagation for double-crack and multi-crack problems is shown in Figure 16c,d. In numerical methods based on continuum mechanics, materials are usually assumed to be homogeneous and linear elastic. Ideal elastic-plastic intrinsics, segmented linear models, or the Ramberg–Osgood model are used for elasto-plastic modeling as an approximation of the material properties. Gajjar et al. [154,155] simulated multi-crack problems in plastic materials with XFEM. Fatigue problems usually accompany plastic materials; XFEM can effectively simulate multi-crack propagation under fatigue loading [34,156,157,158], and the work of Singh et al. [157] demonstrated that XFEM can effectively simulate fatigue propagation containing multiple discontinuities (holes, micro cracks and inclusions). Zhu et al. [159] used XFEM to simulate fatigue fractures in steel under stress corrosion. Currently, scholars have successfully implemented XFEM in commercial finite element software such as ABAQUS [160] and COMSOL [161], bringing this advanced technology into wider engineering applications.
Figure 16.
(a) Distribution of smooth functions in the coupled domain (Red lines indicate cracks, same below). (b) Size of the integral and coupled domains. (c) Simulation results for two cracks. (d) Simulation results for multiple cracks [153].
4.2. Extended Isogeometric Analysis
Extended isogeometric analysis (XIGA) introduces a crack tip enrichment function to capture the singular stress field, which provides high efficiency and accuracy when dealing with multi-crack fracture problems. XIGA uses non-uniform rational B-splines (NURBS) as the basis function, allowing direct conversion from CAD models to numerical analysis without the need for remeshing. XIGA uses higher-order elements to obtain higher accuracy and local refinement compared to traditional FEM, making it suitable for simulating more complex geometries. In XIGA, the control node x = (x, y) corresponds to the node ξ = (ξ, η) in parametric coordinates with an approximate displacement of [162]
where Ri is the NURBS basis function and ui is the standard DOF associated with the control node i. In fracture problems, XIGA is usually combined with the Heaviside function to characterize the cracks and uses the maximum tangential stress criterion to determine the direction of crack propagation. The approximations of transverse displacement and rotational components for cracks are [163]
where H(ξ) is the Heaviside function, βα and Fα are the translational and rotational enrichment functions of the crack tip, a and b are the additional DOFs of the crack tip, nen is the number of control points, and ncf and nct are the number of control nodes for the Heaviside function and the crack tip enrichment function. Bhardwaj et al. [163] used XIGA against XFEM to calculate the SIF, and applied it to a plate with two cracks. The discretization of the cracking plate and sub-triangular dissections of the elements at the crack tip are shown in Figure 17.
Singh et al. [162,164] combined XIGA with higher-order shear deformation theory to calculate the SIF of crack tips in bilaterally cracked plates under two types of out-of-plane loads and multi-cracks in functional gradient plates. Gu et al. [165,166,167] proposed an adaptive XIGA based on LR B-splines, which can be used for curved surface cracks, multi-cracks, and a variety of complex structures with cracks in isotropic and anisotropic media. The adaptive XIGA element segmentation during crack propagation is shown in Figure 18. Yu et al. [168] proposed an error-controlled adaptive XIGA method for evaluating the multi-crack fracture behavior in Mindlin–Reissner plates. The XIGA method has been further applied by scholars to the multi-crack fracture problem in anisotropic piezoelectric materials [169,170]. In a recent study, Jiang et al. [171] used the B++ spline for the linear elastic single-crack and multi-crack fracture problems in XIGA.
Figure 18.
(a–d) Adaptive XIGA element segmentation during crack propagation (Red lines indicate cracks). (e–h) Contour of Von Mises stress during cracking [167].
Figure 17.
(a) Discretization of the cracking plate. (b) Sub-triangular element segmentation at the crack tip [163].
Figure 17.
(a) Discretization of the cracking plate. (b) Sub-triangular element segmentation at the crack tip [163].

4.3. Boundary Element Method
The elastic boundary element method (BEM) based on the boundary integral equation (BIE) has been applied to solve fracture problems for many years. In BEM, the integral terms in the boundary integral equation are approximated by numerical integration, and then the resulting system of equations is solved to obtain the value of the unknown function on the boundary. Assuming that the displacement at the boundary point x’ is continuous, the boundary integral of its displacement ui is [172]
Tij and Uij denote the traction and displacement at the boundary point x, V.P. denotes the Cauchy principal value integral, the problem domain is Ω, and the boundary is denoted as
where K is the total number of cracks, S is the problem domain boundary, and and are the two crack surfaces of the kth crack. The calculation of the boundary element method for the multi-crack problem can be simplified to multiple single-crack problems by giving crack partitions, or it can be calculated by correcting the traction force tj for each crack element by considering the other cracks [120]. The two-dimensional fracture problem and the element arrangement of the crack tip are shown in Figure 19 [173].
A proprietary program is needed to calculate the integrals on the problem domain boundaries and crack boundaries [174,175,176]. BEM has developed many variants in solving the multi-crack fracture problem, and the interaction integrals are usually used in calculation of the SIF. Denda et al. [120,177,178] developed a dislocation and point force approach to BEM for multi-cracks in isotropic and anisotropic media, which solves a series of fracture models in Figure 20. Wang et al. [179] proposed a new BIE and BEM for planar elastomers containing multiple cracks and holes with finite and infinite boundaries. Gray [180] et al. proposed the modified quarter-point crack tip elements for 2D boundary integral fracture analysis. Sutradhar et al. [173] proposed an interaction integration method for evaluating T-stress and SIF for 2D cracking problems by a symmetric Galerkin boundary element method. Saez et al. [181] proposed a 2D BEM based on displacement and traction BIE to analyze multi-crack fractures of piezoelectric solids. Guo et al. [182] proposed a fast multipole BEM for solving the 2D multi-crack problem in linear elastic fracture mechanics. Wu et al. [183] proposed a new BEM formulation to simulate cracks at micrometer scale. Liu et al. [184] proposed a fast multipole BEM for simulating crack propagation in 2D linear elastic solids. Hwu et al. [185] designed a meshless element along the boundary of holes or cracks to deal with the 2D anisotropic elastic solid problem. Cong et al. [186] proposed a method to simulate the crack propagation paths of multi-cracks in structures by coupling the crack tip characterization with the extended BEM.
Figure 20.
Some typical fracture problems in tension solved by Denda et al. [178]. (a) Two colinear cracks. (b) Three colinear cracks. (c) Two parallel cracks. (d) Three parallel cracks. (e) Two inclined cracks. (f) Two edged cracks in a semi-infinite plate.
Figure 19.
(a) Two-dimensional fracture problem. (b) Element arrangement of the crack tip [173].
Figure 19.
(a) Two-dimensional fracture problem. (b) Element arrangement of the crack tip [173].

4.4. Discrete Element Method
The discrete element method (DEM) is a numerical method used to simulate discontinuous media, and is particularly suitable for fracture and damage problems in materials such as particles, rocks, concrete, etc. The DEM does not require a mesh; the material is considered to consist of discrete particles, and the interactions between the particles are described by Newton’s second law and the contact force model. Therefore, DEM is not dependent on mesh or the fracture criterion and is naturally suitable for simulating large deformations and multi-crack propagation in discrete bodies with complex shapes. However, DEM suffers from large errors and high computational costs in solving continuous problem in linear elastic and elasto-plastic media that are the specialties of methods such as XFEM. In the DEM, the general form of particle distribution is shown in Figure 21a–d [187], and the forms of cracks between particles are shown in Figure 21e,f [188].
Figure 21.
(a) Analytical model. (b) Rectangular array model. (c) Hexagonal array model. (d) Arbitrary array model [187]. (e) Tensile crack between particles. (f) Shear crack between particles [188].
DEM is mainly used in the analysis of fracture behavior of rocks. Especially in the last few years, the development and application of the method has shown a significant boom trend and a focus on the multi-crack problem. Fractures of prefabricated cracks are a common object for fracture problems. Li et al. [189] analyzed a cement mortar member with parallel cracks under uniaxial compression based on DEM, and the crack propagations are shown in Figure 22a–c. Wang et al. [190] conducted a series of DEM numerical uniaxial compression tests on 3D-printed rock specimens to investigate the mechanical behavior and fracture modes. Sun et al. [191] used DEM to study the effect of size on the strength and cracking pattern of crystalline rocks with artificial defects. DEM can also capture the fracture phenomena of rocks that have holes, joints and stratum [192,193]. Zhong et al. [188] reconstructed a DEM that can reflect the rock mechanical properties and damage modes of shale specimens. The fracturing of shale layers at different deflection angles is shown in Figure 22d–g. DEM can accurately construct fluid solid coupling models to simulate rock cracking under fluid pressure [194,195]. Hofmann et al. [196,197] studied the diffusion of cracks during hydraulic fracturing in rocks. The multi-crack propagation under fluid injection in a rock is shown in Figure 22h. Papachristos et al. [198] developed a fully coupled DEM hydrodynamic model. Lee et al. [199] investigated the fracture interactions of semicircular bending members of shale under complex hydraulic loading. Liu et al. [200] proposed an improved fluid flow model for fractured porous media based on the coupled DEM model of bonding.
Figure 22.
Crack propagation at deflection angle (a) α = 30°, (b) α = 45°, and (c) α = 60° for parallel prefabricated cracks [189], and at deflection angle (d) β = 0°, (e) β = 30°, (f) β = 60°, and (g) β = 90° for shale layers under uniaxial compression [188]. (h) Crack propagation in water-injected rock [196].
DEM can also be combined with other numerical methods to solve the multi-crack problem. Shao et al. [201] coupled FEM and spheropolyhedral-based DEM to predict the propagation of multiple cracks in concrete beams. Jiao et al. [202] combined the lattice Boltzmann method, DEM, and the theory of damage development in rocks to investigate the thermal–hydraulic–mechanical coupling for branched crack propagation. In addition to fractures in rocks, DEM has been applied to multi-crack fracture problems in polymers [203] and soils [204].
4.5. Meshfree Methods
Meshfree methods (MMs) are a type of numerical method that does not require traditional meshing. Belytschko et al. [205] applied the least squares approximation to a set of equations from Galerkin’s weak formulas to formulate the element-free Galerkin method (EFGM), where the problem domain consists of a set of nodes, and numerical integration is carried out with the help of a background mesh for numerical integration. The moving least squares interpolation function in EFGM is [206]
where aα(x) is the vector of coefficients to be solved, nc is the number of cracks, and are the unknown coefficients of jth crack, and form the singularity of crack tips, p(x) is the basis function, and the 2D linear basis function is
To capture the stress singularity at the crack tips, it is effective to add enrichment terms after the regular term of the basis function. Li et al. proposed a complex variable enrichment basis to reduce the computational effort [207,208,209]. EFGM has significant advantages in dealing with problems with complex geometries, large deformations, contact problems, fractures, and crack propagation, while the traditional methods need to be improved in multi-crack problems. For example, node refinement is needed for areas with high stress singularity, as shown in Figure 23a,b [210], or special treatment of the weight function in regions of multiple crack tips, as shown in Figure 23c–e [211].
Figure 23.
(a) Two-crack fracture model. (b) Node refinement of crack propagation [210]. Diffraction method spline weight function (λ = 2) corrected by the MCW method. (c) Two parallel cracks, (d) double corner and spacer cracks, and (e) two corner connected cracks [211].
Duflot et al. [212,213] analyze the fracture problem and characterize the crack propagation with triangular fragments. A meshfree analysis was carried out for 2D and 3D double crack propagation. Muravin et al. [211] proposed a multiple crack weights method to solve interacting crack problems by a meshfree numerical method. Singh et al. [214,215,216] conducted a systematic study of MM for the multi-crack problem, and proposed simulating the interacting cracks with an intrinsic enriched EFGM, The node stiffness matrix is weighted for the local coordinates of different crack tips as
where nc is the total number of crack tips and Ri is the proportion of the effect of each crack tip on the computed node stiffness matrix, which is related to the distance between them. Barbieri et al. [217,218] also proposed intrinsic enrichment of the weight function for the numerical treatment of multiple arbitrary cracks. Zhu et al. [210] investigated the simulation of complex crack propagation by the independent cover meshfree method. Ai et al. [219,220] combined the weak MM and the cracking particle method for 2D brittle multi-crack propagation in thermo-mechanical coupling. Memari et al. [221] investigated the efficiency of the Petrov–Galerkin method and the linear test-function approximation method for complex crack propagation problems. Zhao et al. [222], based on the EFGM, developed a hydraulic crack propagation model to study multiple cracks. In addition to simulating linear elastic materials, the meshless method can easily be adapted to simulate large deformation problems of hyperelastic materials, as it is not restricted by the connection between the mesh and the nodes. Nguyen et al. [223] performed a meshfree analysis of multiple crack propagation in hyperelastic solids. Ahe member that has two cracks is shown in Figure 24a, and the nodal displacement contour of crack propagation is shown in Figure 24b.
Figure 24.
(a) Member with two cracks. (b) Contour of nodal displacement [223].
Meshfree methods are now widely used to deal with nonlinear problems [224,225,226,227]. Except for EFGM, smooth particle hydrodynamics (SPH) is a meshfree, pure Lagrangian particle method that describes material behavior through interactions between particles. SPH was initially used for fluid simulations. It has simulated the fracture damage in rocks [228,229,230] and the multi-crack dynamic fracture problem of brittle polymers [231] successfully.
4.6. Peridynamics
Peridynamics (PD) is a numerical method for simulating material damage and crack propagation. It does not belong to the class of method based on continuous mechanics like DEM and is suitable for modeling granular materials. The problem domain is discretized into several material points, and the whole model is simulated by considering the interactions between the material points. The PD equation based on the parameter position x and time t is [232]
where ρ is the mass density, is the acceleration, Hx is the domain of integration, δ is the radius of Hx, x′ is the interaction point of x, ξ is the initial distance between x and x′, η is the relative displacement at deformation, is the peridynamic force of non-local interaction, and is the body force. PD does not rely on mesh, and a large number of material points are connected to each other by bonds. The broken bonds form the cracks that are propagating, branching and aggregating. The scalar function that controls bond breakage between material points is
where s is the elongation and s0 is the critical elongation, the bond is intact when η = 1, otherwise the bond is considered to be broken. The interaction between the material points before and after deformation in the PD is shown in Figure 25 [21].
Figure 25.
Interaction of material points [21].
PD does not belong to the scope of continuum mechanics and is naturally suited to solving multi-crack fracture problems in concrete, rock and some silicate inclusions due to its particle characteristic [233,234,235]. Madenci et al. [232,236] applied PD to the problem of crack propagation in glass plate and compared it with experiments as well as other numerical methods. Bobaru et al. [237,238,239] investigated the dynamic branched crack propagation in brittle materials by PD. Zhou et al. [240,241] developed an extended non-ordinary state-based PD for simulating the process of crack initiation, propagation, and coalescence in concrete and rock subjected to quasi-static and dynamic loading. Dai et al. [242] proposed a dual-horizon peridynamics model to simulate multi-crack propagation in concrete. Shojaei et al. [243] proposed a hybrid meshfree discretization to enhance the efficiency of PD in dealing with interacting cracks. Ma et al. [21] introduced a strain energy density softening criterion in PD to reflect the damage characteristics of rock materials. The PD simulation results for parallel cracks in concrete under compression are shown in Figure 26a. Wang et al. [244] developed a two-parameter extended bond-based PD model. Zhou et al. [245] proposed a Cosserat continuum-based PD model to predict rock fracture modes.
Nowadays, scholars have studied PD in enough depth to make it applicable to all kinds of homogeneous and non-homogeneous materials in multi-crack fractures [246,247]. Stress distributions in the tension of brittle plates containing doubly periodic rectangular arrays of cracks and diamond-shaped arrays of cracks simulated by Zhou et al. are shown in Figure 26b,c [241]. Bie et al. [248] proposed a fully coupled thermo-mechanical dual-horizon peridynamic model to solve problems involving branched cracks and kinked cracks in both homogeneous and inhomogeneous materials. The crack propagation patterns of ceramic thin plates under thermal shock are shown in Figure 26d–i. Chu et al. [249] used PD to simulate a variety of fracture modes in a thin-film substrate system. PD can also be coupled with FEM to perform multiscale multi-crack fracture simulations from the microscopic to macroscopic scale [250,251].
Figure 26.
(a) Parallel cracks in concrete under compression [21]. Stress distributions of doubly (b) periodic rectangular array of cracks and (c) diamond-shaped array of cracks [241], (d–i) crack propagation modes of ceramic thin plates under thermal shock [248].
Figure 26.
(a) Parallel cracks in concrete under compression [21]. Stress distributions of doubly (b) periodic rectangular array of cracks and (c) diamond-shaped array of cracks [241], (d–i) crack propagation modes of ceramic thin plates under thermal shock [248].

4.7. Phase Field Method
The phase field method (PFM) is a computational method for modeling crack propagation and phase transitions in materials. It describes the crack interface through a continuous phase transition process and uses phase field variables to characterize the internal structure of the material and the cracks. PFM is based on the minimization of energy, which regards fractures as a competition between elastic and surface energy. The equation of the energy minimization problem is [252]
where Ψ(ε(u)) is the elastic strain energy density, the external work is determined by the body force b and the traction force , Gc is the critical energy release rate, and Γ is the surface of cracks. Introducing the phase field s, regularizing the line integral in Equation (25), and transforming the line integral into a volume fraction, the representation of the surface cracks become diffuse, and the equation for crack propagation, branching, and aggregation can be solved as
where l is the crack width parameter s = 1 at complete damage to the structure and s = 0 at intact structure, as shown in Figure 27 [253].
Figure 27.
(a) A brittle solid with cracks. (b) Representation of branching cracks with phase field [253].
The advantage of PFM is the ability to deal with complex and 3D crack paths without the need for predefined crack paths, which makes it suitable for simulating the process of crack initiation, propagation and branching. Schänzel et al. [254] overcame the shortcomings of the crack propagation model by introducing a fracture phase field and modeled the two-crack propagation of rubber under large deformations, as shown in Figure 28a. Hou et al. [255] proposed a PFM to model crack interactions of asphalt binder. Mikelic et al. [256,257] extended the PFM to a fluid-driven crack problem. The cracking process of porous elastic plate is shown in Figure 28b. Ziaei-Rad et al. [258] proposed a variational splitting method for multiple and branched cracks to identify crack paths from PFM. Patil et al. [259] proposed a multiscale PFM for modeling crack propagation in composites. The cracking in the vertical fiber direction is shown in Figure 28c. Heider et al. [260] simulated subcritical crack propagation in porous solids under liquid pressure based on a PFM. You et al. [261] proposed a phase field damage model to capture the geotechnical materials with branching and propagation of cracks. Zhang et al. [262] introduced a fatigue history strain parameter in the phase field framework to capture the characteristics of cracks in fatigue fractures.
PFM also demonstrates its advantages in modeling multi-crack problems in rocks, which have complex crack path paths, anisotropy, multi-physical field coupling and multi-scale effects. Zhuang et al. [263] simulated both single-crack and multi-crack phenomena in rock deformation and damage by improved PFM. Fei and Yu et al. [264,265] proposed a double-phase-field formulation, which employs two different phase fields to describe cohesive tensile fractures and frictional shear fractures of rocks. Huang et al. [266] used PFM to simulate semi-circular bend tests to investigate the effect of two parallel veins on the fracture behavior of shale. Li et al. [267] proposed a PFM based on the unified crack propagation criterion.
With the advancement of computer technology, PFM has been combined with other numerical techniques for applications in multiscale simulation and fracture mechanics. Sun et al. [253] proposed a finite element meshfree model-phase field for multi-crack fracture problems. Zhang et al. [268] combined XFEM and PFM to simulate hydraulic crack propagation in unconventional shale formations with frictional and cemented natural cracks. Zhou et al. [269] proposed a smoothed particle hydrodynamics coupled PFM to simulate crack propagation and coalescence in rocks. Xu et al. [270] proposed an improved PFM to simulate mixed-mode cracking in rocks. Wang et al. [271] combined PFM and FEM to solve partial differential equations. The simulated crack propagation in rock is shown in Figure 28d.
Figure 28.
(a) Crack propagation process in rubbery polymers [254]. (b) Fluid-driven fracture process in porous elastic plate [257]. (c) Cracking in the vertical fiber direction in fiber composites [259]. (d) Crack propagation in rocks at different shear loading angles φ [271].
Figure 28.
(a) Crack propagation process in rubbery polymers [254]. (b) Fluid-driven fracture process in porous elastic plate [257]. (c) Cracking in the vertical fiber direction in fiber composites [259]. (d) Crack propagation in rocks at different shear loading angles φ [271].

4.8. Other Numerical Methods
In the study of multi-crack interactions or crack propagation in materials, advanced numerical methods are essential to provide accurate predictions and insights into complex fracture mechanics. In addition to the mainstream numerical methods mentioned above, the numerical manifold method (NMM), displacement discontinuity method (DDM), hybrid displacement discontinuity method (HDDM), etc., are also useful in dealing with multi-crack fracture.
NMM is known for its simplified meshing and efficient ability in handling complex crack patterns. Because of the concepts of mathematical coverage and physical coverage, it allows cracks to grow naturally without the need for mesh reconfiguration [272,273]. NMM unifies the analysis of continuous and discontinuous media and provides an approach to analyze complex shapes with discontinuities, and it allows accurate simulation of multiple cracks in gradient-functional materials [274], viscoelastic materials [275], and rocky materials [276] under fluid pressure [277,278,279]. DDM simulates cracks by introducing displacement discontinuities on the crack face, which can guarantee the singularity of the crack tips, and is suitable for multi-crack fracture problems in rock mechanics [280,281,282]. HDDM combines DDM and meshfree methods to deal with complex discontinuities, and is suitable for the analysis of multi-hole and multi-crack interaction problems in planar elastic media [283,284].
In summary, all numerical methods have their own advantages and drawbacks in the study of multi-crack fracture mechanics, and together, they have contributed to the people’s understanding of complex fracture phenomena, making it possible to predict and control the fracture behavior of materials more accurately and providing a powerful tool for engineering and scientific research. It is necessary to choose the appropriate numerical methods for different fracture problems.
5. Discussion
Multi-crack fracture mechanics is an important research area in the field of material science and engineering, aiming to reveal the complex dynamics of crack initiation, propagation and interaction. In recent years, the field has made significant progress in experimental and theoretical research and numerical simulations. However, there are still challenges and room for improvement. A summary of present multi-crack research is as follows:
- (1)
- Experimental observation
Experiments are the basis for understanding the fracture behavior of materials. In experiments, researchers can observe the whole process of cracks, from initiation to propagation until fracture. However, the propagation of multiple cracks in experiments is affected by external loads, intrinsic material defects, and interactions of multiple cracks, which reduces the repeatability of the experiments. Currently, there is a lack of experimental standards related to multiple cracks, and most of the studies are only designed to observe the fracture phenomena and fail to analyze the fracture parameters. In the future, experimental studies will incorporate advanced imaging techniques and real-time monitoring systems to capture multi-crack fracture behavior more accurately.
- (2)
- Theoretical modeling
Theoretical modeling helps in understanding fracture phenomena. By developing new theoretical models, researchers can predict the fracture behavior. However, theoretical studies are often limited by mathematical capabilities and are confined to dealing with simple problems, leaving a gap with practical applications. In addition, most theories are based on the assumptions of homogeneity, linear elasticity, and ideal elasto-plasticity, which are not satisfied by most materials in reality, making it difficult for theories to explain the fracture behavior of many materials at the macro level. Future theoretical studies may consider simulating the random distribution of cracks and the fracture problems of complex materials that contain defects.
- (3)
- Numerical simulation
Nowadays, numerical simulation is the main tool for the investigation of multi-crack problems and provided analytical and predictive tools for engineering applications. However, numerical methods face challenges such as model assumptions, computational costs, multi-physical field coupling and numerical stability. For example, XFEM, XIGA, and BEM are based on the theories of continuous homogeneity, linear elasticity, and ideal elasto-plasticity in solving multi-crack fracture problems, but are not suitable for simulating granular and hyperelastic media due to the limitation in the mesh. Conversely, DEM and PD are based on the modeling of particles and material points and are suitable for simulating granular materials, but not for the continuous medium. Although they can simulate the large deformation problems of hyperelastic materials, MM and PFM present the problem of complicated pre-processing. Most explorations on numerical methods are still based on ideal linear elasticity, and there is a lack of research on the basis of plasticity, hyperelasticity, and other complex constitutive models in applied to the problem of multi-crack fractures. Currently, many of the methods have not yet produced software tools that require researchers to program. In the future, numerical simulation in multi-crack problems will improve the computational efficiency by focusing on multi-scale modeling and multi-physical field coupling analysis, and by expanding the simulation of fracture problems with more complex constitutive models. Table 1 summarizes the scope of applicable objects, advantages, and limits of the various methods in detail.
Table 1.
Summary of various methods.
6. Conclusions
Cracks in engineering often do not exist singly, but rather in interactions with each other. Multi-crack fracture mechanics focuses on understanding and predicting the effects of the initiation, propagation, and interaction of multiple cracks in different materials. This area of research is critical to improving the safety and reliability of engineering structures. Experiments, theoretical models, and numerical simulations are complementary to each other. However, the research space for the study of multi-crack fracture problems is still vast. For practical engineering, the appropriate research method should be chosen to address the multi-crack fracture problem, with the aim of solving it accurately and efficiently.
Funding
The authors are thankful for the supports of the National Natural Science Foundation of China (12002247), the Fundamental Research Fund for the Central Universities of China (WUT: 2021IVB013) and the National Training Program of Innovation and Entrepreneurship for Undergraduates of China (20240100123).
Data Availability Statement
Data sharing is not applicable.
Conflicts of Interest
The authors declare no conflict of interest.
References
- Budarapu, P.R.; Rabczuk, T. Multiscale Methods for Fracture: A Review. J. Indian Inst. Sci. 2017, 97, 339–376. [Google Scholar] [CrossRef]
- Wu, J.; Sigmund, O.; Groen, J.P. Topology optimization of multi-scale structures: A review. Struct. Multidiscip. Optim. 2021, 63, 1455–1480. [Google Scholar] [CrossRef]
- Zhang, S.; Zhang, X. Toughness evaluation of hard coatings and thin films. Thin Solid Film. 2012, 520, 2375–2389. [Google Scholar] [CrossRef]
- Correia, J.A.F.O.; Zhu, S.P.; Berto, F. Fatigue in Advanced Materials: Advanced Methods and Applications. J. Mater. Res. Technol. 2023, 26, 4902–4905. [Google Scholar] [CrossRef]
- Li, P.; Li, W.; Li, B.; Yang, S.; Shen, Y.; Wang, Q.; Zhou, K. A review on phase field models for fracture and fatigue. Eng. Fract. Mech. 2023, 289, 109419. [Google Scholar] [CrossRef]
- Cheng, Z.Q.; Liu, H.; Tan, W. Advanced computational modelling of composite materials. Eng. Fract. Mech. 2024, 305, 110120. [Google Scholar] [CrossRef]
- Zimmermann, N.; Wang, P.H. A review of failure modes and fracture analysis of aircraft composite materials. Eng. Fail. Anal. 2020, 115, 104692. [Google Scholar] [CrossRef]
- Siddique, A.; Abid, S.; Shafiq, F.; Nawab, Y.; Wang, H.; Shi, B.; Saleemi, S.; Sun, B. Mode I fracture toughness of fiber-reinforced polymer composites: A review. J. Ind. Text. 2021, 50, 1165–1192. [Google Scholar] [CrossRef]
- Cervera, M.; Barbat, G.B.; Chiumenti, M.; Wu, J.Y. A comparative review of XFEM, mixed FEM and phase-field models for quasi-brittle cracking. Arch. Comput. Methods Eng. 2022, 29, 1009–1083. [Google Scholar] [CrossRef]
- Zhang, M.; Abidin, A.R.Z.; Tan, C.S. State-of-the-art review on Meshless methods in the application of crack problems. Theor. Appl. Fract. Mech. 2024, 131, 104348. [Google Scholar] [CrossRef]
- Ambati, M.; Gerasimov, T.; De Lorenzis, L. A review on phase-field models of brittle fracture and a new fast hybrid formulation. Comput. Mech. 2015, 55, 383–405. [Google Scholar] [CrossRef]
- Ural, A. Advanced modeling methods—Applications to bone fracture mechanics. Curr. Osteoporos. Rep. 2020, 18, 568–576. [Google Scholar] [CrossRef] [PubMed]
- Amitrano, D.; Gruber, S.; Girard, L. Evidence of frost-cracking inferred from acoustic emissions in a high-alpine rock-wall. Earth Planet. Sci. Lett. 2012, 341, 86–93. [Google Scholar] [CrossRef]
- Benson, P.M.; Heap, M.J.; Lavallée, Y.; Flaws, A.; Hess, K.-U.; Selvadurai, A.; Dingwell, D.B.; Schillinger, B. Laboratory simulations of tensile fracture development in a volcanic conduit via cyclic magma pressurisation. Earth Planet. Sci. Lett. 2012, 349, 231–239. [Google Scholar] [CrossRef]
- Le Corvec, N.; Menand, T.; Lindsay, J. Interaction of ascending magma with pre-existing crustal fractures in monogenetic basaltic volcanism: An experimental approach. J. Geophys. Res. Solid Earth 2013, 118, 968–984. [Google Scholar] [CrossRef]
- Brantut, N.; Heap, M.; Meredith, P.; Baud, P. Time-dependent cracking and brittle creep in crustal rocks: A review. J. Struct. Geol. 2013, 52, 17–43. [Google Scholar] [CrossRef]
- Tenthorey, E.; Cox, S.F.; Todd, H.F. Evolution of strength recovery and permeability during fluid–rock reaction in experimental fault zones. Earth Planet. Sci. Lett. 2003, 206, 161–172. [Google Scholar] [CrossRef]
- Li, Y.P.; Chen, L.Z.; Wang, Y.H. Experimental research on pre-cracked marble under compression. Int. J. Solids Struct. 2005, 42, 2505–2516. [Google Scholar] [CrossRef]
- Lee, J.; Hong, J.W.; Jung, J.W. The mechanism of fracture coalescence in pre-cracked rock-type material with three flaws. Eng. Geol. 2017, 223, 31–47. [Google Scholar] [CrossRef]
- Li, H.; Shen, R.; Li, D.; Jia, H.; Li, T.; Chen, T.; Hou, Z. Acoustic emission multi-parameter analysis of dry and saturated sandstone with cracks under uniaxial compression. Energies 2019, 12, 1959. [Google Scholar] [CrossRef]
- Ma, P.; Li, S.; Wang, X.; Yuan, C.; Li, J.; Zhang, F. Numerical simulation of crack propagation and coalescence in rock materials by the peridynamic method based on strain energy density theory. Comput. Geosci. 2022, 26, 1379–1396. [Google Scholar] [CrossRef]
- Yang, S.Q.; Yang, J.; Mu, Z.L.; Liu, G.J.; Huang, M.; Li, K.S.; Huang, Y.H. Experimental Study on Mechanical Behavior, Fracture Characteristics, and Acoustic Emission Damage Characteristics of Sandstone Under Triaxial Multistage Stress Disturbance. Rock Mech. Rock Eng. 2024, 57, 8633–8655. [Google Scholar] [CrossRef]
- Yang, L.; Jiang, Y.; Li, B.; Li, S.; Gao, Y. Application of the expanded distinct element method for the study of crack growth in rock-like materials under uniaxial compression. Front. Struct. Civ. Eng. 2012, 6, 121–131. [Google Scholar] [CrossRef]
- Shen, Q.-Q.; Rao, Q.-H.; Li, Z.; Yi, W.; Sun, D.-L. Interacting mechanism and initiation prediction of multiple cracks. Trans. Nonferrous Met. Soc. China 2021, 31, 779–791.12. [Google Scholar] [CrossRef]
- Haeri, H. Propagation mechanism of neighboring cracks in rock-like cylindrical specimens under uniaxial compression. J. Min. Sci. 2015, 51, 487–496. [Google Scholar] [CrossRef]
- Sun, L.; Tao, S.; Liu, Q. Frost crack propagation and interaction in fissured rocks subjected to freeze–thaw cycles: Experimental and numerical studies. Rock Mech. Rock Eng. 2023, 56, 1077–1097. [Google Scholar] [CrossRef]
- Haeri, H.; Sarfarazi, V.; Marji, M.F. Experimental and numerical investigation of uniaxial compression failure in rock-like specimens with L-shaped nonpersistent cracks. Iran. J. Sci. Technol. Trans. Civ. Eng. 2021, 45, 2555–2575. [Google Scholar] [CrossRef]
- Li, X.; Wang, S.; Xia, K.; Tong, T. Dynamic tensile response of a microwave damaged granitic rock. Exp. Mech. 2021, 61, 461–468. [Google Scholar] [CrossRef]
- Xu, H.; Li, S.; Xu, D.; Liu, X.; Huang, X.; Zheng, M.; Zhang, S. Investigation on the failure mechanism of hard rock cavern subjected to adjacent structural plane based on physical model experiments. Theor. Appl. Fract. Mech. 2024, 131, 104447. [Google Scholar] [CrossRef]
- Xu, J.; Haque, A.; Gong, W.; Gamage, R.P.; Dai, G.; Zhang, Q.; Xu, F. Experimental study on the bearing mechanisms of rock-socketed piles in soft rock based on micro X-ray CT analysis. Rock Mech. Rock Eng. 2020, 53, 3395–3416. [Google Scholar] [CrossRef]
- Ma, Z.; Wang, Y.; Zheng, Y. In situ dynamic X-ray imaging of fluid-rock interactions inside tight sandstone during hydraulic fracturing: Fluid flow process and fracture network growth. J. Pet. Sci. Eng. 2022, 214, 110490. [Google Scholar] [CrossRef]
- Lei, X.; Kusunose, K.; Rao, M.V.M.S.; Nishizawa, O.; Satoh, T. Quasi-static fault growth and cracking in homogeneous brittle rock under triaxial compression using acoustic emission monitoring. J. Geophys. Res. Solid Earth 2000, 105, 6127–6139. [Google Scholar] [CrossRef]
- Liu, T.; Cui, M.; Li, Q.; Yang, S.; Yu, Z.; Sheng, Y.; Cao, P.; Zhou, K. Fracture and damage evolution of multiple-fractured rock-like material subjected to compression. Materials 2022, 15, 4326. [Google Scholar] [CrossRef]
- Ghamgosar, M.; Erarslan, N. Experimental and numerical studies on development of fracture process zone (FPZ) in rocks under cyclic and static loadings. Rock Mech. Rock Eng. 2016, 49, 893–908. [Google Scholar] [CrossRef]
- Zhang, Z.; Ansari, F. Fracture mechanics of air-entrained concrete subjected to compression. Eng. Fract. Mech. 2006, 73, 1913–1924. [Google Scholar] [CrossRef]
- Durand, R.; Vieira, J.; Farias, M. Numerical analysis of bonded and unbonded prestressed RC beams using cohesive and non-compatible rod elements. Eng. Struct. 2023, 288, 116157. [Google Scholar] [CrossRef]
- Rabczuk, T.; Belytschko, T. Application of particle methods to static fracture of reinforced concrete structures. Int. J. Fract. 2006, 137, 19–49. [Google Scholar] [CrossRef]
- Hussien, O.F.; Elafandy, T.H.K.; Abdelrahman, A.A.; Baky, S.A.; Nasr, E.A. Behavior of bonded and unbonded prestressed normal and high strength concrete beams. HBRC J. 2012, 8, 239–251. [Google Scholar] [CrossRef]
- Tao, X.; Du, G. Ultimate stress of unbonded tendons in partially prestressed concrete beams. PCI J. 1985, 30, 72–91. [Google Scholar] [CrossRef]
- Yu, Q.; Zhang, H.; Yang, R.; Cai, Z.; Liu, K. Experimental and numerical study on the effect of electrohydraulic shock wave on concrete fracturing. J. Pet. Sci. Eng. 2022, 215, 110685. [Google Scholar] [CrossRef]
- Wang, Z.; Zhang, W.; Huang, Y. Experimental and Numerical Study of Concrete Fracture Behavior with Multiple Cracks Based on the Meso-Model. Materials 2023, 16, 6311. [Google Scholar] [CrossRef] [PubMed]
- Ghone, M.O.; Long, G.; Yang, K.; Ma, X.; Islam, N. Toughness improvement of low strength ceramsite lightweight concrete by polypropylene fiber and recycled rubber particle. Constr. Build. Mater. 2024, 422, 135716. [Google Scholar] [CrossRef]
- Park, S.H.; Kim, D.J.; Ryu, G.S.; Koh, K.T. Tensile behavior of ultra high performance hybrid fiber reinforced concrete. Cem. Concr. Compos. 2012, 34, 172–184. [Google Scholar] [CrossRef]
- Rong, H.; Dong, W.; Zhao, X.; Zhou, X. Investigation on multi-cracks initiation and propagation of fiber reinforced concrete in restrained shrinkage ring tests. Theor. Appl. Fract. Mech. 2021, 111, 102856. [Google Scholar] [CrossRef]
- Pan, J.; Leung, C.K.; Luo, M. Effect of multiple secondary cracks on FRP debonding from the substrate of reinforced concrete beams. Constr. Build. Mater. 2010, 24, 2507–2516. [Google Scholar] [CrossRef]
- Cho, C.G.; Kim, Y.Y.; Feo, L.; Hui, D. Cyclic responses of reinforced concrete composite columns strengthened in the plastic hinge region by HPFRC mortar. Compos. Struct. 2012, 94, 2246–2253. [Google Scholar] [CrossRef]
- Kachkouch, F.Z.; Noberto, C.C.; Babadopulos, L.F.D.A.L.; Melo, A.R.S.; Machado, A.M.L.; Sebaibi, N.; Boukhelf, F.; El Mendili, Y. Fatigue behavior of concrete: A literature review on the main relevant parameters. Constr. Build. Mater. 2022, 338, 127510. [Google Scholar] [CrossRef]
- Riyar, R.L.; Mansi; Bhowmik, S. Fatigue behaviour of plain and reinforced concrete: A systematic review. Theor. Appl. Fract. Mech. 2023, 125, 103867. [Google Scholar] [CrossRef]
- Elshazli, M.T.; Saras, N.; Ibrahim, A. Structural response of high strength concrete beams using fiber reinforced polymers under reversed cyclic loading. Sustain. Struct. 2022, 2, 000018. [Google Scholar] [CrossRef]
- Li, S.; Chen, D.; Lu, Y.; Liu, Z. Fatigue fracture characteristics of normal concrete and high ductility geopolymer bonding based on DIC technique. Thin-Walled Struct. 2024, 196, 111469. [Google Scholar] [CrossRef]
- Portal, N.W.; Flansbjer, M.; Zandi, K.; Wlasak, L.; Malaga, K. Bending behaviour of novel Textile Reinforced Concrete-foamed concrete (TRC-FC) sandwich elements. Compos. Struct. 2017, 177, 104–118. [Google Scholar] [CrossRef]
- Hernandez, J.; Sawalha, M.; Rivera-Perez, J.; Ozer, H.; Al-Qadi, I.L. Micromechanical modeling of I-FIT asphalt concrete specimens. Eng. Fract. Mech. 2018, 200, 234–250. [Google Scholar] [CrossRef]
- De Sutter, S.; Verbruggen, S.; Tysmans, T.; Aggelis, D. Fracture monitoring of lightweight composite-concrete beams. Compos. Struct. 2017, 167, 11–19. [Google Scholar] [CrossRef]
- Hong, S.; Qin, S.; Dong, P.; Li, G.; Zhang, Y.; Xing, F.; Dong, B. Quantification of rust penetration profile in reinforced concrete deduced by inverse modeling. Cem. Concr. Compos. 2020, 111, 103622. [Google Scholar] [CrossRef]
- Sun, X.; Wang, S.; Jin, J.; Wang, Z.; Gong, F. Computational methods of mass transport in concrete under stress and crack conditions: A review. J. Intell. Constr. 2023, 1, 9180015. [Google Scholar] [CrossRef]
- Gu, Z.; Feng, H.; Gao, D.; Zhao, J.; Wei, C.; Wu, C. Fatigue behavior and calculation methods of high strength steel fiber reinforced concrete beam. Sustain. Struct. 2023, 3, 000028. [Google Scholar] [CrossRef]
- Li, X.; Hallett, S.R.; Wisnom, M.R.; Zobeiry, N.; Vaziri, R.; Poursartip, A. Experimental study of damage propagation in over-height compact tension tests. Compos. Part A Appl. Sci. Manuf. 2009, 40, 1891–1899. [Google Scholar] [CrossRef]
- Garcea, S.; Mavrogordato, M.; Scott, A.; Sinclair, I.; Spearing, S. Fatigue micromechanism characterisation in carbon fibre reinforced polymers using synchrotron radiation computed tomography. Compos. Sci. Technol. 2014, 99, 23–30. [Google Scholar] [CrossRef]
- Moffat, A.J.; Wright, P.; Helfen, L.; Baumbach, T.; Johnson, G.; Spearing, S.M.; Sinclair, I. In situ synchrotron computed laminography of damage in carbon fibre–epoxy [90/0] s laminates. Scr. Mater. 2010, 62, 97–100. [Google Scholar] [CrossRef]
- Ni, X.; Kopp, R.; Kalfon-Cohen, E.; Furtado, C.; Lee, J.; Arteiro, A.; Borstnar, G.; Mavrogordato, M.N.; Helfen, L.; Sinclair, I.; et al. In situ synchrotron computed tomography study of nanoscale interlaminar reinforcement and thin-ply effects on damage progression in composite laminates. Compos. Part B Eng. 2021, 217, 108623. [Google Scholar] [CrossRef]
- Zobeiry, N.; Vaziri, R.; Poursartip, A. Characterization of strain-softening behavior and failure mechanisms of composites under tension and compression. Compos. Part A Appl. Sci. Manuf. 2015, 68, 29–41. [Google Scholar] [CrossRef]
- Nguyen, M.H.; Waas, A.M. Detailed experimental and numerical investigation of single-edge notched tensile cross-ply laminates. Compos. Struct. 2022, 279, 114731. [Google Scholar] [CrossRef]
- Sadowski, T.; Marsavina, L.; Craciun, E.M.; Kneć, M. Modelling and experimental study of parallel cracks propagation in an orthotropic elastic material. Comput. Mater. Sci. 2012, 52, 231–235. [Google Scholar] [CrossRef]
- Rosen, B.W. Tensile failure of fibrous composites. AIAA J. 1964, 2, 1985–1991. [Google Scholar] [CrossRef]
- Sommer, J.; Hajikazemi, M.; De Baere, I.; Van Paepegem, W. Experimental and numerical fatigue damage characterization in multidirectional thermoplastic glass/polypropylene laminates based on in-situ damage observations. Compos. Part B Eng. 2023, 267, 111028. [Google Scholar] [CrossRef]
- Cintra, G.G.; Vieira, J.D.; Cardoso, D.C.; Keller, T. Novel multi-crack damage approach for pultruded fiber-polymer web-flange junctions. Compos. Part B Eng. 2024, 269, 111102. [Google Scholar] [CrossRef]
- Wagih, A.; Maimí, P.; Blanco, N.; Costa, J. A quasi-static indentation test to elucidate the sequence of damage events in low velocity impacts on composite laminates. Compos. Part A Appl. Sci. Manuf. 2016, 82, 180–189. [Google Scholar] [CrossRef]
- Sun, X.C.; Hallett, S.R. Failure mechanisms and damage evolution of laminated composites under compression after impact (CAI): Experimental and numerical study. Compos. Part A Appl. Sci. Manuf. 2018, 104, 41–59. [Google Scholar] [CrossRef]
- Thouless, M.D.; Olsson, E.; Gupta, A. Cracking of brittle films on elastic substrates. Acta Metall. Mater. 1992, 40, 1287–1292. [Google Scholar] [CrossRef]
- Beuth, J.L. Cracking of thin bonded films in residual tension. Int. J. Solids Struct. 1992, 29, 1657–1675. [Google Scholar] [CrossRef]
- Hutchinson, J.W.; Suo, Z. Mixed mode cracking in layered materials. Adv. Appl. Mech. 1991, 29, 63–191. [Google Scholar]
- Xia, Z.C.; Hutchinson, J.W. Crack patterns in thin films. J. Mech. Phys. Solids 2000, 48, 1107–1131. [Google Scholar] [CrossRef]
- Chen, F.L.; He, X.; Prieto-Munoz, P.A.; Yin, H.M. Opening-mode fractures of a brittle coating bonded to an elasto-plastic substrate. Int. J. Plast. 2015, 67, 171–191. [Google Scholar] [CrossRef]
- Ben Cheikh, I.; Parry, G.; Dalmas, D.; Estevez, R.; Marthelot, J. Analysis of the multi-cracking mechanism of brittle thin films on elastic-plastic substrates. Int. J. Solids Struct. 2019, 180, 176–188. [Google Scholar] [CrossRef]
- Shenoy, V.; Schwartzman, A.; Freund, L. Crack patterns in brittle thin films. Int. J. Fract. 2001, 109, 29–45. [Google Scholar] [CrossRef]
- Andersons, J.; Leterrier, Y.; Fescenko, I. Analysis of the initial fragmentation stage of oxide coatings on polymer substrates under biaxial tension. Thin Solid Film. 2003, 434, 203–215. [Google Scholar] [CrossRef]
- Vellinga, W.P.; Van den Bosch, M.; Geers, M.G.D. Interaction between cracking, delamination and buckling in brittle elastic thin films. Int. J. Fract. 2008, 154, 195–209. [Google Scholar] [CrossRef][Green Version]
- Ramulu, M.; Kobayashi, A.S. Mechanics of crack curving and branching—A dynamic fracture analysis. Int. J. Fract. 1985, 27, 187–201. [Google Scholar] [CrossRef]
- Fineberg, J.; Marder, M. Instability in dynamic fracture. Phys. Rep. 1999, 313, 1–108. [Google Scholar] [CrossRef]
- Bless, S. Using depth-of-penetration tests to design transparent armor. Exp. Mech. 2013, 53, 47–51. [Google Scholar] [CrossRef]
- Schmidt, J.; Zemanová, A.; Zeman, J.; Šejnoha, M. Phase-field fracture modelling of thin monolithic and laminated glass plates under quasi-static bending. Materials 2020, 13, 5153. [Google Scholar] [CrossRef] [PubMed]
- Qiu, Z.; Wang, Y. Multi-tip indenter tool scratch behavior of glass-ceramics. J. Mech. Behav. Biomed. Mater. 2021, 121, 104617. [Google Scholar] [CrossRef] [PubMed]
- Yang, X.; Gao, S. Analysis of the crack propagation mechanism of multiple scratched glass-ceramics by an interference stress field prediction model and experiment. Ceram. Int. 2022, 48, 2449–2458. [Google Scholar] [CrossRef]
- Yang, X.; Qiu, Z.; Wang, Y. Stress interaction and crack propagation behavior of glass ceramics under multi-scratches. J. Non-Cryst. Solids 2019, 523, 119600. [Google Scholar] [CrossRef]
- Zhang, S.; Feng, Y.; Gao, X.; Song, Y.; Wang, F.; Zhang, S. Modeling of fatigue failure for SiC/SiC ceramic matrix composites at elevated temperatures and multi-scale experimental validation. J. Eur. Ceram. Soc. 2022, 42, 3395–3403. [Google Scholar] [CrossRef]
- Jiang, C.P.; Wu, X.F.; Li, J.; Song, F.; Shao, Y.F.; Xu, X.H.; Yan, P. A study of the mechanism of formation and numerical simulations of crack patterns in ceramics subjected to thermal shock. Acta Mater. 2012, 60, 4540–4550. [Google Scholar] [CrossRef]
- Xu, X.; Tian, C.; Sheng, S.; Lin, Z.; Song, F. Characterization of thermal-shock cracks in ceramic bars. Sci. China Phys. Mech. Astron. 2014, 57, 2205–2208. [Google Scholar] [CrossRef]
- Huang, Q.; Alvarez, N.J.; Shabbir, A.; Hassager, O. Multiple cracks propagate simultaneously in polymer liquids in tension. Phys. Rev. Lett. 2016, 117, 087801. [Google Scholar] [CrossRef]
- Fender, M.L.; Lechenault, F.; Daniels, K.E. Universal shapes formed by two interacting cracks. Phys. Rev. Lett. 2010, 105, 125505. [Google Scholar] [CrossRef]
- Belova, O.N.; Stepanova, L.V.; Kosygina, L.N. Experimental study on the interaction between two cracks by digital photoelasticity method: Construction of the Williams series expansion. Procedia Struct. Integr. 2022, 37, 888–899. [Google Scholar] [CrossRef]
- Goehring, L.; Clegg, W.J.; Routh, A.F. Plasticity and fracture in drying colloidal films. Phys. Rev. Lett. 2013, 110, 024301. [Google Scholar] [CrossRef] [PubMed]
- Willmott, G.R.; Field, J.E. A high-speed photographic study of fast cracks in shocked diamond. Philos. Mag. 2006, 86, 4305–4318. [Google Scholar] [CrossRef]
- Chang, P.Y.; Yen, P.C.; Yang, J.M. Fatigue crack growth in fibre metal laminates with multiple open holes. Fatigue Fract. Eng. Mater. Struct. 2012, 35, 93–107. [Google Scholar] [CrossRef]
- Jin, H.; Cui, B.; Mao, L. Fatigue growth behaviour of two interacting cracks with different crack offset. Materials 2019, 12, 3526. [Google Scholar] [CrossRef]
- Han, Z.; Qian, C.; Li, H. Study of the shielding interactions between double cracks on crack growth behaviors under fatigue loading. Metals 2020, 10, 202. [Google Scholar] [CrossRef]
- Hoang, L.; Nguyen, T.T. Facilitation effect of multiple crack interaction on fatigue life reduction and a quantitative evaluation of interactions factor of two parallel Non-coplanar cracks. Theor. Appl. Fract. Mech. 2023, 125, 103941. [Google Scholar] [CrossRef]
- Schackert, S.M.; Riedel, H.; Schweizer, C. Multiple cracking, crack coalescence and fatigue lifetime–model and experiments on an austenitic steel and on a nickel base alloy. Int. J. Fatigue 2024, 189, 108562. [Google Scholar] [CrossRef]
- Deng, L.; Deng, Y. Study on Multi-Crack Damage Evolution and Fatigue Life of Corroded Steel Wires Inside In-Service Bridge Suspenders. Appl. Sci. 2024, 14, 9596. [Google Scholar] [CrossRef]
- Wang, Y.-L.; Wang, X.-S.; Wu, S.-C.; Yang, H.-H.; Zhang, Z.-H. High-Cycle Microscopic Severe Corrosion Fatigue Behavior and Life Prediction of 25CrMo Steel Used in Railway Axles. Metals 2017, 7, 134. [Google Scholar] [CrossRef]
- Williams, M.L. On the stress distribution at the base of a stationary crack. J. Appl. Mech. 1957, 24, 109–114. [Google Scholar] [CrossRef]
- Sih, G.C.; Paris, P.C.; Irwin, G.R. On cracks in rectilinearly anisotropic bodies. Int. J. Fract. Mech. 1965, 1, 189–203. [Google Scholar] [CrossRef]
- Muskhelishvili, N.I. Some Basic Problems of the Mathematical Theory of Elasticity; Noordhoff: Groningen, The Netherlands, 1953. [Google Scholar]
- Koiter, W.T. An infinite row of collinear cracks in an infinite elastic sheet. Ingenieur-Archiv 1959, 28, 168–172. [Google Scholar] [CrossRef]
- Sneddon, I. Crack Problems in the Theory of Elasticity//Developments in Theoretical and Applied Mechanics: Proceedings of the Third Southeastern Conference on Theoretical and Applied Mechanics; Elsevier: Amsterdam, The Netherlands, 2013; p. 73. [Google Scholar]
- Horii, H.; Nemat-Nasser, S. Compression-induced microcrack growth in brittle solids: Axial splitting and shear failure. J. Geophys. Res. Solid Earth 1985, 90, 3105–3125. [Google Scholar] [CrossRef]
- Horii, H.; Nemat-Nasser, S. Elastic fields of interacting inhomogeneities. Int. J. Solids Struct. 1985, 21, 731–745. [Google Scholar] [CrossRef]
- Kachanov, M.L. A microcrack model of rock inelasticity part I: Frictional sliding on microcracks. Mech. Mater. 1982, 1, 19–27. [Google Scholar] [CrossRef]
- Kachanov, M. Elastic solids with many cracks: A simple method of analysis. Int. J. Solids Struct. 1987, 23, 23–43. [Google Scholar] [CrossRef]
- Li, Y.P.; Tham, L.G.; Wang, Y.H.; Tsui, Y. A modified Kachanov method for analysis of solids with multiple cracks. Eng. Fract. Mech. 2003, 70, 1115–1129. [Google Scholar] [CrossRef]
- Qing, H.; Yang, W. Characterization of strongly interacted multiple cracks in an infinite plate. Theor. Appl. Fract. Mech. 2006, 46, 209–216. [Google Scholar] [CrossRef]
- Peng, S.; Jing, L.; Li, S.; Wu, D.; Jing, W. Analytical solution of the stress intensity factors of multiple closed collinear cracks. J. Vib. Eng. Technol. 2023, 11, 3737–3745. [Google Scholar] [CrossRef]
- Gao, H.; Qin, Y.; Jia, T.; Zhao, L.; Gu, J. Reliability analysis of plate parts with multiple interacting hole-edge cracks using complex variable function. Appl. Math. Model. 2024, 125, 482–498. [Google Scholar] [CrossRef]
- Grytsenko, T.; Galybin, A.N. Numerical analysis of multi-crack large-scale plane problems with adaptive cross approximation and hierarchical matrices. Eng. Anal. Bound. Elem. 2010, 34, 501–510. [Google Scholar] [CrossRef]
- Chen, Y.Z. Multiple crack problems of antiplane elasticity in an infinite body. Eng. Fract. Mech. 1984, 20, 767–775. [Google Scholar] [CrossRef]
- Lam, K.Y.; Phua, S.P. Multiple crack interaction and its effect on stress intensity factor. Eng. Fract. Mech. 1991, 40, 585–592. [Google Scholar] [CrossRef]
- Cheung, Y.K.; Woo, C.W.; Wang, Y.H. A general method for multiple crack problems in a finite plate. Comput. Mech. 1992, 10, 335–343. [Google Scholar] [CrossRef]
- Yavuz, A.; Phoenix, S.; TerMaath, S.C. An accurate and fast analysis for strongly interacting multiple crack configurations including kinked (V) and branched (Y) cracks. Int. J. Solids Struct. 2006, 43, 6727–6750. [Google Scholar] [CrossRef]
- Chen, Y.Z. A survey of new integral equations in plane elasticity crack problem. Eng. Fract. Mech. 1995, 51, 97–134. [Google Scholar] [CrossRef]
- Chen, Y.Z. Solution of multiple crack problem in a finite plate using an alternating method based on two kinds of integral equation. Eng. Anal. Bound. Elem. 2011, 35, 1109–1115. [Google Scholar] [CrossRef]
- Denda, M.; Dong, Y.F. Complex variable approach to the BEM for multiple crack problems. Comput. Methods Appl. Mech. Eng. 1997, 141, 247–264. [Google Scholar] [CrossRef]
- Wang, G.S. The interaction of doubly periodic cracks. Theor. Appl. Fract. Mech. 2004, 42, 249–294. [Google Scholar] [CrossRef]
- Li, X. The effect of a homogeneous cylindrical inlay on cracks in the doubly-periodic complete plane strain problem. Int. J. Fract. 2001, 109, 403–411. [Google Scholar] [CrossRef]
- Shi, P.P. On the plastic zone size of solids containing doubly periodic rectangular-shaped arrays of cracks under longitudinal shear. Mech. Res. Commun. 2015, 67, 39–46. [Google Scholar] [CrossRef]
- Dong, C.Y.; Lee, K.Y. Numerical analysis of doubly periodic array of cracks/rigid-line inclusions in an infinite isotropic medium using the boundary integral equation method. Int. J. Fract. 2005, 133, 389–405. [Google Scholar] [CrossRef]
- Shi, P.P. Interaction between the doubly periodic interfacial cracks in a layered periodic composite: Simulation by the method of singular integral equation. Theor. Appl. Fract. Mech. 2015, 78, 25–39. [Google Scholar] [CrossRef]
- Monfared, M.M.; Ayatollahi, M.; Bagheri, R. In-plane stress analysis of dissimilar materials with multiple interface cracks. Appl. Math. Model. 2016, 40, 8464–8474. [Google Scholar] [CrossRef]
- Fartash, A.H.; Ayatollahi, M.; Bagheri, R. Transient response of dissimilar piezoelectric layers with multiple interacting interface cracks. Appl. Math. Model. 2019, 66, 508–526. [Google Scholar] [CrossRef]
- Bagheri, R.; Ayatollahi, M. Multiple moving cracks in a functionally graded strip. Appl. Math. Model. 2012, 36, 4677–4686. [Google Scholar] [CrossRef]
- Tian, W.Y.; Gabbert, U. Multiple crack interaction problem in magnetoelectroelastic solids. Eur. J. Mech.-A/Solids 2004, 23, 599–614. [Google Scholar] [CrossRef]
- Cao, T.; Feng, X.; Qin, T. Analysis for multiple cracks in 2d piezoelectric bimaterial using the singular integral equation method. Acta Mech. Solida Sin. 2022, 35, 261–272. [Google Scholar] [CrossRef]
- Lauterbach, B.; Gross, D. Crack growth in brittle solids under compression. Mech. Mater. 1998, 29, 81–92. [Google Scholar] [CrossRef]
- Matsumto, T.; Tanaka, M.; Obara, R. Computation of stress intensity factors of interface cracks based on interaction energy release rates and BEM sensitivity analysis. Eng. Fract. Mech. 2000, 65, 683–702. [Google Scholar] [CrossRef]
- Mykhas’kiv, V.V.; Khay, O.M. Interaction between rigid-disc inclusion and penny-shaped crack under elastic time-harmonic wave incidence. Int. J. Solids Struct. 2009, 46, 602–616. [Google Scholar] [CrossRef]
- Nishimura, N.; Yoshida, K.-I.; Kobayashi, S. A fast multipole boundary integral equation method for crack problems in 3D. Eng. Anal. Bound. Elem. 1999, 23, 97–105. [Google Scholar] [CrossRef]
- Wang, L.; Yin, Z.-Y.; Chen, W. Characteristics of crack growth in brittle solids with the effects of material heterogeneity and multi-crack interaction. Int. J. Fract. 2024, 246, 77–99. [Google Scholar] [CrossRef]
- Wang, Y.; Cui, Y.; Wang, J.; Ju, Y. An h-version adaptive finite element scheme for eigensolutions of free vibration of three-dimensional cracked elasticity utilising element subdivision-based error estimator. J. Intell. Constr. 2024. [Google Scholar] [CrossRef]
- Zhang, D.; Zhou, Z.; Gao, C.; Gai, P.; Chen, X.; Chen, J.; Bu, F. A novel hybrid PD-FEM-FVM approach for simulating hydraulic fracture propagation in saturated porous media. Comput. Geotech. 2025, 177, 106821. [Google Scholar] [CrossRef]
- Daux, C.; Moës, N.; Dolbow, J.; Sukumar, N.; Belytschko, T. Arbitrary branched and intersecting cracks with the extended finite element method. Int. J. Numer. Methods Eng. 2000, 48, 1741–1760. [Google Scholar] [CrossRef]
- Belytschko, T.; Moës, N.; Usui, S.; Parimi, C. Arbitrary discontinuities in finite elements. Int. J. Numer. Methods Eng. 2001, 50, 993–1013. [Google Scholar] [CrossRef]
- Budyn, E.; Zi, G.; Moës, N.; Belytschko, T. A method for multiple crack growth in brittle materials without remeshing. Int. J. Numer. Methods Eng. 2004, 61, 1741–1770. [Google Scholar] [CrossRef]
- Mousavi, S.E.; Grinspun, E.; Sukumar, N. Harmonic enrichment functions: A unified treatment of multiple, intersecting and branched cracks in the extended finite element method. Int. J. Numer. Methods Eng. 2011, 85, 1306–1322. [Google Scholar] [CrossRef]
- Richardson, C.L.; Hegemann, J.; Sifakis, E.; Hellrung, J.; Teran, J.M. An XFEM method for modeling geometrically elaborate crack propagation in brittle materials. Int. J. Numer. Methods Eng. 2011, 88, 1042–1065. [Google Scholar] [CrossRef]
- Xu, D.; Liu, Z.; Liu, X.; Zeng, Q.; Zhuang, Z. Modeling of dynamic crack branching by enhanced extended finite element method. Comput. Mech. 2014, 54, 489–502. [Google Scholar] [CrossRef]
- Sutula, D.; Kerfriden, P.; van Dam, T.; Bordas, S.P. Minimum energy multiple crack propagation. Part I: Theory and state of the art review. Eng. Fract. Mech. 2018, 191, 205–224. [Google Scholar] [CrossRef]
- Sutula, D.; Kerfriden, P.; van Dam, T.; Bordas, S.P. Minimum energy multiple crack propagation. Part-II: Discrete solution with XFEM. Eng. Fract. Mech. 2018, 191, 225–256. [Google Scholar] [CrossRef]
- Sutula, D.; Kerfriden, P.; van Dam, T.; Bordas, S.P. Minimum energy multiple crack propagation. Part III: XFEM computer implementation and applications. Eng. Fract. Mech. 2018, 191, 257–276. [Google Scholar] [CrossRef]
- Agathos, K.; Chatzi, E.; Bordas, S.P.A. Multiple crack detection in 3D using a stable XFEM and global optimization. Comput. Mech. 2018, 62, 835–852. [Google Scholar] [CrossRef]
- Chen, J.W.; Zhou, X.P. The enhanced extended finite element method for the propagation of complex branched cracks. Eng. Anal. Bound. Elem. 2019, 104, 46–62. [Google Scholar] [CrossRef]
- Song, J.H.; Areias, P.M.; Belytschko, T. A method for dynamic crack and shear band propagation with phantom nodes. Int. J. Numer. Methods Eng. 2006, 67, 868–893. [Google Scholar] [CrossRef]
- Ding, J.; Yu, T.; Bui, T.Q. Modeling strong/weak discontinuities by local mesh refinement variable-node XFEM with object-oriented implementation. Theor. Appl. Fract. Mech. 2020, 106, 102434. [Google Scholar] [CrossRef]
- Ding, J.; Yu, T.; Yang, Y.; Bui, T.Q. An efficient variable-node XFEM for modeling multiple crack growth: A Matlab object-oriented implementation. Adv. Eng. Softw. 2020, 140, 102750. [Google Scholar] [CrossRef]
- Wen, L.F.; Tian, R.; Wang, L.X.; Feng, C. Improved XFEM for multiple crack analysis: Accurate and efficient implementations for stress intensity factors. Comput. Methods Appl. Mech. Eng. 2023, 411, 116045. [Google Scholar] [CrossRef]
- Wang, L.X.; Wen, L.F.; Tian, R.; Feng, C. Improved XFEM (IXFEM): Arbitrary multiple crack initiation, propagation and interaction analysis. Comput. Methods Appl. Mech. Eng. 2024, 421, 116791. [Google Scholar] [CrossRef]
- Gajjar, M.; Pathak, H.; Kumar, S. Elasto-plastic fracture modeling for crack interaction with XFEM. Trans. Indian Inst. Met. 2020, 73, 1679–1687. [Google Scholar] [CrossRef]
- Hu, Z.; Suo, X.; Wang, M.; Jiang, F.; Huang, H.; Shen, Y. A phase-field-cohesive-zone framework to simulate multiple failure mechanisms of elastoplastic fiber-reinforced composites. Int. J. Fract. 2023, 244, 43–59. [Google Scholar] [CrossRef]
- Zi, G.; Song, J.-H.; Budyn, E.; Lee, S.-H.; Belytschko, T. A method for growing multiple cracks without remeshing and its application to fatigue crack growth. Model. Simul. Mater. Sci. Eng. 2004, 12, 901. [Google Scholar] [CrossRef]
- Singh, I.V.; Mishra, B.K.; Bhattacharya, S.; Patil, R. The numerical simulation of fatigue crack growth using extended finite element method. Int. J. Fatigue 2012, 36, 109–119. [Google Scholar] [CrossRef]
- Shu, Y.; Li, Y.; Duan, M.; Yang, F. An X-FEM approach for simulation of 3-D multiple fatigue cracks and application to double surface crack problems. Int. J. Mech. Sci. 2017, 130, 331–349. [Google Scholar] [CrossRef]
- Zhu, J.; Jie, Z.; Chen, C.; Zheng, H.; Wang, W. Fatigue Crack Propagation of Corroded High-Strength Steel Wires Using the XFEM and the EIFS. Materials 2023, 16, 4738. [Google Scholar] [CrossRef]
- Chen, Z.; Bao, H.; Dai, Y.; Liu, Y. Numerical prediction based on XFEM for mixed-mode crack growth path and fatigue life under cyclic overload. Int. J. Fatigue 2022, 162, 106943. [Google Scholar] [CrossRef]
- Jafari, A.; Broumand, P.; Vahab, M.; Khalili, N. An eXtended finite element method implementation in COMSOL multiphysics: Solid mechanics. Finite Elem. Anal. Des. 2022, 202, 103707. [Google Scholar] [CrossRef]
- Singh, S.K.; Singh, I.V.; Mishra, B.K.; Bhardwaj, G. Analysis of cracked plate using higher-order shear deformation theory: Asymptotic crack-tip fields and XIGA implementation. Comput. Methods Appl. Mech. Eng. 2018, 336, 594–639. [Google Scholar] [CrossRef]
- Bhardwaj, G.; Singh, I.V.; Mishra, B.K.; Kumar, V. Numerical simulations of cracked plate using XIGA under different loads and boundary conditions. Mech. Adv. Mater. Struct. 2016, 23, 704–714. [Google Scholar] [CrossRef]
- Singh, S.K.; Singh, I.V.; Mishra, B.K.; Bhardwaj, G. Analysis of cracked functionally graded material plates using XIGA based on generalized higher-order shear deformation theory. Compos. Struct. 2019, 225, 111038. [Google Scholar] [CrossRef]
- Gu, J.; Yu, T.; Van Lich, L.; Tanaka, S.; Qiu, L.; Bui, T.Q. Adaptive orthotropic XIGA for fracture analysis of composites. Compos. Part B Eng. 2019, 176, 107259. [Google Scholar] [CrossRef]
- Gu, J.; Yu, T.; Van Lich, L.; Nguyen, T.-T.; Yang, Y.; Bui, T.Q. Fracture modeling with the adaptive XIGA based on locally refined B-splines. Comput. Methods Appl. Mech. Eng. 2019, 354, 527–567. [Google Scholar] [CrossRef]
- Gu, J.; Yu, T.; Van Lich, L.; Tanaka, S.; Yuan, H.; Bui, T.Q. Crack growth adaptive XIGA simulation in isotropic and orthotropic materials. Comput. Methods Appl. Mech. Eng. 2020, 365, 113016. [Google Scholar] [CrossRef]
- Yu, T.; Yuan, H.; Gu, J.; Tanaka, S.; Bui, T.Q. Error-controlled adaptive LR B-splines XIGA for assessment of fracture parameters in through-cracked Mindlin-Reissner plates. Eng. Fract. Mech. 2020, 229, 106964. [Google Scholar] [CrossRef]
- Bui, T.Q. Extended isogeometric dynamic and static fracture analysis for cracks in piezoelectric materials using NURBS. Comput. Methods Appl. Mech. Eng. 2015, 295, 470–509. [Google Scholar] [CrossRef]
- Singh, S.; Singh, I. Analysis of cracked functionally graded piezoelectric material using XIGA. Eng. Fract. Mech. 2020, 230, 107015. [Google Scholar] [CrossRef]
- Jiang, K.; Zhu, X.; Hu, C.; Hou, W.; Hu, P.; Bordas, S.P. An enhanced extended isogeometric analysis with strong imposition of essential boundary conditions for crack problems using B++ splines. Appl. Math. Model. 2023, 116, 393–414. [Google Scholar] [CrossRef]
- Aliabadi, M. A new generation of boundary element methods in fracture mechanics. Int. J. Fract. 1997, 86, 91–125. [Google Scholar] [CrossRef]
- Sutradhar, A.; Paulino, G.H. Symmetric Galerkin boundary element computation of T-stress and stress intensity factors for mixed-mode cracks by the interaction integral method. Eng. Anal. Bound. Elem. 2004, 28, 1335–1350. [Google Scholar] [CrossRef]
- Hsieh, J.; Denda, M.; Redondo, J.; Marante, M.; Flórez-López, J. Electronic handbook of fracture: A Java-based boundary element program for fracture analysis of multiple curvilinear cracks in the general anisotropic solids. Adv. Eng. Softw. 2008, 39, 395–406. [Google Scholar] [CrossRef]
- Lei, J.; Yun, L.; Bui, T.Q. Numerical simulation of crack growth in piezoelectric structures by BEM. Eng. Anal. Bound. Elem. 2017, 85, 30–42. [Google Scholar] [CrossRef]
- Fedelinski, P. Analysis of closed branched and intersecting cracks by the boundary element method. Acta Mech. 2022, 233, 1213–1230. [Google Scholar] [CrossRef]
- Denda, M. A dislocation and point force approach to the boundary element method for mixed mode crack analysis of plane anisotropic solids. J. Chin. Inst. Eng. 1999, 22, 677–693. [Google Scholar] [CrossRef]
- Denda, M. Mixed mode I, II and III analysis of multiple cracks in plane anisotropic solids by the BEM: A dislocation and point force approach. Eng. Anal. Bound. Elem. 2001, 25, 267–278. [Google Scholar] [CrossRef]
- Wang, Y.B.; Chau, K.T. A new boundary element method for mixed boundary value problems involving cracks and holes: Interactions between rigid inclusions and cracks. Int. J. Fract. 2001, 110, 387–406. [Google Scholar] [CrossRef]
- Gray, L.J.; Phan, A.V.; Paulino, G.H.; Kaplan, T. Improved quarter-point crack tip element. Eng. Fract. Mech. 2003, 70, 269–283. [Google Scholar] [CrossRef]
- Sáez, A.; García-Sánchez, F.; Domínguez, J. Hypersingular BEM for dynamic fracture in 2-D piezoelectric solids. Comput. Methods Appl. Mech. Eng. 2006, 196, 235–246. [Google Scholar] [CrossRef]
- Guo, Z.; Liu, Y.; Ma, H.; Huang, S. A fast multipole boundary element method for modeling 2-D multiple crack problems with constant elements. Eng. Anal. Bound. Elem. 2014, 47, 1–9. [Google Scholar] [CrossRef]
- Wu, X.; Li, X. Simulations of micron-scale fracture using atomistic-based boundary element method. Model. Simul. Mater. Sci. Eng. 2017, 25, 085008. [Google Scholar] [CrossRef]
- Liu, Y.J.; Li, Y.X.; Xie, W. Modeling of multiple crack propagation in 2-D elastic solids by the fast multipole boundary element method. Eng. Fract. Mech. 2017, 172, 1–16. [Google Scholar] [CrossRef]
- Hwu, C.; Huang, S.-T.; Li, C.-C. Boundary-based finite element method for two-dimensional anisotropic elastic solids with multiple holes and cracks. Eng. Anal. Bound. Elem. 2017, 79, 13–22. [Google Scholar] [CrossRef]
- Cong, L.; Bin, H.; Zongjun, H.; Zhongrong, N. Analysis of multi-crack propagation by using the extended boundary element method. Eng. Anal. Bound. Elem. 2021, 132, 65–76. [Google Scholar] [CrossRef]
- Park, B.; Min, K.-B. Bonded-particle discrete element modeling of mechanical behavior of transversely isotropic rock. Int. J. Rock Mech. Min. Sci. 2015, 76, 243–255. [Google Scholar] [CrossRef]
- Zhong, J.; Wang, J.; Li, X.; Chu, X. Macro-and meso-failure mechanism analysis for shale-like brittle materials under uniaxial compression. Eng. Anal. Bound. Elem. 2022, 141, 189–198. [Google Scholar] [CrossRef]
- Li, Y.; Cai, W.; Li, X.; Zhu, W.; Zhang, Q.; Wang, S. Experimental and DEM analysis on secondary crack types of rock-like material containing multiple flaws under uniaxial compression. Appl. Sci. 2019, 9, 1749. [Google Scholar] [CrossRef]
- Wang, B.; Gerolymatou, E.; Jin, A. Study on mechanical and fracture characteristics of rock-like specimens with rough non-persistent joints by YADE DEM simulation. Comput. Geotech. 2023, 158, 105382. [Google Scholar] [CrossRef]
- Sun, Y.; Kwok, C.Y.; Duan, K. Size effects on crystalline rock masses: Insights from grain-based DEM modeling. Comput. Geotech. 2024, 171, 106376. [Google Scholar] [CrossRef]
- Bai, Q.S.; Tu, S.H.; Zhang, C. DEM investigation of the fracture mechanism of rock disc containing hole (s) and its influence on tensile strength. Theor. Appl. Fract. Mech. 2016, 86, 197–216. [Google Scholar] [CrossRef]
- Yang, S.Q.; Yin, P.F.; Zhang, Y.C.; Chen, M.; Zhou, X.P.; Jing, H.W.; Zhang, Q.Y. Failure behavior and crack evolution mechanism of a non-persistent jointed rock mass containing a circular hole. Int. J. Rock Mech. Min. Sci. 2019, 114, 101–121. [Google Scholar] [CrossRef]
- Duan, K.; Kwok, C.Y.; Zhang, Q.; Shang, J. On the initiation, propagation and reorientation of simultaneously-induced multiple hydraulic fractures. Comput. Geotech. 2020, 117, 103226. [Google Scholar] [CrossRef]
- Li, M.; Zhang, F.; Wang, S.; Dontsov, E.; Li, P. DEM modeling of simultaneous propagation of multiple hydraulic fractures across different regimes, from toughness-to viscosity-dominated. Rock Mech. Rock Eng. 2024, 57, 481–503. [Google Scholar] [CrossRef]
- Hofmann, H.; Babadagli, T.; Yoon, J.; Zimmermann, G. Multi-branched growth of fractures in shales for effective reservoir contact: A particle based distinct element modeling study. J. Nat. Gas Sci. Eng. 2016, 35, 509–521. [Google Scholar] [CrossRef]
- Hofmann, H.; Babadagli, T.; Yoon, J.S.; Blöcher, G.; Zimmermann, G. A hybrid discrete/finite element modeling study of complex hydraulic fracture development for enhanced geothermal systems (EGS) in granitic basements. Geothermics 2016, 64, 362–381. [Google Scholar] [CrossRef]
- Papachristos, E.; Scholtès, L.; Donzé, F.; Chareyre, B. Intensity and volumetric characterizations of hydraulically driven fractures by hydro-mechanical simulations. Int. J. Rock Mech. Min. Sci. 2017, 93, 163–178. [Google Scholar] [CrossRef]
- Lee, H.P.; Olson, J.E.; Schultz, R.A. Interaction analysis of propagating opening mode fractures with veins using the discrete element method. Int. J. Rock Mech. Min. Sci. 2018, 103, 275–288. [Google Scholar] [CrossRef]
- Liu, G.; Sun, W.; Lowinger, S.M.; Zhang, Z.; Huang, M.; Peng, J. Coupled flow network and discrete element modeling of injection-induced crack propagation and coalescence in brittle rock. Acta Geotech. 2019, 14, 843–868. [Google Scholar] [CrossRef]
- Shao, L.; Mao, J.; Zhao, L.; Li, T. A three-dimensional deformable spheropolyhedral-based discrete element method for simulation of the whole fracture process. Eng. Fract. Mech. 2022, 263, 108290. [Google Scholar] [CrossRef]
- Jiao, K.; Han, D.; Wang, D.; Chen, Y.; Li, J.; Gong, L.; Bai, B.; Yu, B. Investigation of thermal-hydro-mechanical coupled fracture propagation considering rock damage. Comput. Geosci. 2022, 26, 1167–1187. [Google Scholar] [CrossRef]
- Zhong, J.; Wang, J.; Li, X.; Chu, X. Experiments and discrete element simulations of crack initiation angle of mixed-mode I/II in PMMA material. Theor. Appl. Fract. Mech. 2023, 125, 103862. [Google Scholar] [CrossRef]
- Fukumoto, Y.; Shimbo, T. 3-D coupled peridynamics and discrete element method for fracture and post-fracture behavior of soil-like materials. Comput. Geotech. 2023, 158, 105372. [Google Scholar] [CrossRef]
- Belytschko, T.; Lu, Y.Y.; Gu, L. Element-free Galerkin methods. Int. J. Numer. Methods Eng. 1994, 37, 229–256. [Google Scholar] [CrossRef]
- Fleming, M.; Chu, Y.A.; Moran, B.; Belytschko, T. Enriched element-free Galerkin methods for crack tip fields. Int. J. Numer. Methods Eng. 1997, 40, 1483–1504. [Google Scholar] [CrossRef]
- Li, D.M.; Liu, J.H.; Nie, F.H.; Featherston, C.A.; Wu, Z. On tracking arbitrary crack path with complex variable meshless methods. Comput. Methods Appl. Mech. Eng. 2022, 399, 115402. [Google Scholar] [CrossRef]
- Pan, J.H.; Li, D.M.; Luo, X.B.; Zhu, W. An enriched improved complex variable element-free Galerkin method for efficient fracture analysis of orthotropic materials. Theor. Appl. Fract. Mech. 2022, 121, 103488. [Google Scholar] [CrossRef]
- Pan, J.H.; Li, D.M.; Cai, S.; Luo, X.B. A pure complex variable enrichment method for modeling progressive fracture of orthotropic functionally gradient materials. Eng. Fract. Mech. 2023, 277, 108984. [Google Scholar] [CrossRef]
- Zhu, H.; Sun, P.; Cai, Y. Independent cover meshless method for the simulation of multiple crack growth with arbitrary incremental steps and directions. Eng. Anal. Bound. Elem. 2017, 83, 242–255. [Google Scholar] [CrossRef]
- Muravin, B.; Turkel, E. Multiple crack weight for solution of multiple interacting cracks by meshless numerical methods. Int. J. Numer. Methods Eng. 2006, 67, 1146–1159. [Google Scholar] [CrossRef]
- Duflot, M.; Nguyen-Dang, H. A meshless method with enriched weight functions for fatigue crack growth. Int. J. Numer. Methods Eng. 2004, 59, 1945–1961. [Google Scholar] [CrossRef]
- Duflot, M. A meshless method with enriched weight functions for three-dimensional crack propagation. Int. J. Numer. Methods Eng. 2006, 65, 1970–2006. [Google Scholar] [CrossRef]
- Singh, I.V.; Mishra, B.K.; Pant, M. A modified intrinsic enriched element free Galerkin method for multiple cracks simulation. Mater. Des. 2010, 31, 628–632. [Google Scholar] [CrossRef]
- Singh, I.V.; Mishra, B.K.; Pant, M. An enrichment based new criterion for the simulation of multiple interacting cracks using element free Galerkin method. Int. J. Fract. 2011, 167, 157–171. [Google Scholar] [CrossRef]
- Pant, M.; Singh, I.V.; Mishra, B.K. A novel enrichment criterion for modeling kinked cracks using element free Galerkin method. Int. J. Mech. Sci. 2013, 68, 140–149. [Google Scholar] [CrossRef]
- Barbieri, E.; Petrinic, N.; Meo, M.; Tagarielli, V.L. A new weight-function enrichment in meshless methods for multiple cracks in linear elasticity. Int. J. Numer. Methods Eng. 2012, 90, 177–195. [Google Scholar] [CrossRef]
- Barbier, E.; Petrinic, N. Multiple Crack Growth and Coalescence in Meshfree Methods with Adistance Function-Based Enriched Kernel. Key Eng. Mater. 2013, 560, 37–60. [Google Scholar] [CrossRef]
- Ai, W.; Bird, R.E.; Coombs, W.M.; Augarde, C.E. A configurational force driven cracking particle method for modelling crack propagation in 2D. Eng. Anal. Bound. Elem. 2019, 104, 197–208. [Google Scholar] [CrossRef]
- Ai, W.; Augarde, C.E. Thermoelastic fracture modelling in 2D by an adaptive cracking particle method without enrichment functions. Int. J. Mech. Sci. 2019, 160, 343–357. [Google Scholar] [CrossRef]
- Memari, A.; Mohebalizadeh, H. Quasi-static analysis of mixed-mode crack propagation using the meshless local Petrov–Galerkin method. Eng. Anal. Bound. Elem. 2019, 106, 397–411. [Google Scholar] [CrossRef]
- Zhao, C.; Hu, Y.; Zhao, J.; Wang, Q.; He, P.; Liu, A.; Song, P. Numerical investigation of hydraulic fracture extension based on the meshless method. Geofluids 2020, 2020, 8881901. [Google Scholar] [CrossRef]
- Nguyen, N.T.; Nguyen, M.N.; Van Vu, T.; Truong, T.T.; Bui, T.Q. A meshfree model enhanced by NURBS-based Cartesian transformation method for cracks at finite deformation in hyperelastic solids. Eng. Fract. Mech. 2022, 261, 108176. [Google Scholar] [CrossRef]
- Xiang, P.; Liu, Z.; Shao, Z.; Chen, Y.; Peng, X.; Wang, Q. Meshfree method for bending and free vibration analysis of laminated plates using the Reissner’s mixed variational theorem. Mech. Adv. Mater. Struct. 2024, 1–15. [Google Scholar] [CrossRef]
- Xiang, P.; Shao, Z.; Zhao, H.; Zhang, P.; Xie, X.; Liu, X. A stochastic meshless framework for higher-order free vibration analysis and static bending of porous functionally graded plates. Mech. Based Des. Struct. Mach. 2024, 1–28. [Google Scholar] [CrossRef]
- Shao, Z.; Zhao, H.; Zhang, P.; Xie, X.; Ademiloye, A.; Xiang, P. A meshless computational framework for a modified dynamic system of vehicle coupled with plate structure. Eng. Struct. 2024, 312, 118140. [Google Scholar] [CrossRef]
- Zhang, X.; Chen, B.; Shao, Z.; Ademiloye, A.; Yang, D.; Xiang, P.; Xianbiao, W. A size-dependent meshfree model based on nonlocal strain gradient theory for trigonometric functionally graded nanoplates on variable elastic foundations. Structures 2024, 69, 107480. [Google Scholar] [CrossRef]
- Zhao, Y.; Zhou, Z.; Bi, J.; Wang, C.; Wu, Z. Numerical simulation the fracture of rock in the framework of plastic-bond-based SPH and its applications. Comput. Geotech. 2023, 157, 105359. [Google Scholar] [CrossRef]
- Zhou, X.P.; Xiao, N. Analyzing fracture properties of the 3D reconstructed model of porous rocks. Eng. Fract. Mech. 2018, 189, 175–193. [Google Scholar] [CrossRef]
- Xia, C.; Shi, Z.; Li, B. A revisit of disaster process of Vajont rockslide using a coupled discontinuous smooth particle hydrodynamics (CDSPH) method. Landslides 2024, 21, 197–216. [Google Scholar] [CrossRef]
- Islam, M.R.I.; Peng, C.; Patra, P.K. A comparison of numerical stability for ESPH and TLSPH for dynamic brittle fracture. Theor. Appl. Fract. Mech. 2023, 127, 104052. [Google Scholar] [CrossRef]
- Kilic, B.; Madenci, E. Prediction of crack paths in a quenched glass plate by using peridynamic theory. Int. J. Fract. 2009, 156, 165–177. [Google Scholar] [CrossRef]
- Gu, X.; Zhang, Q. A modified conjugated bond-based peridynamic analysis for impact failure of concrete gravity dam. Meccanica 2020, 55, 547–566. [Google Scholar] [CrossRef]
- Zhou, L.; Zhu, S.; Zhu, Z.; Yu, S.; Xie, X. Improved peridynamic model and its application to crack propagation in rocks. R. Soc. Open Sci. 2022, 9, 221013. [Google Scholar] [CrossRef] [PubMed]
- Wang, H.; Dong, H.; Cai, Z.; Li, Y.; Wang, W.; Liu, Y. Peridynamic-based investigation of the cracking behavior of multilayer thermal barrier coatings. Ceram. Int. 2022, 48, 23543–23553. [Google Scholar] [CrossRef]
- Agwai, A.; Guven, I.; Madenci, E. Predicting crack propagation with peridynamics: A comparative study. Int. J. Fract. 2011, 171, 65–78. [Google Scholar] [CrossRef]
- Ha, Y.D.; Bobaru, F. Studies of Dynamic Crack Propagation and Crack Branching with Peridynamics. Int. J. Fract. 2010, 162, 229–244. [Google Scholar] [CrossRef]
- Zhao, J.; Chen, Z.; Mehrmashhadi, J.; Bobaru, F. A stochastic multiscale peridynamic model for corrosion-induced fracture in reinforced concrete. Eng. Fract. Mech. 2020, 229, 106969. [Google Scholar] [CrossRef]
- Peng, X.; Chen, Z.; Bobaru, F. Accurate predictions of dynamic fracture in perforated plates. Int. J. Fract. 2023, 244, 61–84. [Google Scholar] [CrossRef]
- Wang, Y.; Zhou, X.; Xu, X. Numerical simulation of propagation and coalescence of flaws in rock materials under compressive loads using the extended non-ordinary state-based peridynamics. Eng. Fract. Mech. 2016, 163, 248–273. [Google Scholar] [CrossRef]
- Zhou, X.; Wang, Y.; Xu, X. Numerical simulation of initiation, propagation and coalescence of cracks using the non-ordinary state-based peridynamics. Int. J. Fract. 2016, 201, 213–234. [Google Scholar] [CrossRef]
- Dai, Z.; Xie, J.; Lu, Z.; Qin, S.; Wang, L. Numerical modeling on crack propagation based on a multi-grid bond-based dual-horizon peridynamics. Mathematics 2021, 9, 2848. [Google Scholar] [CrossRef]
- Shojaei, A.; Hermann, A.; Cyron, C.J.; Seleson, P.; Silling, S.A. A hybrid meshfree discretization to improve the numerical performance of peridynamic models. Comput. Methods Appl. Mech. Eng. 2022, 391, 114544. [Google Scholar] [CrossRef]
- Wang, W.; Zhu, Q.-Z.; Ni, T.; Vazic, B.; Newell, P.; Bordas, S.P. An extended peridynamic model equipped with a new bond-breakage criterion for mixed-mode fracture in rock-like materials. Comput. Methods Appl. Mech. Eng. 2023, 411, 116016. [Google Scholar] [CrossRef]
- Zhou, L.; Zhu, S.; Zhu, Z. Cosserat ordinary state-based peridynamic model and numerical simulation of rock fracture. Comput. Geotech. 2023, 155, 105240. [Google Scholar] [CrossRef]
- Tong, Q.; Li, S. A concurrent multiscale study of dynamic fracture. Comput. Methods Appl. Mech. Eng. 2020, 366, 113075. [Google Scholar] [CrossRef]
- Zhou, Z.; Yu, M.; Wang, X.; Huang, Z. Peridynamic Study on Fracture Mode and Crack Propagation Path of a Plate with Multiple Cracks Subjected to Uniaxial Tension. CMES-Comput. Model. Eng. Sci. 2023, 137, 2593–2620. [Google Scholar] [CrossRef]
- Bie, Y.; Ren, H.; Rabczuk, T.; Bui, T.Q.; Wei, Y. The fully coupled thermo-mechanical dual-horizon peridynamic correspondence damage model for homogeneous and heterogeneous materials. Comput. Methods Appl. Mech. Eng. 2024, 420, 116730. [Google Scholar] [CrossRef]
- Chu, S.; Bai, J.; Zhao, Z.-L.; Liu, Y.; Huang, D.; Li, B.; Li, Q.; Feng, X.-Q. Peridynamic fracture analysis of film–substrate systems. J. Mech. Phys. Solids 2024, 191, 105757. [Google Scholar] [CrossRef]
- Chen, Z.; Wan, J.; Chu, X.; Liu, H. Two Cosserat peridynamic models and numerical simulation of crack propagation. Eng. Fract. Mech. 2019, 211, 341–361. [Google Scholar] [CrossRef]
- Giannakeas, I.N.; Papathanasiou, T.K.; Fallah, A.S.; Bahai, H. Coupling XFEM and Peridynamics for brittle fracture simulation: Part II—Adaptive relocation strategy. Comput. Mech. 2020, 66, 683–705. [Google Scholar] [CrossRef]
- Loehnert, S.; Krüger, C.; Klempt, V.; Munk, L. An enriched phase-field method for the efficient simulation of fracture processes. Comput. Mech. 2023, 71, 1015–1039. [Google Scholar] [CrossRef]
- Sun, Y.; Liu, Z.; Tang, X. A hybrid FEMM-Phase field method for fluid-driven fracture propagation in three dimension. Eng. Anal. Bound. Elem. 2020, 113, 40–54. [Google Scholar] [CrossRef]
- Schänzel, L.; Hofacker, M.; Miehe, C. Phase field modeling of crack propagation at large strains with application to rubbery polymers. PAMM 2011, 11, 429–430. [Google Scholar] [CrossRef]
- Hou, Y.; Wang, L.; Yue, P.; Sun, W. Fracture failure in crack interaction of asphalt binder by using a phase field approach. Mater. Struct. 2015, 48, 2997–3008. [Google Scholar] [CrossRef]
- Mikelić, A.; Wheeler, M.F.; Wick, T. A phase-field method for propagating fluid-filled fractures coupled to a surrounding porous medium. Multiscale Model. Simul. 2015, 13, 367–398. [Google Scholar] [CrossRef]
- Mikelić, A.; Wheeler, M.F.; Wick, T. Phase-field modeling of a fluid-driven fracture in a poroelastic medium. Comput. Geosci. 2015, 19, 1171–1195. [Google Scholar] [CrossRef]
- Ziaei-Rad, V.; Shen, L.; Jiang, J.; Shen, Y. Identifying the crack path for the phase field approach to fracture with non-maximum suppression. Comput. Methods Appl. Mech. Eng. 2016, 312, 304–321. [Google Scholar] [CrossRef]
- Patil, R.; Mishra, B.; Singh, I.; Bui, T. A new multiscale phase field method to simulate failure in composites. Adv. Eng. Softw. 2018, 126, 9–33. [Google Scholar] [CrossRef]
- Heider, Y.; Sun, W. A phase field framework for capillary-induced fracture in unsaturated porous media: Drying-induced vs. hydraulic cracking. Comput. Methods Appl. Mech. Eng. 2020, 359, 112647. [Google Scholar] [CrossRef]
- You, T.; Waisman, H.; Zhu, Q.-Z. Brittle-ductile failure transition in geomaterials modeled by a modified phase-field method with a varying damage-driving energy coefficient. Int. J. Plast. 2021, 136, 102836. [Google Scholar] [CrossRef]
- Zhang, T.; Yu, T.; Ding, J.; Natarajan, S. Low-cycle fatigue crack growth in brittle materials: Adaptive phase-field modeling with variable-node elements. Comput. Methods Appl. Mech. Eng. 2024, 425, 116917. [Google Scholar] [CrossRef]
- Zhuang, X.; Zhou, S. An experimental and numerical study on the influence of filling materials on double-crack propagation. Rock Mech. Rock Eng. 2020, 53, 5571–5591. [Google Scholar] [CrossRef]
- Fei, F.; Choo, J. Double-phase-field formulation for mixed-mode fracture in rocks. Comput. Methods Appl. Mech. Eng. 2021, 376, 113655. [Google Scholar] [CrossRef]
- Yu, Z.; Sun, Y.; Vu, M.N.; Shao, J.F. Modeling of mixed cracks in rock-like brittle materials under compressive stresses by a double-phase-field method. Rock Mech. Rock Eng. 2023, 56, 2779–2792. [Google Scholar] [CrossRef]
- Huang, D.; Yang, Y.Y.; Song, Y.X.; Wu, Z.J.; Yang, Y.T.; Tang, X.; Cen, D. Fracture behavior of shale containing two parallel veins under semi-circular bend test using a phase-field method. Eng. Fract. Mech. 2022, 267, 108428. [Google Scholar] [CrossRef]
- Li, X.; Hofmann, H.; Yoshioka, K.; Luo, Y.; Liang, Y. Phase-field modelling of interactions between hydraulic fractures and natural fractures. Rock Mech. Rock Eng. 2022, 55, 6227–6247. [Google Scholar] [CrossRef]
- Zhang, J.; Yu, H.; Xu, W.; Lv, C.; Micheal, M.; Shi, F.; Wu, H. A hybrid numerical approach for hydraulic fracturing in a naturally fractured formation combining the XFEM and phase-field model. Eng. Fract. Mech. 2022, 271, 108621. [Google Scholar] [CrossRef]
- Zhou, Z.; Zhao, Y.; Bi, J.; Zhang, Y.; Wang, C.; Li, Y. A thermodynamically consistent SPH-PFM model for modelling crack propagation and coalescence in rocks. Theor. Appl. Fract. Mech. 2023, 127, 104085. [Google Scholar] [CrossRef]
- Xu, B.; Xu, T.; Xue, Y.; Heap, M.J.; Wasantha, P.; Li, Z. Phase field modeling of mixed-mode crack in rocks incorporating heterogeneity and frictional damage. Eng. Fract. Mech. 2024, 298, 109936. [Google Scholar] [CrossRef]
- Wang, S.; Yang, S.; Zhang, Q.; Shen, W.; Zhang, J.; Huang, Q. A modified phase-field model simulating multiple cracks propagation of fissured rocks under compressive or compressive-shear conditions. Theor. Appl. Fract. Mech. 2024, 133, 104549. [Google Scholar] [CrossRef]
- Xu, D.; Wu, A.; Li, C. A linearly-independent higher-order extended numerical manifold method and its application to multiple crack growth simulation. J. Rock Mech. Geotech. Eng. 2019, 11, 1256–1263. [Google Scholar] [CrossRef]
- Zhang, H.H.; Liu, S.M.; Han, S.Y.; Fan, L.F. Computation of T-stresses for multiple-branched and intersecting cracks with the numerical manifold method. Eng. Anal. Bound. Elem. 2019, 107, 149–158. [Google Scholar] [CrossRef]
- Zhang, H.H.; Liu, S.M.; Han, S.Y.; Fan, L.F. T-stress evaluation for multiple cracks in FGMs by the numerical manifold method and the interaction integral. Theor. Appl. Fract. Mech. 2020, 105, 102436. [Google Scholar] [CrossRef]
- He, J.; Liu, Q.; Wu, Z. Creep crack analysis of viscoelastic material by numerical manifold method. Eng. Anal. Bound. Elem. 2017, 80, 72–86. [Google Scholar] [CrossRef]
- Yang, Y.; Tang, X.; Zheng, H.; Liu, Q.S.; He, L. Three-dimensional fracture propagation with numerical manifold method. Eng. Anal. Bound. Elem. 2016, 72, 65–77. [Google Scholar] [CrossRef]
- Wang, Y.; Yang, Y.; Zheng, H. On the implementation of a hydro-mechanical coupling model in the numerical manifold method. Eng. Anal. Bound. Elem. 2019, 109, 161–175. [Google Scholar] [CrossRef]
- Li, G.; Wang, K.; Tang, C.; Qian, X. An NMM-based fluid-solid coupling model for simulating rock hydraulic fracturing process. Eng. Fract. Mech. 2020, 235, 107193. [Google Scholar] [CrossRef]
- Sun, H.; Xiong, F.; Wei, W. A 2D hybrid NMM-UPM method for waterflooding processes modelling considering reservoir fracturing. Eng. Geol. 2022, 308, 106810. [Google Scholar] [CrossRef]
- Zeng, Q.; Bo, L.; Liu, L.; Li, X.; Sun, J.; Huang, Z.; Yao, J. Analysis of fracture propagation and shale gas production by intensive volume fracturing. Appl. Math. Mech. 2023, 44, 1385–1408. [Google Scholar] [CrossRef]
- Yang, C.X.; Yi, L.P.; Yang, Z.Z.; Li, X.G. Numerical investigation of the fracture network morphology in multi-cluster hydraulic fracturing of horizontal wells: A DDM-FVM study. J. Pet. Sci. Eng. 2022, 215, 110723. [Google Scholar] [CrossRef]
- Cheng, W.; Wang, R.; Jiang, G.; Xie, J. Modelling hydraulic fracturing in a complex-fracture-network reservoir with the DDM and graph theory. J. Nat. Gas Sci. Eng. 2017, 47, 73–82. [Google Scholar] [CrossRef]
- Miao, C.; Wei, Y.; Yan, X. Two collinear square-hole cracks in an infinite plate in tension. Theor. Appl. Fract. Mech. 2015, 75, 32–38. [Google Scholar] [CrossRef]
- Yan, X.; Miao, C. Interaction of multiple cracks in a rectangular plate. Appl. Math. Model. 2012, 36, 5727–5740. [Google Scholar] [CrossRef]
Disclaimer/Publisher’s Note: The statements, opinions and data contained in all publications are solely those of the individual author(s) and contributor(s) and not of MDPI and/or the editor(s). MDPI and/or the editor(s) disclaim responsibility for any injury to people or property resulting from any ideas, methods, instructions or products referred to in the content. |
© 2024 by the authors. Licensee MDPI, Basel, Switzerland. This article is an open access article distributed under the terms and conditions of the Creative Commons Attribution (CC BY) license (https://creativecommons.org/licenses/by/4.0/).


















