The Use of Graph Theory for Modeling and Analyzing the Structure of a Complex System, with the Example of an Industrial Grain Drying Line
Abstract
1. Introduction
- What types of treatment are required to obtain an end product with desirable attributes?
- What are the optimal process parameters for a selected algorithm of a technological process?
- Are raw materials of sufficiently high quality to obtain an end product with desirable attributes?
- Can raw materials can be used in a different and more productive manner?
- If numerous process algorithms are available, which algorithm should be applied?
- In what way will present decisions affect future process performance?
- Which long-term strategy will be more effective in achieving the defined objectives?
- The development of models describing various types of equipment and the structure of an industrial grain drying line;
- A formal validation of the modeled structure;
- The transformation of a general structural model into a set of relational models (alternative configurations of devices in process lines);
- A formal validation of relational models.
2. Analysis and Modeling of the Structure of an Industrial Grain Drying Line
2.1. Analysis of Technical Equipment
- Input devices that deliver grain to the processing line;
- Cleaning devices that remove impurities;
- Internal transport devices, including chain, bucket, belt and screw conveyors;
- Silos for storing grain before, during and after subsequent stages of drying;
- Batch dryers and continuous flow dryers that are the key components of every grain drying line;
- Control devices for controlling grain flow, configuring other line devices and, in some cases, controlling the volume of the grain stream;
- Output devices for handling dried grain, including grain packing machines and truck loading silos.
2.2. Components of the Structural Model
2.3. Limitations of the Structural Model
- Only one stream belonging to a given class can be present at an object’s input;
- Combined streams belonging to different classes can be divided only inside the object as a result of a given subprocess;
- Streams that belong to different classes and have a common beginning and end are analyzed jointly (for example, the grain dry matter stream, water stream and impurities stream represent moist and contaminated grain);
- Objects that are not connected with other objects via the grain dry matter stream or the air stream do not belong to the structural model (which implies that the corresponding devices cannot participate in the technological process);
- A group of objects connected by streams of a given class form a process line that can perform the described process only when the first and last link in the chain is represented by an object belonging to the environment or storage class.
2.4. Graphic Representation of the Structural Model
- when the j-th arc representing the k-th class of streams is not incident to the i-th vertex;
- when the i-th vertex is the end of the j-th arc representing the k-th class of streams;
- when the i-th vertex is the beginning of the j-th arc representing the k-th class of streams.
2.5. Formal Validation of the Graphic Representation of the Model
- If there exists vertex where , such that for every and every (i.e., the vertex is isolated), then this object does not belong to the model structure;
- Vertex represents a correctly modeled object (Table 1), if for , there exists , where and:
- (i.e., the vertex has one incoming arc and one outgoing arc) when vertex represents an object that does not belong to the dividers class;
- (i.e., the vertex has one incoming arc and at least two outgoing arcs) when vertex represents an object that belongs to the dividers class (—number of possible connections at divider output);
- The structural model correctly depicts the analyzed process line when for every , there exist values of , and where , and (i.e., the vertices and are connected by an arc);
- The structure of the modeled line supports the grain separation subprocess if there exists a value of , where (grain stream) and (impurities stream) satisfy the following conditions: and (i.e., the vertex for k = 2 has one incoming arc and two outgoing arcs);
- The structure of the modeled line supports the grain drying subprocess if there exists a value of , where (grain stream), (water stream) and (air stream) satisfy the following conditions: , and .
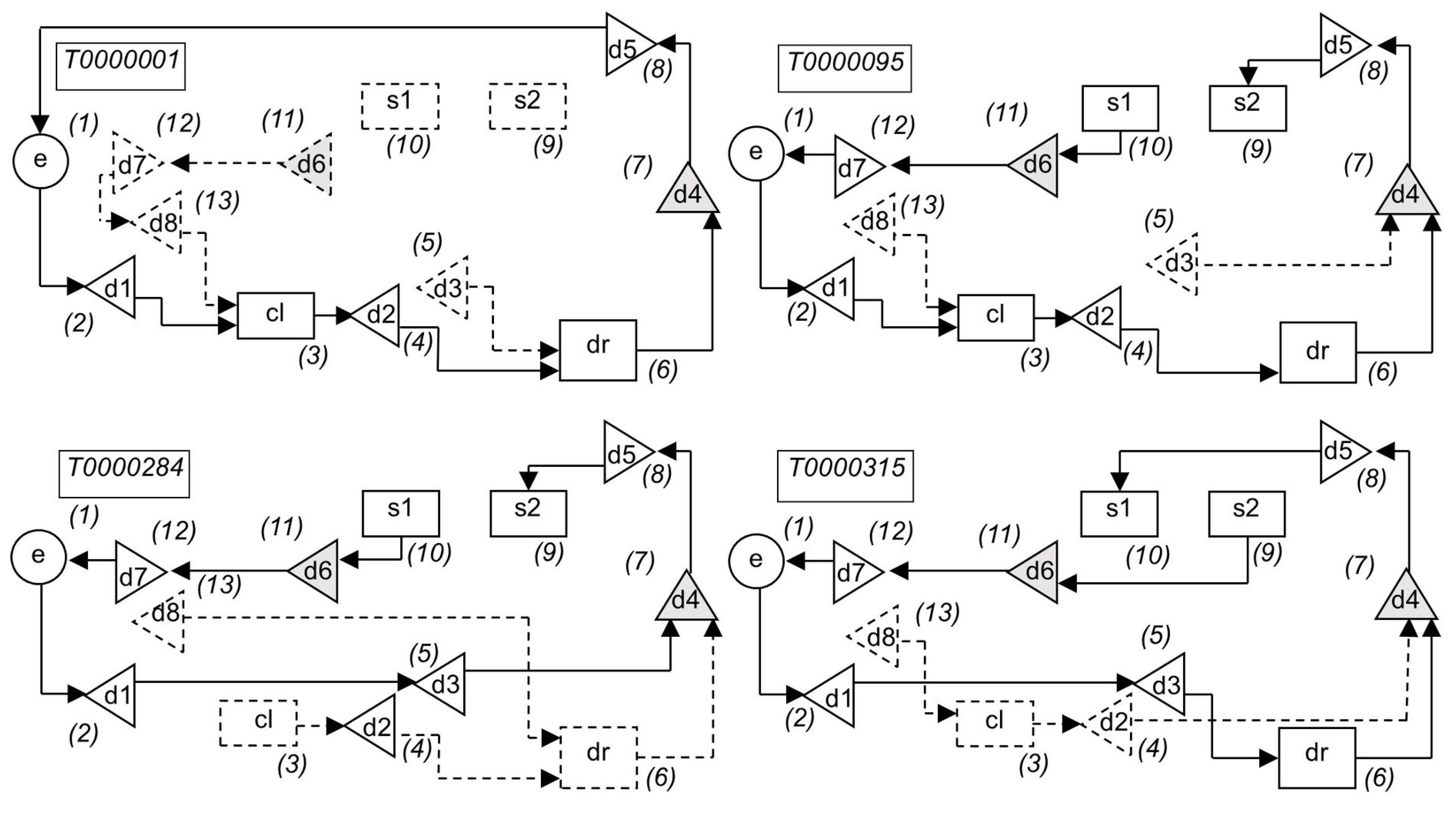
2.6. Projection of the Structural Model into a Set of Relational Models
- Calculate the number of relational models ;
- Project the structural model into a set of relational models;
- Review the set of objects and identify successive objects in the dividers class;
- Define the number of states for every i-th object in the dividers class;
- Divide the set of relational models into subsets, where at ;
- In each subsequent subset, in relational models belonging to a given subset, leave only one output of the i-th object that is related to its subsequent state, and eliminate the remaining outputs.
2.7. Elimination of Isomorphic Relational Models
- Compare the number of vertices in two graphs (the number of objects in two relational models)—if both graphs have the same number of vertices, proceed to step 2;
- Compare both lists of vertices—if they contain vertices with the same numbers, and if vertices have the same sequence, proceed to step 3;
- Compare incidence matrices—if the matrices are identical, mark the second relational model as isomorphic with the first model and remove it from the list of models.
2.8. Simplification of Relational Models and Graph Homeomorphism
- The parameters describing the state of the streams (Section 2.2) at the input and output of the i-th object do not change, or the changes do not significantly impact the objective of modeling;
- The device represented by the modeled object is not a bottleneck, i.e., its maximal throughput cannot be lower than the throughput of the next device in the process line;
- If one of the modeling objectives is to determine energy consumption in the technological process, only devices whose energy consumption does not significantly affect the overall energy balance can be omitted.
- They do not perform any subprocesses;
- They should not limit the throughput of other devices in a well-designed line;
- These devices are passive, have minimum energy requirements, and consume energy only during changes in state.
2.9. Simultaneous Processes and Graph Connectivity
2.10. Functionally Incorrect Processes
2.11. Connected Processes and Degree of the Subgraph of a Relational Model
- There exists more than one node with indegree 0 and outdegree 1 (only the outgoing arc is incident to the vertex);
- There exists exactly one node with outdegree 0 (only the incoming arc is incident to the vertex);
- The indegree of the graph is higher than 1 (there exists at least one vertex with indegree higher than 1 and outdegree equal to 1);
- These criteria are met by the first three layers of the incidence matrix (Section 2.4), i.e., objects connected by grain, impurities and water streams.
3. Exemplary Model of a Grain Drying Line
- Grain loading (1), preliminary cleaning (5) and transport to a silo (9);
- Grain unloading from a silo (10), drying (16) and transport to a silo (30);
- Grain unloading from a silo (31) and transport to a facility outside the processing line (1);
- Long-term storage of grain in a silo (32);
- Active aeration of grain (43) in a silo (33).
4. Grain Drying Line—Implementation
5. Conclusions
Author Contributions
Funding
Data Availability Statement
Conflicts of Interest
References
- Awrejcewicz, J. Matematyczne Modelowanie Systemów; Wydawnictwa Naukowo-Techniczne: Warszawa, Poland, 2007. (In Polish) [Google Scholar]
- Baxter, G.; Sommerville, I. Socio-Technical Systems: From Design Methods to Systems Engineering. Interact. Comput. 2011, 23, 4–17. [Google Scholar] [CrossRef]
- Bolta, L. Socio Technical Systems of a Company: The Dimensionaality of Socio Technical Systems. Purshartha 2018, 11, 24–38. [Google Scholar]
- Sychugov, A.A. Monitoring and Diagnostics of Technological Processes with the Possibility of Dynamic Selection of Variables. IOP Conf. Ser. Mater. Sci. Eng. 2020, 971, 022069. [Google Scholar] [CrossRef]
- Gutenbaum, J. Modelowanie Matematyczne Systemów; Akademicka Oficyna Wydawnicza EXIT: Warszawa, Poland, 2003. (In Polish) [Google Scholar]
- Findeisen, W. Struktury Sterowania dla Złożonych Systemów; Oficyna Wydawnicza Politechniki Warszawskiej: Warszawa, Poland, 1997. (In Polish) [Google Scholar]
- Savory, P.; Mackulak, G.T. The Science of Simulation Modeling. In International Conference on Simulation in Engineering Education (ICSEE ‘94), Proceedings of the 1994 Western Multiconference, Radisson Tempe Mission Palms Hotel, Tempe, AZ, USA, 24–26 January 1994; Knadler, C.E., Vakilzadian, H., Jr., Eds.; Society for Computer Simulation: San Diego, CA, USA, 1994; pp. 115–119. [Google Scholar]
- Taghikhah, F.; Voinov, A.; Shukla, N.; Filatova, T.; Anufriev, M. Integrated Modeling of Extended Agro-Food Supply Chains: A Systems Approach. Eur. J. Oper. Res. 2020, 288, 852–868. [Google Scholar] [CrossRef] [PubMed]
- Lombardozzi, D.L.; Lu, Y.; Lawrence, P.J.; Lawrence, D.M.; Swenson, S.; Oleson, K.W.; Wieder, W.R.; Ainsworth, E.A. Simulating Agriculture in the Community Land Model Version 5. J. Geophys. Res. Biogeosci. 2020, 125, e2019JG005529. [Google Scholar] [CrossRef]
- Bucklin, R.; Thompson, S.; Montross, M.; Abdel-Hadi, A. 6—Grain Storage Systems Design. In Handbook of Farm, Dairy and Food Machinery Engineering; Kutz, M., Ed.; Academic Press: Cambridge, MA, USA, 2019; pp. 175–223. [Google Scholar] [CrossRef]
- Paulsen, M.R.; Odekirk, W.L. Guide to Planning Grain Drying, Handling, and Storage Systems. Appl. Eng. Agric. 2000, 16, 513–525. [Google Scholar] [CrossRef]
- Ziegler, V.; Paraginski, R.T.; Ferreira, C.D. Grain Storage Systems and Effects of Moisture, Temperature and Time on Grain Quality—A Review. J. Stored Prod. Res. 2021, 91, 101770. [Google Scholar] [CrossRef]
- Moses, J.A.; Jayas, D.S.; Alagusundaram, K. Climate Change and its Implications on Stored Food Grains. Agric. Res. 2015, 4, 21–30. [Google Scholar] [CrossRef]
- Bala, B.K. Drying and Storage of Cereal Grains, 2nd ed.; Wiley Blackwell: Chichester, UK, 2017. [Google Scholar]
- Fleurat-Lessard, F. Postharvest Operations for Quality Preservation of Stored Grain. In Encyclopedia of Food Grains, 2nd ed.; Wrigley, C., Corke, H., Seetharaman, K., Faubion, J., Eds.; Academic Press: Cambridge, MA, USA, 2015; Volume 4, pp. 117–125. [Google Scholar] [CrossRef]
- Amantéa, R.P.; Fortes, M.; Ferreira, W.R.; Santos, G.T. Energy and Exergy Efficiencies as Design Criteria for Grain Dryers. Dry. Technol. 2018, 36, 491–507. [Google Scholar] [CrossRef]
- Amantéa, R.P.; Fortes, M.; Martins, J.H.; Ferreira, W.R. Numerical Simulation Techniques for Optimizing Thermodynamic Efficiencies of Cereal Grain Dryers. Dry. Technol. 2013, 31, 672–683. [Google Scholar] [CrossRef]
- Ebrahimifakhar, A.; Yuill, D. Inverse Estimation of Thermophysical Properties and Initial Moisture Content of Cereal Grains During Deep-Bed Grain Drying. Biosyst. Eng. 2020, 196, 97–111. [Google Scholar] [CrossRef]
- Jokiniemi, H.T.; Ahokas, J.M. Drying Process Optimisation in a Mixed-Flow Batch Grain Dryer. Biosyst. Eng. 2014, 121, 209–220. [Google Scholar] [CrossRef]
- Lewis, M.A.; Trabelsi, S.; Nelson, S.O. Development of an Eighth-Scale Grain Drying System with Real-Time Microwave Monitoring of Moisture Content. Appl. Eng. Agric. 2019, 35, 767–774. [Google Scholar] [CrossRef]
- Vitázek, I.; Havelka, J. Drying Medium—Modelling and Process Evaluation. Res. Agric. Eng. 2011, 57, S24–S29. [Google Scholar] [CrossRef]
- Zhang, L.; Cui, H.; Li, H.; Han, F.; Zhang, Y.; Wu, W. Parameters Online Detection and Model Predictive Control during the Grain Drying Process. Math. Probl. Eng. 2013, 2013, 924698. [Google Scholar] [CrossRef]
- Bottari, A.; Braccia, L. Optimal Control Structure Selection Based on Economics for Continuous Cross-Flow Grain Dryer. Dry. Technol. 2023, 41, 1605–1619. [Google Scholar] [CrossRef]
- Berezina, T.S.; Vlasenko, G.P. Modelling Grain Active Ventilation Process in the Silos. J. Phys. Conf. Ser. 2020, 1565, 012058. [Google Scholar] [CrossRef]
- Hammami, F.; Ben Mabrouk, S.; Mami, A. Modelling and Simulation of Heat Exchange and Moisture Content in a Cereal Storage Silo. Math. Comput. Model. Dyn. Syst. 2016, 22, 207–220. [Google Scholar] [CrossRef]
- Myhan, R. Airflow Modeling in a Grain Silo. Tech. Sci. 2009, 12, 17–28. [Google Scholar] [CrossRef]
- Olorunfemi, B.J.; Adekunle, A.A.; Adejuyigbe, S.B. Computer Aided Grain Aeration Management: An Antidote to Grain Deterioration in Metal Silo. FUOYE J. Eng. Technol. 2016, 1, 83–89. [Google Scholar] [CrossRef]
- Pekmez, H. Cereal Storage Techniques: A Review. J. Agric. Sci. Technol. B 2016, 6, 67–71. [Google Scholar] [CrossRef]
- Coradi, P.C.; Lemes, Â.F.C.; Müller, A.; Jaques, L.B.A.; Dubal, Í.T.P.; Bilhalva, N.D.S.; Teodoro, P.E.; Steinhaus, J.I.; Maier, D.E. Silo–Dryer–Aerator in Fixed and Thick Layer Conceptualized for High Quality of Grains Applied in Different Social Scales Post-Harvest: Modeling and Validation. Dry. Technol. 2022, 40, 1369–1394. [Google Scholar] [CrossRef]
- Jian, F.; Liu, J.; Jayas, D.S. A New Mathematical Model to Simulate Sorption, Desorption and Hysteresis of Stored Canola during Aeration. Dry. Technol. 2020, 38, 2190–2201. [Google Scholar] [CrossRef]
- Holzworth, D.P.; Snow, V.; Janssen, S.; Athanasiadis, I.N.; Donatelli, M.; Hoogenboom, G.; White, J.W.; Thorburn, P. Agricultural Production Systems Modelling and Software: Current Status and Future Prospects. Environ. Model. Softw. 2015, 72, 276–286. [Google Scholar] [CrossRef]
- Martin-Clouaire, R. Modelling Operational Decision-Making in Agriculture. Agric. Sci. 2017, 8, 527–544. [Google Scholar] [CrossRef]
- Walters, J.A.; Archer, D.W.; Sassenrath, G.F.; Hendrickson, J.R.; Hanson, J.D.; Halloran, J.M.; Vadas, P.; Alarcon, V.J. Exploring Agricultural Production Systems and Their Fundamental Components with System Dynamics Modeling. Ecol. Model. 2016, 333, 51–65. [Google Scholar] [CrossRef]
- Panigrahi, S.S.; Singh, C.B.; Fielke, J.; Zare, D. Modeling of Heat and Mass Transfer within the Grain Storage Ecosystem Using Numerical Methods: A Review. Dry. Technol. 2020, 38, 1677–1697. [Google Scholar] [CrossRef]
- Yuan, Y.; Tan, L.; Zhao, Z.; Xu, Y.; Zhao, Y.; Yuan, Y. Multiscale and Multilayer Structural Modeling and Simulation on Drying of Grain Packing Porous Media. Dry. Technol. 2016, 34, 1664–1676. [Google Scholar] [CrossRef]
- Panigrahi, S.S.; Singh, C.B.; Fielke, J. A 3D Transient CFD Model to Predict Heat and Moisture Transfer in On-Farm Stored Grain Silo through Parallel Computing Using Compiler Directives: Impact of Discretization Methods on Solution Efficacy. Dry. Technol. 2023, 41, 1133–1147. [Google Scholar] [CrossRef]
- Jachimczyk, E.; Myhan, R. Generation of Alternative Methods for Managing Raw Materials to Support Decision-Making in the Dairy Industry. Food Bioprod. Process. 2022, 133, 140–152. [Google Scholar] [CrossRef]
- Myhan, R. Analysis and Modeling of Complex Agricultural Systems and Technological Processes; Rozprawy i Monografie, Uniwersytet Warmińsko-Mazurski w Olsztynie: Olsztyn, Poland, 2009. (In Polish) [Google Scholar]
- Castelletti, F. Bayesian Model Selection of Gaussian Directed Acyclic Graph Structures. Int. Stat. Rev. 2020, 88, 752–775. [Google Scholar] [CrossRef]
- Docherty, S.; Pym, D. Intuitionistic Layered Graph Logic: Semantics and Proof Theory. Log. Methods Comput. Sci. 2018, 14, 11. [Google Scholar] [CrossRef]
- Pasotti, S.; Zizioli, E. Loops, Regular Permutation Sets and Colourings of Directed Graphs. J. Geom. 2015, 106, 35–45. [Google Scholar] [CrossRef]
- Kotenko, A.P.; Dokuchaev, A.V. Recovery of Directed Graphs from the Matrix of Peaks Neighborhood. CEUR Workshop Proc. 2015, 1490, 406–413. [Google Scholar] [CrossRef]
- Li, J. The Determinant of a Unicyclic Graph’s Neighborhood Matrix. Linear Algebra Appl. 2005, 394, 201–216. [Google Scholar] [CrossRef][Green Version]
- Pintea, C.-M.; Pop, P.C.; Chira, C. The Generalized Traveling Salesman Problem Solved with Ant Algorithms. Complex Adapt. Syst. Model. 2017, 5, 8. [Google Scholar] [CrossRef]
- Vatutin, E. Comparison of Decisions Quality of Heuristic Methods with Limited Depth-First Search Techniques in the Graph Shortest Path Problem. Open Eng. 2017, 7, 428–434. [Google Scholar] [CrossRef]
- Wilson, R.J. Introduction to Graph Theory, 5th ed.; Pearson: London, UK, 2010. [Google Scholar]
- Grossman, P. Introduction to Graph Theory. In Discrete Mathematics for Computing; Grossman, P., Ed.; Palgrave: London, UK, 1995; pp. 170–196. [Google Scholar] [CrossRef]
- Gouveia, M.R.A.; Llibre, J. A Survey on the Set of Periods of the Graph Homeomorphisms. Qual. Theory Dyn. Syst. 2015, 14, 39–50. [Google Scholar] [CrossRef]
- Nikolopoulos, S.D.; Palios, L. On the Parallel Computation of the Biconnected and Strongly Connected Co-Components of Graphs. Discret. Appl. Math. 2007, 155, 1858–1877. [Google Scholar] [CrossRef][Green Version]
- Li, D.; Lai, H.-J.; Zhan, M. Eulerian Subgraphs and Hamilton-Connected Line Graphs. Discret. Appl. Math. 2005, 145, 422–428. [Google Scholar] [CrossRef][Green Version]
- Betzler, N.; Bodlaender, H.L.; Bredereck, R.; Niedermeier, R.; Uhlmann, J. On Making a Distinguished Vertex of Minimum Degree by Vertex Deletion. Algorithmica 2014, 68, 715–738. [Google Scholar] [CrossRef]














| Grain Dry Matter Stream (k = 1) | ∑ | Object | ||||||||||||||
|---|---|---|---|---|---|---|---|---|---|---|---|---|---|---|---|---|
| 1 | 2 | 3 | 4 | 5 | 6 | 7 | 8 | 9 | 10 | 11 | 12 | 13 | ||||
| Vertex | 1 | 1 | −1 | 0 | Environment | |||||||||||
| 2 | 1 | −1 | −1 | −1 | Divider (selection at output) | |||||||||||
| 3 | 1 | −1 | 0 | Cleaner | ||||||||||||
| 4 | 1 | −1 | −1 | −1 | Divider (selection at output) | |||||||||||
| 5 | 1 | −1 | −1 | −1 | Divider (selection at output) | |||||||||||
| 6 | 1 | −1 | 0 | Dryer | ||||||||||||
| 7 | 1 | −1 | 0 | Divider (selection at input) | ||||||||||||
| 8 | −1 | 1 | −1 | −1 | −2 | Divider (selection at output) | ||||||||||
| 9 | 1 | −1 | 0 | Storage | ||||||||||||
| 10 | 1 | −1 | 0 | Storage | ||||||||||||
| 11 | 1 | −1 | 0 | Divider (selection at input) | ||||||||||||
| 12 | −1 | 1 | −1 | −1 | Divider (selection at output) | |||||||||||
| 13 | −1 | −1 | 1 | −1 | Divider (selection at output) | |||||||||||
Disclaimer/Publisher’s Note: The statements, opinions and data contained in all publications are solely those of the individual author(s) and contributor(s) and not of MDPI and/or the editor(s). MDPI and/or the editor(s) disclaim responsibility for any injury to people or property resulting from any ideas, methods, instructions or products referred to in the content. |
© 2023 by the authors. Licensee MDPI, Basel, Switzerland. This article is an open access article distributed under the terms and conditions of the Creative Commons Attribution (CC BY) license (https://creativecommons.org/licenses/by/4.0/).
Share and Cite
Myhan, R.; Jachimczyk, E.; Markowski, M. The Use of Graph Theory for Modeling and Analyzing the Structure of a Complex System, with the Example of an Industrial Grain Drying Line. Processes 2023, 11, 2812. https://doi.org/10.3390/pr11102812
Myhan R, Jachimczyk E, Markowski M. The Use of Graph Theory for Modeling and Analyzing the Structure of a Complex System, with the Example of an Industrial Grain Drying Line. Processes. 2023; 11(10):2812. https://doi.org/10.3390/pr11102812
Chicago/Turabian StyleMyhan, Ryszard, Ewelina Jachimczyk, and Marek Markowski. 2023. "The Use of Graph Theory for Modeling and Analyzing the Structure of a Complex System, with the Example of an Industrial Grain Drying Line" Processes 11, no. 10: 2812. https://doi.org/10.3390/pr11102812
APA StyleMyhan, R., Jachimczyk, E., & Markowski, M. (2023). The Use of Graph Theory for Modeling and Analyzing the Structure of a Complex System, with the Example of an Industrial Grain Drying Line. Processes, 11(10), 2812. https://doi.org/10.3390/pr11102812

