Creep Characteristics and Creep Model of Coal Based on Pore Water Pressure
Abstract
1. Introduction
2. Materials and Methods
2.1. Specimen Preparation
2.2. Testing Equipment
2.3. Test Methods
3. Analysis of Test Results
3.1. Creep Deformation Analysis under Different Conditions
3.2. Creep Curve Analysis under Different Stress Levels
- (1)
- With the increase in stress (the increase in stress grading), the strain difference of specimens with different porosity intervals gradually decreased compared to the previous grading during stress loading. The strain value of the specimen ceased increasing at the start of the first stage of loading, and the total strain variable of the specimen was around 2.5 × 10−3, using the specimen with a porosity interval of 5–10% as an example. At the end of the second stage of loading, the total strain variable of the specimen was about 4.5 × 10−3. When the third stage of loading was completed, the value was about 5.7 × 10−3. The total strain difference of each grade was 2.0 × 10−3 and 1.2 × 10−3, respectively. In addition, the strain difference between other porosity interval samples is also consistent with this rule.
- (2)
- In the first, second, and third stage loading process, the deformation of the specimen with larger porosity is larger. The deformation of the specimen with porosity of 5~10%, 10~15%, and 15~20% in the first stage loading process is 0.4 × 10−3, 0.5 × 10−3, and 0.6 × 10−3, respectively. In the second graded loading operation, the deformation of the specimens with various porosities was 0.2 × 10−3, 0.3 × 10−3, and 0.4 × 10−3, respectively. After the first and second graded creep process was completed, the deformation of the specimens with different porosity had little relative change, and the specimens with smaller porosity had more grades. The specimens with porosity of 5–10%, 10–15%, and 15–20% were damaged in the fifth and fourth grades, respectively.
- (3)
- With an increase in loading grade, the duration of the deceleration creep stage of each grade gradually decreased for specimens with varying porosities. The porosity interval was 5–10%, and the duration of deceleration creep from the first to the fifth grade was 6 h, 4 h, 3 h, 2 h, and 1.2 h, respectively.
- (1)
- With the increase in the porosity of the specimen, the instantaneous strain of the specimen gradually increases at the initial stress loading stage (the stress level is low). The porosity interval of the specimen is 5–10%, 10–15%, and 15–20%, respectively, and the instantaneous strain of the specimen is 2.5 × 10−3, 3.3 × 10−3, and 3.7 × 10−3 during the first-grade stress loading process, respectively.
- (2)
- The specimen’s distortion gradually reduces when the stress level is raised. Additionally, as with the uniaxial creep test procedure, the instantaneous stress variable of the specimen steadily decreases as the stress level rises. The fundamental cause is that as the force level is increased, the specimen gradually contracts, making deformation difficult to occur.
3.3. Accelerated Creep Phase Analysis
3.3.1. Rate Analysis of Accelerated Creep Phase in a Uniaxial Creep Test
3.3.2. Effect of Porosity on Creep Rate under Pore Water Pressure
3.3.3. Effect of Porosity on Creep Rate
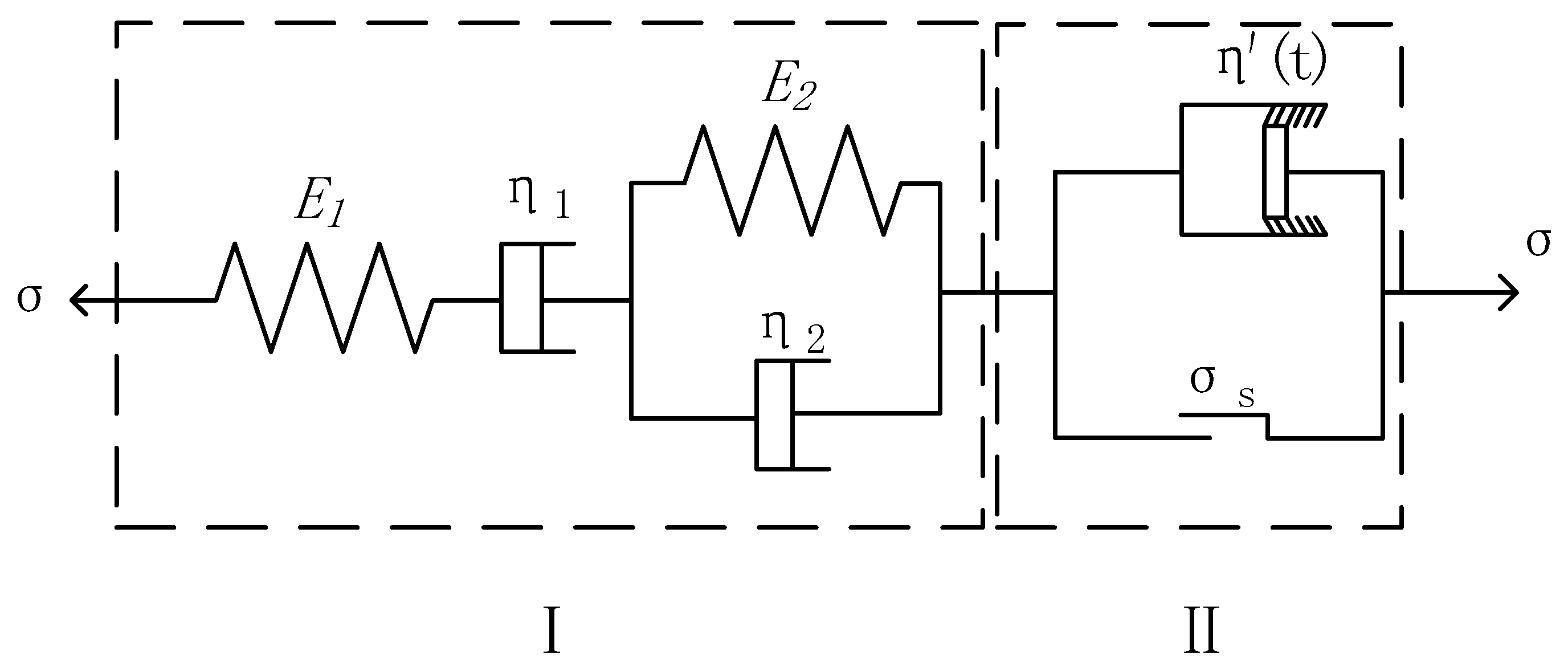
4. Creep Constitutive Model of Coal Rock under Pore Water Pressure
4.1. Deformation Mechanism of Porous Media
4.2. Creep Constitutive Models of Coal and Rock with Different Porosity under Pore Water Pressure
- (1)
- When the creep model is shown in Part I, the constitutive model will return to the Burger model, and the equation of the creep model is the following:
- (2)
- When part II is involved in the model, the model is the integration of part I and part II, and the equation of part II creep model is as follows:
4.3. Analysis of the Applicability of the New Model to Specimens with Specific Porosity
- (1)
- According to the observation of the curves, the specimens with porosity interval of 10~15% are nearly identical with the curves of the test data under the three stress loading levels of 2 MPa, 4 MPa, and 6 MPa, indicating that the model can well describe the creep characteristics of coal mass.
- (2)
- By analysing the fitting parameters of the model under the first three loading levels, it is found that the correlation coefficients of model parameter identification under the first three loading levels are all above 0.99, which verifies the correctness of the model at this stage and shows that the model can well describe the creep characteristics of coal samples with porosity interval of 10~15%.
- (3)
- When the loading stress reaches 8 MPa, with the increase of creep time, the coal and rock specimens transition from the deceleration creep stage at the beginning of loading to accelerated creep after 3 h. The fitting curve is consistent with the test curve when the stress is loaded to 8 MPa (the fourth stage loading), indicating that the established creep model can accurately describe the accelerated creep process of the specimen.
- (4)
- (It can be seen from Figure 15 and Figure 16 that the fitting curves of coal and rock specimens with porosity intervals of 5–10% and 15–20% are almost identical with the creep curves under different loading stages of the test, indicating that the theoretical values of the creep equation derived from the creep model are consistent with the data obtained from the test.
- (5)
- According to the tables, the correlation of coal creep parameters identification is strong, with all values greater than 0.93. When applied to different grades in different porosity intervals, the fitting accuracy is high, and the correlation coefficients of model parameters are close to one, indicating that the model is applicable to coal samples of varying porosity.
5. Conclusions
- (1)
- It is obvious how porosity influences a specimen’s strength. As porosity increases, specimen strength gradually decreases. When the porosity of specimens increases from 5–10% to 10–15% and 15–20%, the uniaxial compressive strength decreases by 9.6% and 22.3%, respectively.
- (2)
- Porosity has an impact on the instantaneous strain value of specific materials, according to a uniaxial creep test. For samples with porosity ranges of 5–10%, 10–15%, and 15–20%, the corresponding instantaneous strain values are 2.2 × 10–3, 2.7 × 10–3, and 3.1 × 10–3, respectively. It is possible to conclude that as porosity increases, so does the instantaneous strain of species in different porosity intervals. This is primarily due to the fact that the pores of the specimen gradually become compact during the initial stress loading, and the greater the porosity, the more pronounced the deformation. However, as the loading stage increased, the compression phenomenon subsided.
- (3)
- At all stress loading levels, there are deceleration creep stages, steady creep stages, and accelerated creep stages at the last stress level where failure happens. Additionally, when the loading grading increases, the deformation of the specimens gradually reduces, just as it did in the uniaxial creep experiment with specimens of various porosities.
- (4)
- With increased porosity and pore water pressure, the time for specimens to enter the accelerated creep stage of stress loading in the failure stage is gradually shortened. The time for specimens to enter the accelerated creep stage from the deceleration creep stage is also shortened, according to the analysis of the creep rate in the accelerated creep stage under various conditions.
- (5)
- To more accurately represent the accelerated creep stage, a new mechanical component is added to the conventional Newtonian body. The creep constitutive model, which can accurately represent the creep characteristics of coal samples with variable pore water pressure and porosity, is developed in sequence with the traditional Burgers model. After performing a regression analysis and determining the parameters of the creep model, the creep parameters for the new constitutive model are acquired. The application of the model is confirmed, and it is found that the model accurately depicts the creep characteristics of specimens in different porosity zones under pore water pressure.
Author Contributions
Funding
Data Availability Statement
Conflicts of Interest
References
- Yang, H.W.; Xu, J.; Peng, S.J.; Nie, W. Study of sandstone creep characteristics under stepwise loading pore water pressures. Rock Soil Mech. 2015, 36, 365–370. (In Chinese) [Google Scholar]
- Huang, P.; Zhang, J.X.; Damascene, N.J.; Dong, C.W.; Wang, Z.J. A fractional order viscoelastic-plastic creep model for coal sample considering initial damage accumulation. Alex. Eng. J. 2021, 60, 3921–3930. [Google Scholar] [CrossRef]
- Huang, P.; Zhang, J.X.; Spearing, A.J.S.; Chai, J.; Dong, C.W. Experimental study of the creep properties of coal considering initial damage. Int. J. Rock Mech. Min. Sci. 2021, 139, 1365–1609. [Google Scholar] [CrossRef]
- Zhang, T.J.; Ling, Z.Q.; Pang, M.K.; Meng, Y.K. Experimental Study of Creep Acoustic Emission Characteristics of Coal Bodies around Boreholes under Different Moisture Contents. Energies 2021, 14, 3103. [Google Scholar] [CrossRef]
- Liu, D.Y.; Jiang, H.F.; Li, D.S.; Zhao, Y.B. Creep properties of rock under high confining pressure and high water pore pressure. J. Cent. South Univ. 2014, 45, 1916–1923. (In Chinese) [Google Scholar]
- Song, J.F.; Lu, C.P.; Zhan, Z.W.; Cui, H.F.; Wang, Y.P.; Wang, J.H. Numerical and Field Investigations of Acoustic Emission Laws of Coal Fracture under Hydro-Mechanical Coupling Loading. Materials 2022, 15, 6510. [Google Scholar] [CrossRef]
- Ma, H.F.; Wang, L.J.; Niu, X.G.; Yao, F.F.; Zhang, K.X.; Chang, J.C.; Li, Y.M.; Li, C.M.; Hu, Z.X. Mechanical Characteristics of Coal and Rock in Mining under Thermal-Hydraulic-Mechanical Coupling and Dynamic Disaster Control. Math. Probl. Eng. 2021, 2021, 9991425. [Google Scholar] [CrossRef]
- Jie, J.; Wang, D.; Suo, Z.; Xu, Y.; Xu, S.F. Study on direct coal liquefaction residue influence on mechanical properties of flexible pavement. Int. J. Pavement Res. Technol. 2018, 11, 355–362. [Google Scholar] [CrossRef]
- Chen, M.; Hosking, L.J.; Sandford, R.J.; Thomas, H.R. Dual porosity modeling of the coupled mechanical response of coal to gas flow and adsorption. Int. J. Coal Geol. 2019, 205, 115–125. [Google Scholar] [CrossRef]
- Zhang, Z.L.; Xu, W.Y.; Wang, W. Triaxial creep tests of rock from the compressive zone of dam foundation in Xiangjiaba Hydropower Station. Int. J. Rock Mech. Min. Sci. 2012, 50, 133–139. [Google Scholar] [CrossRef]
- Yuan, Y.; Liu, Z.H.; Zhu, C.; Yuan, C.F.; Wang, S.Z. The effect of burnt rock on inclined shaft in shallow coal seam and its control technology. Energy Sci. Eng. 2019, 7, 1882–1895. [Google Scholar] [CrossRef]
- Danesh, N.N.; Chen, Z.W.; Connell, L.D.; Connell, L.D.; Kizil, M.S.; Pan, Z.; Aminossadati, S.M. Characterisation of creep in coal and its impact on permeability: An experimental study. Int. J. Coal Geol. 2017, 173, 200–211. [Google Scholar] [CrossRef]
- Chen, W.Z.; Lu, C.; Yu, H.D.; Li, F.F.; Lei, J.; Ma, Y.S.; Li, H.H. Progress in long-term mechanical properties of clay rocks under thermo-hydro-mechanical coupling conditions. Chin. J. Rock Mech. Eng. 2021, 40, 233–247. (In Chinese) [Google Scholar]
- Yuan, Y.; Zuo, L.; Chen, Z.S.; Meng, G.C.; Yan, C.L.; Gong, Z.X. Improvement of coalbed methane recovery rate by carbon dioxide phase transition blast fracturing. Energy Sources Part A Recovery Util. Environ. Eff. 2022, 44, 3659–3672. [Google Scholar] [CrossRef]
- Huang, X.W.; Guo, J.; Li, K.Q.; Wang, Z.Z.; Wang, W. Predicting the thermal conductivity of unsaturated soils considering wetting behavior: A meso-scale study. Int. J. Heat Mass Transf. 2023, 204, 123853. [Google Scholar] [CrossRef]
- Zhou, R.H.; Cheng, H.; Cai, H.B.; Wang, X.J.; Guo, L.H. Creep characteristics and creep model of siltstone under triaxial compression and graded unloading. Chin. J. Rock Mech. Eng. 2022, 41, 1136–1147. [Google Scholar]
- Jiang, Y.Z.; Zhang, M.M.; Li, L.Q. Study on Nonlinear Viscoelasto-plastic Creep Model of Rock And Its Parameter Identification. Chin. J. Rock Mech. Eng. 2008, 27, 832–839. (In Chinese) [Google Scholar]
- Shu, Z.L.; Liu, B.X.; Huang, S.; Wei, Y.H.; Zhao, B.Y. Nonlinear viscoelasto-plastic creep model of soft rock and its parameters identification. J. Min. Saf. Eng. 2017, 34, 803–809. (In Chinese) [Google Scholar]
- Li, B.; Liu, C.W.; Xie, H.; Liu, D.F.; Wang, C.; Zhou, J.L. Experimental Study on the Creep Characteristics of Sandstone Under Water Pressure Environment. Adv. Eng. Sci. 2017, 49, 119–124. (In Chinese) [Google Scholar]
- Hu, X.J.; Bian, K.; Liu, J.; Li, B.Y.; Chen, M. Discrete element simulation study on the influence of microstructure heterogeneity on the creep characteristics of granite. Chin. J. Rock Mech. Eng. 2019, 38, 2069–2083. (In Chinese) [Google Scholar]
- Zhang, Q.Y.; Zhang, L.Y.; Xiang, W.; Jiang, L.Y.; Ding, Y.Z. Triaxial creep test of gneissic granite considering thermal effect. Rock Soil Mech. 2017, 38, 2507–2514. (In Chinese) [Google Scholar]
- Zhou, C.Y.; Deng, Y.M.; Tan, X.S.; Liu, Z.Q.; Shang, W.; Zhan, S. Experimental Research on The softening of Mechanical Properties of saturated soft rocks and application. Chin. J. Rock Mech. Eng. 2005, 24, 33–38. (In Chinese) [Google Scholar]
- Jiang, Y.Z.; Wang, B.; Wang, R.H.; Lu, B.; Li, C.; Zhu, J.B. Study on viscoelastic-plastic creep model of rock based on strain yield threshold. J. Yangtze River Sci. Res. Inst. 2017, 34, 89–95. (In Chinese) [Google Scholar]
- Sha, Z.H.; Pu, H.; Li, M.; Cao, L.L.; Liu, D.; Ni, H.Y.; Lu, J.F. Experimental study on the creep characteristics of coal measures sandstone under seepage action. Processes 2018, 6, 110. [Google Scholar] [CrossRef]
- Kang, J.H.; Zhou, F.B.; Liu, C.; Liu, Y.K. A fractional non-linear creep model for coal considering damage effect and experimental validation. Int. J. Non-Linear Mech. 2015, 76, 20–28. [Google Scholar] [CrossRef]
- Li, X.B.; Liu, X.S.; Tan, Y.L.; Ma, Q.; Wu, B.Y.; Wang, H.L. Creep constitutive model and numerical realization of coal-rock combination deteriorated by immersion. Minerals 2022, 12, 292. [Google Scholar] [CrossRef]
- Yang, S.Q.; Xu, P.; Ranjith, P.G. Damage model of coal under creep and triaxial compression. Int. J. Rock Mech. Min. Sci. 2015, 80, 337–345. [Google Scholar] [CrossRef]
- Du, F.; Wang, K.; Zhang, X.; Xin, C.P.; Shu, L.Y.; Wang, G.D. Experimental Study of Coal–Gas Outburst: Insights from Coal–Rock Structure, Gas Pressure and Adsorptivity. Nat. Resour. Res. 2020, 29, 2481–2493. [Google Scholar] [CrossRef]
- Sun, Q.; Li, B.; Cai, C.; Xia, Y.J. Creep properties of geopolymer cemented coal gangue-fly ash backfill under dynamic disturbance. Constr. Build. Mater. 2018, 191, 644–654. [Google Scholar] [CrossRef]
- Xue, D.J.; Zhou, J.; Liu, Y.T.; Gao, L. On the excavation-induced stress drop in damaged coal considering a coupled yield and failure criterion. Int. J. Coal Sci. Technol. 2020, 7, 58–67. [Google Scholar] [CrossRef]
- Tu, Q.Y.; Cheng, Y.P.; Xue, S.; Ren, T.; Cheng, X. Energy-limiting factor for coal and gas outburst occurrence in intact coal seam. Int. J. Min. Sci. Technol. 2021, 31, 729–742. [Google Scholar] [CrossRef]
- Zhang, Z.; Guo, Q.; Liu, W. Evaluation of Long-Term Tightness of the Coal Pillar Dam of Underground Reservoir and Protection Countermeasures. Energies 2022, 15, 7229. [Google Scholar] [CrossRef]
- Huang, X.; Yao, Z.; Cai, H.; Li, X.; Chen, H. Performance evaluation of coaxial borehole heat exchangers considering ground non-uniformity based on analytical solutions. Int. J. Therm. Sci. 2021, 170, 107162. [Google Scholar] [CrossRef]
- Guo, Y.; Zheng, X.G.; Guo, G.Y.; Zhao, Q.F.; Zhou, W.; An, T.L. Study on deformation failure and control of surrounding rock in soft rock roadway in close range coal seam with overhead mining. J. Min. Saf. Eng. 2018, 35, 1142–1149. [Google Scholar]


















| R2 | |||||
|---|---|---|---|---|---|
| 2 | 0.0013 | 0.0018 | 3.98 × 10−7 | 7.013 | 0.9903 | 
| 4 | 0.0032 | 0.0026 | 2.25 × 10−7 | 12.985 | 0.9985 | 
| 6 | 0.0065 | 0.0035 | 1.26 × 10−7 | 18.976 | 0.9632 | 
| 8 | 0.0083 | 0.0043 | 9.85 × 10−7 | 19.534 | 0.9565 | 
| E1 | E2 | η1 | η2 | R2 | |
|---|---|---|---|---|---|
| 2 | 1538.46 | 1111.11 | 5.03 × 106 | 158.44 | 0.9335 | 
| 4 | 1250 | 1538.46 | 1.78 × 107 | 118.48 | 0.9658 | 
| 6 | 923.07 | 1714.29 | 4.76 × 107 | 90.34 | 0.9532 | 
| 8 | 963.85 | 1860.47 | 8.12 × 107 | 95.24 | 0.9415 | 
| R2 | ||||||||
|---|---|---|---|---|---|---|---|---|
| 0.052 | 4.12 × 10−3 | 0.352 | 15.32 | 156.32 | 0.052 | 9.325 | 0.128 | 0.9403 | 
| E1 | E2 | η1 | η2 | η0 | A | B | C | R2 | 
|---|---|---|---|---|---|---|---|---|
| 192.31 | 2427.18 | 28.41 | 965.87 | 734.28 | 0.0026 | 5.18 | 0.03 | 0.9512 | 
| Disclaimer/Publisher’s Note: The statements, opinions and data contained in all publications are solely those of the individual author(s) and contributor(s) and not of MDPI and/or the editor(s). MDPI and/or the editor(s) disclaim responsibility for any injury to people or property resulting from any ideas, methods, instructions or products referred to in the content. | 
© 2023 by the authors. Licensee MDPI, Basel, Switzerland. This article is an open access article distributed under the terms and conditions of the Creative Commons Attribution (CC BY) license (https://creativecommons.org/licenses/by/4.0/).
Share and Cite
Zhang, F.; Zhang, D.; Huang, S. Creep Characteristics and Creep Model of Coal Based on Pore Water Pressure. Processes 2023, 11, 638. https://doi.org/10.3390/pr11020638
Zhang F, Zhang D, Huang S. Creep Characteristics and Creep Model of Coal Based on Pore Water Pressure. Processes. 2023; 11(2):638. https://doi.org/10.3390/pr11020638
Chicago/Turabian StyleZhang, Fumin, Dongfeng Zhang, and Shunjie Huang. 2023. "Creep Characteristics and Creep Model of Coal Based on Pore Water Pressure" Processes 11, no. 2: 638. https://doi.org/10.3390/pr11020638
APA StyleZhang, F., Zhang, D., & Huang, S. (2023). Creep Characteristics and Creep Model of Coal Based on Pore Water Pressure. Processes, 11(2), 638. https://doi.org/10.3390/pr11020638
 
        



 
       