Study on Radial Leakage Model and Law of Fractured Formation Drilling Fluid
Abstract
:1. Introduction
2. Fissure Characterization
3. Drilling Fluid Leakage Model
- 1
- Filtrate leakage on the fracture surface is negligible;
- 2
- The initial pressure of the fracture is the formation pressure;
- 3
- The fracture extends infinitely in the radial direction;
- 4
- The fluid flow inside the fracture is laminar flow;
- 5
- The compressibility of drilling fluid is not considered;
- 6
- The width of the fracture is much smaller than the height and length;
- 7
- The drilling fluid leakage velocity in the height direction of the fracture is relatively small compared to the leakage velocity in the length direction of the fracture.
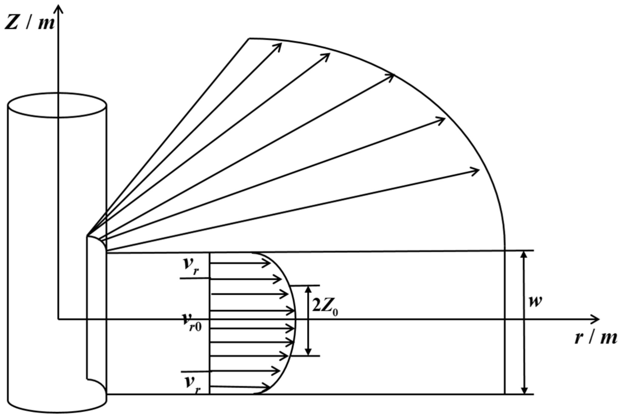
3.1. Mathematical Model
3.2. Drilling Fluid Leakage Model
- 1
- The constitutive equation of the H-B flow pattern is as follows:
- 2
- The continuity equation along the radial direction of the wellhead around the wellbore is as follows:
- 3
- The momentum conservation equation in the radial direction is as follows:
- 4
- The momentum equation can be substituted into the N-S equation to obtain the following:
3.3. Model Solving
3.4. Model Boundary Conditions
4. Drilling Fluid Leakage Pattern
4.1. Consistency Coefficient of Drilling Fluid
4.2. Dynamic Shear Force of Drilling Fluid
4.3. Initial Aperture of Fracture
4.4. Fracture Index Deformation Coefficient
4.5. Fracture Tortuosity
4.6. Pressure Differential
4.7. Radial Extension Length
5. Discussion
6. Conclusions
Author Contributions
Funding
Data Availability Statement
Acknowledgments
Conflicts of Interest
References
- Zhao, W.B. Study on the mechanism of induced fracture leakage and the countermeasures of preventing and plugging in Liujiagou Formation of Hangjinqi. In Proceedings of the 2018 National Natural Gas Academic Annual Conference (04 Engineering Technology), Fuzhou, China, 14 November 2018; pp. 78–83. [Google Scholar]
- Tan, Z.J.; Hu, Y.; Yuan, Y.D.; Cao, J.; Zhang, Q.Q.; Yang, Z.X. Study on the mechanism of lost circulation in fractured formations in Bohai Sea-Taking Bozhong 34-9 oilfield as an example. China Pet. Explor. 2021, 26, 127–136. [Google Scholar]
- Cui, G.J.; Zhu, G.W.; Su, J.; Gao, K.C. Study on wellbore stability of Bohai deep well. Petrochem. Technol. 2021, 28, 93–94+100. [Google Scholar]
- He, R.b.; Xu, J.; Wang, H.W. High-efficiency plugging technology for fault fracture leakage in Bo hai Oilfield. J. Yangtze Univ. (Sci. Ed.) 2015, 12, 38–42. [Google Scholar]
- Chen, X.H.; Qiu, Z.S.; Yang, P.; Guo, B.Y.; Wang, B.T.; Wang, X.D. Dynamic simulation of fracture leakage process based on ABAQUS. Drill. Fluid Complet. Fluid 2019, 36, 15–19. [Google Scholar]
- Gaurina-Međimurec, N.; Pašić, B.; Mijić, P.; Medved, I. Drilling Fluid and Cement Slurry Design for Naturally Fractured Reservoirs. Appl. Sci. 2021, 11, 767. [Google Scholar] [CrossRef]
- Huang, F.S. Numerical Simulation of Drilling and Completion Fluid Leakage in Natural Fracture Network System. Master’s Thesis, Southwest Petroleum University, Chengdu, China, 2014. [Google Scholar]
- Lietard, O.; Unwin, T.; Guillot, D.; Hodder, M. Fracture Width LWD and Drilling Mud/LCM Selection Guidelines in Naturally Fractured Reservoirs. In Proceedings of the European Petroleum Conference, Milan, Italy, 22–24 October 1996. [Google Scholar]
- Lietard, O.; Unwin, T.; Guillo, D.J.; Hodder, M.H. Fracture Width Logging While Drilling and Drilling Mud/Loss-Circulation-Material Selection Guidelines in Naturally Fractured Reservoirs. SPE Drill. Complet. 1999, 14, 168–177. [Google Scholar] [CrossRef]
- Ozdemirtas, M.; Babadagli, T.; Kuru, E. Effects of fractal fracture surface roughness on borehole ballooning. Vadose Zone J. 2009, 8, 250–257. [Google Scholar] [CrossRef]
- Ozdemirtas, M.; Kuru, E.; Babadagli, T. Experimental investigation of borehole ballooning due to flow of non-Newtonian fluids into fractured rocks. Int. J. Rock Mech. Min. Sci. 2010, 47, 1200–1206. [Google Scholar] [CrossRef]
- Shahri, M.P.; Mehrabi, M. A new approach in modeling of fracture ballooning in naturally fractured reservoirs. In Proceedings of the SPE Kuwait International Petroleum Conference and Exhibition, Kuwait City, Kuwait, 10–12 December 2012. [Google Scholar]
- Li, D.Q.; Kang, Y.L.; Liu, X.S.; Chen, C.W.; Si, N. Research progress on dynamic model of drilling fluid loss in fractured formations. Oil Drill. Technol. 2013, 41, 42–47. [Google Scholar]
- Li, S.; Kang, Y.L.; Li, D.Q.; Tang, L.; Yang, J.; Liu, X.F. Lost circulation model and experimental simulation of H-B flow pattern drilling fluid in fractured formation. Pet. Drill. Process 2015, 37, 57–62. [Google Scholar]
- Li, D.Q. Study on Drilling Fluid Leakage Kinetics in Fractured Formations. Ph.D. Thesis, Southwest Petroleum University, Chengdu, China, 2012. [Google Scholar]
- Jia, L.C.; Chen, M.; Hou, B.; Sun, Z.; Jin, Y. Drilling fluid loss model and law in fractured formations. Pet. Explor. Dev. 2014, 41, 95–101. [Google Scholar] [CrossRef]
- Song, T.; Zhao, X.Y. Research and application of leakage model in fractured formation, science and technology and engineering. J. Mater. Chem. A 2013, 13, 9191–9195. [Google Scholar]
- Lavrov, A. Numerical modeling of steady-state flow of a non-Newtonian power-law fluid in a rough-walled fracture. Comput. Geotech. 2013, 50, 101–109. [Google Scholar] [CrossRef]
- Shi, X.Y. Fracture Opening, Propagation and Leakage in Carbonate Formation. Master’s Thesis, China University of Petroleum, Qingdao, China, 2017. [Google Scholar]
- Zhai, X.P.; Chen, H.; Lou, Y.S.; Wu, H.M. Prediction and control model of shale induced fracture leakage pressure. J. Pet. Sci. Eng. 2021, 198, 108186. [Google Scholar] [CrossRef]
- Jing, C.; Duan, Q.; Han, G.; Nie, J.; Li, L.; Ge, M. Quantitative Interpretation Model of Inter well Tracer for Fracture-Cavity Reservoir Based on Fracture-Cavity Configuration. Processes 2023, 11, 964. [Google Scholar] [CrossRef]
- Hu, R.; Wang, C.; Zhang, M.; Zhang, Y.; Zhao, J. The Study of Multi-Scale Specific Surface Area in Shale Rock with Fracture-Micropore-Nanopore. Processes 2023, 11, 1015. [Google Scholar] [CrossRef]
- Wu, H.Y.; Zhu, L.F. Application of imaging and nuclear magnetic resonance logging in the evaluation of Chengbei fractured reservoir. Pet. Nat. Gas Geol. 2002, 23, 45–48. [Google Scholar] [CrossRef]
- Mandelbrot, B.B. The Fractal Geometry of Nature; W. H. Freeman and Company: San Francisco, CA, USA, 1982. [Google Scholar]
- Brown, S.R. Fluid flow through rock joints: The effect of surface roughness. J. Geophys. Res. 1987, 92, 1337–1348. [Google Scholar] [CrossRef]
- Bi, S.B.; Zhang, Y.; Zhou, Z.; Lou, Y.S.; Zhou, R.; Zhang, X.M. Study on the Model and Law for Radial Leakage of Drilling Fluid in Fractured Formations. ACS Omega 2022, 7, 39840–39847. [Google Scholar] [CrossRef]
- Mustafa, T. Eyring–Powell fluid flow through a circular pipe and heat transfer: Full solutions. Int. J. Numer. Methods Heat Fluid Flow. 2020, 30, 4765–4774. [Google Scholar] [CrossRef]
- Pinho, F.T.; Whitelaw, J.H. Flow of non-newtonian fluids in a pipe. J. Non-Newton. Fluid Mech. 1990, 34, 129–144. [Google Scholar] [CrossRef]
- Qu, G.Z. Description of Rough Fracture Structure and Its Seepage Law. Ph.D. Thesis, China University of Petroleum, Qingdao, China, 2016. [Google Scholar]
- Sun, Z.Z. Numerical Solution of Partial Differential Equations; Science Press: Beijing, China, 2012. [Google Scholar]












| Parameter | Values | Parameter | Values |
|---|---|---|---|
| Formation pressure | 20 | Curvature of the fracture | 1.5 |
| Wellbore pressure | 30 | Initial fracture width | 1 |
| Normal stress | 20 | Length of the fracture r in the upward direction r/m | 100 |
| Coefficient of index deformation | 8.6 × 10−8 | Time step size △t/s | 0.01 |
| Flow pattern index n | 1 | Simulation time t/s | 20 |
| Shear force | 10 | Step size in the direction of r △r/m | 5 |
| Viscosity coefficient | 0.2 | Acceleration due to gravity g/m·s−2 | 9.8 |
Disclaimer/Publisher’s Note: The statements, opinions and data contained in all publications are solely those of the individual author(s) and contributor(s) and not of MDPI and/or the editor(s). MDPI and/or the editor(s) disclaim responsibility for any injury to people or property resulting from any ideas, methods, instructions or products referred to in the content. |
© 2023 by the authors. Licensee MDPI, Basel, Switzerland. This article is an open access article distributed under the terms and conditions of the Creative Commons Attribution (CC BY) license (https://creativecommons.org/licenses/by/4.0/).
Share and Cite
Xie, Z.; Zhu, L.; Bi, S.; Ji, H.; Wang, T.; Huang, M.; Zhang, H.; Wu, H. Study on Radial Leakage Model and Law of Fractured Formation Drilling Fluid. Processes 2023, 11, 1388. https://doi.org/10.3390/pr11051388
Xie Z, Zhu L, Bi S, Ji H, Wang T, Huang M, Zhang H, Wu H. Study on Radial Leakage Model and Law of Fractured Formation Drilling Fluid. Processes. 2023; 11(5):1388. https://doi.org/10.3390/pr11051388
Chicago/Turabian StyleXie, Zelong, Liang Zhu, Shubo Bi, Hui Ji, Tianyi Wang, Mengting Huang, Hao Zhang, and Huimei Wu. 2023. "Study on Radial Leakage Model and Law of Fractured Formation Drilling Fluid" Processes 11, no. 5: 1388. https://doi.org/10.3390/pr11051388
APA StyleXie, Z., Zhu, L., Bi, S., Ji, H., Wang, T., Huang, M., Zhang, H., & Wu, H. (2023). Study on Radial Leakage Model and Law of Fractured Formation Drilling Fluid. Processes, 11(5), 1388. https://doi.org/10.3390/pr11051388

