Abstract
As the proportion of renewable energy installations in modern power systems increases, major weather events can easily trigger significant fluctuations in new energy generation and electricity load, presenting the system with the dual challenges of ensuring power supply and renewable energy consumption. Traditional dispatch models need more coordination and optimization of flexible resources under major weather events and risk management of system operations. This study focuses on provincial-level transmission systems, aiming to achieve the coordinated and optimized dispatch of flexible resources across multiple time scales in response to the complex and variable environments faced by the system. Firstly, by profoundly analyzing the response mechanisms of power systems during major weather events, this study innovatively proposes an event-driven day-ahead and intra-day optimal dispatch strategy for power systems. This strategy can sense and respond to major weather events in the day-ahead phase and adjust dispatch decisions in real time during the intra-day phase, thereby comprehensively enhancing the adaptability of power systems to sudden weather changes. Secondly, by considering the variability of renewable energy sources and electricity demand in the day-ahead and intra-day dispatch plans, the strategy ensures efficient and reliable power system operation under normal and major weather event scenarios. Finally, the method’s effectiveness is validated using actual data from a provincial-level power grid in China. The proposed dispatch strategy enhances the resilience and adaptability of power systems to major weather events, which are becoming increasingly frequent and severe due to climate change. The research demonstrates that an event-driven day-ahead and intra-day optimal dispatch strategy can enhance the economic efficiency and robustness of power system operations through the coordinated dispatch of flexible resources during major weather events, thereby supporting the transition toward sustainable energy systems that are resilient against the challenges of a changing climate.
1. Introduction
1.1. Background
Promoting renewable energy is a strategic measure for sustainable development for China to achieve its ‘dual carbon’ goals [1,2,3]. In the future, China’s renewable energy installations will continue to increase. The characteristic of ‘large installations, small output’ of renewable energy poses higher requirements for system safety, power supply, and renewable energy consumption. With a high proportion of renewable energy integrated into the grid, the weather attributes on both the supply and demand sides of the new power system become more pronounced.
Recently, extreme weather events have become frequent and normalized in China and worldwide [4,5]. The low probability of extreme weather events and the fact that dispatch-level regulation alone is insufficient to cope with extreme weather events often require consideration of post-event recovery. In contrast, major weather events, such as cold waves, heatwaves, droughts, and heavy rains, have profoundly impacted renewable energy generation and electricity load, which can easily lead to significant fluctuations in renewable energy generation and electricity load, presenting the system with the dual challenges of ‘ensuring power supply’ and ‘ensuring consumption’ [6].
In April 2022, a severe wind and dust storm in Shanxi Province, China, led to widespread wind turbine (WT) disconnection and a sharp drop in photovoltaic (PV) output. In July 2022, extremely hot and dry weather severely reduced the power supply capacity in Sichuan Province, China, with the most significant daily power shortfall exceeding 17 million kilowatts and the electricity gap surpassing 370 million kilowatt-hours. In February 2023, a cold snap in northwest China caused a forecast deviation of nearly 12 million kilowatts, leading to tension in the power system balance. The existing power system dispatch strategies are insufficient to address supply and consumption needs during major weather events, and there is an urgent need to research the coordinated optimization dispatch of flexible resources in new power systems under major weather events.
1.2. Literature Review
Existing research on the optimal dispatch of power systems mainly focuses on analyzing renewable energy’s generation patterns and load characteristics under conventional weather conditions to achieve optimal system dispatch. However, these methods have not fully considered the uncertainty characteristics on both the supply and demand sides during major weather events. Therefore, the coordinated dispatch of flexible resources, such as generation, load, and energy storage, has become a critical approach to ensuring the reliability of the power supply and promoting renewable energy consumption [7].
In recent years, with technological advancements and policy support, the economic feasibility and dispatch flexibility of flexible resources have continuously improved. Flexible resources, represented by advanced energy storage technologies and demand response technologies on the load side, have received widespread attention from scholars in related fields. These studies mainly focus on the vital role of flexible resources in grid dispatch, especially in enhancing system supply reliability and promoting renewable energy consumption. The research primarily concentrates on three key areas: the operational characteristics of flexible resources, application scenarios, and dispatch strategies.
The flexibility of the power system refers to the ability to react quickly to all kinds of emergencies and changes under the boundary constraints of the power system and to flexibly adjust the power supply according to the load demand [8]. The flexibility of power systems originates mainly from four aspects: the supply side, the grid side, the demand side, and the energy storage side [9,10,11]. The system’s flexibility can be reflected on different time scales, divided into short-term (<15 min), medium-term (15–60 min), and long-term (>1 h) [12,13,14,15,16,17]. Short-term and medium-term controls mainly address instantaneous load fluctuations and the short-term uncertainties of renewable energy. In contrast, long-term control helps balance changes in energy demand over a day, or even over seasonal cycles. Regarding application scenarios, flexible resource optimization dispatch is often used for system peak shaving, frequency regulation, spinning reserve, enhancing system disturbance resistance, pre-disaster prevention, and post-disaster recovery. Considering the different control characteristics of various flexible resources, existing methods for the coordinated dispatch of flexible resources usually follow a day-ahead and intra-day coordinated dispatch strategy [18]. This layered dispatch method can better adapt to the electricity market trading model and dynamic changes in the external environment of grid operations.
Overall, existing research on the optimal dispatch of flexible resources in power systems is limited to optimizing flexible system resources in specific scenarios and has not yet deeply explored the integrated coordinated dispatch of flexible system resources in both regular and special scenarios (such as major weather events). Therefore, there is an urgent need to consider the adaptability of dispatch plans to regular and special scenarios, deeply analyze the control characteristics of flexible resources under different scenarios, and develop an event-driven day-ahead and intra-day optimal dispatch strategy for power systems.
1.3. Contributions
The main contributions of this paper include the following three aspects:
Firstly, a power system model incorporating multiple flexible regulation resources, such as source, grid, load, and storage, has been established, and the regulation characteristics of different types of flexible regulation resources, such as traditional units, pumped storage, ES, and demand response, have been modeled.
Secondly, an event-driven day-ahead and intra-day coordinated dispatch strategy for power systems is proposed. Under normal weather conditions, a deterministic day-ahead and intra-day dispatch strategy is executed based on renewable energy output forecasts and load demand prediction curves. When major weather events occur, considering the strong uncertainty characteristics on both the supply and demand sides, a day-ahead robust and intra-day stochastic dispatch strategy is executed, effectively balancing the economic efficiency and robustness of the dispatch strategy. The proposed method can support the sustainable scheduling and operation of power systems under various operating conditions, especially for major weather processes.
Finally, through comparative case studies, it is concluded that the event-driven day-ahead and intra-day dispatch strategy proposed in this paper can accommodate both normal weather and major weather event scenarios, effectively ensuring the economic and sustainable operation of the system under normal weather and the safety of the system’s operation during major weather events.
The structure of the remaining part of this paper is as follows: Section 2 introduces the structure of the flexible resource aggregation system. Section 3 constructs mathematical models for various types of flexible resources and the complete model for deterministic day-ahead to intra-day optimization scheduling. Section 4 presents the uncertainty modeling methods and the event-driven day-ahead and intra-day optimal dispatch methods. Section 5 displays the results of the case study analysis. Section 6 provides a summary of the entire paper.
2. Flexible Resource Aggregation System Description
Developing renewable energy sources, represented by WT and PV, is crucial for achieving the ‘dual carbon’ goals. Enhancing the flexibility of the new power system can be achieved through the flexible transformation of traditional thermal power (TP) [19], the widespread use of energy storage technology, and the promotion of demand-side management techniques.
In addition to renewable energy sources, such as WT and PV, the new power system also aggregates various flexible resources, including electrochemical energy storage (ES) and pumped storage (PS). These resources and demand response (DR) mechanisms guide the transition of end loads from rigidity to flexibility. The structure of the flexible resource aggregation system is depicted in Figure 1.
Figure 1.
Structure of flexible resource aggregation system.
Due to the emphasis on economic operation under normal weather conditions and the focus on the security of supply and consumption during major weather events, a proposed event-driven optimization scheduling strategy combines normal weather and major weather processes. This strategy consists of three parts:
- Decision Function: The decision function provides a decision directive to the scheduling platform, enabling transition between different scheduling strategies.
- Pre-Event Scheduling Strategy: This part of the strategy deals with scheduling decisions made before the occurrence of significant weather events.
- Post-Event Scheduling Strategy: The post-event scheduling strategy focuses on scheduling decisions made after significant weather events.
The decision function is essential, as it provides a decision command to the scheduling platform, facilitating the transition between different scheduling strategies based on the prevailing conditions.
3. Deterministic Day-Ahead and Intra-Day Optimal Dispatch Models
3.1. Model of Flexible Resources
3.1.1. Thermal Power
TP units are subject to operational constraints, including power constraints and ramp rate constraints, as shown in Equations (1) and (2):
where and are the upper and lower output limits of the TP unit , respectively; is the ramp rate of the TP unit ; and is the start/stop state of the TP unit, with a value of 1 representing the startup of the unit and 0 representing the shutdown of the TP unit.
3.1.2. Battery Storage
The constraints of BS include the rated power of the inverter and the rated charging and discharging power, as shown in Equations (3) and (4):
where and are the rated charging power and rated discharging power, respectively; is the start/stop state, is the state of charge; and are the upper and lower limits of the state of charge; is the self-depletion rate; and are the charging and discharging efficiencies; and is the installed capacity.
3.1.3. Pumped Storage
The constraints of PS include reservoir capacity constraints and ramp rate constraints, the latter being influenced by the pumping rate, as shown in Equations (5)–(7):
where and represent the upper and lower limits of the upper and lower grid capacity; and define the upper and lower limits of the pumped storage capacity; and represents the ramping rate.
3.1.4. Demand Response
DR resources (e.g., electric vehicles (EVs)) include valley filling and peak shaving demand responses. Responses can also be categorized into price-based demand response (PDR) and incentive-based demand response (IDR), based on different customer response methods. PDR needs to be determined in the day-ahead scheduling. Depending on the length of time required to respond to grid dispatch instructions, IDR can be divided into the following categories:
- Class A IDR arranged one day in advance;
- Class B IDR, with a response time of 15 min to 2 h;
- Class C DR, with a response time of 5 to 15 min.where and are the load increase and decrease amounts for PDR; and are the maximum load increase and decrease amounts for PDR; and are the load increase and decrease amounts for Class A, B, and C IDRs, respectively; and and are the maximum load increase and decrease amounts for IDR.
3.2. Deterministic Day-Ahead and Intro-Day Optimal Dispatch Models
3.2.1. Objective Function
- 1.
- Day-ahead deterministic optimal dispatch model
The objective function of the day-ahead deterministic optimal dispatch model is to minimize the sum of system operating costs, load-shedding costs, and renewable energy abandoned costs. The formula is presented as follows:
where represents the system operating costs, including the costs of TP, WT, PV, ES, and DR; represents the sum of load shedding costs and renewable energy abandoned costs ; , , and are the cost coefficients of TP; is the start/stop cost coefficient for TP; and are respectively the cost coefficients for WT and PV; is the cost coefficient for ES; is the start/stop cost coefficient for ES; is the cost coefficient for Type A IDR; is the cost coefficient for Type B IDR; is the penalty cost coefficient for renewable energy abandoned; and are the predicted powers for WT and PV; and are the actual outputs for WT and PV; is the penalty cost coefficient for load shedding; and is the load-shedding power.
- 2.
- Intra-day deterministic optimal dispatch model
The dispatch time scale of the intra-day optimal dispatch model is 15 min, with a total dispatch period of 4 h. The model’s objective function is also to minimize the sum of system operating costs, load shedding costs, and abandoned renewable energy costs. Compared to the day-ahead dispatch model, the only change in the intra-day optimal dispatch model is the cost of invoking an IDR (interruptible demand response) type of demand-side response. Since Type A has already been determined, the intra-day phase mainly optimizes the invocation costs of IDR Types B and C.
In the day-ahead deterministic and intra-day deterministic optimal dispatch models, the uncertainty of renewable energy and load forecast power is not considered. Instead, they are directly used as deterministic input values in the models.
3.2.2. Constraints
In addition to the aforementioned flexible resources’ operational constraints, the models’ constraints include line transmission and node power balance constraints. Moreover, it is stipulated that the load-shedding cost should not exceed the rated load demand.
where is the maximum transmission power of the line between nodes and ; is the susceptance between nodes and ; is the phase angle at the node at the moment ; , , , , , , and are the outputs of TP, ES, PS, WT, PV, PDRs, and IDRs at moment at node ; and , , and are the rated load, load-shedding power, and renewable energy abandoned power at moment at node .
4. Methodology
4.1. Random Variable Probability Models
4.1.1. Wind Power Probability Model
The volatility of WT output is mainly related to the volatility of wind speed, which can be represented by the Weibull two-parameter distribution over a period of time [20]:
where and are the shape and scale parameters of the Weibull distribution; and is the wind speed.
4.1.2. Photovoltaic Probability Model
The PV output is mainly affected by light intensity, which can be expressed by Beta distribution over a period of time. The probability density function of light intensity is shown in the following equation [20]:
where and are the shape parameters of Beta distribution; and are the actual light intensity and maximum light intensity, respectively; and are the Gamma functions.
4.1.3. Load Probability Model
The load can usually be considered as a standard distributed random variable. The load active probability density function is shown in the following equation [21]:
where and are the expected value and standard deviation of the load power; and is the actual load power.
4.2. Day-Ahead and Intra-Day Optimal Dispatch Models Considering Uncertainty
4.2.1. Day-Ahead Robust Optimal Dispatch Model
When WT, PV, and load power uncertainties are considered, the robust optimization method [22,23] is used to evaluate the worst-case scenario in the day-ahead optimal dispatch strategy to increase the robustness of the dispatch strategy. The following equation shows the compact form of the deterministic optimal dispatch model in Section 2, after considering the uncertainties:
where and represent the optimization variables, and is the coefficient column vector corresponding to the objective function; , , , and are the coefficient matrices for the variables under the corresponding constraints; and is a constant column vector. The values of WT, photovoltaic power, and load power are the forecasted values for the respective time periods:
where , , and , respectively, represent the forecasted values of WT, PV, and load power for time period .
The fluctuations in WT, PV, and load power are contained within a box-type uncertainty set :
where , , and are the uncertainty variables for WT, photovoltaic power, and load power introduced due to uncertainty. , , and respectively represent the maximum allowable fluctuation deviations for WT, PV, and load power, all of which are positive numbers.
4.2.2. Intra-Day Rolling Stochastic Optimal Dispatch Model
Building upon the foundation of day-ahead robust optimization dispatch, which has already ensured a certain degree of system security, a stochastic optimization method [24,25] is used during the intra-day dispatch phase to consider the uncertainties of WT, photovoltaic power, and load power to cope with the fluctuations of uncertain variables in the intra-day stage.
The objective function of stochastic optimization is to minimize the daily expected total operating costs in each scenario based on the probabilities of uncertain variables (e.g., WT, PV, and load) in different scenarios. Typical scenarios are generated by k-means clustering, considering the probability models described in Section 4.1. Therefore, the objective function can be expressed as follows:
where represents the set of scenarios of type ; is the probability of the scenario occurring; the optimization variables and correspond to and in the th scenario. Accordingly, the constraint conditions should be satisfied in each scenario. Since the values of the optimization variables differ across scenarios, they need to be transformed through an expectation function after the solution is obtained.
4.3. Event-Driven Day-Ahead and Intra-Day Optimal Dispatch Strategy Considering Major Weather Events
To enhance the compatibility of the dispatch strategy with both normal weather and major weather events, we propose an event-driven day-ahead and intra-day optimal dispatch strategy. Under normal weather conditions, the focus is on the economic efficiency of system operation, and dispatch is conducted according to a deterministic strategy. During major weather events, the emphasis shifts to the safety and robustness of system operations. Dispatch is carried out according to a day-ahead robust and intra-day stochastic optimization dispatch strategy that considers new energy and load power fluctuations, thereby achieving a balance between the system operation’s flexibility and economic efficiency.
We propose an event-driven decision function for determining the supply and consumption pressure of the system and dynamically changing the system scheduling scheme according to the decision results. The decision function is as follows:
This decision function can be directly applied to the new energy and load forecasting power to determine the operational state of the system before the day to help in more efficient power system scheduling.
The structure of the event-driven day-ahead and intra-day optimal dispatch model is shown in Figure 2.
Figure 2.
The structure of the event-driven day-ahead and intra-day optimal dispatch model.
5. Results and Discussions
5.1. Parameter Settings
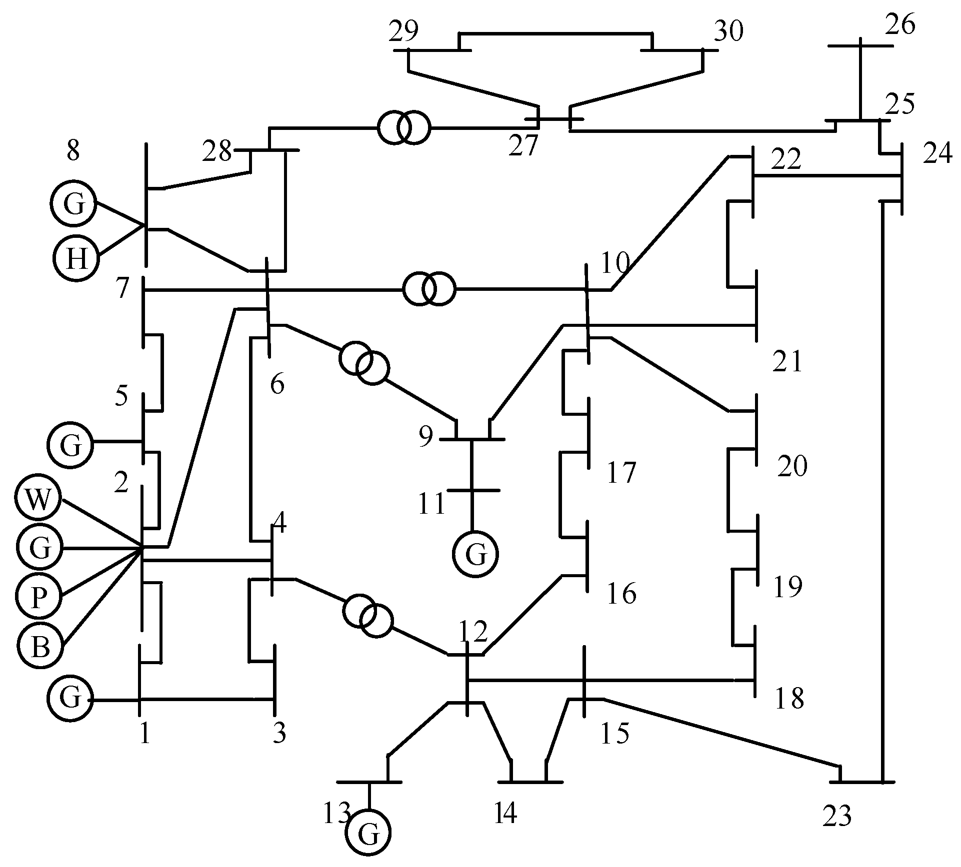
We use the IEEE 30-bus system topology as the object of analysis, as shown in Figure 3. The forecast and actual data of renewable energy (including wind and photovoltaic power) and load power for a whole year in a province in China are used as input parameters, as shown in Figure 4.
Figure 3.
Diagram of an IEEE 30-bus system containing flexible resources (G: TP; W:WT; P:PV; B: BS; P:PS, and numbers are the branch numbers).
Figure 4.
The forecast and actual data of renewable energy and load power for a whole year in a province in China.
5.2. Case Analysis
5.2.1. Comparison of Operation Results
Figure 5 shows the optimal dispatch results for one day of the system under a major weather event for the deterministic day-ahead and intra-day dispatch strategy and the day-ahead robust-intraday stochastic dispatch strategy considering uncertainty. Table 1 shows the various costs for that day under the two dispatch strategies.
Figure 5.
(a) Day−ahead dispatch result by deterministic day−ahead dispatch strategy; (b) Intra−day dispatch result by deterministic intra−day dispatch strategy; (c) Day−ahead dispatch result by day-ahead robust dispatch strategy; (d) Intra−day dispatch result by stochastic intra−day dispatch strategy.
Table 1.
Various costs of the system under the two strategies.
It can be observed that during major weather events, the operating costs under the deterministic strategy are higher than those using the day-ahead robust and intra-day stochastic optimal dispatch strategy. This is because the former’s deterministic strategy ignores errors in renewable energy and load power, resulting in a dispatch plan that cannot accurately meet the actual load demand, thereby increasing operating costs.
The day-ahead robust intra-day stochastic optimization scheduling strategy aims to ensure the system’s reliability during significant weather events by determining robust scheduling plans in the day-ahead phase. This strategy can effectively reduce load shedding and renewable energy abandonment caused by major weather events. Additionally, intra-day stochastic dispatch allows the system to respond more flexibly to real-time weather and load changes, reducing economic losses caused by weather forecast errors.
Furthermore, an analysis of the optimized dispatch results of the system under the two dispatch strategies during a continuous week of major weather events is shown in Figure 6. Table 2 presents the various costs for that week under the two dispatch strategies.
Figure 6.
(a) Dispatch result in a continuous week under major weather events using deterministic day−ahead and intra−day dispatch strategy; (b) Dispatch result in a continuous week under major weather events using day−ahead robust and intra−day stochastic dispatch strategy.
Table 2.
Various costs of the system under the two dispatch strategies.
It can be observed that although the operating costs of using the day-ahead robust and intra-day stochastic optimal dispatch strategy during a continuous week of major weather events are higher than those of the deterministic strategy, this approach enhances the robustness of the dispatch strategy when dealing with major weather events. As a result, it can reduce the risks associated with ensuring supply and accommodating consumption, thereby securing the safety of the load supply and renewable energy consumption and effectively lowering the total costs.
5.2.2. Comparison of Methodologies
To verify the robustness and economic efficiency of the event-driven dispatch strategy, we compare the following three schemes from an annual perspective:
- Scheme 1: Use the deterministic day-ahead and intra-day optimal dispatch strategy throughout the year.
- Scheme 2: Use the day-ahead robust and intra-day stochastic optimal dispatch strategy throughout the year.
- Scheme 3: Use an event-driven dispatch strategy, which means using the deterministic day-ahead and intra-day optimal dispatch strategy under normal weather conditions, and the day-ahead robust and intra-day stochastic optimal dispatch strategy during major weather events.
Table 3 presents the annual costs of the system under the three schemes. Figure 7 compares the system’s load-shedding and renewable energy abandoned power costs throughout the year under the three schemes.
Table 3.
Various costs of the system for the whole year under the three schemes.
Figure 7.
Load-shedding and renewable energy abandoned power costs of the system throughout the year under the three schemes.
It can be observed that considering the economy, flexibility, and robustness of system operation comprehensively, Scheme 3 provides the best results. It employs the more economical deterministic day-ahead and intra-day optimal dispatch strategy under normal weather conditions while switching to the robust and intra-day stochastic optimal dispatch strategy, focusing more on system operational safety, during major weather events. This flexible adjustment can help the system cope with different operating conditions, effectively alleviating the problems of short-time and frequent start/stop power abandonment and load shedding of various types of flexible units. Not only can the total operating cost be controlled within a reasonable range, but it can also reduce the amount of load shedding in the system, reduce the risk of the system’s preservation and consumption, better realize the source–load balance, and contribute to the safe and stable operation of the system. Therefore, the event-driven dispatch scheme can ensure the stability and reliability of the power system’s operation while providing good economic benefits.
6. Conclusions
In future power systems with significant new energy integration, managing the variability of renewable energy output will require more than just traditional generation units; it will also require the coordinated dispatch of flexible resources across generation, grid, load, and storage.
This paper presents an event-driven day-ahead and intra-day optimal dispatch strategy that dynamically adapts to supply and demand uncertainties, aiming to balance economic efficiency and operational robustness under conventional scenarios and major weather events. This approach increases system flexibility and reliability by reducing dispatch costs and load shedding. The case study shows that, compared to deterministic day-ahead and intra-day optimal dispatch strategies, event-driven dispatch significantly improves economic efficiency and increases the capacity for electricity supply and renewable energy consumption. It reduces load shedding and renewable curtailment by 77% and 78%, respectively.
Future research will focus on different types of demand response, e.g., buildings, electric vehicles, etc. By integrating these demand response systems with renewable energy resources, the development of more resilient and sustainable operational strategies can be achieved, particularly in the face of major weather events.
Author Contributions
Conceptualization, writing—original draft, Z.L. and D.S.; writing—review and editing, supervision, E.D. and Y.F. All authors have read and agreed to the published version of the manuscript.
Funding
This research was funded by the State Grid Corporation Limited Science and Technology Project Grant (Project No. 4000-202355381A-2-3-XG).
Data Availability Statement
No new data were created or analyzed in this study. Data sharing is not applicable to this article.
Conflicts of Interest
The authors declare no conflicts of interest.
References
- Dini, A.; Hassankashi, A.; Pirouzi, S.; Lehtonen, M.; Arandian, B.; Baziar, A.A. A Flexible-Reliable Operation Optimization Model of the Networked Energy Hubs with Distributed Generations, Energy Storage Systems and Demand Response. Energy 2022, 239, 121923. [Google Scholar] [CrossRef]
- China Power System Transformation—Analysis. Available online: https://www.iea.org/reports/china-power-system-transformation (accessed on 14 April 2024).
- Hussain, S.; Lai, C.; Eicker, U. Flexibility: Literature Review on Concepts, Modeling, and Provision Method in Smart Grid. Sustain. Energy Grids Netw. 2023, 35, 101113. [Google Scholar] [CrossRef]
- Silva Jr, S.S.; Assis, T.M.L. Adaptive Underfrequency Load Shedding in Systems with Renewable Energy Sources and Storage Capability. Electr. Power Syst. Res. 2020, 189, 106747. [Google Scholar] [CrossRef]
- Kargarian, A.; Hug, G.; Mohammadi, J. A Multi-Time Scale Co-Optimization Method for Sizing of Energy Storage and Fast-Ramping Generation. IEEE Trans. Sustain. Energy 2016, 7, 1351–1361. [Google Scholar] [CrossRef]
- Liu, Y.; Li, Y.; Gooi, H.B.; Jian, Y.; Xin, H.; Jiang, X.; Pan, J. Distributed Robust Energy Management of a Multimicrogrid System in the Real-Time Energy Market. IEEE Trans. Sustain. Energy 2019, 10, 396–406. [Google Scholar] [CrossRef]
- Liu, Z.; Liu, S.; Li, Q.; Zhang, Y.; Deng, W.; Zhou, L. Optimal Day-Ahead Scheduling of Islanded Microgrid Consid-ering Risk-Based Reserve Decision. J. Mod. Power Syst. Clean Energy 2021, 9, 1149–1160. [Google Scholar] [CrossRef]
- Ma, X.; Peng, B.; Ma, X.; Tian, C.; Yan, Y. Multi-Timescale Optimization Scheduling of Regional Integrated Energy System Based on Source-Load Joint Forecasting. Energy 2023, 283, 129186. [Google Scholar] [CrossRef]
- Jin, L.; Fang, X.; Cai, Z.; Chen, D.; Li, Y. Multiple Time-Scales Source-Storage-Load Coordination Scheduling Strategy of Grid Connected to Energy Storage Power Station Considering Characteristic Distribution. Dianwang Jishu/Power Syst. Technol. 2020, 44, 3641–3648. [Google Scholar] [CrossRef]
- Hou, J.; Yu, W.; Xu, Z.; Ge, Q.; Li, Z.; Meng, Y. Multi-Time Scale Optimization Scheduling of Microgrid Con-sidering Source and Load Uncertainty. Electr. Power Syst. Res. 2023, 216, 109037. [Google Scholar] [CrossRef]
- Fan, W.; Tan, Q.; Xue, F.; De, G.; Zhang, A.; Li, F.; Li, X. Multi-Stage Time Sequence Planning Model of Integrated Energy System Considering Extreme Scenarios and Uncertainty. Energy Rep. 2022, 8, 14962–14978. [Google Scholar] [CrossRef]
- Silva, A.R.; Pousinho, H.M.I.; Estanqueiro, A. A Multistage Stochastic Approach for the Optimal Bidding of Variable Renewable Energy in the Day-Ahead, Intraday and Balancing Markets. Energy 2022, 258, 124856. [Google Scholar] [CrossRef]
- Nosair, H.; Bouffard, F. Flexibility Envelopes for Power System Operational Planning. IEEE Trans. Sustain. Energy 2015, 6, 800–809. [Google Scholar] [CrossRef]
- Xi, X.; Gao, Y.; Wang, Y.; Wang, X.; Zhang, Y.; Chen, W. Probabilistic Energy Flow Algorithm for Integrated Energy Systems Based on Fuzzy C-Means Clustering. In Proceedings of the 2023 IEEE 6th International Electrical and Energy Conference (CIEEC), Hefei, China, 12–14 May 2023; pp. 2428–2433. [Google Scholar]
- Cao, Y.; Wei, W.; Chen, L.; Wu, Q.; Mei, S. Supply Inadequacy Risk Evaluation of Stand-Alone Renewable Powered Heat-Electricity Energy Systems: A Data-Driven Robust Approach. IEEE Trans. Ind. Inform. 2021, 17, 1937–1947. [Google Scholar] [CrossRef]
- Peng, C.; Xie, P.; Pan, L.; Yu, R. Flexible Robust Optimization Dispatch for Hybrid Wind/Photovoltaic/Hydro/Thermal Power System. IEEE Trans. Smart Grid 2016, 7, 751–762. [Google Scholar] [CrossRef]
- Liu, D.; Zhang, C.; Chen, G.; Xu, Y.; Dong, Z.Y. Stochastic Security-Constrained Optimal Power Flow for a Mi-crogrid Considering Tie-Line Switching. Int. J. Electr. Power Energy Syst. 2022, 134, 107357. [Google Scholar] [CrossRef]
- Liu, Y.; Guo, L.; Hou, R.; Wang, C.; Wang, X. A Hybrid Stochastic/Robust-Based Multi-Period Investment Planning Model for Island Microgrid. Int. J. Electr. Power Energy Syst. 2021, 130, 106998. [Google Scholar] [CrossRef]
- Alipour, M.; Gharehpetian, G.B.; Ahmadiahangar, R.; Rosin, A.; Kilter, J. Energy Storage Facilities Impact on Flexibility of Active Distribution Networks: Stochastic Approach. Electr. Power Syst. Res. 2022, 213, 108645. [Google Scholar] [CrossRef]
- Wang, Y.; Wang, X.; Zhang, Y.; Zhang, Y.; Xu, Z. Over-Limit Risk Assessment Method of Integrated Energy System Considering Source-Load Correlation. Glob. Energy Interconnect. 2023, 6, 661–674. [Google Scholar] [CrossRef]
- Niu, X.-P.; Wang, R.-Z.; Liao, D.; Zhu, S.-P.; Zhang, X.-C.; Keshtegar, B. Probabilistic Modeling of Uncertainties in Fatigue Reliability Analysis of Turbine Bladed Disks. Int. J. Fatigue 2021, 142, 105912. [Google Scholar] [CrossRef]
- Mohandes, B.; Moursi, M.S.E.; Hatziargyriou, N.; Khatib, S.E. A Review of Power System Flexibility with High Penetration of Renewables. IEEE Trans. Power Syst. 2019, 34, 3140–3155. [Google Scholar] [CrossRef]
- Gasser, P.; Suter, J.; Cinelli, M.; Spada, M.; Burgherr, P.; Hirschberg, S.; Kadziński, M.; Stojadinović, B. Comprehensive Resilience Assessment of Electricity Supply Security for 140 Countries. Ecol. Indic. 2020, 110, 105731. [Google Scholar] [CrossRef]
- Bu, Y.; Zhang, X. On the Way to Integrate Increasing Shares of Variable Renewables in China: Activating Nearby Accommodation Potential under New Provincial Renewable Portfolio Standard. Processes 2021, 9, 361. [Google Scholar] [CrossRef]
- Calvin, K.; Dasgupta, D.; Krinner, G.; Mukherji, A.; Thorne, P.W.; Trisos, C.; Romero, J.; Aldunce, P.; Barrett, K.; Blanco, G.; et al. IPCC, 2023: Climate Change 2023: Synthesis Report. Contribution of Working Groups I, II and III to the Sixth Assessment Report of the Intergovernmental Panel on Climate Change; Core Writing Team, Lee, H., Romero, J., Eds.; Intergovernmental Panel on Climate Change (IPCC): Geneva, Switzerland, 2023. [Google Scholar]
Disclaimer/Publisher’s Note: The statements, opinions and data contained in all publications are solely those of the individual author(s) and contributor(s) and not of MDPI and/or the editor(s). MDPI and/or the editor(s) disclaim responsibility for any injury to people or property resulting from any ideas, methods, instructions or products referred to in the content. |
© 2024 by the authors. Licensee MDPI, Basel, Switzerland. This article is an open access article distributed under the terms and conditions of the Creative Commons Attribution (CC BY) license (https://creativecommons.org/licenses/by/4.0/).






