Applicability of a Fractal Model for Sandstone Pore-Fracture Structure Heterogeneity by Using High-Pressure Mercury Intrusion Tests
Abstract
1. Introduction
2. Sample Preparation and Experimental Testing
2.1. Sample Collection
2.2. Experimental Methods
2.3. Computational Theory
3. Results and Discussion
3.1. Sample Classification Based on Pressed Mercury Basis Testing
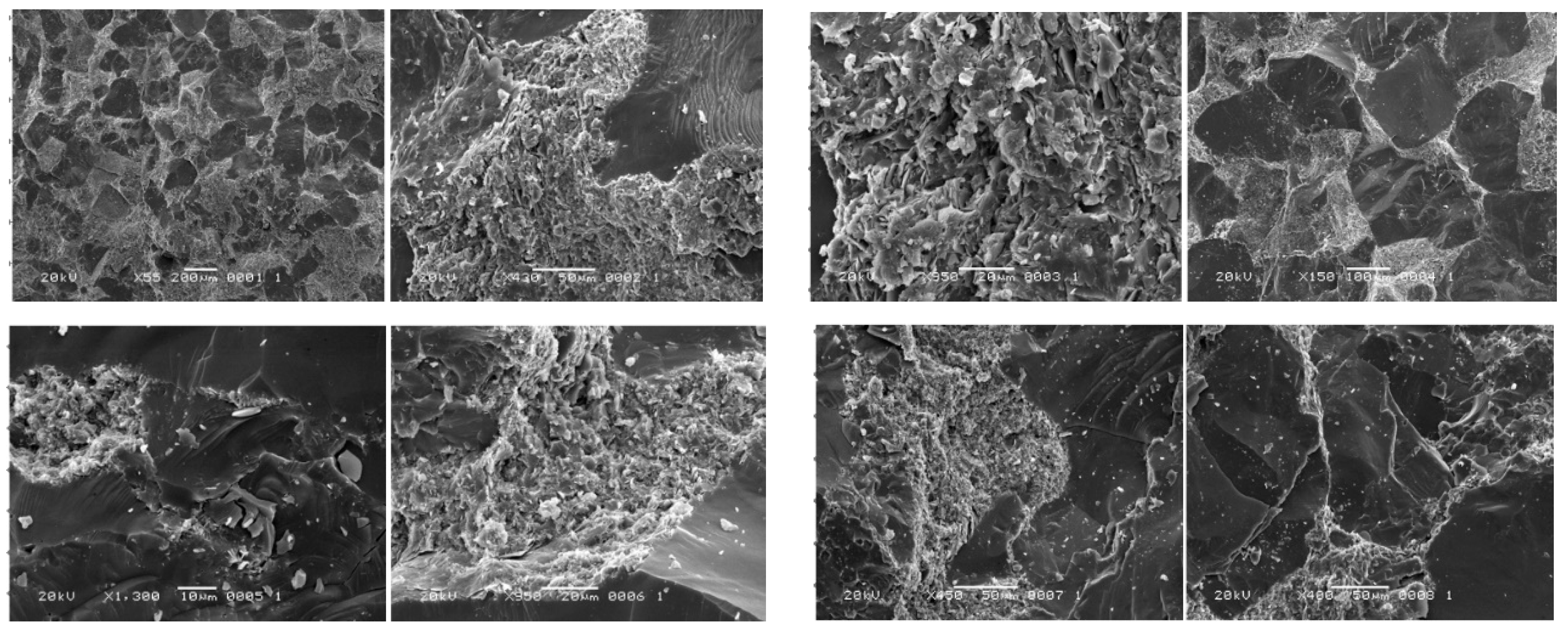
SEM Images of Test Samples
3.2. Quantitative Characterization of Heterogeneity of Pore Distribution Based on Different Fractal Models
4. Conclusions
Author Contributions
Funding
Data Availability Statement
Conflicts of Interest
Abbreviations
| Term | Significance |
| D | Fractal dimension |
| DT | Fractal dimension by using Thermodynamics |
| DS | Fractal dimension by using the Sierpinski model |
| D−10–D0 | The fractal dimension value of the pore structure with a lower pore volume |
| D0–D10 | The fractal dimension value of the pore structure with a larger pore volume |
| D−10–D10 | The fractal dimension value of the pore structure with a total pore volume |
References
- Lai, J.; Wang, G.W. Fractal analysis of tight gas sandstones using high-pressure mercury intrusion techniques. J. Nat. Gas Sci. Eng. 2015, 24, 185–196. [Google Scholar] [CrossRef]
- Lai, J.; Wang, G.; Wang, Z.; Chen, J.; Pang, X.; Wang, S.; Zhou, Z.; He, Z.; Qin, Z.; Fan, X. A review on pore structure characterization in tight sandstones. Earth-Sci. Rev. 2018, 177, 436–457. [Google Scholar] [CrossRef]
- Liu, J.; Zhang, C.; Jiang, Y.; Hou, S. Investigation on pore structure characteristics of ultra-tight sandstone reservoirs in the upper Triassic Xujiahe Formation of the northern Sichuan Basin, China. Mar. Pet. Geol. 2022, 138, 105552. [Google Scholar] [CrossRef]
- Jia, A.; Wei, Y.; Guo, Z.; Wang, G.; Meng, D.; Huang, S. Development status and prospect of tight sandstone gas in China. Nat. Gas Ind. 2022, 42, 83–92. (In Chinese) [Google Scholar] [CrossRef]
- Yang, Q.; Xue, J.; Li, W.; Du, X.; Ma, Q.; Zhan, K.; Chen, Z. Comprehensive evaluation and interpretation of mercury intrusion porosimetry data of coals based on fractal theory, Tait equation, and matrix compressibility. Fuel 2021, 298, 120823. [Google Scholar] [CrossRef]
- Zhang, J.; Qin, Z.; Han, Y.; Wang, H.; Hou, M.; Yan, G.; Feng, G.; Zhang, X.; Yin, T.; Zhang, H.; et al. Pore-fracture distribution heterogeneity of shale reservoirs determined by using HPMI and LPN2 GA tests. Acta Geol. Sin.-Engl. Ed. 2022, 96, 1659–1672. [Google Scholar] [CrossRef]
- Liu, H.; Qiao, Y.; He, M.; Shen, R.; Gu, Z.; Cheng, T.; Xiao, Y.; Tang, J. Effect of water saturation on dynamic behavior of sandstone after wetting-drying cycles. Eng. Geol. 2023, 319, 107105. [Google Scholar] [CrossRef]
- Lu, Z.; Li, K.; Liu, X.; Zhao, P.; Liu, J. Low-field NMR application in the characterization of CO2 geological storage and utilization related to shale gas reservoirs: A brief review. Front. Earth Sci. 2023, 17, 739–751. [Google Scholar] [CrossRef]
- Zhang, J.; Hu, Y. Comparative evaluation of pore structure heterogeneity in low-permeability tight sandstones using different fractal models based on NMR technology: A Case study of Benxi formation in the central Ordos Basin. Energy Fuels 2020, 34, 13924–13942. [Google Scholar]
- Zhuo, J.Y.; Liu, W.Y.; Wang, X.Y. Analysis of mineral composition and pore structure of sandstone and mudstone. Heilongjiang Sci. 2022, 13, 22–25. (In Chinese) [Google Scholar]
- Huang, D.J.; Li, X.H.; Liu, Y.; Zhang, H. Characteristics of dense sandstone reservoirs in the Benxi Formation in the east-central Ordos Basin and the selection of favorable layer sections. J. Xi’an Univ. Sci. Technol. 2023, 43, 109–118. (In Chinese) [Google Scholar]
- Yan, J.-P.; He, X.; Geng, B.; Hu, Q.-H.; Feng, C.-Z.; Kou, X.-P.; Li, X.-W. Nuclear magnetic resonance T 2 spectrum: Multifractal characteristics and pore structure evaluation. Appl. Geophys. 2017, 14, 205–215. [Google Scholar] [CrossRef]
- Luo, B.; Tao, R.; Cui, X.; Xin, H.; Dan, W. Fractal characterization of pore-throat structure in dense sandstone reservoirs in the Wuji-Zhidan area of the Ordos Basin, Chang 8 section. Nat. Gas Geosci. 2023, 34, 1305–1315. (In Chinese) [Google Scholar]
- Wei, L.; Wang, D.K.; Chen, X.; Shen, J.T.; Gong, J.P.; Yan, X. Fractal characterization of the pore structure of coal. Technol. Innov. Appl. 2023, 13, 53–56. (In Chinese) [Google Scholar]
- Zuo, R.; Wang, J. Fractal/multifractal modeling of geochemical data: A review. J. Geochem. Explor. 2016, 164, 33–41. [Google Scholar] [CrossRef]
- Sun, Y.F.; Zhao, Y.X.; Yuan, L. Quantifying nano-pore heterogeneity and anisotropy in gas shale by synchrotron radiation nano-CT. Microporous Mesoporous Mater. 2018, 258, 8–16. [Google Scholar] [CrossRef]
- Zhao, H.T.; Guo, Y.H.; Du, X.W.; Hu, Y.B.; Kang, R.; Shangguan, J.W. Multiple fractal characterization of micropore space in sandstone reservoirs of Benxi Formation, Gaoqiao area, Ordos Basin. Geol. Sci. Technol. Inf. 2020, 39, 175–184. (In Chinese) [Google Scholar]
- Meng, Q.; Qin, Q.; Yang, H.; Zhou, H.; Wu, K.; Wang, L. Fractal Characteristics of the Pore Structure of Coral Powder-Cement Slurry under Different Fractal Models. Fractal Fract. 2022, 6, 145. [Google Scholar] [CrossRef]
- Wang, M.; Li, Z.; Liang, Z.; Jiang, Z.; Wu, W. Method Selection for Analyzing the Mesopore Structure of Shale-Using a Combination of Multifractal Theory and Low-Pressure Gas Adsorption. Energies 2023, 16, 2464. [Google Scholar] [CrossRef]
- Jiang, P.; Jia, H.M.; Ma, S.Z. Quantitative characterization of multiple fractal features of pore structure in dense sandstone reservoirs. J. Petrochem. Univ. 2018, 31, 69–73. (In Chinese) [Google Scholar]
- Tang, W.; Zhang, Y.; Pe-Piper, G.; Piper, D.J.W.; Guo, Z.; Li, W. Soft-sediment deformation structures in alkaline lake deposits of Lower Permian Fengcheng Formation, Junggar Basin, NW China: Implications for syn-sedimentary tectonic activity. Sediment. Geol. 2020, 406, 105719. [Google Scholar] [CrossRef]
- Xiao, M.; Wu, S.; Yuan, X.; Xie, Z. Conglomerate Reservoir Pore Evolution Characteristics and Favorable Area Prediction: A Case Study of the Lower Triassic Baikouquan Formation in the Northwest Margin of the Junggar Basin, China. J. Earth Sci. 2021, 32, 998–1010. [Google Scholar] [CrossRef]
- Zhi, D.; Liu, M.; Chen, X.; Said, N.; Tang, W.; Hu, C.; Qin, Z.; Zou, H.; Gong, D. Stratigraphic Characteristics and Sediment-Filling Process of the Early Permian Fengcheng Formation in the Northwestern Margin of the Junggar Basin, Northwest China. Front. Earth Sci. 2022, 10, 945563. [Google Scholar] [CrossRef]
- Yang, F.; Ning, Z.; Wang, Q.; Zhang, R.; Krooss, B.M. Pore structure characteristics of lower Silurian shales in the southern Sichuan Basin, China: Insights to pore development and gas storage mechanism. Int. J. Coal Geol. 2016, 156, 12–24. [Google Scholar] [CrossRef]
- Chen, F.Y.; Zhou, Y.; Yang, D.J.; Wang, H.F. Study on pore structure of tight sandstone reservoirs based on fractal theory: A case study of Chang 7 Member of Yanchang Formation in Qingcheng Area, Ordos Basin. J. China Univ. Min. Technol. 2022, 51, 941–955. (In Chinese) [Google Scholar]
- Lai, J.; Wang, G.; Fan, Z.; Chen, J.; Wang, S.; Zhou, Z.; Fan, X. Insight into the Pore Structure of Tight Sandstones Using NMR and HPMI Measurements. Energy Fuels 2016, 30, 10200–10214. [Google Scholar] [CrossRef]
- Zhang, F.; Jiang, Z.; Sun, W.; Li, Y.; Zhang, X.; Zhu, L.; Wen, M. A multiscale comprehensive study on pore structure of tight sandstone reservoir realized by nuclear magnetic resonance, high pressure mercury injection and constant-rate mercury injection penetration test. Mar. Pet. Geol. 2019, 109, 208–222. [Google Scholar] [CrossRef]
- Wang, Y.J.; Zhao, X.D.; Zhou, B.Y.; Li, Q.; Liu, Z.L.; Li, L.; Li, X.S.; Ji, X.B. Evaluation of pore structure in low-permeability sandstone reservoirs based on high-pressure mercury pressure-constant velocity mercury pressure. Fault Block Oil Gas Field 2022, 29, 824–830. (In Chinese) [Google Scholar]
- Zhang, J.J. Study on the pore and fracture structure of middle and high-order coal reservoirs and the pore seepage dynamics of multi-layer combined mining. China Univ. Min. Technol. 2020. (In Chinese) [Google Scholar]
- Zhang, M.; Duan, C.; Li, G.; Fu, X.; Zhong, Q.; Liu, H.; Dong, Z. Determinations of the multifractal characteristics of the pore structures of low-, middle-, and high-rank coal using high-pressure mercury injection. J. Pet. Sci. Eng. 2021, 203, 108656. [Google Scholar] [CrossRef]
- Zhou, F.; Chen, Z.; Rahman, S. Effect of hydraulic fracture extension into sandstone on coalbed methane production. J. Nat. Gas Sci. Eng. 2015, 22, 459–467. [Google Scholar] [CrossRef]
















| Sample No. | Pore Volume (cm3·g−1) | Porosity (%) | Permeability (mD) | Mercury Removal Efficiency (%) |
|---|---|---|---|---|
| 1 | 0.876865 | 13.0 | 1.27 | 44.59 |
| 2 | 1.2908226 | 14.1 | 5.78 | 51.79 |
| 3 | 1.2762134 | 14.0 | 6.59 | 49.04 |
| 4 | 0.947973 | 12.0 | 0.804 | 46.66 |
| 5 | 0.165032 | 4.5 | 0.038 | 21.58 |
| 6 | 0.9993501 | 12.7 | 0.729 | 26.63 |
| 7 | 0.5983404 | 10.6 | 31.0 | 14.08 |
| 8 | 0.7377842 | 12.0 | 7.52 | 19.22 |
| 9 | 1.0976112 | 13.4 | 13.2 | 28.32 |
| 10 | 0.7145822 | 10.0 | 2.27 | 22.27 |
| 11 | 0.1632108 | 3.7 | 2.75 | 15.68 |
Disclaimer/Publisher’s Note: The statements, opinions and data contained in all publications are solely those of the individual author(s) and contributor(s) and not of MDPI and/or the editor(s). MDPI and/or the editor(s) disclaim responsibility for any injury to people or property resulting from any ideas, methods, instructions or products referred to in the content. |
© 2024 by the authors. Licensee MDPI, Basel, Switzerland. This article is an open access article distributed under the terms and conditions of the Creative Commons Attribution (CC BY) license (https://creativecommons.org/licenses/by/4.0/).
Share and Cite
Zou, S.; Sun, M.; Chen, Y.; Li, Q.; Chang, X.; Zhang, J.; Ren, G. Applicability of a Fractal Model for Sandstone Pore-Fracture Structure Heterogeneity by Using High-Pressure Mercury Intrusion Tests. Processes 2024, 12, 1658. https://doi.org/10.3390/pr12081658
Zou S, Sun M, Chen Y, Li Q, Chang X, Zhang J, Ren G. Applicability of a Fractal Model for Sandstone Pore-Fracture Structure Heterogeneity by Using High-Pressure Mercury Intrusion Tests. Processes. 2024; 12(8):1658. https://doi.org/10.3390/pr12081658
Chicago/Turabian StyleZou, Shuangying, Mingyuan Sun, Yongmei Chen, Qinglin Li, Xiangchun Chang, Junjian Zhang, and Guangying Ren. 2024. "Applicability of a Fractal Model for Sandstone Pore-Fracture Structure Heterogeneity by Using High-Pressure Mercury Intrusion Tests" Processes 12, no. 8: 1658. https://doi.org/10.3390/pr12081658
APA StyleZou, S., Sun, M., Chen, Y., Li, Q., Chang, X., Zhang, J., & Ren, G. (2024). Applicability of a Fractal Model for Sandstone Pore-Fracture Structure Heterogeneity by Using High-Pressure Mercury Intrusion Tests. Processes, 12(8), 1658. https://doi.org/10.3390/pr12081658

