Design and Optimization of a Wave-Adaptive Mechanical Converter for Renewable Energy Harvesting Along NEOM’s Surf Coast
Abstract
1. Introduction
2. Materials and Methods
The Wave Resources in Neom Coast
3. Results and Discussion
3.1. Mathematical Illustration of Wave-Energy Extraction Equations
Stored Energy of Waves
- Fext(t) is the extracted force;
- Fe(t) is the excitation force resulting from the incident wave;
- Fu(t) is a force applied intentionally for control and power take-off;
- m is the body’s mass;
- C is the stiffness: restoring-force coefficient;
- A is the hydrodynamic parameter;
- Bf is a mechanical loss resistance due to mechanical PTO friction and viscosity of sea water;
- kr(t) is the radiation-force impulse-response function;
- S(t): The excursion (the displacement of the buoy).

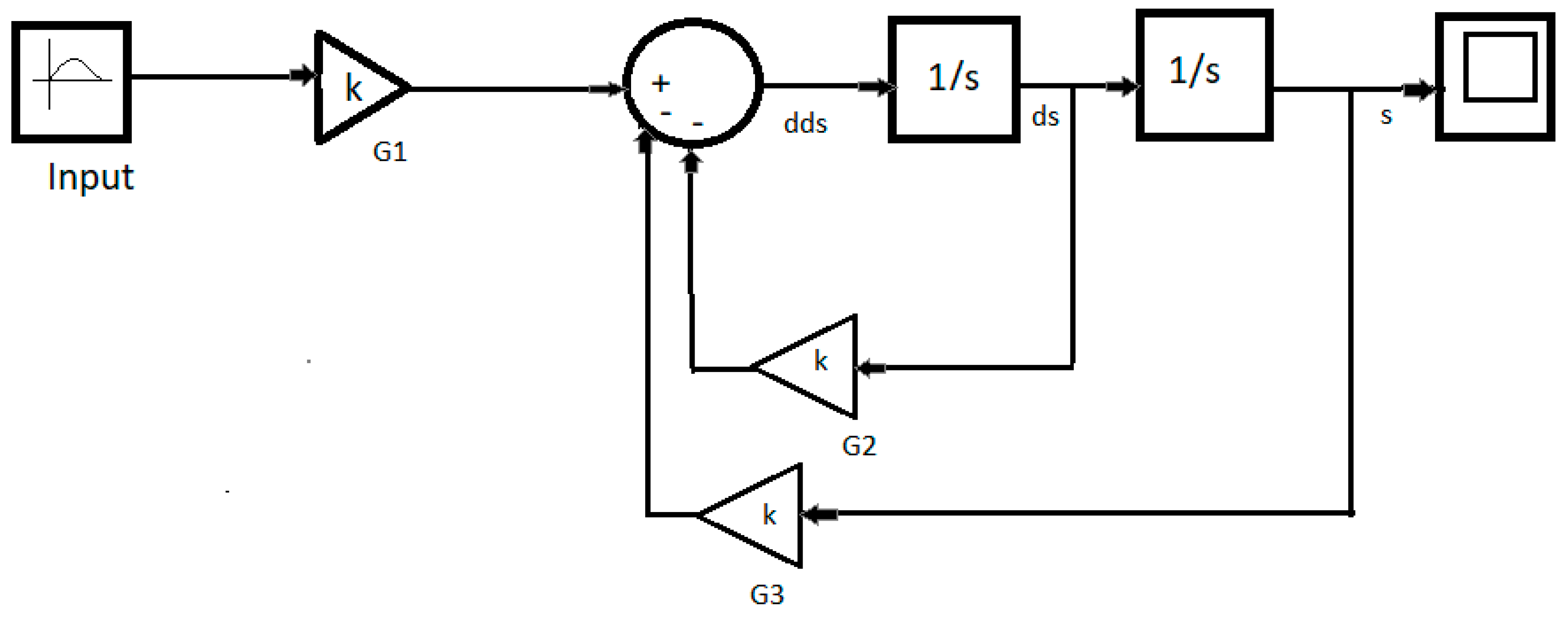
3.2. Simulation of the MWEC
3.3. The Instantaneous Power
- Pd(t) is the instantaneous reactive power;
- u(t) is the heave velocity (the velocity of the oscillating buoy).
Distribution of Wave Energy over Frequency
3.4. Experimental Identification of the Energy Retention of the MWEC
- Optimization of buoy geometry.
- Improvement of PTO performance.
- Deployment in deeper, more energetic waters.
- Implementation of an adaptive damping PTO system to better handle irregular waves [58].
- Small buoy V1 shows the highest relative output amplitude because of its low mass and inertia, allowing a quick response to wave motion.
- Medium buoy V2 provides a balanced response, with moderate amplitude and effective energy absorption.
- Large buoy V3 produces the lowest relative amplitude because higher mass and hydrodynamic effects reduce motion.
4. Conclusions
- First, the mechanical efficiency of the system should be enhanced by optimizing the linear movement of the buoy to reduce frictional losses in the power take-off (PTO) system.
- Second, a comparative investigation into buoy geometry to test spherical, cylindrical, and other shapes.
- Finally, multi-buoy array experiments in the NEOM surf zone are essential, as these would provide data on the system’s durability, seasonal performance, and energy yield in the marine environment.
Author Contributions
Funding
Data Availability Statement
Conflicts of Interest
References
- Chandrasekaran, S. Harender Power Generation Using Mechanical Wave Energy Converter. Int. J. Ocean Clim. Syst. 2012, 3, 57–70. [Google Scholar] [CrossRef]
- AbdelMeguid, H.; Gherissi, A.; Elsawy, M.; Aljohani, Z.; Asiri, A.; Saber, M.; Fouda, A. Potential application of solar still desalination in NEOM region. Appl. Water Sci. 2024, 14, 1–14. [Google Scholar] [CrossRef]
- Gherissi, A.; Alahmari, F.; Fadhl, M.; Asiri, A.; Alhwiti, M.; Alamri, O.; Alanisi, M.; Nasri, I. Wind turbine blades structure based on palm cellulose fibers composite material. Epitoanyag J. Silic. Based Compos. Mater. 2021, 73, 109–114. [Google Scholar] [CrossRef]
- Falcão, A.F.D.O. Wave energy utilization: A review of the technologies. Renew. Sustain. Energy Rev. 2010, 14, 899–918. [Google Scholar] [CrossRef]
- Wang, H.; Sun, J.; Xi, Z.; Dai, S.; Xing, F.; Xu, M. Recent Progress on Built-in Wave Energy Converters: A Review. J. Mar. Sci. Eng. 2024, 12, 1176. [Google Scholar] [CrossRef]
- Alkhayyat, M.; Brahimi, T.; Langodan, S.; Hoteit, I. Wave energy converters: Barriers and drivers. In Proceedings of the International Conference on Industrial Engineering and Operations Management, Dubai, United Arab Emirates, 10–12 March 2020. [Google Scholar]
- Dalton, G.; Alcorn, R.; Lewis, T. Case study feasibility analysis of the Pelamis wave energy convertor in Ireland, Portugal and North America. Renew. Energy 2010, 35, 443–455. [Google Scholar] [CrossRef]
- Alamian, R.; Shafaghat, R.; Miri, S.J.; Yazdanshenas, N.; Shakeri, M. Evaluation of technologies for harvesting wave energy in Caspian Sea. Renew. Sustain. Energy Rev. 2014, 32, 468–476. [Google Scholar] [CrossRef]
- Yazdi, H.; Ghafari, H.R.; Ghassemi, H.; He, G.; Karimirad, M. Wave power extraction by Multi-Salter’s duck WECs arrayed on the floating offshore wind turbine platform. Energy 2023, 278 Pt A, 127930. [Google Scholar] [CrossRef]
- Feng, Y.; Zhang, G.; Shen, Y.; You, Y.; Sun, J. Design of Duck Wave Power Generation Device Based on Wave Energy. IOP Conf. Ser. Earth Environ. Sci. 2021, 696, 012039. [Google Scholar] [CrossRef]
- Chaplin, J.R.; Farley, F.J.M.; Rainey, R.C.T. Power conversion in the Anaconda WEC. In Proceedings of the 22nd International Workshop on Water Waves and Floating Bodies, Plitvice, Croatia, 15–18 April 2007; pp. 29–32. [Google Scholar]
- Masuda, Y. An Experience of Wave Power Generator through Tests and Improvement. In Hydrodynamics of Ocean Wave-Energy Utilization. International Union of Theoretical and Applied Mechanics; Evans, D.V., de Falcão, A.F.O., Eds.; Springer: Berlin/Heidelberg, Germany, 1986. [Google Scholar] [CrossRef]
- Ghafari, H.R.; Ghassemi, H.; He, G. Numerical study of the Wavestar wave energy converter with multi-point-absorber around DeepCwind semisubmersible floating platform. Ocean Eng. 2021, 232, 109177. [Google Scholar] [CrossRef]
- Heo, S.; Koo, W. Dynamic Response Analysis of a Wavestar-Type Wave Energy Converter Using Augmented Formulation in Korean Nearshore Areas. Processes 2021, 9, 1721. [Google Scholar] [CrossRef]
- van Rij, J.; Yu, Y.-H.; Edwards, K.; Mekhiche, M. Ocean power technology design optimization. Int. J. Mar. Energy 2017, 20, 97–108. [Google Scholar] [CrossRef]
- Basar, M.F.; Ab Rahman, A.; Din, A.; Yahaya, Y.; Mahmod, Z. Design and development of green electricity generation system using ocean surface wave. In Proceedings of the International Conference on Energy and Sustainable Development: Issues and Strategies (ESD 2010), Chiang Mai, Thailand, 2–4 June 2010; pp. 1–11. [Google Scholar] [CrossRef]
- Weinstein, A.; Fredrikson, G.; Parks, M.; Nielsen, K. AquaBuOY—the offshore wave energy converter numerical modeling and optimization. In Proceedings of the Oceans ′04 MTS/IEEE Techno-Ocean ′04 (IEEE Cat. No.04CH37600), Kobe, Japan, 9–12 November 2004; Volume 4, pp. 1854–1859. [Google Scholar] [CrossRef]
- Cascajo, R.; García, E.; Quiles, E.; Correcher, A.; Morant, F. Integration of Marine Wave Energy Converters into Seaports: A Case Study in the Port of Valencia. Energies 2019, 12, 787. [Google Scholar] [CrossRef]
- Valério, D.; Beirão, P.; da Costa, J.S. Optimisation of wave energy extraction with the Archimedes Wave Swing. Ocean Eng. 2007, 34, 2330–2344. [Google Scholar] [CrossRef]
- Faiz, J.; Ebrahimi-Salari, M. Comparison of the performance of two direct wave energy conversion systems: Archimedes wave swing and power buoy. J. Mar. Sci. Appl. 2011, 10, 419–428. [Google Scholar] [CrossRef]
- Chatzigiannakou, M.A.; Potapenko, T.; Ekergård, B.; Temiz, I. Numerical analysis of an Uppsala University WEC deployment by a barge for different sea states. Ocean Eng. 2020, 205, 107287. [Google Scholar] [CrossRef]
- Tagliafierro, B.; Martínez-Estévez, I.; Domínguez, J.M.; Crespo, A.J.; Göteman, M.; Engström, J.; Gómez-Gesteira, M. A numerical study of a taut-moored point-absorber wave energy converter with a linear power take-off system under extreme wave conditions. Appl. Energy 2022, 311, 118629. [Google Scholar] [CrossRef]
- Li, D.; Sharma, S.; Borthwick, A.G.; Huang, H.; Dong, X.; Li, Y.; Shi, H. Experimental study of a floating two-body wave energy converter. Renew. Energy 2023, 218, 119351. [Google Scholar] [CrossRef]
- Mackay, E.; Cruz, J.; Livingstone, M.; Arnold, P.; Hassan, G.L.G. Validation of a time domain modelling tool for wave energy converter arrays. In Proceedings of the 10th European Wave and Tidal Energy Conference 2013, Aalborg, Denmark, 2–5 September 2013. [Google Scholar]
- Dias, F.; Renzi, E.; Gallagher, S.; Sarkar, D.; Wei, Y.; Abadie, T.; Cummins, C.; Rafiee, A. Analytical and computational modelling for wave energy systems: The example of oscillating wave surge converters. Acta Mech. Sin. 2017, 33, 647–662. [Google Scholar] [CrossRef]
- Jahangir, M.H.; Houmani, A.; Kargarzadeh, A. A theoretical assessment of energy efficiency of wave tower as an oscillating wave surge converter. Ocean Eng. 2024, 295, 116748. [Google Scholar] [CrossRef]
- Yusop, Z.M.; Ibrahim, M.Z.; Jusoh, M.A.; Albani, A.; Rahman, S.J.A. Wave-Activated-Body Energy Converters Technologies: A Review. J. Adv. Res. Fluid Mech. Therm. Sci. 2020, 76, 76–104. [Google Scholar] [CrossRef]
- Zhang, H.; Aggidis, G. Nature rules hidden in the biomimetic wave energy converters. Renew. Sustain. Energy Rev. 2018, 97, 28–37. [Google Scholar] [CrossRef]
- Wu, J.; Qian, C.; Zheng, S.; Chen, N.; Xia, D.; Göteman, M. Investigation on the wave energy converter that reacts against an internal inverted pendulum. Energy 2022, 247, 123493. [Google Scholar] [CrossRef]
- Jiang, X.; Shi, H.; Cao, F.; Zhao, Z.; Li, M.; Chen, Z. System analysis and experimental investigation of a pendulum-based wave energy converter. Ocean Eng. 2023, 277, 114300. [Google Scholar] [CrossRef]
- Wan, Z.; Zheng, H.; Sun, K.; Zhou, K. A Model and Experiment Study of an Improved Pendulor Wave Energy Converter. Energy Procedia 2017, 105, 283–288. [Google Scholar] [CrossRef]
- Neill, S.P.; Hashemi, M.R. Chapter 5—Wave Energy. In E-Business Solutions, Fundamentals of Ocean Renewable Energy; Neill, S.P., Hashemi, M.R., Eds.; Academic Press: Cambridge, MA, USA, 2018; pp. 107–140. ISBN 9780128104484. [Google Scholar] [CrossRef]
- Brito-Melo, A.; Neuman, F.; Sarmento, A.J. Full-scale Data Assessment in OWC Pico. Int. J. Offshore Polar Eng. 2008, 18, 27–34. [Google Scholar]
- Kerdtuad, P.; Simma, T.; Chaiamarit, K.; Visawaphatradhanadhorn, S. Establishment of a pico hydro power plant using permanent magnet synchronous generator supplied for ac microgrid. In Proceedings of the 2018 International Electrical Engineering Congress (iEECON), Krabi, Thailand, 7–9 March 2018; pp. 1–4. [Google Scholar] [CrossRef]
- Ogata, T.; Washio, Y.; Osawa, H.; Tsuritani, Y.; Yamashita, S.; Nagata, Y. The open sea tests of the offshore floating type wave power device “Mighty Whale”: Performance of the prototype. In Proceedings of the ASME 2002 21st International Conference on Offshore Mechanics and Arctic Engineering, Oslo, Norway, 23–28 June 2002; pp. 517–524. [Google Scholar] [CrossRef]
- Hotta, H.; Washio, Y.; Yokozawa, H.; Miyazaki, T. R&D on wave power device “Mighty Whale”. Renew. Energy 1996, 9, 1223–1226. [Google Scholar] [CrossRef]
- Wu, B.; Chen, T.; Jiang, J.; Li, G.; Zhang, Y.; Ye, Y. Economic assessment of wave power boat based on the performance of “Mighty Whale” and BBDB. Renew. Sustain. Energy Rev. 2018, 81, 946–953. [Google Scholar] [CrossRef]
- Hannon, M.J.; van Diemen, R.; Skea, J. Lost at sea or a new wave of innovation? Examining the effectiveness of the UK’s wave energy innovation system since 2000. In Proceedings of the International Sustainability Transitions 2018, Manchester, UK, 12–14 June 2018. [Google Scholar]
- Manasseh, R.; McInnes, K.L.; Hemer, M.A. Pioneering developments of marine renewable energy in Australia. Int. J. Ocean. Clim. Syst. 2017, 8, 50–67. [Google Scholar] [CrossRef]
- Mustapa, M.; Yaakob, O.; Ahmed, Y.M.; Rheem, C.-K.; Koh, K.; Adnan, F.A. Wave energy device and breakwater integration: A review. Renew. Sustain. Energy Rev. 2017, 77, 43–58. [Google Scholar] [CrossRef]
- Kaygusuz, E.; Soliman, A.M.S.; Mutlu, H. Wave Energy: A global overview of the current state of established companies. In Proceedings of the CISET—2nd Cilicia International Symposium on Engineering and Technology, Mersin, Turkey, 10–12 October 2019. [Google Scholar]
- Margheritini, L.; Vicinanza, D.; Frigaard, P. SSG wave energy converter: Design, reliability and hydraulic performance of an innovative overtopping device. Renew. Energy 2009, 34, 1371–1380. [Google Scholar] [CrossRef]
- Vicinanza, D.; Margheritini, L.; Kofoed, J.P.; Buccino, M. The SSG Wave Energy Converter: Performance, Status and Recent Developments. Energies 2012, 5, 193–226. [Google Scholar] [CrossRef]
- Parmeggiani, S.; Chozas, J.F.; Pecher, A.; Friis-Madsen, E.; Sørensen, H.C.; Kofoed, J.P. Performance Assessment of the Wave Dragon Wave Energy Converter Based on the EquiMar Methodology. In Proceedings of the 9th European Wave and Tidal Conference, Southampton, UK, 5–9 September 2011. [Google Scholar]
- Langodan, S.; Cavaleri, L.; Viswanadhapalli, Y.; Hoteit, I. The Red Sea: A Natural Laboratory for Wind and Wave Modeling. J. Phys. Oceanogr. 2014, 44, 3139–3159. [Google Scholar] [CrossRef]
- Hwang, I.-K.; Lee, M.; Han, J.; Choi, J. Wave height measurement scheme using wave detector based on convolutional neural network and PPM calculator with ocean wave images. Int. J. Nav. Arch. Ocean Eng. 2023, 15, 100542. [Google Scholar] [CrossRef]
- Langodan, S.; Cavaleri, L.; Pomaro, A.; Vishwanadhapalli, Y.; Bertotti, L.; Hoteit, I. The climatology of the Red Sea–part 2: The waves. Int. J. Clim. 2017, 37, 4518–4528. [Google Scholar] [CrossRef]
- Elshinnawy, A.I.; Lobeto, H.; Menéndez, M. Changing wind-generated waves in the Red Sea during 64 years. Ocean Eng. 2024, 297, 116994. [Google Scholar] [CrossRef]
- Têtu, A. Power Take-Off Systems for WECs. In Handbook of Ocean Wave Energy; Pecher, A., Kofoed, J., Eds.; Ocean Engineering & Oceanography, Volume 7; Springer: Cham, Switzerland, 2017. [Google Scholar] [CrossRef]
- Waskito, K.T.; Geraldi, A.; Ichi, A.C.; Yanuar; Rahardjo, G.P.; Al Ghifari, I. Design of hydraulic power take-off systems unit parameters for multi-point absorbers wave energy converter. Energy Rep. 2023, 11, 115–127. [Google Scholar] [CrossRef]
- Srisuwan, C.; Rattanamanee, P.; Rattanapitikon, W. Analytical formula for estimation of surface wave power with application in the coastal ocean of Thailand. Ocean Eng. 2020, 204, 107273. [Google Scholar] [CrossRef]
- Available online: https://aqualink.org (accessed on 1 December 2024).
- Pecher, A.; Kofoed, J.P.; Larsen, T.; Marchalot, T. Experimental Study of the WEPTOS Wave Energy Converter. In Proceedings of the ASME 2012 31st International Conference on Ocean, Offshore and Arctic Engineering, Rio de Janeiro, Brazil, 1–6 July 2012; Volume 7, pp. 525–534. [Google Scholar] [CrossRef]
- Available online: https://windy.app/map/#c=28.05487,34.70381&z=10 (accessed on 1 December 2024).
- Langodan, S.; Cavaleri, L.; Vishwanadhapalli, Y.; Pomaro, A.; Bertotti, L.; Hoteit, I. The climatology of the Red Sea—Part 1: The wind. Int. J. Clim. 2017, 37, 4509–4517. [Google Scholar] [CrossRef]
- Falnes, J. A review of wave-energy extraction. In Marine Structures; CRC Press: Boca Raton, FL, USA, 2007; Volume 20, pp. 185–201. [Google Scholar] [CrossRef]
- Katopodes, N.D. Chapter 2—air-water interface. In Free-Surface Flow; Katopodes, N.D., Ed.; Butterworth-Heinemann: Oxford, UK, 2019; pp. 44–121. ISBN 9780128154878. [Google Scholar] [CrossRef]
- He, R.; He, G.; Jing, P.; Luan, Z.; Liu, C. Adaptive Damping PTO Control of Wave Energy Converter for Irregular Waves Supported by Wavelet Transformation. Energies 2025, 18, 3328. [Google Scholar] [CrossRef]











| Buoy | Volume (cm3) | Mass (kg) | Dimensions (cm) |
|---|---|---|---|
| V1 | 6000 | 0.6 | 10 × 20 × 30 |
| V2 | 30,000 | 1.2 | 20 × 30 × 50 |
| V3 | 72,000 | 3.6 | 30 × 40 × 60 |
| Week | Wind Speed (km/h) | Wind Direction (°) | Wave Height (m) | Wave Period (seconds) | Wave Direction (°) | |
|---|---|---|---|---|---|---|
| Average per Week November 2024 | Week 1 | 12 | 239 | 0.7 | 5 | 291 |
| Week 2 | 3.7 | 243 | 0.6 | 5 | 296 | |
| Week 3 | 9.6 | 178 | 0.6 | 4 | 359 | |
| Week 4 | 15.7 | 201 | 1.1 | 6 | 284 | |
| Average per Week December 2024 | Week 1 | 25 | 245 | 1.5 | 6 | 284 |
| Week 2 | 29.3 | 226 | 1.3 | 4 | 268 | |
| Week 3 | 28.2 | 261 | 1.5 | 5 | 287 | |
| Week 4 | 26.3 | 293 | 2.1 | 6 | 300 |
| Month | Significant Wave Height (Hs) (m) | Deviation (±m) |
|---|---|---|
| January | 1.3 | ±0.3 |
| February | 1.1 | ±0.3 |
| March | 0.9 | ±0.3 |
| April | 0.8 | ±0.1 |
| May | 0.9 | ±0.3 |
| June | 1.0 | ±0.3 |
| July | 1.1 | ±0.3 |
| August | 1.2 | ±0.3 |
| September | 0.9 | ±0.3 |
| October | 0.8 | ±0.1 |
| November | 1.0 | ±0.3 |
| December | 1.3 | ±0.3 |
| Month | Significant Wave Period (Ts) | Deviation (±seconds) |
|---|---|---|
| January | 6.5 | ± 0.5 |
| February | 6.3 | ± 0.5 |
| March | 6.2 | ± 0.4 |
| April | 6.0 | ± 0.4 |
| May | 5.8 | ± 0.3 |
| June | 5.5 | ± 0.3 |
| July | 5.3 | ± 0.3 |
| August | 5.2 | ± 0.3 |
| September | 5.4 | ± 0.3 |
| October | 5.9 | ± 0.4 |
| November | 6.3 | ± 0.4 |
| December | 6.7 | ± 0.5 |
| Input Wave Amplitude (cm) | Avg. Output Amplitude V1 (cm) | ±Error (cm) | Avg. Output Amplitude V2 (cm) | ±Error (cm) | Avg. Output Amplitude V3 (cm) | ± Error (cm) |
|---|---|---|---|---|---|---|
| 20 | 11 | ±0.6 | 8 | ±0.4 | 6 | ±0.3 |
| 32 | 12 | ±0.6 | 10 | ±0.5 | 9 | ±0.5 |
| 44 | 18 | ±0.9 | 15 | ±0.8 | 12 | ±0.6 |
| 52 | 21.3 | ±1.1 | 20 | ±1.0 | 19 | ±1.0 |
| 65 | 30.2 | ±1.5 | 27 | ±1.4 | 24 | ±1.2 |
| Input Wave Amplitude (cm) | Avg. Output Force V1 (N) | ±Error (N) | Avg. Output Force V2 (N) | ±Error (N) | Avg. Output Force V3 (N) | ±Error (N) |
|---|---|---|---|---|---|---|
| 20 | 12 | ±1.0 | 20 | ±1.6 | 28 | ±2.2 |
| 32 | 22 | ±1.8 | 35 | ±2.8 | 45 | ±3.6 |
| 44 | 30 | ±2.4 | 48 | ±3.8 | 62 | ±5.0 |
| 52 | 38 | ±3.0 | 58 | ±4.6 | 74 | ±5.9 |
| 65 | 50 | ±4.0 | 75 | ±6.0 | 95 | ±7.6 |
| Buoy Volume | Average Efficiency (η_RC) | Standard Deviation |
|---|---|---|
| V1 | 0.1988 | 0.0572 |
| V2 | 0.1389 | 0.0278 |
| V3 | 0.1027 | 0.0268 |
| Input Wave Amplitude (cm) | Avg. Output Power V1 (W) | ±Error (W) | Avg. Output Power V2 (W) | ±Error (W) | Avg. Output Power V3 (W) | ±Error (W) |
|---|---|---|---|---|---|---|
| 20 | 8.2 | ±0.8 | 29.6 | ±2.8 | 53.3 | ±5.0 |
| 32 | 8.9 | ±0.8 | 37.0 | ±3.5 | 80.0 | ±7.5 |
| 44 | 13.4 | ±1.3 | 55.5 | ±5.2 | 106.6 | ±10.0 |
| 52 | 15.8 | ±1.5 | 74.0 | ±7.0 | 168.7 | ±15.9 |
| 65 | 22.4 | ±2.1 | 100.0 | ±9.4 | 213.1 | ±20.0 |
Disclaimer/Publisher’s Note: The statements, opinions and data contained in all publications are solely those of the individual author(s) and contributor(s) and not of MDPI and/or the editor(s). MDPI and/or the editor(s) disclaim responsibility for any injury to people or property resulting from any ideas, methods, instructions or products referred to in the content. |
© 2025 by the authors. Licensee MDPI, Basel, Switzerland. This article is an open access article distributed under the terms and conditions of the Creative Commons Attribution (CC BY) license (https://creativecommons.org/licenses/by/4.0/).
Share and Cite
Gherissi, A.; Elnasri, I.; Lakhouit, A.; Ali, M. Design and Optimization of a Wave-Adaptive Mechanical Converter for Renewable Energy Harvesting Along NEOM’s Surf Coast. Processes 2025, 13, 3229. https://doi.org/10.3390/pr13103229
Gherissi A, Elnasri I, Lakhouit A, Ali M. Design and Optimization of a Wave-Adaptive Mechanical Converter for Renewable Energy Harvesting Along NEOM’s Surf Coast. Processes. 2025; 13(10):3229. https://doi.org/10.3390/pr13103229
Chicago/Turabian StyleGherissi, Abderraouf, Ibrahim Elnasri, Abderrahim Lakhouit, and Malek Ali. 2025. "Design and Optimization of a Wave-Adaptive Mechanical Converter for Renewable Energy Harvesting Along NEOM’s Surf Coast" Processes 13, no. 10: 3229. https://doi.org/10.3390/pr13103229
APA StyleGherissi, A., Elnasri, I., Lakhouit, A., & Ali, M. (2025). Design and Optimization of a Wave-Adaptive Mechanical Converter for Renewable Energy Harvesting Along NEOM’s Surf Coast. Processes, 13(10), 3229. https://doi.org/10.3390/pr13103229

