Next Article in Journal
Lactic Acid Production from Steam-Exploded Sugarcane Bagasse Using Bacillus coagulans DSM2314
Previous Article in Journal
Use of a Highly Specialized Biocatalyst to Produce Lactate or Biohydrogen and Butyrate from Agro-Industrial Resources in a Dual-Phase Dark Fermentation
Previous Article in Special Issue
Joint Multi-Optimization of an Extremophilic Microbial Bioanode for Mitigation of Mixed Hazardous Azo Dyes in Textile Synthetic Wastewater
 
 
Font Type:
Arial Georgia Verdana
Font Size:
Aa Aa Aa
Line Spacing:
Column Width:
Background:
Article

Process Sustainability Analysis of Biorefineries to Produce Biofertilizers and Bioenergy from Biodegradable Residues

by
Johana Marisol Burbano-Cuasapud
,
Juan Camilo Solarte-Toro
,
Daissy Lorena Restrepo-Serna
and
Carlos Ariel Cardona Alzate
*
Institute of Biotechnology and Agroindustry, Chemical Engineering Department, Universidad Nacional de Colombia—Manizales Campus, km 07 vía al Magdalena, Manizales 111321, Colombia
*
Author to whom correspondence should be addressed.
Fermentation 2023, 9(9), 788; https://doi.org/10.3390/fermentation9090788
Submission received: 23 June 2023 / Revised: 25 July 2023 / Accepted: 25 July 2023 / Published: 25 August 2023
(This article belongs to the Special Issue Biodegradation and Fermentation in Biorefinery)

Abstract

:
The use of chemical fertilizers is essential for agricultural development when soils do not have the nutritional balance required for plants. The continuous use of chemical fertilizers has changed the soil physicochemical and biological properties. Biofertilizer production has been considered as an alternative to reduce chemical fertilizers dependence and the environmental impact. The aim of this study is the evaluation of three technologies for the production of biofertilizers and bioenergy at technical, economic, environmental, and social levels. Ammonium sulfate and digestate-based biofertilizers were obtained via anaerobic digestion; biochar was produced via gasification; and amino acids as plants biostimulants were obtained via protein hydrolysis. Different indicators were calculated for elucidating the sustainability of the processes. Technical, economic, environmental, and social analysis is performed for each of the biorefineries processing stage (complex and stand-alone) without considering the agronomic stage or other value chain links. Scenario 1 presented a positive impact on the economic, environmental, and social aspects since this process has a payback period of 10 years, a carbon footprint of 0.67 kg CO2-eq/kg product, and a potential to generate nine jobs in the Colombian context due to the products portfolio, in contrast with scenario 2 and 3. As conclusion, the integration of biofertilizers and bioenergy in biorefineries have the potential to expand the range of bioproducts and to increase the process sustainability.

1. Introduction

1.1. Overview

Soil fertility is one of the main factors in agriculture development. Chemical fertilizers have been used to balance soil nutrients and to improve crop yields. Along with population growth and the need for food production and food security, the use of chemical fertilizers has increased over the years [1,2]. In 2022, chemical fertilizers global demand was 200,919 thousand tons, representing an increase of 3% compared with the previous year [1]. Nevertheless, the continuous use of chemical fertilizers has decreased the content of soil organic matter (SOM) and has affected the agricultural soil quality [2].
The most important chemical fertilizers are macronutrient compounds (nitrogen, phosphorus, and potassium) [1,2]. Chemical fertilizers have been produced from minerals and fossil fuels through chemical industrial processes. The most used chemical fertilizer group for agricultural labor are urea, monoammonium (MAP), diammonium phosphate (DAP), and potassium chloride. During the production processes of this type of fertilizers, large amounts of energy and water are consumed, and pollutants are released to the atmosphere [3]. For instance, urea production is a natural gas-dependent process for obtaining ammonia for the reaction with carbon dioxide [4,5]. As for phosphates, phosphoric acid is produced using phosphate rocks with sulfuric acid through different chemical processes for the reaction with ammonia [6]. Moreover, potassium chloride is found as sylvite or can be extracted from salt water [7]. Thus, fossil-based products are highly required for the current production of chemical fertilizers.
Biofertilizers have been denominated as products based on living and biologically active organisms with nitrogen fixing, phosphate solubilization and mobilization, potassium solubilization, and mobilization capacity. Matter degradation and the production of plant growth promoters constitute important factors associated with biofertilizers [8]. Biofertilizer production has been studied as an alternative to reduce the demand for chemical fertilizers and the environmental impact. These compounds enhance the soil fertility, crops yield, and nutrient availability for plants when compared with chemical fertilizers [8,9]. For this reason, different technologies have been researched to obtain biofertilizers from several bio-based sources [9,10]. The global market for biofertilizers has grown in recent years. Indeed, the biofertilizers market was 2.14 billion USD in 2023, with the increase in sales being attributed to their utilization as a solution for food security and soil bioremediation [11].

1.2. Substrates and Processes in Biofertilizer Production

Four sources of raw material have been studied: (i) biomass derived from the agro-industrial wastes sector (AD) and solid-state and submerged fermentation; (ii) nitrogen-rich biomass; (iii) microorganisms; (iv) organic materials. The considered sources, processes, and products are presented in Figure 1.

1.2.1. Agro-Industrial Wastes

Biofertilizer production has been analyzed from solid-state fermentation (SSF) and submerged fermentation (SmF). Biodegradable substrates such as agro-industrial wastes have been used for microorganisms growth or biostimulants production. Organic farming and microbial fermentation have been considered as potential technologies for the recovery and improvement of agricultural soil fertility and crop yields [12]. Anerobic digestion (AD) has been employed to obtain biogas and digestate through four steps: hydrolysis, acidogenesis, acetogenesis, and methanogenesis [13]. Digestate is used as a fertilizer after treatment for liquid–solid separation through sedimentation, filtration, and centrifugation. Composting is used to transform digestate into biofertilizer, and thermochemical processes are carried out to produce biochar from solid digestate [14]. The digestate production occurs due to the organic matter degradation for biogas production from carbon content in biomass, while phosphorus, potassium, nitrogen, and other minerals content remains in the digestate. This characteristic gives nutritional properties for the digestate [15,16]. Nitrogen compounds volatilization is considered a problem due to atmospheric contamination. Hence, studies have proposed the nitrogenous compounds recovery or digestate use for the biochar obtaining as biofertilizer [14,17].

1.2.2. Nitrogen-Rich Wastes

Protein hydrolysis has been employed to obtain amino acids (known as protein hydrolysates) from residues with high nitrogen content such as protein-rich residues [18]. Protein hydrolysis can be applied to meat processing solid wastes as viscera and skin. Keratin-rich materials such as feathers, hair, wool, claws, hooves, and fish wastes are also considered for protein hydrolysis [18,19]. The use of protein hydrolysates as biofertilizers is possible due to the rapid nitrogen mineralization performed by microorganisms because of the low carbon/nitrogen (C/N) ratio in the soil. Amino acids and peptides are absorbed from plants through the roots and leaves and transported to other tissues for growth biostimulation [18].

1.2.3. Biofertilizers Formulation with Microorganisms

The most important biofertilizers type includes bio-based microorganisms to facilitate the assimilation of nitrogen, phosphorus, potassium, and plant growth promoters [10]. Thus, microorganisms for nitrogen fixing include Azotobacter, Azospirillium, Rhizobium, Azolla, Frankia, Acetobacter, and Bacillus bacteria. The nitrogen fixing capacity by microorganisms is in the range from 300 to 400 kg/ha/year with an increasing crop yield from 10 to 50% [8]. Bacteria such as Pseudomonas, Bacillus, Rhizobium, Enterobacter and fungi such as Penicillium and Aspergillus perform phosphate solubilizing and mobilizing. These microorganisms transform monophosphate or orthophosphate into a chemical form for plants assimilation [8,12]. Phosphate-solubilizing microorganisms release organic acids and produce some phytohormones such as indoleacetic acid (IAA) and gibberellic acid (GA) [20]. Phosphate-mobilizing microorganism as Mycorrhiza can solubilize and mobilize from 30 to 50 kg of P2O5 to increase crop yields [8,12]. Moreover, potassium can be solubilized and mobilized by microorganisms such as Bacillus ssp, Aspergillus Niger, Cladosporium, Sphingomonas Aminobacter, Bacillus Edaphicus, and Bacillus Mucilaginosus [8,21].
Finally, plant growth-promoting microorganisms act on soil rhizosphere by improving the tolerance to biotic stress through phytohormones and plant growth regulator secretion, siderophores, and enzymes production [8,12]. Rhizobacteria is the microorganism group that acts as a biofertilizer, and common microorganisms include Pseudomonas, Bacillus, Enterobacter, Azotobacter, Rhizobium, and Azospirillum. This group produces auxins, IAA, ethylene, and gibberellins to improve plant growth since these compounds act as biostimulants in plants [8,12].
Microalgae and other microbial biomass employed for biofertilizer production have been studied to obtain bioactive compounds and biostimulants [22]. The chemical composition and biomass properties of these microorganisms have generated interest in extraction techniques for bioactive compounds and biostimulants to produce biofertilizers. Supercritical fluids extraction has been used because of the fast extraction speed with a high performance and minimal use of organic solvents [22]. Bioactive compounds extracted by supercritical fluids have presented antimicrobial, antioxidant, antiseptic, and antibacterial properties which are beneficial to plants [23].

1.2.4. Biofertilizers Associated with Soil Organic Carbon

Soil organic carbon (SOC) is an indicator of soil condition as this concentration depends on biological activity and agricultural production. This aspect is important due to the negative effects on soil. For instance, water and nutrient retention capacity with a low concentration of SOC causes degradation and susceptibility to erosion. In relation to agricultural productivity, SOC influences crop quality, fertility, and productivity [24].
Biochar is a solid product obtained through thermochemical processes (e.g., gasification, pyrolysis). Biochar has important properties such as surface area, porous structure, surface functional groups, and high mineral content [25]. Promising applications are found in water, air, and soil bioremediation [26,27]. Moreover, biochar has been considered as an alternative to carbon sequestration and the reduction in the polluting emissions of greenhouse gases (GHG) [28]. Gasification has been employed for producing biochar by using several biomass sources. Solid digestate fraction produced in anaerobic digestion corresponds to 10–20% of total digestate [29], and solid digestate gasification has been profiled as a novel process to obtain value-added products [25]. Composting is performed by using different substrates such as straw, leaves, stable beds, fruit and vegetable waste, slurry from biogas plants, agro-industrial waste, urban waste, sludge, and factory waste. Compost is an organic fertilizer that can be used in crops for supplying nitrogen, phosphorus, potassium, and other mineral content, all of which contribute to plant growth and soil fertility [30]. The SOC in composting considers the organic carbon transformation into three stages: soil organic matter degradation, release of carbon dioxide, and carbon sequestration. Carbon sequestration is related to the application and permanence of carbon stable compounds of compost on soil [31].

1.3. Process Design and Sustainability

Process design involves the biofertilizer production from biodegradable residues employing three processes: (i) anerobic digestion, ammonia recovery, and ammonium sulfate production; (ii) gasification; (iii) protein hydrolysis.
Biogas produced via anerobic digestion is used for bioenergy production through a cogeneration system, and digestate is used for obtaining biofertilizers [29,32]. Solid–liquid digestate is separated to produce pellets (solid digestate) and concentrated liquid digestate (CLD) [29]. Air stripping is used for ammonia recovery from liquid digestate. The open literature recommends that the air flow should be higher than the digestate flow to favor ammonia extraction. Some values that have been reported range from 3 to 6000 [17]. The ammonia is used to produce ammonium sulfate [17,33]. Ammonium sulfate presents low hygroscopicity, good physical properties, chemical stability, and agronomic effectiveness [17,29]. Biochar produced in the gasification process is used as a biofertilizer and soil conditioner, and syngas is used to produce energy [28]. Nevertheless, during wood and agro-industrial waste gasification, wood vinegar is produced as a condensate of the flue gases. This product has been studied due to the effect of its biostimulant properties on crop growth and yields, since wood vinegar contains organic compounds such as ketones, organic acids, aldehydes, alcohols, benzene, heterocyclic compounds, phenols, alkyl phenyl ethers, carbohydrate derivatives, and nitrogenous compounds [34]. Solid digestate has been analyzed to produce biochar and syngas by using air as the oxidizing agent, and wood vinegar has not been mentioned when using this raw material [25]. Finally, protein hydrolysis is employed to obtain amino acids as biostimulants in plants. The global process involves a solubility increase by employing a waste/water ratio from 1:1 to 1:5 [35,36], and a chloride acid/fish wastes ratio of 1:4 [36]. A final neutralization with NaOH to separated amino acids is required [36,37].
The sustainability involves economic, environmental, and social dimensions to define process performance in a conceptual design level. Process sustainability aims to find the balance between these three dimensions. Then, indicators for each dimension are used to attribute weighting factors for evaluating the sustainability behavior when these weighting factors are varied [38].
The purpose of this study is to evaluate the biodegradable residues potential generated in Colombia for biofertilizer production. Technical, economic, environmental, and social dimensions are considered in the sustainability assessment. For this purpose, three processes are simulated to identify which process has the highest potential in biofertilizer production. Anaerobic digestion is analyzed to produce pellets (from solid digestate), concentrated liquid digestate (from liquid digestate), and ammonium sulfate (from ammonia recovery). Gasification and protein hydrolysis are proposed as promising technologies for obtaining biochar (as a soil conditioner) and amino acids (as biostimulants and plant growth promoters), respectively.

2. Methodology

In this study, three routes for biofertilizer production from biodegradable residues are proposed. Technical, economic, environmental, and social aspects are evaluated for each process. The scenarios are described below, and the process block diagram is shown in Figure 2.
Scenario 1: The biorefinery scheme considers the production of biogas, digestate-based biofertilizers, and bioenergy via anaerobic digestion from brown sugarcane bagasse (BSB). Biogas is used for bioenergy production through cogeneration systems to supply the process demands. Solid and liquid phases in digestate are separated to produce three biofertilizers. The solid phase is transformed into a pelletized biofertilizer [29]. The liquid phase is employed for producing ammonium sulfate (AS) and concentrated liquid digestate (CLD) [17,29]. The ammonium sulfate is produced through the ammonia extraction by using air stripping for ammonia recovery from liquid digestate. Recovered ammonia reacts with sulfuric acid in the absorption column to produce AS [17,33].
Scenario 2: In this biorefinery, gasification from solid digestate is used as a thermochemical conversion process for syngas and biochar production [25].
Scenario 3: Amino acid production via protein hydrolysis (protein hydrolysate) from fish wastes is proposed.

2.1. Description of Biofertilizer Production Processes

2.1.1. Biofertilizer Production from AD Digestate

Brown sugarcane bagasse was used as raw material for biofertilizer production via anerobic digestion. The chemical composition used for the simulation procedure is reported in Table 1. The process scale is based on the brown sugarcane production in department of Nariño, Colombia. According to the Agronet database of the Ministry of Agriculture and Rural Development (MADR), this region produces approximately 127,760 tons of brown sugarcane per year, contributing to 8.31% of the national production [39]. The brown sugarcane bagasse flow is set at 175 tons/day. This flow is assumed considering that 50% of brown sugarcane corresponds to BSB [40].
The simulation model proposed by Rajendran et al. [42] was used for simulating. The model describes several reactions in function of conversion and kinetics constants depending on the stage. The reactions proposed by Rajendran et al. [42] and Martínez-Ruano et al. [43] are used in the process. Aspen Plus V.9.0 software is used to simulate this process. First, the BSB is dried (D-2001) and crushed (C-2002) to decrease the particle size and to enhance the mass transfer during the process. A stoichiometric reactor for the hydrolysis stage and a continuous stirred tank reactor (CSTR) for the acidogenesis, acetogenesis, and methanogenesis (R-3007) were used. BSB anaerobic digestion is performed at thermophilic conditions (i.e., 55 °C), as indicated by Rajendran et al. [42].
Produced biogas is employed for bioenergy generation. Bioenergy is produced through the cogeneration system. Methane present in biogas was burnt in the combustion chamber (C-4004) in presence of compressed air (20% excess air). Combustion gases are used to produce energy by employing a turbine (TB-4002) and steam production (B-4001) [32]. The energy was used to supply the electricity requirements for the compressor (CO-6006).
Solid–liquid digestate contain nutrients used for plants growth. Thus, three types of biofertilizers are proposed to use the two phases. Solid and liquid digestate separation was carried out via filtration (F-5001). The solid digestate is dried (D-5002) to obtain a solid biofertilizer in pellets (G-5003). Then, the ammonia extraction was performed using air stripping and employed in the production of sulfate ammonium [17,29]. Ammonia recovery was performed in three stages. Digestate was sterilized at 90 °C (HE-6001), and the effluent is fed to a flash separator (SP-6002) to separate the gas (CO2) and liquid (digestate) phase. The ammonia is extracted from liquid digestate using the air stripping system. Ammonia is recovered in gas phase using an absorption column (AC-6005) containing 12 stages and operating with compressed air (CO-6004) at 5 bars. The air/liquid digestate ratio used in the process is set to 3. The gaseous stream out of the column is sent to another absorption column (AC-6007) to recover the air and to be recirculated to the first column (AC-6005). In the second absorption column (AC-6007), ammonium sulfate is produced with addition of sulfuric acid (H2SO4). Sulfuric acid (38%) is fed using the stoichiometric relation of the reaction presented in Equation 1. The second absorption column has 5 stages [17,33]. Finally, the liquid ammonium sulfate obtained in the second column is solidified after being separated from water (CT-6009) [17,33]. The products obtained are concentrated in the liquid digestate (CLD) and ammonium sulfate (AS). The flow process diagram is presented in Figure 3.
2 N H 3 + H 2 S O 4 N H 4 2 S O 4

2.1.2. Biofertilizer Production from Biochar

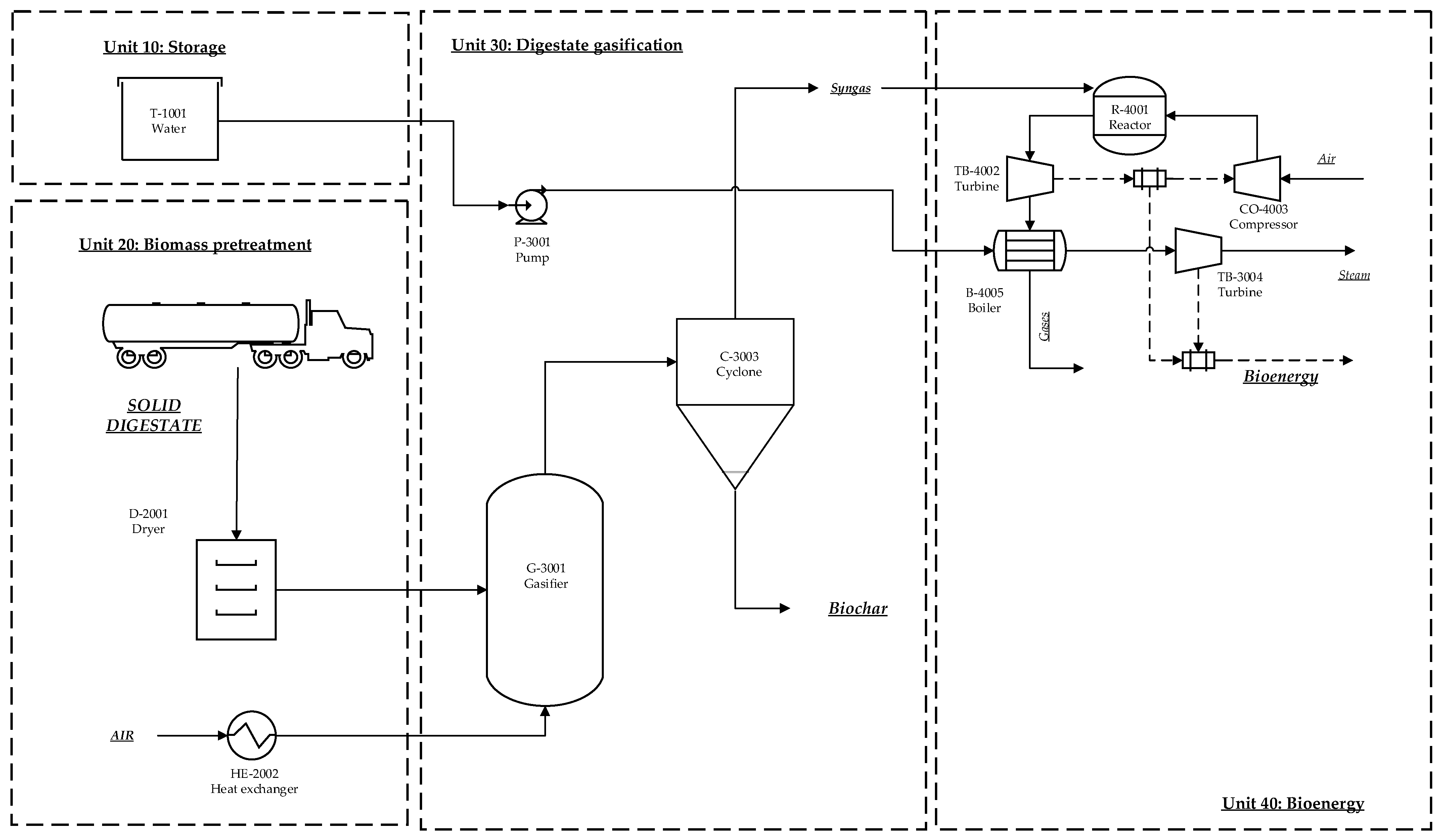
The solid digestate flow is set to 0.28 tons/day, corresponding to 10% from the total digestate flow. The ultimate and proximate analysis of digestate is reported in Table 2. The digestate molecular structure obtained from the ultimate analysis was C 23 H 24 O 28 N . The molecular structure was used to calculate the molecular weight of the digestate for the simulation properties.
According to the open literature, a downdraft gasifier can be used in the gasification process of the digestate. Thus, the gasifier operates under three stages: pyrolysis, oxidation, and reduction [25]. In the simulation software, pyrolysis is carried out in a yield reactor. Yields are determined from the digestate composition through the molecular structure. The equation described by Ermolaev et al. [25] for the digestate pyrolysis stage was used to stoichiometrically define the air flow. The oxidation and reduction stage are modeled in equilibrium reactors [45]. The digestate gasification has been performed at 700 °C, oxidation at 1000 °C, and reduction at 1000 °C (G-3001). Oxidizer/fuel ratio (ER) was varied between 0.45, 0.55, and 0.65 through sensitivity analysis in Aspen Plus V.9.0 to observe the molar fraction behavior of syngas [25]. Finally, a ratio of 0.45 was employed. The products obtained in this study are syngas and biochar. Biochar was separated from syngas by using the cyclone equipment (C-3003). Syngas obtained was used to produce bioenergy using the combustion reactor (R-4001) with compressed air (CO-4003), a turbine (TB-4002), and a boiler (B-4005). The flow diagram of this process is shown in Figure 4.

2.1.3. Biofertilizer Production from Protein Hydrolysates

In this scenario, the use of protein-rich waste from the Colombia aquaculture sector is proposed. The simulation flow is set at 2 tons/day for the fish waste generated by the Oncorhynchus mykiss production in Tota Lake in Colombia [46]. The considered fish wastes must have a high protein content to ensure an increase in amino acids yield. Table 3 shows the composition used in the simulation process.
The process considers three stages: fish wastes pasteurization, solubilization, and protein hydrolysis. Solubility is increased with water, and the fish wastes/water ratio used for the process was set at 1:1 [35]. Fish wastes and water mixture is heated to 97 °C (HE-2002) and cooled to 25 °C (HE-2003) before filtering. The solid is mixed with hydrochloric acid (6N) to hydrolyze the protein fraction (M-3001) [35]. Moreover, an acid/fish wastes mass ratio of 1:4 is considered. The mixture containing acid and fish wastes is preheated to 80 °C (HE-3003) before the hydrolysis (R-3004). The amino acids mass fractions reported by Chalamaiah et al. [47] have been considered in the yield reactor in Aspen Plus V.9.0. The mass fractions reported are simulated in the yield reactor.
In this scenario, the reactor for solid fish wastes hydrolysis operates at 110 °C with a residence time of 28 h [36]. Finally, the effluent from the reactor is neutralized to separate the HCl from the hydrolysate. A 30% NaOH solution is used to precipitate solid sodium chloride (R-3006). Then, this compound is separated through filtration (F-3007) leaving the amino acids free. Fed NaOH flow considers the stoichiometric relation of sodium chloride formation (Equation 2) [37]. Figure 5 shows the flow process diagram.
HCl + NaOH NaCl + H 2 O

2.2. Simulation Procedure

The non-random two-liquid thermodynamic model (NRTL) used by Rajendran et al. [42] and Martínez-Ruano et al. [43] was employed for the anaerobic digestion simulation. The non-random two-liquid model (NRTL) correlates and calculates the mole fractions and activity coefficients of various compounds. In addition, this model facilitates the properties for both liquid and gas phase in biogas production [42]. Peng–Robinson thermodynamic model was used for the gasification process. This model has been used in gasification to calculate the gas volume considering the pressure and temperature [48]. The bagasse and digestate components properties, corresponding to cellulose, hemicellulose, lignin, and biomass, were manually entered into Aspen Plus V.9.0. The properties were taken from the database reported by Wooley et al. [49]. Moreover, the protein properties were taken from the complementary material reported by Rajendran et al. [42], and amino acids properties are available in the Aspen Plus V.9.0 database.

2.3. Technical and Energy Assessment

Mass and energy indicator were considered for the technical assessment of each scenario. These indicators consider the flows and compositions of input and output streams in an equipment or in the global process. Energy efficiency indicators consider the process energy consumption, renewable raw materials, and products and subproducts within the same process [50,51]. The calculated indicators shown in Equations 3 to 6 correspond to the process product yield (Yp), mass intensity (PMI), renewability material index (RMI), and self-generation index (SGI), respectively.
Yp = j = 1 N m ˙ j product m ˙ raw   material
PMI = i = 1 N m ˙ i in   * j = 1 N m ˙ j product
* The inlet streams does not consider the flow water.
RMI = i = 1 N m ˙ i in renewable i = 1 N m ˙ i in · 100
SGI = j = 1 N m ˙ j product · Δ H j product Q ˙ Total + W ˙ Total η con

2.4. Economic Assessment

The economic assessment was performed using the Aspen Process Economic Analyzer (APEA) tool. APEA allows us to estimate the costs associated with CapEx and OpEx that represent investment capital and operating costs, respectively. These two concepts are associated with the preliminary study of the basic, conceptual, and detailed engineering design [52]. Total capital investment considers the mechanical, instrumentation and control equipment, civil works, piping, electrical, and firefight cost by assigning a percentage of the fixed capital. Raw materials, utilities, maintenance, labor, plant overhead, insurance, taxes, administrative cost, and capital depreciation are considered in the OpEx estimation [52,53]. Economic assessment is calculated using the methodology proposed by Rueda-Duran et al. [54].
Equipment depreciation is estimated through a linear model proposed in Peters et al. [55], and equipment costs are estimated from correlations reported by Peters et al. [55] and Towler et al. [56]. Equipment costs from APEA were also taken as the basis to estimate the costs in biofertilizer production from digestate and protein hydrolysates. Economic analysis is evaluated through the net present value (NPV) estimation and behavior in project lifetime. Project lifetime was set to 20 years, using a tax rate of 35% and an interest rate of 13.25% corresponding to the year 2023 for Colombian context [57,58]. Labor costs estimation was raised with an operating time of 8000 h/year with 3 shifts/day and 8 h of work per day. Wages are considered mainly for operators and supervisors, the wage of an operator is considered as one current legal minimum wage of Colombia (i.e., 296.06 USD/month) and 2 minimum wages for supervisors [59].

Sensitivity Analysis

Sensitivity analysis considered the minimum processing scale for economic feasibility (MPSEF) and the minimum selling price (MSP) to evaluate the scale and the biofertilizers price, respectively, where the NPV reached the value of zero in the analyzed project lifetime [60,61].

2.5. Environmental Assessment

The WAR (Waste Reduction Algorithm) software was used to evaluate the potential environmental impact (PEI). The software classifies the PEI into eight categories (see Table 4) in terms of the global atmospheric and toxicology impacts associated with the input and output mass flows considering the raw material, products, and wastes process. These categories allow us to assess the impact on human health and the environment risk [62].
Moreover, the carbon footprint (CF) associated with the electricity and steam consumption in the processes is estimated by using the methodology proposed by the Intergovernmental Panel on Climate Change (IPCC). Equation 7 is used to estimate the CF of generation steam in a boiler, and Equation 8 is used for calculating the CF of electricity consumption [63]. The emission factors (FE) and the lower heating value (LHV) are taken from the Colombian Fuel Emission Factors (FECOC) database designed by the Mining-Energy Planning Unit (UPME) [64]. The water footprint (WF) is estimated from the process water and colling water by considering the amount of product obtained in the process. WF is calculated as shown in Equation 9.
Emission   of   C O 2   per   fuel = F E fuel LH V fuel Consumption combustible
Emission   of   C O 2   per   electric   energy = F E electric   energy Consumption electric   energy
Water   footprint = Water   process + Colling   water products   flow

2.6. Social Assessment

The social assessment is studied by using the indicators proposed by the Product Social Impact Life Cycle Assessment (PSILCA) database. This methodology involves four stakeholders categories: workers, local community, society, and value chain actors. In this study, minimum and living wages per month indicator were used. Living wage is defined as the necessary income to meet the living costs of an individual or a family. Minimum wage is defined as the lowest wage of remuneration to a worker in a specific time, defined by a country through the laws [65]. For 2023, the minimum wage in Colombia was set at 296.06 USD/month, and the living wage was set at 428.58 USD/month [59,66]. The minimum wage/living wage ratio is calculated from the percentage increase in minimum wage by considering a positive scenario (M/L = 0.69) and a negative scenario (M/L = 1.00) for the processing plant.

2.7. Sustainability Assessment

Sustainability assessment is analyzed by considering the methodology reported by Solarte-Toro et al. [38]. Sustainability evaluates the technical, economic, environmental, and social dimensions through the respective indicators. Process mass intensity index (PMI), renewable matter index (RMI), and self-generation index (SGI) were considered for the technical dimension. The payback period (PBP) and the turnover ratio (TR) were considered for the economic dimension (Equation (10)) [51]. CF and WF were considered in the environmental dimension. Finally, the minimum wage/living wage ratio was considered in the social dimension. Nevertheless, the best and worst cases of the processes were evaluated, and each of the above-mentioned indicators were normalized to facilitate the comparison between scenarios [38]. Thus, Equation (11) was used for the normalization. Equal weighting factors were assigned for the indicators in each sustainability dimension. Then, the sustainability behavior was assessed by assigning a higher weight to three dimensions. The three-dimension combination resulted in 4 combinations. Weighting factors were changed to assess the sustainability behavior when higher weighting was assigned to technical, economic, environmental, or social dimension. The normalization indicators are presented in following sections.
TR = 1 j m ˙ j product C j product FCL
Indicator   normalization = Actual - Worst   Best - Worst  

3. Results and Discussion

3.1. Biofertilizer Production from AD Digestate

The digestate yield in the anaerobic digestion process was 0.58 kg/kg BSB + inoculum in dry basis, and that for biogas was 0.101 kg/kg BSB in dry basis. Solid digestate yield was 0.33 kg/kg BSB + inoculum in dry basis, liquid digestate was 0.55 kg/kg BSB + inoculum, and ammonium sulfate was 0.16 kg/kg initial digestate in wet basis. Nevertheless, the literature reports that solid digestate varies between 10% and 20% of the total digestate [67]. Then, the solid biofertilizer amount is small compared to liquid digestate, considering that only 0.02 kg of NH3/h remains in the solid fraction. The liquid fraction was 96% with an ammonia content of 10.43 kg/h in a liquid digestate flow of 37651.29 kg/h. Ammonia represents about 24% of the total nitrogen of digestates [68]. Despite the low content of ammoniacal nitrogen, the ammonia recovery is favorable for the obtaining of ammonium sulfate because of the high price. Total ammonia presented an extraction yield of 96% from the digestate stream and recovery rates of 95% have been reported in the literature [17]. As the ammonia recovery was efficient, the ammonium sulfate production was calculated as 38.19 kg/h (dry basis). Table 5 presents the general results of the main streams.

3.2. Biofertilizer Production from Biochar

Low airflows indicated that syngas composition is affected in digestate gasification. Sensitivity analysis to air flow was proposed to evaluate which mole fraction of the components presented the highest yield with an ER ratio of 0.65. Then, a molar composition of H2 (17.77%), CO2 (24.63%), CO (14.43%), and CH4 (0.024%) was obtained. These results are similar to that of the molar composition reported in the open literature [45]. Biochar yield was 5.64% with a flow of 0.68 kg/h. The digestate used as raw material indicated that the volatile compounds amount is higher than fixed carbon, as indicated in Table 2, with only 5.64% representing fixed carbon. Therefore, biochar obtained through gasification is a small fraction. In fact, biomass gasification studies indicate that syngas production using digestate will always have higher yields due to the volatile material amount [44].

3.3. Biofertilizer Production from Protein Hydrolysates

The most representative amino acids obtained were glutamic acid (16.38%), methionine (12.09%), and leucine (9.29%). Less abundant amino acids were cysteine (1.64%), tryptophan (0.53%), histidine (2.51%), and aspatic acid (2.56%). Protein hydrolysates can be employed as plant growth promoters due to amino acid content. Amino acids have been denominated as biostimulants because of the improvement in plant growth [69]. The high content of amino acids in protein hydrolysates demonstrates the potential of protein hydrolysates as biofertilizers. Finally, the hydrolyzed fish wastes presented a yield of 92.79% when using hydrochloric acid.

3.4. Technical and Energetic Assessment

Table 6 presents the technical and energy assessment results proposed for the three study scenarios. The obtained yield for ammonium sulfate and digestate-based biofertilizers via anaerobic digestion was 60.90%. This result is associated with the digestate maximum use. In the same way, the result is associated with the PMI, which presented a value of 1.64. As for the RMI representing a value of 99.6%, this can be attributed to the renewability of the bagasse and the inoculum. For the biochar production process, the obtained yield (5.64%) agrees with that reported by several authors who state that this product yield is less than 10% [70]. For the gasification scenario, PMI was 1.32, and the RMI was calculated at 100% due to solid digestate being used as a renewable material. Protein hydrolysates presented a yield of 92.79%. The protein transformation into amino acids was positive when using acid hydrolysis [71]. On the contrary, with regard to other process, RMI was 56.68% due to the use of HCl and NaOH.

3.5. Environmental Assessment

Figure 6 reports the graphical analysis of the PEI. The total PEI for scenario 1 is negative and is interpreted as a process with non-considerable impact on the environment according to the WAR methodology. Moreover, GWP indicates a mitigation on greenhouse gas emissions because biodegradable residues are used in this scenario. The production of protein hydrolysates mitigates the influence of PEI in the categories of HTPI, TTP, and GWP, as shown in Figure 6. This process involves the use of biodegradable residues from the fish benefit through which the exposure to bad odors and toxic compound production via degradation is reduced. Finally, the gasification process presented a positive total PEI. Obtaining ammonium sulfate and digestate-based biofertilizers via anaerobic digestion is the process with the highest PEI, and the gasification process offers the lowest PEI.
Considering the CF reported in Table 7, gasification technology could be seen as a process with minimal pollution (CF = 0.06 kg CO2-eq/kg product) when compared to other processes. Syngas production has a lower CF than that obtained when using other fuels [72]. Moreover, the WF was estimated considering the water use in the process and also the cooling water. Then, the WF for anaerobic digestion is higher than that for protein hydrolysates.
As reported in Table 7, the process that generates the highest impact on the CF corresponds to the biofertilizer production from digestate (14426.43 kg CO2-eq/h), followed by the protein hydrolysate production (0.0767 kg CO2-eq/h) and the gasification process (7.1∙10− 5 kg CO2-eq/h). In this study, the PEI is lower when compared to conventional chemical fertilizer production which has a CF value between 1.18 to 2.52 kg CO2-eq/kg [72]. Moreover, the CF for biofertilizer production was 0.67 kg CO2-eq/kg for AD, 0.06 kg CO2-eq/kg for gasification, and 7.6∙10−4 kg CO2-eq/kg for protein hydrolysis. As reported by Zhu et al. [34], the CF for syngas production is between 43 and 62 kg CO2-eq/ton, which agrees with the CF estimated in this study.

3.6. Economic Assessment

For the economic assessment, the information presented in Table 8 regarding the utilities, raw materials, and products price was considered.

3.6.1. Biofertilizer Production from AD Digestate

The total cost of raw materials is 2.40 MUSD/year, while sales revenues correspond to 11.95 MUSD/year. This product group involves a CapEx of 8.55 MUSD and an OpEx of 12.11 MUSD for a processing capacity of 175 tons/day. In the AD technology, the considered volume for the reactor was 32048 m3. For large-sized digesters, the estimated price is between 8 MUSD and 13 MUSD. For instance, the price of a 35221 m3 digester is reported to be 13.24 MSUD [76]. Most of the expenses in the OpEx occur for depreciation capital (0.85 MUSD/year), raw material (2.40 MUSD/year), and labor (7.41 MUSD/year).
The scale sensitivity analysis showed that with 175 tons/day, the NPV behavior was positive after year 10 (payback period, PBP). For a scale of 184 tons/day, the PBP was 6 years. On the other hand, the MPSEF was 167 tons/day. For a scale of 161 tons/day, the NPV is negative. Moreover, the sensitivity analysis based on the variation in product price indicated that the price of pelletized digestate does not affect the NPV behavior. Nevertheless, when the concentrated liquid digestate price was modified, an influence on NPV behavior was observed, as shown in Figure 7b. The ammonium sulfate price affects the NPV behavior due to the higher price when compared to that of the pellets and concentrated liquid digestate price. The concentrated liquid digestate price remained constant when the sensitivity analysis was performed for ammonium sulfate. Finally, the PBP is lowest when the ammonium sulfate price is higher.
Ammonia recovery indicated that the ammonium sulfate production contributes considerably to the process income. The ammonium sulfate income was 10.98 MUSD/year, while the pellets and concentrated liquid digestate incomes only contributed 1 MUSD/year. The MSP of concentrated liquid digestate was calculated at 0.15 USD/kg, and the MSP for the ammonium sulfate was 0.225 USD/kg. Then, the plant feasibility depends of the ammonium sulfate production capacity, as shown in Figure 7b and 7c. In contrast, the process may be unfeasible if there is a strict dependence on the digestate fractionation. Figure 7b shows that the NPV behavior is higher when the sales of the three products are correlated.

3.6.2. Biofertilizer Production from Biochar

Digestate gasification indicated that the process feasibility is negative. Bioenergy production was considered. The downdraft gasifier price with air flow was used. Then, the gasifier price was set at USD 12105.28, with an electricity generation capacity of 10 kW [74]. CapEx was calculated to be 0.0818 MUSD, and OpEx had a value of 3.16 MUSD. The increase in operating costs was influenced by labor and equipment maintenance costs. The labor cost was 3.11 MUSD/year, representing the highest cost in this process. The process feasibility was negative due to the amount of biochar and bioenergy produced, contributing only 0.001 MUSD/year for biochar incomes. When the electricity incomes were correlated, revenues increased to 0.008 MUSD/year.
The sensitivity analysis of the gasification process allows us to identify the MPSEF by considering the energy and biochar scale. A scale of 0.28 tons/day presented a negative NPV behavior, as shown in Figure 8a. The MSP was not identified, and the biochar price was increased until 20 USD/kg. Nevertheless, despite the price increase, the process feasibility was not identified through the MPSEF and MSP strategy (Figure 8a,b). Thus, biochar production does not represent a feasible economic alternative for the substitution of chemical fertilizers. Then, this subproduct from thermochemical processes can be used as an alternative for adding value to the process and improving farmers’ accessibility as an option to partially replace chemical fertilizers.

3.6.3. Biofertilizer Production from Protein Hydrolysates

The OpEx was calculated as 2.99 MUSD, and the CapEx was calculated as 3.89 MUSD. The most representative OpEx values correspond to the labor cost (3.16 MUSD/year), depreciation (0.83 MUSD/year), and raw materials acquisition (0.66 MUSD/year). The income from the hydrolysate commercialization corresponds to 1.93 MUSD/year. Protein hydrolysates are only considered in terms of one product sale (protein hydrolysate), while the other processes consider several products. Thus, the feasibility project was affected, as indicated in Figure 9.
The scale sensitivity analysis indicated that when considering a larger production scale, the NPV had a positive value. A scale of 2 tons/day of fish waste resulted in a negative NPV, but when modifying the scale, the NPV behavior improved. At a scale of 5 tons/day, the MPSEF was determined, while at a scale of 6 tons/day, a PBP of 6 years was obtained, as shown in Figure 9a. The sensitivity analysis performed on the protein hydrolysate price showed a PBP at the project lifetime end with an MSP of 6.25 USD/kg, as shown in Figure 9b. When the price is 8 USD/kg, the NPV is positive, and the PBP is 5 years. Finally, although hydrolysates are a specialized type of biofertilizer, farmers’ accessibility to hydrolysates is limited at that price.

3.6.4. Social Assessment

The social assessment was proposed to estimate the minimum wage/living wage (M/L) ratio in Colombia. The M/L ratio was calculated for the production of ammonium sulfate and digestate-based biofertilizers via AD, as this process showed economic feasibility. Then, this ratio was calculated to evaluate the project capacity for generating employment and offering life quality. An increase in the M/L ratio affects the NPV processes. NPV decreased when the minimum wage for operators was increased. The M/L ratio was increased from 0% to 60%, while that ratio did not exceed M/L > 1. A value of 0.69 for the M/L ratio was considered as the best case, and for the worst case, the M/L ratio was set to 1. To evaluate the number of operators and the influence on NPV, the amount of operators was changed in parallel with the minimum wage increase. A matrix of #operarators x % minimum wage increase was obtained, as shown in Table 9.
With nine operators in all cases, the NPV did not decrease more than 25%. When the number of operators was higher and the minimum wage was increased, the NPV decreased below 30%. In conclusion, the process capacity to employee more than nine operators is profitable until the NPV decrease is equal to 30%. Then, the minimum number of operators for the operation of the facilities in scenario 1 was set to 9, and the optimal number of operators was 12, since with a 30% increase in the minimum wage, the NPV did not decrease by more than 30%. Thus, in the social context, the number of employed operators in the process plant must have a salary that is higher than the minimum wage, so the employees can improve their life quality. For scenario 1, 15 operators can be employed with a 10% increase over the minimum wage. Furthermore, this process can increase the minimum wage to ensure employees have a high quality of life.

3.6.5. Sustainability Assessment

Table 10 presents the best and worst case, and Table 11 presents the indicators considered for the sustainability assessment and their respective normalization. Normalization was established according to the worst- and best-case scenario associated with each process. Figure 10 shows the sustainability index for biofertilizer production from digestate (62.10%), biochar (29.47%), and protein hydrolysates (32.73%) when equal weighting factor dimensions were used. When the importance was given to the technical, economic, and environmental dimension, the sustainability index increased for all processes. On the contrary, if the technical, economic, and social dimensions were considered for the sustainability index, the value decreased in all processes. In AD, considering the economic, environmental, and social dimensions, a sustainability index of 54.86% was obtained. The sustainability of scenario 1 was not less than 50% when considering the social aspect. This result was counterbalanced with the social analysis. Nevertheless, when the social aspect was not considered for the index calculation, there was a 10.14% increase in the sustainability of the process. When considering the social aspect in scenario 3, the index decreased to 19.27%. On the other hand, when the technical dimension was not included, the sustainability index was stable for scenario 1 and scenario 2. In scenario 2 and scenario 3, TES and EnAS were equal, and the environmental and social dimensions influenced these processes in the same way. Finally, the process with the highest sustainability index was AD with the three biofertilizer production processes from the digestate (scenario 1).

4. Conclusions

Biofertilizer production via anaerobic digestion with air stripping was used to obtain ammonium sulfate and digestate-based biofertilizers. This process presents a positive impact on the economic, environmental, and social aspects since the payback period is found to be 10 years. Moreover, the calculated carbon footprint was 4.17 kg CO2-eq/kg raw material and 0.67 kg CO2-eq/kg product, and nine jobs can be generated when considering the Colombian context. Bioenergy production through anaerobic digestion and gasification represents an increase in processes incomes and a decrease in the energy consumption. Nevertheless, protein hydrolysis is a process where bioactive and biostimulants products can be obtained with more benefit than in other processes. Then, the integration of biofertilizers and bioenergy in biorefineries has the potential to expand the bioproducts range and to increase the process sustainability. In addition, biofertilizer production from biodegradable residues indicates that the carbon footprint is lower when compared to conventional chemical fertilizers. Thus, the lowest carbon footprint was found for scenario 3 (56.77%) due to the use of renewable materials employed in the biofertilizer production process. Finally, biodegradable residues employed for value-added product generation reduce the greenhouse gases emissions caused by the inappropriate disposal of residues without prior treatment.

Author Contributions

Conceptualization, J.M.B.-C.; methodology, J.M.B.-C. and J.C.S.-T.; formal analysis, J.M.B.-C. and D.L.R.-S.; writing—original draft preparation, J.M.B.-C.; writing—review and editing, J.C.S.-T. and C.A.C.A.; supervision, C.A.C.A.; project administration, C.A.C.A.; funding acquisition, C.A.C.A. All authors have read and agreed to the published version of the manuscript.

Funding

This paper is the result of the research work developed through the research project “Aprovechamiento y valorización sostenible de residuos sólidos orgánicos y su posible aplicación en biorrefinerías y tecnologías de residuos a energía en el departamento de Sucre” code BPIN 2020000100189.

Data Availability Statement

Data will be available on request.

Conflicts of Interest

The authors declare no conflict of interest.

Nomenclature

m ˙ j product Product mass flow [kg/h] m ˙ i in renewable Mass inflow of renewable raw material [kg/h]
m ˙ i i n Mass inflow of raw material or reactants [kg/h] Δ H j product Enthalpy of product current [kJ/kg]
Q ˙ Total Thermal energy consumption [MJ/h]   W ˙ Total System Working Consumption [MJ/h]
FCL Investment capital (CAPEX) Actual Value calculated with process data
C j product Product price [USD/year] Worst Value associated with the worst case
m ˙ raw   material Raw material mass flow [kg/h] Best Value associated with the best case
j = 1 , 2 , 3 , N Process products i = 1 , 2 , 3 N Process raw materials

References

  1. Food and Agriculture Organization of the United Nations. World Fertilizers Trends and Outlook to 2022; FAO: Rome, Italy, 2019. [Google Scholar]
  2. Pahalvi, H.N.; Rafiya, L.; Rashid, S.; Nisar, B.; Kamili, A.N. Chemical Fertilizers and Their Impact on Soil Health. In Microbiota and Biofertilizers; Volume 2: Ecofriendly Tools for Reclamation of Degraded Soil Environs; Springer: Berlin/Heidelberg, Germany, 2021; pp. 1–20. [Google Scholar] [CrossRef]
  3. Chen, Y.; Lyu, Y.; Yang, X.; Zhang, X.; Pan, H.; Wu, J.; Lei, Y.; Zhang, Y.; Wang, G.; Xu, M.; et al. Performance Comparison of Urea Production Using One Set of Integrated Indicators Considering Energy Use, Economic Cost and Emissions’ Impacts: A Case from China. Energy 2022, 254, 124489. [Google Scholar] [CrossRef]
  4. Meessen, J. Urea Synthesis. Chem. Ing. Tech. 2014, 86, 2180–2189. [Google Scholar] [CrossRef]
  5. Humphreys, J.; Lan, R.; Tao, S. Development and Recent Progress on Ammonia Synthesis Catalysts for Haber–Bosch Process. Adv. Energy Sustain. Res. 2021, 2, 2000043. [Google Scholar] [CrossRef]
  6. Boer, M.A.; Wolzak, L.; Slootweg, J.C. Phosphorus: Reserves, Production, and Applications. In Phosphorus Recovery and Recycling; Springer: Singapore, 2018; pp. 75–100. [Google Scholar] [CrossRef]
  7. Ji, G.; Wang, W.; Chen, H.; Yang, S.; Sun, J.; Fu, W.; Yang, B.; Huang, Z. Sustainable Potassium Chloride Production from Concentrated KCl Brine via a Membrane-Promoted Crystallization Process. Desalination 2022, 521, 115389. [Google Scholar] [CrossRef]
  8. Nosheen, S.; Ajmal, I.; Song, Y. Microbes as Biofertilizers, a Potential Approach for Sustainable Crop Production. Sustainability 2021, 13, 1868. [Google Scholar] [CrossRef]
  9. Chakraborty, T.; Akhtar, N. Biofertilizers: Prospects and Challenges for Future. In Biofertilizers; Wiley: Hoboken, NJ, USA, 2021; pp. 575–590. [Google Scholar] [CrossRef]
  10. Mahapatra, D.M.; Chanakya, H.N.; Joshi, N.V.; Ramachandra, T.V.; Murthy, G.S. Algae-Based Biofertilizers: A Biorefinery Approach. In Microorganisms for Green Revolution. Microorganisms for Sustainability; Springer: Singapore, 2018; pp. 177–196. [Google Scholar] [CrossRef]
  11. Research and Markets Biofertilizers Global Market Report. 2023. Available online: https://www.researchandmarkets.com/reports/5766642/biofertilizers-global-market-report (accessed on 5 June 2023).
  12. Suthar, H.; Hingurao, K.; Vaghashiya, J.; Parmar, J. Fermentation: A Process for Biofertilizer Production. In Microorganisms for Green Revolution. Microorganisms for Sustainability; Springer: Singapore, 2017; pp. 229–252. [Google Scholar] [CrossRef]
  13. Massi, E. Anaerobic Digestion. Green Energy Technol. 2012, 45, 47–63. [Google Scholar] [CrossRef]
  14. Samoraj, M.; Mironiuk, M.; Izydorczyk, G.; Witek-Krowiak, A.; Szopa, D.; Moustakas, K.; Chojnacka, K. The Challenges and Perspectives for Anaerobic Digestion of Animal Waste and Fertilizer Application of the Digestate. Chemosphere 2022, 295, 133799. [Google Scholar] [CrossRef]
  15. Doyeni, M.O.; Stulpinaite, U.; Baksinskaite, A.; Suproniene, S.; Tilvikiene, V. The Effectiveness of Digestate Use for Fertilization in an Agricultural Cropping System. Plants 2021, 10, 1734. [Google Scholar] [CrossRef]
  16. Lee, M.E.; Steiman, M.W.; St. Angelo, S.K. Biogas Digestate as a Renewable Fertilizer: Effects of Digestate Application on Crop Growth and Nutrient Composition. Renew. Agric. Food Syst. 2021, 36, 173–181. [Google Scholar] [CrossRef]
  17. Errico, M.; Fjerbaek Sotoft, L.; Kjærhuus Nielsen, A.; Norddahl, B. Treatment Costs of Ammonia Recovery from Biogas Digestate by Air Stripping Analyzed by Process Simulation. Clean Technol. Env. Policy 2018, 20, 1479–1489. [Google Scholar] [CrossRef]
  18. Callegaro, K.; Brandelli, A.; Daroit, D.J. Beyond Plucking: Feathers Bioprocessing into Valuable Protein Hydrolysates. Waste Manag. 2019, 95, 399–415. [Google Scholar] [CrossRef] [PubMed]
  19. Bhari, R.; Kaur, M.; Sarup Singh, R. Chicken Feather Waste Hydrolysate as a Superior Biofertilizer in Agroindustry. Curr. Microbiol. 2021, 78, 2212–2230. [Google Scholar] [CrossRef] [PubMed]
  20. Kalayu, G. Phosphate Solubilizing Microorganisms: Promising Approach as Biofertilizers. Int. J. Agron. 2019, 2019, 4917256. [Google Scholar] [CrossRef]
  21. Olaniyan, F.T.; Alori, E.T.; Adekiya, A.O.; Ayorinde, B.B.; Daramola, F.Y.; Osemwegie, O.O.; Babalola, O.O. The Use of Soil Microbial Potassium Solubilizers in Potassium Nutrient Availability in Soil and Its Dynamics. Ann. Microbiol. 2022, 72, 45. [Google Scholar] [CrossRef]
  22. Michalak, I.; Górka, B.; Wieczorek, P.P.; Rój, E.; Lipok, J.; Łęska, B.; Messyasz, B.; Wilk, R.; Schroeder, G.; Dobrzyńska-Inger, A.; et al. Supercritical Fluid Extraction of Algae Enhances Levels of Biologically Active Compounds Promoting Plant Growth. Eur. J. Phycol. 2016, 51, 243–252. [Google Scholar] [CrossRef]
  23. Messyasz, B.; Michalak, I.; Łęska, B.; Schroeder, G.; Górka, B.; Korzeniowska, K.; Lipok, J.; Wieczorek, P.; Rój, E.; Wilk, R.; et al. Valuable Natural Products from Marine and Freshwater Macroalgae Obtained from Supercritical Fluid Extracts. J. Appl. Phycol. 2018, 30, 591–603. [Google Scholar] [CrossRef]
  24. Stockmann, U.; Padarian, J.; McBratney, A.; Minasny, B.; de Brogniez, D.; Montanarella, L.; Hong, S.Y.; Rawlins, B.G.; Field, D.J. Global Soil Organic Carbon Assessment. Glob. Food Sec. 2015, 6, 9–16. [Google Scholar] [CrossRef]
  25. Ermolaev, D.V.; Karaeva, J.V.; Timofeeva, S.S.; Kovalev, A.A.; Kovalev, D.A.; Litti, Y.V. Modeling of Air Gasification of Dark Fermentation Digestate in a Downdraft Gasifier. Int. J. Hydrogen Energy 2023, 48, 24255–24263. [Google Scholar] [CrossRef]
  26. Gwenzi, W.; Chaukura, N.; Wenga, T.; Mtisi, M. Biochars as Media for Air Pollution Control Systems: Contaminant Removal, Applications and Future Research Directions. Sci. Total Environ. 2021, 753, 142249. [Google Scholar] [CrossRef]
  27. Fedeli, R.; Alexandrov, D.; Celletti, S.; Nafikova, E.; Loppi, S. Biochar Improves the Performance of Avena sativa L. Grown in Gasoline-Polluted Soils. Environ. Sci. Pollut. Res. 2023, 30, 28791–28802. [Google Scholar] [CrossRef]
  28. Song, B.; Almatrafi, E.; Tan, X.; Luo, S.; Xiong, W.; Zhou, C.; Qin, M.; Liu, Y.; Cheng, M.; Zeng, G.; et al. Biochar-Based Agricultural Soil Management: An Application-Dependent Strategy for Contributing to Carbon Neutrality. Renew. Sustain. Energy Rev. 2022, 164, 112529. [Google Scholar] [CrossRef]
  29. Fechter, M.; Petrova, I.P.; Kraume, M. Balance of Total Mass and Nitrogen Fluxes through Consecutive Digestate Processing Steps: Two Application Cases. J. Environ. Manag. 2023, 326, 116791. [Google Scholar] [CrossRef]
  30. Ayilara, M.S.; Olanrewaju, O.S.; Babalola, O.O.; Odeyemi, O. Waste Management through Composting: Challenges and Potentials. Sustainability 2020, 12, 4456. [Google Scholar] [CrossRef]
  31. Wei, Z.; Ahmed Mohamed, T.; Zhao, L.; Zhu, Z.; Zhao, Y.; Wu, J. Microhabitat Drive Microbial Anabolism to Promote Carbon Sequestration during Composting. Bioresour. Technol. 2022, 346, 126577. [Google Scholar] [CrossRef] [PubMed]
  32. Smith, R. Chemical Process Design and Integration; John Wiley & Sons: Hoboken, NJ, USA, 2005. [Google Scholar]
  33. Costamagna, P.; Delucchi, M.; Busca, G.; Giordano, A. System for Ammonia Removal from Anaerobic Digestion and Associated Ammonium Sulfate Production: Simulation and Design Considerations. Process Saf. Environ. Prot. 2020, 144, 133–142. [Google Scholar] [CrossRef]
  34. Zhu, K.; Gu, S.; Liu, J.; Luo, T.; Khan, Z.; Zhang, K.; Hu, L. Wood Vinegar as a Complex Growth Regulator Promotes the Growth, Yield, and Quality of Rapeseed. Agronomy 2021, 11, 510. [Google Scholar] [CrossRef]
  35. Petrova, I.; Tolstorebrov, I.; Eikevik, T.M. Production of Fish Protein Hydrolysates Step by Step: Technological Aspects, Equipment Used, Major Energy Costs and Methods of Their Minimizing. Int. Aquat. Res. 2018, 10, 223–241. [Google Scholar] [CrossRef]
  36. Jajic, I.; Krstovic, S.; Glamocic, D.; Jakšic, S.; Abramovic, B. Validation of an HPLC Method for the Determination of Amino Acids in Feed. J. Serbian Chem. Soc. 2013, 78, 839–850. [Google Scholar] [CrossRef]
  37. Szopa, D.; Skrzypczak, D.; Izydorczyk, G.; Chojnacka, K.; Korczyński, M.; Witek-Krowiak, A. Evaluation of Tenebrio Molitor Protein Hydrolysates as Biostimulants Improving Plants Growth and Root Architecture. J. Clean Prod. 2023, 401, 136812. [Google Scholar] [CrossRef]
  38. Solarte-Toro, J.C.; Ortiz-Sanchez, M.; Cardona Alzate, C.A. Sustainability Analysis of Biorefineries Based on Country Socio-Economic and Environmental Context: A Step-by-Step Way for the Integral Analysis of Biomass Upgrading Processes. Renew. Energy 2023, 206, 1147–1157. [Google Scholar] [CrossRef]
  39. Ministerio de Desarrollo y Agricultura Rural Agronet-Estadísticas. Available online: https://www.agronet.gov.co/estadistica/Paginas/home.aspx?cod=1 (accessed on 21 July 2023).
  40. Vanegas Salazar, C.M. Manejo Del Bagazo En La Agroindustria de Caña Panelraen El Nordeste Antioqueño a Partir de La Gestion Integral de Residuos: Estudio de Caso Municipio de Yolombo; Universidad De Manizales: Manizales, Colombia, 2016. [Google Scholar]
  41. Restrepo-Serna, D.L.; Martínez-Ruano, J.A.; Cardona-Alzate, C.A. Energy Efficiency of Biorefinery Schemes Using Sugarcane Bagasse as Raw Material. Energies 2018, 11, 3474. [Google Scholar] [CrossRef]
  42. Rajendran, K.; Kankanala, H.R.; Lundin, M.; Taherzadeh, M.J. A Novel Process Simulation Model (PSM) for Anaerobic Digestion Using Aspen Plus. Bioresour. Technol. 2014, 168, 7–13. [Google Scholar] [CrossRef] [PubMed]
  43. Martínez-Ruano, J.A.; Restrepo-Serna, D.L.; Carmona-Garcia, E.; Giraldo, J.A.P.; Aroca, G.; Cardona, C.A. Effect of Co-Digestion of Milk-Whey and Potato Stem on Heat and Power Generation Using Biogas as an Energy Vector: Techno-Economic Assessment. Appl. Energy. 2019, 241, 504–518. [Google Scholar] [CrossRef]
  44. Karaeva, J.V.; Timofeeva, S.S.; Islamova, S.I.; Gerasimov, A.V. Pyrolysis Kinetics of New Bioenergy Feedstock from Anaerobic Digestate of Agro-Waste by Thermogravimetric Analysis. J. Environ. Chem. Eng. 2022, 10, 107850. [Google Scholar] [CrossRef]
  45. Solarte-Toro, J.C.; Chacón-Pérez, Y.; Cardona-Alzate, C.A. Evaluation of Biogas and Syngas as Energy Vectors for Heat and Power Generation Using Lignocellulosic Biomass as Raw Material. Electron. J. Biotechnol. 2018, 33, 52–62. [Google Scholar] [CrossRef]
  46. Torres Barrera, N.H.; Grandas Rincón, I.A. Estimación de Los Desperdicios Generados Por La Producción de Trucha Arcoíris En El Lago de Tota, Colombia. Cienc. Tecnol. Agropecu. 2017, 18, 247–255. [Google Scholar] [CrossRef]
  47. Chalamaiah, M.; Dinesh Kumar, B.; Hemalatha, R.; Jyothirmayi, T. Fish Protein Hydrolysates: Proximate Composition, Amino Acid Composition, Antioxidant Activities and Applications: A Review. Food Chem. 2012, 135, 3020–3038. [Google Scholar] [CrossRef]
  48. Popa, C.; Oprescu, E.E.; Popescu, M. Study of the Influence of Process Parameters on Biomass Gasification Using UniSim Design Environment. In Proceedings of the 2022 14th International Conference on Electronics, Computers and Artificial Intelligence, Ploiesti, Romania, 30 June–1 July 2022. [Google Scholar] [CrossRef]
  49. Wooley, R.J.; Putsche, V. Development of an ASPEN PLUS Physical Property Database for Biofuels Components; National Renewable Energy Lab. (NREL): Golden, CO, USA, 1996. [Google Scholar]
  50. Ruiz-Mercado, G.J.; Smith, R.L.; Gonzalez, M.A. Sustainability Indicators for Chemical Processes: II. Data Needs. Ind. Eng. Chem. Res. 2012, 51, 2329–2353. [Google Scholar] [CrossRef]
  51. Smith, R.L.; Gonzales, M.; Ruíz Mercado, J.G. GREENSCOPE: A Method for Modeling Chemical Process Sustainability. In Proceedings of the AIChE National Meeting, Minneapolis, MN, USA, 16–21 October 2011. [Google Scholar]
  52. Peters, M.S.; Timmerhaus, K.D. Plants Design and Economics for Chemical Engineering; McGraw Hill: New York, NY, USA, 1991. [Google Scholar]
  53. Towler, G.; Sinnott, R. Principles, Practice and Economics of Plant and Process Design. In Chemical Engineering Design; Elsevier: Amsterdam, The Netherlands, 2008. [Google Scholar]
  54. Rueda-Duran, C.A.; Ortiz-Sanchez, M.; Cardona-Alzate, C.A. Detailed Economic Assessment of Polylactic Acid Production by Using Glucose Platform: Sugarcane Bagasse, Coffee Cut Stems, and Plantain Peels as Possible Raw Materials. Biomass Convers. Biorefin. 2022, 12, 4419–4434. [Google Scholar] [CrossRef]
  55. Peters, M.S.; Timmerhaus, K.D. Plant Design and Costing for Chemical Engineers; McGraw Hill: New York, NY, USA, 1991. [Google Scholar]
  56. Towler, G.; Sinnott, R.A.Y. Chemical Engineering Design; Elsevier: Amsterdam, The Netherlands, 2008. [Google Scholar]
  57. Lending Interest Rate (%)-Country Comparison. Available online: https://www.indexmundi.com/facts/indicators/FR.INR.LEND/compare#country=co (accessed on 21 July 2023).
  58. Corporate Income Tax (CIT) Rates. Available online: https://taxsummaries.pwc.com/quick-charts/corporate-income-tax-cit-rates#anchor-C (accessed on 21 July 2023).
  59. Ministerio del Trabajo Actas de Salarío Minímo. Available online: https://www.mintrabajo.gov.co/web/guest/relaciones-laborales/comision-permanente-de-concertacion?inheritRedirect=true (accessed on 21 July 2023).
  60. Aristizábal-Marulanda, V.; Solarte-Toro, J.C.; Cardona Alzate, C.A. Economic and Social Assessment of Biorefineries: The Case of Coffee Cut-Stems (CCS) in Colombia. Bioresour. Technol. Rep. 2020, 9, 100397. [Google Scholar] [CrossRef]
  61. Singh, N.; Singhania, R.R.; Nigam, P.S.; Dong, C.D.; Patel, A.K.; Puri, M. Global Status of Lignocellulosic Biorefinery: Challenges and Perspectives. Bioresour. Technol. 2022, 344, 126415. [Google Scholar] [CrossRef] [PubMed]
  62. Young, D.M.; Cabezas, H. Designing Sustainable Processes with Simulation: The Waste Reduction (WAR) Algorithm. Comput. Chem. Eng. 1999, 23, 1477–1491. [Google Scholar] [CrossRef]
  63. Fundación Natura Guía Para Los Inventarios Organizacionales de Emisiones de Gases de Efecto Invernadero. 2014. Available online: https://natura.org.co/publicaciones/guia-los-inventarios-organizacionales-gei-uso-combustibles-fosiles-actividades-comerciales-e-industriales/ (accessed on 21 July 2023).
  64. Unidad de Planeación Minero Energética (UPME) Factores de Emisión de Los Combustibles Colombianos (FECOC). Available online: http://www.upme.gov.co/calculadora_emisiones/aplicacion/calculadora.html (accessed on 21 July 2023).
  65. GreenDelta Product Social Impact Life Cycle Assessment Database v.3 (PSILCA). Available online: https://psilca.net/ (accessed on 21 July 2023).
  66. Global Living Wage Coalition Living Wage for Caribbean Coast of Colombia. Available online: https://www.globallivingwage.org/living-wage-benchmarks/living-wage-for-caribbean-coast-of-colombia/ (accessed on 21 July 2023).
  67. Al Seadi, T.; Drosg, B.; Fuchs, W.; Rutz, D.; Janssen, R. Biogas Digestate Quality and Utilization. In The Biogas Handbook: Science, Production and Applications; Woodhead Publishing Limited: Cambridge, UK, 2013; pp. 267–301. [Google Scholar] [CrossRef]
  68. Fechter, M.; Kraume, M. Digestate Treatment Techniques. 2016. Available online: https://www.ejournals.eu/Czasopismo-Techniczne/2016/Mechanika-Zeszyt-1-M-(1)-2016/art/7547 (accessed on 21 July 2023).
  69. Shafiq, S.; Akram, N.A.; Ashraf, M.; García-Caparrós, P.; Ali, O.M.; Abdel Latef, A.A.H. Influence of Glycine Betaine (Natural and Synthetic) on Growth, Metabolism and Yield Production of Drought-Stressed Maize (Zea Mays L.) Plants. Plants 2021, 10, 2540. [Google Scholar] [CrossRef] [PubMed]
  70. Ghodake, G.S.; Shinde, S.K.; Kadam, A.A.; Saratale, R.G.; Saratale, G.D.; Kumar, M.; Palem, R.R.; AL-Shwaiman, H.A.; Elgorban, A.M.; Syed, A.; et al. Review on Biomass Feedstocks, Pyrolysis Mechanism and Physicochemical Properties of Biochar: State-of-the-Art Framework to Speed up Vision of Circular Bioeconomy. J. Clean Prod. 2021, 297, 126645. [Google Scholar] [CrossRef]
  71. Colla, G.; Nardi, S.; Cardarelli, M.; Ertani, A.; Lucini, L.; Canaguier, R.; Rouphael, Y. Protein Hydrolysates as Biostimulants in Horticulture. Sci. Hortic. 2015, 196, 28–38. [Google Scholar] [CrossRef]
  72. Brentrup, F.; Hoxha, A.; Christensen, B. Carbon Footprint Analysis of Mineral Fertilizer Production in Europe and Other World Regions. In Proceedings of the 10th International Conference on Life Cycle Assessment of Food, Dublin, Ireland, 19–21 October 2016. [Google Scholar]
  73. Moncada, J.; Matallana, L.G.; Cardona, C.A. Selection of Process Pathways for Biorefinery Design Using Optimization Tools: A Colombian Case for Conversion of Sugarcane Bagasse to Ethanol, Poly-3-Hydroxybutyrate (PHB), and Energy. Ind. Eng. Chem. Res. 2013, 52, 4132–4145. [Google Scholar] [CrossRef]
  74. Indian Manufacturers Suppliers Exporters Directory. Available online: https://my.indiamart.com/ (accessed on 21 July 2023).
  75. Zhang, R. Presentation: Digestate Alone and with Compost—Designing for Specific End Uses. In Proceedings of the California Bioresources Alliance 2017 Symposium, Los Angeles, CA, USA, 2 November 2017. [Google Scholar]
  76. Sahoo, K.; Mani, S. Economic and Environmental Impacts of an Integrated-State Anaerobic Digestion System to Produce Compressed Natural Gas from Organic Wastes and Energy Crops. Renew. Sustain. Energy Rev. 2019, 115, 109354. [Google Scholar] [CrossRef]
Figure 1. Biodegradables residues in biofertilizer production.
Figure 1. Biodegradables residues in biofertilizer production.
Fermentation 09 00788 g001
Figure 2. Process block diagram for (a) scenario 1, (b) scenario 2, and (c) scenario 3.
Figure 2. Process block diagram for (a) scenario 1, (b) scenario 2, and (c) scenario 3.
Fermentation 09 00788 g002aFermentation 09 00788 g002b
Figure 3. Biofertilizer production in scenario 1.
Figure 3. Biofertilizer production in scenario 1.
Fermentation 09 00788 g003
Figure 4. Biofertilizer production in scenario 2.
Figure 4. Biofertilizer production in scenario 2.
Fermentation 09 00788 g004
Figure 5. Biofertilizer production in scenario 3.
Figure 5. Biofertilizer production in scenario 3.
Fermentation 09 00788 g005
Figure 6. PEI of biofertilizer production.
Figure 6. PEI of biofertilizer production.
Fermentation 09 00788 g006
Figure 7. (a) Scale process variation in biofertilizer production in scenario 1; (b) liquid digestate price variation in biofertilizer production in scenario 1; (c) ammonium sulfate price variation in biofertilizer production in scenario 1.
Figure 7. (a) Scale process variation in biofertilizer production in scenario 1; (b) liquid digestate price variation in biofertilizer production in scenario 1; (c) ammonium sulfate price variation in biofertilizer production in scenario 1.
Fermentation 09 00788 g007
Figure 8. (a) Scale process variation in biofertilizer production in scenario 2; (b) Biochar price variation in biofertilizer production in scenario 2.
Figure 8. (a) Scale process variation in biofertilizer production in scenario 2; (b) Biochar price variation in biofertilizer production in scenario 2.
Fermentation 09 00788 g008
Figure 9. (a) Scale process variation to biofertilizer production in scenario 3; (b) amino acid price variation in biofertilizer production in scenario 3.
Figure 9. (a) Scale process variation to biofertilizer production in scenario 3; (b) amino acid price variation in biofertilizer production in scenario 3.
Fermentation 09 00788 g009
Figure 10. Sustainability index (T: Technical; E: Economic; En: Environmental; S: Social).
Figure 10. Sustainability index (T: Technical; E: Economic; En: Environmental; S: Social).
Fermentation 09 00788 g010
Table 1. Brown sugarcane bagasse composition [41].
Table 1. Brown sugarcane bagasse composition [41].
MoistureCelluloseHemicelluloseLigninProteinAsh
49.33%23.38%11.89%11.54%2.37%1.48%
Table 2. Digestate chemical composition from agro-industrial waste [44].
Table 2. Digestate chemical composition from agro-industrial waste [44].
Proximal SnalysisMoistureAshFixed CarbonVolatile Material
6.02%24.44%5.64%63.91%
Ultimate analysisCHON
35.60%4.40%58.20%1.80%
Table 3. Fish waste chemical composition [47].
Table 3. Fish waste chemical composition [47].
ProteinMoistureAshFat
80.57%4.31%11.46%3.67%
Table 4. Classification of Potential Environmental Impact (PEI) categories.
Table 4. Classification of Potential Environmental Impact (PEI) categories.
Global atmospheric impactGWP: Global warming potential
ODP: Ozone-depleting potential
AP: Acidification potential
PCOP: Photochemical oxidation potential
Global toxicological impactHTPE: Human toxicity potential for exposure
HTPI: Human toxicity potential for ingestion
ATP: Aquatic toxicity potential
TTP: Terrestrial toxicity Potential
Table 5. General results of biofertilizer production in scenario 3.
Table 5. General results of biofertilizer production in scenario 3.
ParameterValue
Pellets (solid digestate) [kg/h]2591.43
Concentrated liquid digestate [kg/h]37640.83
Ammonium sulphate [kg/h]38.19
Ammonia recovery (% w/w)96
H2SO4 flow (98% w/w)31.04
Air stripping column stages12
Absorption column stages5
Table 6. Technical and energy indicators.
Table 6. Technical and energy indicators.
IndicatorScenario
123
TechnicalProduct yield [%]60.90Total = 75.64
Biochar = 5.64
92.79
Process mass intensity index [kg raw materials/kg product]1.641.3216.13
Renewability material index [kg renewable raw material/kg raw materials—%]99.60100.0056.68
EnergySelf-generation index0.090.030.16
Table 7. Carbon footprint and water footprint of processes.
Table 7. Carbon footprint and water footprint of processes.
VariableScenario 1Scenario 2Scenario 3
Natural gas [m3/h]270.54-0.308
Electricity [kWh]10.45--
kg CO2-eq/h14426.43-0.0767
kg CO2-eq/kg product0.670.067.6 × 10−4
Water use [kg/h]61797.85-88.72
kg H2O/kg product1.47-0.88
Table 8. Utilities, raw materials, and products price.
Table 8. Utilities, raw materials, and products price.
Raw material Price [USD/kg]Scenario 1RefScenario 2ValueRefScenario 3Ref
BSB0.035[73] Fish wastes0.003[74]
H2SO40.730[74]Digestate0.0027[75]HCl0.12
Inoculum0.0027[75] NaOH0.28
Product Price [USD/kg]Scenario 1RefScenario 2ValueRefScenario 3 Ref
Pellets0.00176[75]
CLD0.00276[75]Biochar0.218[74]Amino 2.18[74]
Ammonium sulfate0.25 acids
UtilitiesPriceRef
Low pressure steam
[USD/ton]
7.89
Process water [USD/m3]0.326[54]
Electricity [USD/kWh]0.055
Cooling water [USD/m3]0.042
Table 9. Increment matrix.
Table 9. Increment matrix.
M/LIncrease#Operators
91215
0.690%5.164.463.76NPV
(MUSD)
0.7610%4.954.183.41
0.9030%4.533.622.71
0.9740%4.323.342.36
1.1160%3.892.781.61
Table 10. Best and worst case for each biofertilizer production process.
Table 10. Best and worst case for each biofertilizer production process.
DimensionIndicatorScenario 1Scenario 2Scenario 3
BestWorstBestWorstBestWorst
TechnicalPMI1.6450.001.3250.001.0050.00
RMI [%]100.000.00100.000.00100.000.00
SGI [%]1.000.001.000.001.000.00
EconomicPBP12.0020.006.000.007.000.00
TR0.540.3685.800.0833.435.76
EnvironmentalCF [kg CO2-eq]0.0020.007.1 × 10−50.050.0020.00
WF [m3/kg]0.0020.000.000.000.0020.00
SocialM/Lmax0.691.000.691.000.691.00
Table 11. Indicator normalization.
Table 11. Indicator normalization.
DimensionScale (ton/day)Scenario 1Scenario 2Scenario 3Scenario 1Scenario 2Scenario 3
1750.2821750.282
IndicatorActualNormalization
TechnicalPMI1.641.3216.131.001.010.70
RMI [%]99.60100.006.681.001.000.07
SGI [%]0.090.030.160.090.030.16
EconomicPBP12.000.000.001.000.000.00
TR0.470.0825.760.610.000.00
EnvironmentalCF [kg CO2-eq]0.67 7.1 × 10−57.60 × 10−40.971.001.00
WF [m3/kg]1.47 × 10−30.008.81 × 10−41.000.001.00
SocialM/Lmax10.790.9910.650.97
Disclaimer/Publisher’s Note: The statements, opinions and data contained in all publications are solely those of the individual author(s) and contributor(s) and not of MDPI and/or the editor(s). MDPI and/or the editor(s) disclaim responsibility for any injury to people or property resulting from any ideas, methods, instructions or products referred to in the content.

Share and Cite

MDPI and ACS Style

Burbano-Cuasapud, J.M.; Solarte-Toro, J.C.; Restrepo-Serna, D.L.; Cardona Alzate, C.A. Process Sustainability Analysis of Biorefineries to Produce Biofertilizers and Bioenergy from Biodegradable Residues. Fermentation 2023, 9, 788. https://doi.org/10.3390/fermentation9090788

AMA Style

Burbano-Cuasapud JM, Solarte-Toro JC, Restrepo-Serna DL, Cardona Alzate CA. Process Sustainability Analysis of Biorefineries to Produce Biofertilizers and Bioenergy from Biodegradable Residues. Fermentation. 2023; 9(9):788. https://doi.org/10.3390/fermentation9090788

Chicago/Turabian Style

Burbano-Cuasapud, Johana Marisol, Juan Camilo Solarte-Toro, Daissy Lorena Restrepo-Serna, and Carlos Ariel Cardona Alzate. 2023. "Process Sustainability Analysis of Biorefineries to Produce Biofertilizers and Bioenergy from Biodegradable Residues" Fermentation 9, no. 9: 788. https://doi.org/10.3390/fermentation9090788

APA Style

Burbano-Cuasapud, J. M., Solarte-Toro, J. C., Restrepo-Serna, D. L., & Cardona Alzate, C. A. (2023). Process Sustainability Analysis of Biorefineries to Produce Biofertilizers and Bioenergy from Biodegradable Residues. Fermentation, 9(9), 788. https://doi.org/10.3390/fermentation9090788

Note that from the first issue of 2016, this journal uses article numbers instead of page numbers. See further details here.

Article Metrics

Back to TopTop