Hybrid PV System with High Speed Flywheel Energy Storage for Remote Residential Loads
Abstract
1. Introduction
2. Modelling of FESS and Its Control Structure
2.1. Modelling of FESS
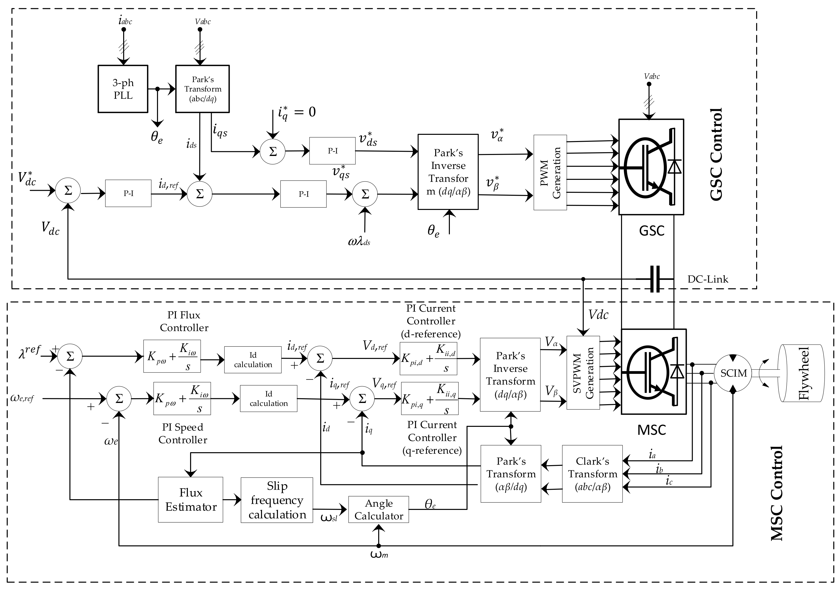
2.2. Modelling of Control Structure
3. Modelling and Operation of Photovoltaic Hybrid Mini-Grid System (PVHMS)
3.1. Operation of the FESS
3.2. Modelling of Load Profiles
4. Methodology
5. Results and Analysis
5.1. Islanded Operation without Flywheel Energy Storage
5.1.1. Load Profile 1
5.1.2. Load Profile 2
5.1.3. Load Profile 3
5.2. Islanded Operation with Flywheel Energy Storage
5.2.1. Load Profile 1
5.2.2. Load Profile 2
5.2.3. Load Profile 3
6. Diesel Generator Fuel Consumption and CO2 Emission Analysis
6.1. Diesel Fuel Consumption Analysis
6.2. Diesel CO2 Emission Analysis
7. Conclusions
Author Contributions
Funding
Informed Consent Statement
Data Availability Statement
Conflicts of Interest
References
- AlSkaif, T.; Zopata, M.G.; Boris, B.; Anders, N. A distributed power sharing framework among households in microgrids: A repeated game approach. Comput. Arch. Inform. Numer. Comput. 2016, 99, 23–27. [Google Scholar] [CrossRef]
- Godina, R.; Rodrigues, E.M.G.; Pouresmaeil, E.; Matias, J.C.O.; Catalao, J.P.S. Model Predictive Control Home Energy Management and Optimization Strategy with Demand Response. Appl. Sci. 2018, 8, 408. [Google Scholar] [CrossRef]
- Yan, B.; Wang, B.; Zhu, L.; Liu, H.; Liu, Y.; Ji, X.; Liu, D. A Novel, Stable, and Economic Power Sharing Scheme for an Autonomous Microgrid in the Energy Internet. Energies 2015, 8, 12741–12764. [Google Scholar] [CrossRef]
- Shaahid, S.; Elhadidy, M. Technical and economic assessment of grid-independent hybrid photovoltaic–diesel–battery power systems for commercial loads in desert environments. Renew. Sustain. Energy Rev. 2007, 11, 1794–1810. [Google Scholar] [CrossRef]
- Guney, M.S.; Tepe, Y. Classification and assessment of energy storage systems. Renew. Sustain. Energy Rev. 2017, 75, 1187–1197. [Google Scholar] [CrossRef]
- Dehghani-Sanij, A.; Tharumalingam, E.; Dusseault, M.; Fraser, R. Study of energy storage systems and environmental challenges of batteries. Renew. Sustain. Energy Rev. 2019, 104, 192–208. [Google Scholar] [CrossRef]
- Belfkira, R.; Zhang, L.; Barakat, G. Optimal sizing study of hybrid wind/PV/diesel power generation unit. Sol. Energy 2011, 85, 100–110. [Google Scholar] [CrossRef]
- Ogunjuyigbe, A.; Ayodele, T.; Akinola, O. Optimal allocation and sizing of PV/Wind/Split-diesel/Battery hybrid energy system for minimizing life cycle cost, carbon emission and dump energy of remote residential building. Appl. Energy 2016, 171, 153–171. [Google Scholar] [CrossRef]
- Amiryar, M.E.; Keith, P.R. Assessment of the Carbon and Cost Savings of a Combined Diesel Generator, Solar Photovoltaic, and Flywheel Energy Storage Islanded Grid System. Energies 2019, 12, 3356. [Google Scholar] [CrossRef]
- Arani, A.K.; Karami, H.; Gharehpetian, G.; Hejazi, M. Review of Flywheel Energy Storage Systems structures and applications in power systems and microgrids. Renew. Sustain. Energy Rev. 2017, 69, 9–18. [Google Scholar] [CrossRef]
- Holm, S.R. Modelling and Optimization of Permanent Magnet Machine in a Flywheel. Ph.D. Thesis, Delft University of Technology, Delft, The Netherland, 2003. [Google Scholar]
- Feng, J.; Gonbao, W.; Lijun, F.; Ruitian, W.; Zhen, X. Controller design of flywheel energy storage sysems in microgrid. In Proceedings of the 17th International Conference on Electrical Machines and Systems (ICEMS), Hangzhou, China, 22–25 October 2014. [Google Scholar]
- Amezquita-Brooks, L.; Liceaga-Castro, J.; Liceaga-Castro, E. Speed and Position Controllers Using Indirect Field-Oriented Control: A Classical Control Approach. IEEE Trans. Ind. Electron. 2014, 61, 1928–1943. [Google Scholar] [CrossRef]
- Diaz-Gonzalez, F.; Sumper, A.; Gomis-Bellmunt, O. Energy Storage in Power Systems; John Wiley & Sons Ltd.: Hoboken, NJ, USA, 2016. [Google Scholar]
- Palacios-Garcia, E.J.; Moreno-Muñoz, A.; Santiago, I.; Moreno-Garcia, I.M.; Milanés-Montero, M.I. PV Hosting Capacity Analysis and Enhancement Using High Resolution Stochastic Modeling. Energies 2017, 10, 1488. [Google Scholar] [CrossRef]
- McKenna, E.; Thomson, M. High-resolution stochastic integrated thermal–electrical domestic demand model. Appl. Energy 2016, 165, 445–461. [Google Scholar] [CrossRef]
- Jakhrani, A.Q.; Othman, K.A.; Rigit, R.H.A.; Samo, S.R.; Kamboh, S.A. Estimation of Carbon Footprints from Diesel Generator Emissions. In Proceedings of the 2012 International Conference in Green and Ubiquitous Technology, Bandung, Indonesia, 7–8 July 2012. [Google Scholar]

































| Parameter | Value | 
|---|---|
| Stator Resistance | 11.85 mΩ | 
| Rotor Resistance | 9.29 mΩ | 
| Stator leakage inductance | 0.2027 mH | 
| Rotor leakage inductance | 0.2027 mH | 
| Mutual Inductance | 9.295 mH | 
| Rated magnetic flux | 0.75 Weber | 
| Power rating | 100 kW | 
| Maximum speed | 20 krpm | 
| Minimum speed | 10 krpm | 
| Switching frequency | 20 kHz | 
| DC bus voltage | 600 V | 
| Flywheel rotor outer diameter | 0.4 m | 
| Shaft diameter | 0.025 m | 
| Source Type | Specification | Value/Description | |
|---|---|---|---|
| Synchronous Diesel Generator | Nominal Power | 100 (kW) | |
| Nominal Frequency | 50 (Hz) | ||
| Power Factor | 0.8 | ||
| % Load | liter/h | ||
| Fuel Consumption | 100 | 26.7 | |
| 75 | 20.2 | ||
| 50 | 14.1 | ||
| Model | 1104C-44TAG2 | ||
| Engine Speed | 1800 (rpm) | ||
| Engine Make | PERKINS | ||
| Solar Photovoltaic System | Model | SunPower SPR-305E-WHT-D | |
| Maximum power | 305.226 (W) | ||
| Temperature | 40 (°C) | ||
| Maximum irradiance | 1200 (W/m2) | ||
| Maximum power point current | 5.58 (A) | ||
| Maximum power point voltage | 54.7 (V) | ||
| Parallel strings | 50 | ||
| Series connected strings | 5 | ||
| Operation Scenario | Operation Ratio at % Load | Total Fuel Consumption (Liters) | ||||
|---|---|---|---|---|---|---|
| 50% | 75% | 100% | 50% | 75% | 100% | |
| Load Profile 1 | 47% | 7.5% | 15% | 1.9 | 0.505 | 1.26 | 
| Load Profile 2 | 93.5% | 6.5% | 0% | 3.6 | 0.24 | 0 | 
| Load Profile 3 | 56% | 15% | 18% | 2.16 | 0.841 | 1.33 | 
| Operation Scenario | Operation Ratio at % Load | Total Fuel Consumption (Liters) | ||||
|---|---|---|---|---|---|---|
| 50% | 75% | 100% | 50% | 75% | 100% | |
| Load Profile 1 | %0 | %0 | 17.5% | 0 | 0 | 1.4 | 
| Load Profile 2 | %0 | %0 | 23.7% | 0 | 0 | 1.27 | 
| Load Profile 3 | %0 | %0 | 31% | 0 | 0 | 2.26 | 
| Publisher’s Note: MDPI stays neutral with regard to jurisdictional claims in published maps and institutional affiliations. | 
© 2021 by the authors. Licensee MDPI, Basel, Switzerland. This article is an open access article distributed under the terms and conditions of the Creative Commons Attribution (CC BY) license (https://creativecommons.org/licenses/by/4.0/).
Share and Cite
Soomro, A.; Pullen, K.R.; Amiryar, M.E. Hybrid PV System with High Speed Flywheel Energy Storage for Remote Residential Loads. Clean Technol. 2021, 3, 351-376. https://doi.org/10.3390/cleantechnol3020020
Soomro A, Pullen KR, Amiryar ME. Hybrid PV System with High Speed Flywheel Energy Storage for Remote Residential Loads. Clean Technologies. 2021; 3(2):351-376. https://doi.org/10.3390/cleantechnol3020020
Chicago/Turabian StyleSoomro, Abid, Keith R. Pullen, and Mustafa E. Amiryar. 2021. "Hybrid PV System with High Speed Flywheel Energy Storage for Remote Residential Loads" Clean Technologies 3, no. 2: 351-376. https://doi.org/10.3390/cleantechnol3020020
APA StyleSoomro, A., Pullen, K. R., & Amiryar, M. E. (2021). Hybrid PV System with High Speed Flywheel Energy Storage for Remote Residential Loads. Clean Technologies, 3(2), 351-376. https://doi.org/10.3390/cleantechnol3020020
 
         
                                                

 
       