Method for Testing Combinational Circuits by Multiple Diagnostic Features Using Weight-Based Sum Codes Properties
Abstract
1. Introduction
2. Weight-Based Sum Codes
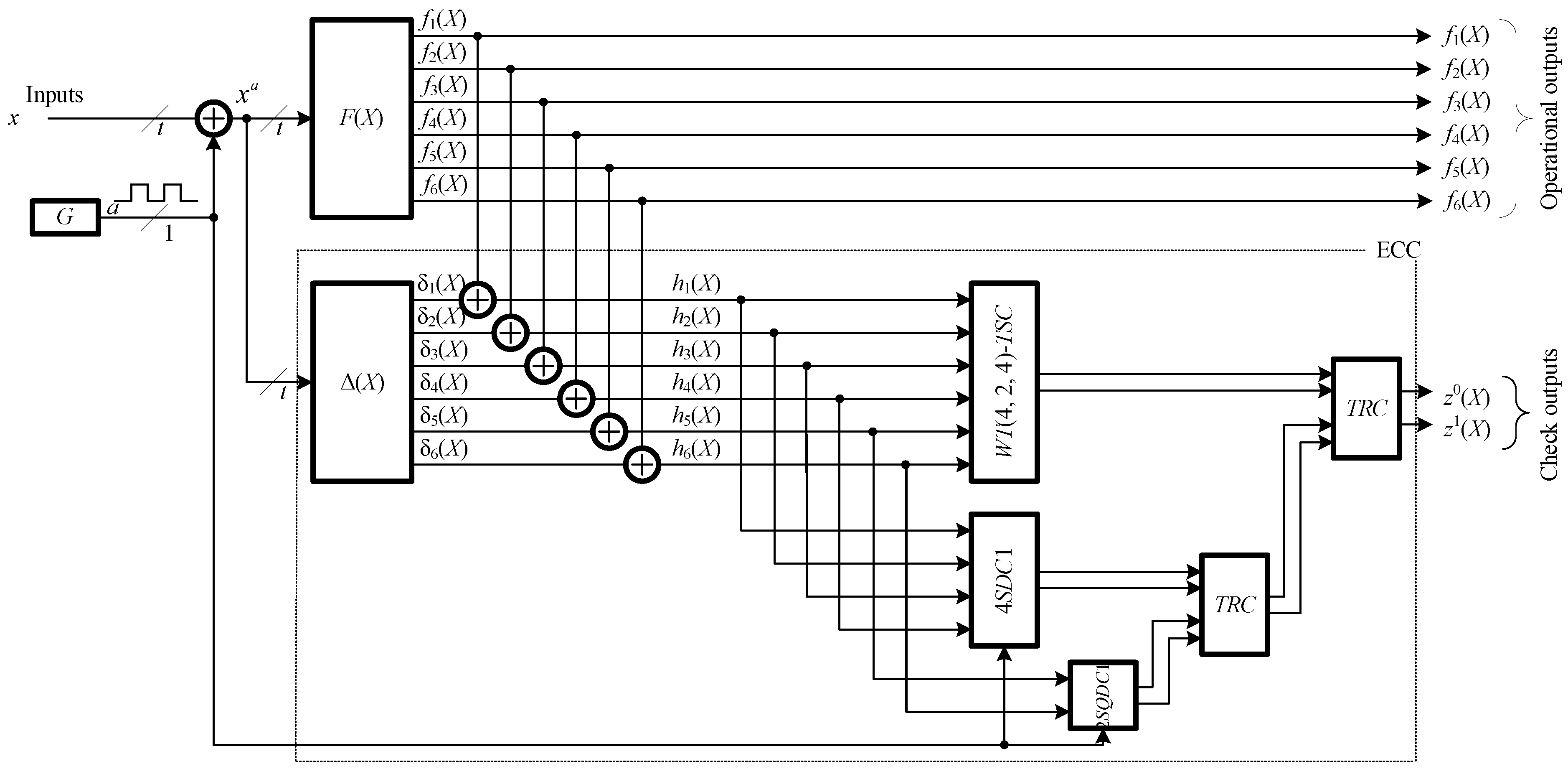
3. SD/SQD-Control Arrangement by Using WT(m, k, M)-Codes
4. ECC Synthesis Algorithm
- Step 1.
- Step 2.
- Step 3.
- Step 4.
- Step 5.
- Step 6.
- Step 7.
- Step 8.
- Step 9.
- Step 10.
- Step 1.
- Step 2.
- Step 3.
- Step 4.
- Step 5.
- Step 6.
- Step 7.
- Step 8.
- Step 9.
- Step 10.
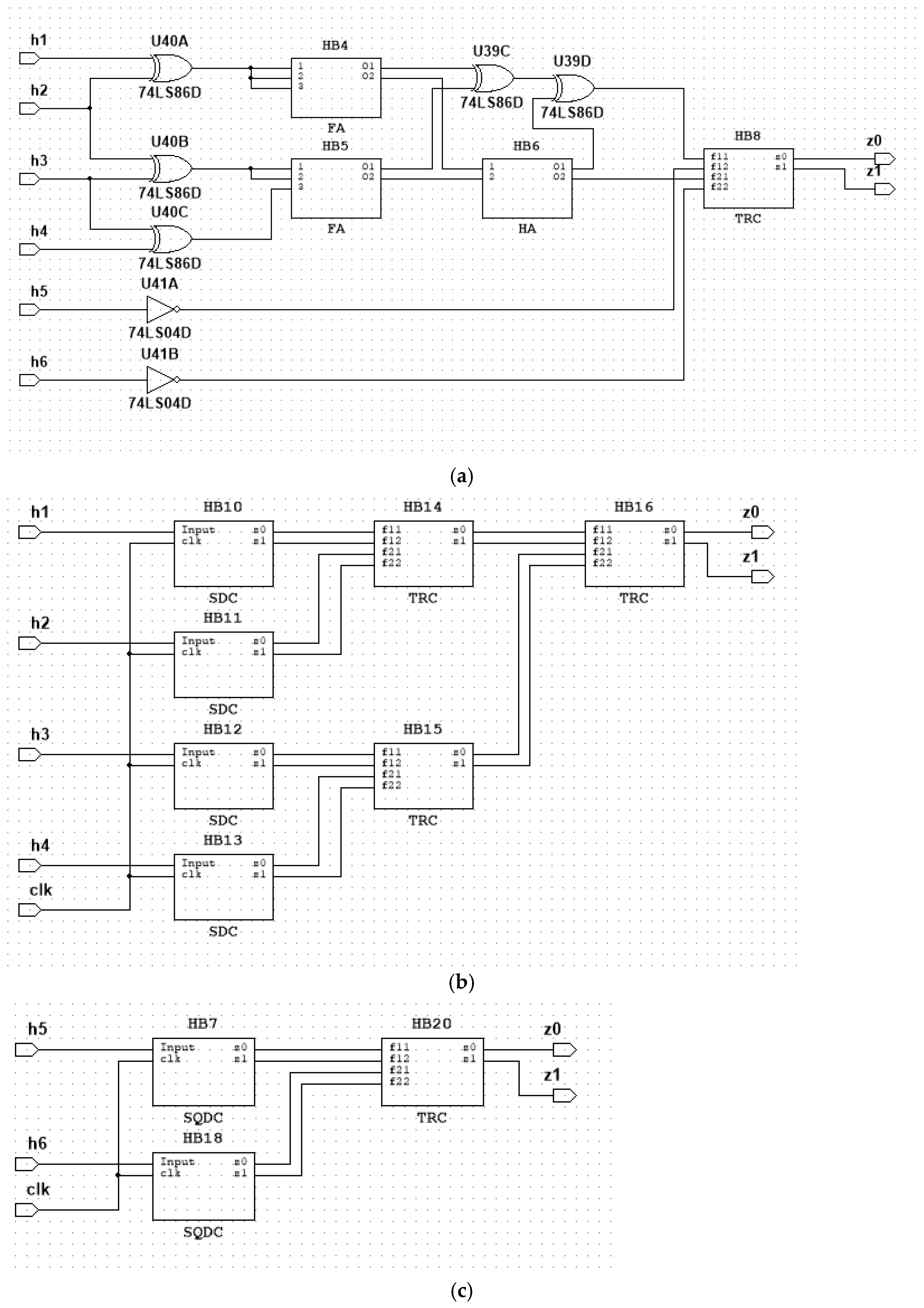
5. Modeling a Self-Checking Device
6. Discussion
7. Conclusions
Author Contributions
Funding
Data Availability Statement
Conflicts of Interest
References
- Ubar, R.; Raik, J.; Vierhaus, H.T. Design and Test Technology for Dependable Systems-on-Chip (Premier Reference Source); Information Science Reference/IGI Global: Hershey, PA, USA, 2011; 578p. [Google Scholar]
- Dubrova, E. Fault-Tolerant Design; Springer Science+Business Media: New York, NY, USA, 2013; XV+185p. [Google Scholar] [CrossRef]
- Nicolaidis, M.; Zorian, Y. On-Line Testing for VLSI—A Compendium of Approaches. J. Electron. Test. Theory Appl. (JETTA) 1998, 12, 7–20. [Google Scholar] [CrossRef]
- Mitra, S.; McCluskey, E.J. Which Concurrent Error Detection Scheme to Choose? In Proceedings of the International Test Conference 2000, Atlantic City, NJ, USA, 3–5 October 2000; pp. 985–994. [Google Scholar] [CrossRef]
- Lala, P.K. Self-Checking and Fault-Tolerant Digital Design; Morgan Kaufmann Publishers: San Francisco, CA, USA, 2001; 216p. [Google Scholar]
- Ghosh, S.; Basu, S.; Touba, N.A. Synthesis of Low Power CED Circuits Based on Parity Codes. In Proceedings of the 23rd IEEE VLSI Test Symposium (VTS’05), Palm Springs, CA, USA, 1–5 May 2005; pp. 315–320. [Google Scholar]
- Borecký, J.; Kohlík, M.; Kubátová, H. Parity Driven Reconfigurable Duplex System. Microprocess. Microsyst. 2017, 52, 251–260. [Google Scholar] [CrossRef]
- Aksenova, G.P.; Sogomonyan, E.S. Design of Self-Checking Built-In Check Circuits for Automata with Memory. Autom. Remote Control 1975, 36, 1169–1177. [Google Scholar]
- Sogomonyan, E.S.; Gössel, M. Design of Self-Testing and On-Line Fault Detection Combinational Circuits with Weakly Independent Outputs. J. Electron. Test. Theory Appl. 1993, 4, 267–281. [Google Scholar] [CrossRef]
- Göessel, M.; Morozov, A.A.; Sapozhnikov, V.V.; Sapozhnikov, V.V. Construction of Combinational Self-Checking Devices with Monotonically Independent Outputs. Autom. Remote Control 1994, 55, 1050–1059. [Google Scholar]
- Freiman, C.V. Optimal Error Detection Codes for Completely Asymmetric Binary Channels. Inf. Control 1962, 5, 64–71. [Google Scholar] [CrossRef]
- Berger, J.M. A Note on Error Detection Codes for Asymmetric Channels. Inf. Control 1961, 4, 68–73. [Google Scholar] [CrossRef]
- Saposhnikov, V.V.; Morosov, A.; Saposhnikov, V.V.; Göessel, M. A New Design Method for Self-Checking Unidirectional Combinational Circuits. J. Electron. Test. Theory Appl. 1998, 12, 41–53. [Google Scholar] [CrossRef]
- Morosow, A.; Saposhnikov, V.V.; Saposhnikov, V.V.; Göessel, M. Self-Checking Combinational Circuits with Unidirectionally Independent Outputs. VLSI Des. 1998, 5, 333–345. [Google Scholar] [CrossRef]
- Reynolds, D.A.; Meize, G. Fault Detection Capabilities of Alternating Logic. IEEE Trans. Comput. 1978, C-27, 1093–1098. [Google Scholar] [CrossRef]
- Aksjonova, G.P. Restoration in Duplicated Units by the Method of Data Inversion. Autom. Remote Control 1987, 10, 144–153. [Google Scholar]
- Efanov, D.; Sapozhnikov, V.; Sapozhnikov, V.; Osadchy, G.; Pivovarov, D. Self-Dual Complement Method up to Constant-Weight Codes for Arrangement of Combinational Logical Circuits Concurrent Error-Detection Systems. In Proceedings of the 17th IEEE East-West Design & Test Symposium (EWDTS’2019), Batumi, Georgia, 13–16 September 2019; pp. 136–143. [Google Scholar] [CrossRef]
- Göessel, M.; Morozov, A.V.; Sapozhnikov, V.V.; Sapozhnikov, V.V. Logic Complement, a New Method of Checking the Combinational Circuits. Autom. Remote Control 2003, 1, 153–161. [Google Scholar] [CrossRef]
- Göessel, M.; Ocheretny, V.; Sogomonyan, E.; Marienfeld, D. New Methods of Concurrent Checking, 1st ed.; Springer Science+Business Media, B.V.: Dordrecht, The Netherlands, 2008; 184p. [Google Scholar]
- Efanov, D.V.; Pivovarov, D.V. The Hybrid Structure of a Self-Dual Built-In Control Circuit for Combinational Devices with Pre-Compression of Signals and Checking of Calculations by Two Diagnostic Parameters. In Proceedings of the 19th IEEE East-West Design & Test Symposium (EWDTS’2021), Batumi, Georgia, 10–13 September 2021; pp. 200–206. [Google Scholar] [CrossRef]
- Efanov, D.; Pogodina, T. Properties Investigation of Self-Dual Combinational Devices with Calculation Control Based on Hamming Codes. Inform. Autom. 2023, 22, 349–392. [Google Scholar] [CrossRef]
- Hamming, R.W. Error Detecting and Correcting Codes. Bell Syst. Tech. J. 1950, 29, 147–160. [Google Scholar] [CrossRef]
- Saposhnikov, V.; Saposhnikov, V. New Code for Fault Detection in Logic Circuits. In Proceedings of the 4th International Conference on Unconventional Electromechanical and Electrical Systems, St. Petersburg, Russia, 21–24 June 1999; pp. 693–696. [Google Scholar]
- Mekhov, V.B.; Sapozhnikov, V.V.; Sapozhnikov, V.V. Checking of Combinational Circuits Basing on Modification Sum Codes. Autom. Remote Control 2008, 69, 1411–1422. [Google Scholar] [CrossRef]
- Das, D.; Touba, N.A. Weight-Based Codes and Their Application to Concurrent Error Detection of Multilevel Circuits. In Proceedings of the 17th IEEE Test Symposium, Dana Point, CA, USA, 25–29 April 1999; pp. 370–376. [Google Scholar] [CrossRef]
- Das, D.; Touba, N.A.; Seuring, M.; Gossel, M. Low Cost Concurrent Error Detection Based on Modulo Weight-Based Codes. In Proceedings of the IEEE 6th International On-Line Testing Workshop (IOLTW), Palma de Mallorca, Spain, 3–5 July 2000; pp. 171–176. [Google Scholar] [CrossRef]
- Shalyto, A.A. Logical Control. Methods of Hardware and Software Implementation; Nauka: St. Petersburg, Russia, 2000; 780p. [Google Scholar]
- Sapozhnikov, V.V.; Sapozhnikov, V.V.; Efanov, D.V.; Kotenko, A.G. Modulo Codes with Summation of Weighted Transitions with Natural Number Sequence of Weights. SPIIRAS Proc. 2017, 1, 137–164. [Google Scholar] [CrossRef][Green Version]
- Nikolos, D. Self-Testing Embedded Two-Rail Checkers. J. Electron. Test. Theory Appl. 1998, 12, 69–79. [Google Scholar] [CrossRef]
- Saposhnikov, V.V.; Dmitriev, A.; Göessel, M.; Saposhnikov, V.V. Self-Dual Parity Checking—A New Method for on Line Testing. In Proceedings of the 14th IEEE VLSI Test Symposium, Princeton, NJ, USA, 28 April–1 May 1996; pp. 162–168. [Google Scholar]
- Saposhnikov, V.V.; Moshanin, V.; Saposhnikov, V.V.; Göessel, M. Experimental Results for Self-Dual Multi-Output Combinational Circuits. J. Electron. Test. Theory Appl. 1999, 14, 295–300. [Google Scholar] [CrossRef]
- Aksenova, G.P. Necessary and sufficient conditions for design of completely checkable modulo 2 convolution circuits. Autom. Remote Control 1979, 40, 1362–1369. [Google Scholar]
- Sapozhnikov, V.; Sapozhnikov, V.; Efanov, D. Concurrent Error Detection of Combinational Circuits by the Method of Boolean Complement on the Base of «2-out-of-4» Code. In Proceedings of the 14th IEEE East-West Design & Test Symposium (EWDTS’2016), Yerevan, Armenia, 14–17 October 2016; pp. 126–133. [Google Scholar] [CrossRef]
- Drozd, A.; Kharchenko, V.; Antoshchuk, S.; Sulima, J.; Drozd, M. Checkability of the Digital Components in Safety-Critical Systems: Problems and Solutions. In Proceedings of the 9th IEEE East-West Design & Test Symposium (EWDTS’2011), Sevastopol, Ukraine, 9–12 September 2011; pp. 411–416. [Google Scholar] [CrossRef]
- Göessel, M.; Morozov, A.V.; Sapozhnikov, V.V.; Sapozhnikov, V.V. Checking Combinational Circuits by the Method of Logic Complement. Autom. Remote Control 2005, 66, 1336–1346. [Google Scholar] [CrossRef]
- Amine, T.M.; Ali, D. A New Method for Building Low-Density-Parity-Check Codes. Int. J. Technol. 2019, 10, 953–960. [Google Scholar] [CrossRef]
- Li, J.; Liu, S.; Reviriego, P.; Xiao, L.; Lombardi, F. Scheme for Periodical Concurrent Fault Detection in Parallel CRC Circuits. IET Comput. Digit. Tech. 2020, 14, 80–85. [Google Scholar] [CrossRef]








| No. | x1 | x2 | x3 | x4 | f1 | f2 | f3 | f4 | f5 | f6 |
|---|---|---|---|---|---|---|---|---|---|---|
| 0 | 0 | 0 | 0 | 0 | 0 | 1 | 0 | 1 | 1 | 1 |
| 1 | 0 | 0 | 0 | 1 | 0 | 0 | 0 | 0 | 0 | 0 |
| 2 | 0 | 0 | 1 | 0 | 0 | 1 | 0 | 0 | 1 | 0 |
| 3 | 0 | 0 | 1 | 1 | 0 | 0 | 1 | 1 | 1 | 0 |
| 4 | 0 | 1 | 0 | 0 | 1 | 1 | 1 | 1 | 1 | 0 |
| 5 | 0 | 1 | 0 | 1 | 0 | 1 | 0 | 1 | 1 | 1 |
| 6 | 0 | 1 | 1 | 0 | 1 | 0 | 0 | 1 | 0 | 0 |
| 7 | 0 | 1 | 1 | 1 | 0 | 0 | 0 | 0 | 0 | 0 |
| 8 | 1 | 0 | 0 | 0 | 1 | 0 | 0 | 0 | 0 | 1 |
| 9 | 1 | 0 | 0 | 1 | 0 | 1 | 0 | 0 | 0 | 1 |
| 10 | 1 | 0 | 1 | 0 | 0 | 1 | 1 | 0 | 0 | 1 |
| 11 | 1 | 0 | 1 | 1 | 0 | 1 | 0 | 0 | 1 | 0 |
| 12 | 1 | 1 | 0 | 0 | 1 | 0 | 0 | 1 | 0 | 0 |
| 13 | 1 | 1 | 0 | 1 | 0 | 1 | 1 | 0 | 0 | 0 |
| 14 | 1 | 1 | 1 | 0 | 0 | 1 | 1 | 0 | 0 | 0 |
| 15 | 1 | 1 | 1 | 1 | 0 | 0 | 0 | 0 | 0 | 0 |
| No. | h1 | h2 | h3 | h4 | W | W(mod4) | h5 | h6 |
|---|---|---|---|---|---|---|---|---|
| 0 | 0 | 0 | 0 | 0 | 0 | 0 | 0 | 0 |
| 1 | 0 | 0 | 0 | 1 | 1 | 1 | 0 | 1 |
| 2 | 0 | 0 | 1 | 0 | 3 | 3 | 1 | 1 |
| 3 | 0 | 0 | 1 | 1 | 2 | 2 | 1 | 0 |
| 4 | 0 | 1 | 0 | 0 | 5 | 1 | 0 | 1 |
| 5 | 0 | 1 | 0 | 1 | 6 | 2 | 1 | 0 |
| 6 | 0 | 1 | 1 | 0 | 4 | 0 | 0 | 0 |
| 7 | 0 | 1 | 1 | 1 | 3 | 3 | 1 | 1 |
| 8 | 1 | 0 | 0 | 0 | 3 | 3 | 1 | 1 |
| 9 | 1 | 0 | 0 | 1 | 4 | 0 | 0 | 0 |
| 10 | 1 | 0 | 1 | 0 | 6 | 2 | 1 | 0 |
| 11 | 1 | 0 | 1 | 1 | 5 | 1 | 0 | 1 |
| 12 | 1 | 1 | 0 | 0 | 2 | 2 | 1 | 0 |
| 13 | 1 | 1 | 0 | 1 | 3 | 3 | 1 | 1 |
| 14 | 1 | 1 | 1 | 0 | 1 | 1 | 0 | 1 |
| 15 | 1 | 1 | 1 | 1 | 0 | 0 | 0 | 0 |
| r | |||
|---|---|---|---|
| 0 | 1 | 2 | 3 |
| 0000 | 0001 | 0011 | 0010 |
| 0110 | 0100 | 0101 | 0111 |
| 1001 | 1011 | 1010 | 1000 |
| 1111 | 1110 | 1100 | 1101 |
| r | |||
| 0 | 1 | 2 | 3 |
| 0000 | 0001 | 0011 | 0010 |
| 1111 | 1110 | 1100 | 1101 |
| No. | x1 | x2 | x3 | x4 | f1 | f2 | f3 | f4 | f5 | f6 | h1 | h2 | h3 | h4 | h5 | h6 |
|---|---|---|---|---|---|---|---|---|---|---|---|---|---|---|---|---|
| 0 | 0 | 0 | 0 | 0 | 0 | 1 | 0 | 1 | 1 | 1 | 0 | 0 | 0 | 0 | 0 | 0 |
| 1 | 0 | 0 | 0 | 1 | 0 | 0 | 0 | 0 | 0 | 0 | 0 | 0 | 0 | 0 | 0 | 0 |
| 2 | 0 | 0 | 1 | 0 | 0 | 1 | 0 | 0 | 1 | 0 | 0 | 0 | 0 | 1 | 0 | 1 |
| 3 | 0 | 0 | 1 | 1 | 0 | 0 | 1 | 1 | 1 | 0 | 0 | 0 | 0 | 1 | 0 | 1 |
| 4 | 0 | 1 | 0 | 0 | 1 | 1 | 1 | 1 | 1 | 0 | 0 | 0 | 1 | 1 | 1 | 0 |
| 5 | 0 | 1 | 0 | 1 | 0 | 1 | 0 | 1 | 1 | 1 | 0 | 0 | 1 | 1 | 1 | 0 |
| 6 | 0 | 1 | 1 | 0 | 1 | 0 | 0 | 1 | 0 | 0 | 0 | 0 | 1 | 0 | 1 | 1 |
| 7 | 0 | 1 | 1 | 1 | 0 | 0 | 0 | 0 | 0 | 0 | 0 | 0 | 1 | 0 | 1 | 1 |
| 8 | 1 | 0 | 0 | 0 | 1 | 0 | 0 | 0 | 0 | 1 | 1 | 1 | 0 | 1 | 1 | 1 |
| 9 | 1 | 0 | 0 | 1 | 0 | 1 | 0 | 0 | 0 | 1 | 1 | 1 | 0 | 1 | 1 | 1 |
| 10 | 1 | 0 | 1 | 0 | 0 | 1 | 1 | 0 | 0 | 1 | 1 | 1 | 0 | 0 | 1 | 0 |
| 11 | 1 | 0 | 1 | 1 | 0 | 1 | 0 | 0 | 1 | 0 | 1 | 1 | 0 | 0 | 1 | 0 |
| 12 | 1 | 1 | 0 | 0 | 1 | 0 | 0 | 1 | 0 | 0 | 1 | 1 | 1 | 0 | 0 | 1 |
| 13 | 1 | 1 | 0 | 1 | 0 | 1 | 1 | 0 | 0 | 0 | 1 | 1 | 1 | 0 | 0 | 1 |
| 14 | 1 | 1 | 1 | 0 | 0 | 1 | 1 | 0 | 0 | 0 | 1 | 1 | 1 | 1 | 0 | 0 |
| 15 | 1 | 1 | 1 | 1 | 0 | 0 | 0 | 0 | 0 | 0 | 1 | 1 | 1 | 1 | 0 | 0 |
| No. | x1 | x2 | x3 | x4 | f1 | f2 | f3 | f4 | f5 | f6 | h1 | h2 | h3 | h4 | h5 | h6 | δ1 | δ 2 | δ3 | δ4 | δ5 | δ6 |
|---|---|---|---|---|---|---|---|---|---|---|---|---|---|---|---|---|---|---|---|---|---|---|
| 0 | 0 | 0 | 0 | 0 | 0 | 1 | 0 | 1 | 1 | 1 | 0 | 0 | 0 | 0 | 0 | 0 | 0 | 1 | 0 | 1 | 1 | 1 |
| 1 | 0 | 0 | 0 | 1 | 0 | 0 | 0 | 0 | 0 | 0 | 0 | 0 | 0 | 0 | 0 | 0 | 0 | 0 | 0 | 0 | 0 | 0 |
| 2 | 0 | 0 | 1 | 0 | 0 | 1 | 0 | 0 | 1 | 0 | 0 | 0 | 0 | 1 | 0 | 1 | 0 | 1 | 0 | 1 | 1 | 1 |
| 3 | 0 | 0 | 1 | 1 | 0 | 0 | 1 | 1 | 1 | 0 | 0 | 0 | 0 | 1 | 0 | 1 | 0 | 0 | 1 | 0 | 1 | 1 |
| 4 | 0 | 1 | 0 | 0 | 1 | 1 | 1 | 1 | 1 | 0 | 0 | 0 | 1 | 1 | 1 | 0 | 1 | 1 | 0 | 0 | 0 | 0 |
| 5 | 0 | 1 | 0 | 1 | 0 | 1 | 0 | 1 | 1 | 1 | 0 | 0 | 1 | 1 | 1 | 0 | 0 | 1 | 1 | 0 | 0 | 1 |
| 6 | 0 | 1 | 1 | 0 | 1 | 0 | 0 | 1 | 0 | 0 | 0 | 0 | 1 | 0 | 1 | 1 | 1 | 0 | 1 | 1 | 1 | 1 |
| 7 | 0 | 1 | 1 | 1 | 0 | 0 | 0 | 0 | 0 | 0 | 0 | 0 | 1 | 0 | 1 | 1 | 0 | 0 | 1 | 0 | 1 | 1 |
| 8 | 1 | 0 | 0 | 0 | 1 | 0 | 0 | 0 | 0 | 1 | 1 | 1 | 0 | 1 | 1 | 1 | 0 | 1 | 0 | 1 | 1 | 0 |
| 9 | 1 | 0 | 0 | 1 | 0 | 1 | 0 | 0 | 0 | 1 | 1 | 1 | 0 | 1 | 1 | 1 | 1 | 0 | 0 | 1 | 1 | 0 |
| 10 | 1 | 0 | 1 | 0 | 0 | 1 | 1 | 0 | 0 | 1 | 1 | 1 | 0 | 0 | 1 | 0 | 1 | 0 | 1 | 0 | 1 | 1 |
| 11 | 1 | 0 | 1 | 1 | 0 | 1 | 0 | 0 | 1 | 0 | 1 | 1 | 0 | 0 | 1 | 0 | 1 | 0 | 0 | 0 | 0 | 0 |
| 12 | 1 | 1 | 0 | 0 | 1 | 0 | 0 | 1 | 0 | 0 | 1 | 1 | 1 | 0 | 0 | 1 | 0 | 1 | 1 | 1 | 0 | 1 |
| 13 | 1 | 1 | 0 | 1 | 0 | 1 | 1 | 0 | 0 | 0 | 1 | 1 | 1 | 0 | 0 | 1 | 1 | 0 | 0 | 0 | 0 | 1 |
| 14 | 1 | 1 | 1 | 0 | 0 | 1 | 1 | 0 | 0 | 0 | 1 | 1 | 1 | 1 | 0 | 0 | 1 | 0 | 0 | 1 | 0 | 0 |
| 15 | 1 | 1 | 1 | 1 | 0 | 0 | 0 | 0 | 0 | 0 | 1 | 1 | 1 | 1 | 0 | 0 | 1 | 1 | 1 | 1 | 0 | 0 |
Disclaimer/Publisher’s Note: The statements, opinions and data contained in all publications are solely those of the individual author(s) and contributor(s) and not of MDPI and/or the editor(s). MDPI and/or the editor(s) disclaim responsibility for any injury to people or property resulting from any ideas, methods, instructions or products referred to in the content. |
© 2025 by the authors. Licensee MDPI, Basel, Switzerland. This article is an open access article distributed under the terms and conditions of the Creative Commons Attribution (CC BY) license (https://creativecommons.org/licenses/by/4.0/).
Share and Cite
Efanov, D.V.; Pivovarov, D.V.; Cortegoso Vissio, N.; Kuptsov, A.O.; Egorov, D.E. Method for Testing Combinational Circuits by Multiple Diagnostic Features Using Weight-Based Sum Codes Properties. Automation 2025, 6, 6. https://doi.org/10.3390/automation6010006
Efanov DV, Pivovarov DV, Cortegoso Vissio N, Kuptsov AO, Egorov DE. Method for Testing Combinational Circuits by Multiple Diagnostic Features Using Weight-Based Sum Codes Properties. Automation. 2025; 6(1):6. https://doi.org/10.3390/automation6010006
Chicago/Turabian StyleEfanov, Dmitry V., Dmitry V. Pivovarov, Nicolás Cortegoso Vissio, Alexander O. Kuptsov, and Daniil E. Egorov. 2025. "Method for Testing Combinational Circuits by Multiple Diagnostic Features Using Weight-Based Sum Codes Properties" Automation 6, no. 1: 6. https://doi.org/10.3390/automation6010006
APA StyleEfanov, D. V., Pivovarov, D. V., Cortegoso Vissio, N., Kuptsov, A. O., & Egorov, D. E. (2025). Method for Testing Combinational Circuits by Multiple Diagnostic Features Using Weight-Based Sum Codes Properties. Automation, 6(1), 6. https://doi.org/10.3390/automation6010006

