Next Article in Journal
The Traditions and Technologies of Ecological Construction in Portugal
Previous Article in Journal
Evaluation of the Effect of De-icing Materials on Soil Quality in Selected Areas of the Moravian-Silesian Region
 
 
Font Type:
Arial Georgia Verdana
Font Size:
Aa Aa Aa
Line Spacing:
Column Width:
Background:
Proceeding Paper

Utility of Field Weakening and Field-Oriented Control in Permanent-Magnet Synchronous Motors: A Case Study †

1
Departamento de Automatización y Control Industrial, Facultad de Ingeniería Eléctrica y Electrónica, Escuela Politécnica Nacional, Quito 170525, Ecuador
2
Departamento de Energía Eléctrica, Facultad de Ingeniería Eléctrica y Electrónica, Escuela Politécnica Nacional, Quito 170525, Ecuador
*
Author to whom correspondence should be addressed.
Presented at the XXXI Conference on Electrical and Electronic Engineering, Quito, Ecuador, 29 November–1 December 2023.
Eng. Proc. 2023, 47(1), 17; https://doi.org/10.3390/engproc2023047017
Published: 5 December 2023
(This article belongs to the Proceedings of XXXI Conference on Electrical and Electronic Engineering)

Abstract

The significance of electric vehicles is progressively escalating, underscoring the criticality of technologies underpinning the functionality of their propulsion systems. This particular case study delves into the simulation of field-oriented control, coupled with field weakening, aimed at regulating a salient-pole permanent-magnet synchronous motor (PMSM). This approach involves the utilization of two cascaded loops for current and voltage, each employing PI controllers. The fine-tuning of these controllers’ parameters hinges on the motor characteristics, as well as the desired response bandwidth.

1. Introduction

Permanent-magnet synchronous motors (PMSMs) have gained prominence in electric mobility due to their impressive power density and capacity to surpass nominal speeds, necessitating the implementation of flux-weakening techniques, [1,2]. Research highlighted in [3] demonstrates that integrating a PMSM into an electric vehicle elevates its autonomy by 15% compared to an induction motor with equivalent power ratings. Articles such as [4,5,6,7] indicate that with the right control strategy, PMSM can provide a high torque-to-current ratio, a high power-to-weight ratio, and high efficiency and robustness.
This work introduces a comprehensive case study focused on a nested control architecture based on a field-oriented controller (FOC) tailored for a salient-pole permanent-magnet synchronous motor with a brushless alternating current (PMSM-BLAC), and a speed control loop. This case study provides details of a simulation that it is open to the community, using real specifications from a commercial motor. To evaluate the FOC controller design, a detailed model of the electrical and mechanical motor components expressed in a dq0 reference frame is proposed; in addition, the controller is tuned using a dedicated approach that is used in real synchronous-based motor systems of BLAC type so that we can produce as realistic a simulation as possible for further real implementation. The controller along the power electronics and the motor are mounted on a MATLAB/SIMULINK, where a space-vector pulse width modulation signal (SVPWM) drives the inverter, and field weakening is emulated to achieve speeds higher than the nominal one. The controller plus the motor system are evaluated in different scenarios, like locked rotor tests, speed and current control with different variable velocity profiles, experiments with different load–velocity profiles, and system evaluations with field weakening in constant load and torque conditions. The following sections present details about the controller and motor modelling methodology, experiments, results, and conclusions.

2. Materials and Methods

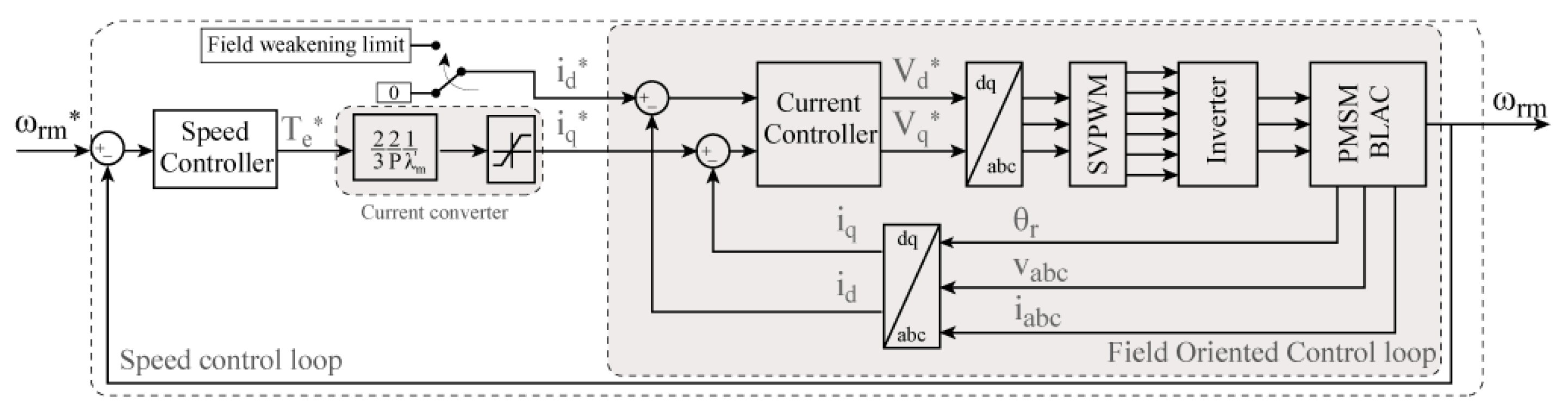
The proposed simulation model includes two control loops. The inner loop assumes the responsibility of managing the oriented field, while the outer loop governs the motor velocity. This controller intricately interfaces with a three-phase PMSM-BLAC motor, with its operations orchestrated by an SVPWM signal as shown in Figure 1. The comprehensive simulated setup encapsulates the three-phase inverter’s provision of voltage, thereby engendering outcomes that mirror real-world dynamics with remarkable fidelity. To further enhance the realism, dynamic modulation of the Setpoint is employed, facilitating a diverse array of load profiles.
The motor parameters used in the simulated model were obtained from a commercial one, and are listed in Table 1. The following sections will present specific details of the motor and controller modelling.

2.1. PMSM-BLAC Motor Modelling

The voltage and current expressions on the d q 0 axes are derived from the simplified circuits shown in Figure 2a,b, where the voltage, magnetic flux, and current components of the direct axis and quadrature axis are V x , ψ x , and i x , with x { d , q } , r e s p e c t i v e l y . Ohm’s law, Kirchhoff’s law, and Maxwell equations yield the following:
V d V q = R i d i q + d d t ψ d ψ q + w e ψ q ψ d
ψ d ψ q = L d 0 0 L q i d i q + ψ m 0
T e = 3 p 2 ψ d i q ψ q i d
ω m = T e T m B w m J d t ,
where p is the pole pair number, and R is the resistance of the stator windings. Recall that the inductances in the d q 0 frame, L q and L d , are the same and equal to L for the PMSM-BLAC motor [8,9,10,11,12,13,14,15]. The remaining terms belongs to the magnetic torque T e , mechanical and electrical velocity ω m , ω e , respectively, load torque T m , coefficient of viscous friction B , and motor inertia J .
In order to analyse the three-phase stator voltage behaviour in the d q frame, we must depart from α β coordinates using a transform matrix that holds peak convention and a-phase-to-d-axis alignment [9]. The notation A B stands for a transform matrix that maps a value from the A to B reference; in this case, it maps from a b c to d q , yielding
C a b c d q = C α β d q C a b c α β = 2 3 cos θ cos θ 120 ° cos θ + 120 ° sin θ sin θ 120 ° sin θ + 120 °
Recall that the implemented MATLAB model makes use of Equations (1)–(4), and the currents were transformed from a static reference frame a b c to rotational axes d q 0 using the transform matrix stated in Equation (5).

2.2. Vectorial Field-Oriented Control

In this work, we implemented a vectorial field-oriented control (FOC) scheme due to its excellent dynamics to address, with great accuracy, transient and steady-state responses [8,16,17]. The main objective of vectorial control relies on controlling the space vectors concerning the stator current [18,19]; furthermore, it allows for the de-coupling of speed and torque to achieve independent control of both variables.
Recall that in an AC motor, the space angle between the rotating stator field and the rotor flux changes due to the load, which causes an oscillatory response. In contrast, in a DC motor, the armature current directly controls the torque and the rotor field current, and they can be accessed independently. The angle between these variables is held orthogonally through a mechanical switching system, such as brushes and commutators.
The vectorial FOC emulates the performance of a DC machine because it observes the position of the rotor field and directs the stator field to achieve a constant 90-degree angle between both of them. The last condition is used to reach the maximum torque while we control the rotor speed independently. FOC control requires a position sensor to know the rotor angular pose at all time, which is also related to the rotor flux. It is worth mentioning that the stator field is directed through the three-phase current’s phases [20,21,22,23]. In order to figure the open-loop current model out, and represent it on the d q 0 axes, we depart from Equation (1), which allows us to determine the motor inductances as follows:
L d d i d d t = v d R s i d + w e L q i q & L q d i q d t = v q R s i q w e L d i d + Ψ m ,
from which we can obtain the stator currents in d q 0 and translate them into the Laplace domain as follows:
i d ( s ) = V d + ω e L q i q L d s + R s   &   i q ( s ) = V q ω e L d i d ω e Ψ m L q s + R s = V q ω e L d i d ω e k e L q s + R s .
The torque can be derived from Equation (2), and because L d = L q , the PMSM-BLAC motor yields T e = 3 p 2 ψ m i q = k t × i q . The motor’s angular speed is computed from Equation (4), which can be expressed in the frequency domain as
ω m ( s ) = T e T m J s + B .
The above-mentioned equations are placed together in the simulation diagram showed in Figure 3, where we can notice the correlation between currents on the d and q axes, which forces us to implement a decoupling technique for implementing independent current controllers.
The currents i d and i q are decoupled using a feedforward approach with EMF compensation [9,20,21,22,23], as described in the blocks of Figure 3, which will result in independent controlled current variations, where i d is set to 0, and i q varies according to the torque [24]. The current control selected in this work was a PI, due to its fast response to changes in the setpoint, its capability of reducing the error in steady state to zero [25,26,27], and the fact that it is the most common controller used at an industrial level. The PI control is modelled with no relation to any current i and its desired value noted as i * , which can be expressed as a first-order system in the Laplace domain to reduce overshooting and oscillations, leading to
i ( s ) i * ( s ) = K p s + K i L s 2 + K p + R s + K i W c c s + W c c ,
where W c c denotes the cutoff frequency in the closed loop of the current controller. The tuning approach selected to compute the constants k p and k i was the principle of the optimal magnitude criterion, introduced by Sartorius and Oldenbourg. This principle states that a controller should have a closed-loop magnitude in the frequency domain as close to the unit as possible, in the widest possible frequency range [25,26,27]. In this sense, the controller constant can be computed as follows:
K i , c = R W c c , & K p , c = L W c c .

2.3. Speed Control

The speed control for the PMSM-BLAC motor was achieved with an external loop, over the previously mentioned current loop. The implemented controller was a PI as in the previous section to avoid issues arising due to the derivative component. In this sense, the noise introduced by the power electronic devices during the switching phase may have negative effects on the derivative component in any controller architecture.
PI control was carried out by simplifying the mechanical motor model, without considering the viscosity coefficient [9,28,29,30], yielding the open loop transfer function, where the PI constant for the speed control loop has an s subindex, as shown in Figure 4.
It is relevant to mention that in cascaded systems, the inner control variable has a larger bandwidth than the outer one, which results in a difference in response speed, where the inner variable is the faster one [26,30]. In this sense, the tuning bandwidth for the speed control is smaller than the one of the current control. Under the assumption that the cutoff frequency of the speed controller given by W P I = K i , s K p , s is significantly smaller than the current control loop bandwidth W C C , then the open loop transfer function can be approximated using the Bode diagram, as shown in Figure 5.
G s ( s ) can be approximated based on the dominant term, i.e., if W < W P I , the integral term becomes dominant, yielding G s ( s ) K i , s s K T J s . The approximation for each region is listed in Figure 5. Since W P I should be lower than W s c , we can select a relationship of W P I = W s c /4, and with the aid of the Bode diagram in Figure 5, the PI constants can be computed as follows.
K p _ s = J W s c K T & K i _ s = K p _ s W s c 4 .
It is worth mentioning that the speed control will include an anti-wind-up configuration to avoid saturations in the integral component.
As mentioned before, field weakening allows for higher velocities than the nominal one to be reached. In order to prevent damage to the motor during the field weakening, we must apply two constrains: i d 2 + i q 2 I m a x 2 and V d 2 + V q 2 V m a x 2 . This represents a circle in the d q 0 frame [9,31,32]. Combining the decoupling expressions in Figure 3 with these constrains, it is possible to determine the current limits to prevent damage when applying field weakening, which leads to
i d V m a x w e 2 Ψ m 2 L I m a x 2 2 L Ψ m

2.4. Vector Space Pulse Width Modulation

Vector space PWM (SVPWM) allows for the minimization of harmonic distortion, delivering a higher voltage compared to other techniques and also reducing the losses produced by switching. In this modulation technique, any voltage vector V r e f can be computed from V α and V β , which are voltage components in the d q 0 frame estimated using Park inverse transform. The angle α allows us to identify the sector number of any voltage reference, where it can be decomposed using adjacent commutation configurations, i.e., V 1 and V 2 in sector 1 and the null configuration V 0 , as shown in Figure 6 [8,9,33,34]. Figure 6 indicates how to compute the duration of each configuration, where the total commutation time is T s = T 1 + T 2 + T 0 , n stands for the sector number that yields Equation (13), and the commutation configurations for other sectors can be found in [33].
0 T s V r e f d t = 0 T 1 V 1 d t + T 1 T 1 + T 2 V 2 d t + T 1 + T 2 T s V 0 d t

3. Results and Discussion

The proposed simulation model was implemented in MATLAB/SIMULINK using the motor parameters from Table 1, and it was evaluated in different scenarios, like the response of the current controller with different load profiles, including speeds over the nominal one, and locked rotor tests to assess dynamic changes in the setpoint of the current. It is worth mentioning that the switching frequency used in all tests was 10 kHz, and the current controller was assessed with different bandwidths, whose values were related to their constants according to Equations (10) and (11).

3.1. Internal Current Control Loop Tests

A locked rotor test ( J ) allows us to assess the current loop, where we test different current controller bandwidths of f c c ( w c c = 2 π f c c ) of 500, 800, and 1000 Hz, and estimate the currents I d and I q settling time and error, as shown in Figure 7b. The computed PI constants allow for a reduced settling time of about 25 ms with mean current of zero in steady state. The controller performs better at higher current controller bandwidths, as shown in Table 2.

3.2. Velocity Control Loop Tests

The speed control loop makes use of a speed profile that remains unaffected by torque profile disturbance, as shown in Figure 7a. For visualizing purposes, we highlighted the transients during the load or velocity changes (see Figure 7a). This test was carried out with two current controller bandwidths of 800 and 1000 Hz. The error results are detailed in Table 2.

3.3. System Tests including Field Weakening

In this experiment we used the best-achieving current controller bandwidth of 1000 Hz and set a reference speed over the nominal one (1590 rpm). With no field weakening, the speed becomes saturated at a value closer to the nominal one (see yellow line in Figure 8a). Applying the field weakening constraint in Equation (13), the motor can exceed the nominal speed without surpassing the maximum current, retaining the nominal power, as shown in the orange plot in Figure 8a and the current plot on Figure 8b.

4. Conclusions

This study emphasizes the importance of the implementation of FOC in conjunction with field weakening in permanent-magnet synchronous machines. This approach grants these motors the capability to operate effectively across a wide range of speeds, offering a commendable torque response at low speeds while maintaining robust performance at high velocities.
Through the correct implementation of FOC with current and speed control, it can be ensured that a salient-pole PMSM has a stable response to speed and load profiles, with low response times and reduced over-peaks, and by using SVPWM in the three-phase inverter bridge, the available DC bus can be used in a more efficient way.
During the speed test, it was found that the integrity of control remained intact amidst dynamic shifts in speed setpoints and the introduction of load perturbations. This robustness was maintained as long as the specified speed references adhered to the desired values, irrespective of whether they fell below or soared above the nominal threshold. Notably, the utilization of field weakening played a critical role in ensuring control resilience across velocities surpassing the nominal threshold.

Author Contributions

Conceptualization, J.M. and C.G.; methodology, W.C., M.P.; software, J.M., C.G.; validation, J.M., W.C. and M. P.; formal analysis, W.C.; investigation, J.M, C.G.; data curation, J.M. and W.C.; writing—original draft preparation, J.M, W.C., V.T., C.G., M.P.; writing—review and editing, J.M. W.C. V.T All authors have read and agreed to the published version of the manuscript.

Funding

This research received no external funding.

Institutional Review Board Statement

Not applicable.

Informed Consent Statement

Not applicable.

Data Availability Statement

Not applicable.

Conflicts of Interest

The authors declare no conflict of interest.

References

  1. Gómez Misnaza, C.D. Diseño y Simulación del Control por Orientación de Campo FOC para un Motor Síncrono de Imanes Permanentes tipo BLAC. Bachelor’s Thesis, EPN, Quito, Ecuador, 2020. Available online: http://bibdigital.epn.edu.ec/handle/15000/21220 (accessed on 1 August 2023).
  2. Sepulchre, L.; Fadel, M.; Pietrzak-David, M.; Porte, G. Flux-weakening strategy for high speed PMSM for vehicle application. In Proceedings of the 2016 International Conference on Electrical Systems for Aircraft, Railway, Ship Propulsion and Road Vehicles & International Transportation Electrification Conference (ESARS-ITEC), Toulouse, France, 2–4 November 2016; pp. 1–7. [Google Scholar] [CrossRef]
  3. Eriksson, S. Drive systems with permanent magnet synchronous motors. Automot. Eng. 1995, 103. Available online: https://www.osti.gov/biblio/37082 (accessed on 1 August 2023).
  4. Loganayaki, A.; Kumar, R.B. Permanent Magnet Synchronous Motor for Electric Vehicle Applications. In Proceedings of the 2019 5th International Conference on Advanced Computing & Communication Systems (ICACCS), Coimbatore, India, 15–16 March 2019; pp. 1064–1069. [Google Scholar] [CrossRef]
  5. DC, Induction, Reluctance and PM Motors for Electric Vehicles|IET Journals & Magazine|IEEE Xplore. Available online: https://ieeexplore.ieee.org/document/281755 (accessed on 1 August 2023).
  6. Chalmers, B.J.; Musaba, L.; Gosden, D.F. Variable-frequency synchronous motor drives for electric vehicles. IEEE Trans. Ind. Appl. 1996, 32, 896–903. [Google Scholar] [CrossRef]
  7. Liu, X.; Chen, H.; Zhao, J.; Belahcen, A. Research on the Performances and Parameters of Interior PMSM Used for Electric Vehicles. IEEE Trans. Ind. Electron. 2016, 63, 3533–3545. [Google Scholar] [CrossRef]
  8. Abu-Rub, H.; Iqbal, A.; Guzinski, J. High Performance Control of AC Drives with Matlab/Simulink Models; John Wiley & Sons: Hoboken, NJ, USA, 2012. [Google Scholar]
  9. Kim, S.-H. Electric Motor Control: DC, AC, and BLDC Motors; Elsevier: Amsterdam, The Netherlands, 2017; p. 426. [Google Scholar]
  10. Krause, P.C.; Wasynczuk, O.; Sudhoff, S.D.; Pekarek, S.D. Analysis of Electric Machinery and Drive Systems; John Wiley & Sons: Hoboken, NJ, USA, 2013. [Google Scholar]
  11. Odo, K.; Vincent, E.S.; Ogbuka, C. A Model-based PI Controller Tuning and Design for Field Oriented Current Control of Permanent Magnet Synchronous Motor. IOSR J. Electr. Electr. Eng. (IOSR-JEEE) 2019, 14, 35–41. [Google Scholar] [CrossRef]
  12. Kim, S.A.; Song, J.H.; Han, S.W.; Cho, Y.H. An Improved Dynamic Modeling of Permanent Magnet Synchronous Machine with Torque Ripple Characteristics. J. Clean Energy Technol. 2018, 6, 117–120. [Google Scholar] [CrossRef]
  13. Zhao, Y. Application of Sliding Mode Controller and Linear Active Disturbance Rejection Controller to a PMSM Speed System. Mater Thesis, Cleveland State University, Cleveland, OH, USA, 2009. [Google Scholar]
  14. Mukti, E.W.; Wijanarko, S.; Muqorobin, A.; Rozaqi, L. Field oriented control design of inset rotor PMSM drive. AIP Conf. Proc. 2017, 1855, 020010. [Google Scholar] [CrossRef]
  15. Taha, M.; Osama, A.M.; Zaid, S. Simulation Study of a New Approach for Field Weakening Control of PMSM. J. Power Electron. 2012, 12, 136–144. [Google Scholar] [CrossRef]
  16. Chau, K.T. Electric Vehicle Machines and Drives: Design, Analysis and Application; John Wiley & Sons: Hoboken, NJ, USA, 2015; p. 400. [Google Scholar] [CrossRef]
  17. Bida, V.; Samokhvalov, D.; Al-Mahturi, F. PMSM vector control techniques—A survey. In Proceedings of the 2018 IEEE Conference of Russian Young Researchers in Electrical and Electronic Engineering (EIConRus), Moscow and St. Petersburg, Russia, 29 January–1 February 2018; pp. 577–581. [Google Scholar] [CrossRef]
  18. Amin, F.; Sulaiman, E.; Mulyo Utomo, W.; Soomro, H.; Jenal, M.; Kumar, R. Modelling and Simulation of Field Oriented Control Based Permanent Magnet Synchronous Motor Drive System. Indones. J. Electr. Eng. Comput. Sci. 2017, 6, 387–395. [Google Scholar] [CrossRef]
  19. Mulyo Utomo, W.; Muhammad Zin, N.; Haron, Z.; Sy Yi, S.; Bohari, A.; Mat Ariff, R.; Hanafi, D. Speed Tracking of Field Oriented Control Permanent Magnet Synchronous Motor Using Neural Network. Int. J. Power Electron. Drive Syst. IJPEDS 2014, 4, 290. [Google Scholar] [CrossRef][Green Version]
  20. Boudjemaa, M.; Chenni, R. Field Oriented Control of PMSM Supplied by Photovoltaic Source. Int. J. Electr. Comput. Eng. IJECE 2016, 6, 1233. [Google Scholar] [CrossRef]
  21. Ahmadian, A.; Ghanbari, M.; Rastegar, H. Field-oriented Control of Permanent Magnet Synchronous Motor with Optimum Proportional-Integrator-Derivative Controller Using Dynamic Particle Swarm Optimization Algorithm. Sci. Int. 2014, 27, 155–158. [Google Scholar]
  22. Morales-Caporal, R.; Ordoñez-Flores, R.; Huerta, E.; Hernandez, J.; Sandre Hernandez, O. Simulación del Control por Campo Orientado y del Control Directo del par de un Servomotor Síncrono de Imanes Permanentes con Control Inteligente de Velocidad. In Proceedings of the IX Congreso Internacional sobre Innovación y Desarrollo Tecnológico, Cuernavaca Morelos, México, 23–25 November 2011. [Google Scholar]
  23. Liu, T.; Tan, Y.; Wu, G.; Wang, S. Simulation of PMSM Vector Control System Based on Matlab/Simulink. In Proceedings of the 2009 International Conference on Measuring Technology and Mechatronics Automation, Zhangjiajie, China, 11–12 April 2009; pp. 343–346. [Google Scholar] [CrossRef]
  24. Qu, L.; Qiao, W.; Qu, L. An Enhanced Linear Active Disturbance Rejection Rotor Position Sensorless Control for Permanent Magnet Synchronous Motors. IEEE Trans. Power Electron. 2019, 35, 6175–6184. [Google Scholar] [CrossRef]
  25. Zigmund, B.; Terlizzi, A.A.; del T, X.; Pavlanin, R.; Salvatore, L. Experimental Evaluation of PI Tuning Techniques for Field Oriented Control of Permanent Magnet Synchronous Motors. Adv. Electr. Electron. Eng. 2011, 5, 114–119. [Google Scholar]
  26. Lukichev, D.; Demidova, G. Features of tuning strategy for field oriented control of PMSM position drive system with two-mass load. Int. J. Circuits Syst. Signal Proc. 2016, 10, 88–94. [Google Scholar]
  27. Papadopoulos, K.G. PID Controller Tuning Using the Magnitude Optimum Criterion; Springer: Cham, Switzerland, 2015; ISBN 978-3-319-07262-3. [Google Scholar]
  28. Yong-Bin, W.; Xiao-Dong, H.; Yi, C.; Xin-Qi, X. A MPC Method Based on the Oval Invariant Set for PMSM Speed Control System. In Proceedings of the 2016 International Symposium on Computer, Consumer and Control (IS3C), Xi’an, China, 4–6 July 2016; pp. 575–578. [Google Scholar]
  29. Sidda, S.; Kiranmayi, R.; Mandadi, P. Investigation of PI and Fuzzy Controllers for Speed Control of PMSM Motor Drive. In Proceedings of the 2018 International Conference on Recent Trends in Electrical, Control and Communication (RTECC), Malaysia, Malaysia, 20–22 March 2018; pp. 133–136. [Google Scholar]
  30. Cui, B.; Han, Z.; Li, J.; Mu, J. Research on PMSM Speed Control System Based on Improved Reaching Law. In Proceedings of the 2019 3rd International Conference on Circuits, System and Simulation (ICCSS), Nanjing, China, 13–15 June 2019; pp. 19–24. [Google Scholar] [CrossRef]
  31. Krishnan, R. Permanent Magnet Synchronous and Brushless DC Motor Drives, 1st ed.; CRC Press: Boca Raton, FL, USA, 2017; ISBN 978-1-315-22148-9. [Google Scholar] [CrossRef]
  32. Phung Quang, N.; Dittrich, J.-A. Vector Control of Three-Phase AC Machines-System Development in the Practice; Springer: Berlin/Heidelberg, Germany, 2015; ISBN 978-3-662-46914-9. [Google Scholar]
  33. Muhammad, H.R. Power electronics: Circuits, devices, and applications. Choice Rev. Online 1989, 26, 26. [Google Scholar]
  34. Uçak, O.; Yilmaz, S. Implementation of Space Vector PWM In FOC of a Servo Motor Drive. Available online: www.eleco.org.tr/openconf_2015/modules/request.php?module=oc_proceedings&action=view.php&id=111&a=Accept+as+Poster (accessed on 5 August 2023).
Figure 1. Overall control scheme implemented for the PMSM-BLAC motor (In control context “*” means desired value).
Figure 1. Overall control scheme implemented for the PMSM-BLAC motor (In control context “*” means desired value).
Engproc 47 00017 g001
Figure 2. Equivalents of a PMSM motor on: (a) d axis and (b) q axis.
Figure 2. Equivalents of a PMSM motor on: (a) d axis and (b) q axis.
Engproc 47 00017 g002
Figure 3. Simulation diagram of the PMSM-BLAC motor on d q 0 axis.
Figure 3. Simulation diagram of the PMSM-BLAC motor on d q 0 axis.
Engproc 47 00017 g003
Figure 4. Simplified model of the external speed loop.
Figure 4. Simplified model of the external speed loop.
Engproc 47 00017 g004
Figure 5. Bode diagram of speed control transfer function in open loop.
Figure 5. Bode diagram of speed control transfer function in open loop.
Engproc 47 00017 g005
Figure 6. Voltage vector through different SVPWM sectors. Sector 1 example.
Figure 6. Voltage vector through different SVPWM sectors. Sector 1 example.
Engproc 47 00017 g006
Figure 7. Control loop tests: (a) speed control, (b) current control in locked rotor.
Figure 7. Control loop tests: (a) speed control, (b) current control in locked rotor.
Engproc 47 00017 g007
Figure 8. System response with field weakening: (a) speed response; (b) current response.
Figure 8. System response with field weakening: (a) speed response; (b) current response.
Engproc 47 00017 g008
Table 1. PMSM-BLAC motor specifications (N/A = Not Applicable).
Table 1. PMSM-BLAC motor specifications (N/A = Not Applicable).
CharacteristicValueUnitCharacteristicValueUnit
TopologySurface-mounted permanent-magnet synchronous machineN/AVoltage120[V]
Pole pairs7N/ASynchronous inductance0.344[mH]
Connection typeStarN/AMagnetic flux constant39.6[mWb]
Resistance/phase22.2[mΩ]Nominal velocity1590[rpm]
Inertia0.008[Kgm2]Max. Current121[A]
Table 2. Performance benchmarking results for locked rotor and speed control experiments.
Table 2. Performance benchmarking results for locked rotor and speed control experiments.
Locked Rotor TestSpeed Control Test
Fcc (Hz)IdIqFcc (Hz)SpeedIdIq
ISESettling TimeISEISEISESettling TimeISESettling TimeISESettling Time
5002.6835 ms0.01815 ms8000.14120 ms2.5225 ms0.01211 ms
8002.5225 ms0.01211 ms10000.125103 ms2.520 ms0.0098 ms
10002.520 ms0.0098 ms
Disclaimer/Publisher’s Note: The statements, opinions and data contained in all publications are solely those of the individual author(s) and contributor(s) and not of MDPI and/or the editor(s). MDPI and/or the editor(s) disclaim responsibility for any injury to people or property resulting from any ideas, methods, instructions or products referred to in the content.

Share and Cite

MDPI and ACS Style

Medina, J.; Gómez, C.; Pozo, M.; Chamorro, W.; Tibanlombo, V. Utility of Field Weakening and Field-Oriented Control in Permanent-Magnet Synchronous Motors: A Case Study. Eng. Proc. 2023, 47, 17. https://doi.org/10.3390/engproc2023047017

AMA Style

Medina J, Gómez C, Pozo M, Chamorro W, Tibanlombo V. Utility of Field Weakening and Field-Oriented Control in Permanent-Magnet Synchronous Motors: A Case Study. Engineering Proceedings. 2023; 47(1):17. https://doi.org/10.3390/engproc2023047017

Chicago/Turabian Style

Medina, Jorge, Christian Gómez, Marcelo Pozo, William Chamorro, and Victor Tibanlombo. 2023. "Utility of Field Weakening and Field-Oriented Control in Permanent-Magnet Synchronous Motors: A Case Study" Engineering Proceedings 47, no. 1: 17. https://doi.org/10.3390/engproc2023047017

APA Style

Medina, J., Gómez, C., Pozo, M., Chamorro, W., & Tibanlombo, V. (2023). Utility of Field Weakening and Field-Oriented Control in Permanent-Magnet Synchronous Motors: A Case Study. Engineering Proceedings, 47(1), 17. https://doi.org/10.3390/engproc2023047017

Article Metrics

Back to TopTop