Optimal Network Reconfiguration in Active Distribution Networks with Soft Open Points and Distributed Generation
Abstract
1. Introduction
1.1. Motivation
1.2. Literature Review
1.3. Contribution and Novelties
1.4. Organization of the Paper
2. Materials and Methods
2.1. Proposed Network Reconfiguration
- Build an incidence matrix where its rows and columns represent the lines and nodes of the distribution network, respectively. The nodes of each line are denoted as “1” in , and the rest of the elements in the row are denoted as “0”.
- Elements in the rows of each tie line are set to “0”. Then, we create a vector , in which its length is equal to the number of nodes, and each element in is equal to the sum of its corresponding column in . If an element in is equal to “1”, it means that this element represents an end node. Further, the row that corresponds to this end node in is set to “0”.
- Recalculate and repeat the former process as soon as an element in is equal to 1. At that point, calculate the sum of all the elements in . If the sum is equal to zero, this means that the configuration is radial, otherwise, it is not radial.
2.2. SOP Modeling
2.3. DG Modeling
2.4. PQ Indices
2.4.1. Load Balancing Index (LBI)
2.4.2. Aggregate Voltage Deviation Index (AVDI)
3. Problem Formulation
3.1. Objective Function
3.2. Constraints and Operation Conditions
3.3. Search Algorithm
3.3.1. Continuous HSS
3.3.2. Discrete HSS
3.3.3. Discrete-continuous HSS (DC-HSS)
4. Results and Discussion
4.1. IEEE 33-Node Distribution System
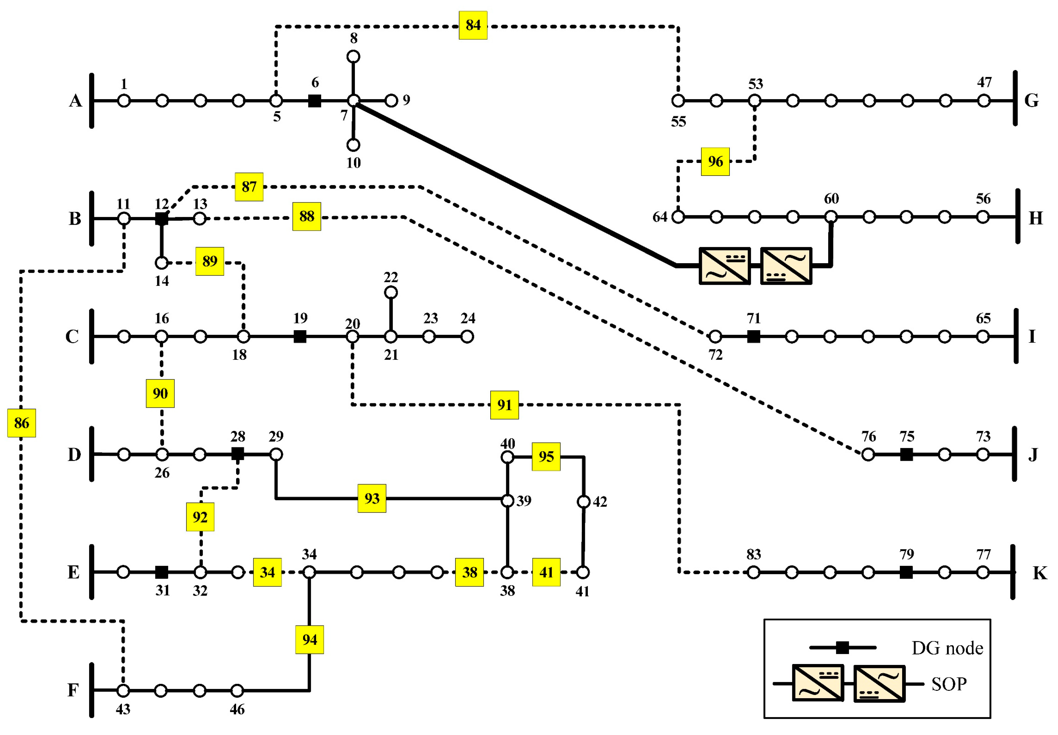
4.2. 83-node Distribution System
5. Conclusions
Author Contributions
Funding
Conflicts of Interest
Abbreviations
| ADN | Active distribution network |
| B2B VSC | Back-to-back voltage source converter |
| BLP | Bi-level programming |
| CB | Capacitor bank |
| D-HSS | Discrete hyper-spherical search algorithm |
| DC-HSS | Discrete-continuous HSS algorithm |
| DG | Distributed generation |
| EA | Evolutionary algorithm |
| ESS | Energy storage system |
| HC | Hosting capacity |
| HSS | Hyper-spherical search algorithm |
| HSA | Harmony search algorithm |
| MHM | Modified honeybee mating |
| MINLP | Mixed-integer nonlinear programming |
| MISOCP | Mixed-integer second-order cone programming |
| NR | Network reconfiguration |
| PF | Power factor |
| PQ | Power quality |
| PSO | Particle swarm optimization |
| SOP | Soft open point |
| SOCP | Second-order cone programming |
| SC | Sphere-center |
| VSC | Voltage source converter |
| VD | Voltage deviation |
| VRE | Variable renewable energy |
| GA | Genetic algorithm |
Nomenclature
| Loss coefficient of VSCs | |
| Aggregate voltage deviation index | |
| AP | The assigning probability |
| Normalized dominance for each SC | |
| Difference of set objective functions for each set of particles and their sphere-center | |
| Objective function value for each SC | |
| Objective function value for each particle assigned to a SC | |
| line current flowing in line | |
| Rated line current flowing in line | |
| Load balancing index of line | |
| Total load balancing index | |
| Maximum number of iterations | |
| Incidence matrix | |
| Number of lines existing in the distribution network | |
| Number of nodes existing in the distribution network | |
| Number of feeders | |
| Number of distributed generators | |
| Number of allocated SOPs | |
| Population size | |
| Number of sphere-centers | |
| Number of new generated particles | |
| Number of decision variables | |
| OFD | Objective function difference |
| Probability of changing particle’s angle | |
| , | Active and reactive power injected at the node |
| , | Active and reactive power of the connected load to the node |
| , | Active and reactive DG power injected at the node |
| , | SOP active and reactive power injected to the feeder |
| Internal power loss of the converter connected to the feeder | |
| Total active power losses | |
| SOP’s internal power losses | |
| , | Minimum and maximum SOP reactive injected to the feeder |
| , | Line resistance and reactance between nodes and |
| Distance and angle between the particle and the sphere-center | |
| , | Minimum and maximum radius of the sphere-center for continuous HSS |
| , | Minimum and maximum radius of the sphere-center for discrete HSS |
| Maximum capacity limit of the planned SOP | |
| Maximum capacity limit of the installed DGs | |
| SOF | Set objective function |
| µ | Binary variable set to 1 if the SOP loss is considered and to 0 if the SOP loss is not considered. |
| Magnitude of the voltage at the node | |
| , | Minimum and maximum voltage limits |
| Random binary vector | |
| Temporary binary vector | |
| A vector equal to the difference between the temporary and random vectors | |
| Reconfiguration checking vector | |
| Best reconfiguration vector | |
| A vector of decision variables | |
| , | Minimum and maximum values of continuous decision variables |
| Minimum and maximum values of discrete decision variables | |
| Minimum lagging power factor |
Appendix A


| Scenario | Tie-Lines | SOPs Locations (lines) | SOPs Sizing | DG Node | DG Sizing (MW) | ||
|---|---|---|---|---|---|---|---|
| 4 | - | 33 | 0.2000 | 0.0818 | 0 | NA | |
| 34 | 0 | 0 | 0.0933 | ||||
| 35 | 0.0600 | 0.2432 | 0.6847 | ||||
| 36 | 0.0900 | 0.0344 | 0.5634 | ||||
| 37 | 0 | 0 | 0 | ||||
| 5 | 7 | 11 | 0.0450 | 0.0263 | 0.0171 | NA | |
| 14 | −0.0600 | 0.2924 | 0.0117 | ||||
| 32 | −0.0600 | 0.3360 | 0.1729 | ||||
| 37 | −0.1200 | 0.2272 | 0.6886 | ||||
| 6 | 7 | 11 | 0.0450 | 0 | 0 | NA | |
| 14 | 0 | 0 | 0.0920 | ||||
| 32 | −0.0600 | 0.3123 | 0.0885 | ||||
| 37 | −0.1200 | 0.3670 | 0.6980 | ||||
| 7 | - | 33 | 0 | 0 | 0.088 | 24 | 0.4200 |
| 34 | 0 | 0 | 0 | ||||
| 35 | 0.06 | 0 | 0 | 25 | 0.4200 | ||
| 36 | 0.09 | 0 | 0 | 32 | 0.2100 | ||
| 37 | −0.0913 | 0.394984 | 0.521994 | ||||
| 8 | - | 7 | −0.0131 | 0 | 0.173922 | 24 | 0.4200 |
| 11 | 0.045 | 0 | 0 | ||||
| 14 | −0.06 | 0.071586 | 0 | 25 | 0.4200 | ||
| 32 | −0.06 | 0.366156 | 0.196486 | 32 | 0.2100 | ||
| 37 | −0.12 | 0.28405 | 0.521668 | ||||
| 9 | - | 7 | −0.2 | 0.126 | 0.06107 | 24 | 0.4200 |
| 11 | −0.06 | 0 | 0 | ||||
| 28 | −0.12 | 0 | 0.812957 | 25 | 0.4200 | ||
| 34 | −0.06 | 0.036864 | 0.077424 | 32 | 0.2100 | ||
| 36 | 0.09 | 0.286571 | 0.239091 | ||||
| Scenario | Tie-lines | SOPs Locations (lines) | SOPs Sizing | DG Node | DG Sizing (MW) | ||
|---|---|---|---|---|---|---|---|
| 4 | 36 | 33 | 0.2000 | 0.0333 | 0.0538 | NA | |
| 34 | −0.0652 | 0.0066 | 0.3065 | ||||
| 35 | 0.0600 | 0.1494 | 0.0480 | ||||
| 37 | −0.1252 | 0 | 0 | ||||
| 5 | 7-11-32 | 14 | 0 | 0 | 0.1582 | NA | |
| 37 | −0.1261 | 0.0918 | 0.0138 | ||||
| 6 | 7-11-32 | 14 | −0.0628 | 0.0315 | 0.2978 | NA | |
| 37 | −0.1249 | 0.0009 | 0.8776 | ||||
| 7 | - | 33 | 0 | 0 | 0.082994 | 24 | 0.4200 |
| 34 | −0.06245 | 0 | 0.120284 | ||||
| 35 | 0.06 | 0 | 0 | 25 | 0.4200 | ||
| 36 | 0.09 | 0 | 0 | 32 | 0.2100 | ||
| 37 | −0.12568 | 0.071358 | 0.166987 | ||||
| 8 | 7-11-14 | 32 | −0.0624 | 0 | 0.1901 | 24 | 0.4200 |
| 25 | 0.4200 | ||||||
| 37 | −0.1260 | 0.0853 | 0.3983 | 32 | 0.2100 | ||
| 9 | 7-11-17 | 27 | −0.0624 | 0.000293 | 0.6938 | 24 | 0.4200 |
| 34 | −0.0626 | 0.0243 | 0.2831 | 25 | 0.4200 | ||
| 32 | 0.2100 | ||||||
| Scenario | Tie-Lines | SOPs Locations (lines) | SOPs Sizing | DG Node | DG Sizing (MVA) | PF | ||
|---|---|---|---|---|---|---|---|---|
| 5 | 13-34-39-55-63-83-86-89 | 7 | −0.4 | 1.5 | 0.9757 | NA | ||
| 42 | 0.2 | 0.4398 | 0.4719 | |||||
| 72 | 0.4184 | 1.4214 | 1.3143 | |||||
| 90 | 0.3 | 0.1856 | 0.5016 | |||||
| 92 | 0.7229 | 0.3661 | 1.1009 | |||||
| 6 | 13-34-39-42-84-86-89-90-96 | 72 | 1.1439 | 0.3959 | 1.4468 | |||
| 82 | −0.1 | 1.1822 | 0.3869 | |||||
| 85 | 0.4 | 1.4312 | 0.6977 | |||||
| 92 | −0.2 | 1.4781 | 0.6503 | |||||
| 7 | 84-86-88-89-90-91-94-95-96 | 85 | 0.1547 | 1.492 | 0.8203 | 6 | 1.100 | 0.9658 |
| 12 | 1.200 | 0.9500 | ||||||
| 87 | 0.2941 | 1.0794 | 0.7539 | 19 | 1.200 | 0.9500 | ||
| 28 | 1.547 | 0.9817 | ||||||
| 92 | −0.2 | 0.9864 | 1.0761 | 31 | 1.799 | 0.9502 | ||
| 71 | 2.000 | 0.9500 | ||||||
| 93 | 0.2 | 0.4686 | 0.6413 | 75 | 1.200 | 0.9500 | ||
| 79 | 2.000 | 0.9500 | ||||||
| 8 | 13-34-39-55-63-83-86-89 | 7 | −0.4 | 0.5959 | 0.7569 | 6 | 1.100 | 0.9747 |
| 42 | 0.200 | 0.4948 | 0.5371 | 12 | 0.995 | 0.9503 | ||
| 19 | 1.200 | 0.9535 | ||||||
| 72 | 0.3509 | 0.8314 | 0.3136 | 28 | 1.800 | 0.9501 | ||
| 31 | 1.800 | 0.9501 | ||||||
| 90 | −0.1 | 1.2025 | 1.1796 | 71 | 1.274 | 0.9501 | ||
| 75 | 1.200 | 0.9502 | ||||||
| 92 | −0.200 | 0.350 | 1.3027 | 79 | 2.000 | 0.9501 | ||
| 9 | 7-13-16-32-34-72-86-95 | 38 | −0.02 | 0.239 | 0.493 | 6 | 1.100 | 0.9509 |
| 55 | 0.500 | 1.399 | 0.804 | 12 | 1.200 | 0.9502 | ||
| 19 | 1.200 | 0.9500 | ||||||
| 64 | 0.300 | 0.9497 | 0.576 | 28 | 1.782 | 0.9500 | ||
| 31 | 1.678 | 0.9501 | ||||||
| 89 | −0.091 | 0.764 | 1.236 | 71 | 2.000 | 0.9500 | ||
| 75 | 1.200 | 0.9500 | ||||||
| 91 | 0.300 | 0.8106 | 1.033 | 79 | 2.000 | 0.9500 | ||
| Scenario | Tie-Lines | SOPs Locations (lines) | SOPs Sizing | DG Node | DG Sizing (MVA) | PF | ||
|---|---|---|---|---|---|---|---|---|
| 5 | 7-13-34-39-42-55-63-83-86-89-90-92 | 72 | 0.2605 | 0.4347 | 0.1784 | NA | ||
| 6 | 7-13-14-34-38-40-55-63-86-90 | 32 | −0.208 | 0.0098 | 0.5608 | |||
| 82 | −0.108 | 0.1785 | 1.2975 | |||||
| 87 | −0.209 | 0.133 | 1.1108 | |||||
| 7 | 84-86-87-88-89-90-91-92-93-94-95-96 | 85 | 0.3367 | 1.4617 | 0.4298 | 6 | 1.100 | 0.9550 |
| 12 | 1.200 | 0.9500 | ||||||
| 19 | 1.200 | 0.9500 | ||||||
| 28 | 1.800 | 0.9500 | ||||||
| 31 | 1.800 | 0.9905 | ||||||
| 71 | 2.000 | 0.9500 | ||||||
| 75 | 1.200 | 0.9500 | ||||||
| 79 | 2.000 | 0.9505 | ||||||
| 8 | 7-13-34-39-42-55-63-83-86-89-90-92 | 72 | 0.2879 | 0.4032 | 0.4376 | 6 | 1.100 | 0.9500 |
| 12 | 1.200 | 0.9500 | ||||||
| 19 | 1.200 | 0.9507 | ||||||
| 28 | 1.800 | 0.9500 | ||||||
| 31 | 1.800 | 0.9747 | ||||||
| 71 | 2.000 | 0.9500 | ||||||
| 75 | 1.200 | 0.9519 | ||||||
| 79 | 2.000 | 0.9639 | ||||||
| 9 | 34-38-41-84-86-87-88-89-90-91-92-96 | 85 | 0.2091 | 1.3189 | 0.1894 | 6 | 1.100 | 0.9501 |
| 12 | 1.200 | 0.9500 | ||||||
| 19 | 1.200 | 0.9501 | ||||||
| 28 | 1.800 | 0.9500 | ||||||
| 31 | 1.800 | 0.9500 | ||||||
| 71 | 2.000 | 0.9500 | ||||||
| 75 | 1.200 | 0.9500 | ||||||
| 79 | 2.000 | 0.9500 | ||||||
References
- Ismael, S.; Abdel Aleem, S.; Abdelaziz, A.; Zobaa, A. Probabilistic hosting capacity enhancement in non-sinusoidal power distribution systems using a hybrid PSOGSA optimization algorithm. Energies 2019, 12, 1018. [Google Scholar] [CrossRef]
- Home-Ortiz, J.M.; Melgar-Dominguez, O.D.; Pourakbari-Kasmaei, M.; Mantovani, J.R.S. A stochastic mixed-integer convex programming model for long-term distribution system expansion planning considering greenhouse gas emission mitigation. Int. J. Electr. Power Energy Syst. 2019, 108, 86–95. [Google Scholar] [CrossRef]
- Zsiborács, H.; Baranyai, N.H.; Vincze, A.; Zentkó, L.; Birkner, Z.; Máté, K.; Pintér, G. Intermittent Renewable Energy Sources: The Role of Energy Storage in the European Power System of 2040. Electronics 2019, 8, 729. [Google Scholar] [CrossRef]
- Sakar, S.; Balci, M.E.; Abdel Aleem, S.H.E.; Zobaa, A.F. Integration of large- scale PV plants in non-sinusoidal environments: Considerations on hosting capacity and harmonic distortion limits. Renew. Sustain. Energy Rev. 2018, 82, 176–186. [Google Scholar] [CrossRef]
- Chicco, G.; Mazza, A. 100 years of symmetrical components. Energies 2019, 12, 450. [Google Scholar] [CrossRef]
- Aleem, S.H.E.A.; Elmathana, M.T.; Zobaa, A.F. Different design approaches of shunt passive harmonic filters based on IEEE Std. 519-1992 and IEEE Std. 18-2002. Recent Patents Electr. Electron. Eng. 2013, 6, 68–75. [Google Scholar] [CrossRef]
- Badran, O.; Mekhilef, S.; Mokhlis, H.; Dahalan, W. Optimal reconfiguration of distribution system connected with distributed generations: A review of different methodologies. Renew. Sustain. Energy Rev. 2017, 73, 854–867. [Google Scholar] [CrossRef]
- Elders, I.; Ault, G.; Barnacle, M.; Galloway, S. Multi-objective transmission reinforcement planning approach for analysing future energy scenarios in the Great Britain network. IET Gener. Transm. Distrib. 2015, 9, 2060–2068. [Google Scholar]
- Ismael, S.M.; Abdel Aleem, S.H.E.; Abdelaziz, A.Y.; Zobaa, A.F. Practical considerations for optimal conductor reinforcement and hosting capacity enhancement in radial distribution systems. IEEE Access 2018, 6, 27268–27277. [Google Scholar] [CrossRef]
- Chen, S.; Liu, C.C. From demand response to transactive energy: State of the art. J. Mod. Power Syst. Clean Energy 2017, 5, 10–19. [Google Scholar] [CrossRef]
- Qi, Q.; Wu, J.; Zhang, L.; Cheng, M. Multi-Objective Optimization of Electrical Distribution Network Operation Considering Reconfiguration and Soft Open Points. Energy Procedia 2016, 103, 141–146. [Google Scholar] [CrossRef]
- Namachivayam, G.; Sankaralingam, C.; Perumal, S.K.; Devanathan, S.T. Reconfiguration and capacitor placement of radial distribution systems by modified flower pollination algorithm. Electr. Power Compon. Syst. 2016, 44, 1492–1502. [Google Scholar] [CrossRef]
- Kazemi-Robati, E.; Sepasian, M.S. Passive harmonic filter planning considering daily load variations and distribution system reconfiguration. Electr. Power Syst. Res. 2019, 166, 125–135. [Google Scholar] [CrossRef]
- Schnelle, T.; Schmidt, M.; Schegner, P. Power converters in distribution grids—New alternatives for grid planning and operation. In Proceedings of the 2015 IEEE Eindhoven PowerTech, Eindhoven, The Netherlands, 29 June–2 July 2015; pp. 1–6. [Google Scholar]
- Wang, C.; Song, G.; Li, P.; Ji, H.; Zhao, J.; Wu, J. Optimal siting and sizing of soft open points in active electrical distribution networks. Appl. Energy 2017, 189, 301–309. [Google Scholar] [CrossRef]
- Cao, W.; Wu, J.; Jenkins, N.; Wang, C.; Green, T. Benefits analysis of soft open points for electrical distribution network operation. Appl. Energy 2016, 165, 36–47. [Google Scholar] [CrossRef]
- Zhang, L.; Shen, C.; Chen, Y.; Huang, S.; Tang, W. Coordinated Optimal Allocation of DGs, Capacitor Banks and SOPs in Active Distribution Network Considering Dispatching Results Through Bi-level Programming. Energy Procedia 2017, 142, 2065–2071. [Google Scholar] [CrossRef]
- Long, C.; Wu, J.; Thomas, L.; Jenkins, N. Optimal operation of soft open points in medium voltage electrical distribution networks with distributed generation. Appl. Energy 2016, 184, 427–437. [Google Scholar] [CrossRef]
- Qi, Q.; Wu, J.; Long, C. Multi-objective operation optimization of an electrical distribution network with soft open point. Appl. Energy 2017, 208, 734–744. [Google Scholar] [CrossRef]
- Ji, H.; Li, P.; Wang, C.; Song, G.; Zhao, J.; Su, H.; Wu, J. A strengthened SOCP-based approach for evaluating the distributed generation hosting capacity with soft open Points. Energy Procedia 2017, 142, 1947–1952. [Google Scholar] [CrossRef]
- Bai, L.; Jiang, T.; Li, F.; Chen, H.; Li, X. Distributed energy storage planning in soft open point based active distribution networks incorporating network reconfiguration and DG reactive power capability. Appl. Energy 2018, 210, 1082–1091. [Google Scholar] [CrossRef]
- Aithal, A.; Li, G.; Wu, J.; Yu, J. Performance of an electrical distribution network with soft open point during a grid side AC fault. Appl. Energy 2018, 227, 262–272. [Google Scholar] [CrossRef]
- Wang, C.; Song, G.; Li, P.; Ji, H.; Zhao, J.; Wu, J. Optimal configuration of soft open point for active distribution network based on mixed-integer second-order cone programming. Energy Procedia 2016, 103, 70–75. [Google Scholar] [CrossRef]
- Qi, Q.; Wu, J. Increasing distributed generation penetration using network reconfiguration and soft open points. Energy Procedia 2017, 105, 2169–2174. [Google Scholar] [CrossRef]
- Qi, Q.; Long, C.; Wu, J.; Smith, K.; Moon, A.; Yu, J. Using an MVDC link to increase DG hosting capacity of a distribution network. Energy Procedia 2017, 142, 2224–2229. [Google Scholar] [CrossRef]
- Li, P.; Ji, H.; Yu, H.; Zhao, J.; Wang, C.; Song, G.; Wu, J. Combined decentralized and local voltage control strategy of soft open points in active distribution networks. Appl. Energy 2019, 241, 613–624. [Google Scholar] [CrossRef]
- Yao, C.; Zhou, C.; Yu, J.; Xu, K.; Li, P.; Song, G. A sequential optimization method for soft open point integrated with energy storage in active distribution networks. Energy Procedia 2018, 145, 528–533. [Google Scholar] [CrossRef]
- Thomas, L.J.; Burchill, A.; Rogers, D.J.; Guest, M.; Jenkins, N. Assessing distribution network hosting capacity with the addition of soft open points. In Proceedings of the 5th IET International Conference on Renewable Power Generation (RPG) 2016, London, UK, 21–23 September 2016; pp. 1–6. [Google Scholar]
- Guo, X.B.; Wei, W.X.; Xu, A.D. A coordinated optimization method of snop and tie switch operation simultaneously based on cost in active distribution network. In Proceedings of the IET Conference Publications, Helsinki, Finland, 14–15 June 2016. [Google Scholar]
- Cao, W.; Wu, J.; Jenkins, N.; Wang, C.; Green, T. Operating principle of soft open points for electrical distribution network operation. Appl. Energy 2016, 164, 245–257. [Google Scholar] [CrossRef]
- Ji, H.; Wang, C.; Li, P.; Zhao, J.; Song, G.; Ding, F.; Wu, J. An enhanced SOCP-based method for feeder load balancing using the multi-terminal soft open point in active distribution networks. Appl. Energy 2017, 208, 986–995. [Google Scholar] [CrossRef]
- Ji, H.; Wang, C.; Li, P.; Song, G.; Wu, J. SOP-based islanding partition method of active distribution networks considering the characteristics of DG, energy storage system and load. Energy 2018, 155, 312–325. [Google Scholar] [CrossRef]
- Li, P.; Ji, H.; Wang, C.; Zhao, J.; Song, G.; Ding, F.; Wu, J. Coordinated control method of voltage and reactive power for active distribution networks based on soft open point. IEEE Trans. Sustain. Energy 2017, 8, 1430–1442. [Google Scholar] [CrossRef]
- Xiao, H.; Pei, W.; Li, K. Optimal sizing and siting of soft open point for improving the three phase unbalance of the distribution network. In Proceedings of the 2018 21st International Conference on Electrical Machines and Systems (ICEMS), Jeju, South Korea, 7–10 October 2018; pp. 2080–2084. [Google Scholar]
- Strategies for Reducing Losses in Distribution Networks. Imperial College London. 2018. Available online: https://www.ukpowernetworks.co.uk/losses/static/pdfs/strategies-for-reducing-losses-in-distribution-networks.d1b2a6f.pdf (accessed on 27 September 2019).
- Karami, H.; Sanjari, M.J.; Gharehpetian, G.B. Hyper-Spherical Search (HSS) algorithm: A novel meta-heuristic algorithm to optimize nonlinear functions. Neural Comput. Appl. 2014, 25, 1455–1465. [Google Scholar] [CrossRef]
- Ahmadi, S.A.; Karami, H.; Sanjari, M.J.; Tarimoradi, H.; Gharehpetian, G.B. Application of hyper-spherical search algorithm for optimal coordination of overcurrent relays considering different relay characteristics. Int. J. Electr. Power Energy Syst. 2016, 83, 443–449. [Google Scholar] [CrossRef]
- Bloemink, J.M.; Green, T.C. Increasing photovoltaic penetration with local energy storage and soft normally-open points. In Proceedings of the 2011 IEEE Power and Energy Society General Meeting, Detroit, MI, USA, 24–28 July 2011; pp. 1–8. [Google Scholar]
- Bloemink, J.M.; Green, T.C. Benefits of distribution-level power electronics for supporting distributed generation growth. IEEE Trans. Power Deliv. 2013, 28, 911–919. [Google Scholar] [CrossRef]
- Ji, H.; Wang, C.; Li, P.; Ding, F.; Wu, J. Robust operation of soft open points in active distribution networks with high penetration of photovoltaic integration. IEEE Trans. Sustain. Energy 2019, 10, 280–289. [Google Scholar] [CrossRef]
- PCS 6000 for Large Wind Turbines: Medium Voltage, Full Power Converters up to 9 MVA. ABB, Brochure 3BHS351272 E01 Rev. A. 2012. Available online: http://new.abb.com/docs/default-source/ewea-doc/ pcs6000wind.pdf (accessed on 27 September 2019).
- El-Fergany, A.A. Optimal capacitor allocations using evolutionary algorithms. IET Gener. Transm. Distrib. 2013, 7, 593–601. [Google Scholar] [CrossRef]
- Abdelaziz, A.Y.; Ali, E.S.; Abd Elazim, S.M. Optimal sizing and locations of capacitors in radial distribution systems via flower pollination optimization algorithm and power loss index. Eng. Sci. Technol. Int. J. 2016, 19, 610–618. [Google Scholar] [CrossRef]
- Rao, R.S.; Ravindra, K.; Satish, K.; Narasimham, S.V.L. Power loss minimization in distribution system using network reconfiguration in the presence of distributed generation. IEEE Trans. Power Syst. 2013, 28, 317–325. [Google Scholar] [CrossRef]
- Peponis, G.J.; Papadopulos, M.P.; Hatziargyriou, N.D. Optimal operation of distribution networks. IEEE Trans. Power Syst. 1996, 11, 59–67. [Google Scholar] [CrossRef]
- Abdelaziz, A.Y.; Mekhamer, S.F.; Badr, M.A.L.; Mohamed, F.M.; El-Saadany, E.F. A modified particle swarm Algorithm for distribution systems reconfiguration. In Proceedings of the 2009 IEEE Power & Energy Society General Meeting, Calgary, AB, Canada, 26–30 July 2009; pp. 1–8. [Google Scholar]
- Chiou, J.P.; Chang, C.F.; Su, C.T. Variable scaling hybrid differential evolution for solving network reconfiguration of distribution systems. IEEE Trans. Power Syst. 2005, 20, 668–674. [Google Scholar] [CrossRef]
- Rajaram, R.; Sathish Kumar, K.; Rajasekar, N. Power system reconfiguration in a radial distribution network for reducing losses and to improve voltage profile using modified plant growth simulation algorithm with Distributed Generation (DG). Energy Rep. 2015, 1, 116–122. [Google Scholar] [CrossRef]
- Esmaeili, S.; Dehnavi, H.D.; Karimzadeh, F. Simultaneous reconfiguration and capacitor placement with harmonic consideration using fuzzy harmony search algorithm. Arab. J. Sci. Eng. 2014, 39, 3859–3871. [Google Scholar] [CrossRef]









| Ref. | Scope * | Year | Objective | Optimization Technique | SOP | NR | DG | CB | ESS | OLTC | System | Remarks |
|---|---|---|---|---|---|---|---|---|---|---|---|---|
| [16] | PS | 2016 | Loss minimization and LBI | Improved Powell’s Direct Set | √ | √ | √ | × | × | × | 33-node | A study was conducted to compare NR and SOP. A new methodology was proposed to combine NR and SOP. |
| [20] | PS | 2017 | HC maximization | Strengthened SOCP | √ | × | √ | × | × | × | 33-node | A strengthened SOCP was proposed to verify the exactness of the optimality gap to maximize the HC of the system. |
| [30] | PE | 2016 | Studying the operation of SOPs | × | √ | × | × | × | × | × | MV distribution network | The operating principles for the placement of SOPs under normal, fault, and post-fault conditions were discussed. |
| [22] | PE | 2018 | Fault detection | × | √ | × | × | × | × | × | × | A new index was proposed to detect faults based on local measurements of the symmetrical voltages. |
| [25] | PS | 2017 | Power loss minimization | PSO | √ | × | √ | × | × | × | Anglesey network | The main aim was to convert an existing double 33 kV AC circuit to DC operation to increase the HC of the network. |
| [23] | PS | 2016 | Annual costs minimization | MISOCP | √ | × | √ | × | × | × | 33-node | A mixed-integer SOCP was proposed to minimize annual expenses, which comprise of the investment cost of SOPs, operation cost of SOPs, and power loss expenses. |
| [24] | PS | 2017 | DGs penetration maximization | Ant colony | √ | √ | √ | × | × | × | 33-node | Different scenarios were conducted to maximize DGs penetration. |
| [17] | PS | 2017 | Minimization of annual cost and power loss | BLP | √ | × | √ | √ | × | × | 33-node | Bi-level programming was used to find the optimal allocation of DGs, CBs, and a SOP where the annual costs and power losses were considered as the problem levels. |
| [26] | PS | 2019 | Combined minimization of total power loss and VD | MISOCP | √ | × | √ | × | × | × | 69-node and 123-node | A decentralization method was proposed to reduce the dependency on a massive communication and computation burden. |
| [27] | PS | 2018 | Power loss minimization | Sequential optimization | √ | × | √ | × | √ | × | 33-node | A new approach was introduced to gain the benefits of both SOPs and ESS. A sequential optimization model was used to minimize network losses, converter losses and ESS losses. |
| [28] | PS | 2016 | HC maximization | × | √ | × | √ | × | × | × | Generic system | HC maximization gained from insertion of a SOP between two distinct 33 kV networks were presented. |
| [29] | PS | 2016 | Power loss minimization | MISOCP | √ | √ | √ | × | × | × | 33-node | A new methodology to allocate a SOP along with NR simultaneously considering the cost of switching actions and SOP losses was presented. |
| [21] | PS | 2017 | Minimization of ESS costs | MISOCP | √ | √ | √ | × | √ | √ | 33-node | Optimally sited and sized ESSs in an ADN that includes SOP and DGs smart inverters were presented. |
| [31] | PS | 2017 | LBI and power loss minimization | SOCP | √ | × | √ | × | × | × | 33-node | Installation of a multi-terminal SOP using an enhanced SOCP-based method was proposed. |
| [32] | PS | 2018 | Restored loads maximization | Primal-dual interior-point | √ | × | √ | × | √ | × | 33-node and 123-node | SOP islanding partitioning of ADNs with DGs, loads and ESSs time series characteristics was presented. |
| [33] | PS | 2017 | Operation cost and VD minimization | MISOCP | √ | × | √ | √ | √ | √ | 33-node and 123-node | Optimal coordination between OLTC, CBs and SOP using a time-series model was presented. |
| [18] | PE | 2016 | VD, LBI and energy loss minimization | Interior-point | √ | × | √ | × | × | × | MV distribution network | A Jacobian matrix-based sensitivity method was proposed to operate a SOP under various conditions. |
| [19] | PS | 2017 | Power loss, LBI and VD minimization | MOPSO and Taxicab | √ | √ | √ | × | × | × | 69-node | Optimal allocation of SOP with NR at various DGs penetrations was presented. |
| [15] | PS | 2017 | Annual expenses minimization | MISOCP | √ | √ | √ | × | × | × | 33-node and 83-node | A new concept was presented to install SOPs in normally closed lines as well as normally open lines. |
| [34] | PS | 2018 | Voltage imbalance | Improved differential evolution algorithm | √ | × | √ | × | × | × | Hybrid distribution system | Optimal allocation of SOPs to improve 3-phase imbalance with DGs and loads uncertainties were proposed using an improved differential evolution algorithm. |
| Proposed | PS | 2019 | Power loss minimization | DC-HSS | √ | √ | √ | × | × | × | 33-node and 83-node | A simultaneous SOPs and DGs allocation along with NR is proposed. The proposed strategy was tested with/without SOPs loss consideration. Besides, a new NR methodology is proposed to provide resiliency in the distribution system power flow. Moreover, reverse powers are not permitted unlike previous works. |
| Loading Level | Scenario | |||
|---|---|---|---|---|
| Light (50%) | 1 | 33.646 | 0.058 | 0.678 |
| 2 | 41.212 | 0.376 | 0.862 | |
| 3 | 21.346 | 0.178 | 0.500 | |
| Normal (100%) | 1 | NA | ||
| 2 | ||||
| 3 | 90.013 | 0.765 | 1.064 | |
| Heavy (160%) | 1 | NA | ||
| 2 | ||||
| 3 | ||||
| Scenario | Light Loading (50%) | Normal Loading (100%) | Heavy Loading (160%) | |||||||
|---|---|---|---|---|---|---|---|---|---|---|
| 4 | 1 | 38.723 | 0.343 | 0.745 | NA | NA | ||||
| 2 | 33.686 | 0.303 | 0.709 | |||||||
| 3 | 32.097 | 0.292 | 0.701 | 144.337 | 1.285 | 1.085 | ||||
| 4 | 29.481 | 0.271 | 0.603 | 143.107 | 1.255 | 0.973 | ||||
| 5 | 27.420 | 0.252 | 0.572 | 128.576 | 1.145 | 1.093 | ||||
| 5 | 1 | 23.936 | 0.211 | 0.565 | NA | NA | ||||
| 2 | 22.323 | 0.199 | 0.427 | 91.206 | 0.823 | 0.928 | ||||
| 3 | 22.613 | 0.204 | 0.444 | 93.576 | 0.842 | 0.969 | ||||
| 4 | 22.028 | 0.205 | 0.413 | 89.932 | 0.833 | 0.877 | 269.511 | 2.317 | 0.977 | |
| 5 | 22.323 | 0.209 | 0.403 | 89.942 | 0.832 | 0.830 | 267.975 | 2.275 | 1.081 | |
| 6 | 1 | 23.709 | 0.215 | 0.536 | 98.803 | 0.897 | 1.126 | NA | ||
| 2 | 22.689 | 0.202 | 0.464 | 90.777 | 0.824 | 0.931 | ||||
| 3 | 23.384 | 0.213 | 0.502 | 90.303 | 0.839 | 0.914 | 254.480 | 2.228 | 1.281 | |
| 4 | 22.586 | 0.205 | 0.443 | 89.092 | 0.823 | 0.882 | 255.053 | 2.255 | 1.239 | |
| 5 | 23.961 | 0.204 | 0.399 | 89.429 | 0.853 | 0.848 | 258.36 | 2.220 | 1.141 | |
| 7 | 1 | 20.548 | 0.179 | 0.583 | NA | NA | ||||
| 2 | 20.548 | 0.179 | 0.583 | |||||||
| 3 | 19.796 | 0.175 | 0.524 | 87.745 | 0.759 | 1.142 | ||||
| 4 | 19.454 | 0.172 | 0.546 | 77.212 | 0.681 | 1.076 | ||||
| 5 | 17.884 | 0.162 | 0.512 | 73.512 | 0.670 | 1.050 | ||||
| 8 | 1 | 15.299 | 0.121 | 0.495 | NA | NA | ||||
| 2 | 13.760 | 0.114 | 0.428 | 55.498 | 0.461 | 0.822 | 153.348 | 1.262 | 1.261 | |
| 3 | 13.674 | 0.114 | 0.443 | 54.750 | 0.464 | 0.785 | 142.402 | 1.217 | 1.221 | |
| 4 | 14.503 | 0.123 | 0.416 | 56.238 | 0.482 | 0.798 | 166.628 | 1.478 | 1.302 | |
| 5 | 14.565 | 0.129 | 0.387 | 52.306 | 0.456 | 0.764 | 170.249 | 1.358 | 1.141 | |
| 9 | 1 | 14.269 | 0.122 | 0.433 | 57.851 | 0.508 | 0.752 | 160.812 | 1.412 | 1.303 |
| 2 | 13.840 | 0.118 | 0.373 | 51.748 | 0.445 | 0.742 | 144.826 | 1.265 | 1.165 | |
| 3 | 13.295 | 0.116 | 0.359 | 49.954 | 0.448 | 0.653 | 125.768 | 1.133 | 1.066 | |
| 4 | 11.869 | 0.110 | 0.312 | 50.176 | 0.444 | 0.634 | 137.325 | 1.241 | 1.091 | |
| 5 | 12.087 | 0.106 | 0.353 | 45.885 | 0.433 | 0.601 | 122.062 | 1.131 | 1.034 | |
| Scenario | Light Loading (50%) | Normal Loading (100%) | Heavy Loading (160%) | |||||||
|---|---|---|---|---|---|---|---|---|---|---|
| 4 | 1 | 45.414 | 0.376 | 0.859 | NA | NA | ||||
| 2 | 45.796 | 0.361 | 0.819 | |||||||
| 3 | 35.479 | 0.292 | 0.699 | 177.087 | 1.099 | 1.042 | ||||
| 4 | 35.083 | 0.281 | 0.641 | 133.125 | 1.057 | 1.194 | ||||
| 5 | 39.932 | 0.289 | 0.635 | 162.892 | 1.093 | 1.049 | ||||
| 5 | 1 | 27.184 | 0.219 | 0.572 | NA | NA | ||||
| 2 | 27.185 | 0.219 | 0.573 | 110.805 | 0.925 | 1.147 | ||||
| 3 | 30.747 | 0.209 | 0.533 | 113.375 | 0.887 | 1.100 | ||||
| 4 | 37.655 | 0.221 | 0.445 | 126.837 | 0.964 | 0.887 | 415.433 | 2.497 | 0.811 | |
| 5 | 38.209 | 0.282 | 0.537 | 165.753 | 0.938 | 1.047 | 461.002 | 2.689 | 0.751 | |
| 6 | 1 | 26.753 | 0.212 | 0.526 | 106.317 | 0.921 | 1.125 | NA | ||
| 2 | 26.753 | 0.212 | 0.526 | 104.076 | 0.881 | 1.015 | ||||
| 3 | 26.754 | 0.212 | 0.525 | 104.774 | 0.858 | 0.934 | 427.952 | 2.525 | 1.283 | |
| 4 | 26.824 | 0.205 | 0.456 | 106.070 | 0.897 | 1.060 | 386.968 | 2.338 | 1.216 | |
| 5 | 29.629 | 0.220 | 0.544 | 119.559 | 0.915 | 1.058 | 377.700 | 2.295 | 1.166 | |
| 7 | 1 | 23.883 | 0.188 | 0.592 | NA | NA | ||||
| 2 | 27.727 | 0.201 | 0.659 | |||||||
| 3 | 27.669 | 0.209 | 0.609 | |||||||
| 4 | 29.336 | 0.213 | 0.632 | |||||||
| 5 | 36.100 | 0.234 | 0.579 | 114.118 | 0.783 | 1.123 | ||||
| 8 | 1 | 18.489 | 0.129 | 0.502 | NA | NA | ||||
| 2 | 18.489 | 0.129 | 0.501 | 68.064 | 0.509 | 0.899 | 204.716 | 1.131 | 1.239 | |
| 3 | 19.670 | 0.118 | 0.417 | 72.782 | 0.494 | 0.853 | 196.995 | 1.279 | 1.249 | |
| 4 | 29.082 | 0.129 | 0.385 | 86.147 | 0.508 | 0.966 | 317.274 | 1.712 | 1.309 | |
| 5 | 25.052 | 0.129 | 0.336 | 94.222 | 0.578 | 0.769 | 220.982 | 1.289 | 1.189 | |
| 9 | 1 | 16.828 | 0.126 | 0.441 | 67.019 | 0.525 | 0.911 | NA | ||
| 2 | 16.575 | 0.119 | 0.375 | 66.131 | 0.527 | 0.804 | 193.316 | 1.362 | 1.322 | |
| 3 | 17.144 | 0.126 | 0.446 | 73.735 | 0.483 | 0.782 | 189.168 | 1.352 | 1.238 | |
| 4 | 20.329 | 0.127 | 0.390 | 74.077 | 0.500 | 0.746 | 193.753 | 1.211 | 1.029 | |
| 5 | 19.819 | 0.118 | 0.408 | 74.695 | 0.469 | 0.602 | 188.831 | 1.176 | 1.135 | |
| Loading Level | Scenario | |||
|---|---|---|---|---|
| Light (50%) | 1 | 113.382 | 3.237 | 1.303 |
| 2 | 97.496 | 2.713 | 1.249 | |
| 3 | 87.033 | 2.425 | 1.128 | |
| Normal (100%) | 1 | 470.241 | 13.259 | 2.654 |
| 2 | NA | |||
| 3 | 368.364 | 10.699 | 2.309 | |
| Heavy (130%) | 1 | NA | ||
| 2 | ||||
| 3 | ||||
| Scenario | Light Loading (50%) | Normal Loading (100%) | Heavy Loading (130%) | |||||||
|---|---|---|---|---|---|---|---|---|---|---|
| 4 | 1 | 112.236 | 3.035 | 1.163 | NA | NA | ||||
| 2 | 107.777 | 2.929 | 0.976 | |||||||
| 3 | 106.452 | 2.911 | 0.847 | |||||||
| 4 | 98.345 | 2.662 | 0.958 | |||||||
| 5 | 99.079 | 2.697 | 0.779 | |||||||
| 5 | 1 | 106.662 | 3.000 | 1.213 | 441.694 | 12.273 | 2.501 | |||
| 2 | 103.194 | 2.898 | 1.137 | 427.829 | 12.010 | 2.373 | ||||
| 3 | 104.861 | 2.945 | 1.029 | 421.891 | 11.660 | 2.297 | ||||
| 4 | 101.766 | 2.773 | 1.062 | 412.534 | 11.248 | 2.171 | ||||
| 5 | 96.026 | 2.769 | 0.811 | 390.587 | 11.017 | 1.893 | ||||
| 6 | 1 | 105.558 | 3.014 | 1.034 | 442.042 | 12.584 | 2.293 | |||
| 2 | 100.563 | 2.878 | 0.969 | 425.271 | 12.106 | 2.229 | ||||
| 3 | 96.450 | 2.747 | 0.823 | 405.221 | 11.232 | 2.137 | ||||
| 4 | 92.742 | 2.661 | 0.825 | 385.354 | 10.501 | 1.836 | ||||
| 5 | 89.949 | 2.484 | 0.696 | 407.074 | 10.428 | 2.109 | ||||
| 7 | 1 | 54.413 | 1.511 | 0.895 | 231.704 | 6.396 | 1.879 | 439.890 | 12.036 | 2.773 |
| 2 | 54.935 | 1.511 | 0.887 | 226.485 | 6.284 | 1.614 | 387.021 | 10.649 | 2.325 | |
| 3 | 52.594 | 1.496 | 0.680 | 214.617 | 6.000 | 1.668 | 394.187 | 10.901 | 2.233 | |
| 4 | 49.215 | 1.382 | 0.688 | 192.775 | 5.519 | 1.464 | 371.243 | 10.239 | 2.214 | |
| 5 | 52.882 | 1.512 | 0.632 | 197.090 | 5.579 | 1.562 | 333.774 | 9.363 | 1.816 | |
| 8 | 1 | 60.405 | 1.797 | 1.019 | 253.559 | 7.358 | 2.019 | NA | ||
| 2 | 58.648 | 1.755 | 0.928 | 240.294 | 7.059 | 1.925 | ||||
| 3 | 62.326 | 1.822 | 0.899 | 249.926 | 7.224 | 1.979 | ||||
| 4 | 57.268 | 1.679 | 0.879 | 243.006 | 6.816 | 1.795 | ||||
| 5 | 54.513 | 1.681 | 0.723 | 210.822 | 6.284 | 1.584 | ||||
| 9 | 1 | 51.425 | 1.456 | 0.792 | 219.131 | 6.282 | 1.713 | 379.446 | 10.806 | 2.345 |
| 2 | 49.481 | 1.382 | 0.667 | 203.24 | 5.821 | 1.550 | 345.422 | 10.022 | 1.997 | |
| 3 | 46.868 | 1.321 | 0.641 | 192.115 | 5.392 | 1.463 | 348.556 | 9.905 | 2.196 | |
| 4 | 43.469 | 1.238 | 0.587 | 189.128 | 5.084 | 1.379 | 345.018 | 10.815 | 2.080 | |
| 5 | 45.122 | 1.309 | 0.566 | 189.073 | 5.140 | 1.386 | 302.561 | 9.163 | 1.571 | |
| Scenario | Light Loading (50%) | Normal Loading (100%) | Heavy Loading (130%) | |||||||
|---|---|---|---|---|---|---|---|---|---|---|
| 4 | 1 | 126.023 | 3.313 | 1.349 | NA | NA | ||||
| 2 | 134.346 | 3.219 | 1.060 | |||||||
| 3 | 139.039 | 3.364 | 1.201 | |||||||
| 4 | 144.968 | 3.049 | 1.279 | |||||||
| 5 | 145.084 | 2.893 | 1.090 | |||||||
| 5 | 1 | 117.084 | 3.250 | 1.287 | 473.623 | 12.788 | 2.610 | |||
| 2 | 119.178 | 3.170 | 1.267 | 478.019 | 12.783 | 2.568 | ||||
| 3 | 133.988 | 3.187 | 1.227 | 491.723 | 12.480 | 2.504 | ||||
| 4 | 142.552 | 2.934 | 1.188 | 512.955 | 12.595 | 2.374 | ||||
| 5 | 145.349 | 3.024 | 1.156 | 518.085 | 11.919 | 2.181 | ||||
| 6 | 1 | 114.048 | 3.263 | 1.278 | 472.069 | 13.065 | 2.646 | |||
| 2 | 116.980 | 3.218 | 1.254 | 470.112 | 12.527 | 2.539 | ||||
| 3 | 122.259 | 3.117 | 1.157 | 469.115 | 12.495 | 2.513 | ||||
| 4 | 119.642 | 3.049 | 1.163 | 497.125 | 12.839 | 2.593 | ||||
| 5 | 116.877 | 2.939 | 1.158 | 502.876 | 11.627 | 2.284 | ||||
| 7 | 1 | 65.706 | 1.787 | 1.078 | 271.560 | 6.292 | 1.969 | |||
| 2 | 81.718 | 1.531 | 0.822 | 286.725 | 6.845 | 1.868 | ||||
| 3 | 105.414 | 1.595 | 0.742 | 308.381 | 7.518 | 1.889 | ||||
| 4 | 100.211 | 1.451 | 0.719 | 317.376 | 5.966 | 1.637 | ||||
| 5 | 115.202 | 1.432 | 0.696 | 343.568 | 5.853 | 1.574 | ||||
| 8 | 1 | 66.890 | 1.827 | 1.039 | 271.865 | 7.287 | 2.058 | |||
| 2 | 77.613 | 1.909 | 1.048 | 310.045 | 7.159 | 1.977 | ||||
| 3 | 90.195 | 1.914 | 1.002 | 343.867 | 7.744 | 2.030 | ||||
| 4 | 122.116 | 1.906 | 0.972 | 348.229 | 7.929 | 2.073 | ||||
| 5 | 154.082 | 1.918 | 0.825 | 344.441 | 6.647 | 1.716 | ||||
| 9 | 1 | 67.280 | 1.764 | 1.043 | 253.076 | 6.244 | 1.836 | 436.212 | 11.325 | 2.654 |
| 2 | 76.316 | 1.718 | 0.888 | 255.124 | 6.227 | 1.836 | 443.586 | 10.939 | 2.389 | |
| 3 | 95.475 | 1.693 | 0.942 | 272.452 | 5.754 | 1.737 | 464.298 | 11.017 | 2.451 | |
| 4 | 127.245 | 1.529 | 0.924 | 287.265 | 5.949 | 1.758 | 517.269 | 11.613 | 2.551 | |
| 5 | 96.895 | 1.847 | 0.976 | 284.899 | 6.240 | 1.619 | 509.753 | 10.066 | 2.306 | |
| Method | DC-HSS | GA | HSA | MHM |
|---|---|---|---|---|
| Number of runs | 30 | 30 | 30 | 30 |
| Population size | 2 | 2 | 2 | 2 |
| Number of iterations | 10 | 10 | 10 | 10 |
| Best | 139.55 | 139.55 | 139.55 | 139.55 |
| Worst | 158.4013 | 158.4013 | 158.4013 | 158.4013 |
| Mean | 141.6454 | 145.6523 | 151.318 | 149.1727 |
| Standard deviation | 5.766383 | 5.942117 | 5.231613 | 7.353027 |
| Average time (s) | 0.3 | 1 | 0.3 | 0.6 |
| Method | DC-HSS | GA | HSA | MHM |
|---|---|---|---|---|
| Number of runs | 30 | 30 | 30 | 30 |
| Population size | 2 | 2 | 2 | 2 |
| Number of iterations | 10 | 10 | 10 | 10 |
| Best | 470.241 | 470.241 | 470.241 | 470.241 |
| Worst | 509.7132 | 509.7132 | 509.7132 | 509.7132 |
| Mean | 475.5788 | 481.3519 | 506.4081 | 488.0029 |
| Standard deviation | 8.066826 | 12.24191 | 11.59983 | 12.97165 |
| Average time (s) | 0.49 | 2 | 0.5 | 1.7 |
© 2019 by the authors. Licensee MDPI, Basel, Switzerland. This article is an open access article distributed under the terms and conditions of the Creative Commons Attribution (CC BY) license (http://creativecommons.org/licenses/by/4.0/).
Share and Cite
Diaaeldin, I.; Abdel Aleem, S.; El-Rafei, A.; Abdelaziz, A.; Zobaa, A.F. Optimal Network Reconfiguration in Active Distribution Networks with Soft Open Points and Distributed Generation. Energies 2019, 12, 4172. https://doi.org/10.3390/en12214172
Diaaeldin I, Abdel Aleem S, El-Rafei A, Abdelaziz A, Zobaa AF. Optimal Network Reconfiguration in Active Distribution Networks with Soft Open Points and Distributed Generation. Energies. 2019; 12(21):4172. https://doi.org/10.3390/en12214172
Chicago/Turabian StyleDiaaeldin, Ibrahim, Shady Abdel Aleem, Ahmed El-Rafei, Almoataz Abdelaziz, and Ahmed F. Zobaa. 2019. "Optimal Network Reconfiguration in Active Distribution Networks with Soft Open Points and Distributed Generation" Energies 12, no. 21: 4172. https://doi.org/10.3390/en12214172
APA StyleDiaaeldin, I., Abdel Aleem, S., El-Rafei, A., Abdelaziz, A., & Zobaa, A. F. (2019). Optimal Network Reconfiguration in Active Distribution Networks with Soft Open Points and Distributed Generation. Energies, 12(21), 4172. https://doi.org/10.3390/en12214172

