Implementation of the HHL Algorithm for Solving the Poisson Equation on Quantum Simulators
Abstract
1. Introduction
2. Materials and Methods
2.1. Difference Scheme of the Poisson Equation
2.2. Discretization of the Equation
- Representation of the input vector b:where |x〉 is the state of the qubits representing the solution vector x, and |b〉 is the state of the qubits representing the vector b. And the expression |x〉|0〉 itself represents the state of the system, in which the decision vector x is represented by qubits, and the qubits representing the vector b are initialized to zero.|x〉|0〉 → |x〉|b〉
- Conversion of the matrix A into a quantum operation:where |x〉 and |y〉 are the states of the qubits representing the indices of the matrix A, and |A(x,y)〉 is the state of the qubits representing the element of the matrix A.|x〉|y〉|0〉 → |x〉|y〉|A(x,y)〉
- Calculation of the solution vector x:where the first three qubits contain information about the matrix A and the last qubit contains information about the vector b. The operation A(x,y)|x〉 subtracts from the vector b the product of A and the vector x.|x〉|y〉|A(x,y)〉|b〉 → |x〉|y〉|A(x,y)〉|b〉 − A(x,y)|x〉
- Measurement of the states of the qubits representing the solution vector x:|x〉|y〉|A(x,y)〉|b〉 → |x〉|y〉|A(x,y)〉|b〉 − A(x,y)|x〉
2.3. HHL Algorithm
2.4. Using the HHL Algorithm on the Poisson Equation
- The right-hand-side vector b is represented as a superposition of two states |0〉 and |1〉 proportional to it, i.e., |b〉 = sqrt(p0)|0〉 + sqrt(p1)|1〉;
- An operator is applied that effectively implements the action of the matrix A on the state |1〉, i.e., |1〉 → |A〉|1〉, where |A〉 is some state that encodes the matrix A;
- The quantum Fourier transform (QFT) is performed on the qubits corresponding to the right-hand-side vector and matrix A;
- The qubit corresponding to the right-side vector is measured. In this case, it is the probability of getting 0 or 1;
- Inverse QFT (IQFT) is applied on all qubits to obtain the inverse Fourier transform for the state |y〉;
- The first N qubits are measured on the standard basis and the output results are obtained. Then, using the results of measurements and the IQFT, an estimate of the solution x is obtained;
- To estimate the accuracy of the solution, the vector is calculated, where is the estimate of the solution x;
- The norm is evaluated to obtain an estimate of the error of the solution.
3. Results
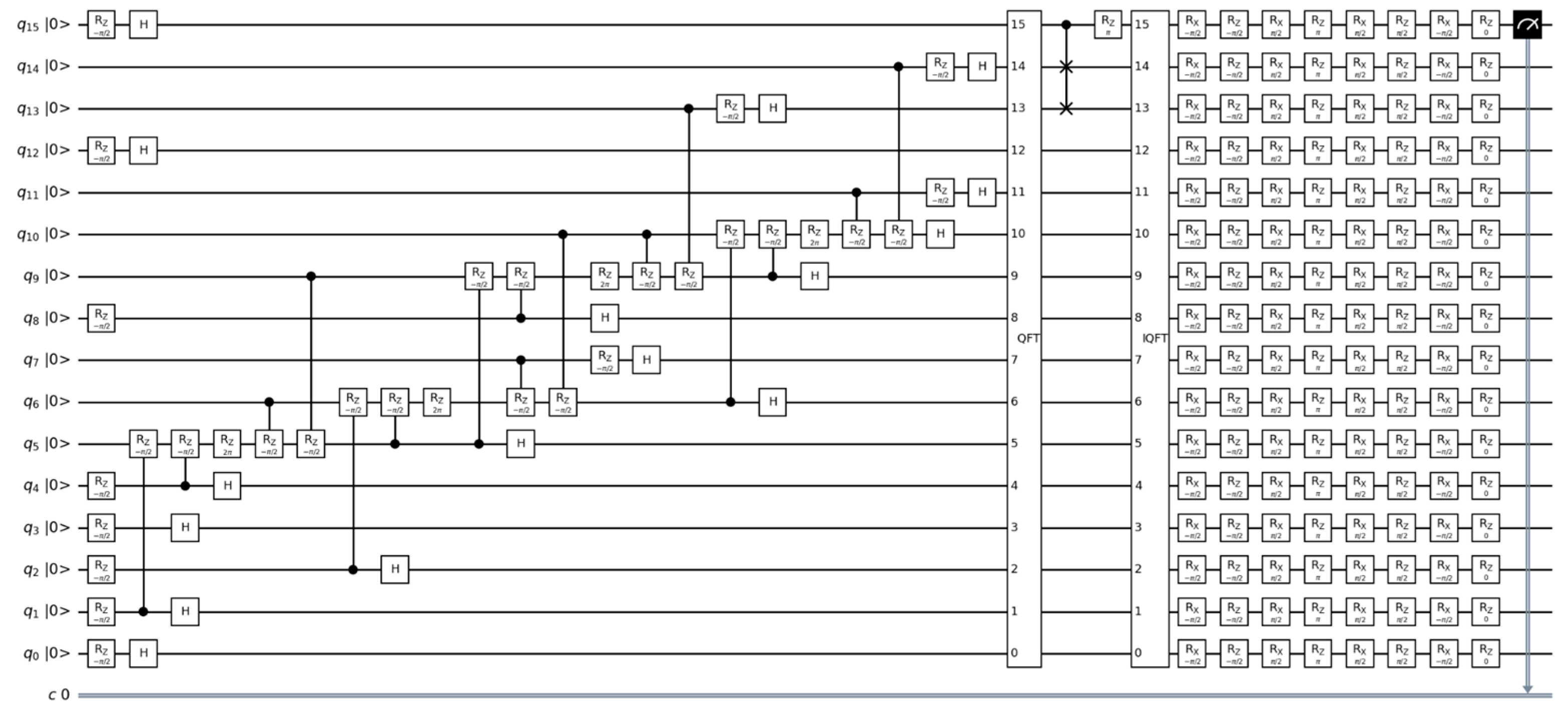
3.1. Quantum Scheme and Probabilities for States
- A quantum circuit is created with N × N qubits and one classical bit.
- The gates associated with matrix A are applied. Each non-zero element of matrix A leads to the application of the corresponding gates. If the element is on the main diagonal (i = j), the rz gate is used. Otherwise, when the element is off the main diagonal (i! = j), the CRZ gate is used.
- The Hadamard h gate is applied to all qubits.
- QFT quantum Fourier transform is applied on all qubits.
- cswap gate is applied between certain qubits.
- gates rz and rx with defined angles are applied on each qubit.
- The last rz valve with an angle of 0 can be omitted because it is equivalent to the identity valve.
- The last qubit is measured, and the result is stored in the classic bit.
3.2. Error Calculations in Different Quantum Simulators and in Different Qubits
- Problem size: The table shows that the HHL algorithm uses only 5 qubits on real quantum computers and 63 qubits on a quantum simulator. If the problem scales with increasing numbers of qubits, real quantum computers may begin to show their advantages.
- Noise and decoherence: Real quantum computers are subject to noise and decoherence, which can slow down the execution of algorithms. Simulators can bypass this limitation because they do not encounter the real physics and noise associated with real quantum systems. If the matrix size is increased, the number of qubits may not be sufficient to run it on real quantum computers. Therefore, the results of work in quantum simulators are obtained faster than on real quantum computers.
4. Discussion
5. Conclusions
Author Contributions
Funding
Institutional Review Board Statement
Informed Consent Statement
Data Availability Statement
Conflicts of Interest
References
- Cao, Y.; Papageorgiou, A.; Petras, I.; Traub, J.; Kais, S. Quantum algorithm and circuit design solving the Poisson equation. New J. Phys. 2013, 15, 013021. [Google Scholar] [CrossRef]
- Dervovic, D.; Herbster, M.; Mountney, P.; Severini, S.; Usher, N.; Wossnig, L. Quantum linear systems algorithms: A primer (Version 1). arXiv 2018, arXiv:1802.0822. [Google Scholar] [CrossRef]
- Morrell, H.J.; Wong, H.Y. Study of using Quantum Computer to Solve Poisson Equation in Gate Insulators. In Proceedings of the International Conference on Simulation of Semiconductor Processes and Devices (SISPAD), Dallas, TX, USA, 27–29 September 2021. [Google Scholar]
- Childs, A.M.; Liu, J.-P.; Ostrander, A. High-precision quantum algorithms for partial differential equations. Quantum 2020, 5, 574. [Google Scholar] [CrossRef]
- Liu, H.-L.; Wu, Y.-S.; Wan, L.-C.; Pan, S.-J.; Qin, S.-J.; Gao, F.; Wen, Q.-Y. Variational quantum algorithm for the Poisson equation. Phys. Rev. A 2021, 104, 022418. [Google Scholar] [CrossRef]
- Costa, P.C.S.; Jordan, S.; Ostrander, A. Quantum algorithm for simulating the wave equation. Phys. Rev. A 2019, 99, 012323. [Google Scholar] [CrossRef]
- Lloyd, S.; De Palma, G.; Gokler, C.; Kiani, B.; Liu, Z.-W.; Marvian, M.; Tennie, F.; Palmer, T. Quantum algorithm for nonlinear differential equations (Version 2). arXiv 2020, arXiv:2011.06571. [Google Scholar] [CrossRef]
- Matsuo, S.; Souma, S. A proposal of quantum computing algorithm to solve Poisson equation for nanoscale devices under Neumann boundary condition. In Solid-State Electronics; Elsevier: Amsterdam, The Netherlands, 2023; Volume 200, p. 108547. [Google Scholar] [CrossRef]
- Pesah, A. Quantum Algorithms for Solving Partial Differential Equations; University College London: London, UK, 2020. [Google Scholar]
- Engel, A.; Smith, G.; Parker, S.E. Quantum algorithm for the Vlasov equation. Phys. Rev. A 2019, 100, 062315. [Google Scholar] [CrossRef]
- Linden, N.; Montanaro, A.; Shao, C. Quantum vs. Classical Algorithms for Solving the Heat Equation. arXiv 2020, arXiv:2004.06516. [Google Scholar] [CrossRef]
- Berry, D.W.; Childs, A.M.; Ostrander, A.; Wang, G. Quantum algorithm for linear differential equations with exponentially improved dependence on precision. Commun. Math. Phys. 2017, 356, 1057–1081. [Google Scholar] [CrossRef]
- Childs, A.M.; Liu, J.-P. Quantum Spectral Methods for Differential Equations. Commun. Math. Phys. 2020, 375, 1427–1457. [Google Scholar] [CrossRef]
- Montanaro, A.; Pallister, S. Quantum algorithms and the finite element method. Phys. Rev. A 2016, 93, 032324. [Google Scholar] [CrossRef]
- Gaitan, F. Finding flows of a Navier–Stokes fluid through quantum computing. Npj Quantum Inf. 2020, 6, 61. [Google Scholar] [CrossRef]
- Mebrate, B.; Koya, P.R. Numerical Solution of a Two Dimensional Poisson Equation with Dirichlet Boundary Conditions. Am. J. Appl. Math. 2015, 3, 297. [Google Scholar] [CrossRef]
- Duan, B.; Yuan, J.; Yu, C.-H.; Huang, J.; Hsieh, C.-Y. A survey on HHL algorithm: From theory to application in quantum machine learning. Phys. Lett. A 2020, 384, 126595. [Google Scholar] [CrossRef]
- Liu, X.; Xie, H.; Liu, Z.; Zhao, C. Survey on the Improvement and Application of HHL Algorithm. J. Phys. Conf. Ser. 2022, 2333, 012023. [Google Scholar] [CrossRef]
- Camps, D.; Van Beeumen, R.; Yang, C. Quantum Fourier transform revisited. Numer. Linear Algebra Appl. 2020, 28, e2331. [Google Scholar] [CrossRef]
- IBM Quantum Lab. Available online: https://lab.quantum-computing.ibm.com/ (accessed on 1 May 2023).
- Shepherd, D. On the Role of Hadamard Gates in Quantum Circuits (Version 2). arXiv 2005, arXiv:quant-ph/0508153. [Google Scholar] [CrossRef]
- de Bruijn, N. Remarks on Hermitian Matrices. Linear Algebra Appl. 1980, 32, 201–208. [Google Scholar] [CrossRef][Green Version]
- Zhang, M.; Dong, L.; Zeng, Y.; Cao, N. Improved circuit implementation of the HHL algorithm and its simulations on QISKIT. Sci. Rep. 2022, 12, 13287. [Google Scholar] [CrossRef] [PubMed]









| Quantum Simulators | Type | Time (s) |
|---|---|---|
| qasm_simulator | General | 51.353 |
| ibmq_qasm_simulator | General, context aware | 24.219 |
| statevector_simulator | Schrödinger wavefunction | 5.745 |
| matrix_product_state | Extended Clifford | 0.6654 |
| Quantum Resources | Number of Qubits | Time (s) |
|---|---|---|
| simulator_extended_stabilizer | 63 | 0.7246 |
| ibmq_quito | 5 | 4.7431 |
| ibmq_belem | 5 | 5.0169 |
Disclaimer/Publisher’s Note: The statements, opinions and data contained in all publications are solely those of the individual author(s) and contributor(s) and not of MDPI and/or the editor(s). MDPI and/or the editor(s) disclaim responsibility for any injury to people or property resulting from any ideas, methods, instructions or products referred to in the content. |
© 2023 by the authors. Licensee MDPI, Basel, Switzerland. This article is an open access article distributed under the terms and conditions of the Creative Commons Attribution (CC BY) license (https://creativecommons.org/licenses/by/4.0/).
Share and Cite
Daribayev, B.; Mukhanbet, A.; Imankulov, T. Implementation of the HHL Algorithm for Solving the Poisson Equation on Quantum Simulators. Appl. Sci. 2023, 13, 11491. https://doi.org/10.3390/app132011491
Daribayev B, Mukhanbet A, Imankulov T. Implementation of the HHL Algorithm for Solving the Poisson Equation on Quantum Simulators. Applied Sciences. 2023; 13(20):11491. https://doi.org/10.3390/app132011491
Chicago/Turabian StyleDaribayev, Beimbet, Aksultan Mukhanbet, and Timur Imankulov. 2023. "Implementation of the HHL Algorithm for Solving the Poisson Equation on Quantum Simulators" Applied Sciences 13, no. 20: 11491. https://doi.org/10.3390/app132011491
APA StyleDaribayev, B., Mukhanbet, A., & Imankulov, T. (2023). Implementation of the HHL Algorithm for Solving the Poisson Equation on Quantum Simulators. Applied Sciences, 13(20), 11491. https://doi.org/10.3390/app132011491

