An Effective Approach to Improve the Thermal Conductivity, Strength, and Stress Relaxation of Carbon Nanotubes/Epoxy Composites Based on Vitrimer Chemistry
Abstract
:1. Introduction
2. Results and Discussion
2.1. Characterizations of MWCNTs@PDA Hybrids
2.2. Dispersion of MWCNTs@PDA Hybrids in the Epoxy Matrix
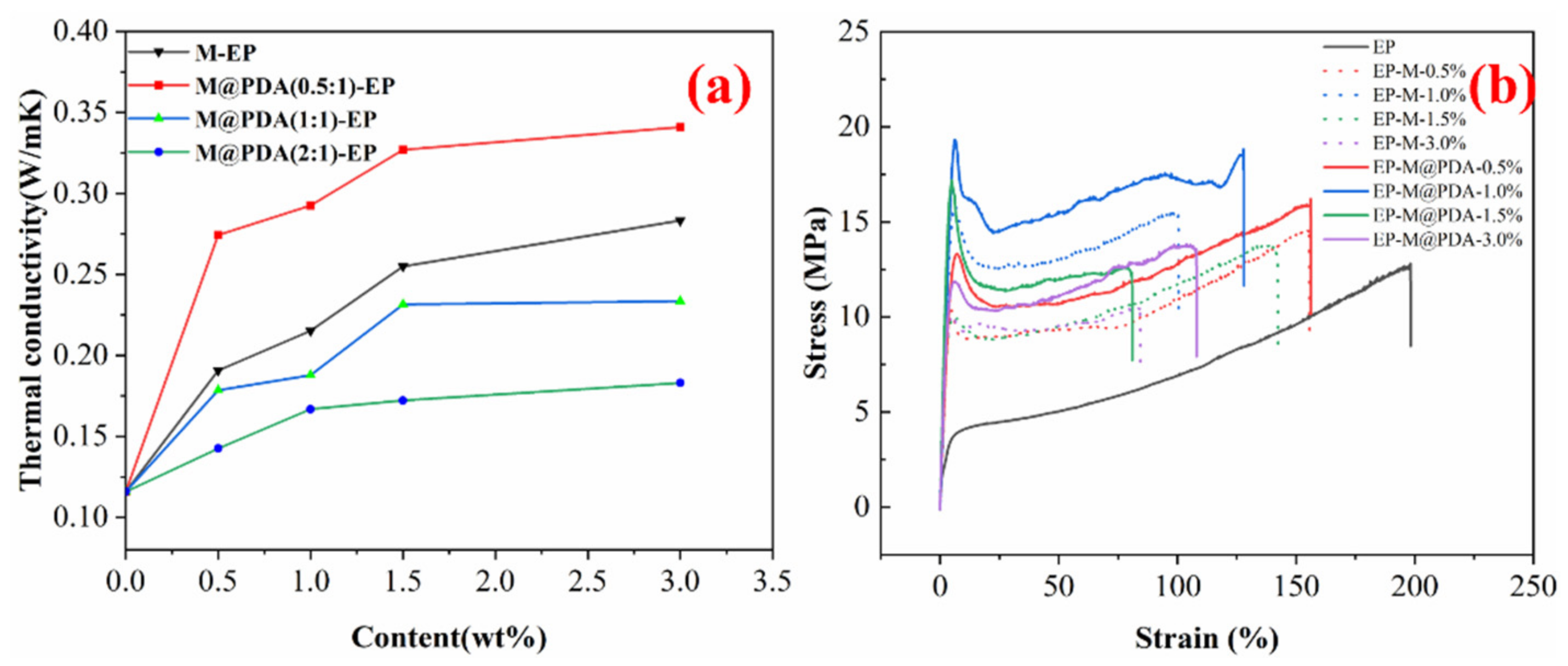
2.3. Thermal Conductivity and Mechanical Properties of MWCNTs @PDA/Vitrimer Composites
2.4. Thermal Stability and Dynamic Mechanical Properties of MWCNTs @PDA/Vitrimer Composites
2.5. Stress Relaxation Behavior of MWCNTs@PDA Epoxy Composites
2.6. Shape Memory and Repairing of MWCNTs@PDA Epoxy Composites
2.7. Recycling of MWCNTs@PDA Epoxy Composites
3. Materials and Methods
3.1. Materials
3.2. Preparation of MWCNTs@PDA
3.3. Preparation of MWCNTs @PDA/Vitrimer Composites
3.4. Characterization
4. Conclusions
Supplementary Materials
Author Contributions
Funding
Conflicts of Interest
References
- Liu, T.; Hao, C.; Zhang, S.; Yang, X.; Wang, L.; Han, J.; Li, Y.; Xin, J.; Zhang, J. A Self-Healable High Glass Transition Temperature Bioepoxy Material Based on Vitrimer Chemistry. Macromolecules 2018, 51, 5577–5585. [Google Scholar] [CrossRef]
- Denissen, W.; Winne, J.M.; Du Prez, F.E. Vitrimers: Permanent organic networks with glass-like fluidity. Chem. Sci. 2016, 7, 30–38. [Google Scholar] [CrossRef] [PubMed] [Green Version]
- Ma, Z.; Wang, Y.; Zhu, J.; Yu, J.; Hu, Z. Bio-based epoxy vitrimers: Reprocessibility, controllable shape memory, and degradability. J. Polym. Sci. Part A Polym. Chem. 2017, 55, 1790–1799. [Google Scholar] [CrossRef]
- Ruiz de Luzuriaga, A.; Martin, R.; Markaide, N.; Rekondo, A.; Cabañero, G.; Rodríguez, J.; Odriozola, I. Epoxy resin with exchangeable disulfide crosslinks to obtain reprocessable, repairable and recyclable fiber-reinforced thermoset composites. Mater. Horiz. 2016, 3, 241–247. [Google Scholar] [CrossRef]
- Chen, Q.; Wei, Y.; Ji, Y. Photo-responsive liquid crystalline vitrimer containing oligoanilines. Chin. Chem. Lett. 2017, 28, 2139–2142. [Google Scholar] [CrossRef]
- Yang, Y.; Xu, Y.; Ji, Y.; Wei, Y. Functional epoxy vitrimers and composites. Prog. Mater. Sci. 2021, 120, 100710. [Google Scholar] [CrossRef]
- Chen, Q.; Yu, X.; Pei, Z.; Yang, Y.; Wei, Y.; Ji, Y. Multi-stimuli responsive and multi-functional oligoaniline-modified vitrimers. Chem. Sci. 2017, 8, 724–733. [Google Scholar] [CrossRef] [Green Version]
- Chen, G.-k.; Wu, K.; Zhang, Q.; Shi, Y.-C.; Lu, M.-G. Dual-Responsive Shape Memory and Thermally Reconfigurable Reduced Graphene Oxide-Vitrimer Composites. Macromol. Res. 2019, 27, 526–533. [Google Scholar] [CrossRef]
- Yang, Y.; Pei, Z.; Zhang, X.; Tao, L.; Wei, Y.; Ji, Y. Carbon nanotube-vitrimer composite for facile and efficient photo-welding of epoxy. Chem. Sci. 2014, 5, 3486–3492. [Google Scholar] [CrossRef]
- Sasidharan, S.; Anand, A. Epoxy-Based Hybrid Structural Composites with Nanofillers: A Review. Ind. Eng. Chem. Res. 2020, 59, 12617–12631. [Google Scholar] [CrossRef]
- Liu, S.; Chevali, V.S.; Xu, Z.; Hui, D.; Wang, H. A review of extending performance of epoxy resins using carbon nanomaterials. Compos. Part B Eng. 2018, 136, 197–214. [Google Scholar] [CrossRef]
- Lefrant, S.; Baibarac, M.; Baltog, I.; Mevellec, J.Y.; Godon, C.; Chauvet, O.J.D.; Materials, R. Functionalization of single-walled carbon nanotubes with conducting polymers evidenced by Raman and FTIR spectroscopy. Diam. Relat. Mater. 2005, 14, 867–872. [Google Scholar] [CrossRef]
- Hayden, H.; Gun’Ko, Y.K.; Perova, T.S. Chemical modification of multi-walled carbon nanotubes using a tetrazine derivative. Chem. Phys. Lett. 2007, 435, 84–89. [Google Scholar] [CrossRef]
- Yang, L.; Phua, S.L.; Teo, J.K.; Toh, C.L.; Lau, S.K.; Ma, J.; Lu, X. A biomimetic approach to enhancing interfacial interactions: Polydopamine-coated clay as reinforcement for epoxy resin. ACS Appl. Mater. Interfaces 2011, 3, 3026–3032. [Google Scholar] [CrossRef]
- Wang, Z.; Cheng, Y.; Yang, M.; Huang, J.; Cao, D.; Chen, S.; Xie, Q.; Lou, W.; Wu, H. Dielectric properties and thermal conductivity of epoxy composites using core/shell structured Si/SiO2/Polydopamine. Compos. Part B Eng. 2018, 140, 83–90. [Google Scholar] [CrossRef]
- Wang, Z.-G.; Yang, Y.-L.; Zheng, Z.-L.; Lan, R.-T.; Dai, K.; Xu, L.; Huang, H.-D.; Tang, J.-H.; Xu, J.-Z.; Li, Z.-M. Achieving excellent thermally conductive and electromagnetic shielding performance by nondestructive functionalization and oriented arrangement of carbon nanotubes in composite films. Compos. Sci. Technol. 2020, 194, 108190. [Google Scholar] [CrossRef]
- Yuan, H.; Wang, Y.; Li, T.; Ma, P.; Zhang, S.; Du, M.; Chen, M.; Dong, W.; Ming, W. Highly thermal conductive and electrically insulating polymer composites based on polydopamine-coated copper nanowire. Compos. Sci. Technol. 2018, 164, 153–159. [Google Scholar] [CrossRef]
- Liu, Y.; Ai, K.; Lu, L. Polydopamine and its derivative materials: Synthesis and promising applications in energy, environmental, and biomedical fields. Chem. Rev. 2014, 114, 5057–5115. [Google Scholar] [CrossRef]
- Guo, L.; Liu, Q.; Li, G.; Shi, J.; Liu, J.; Wang, T.; Jiang, G. A mussel-inspired polydopamine coating as a versatile platform for the in situ synthesis of graphene-based nanocomposites. Nanoscale 2012, 4, 5864–5867. [Google Scholar] [CrossRef]
- Subramanian, A.S.; Tey, J.N.; Zhang, L.; Ng, B.H.; Roy, S.; Wei, J.; Hu, X.M. Synergistic bond strengthening in epoxy adhesives using polydopamine/MWCNT hybrids. Polymer 2016, 82, 285–294. [Google Scholar] [CrossRef]
- Ling, Y.; Li, W.; Wang, B.; Gan, W.; Zhu, C.; Brady, M.A.; Wang, C. Epoxy resin reinforced with nanothin polydopamine-coated carbon nanotubes: A study of the interfacial polymer layer thickness. RSC Adv. 2016, 6, 31037–31045. [Google Scholar] [CrossRef] [Green Version]
- Zhao, F.Y.; Ji, Y.L.; Weng, X.D.; Mi, Y.F.; Ye, C.C.; An, Q.F.; Gao, C.J. High-Flux Positively Charged Nanocomposite Nanofiltration Membranes Filled with Poly(dopamine) Modified Multiwall Carbon Nanotubes. ACS Appl. Mater. Interfaces 2016, 8, 6693–6700. [Google Scholar] [CrossRef] [PubMed]
- Li, C.; Huang, Y.; Chen, J. Dopamine-assisted one-pot synthesis of graphene@Ni@C composites and their enhanced microwave absorption performance. Mater. Lett. 2015, 154, 136–139. [Google Scholar] [CrossRef]
- Burger, N.; Laachachi, A.; Ferriol, M.; Lutz, M.; Toniazzo, V.; Ruch, D. Review of thermal conductivity in composites: Mechanisms, parameters and theory. Prog. Polym. Sci. 2016, 61, 1–28. [Google Scholar] [CrossRef]
- Chen, B.; Li, J.; Li, X.; Liu, T.; Dai, Z.; Zhao, H.; Wang, L. Achieving high thermal and mechanical properties of epoxy nanocomposites via incorporation of dopamine interfaced clay. Polym. Compos. 2018, 39, E2407–E2414. [Google Scholar] [CrossRef]
- Wu, Y.; Chen, M.; Chen, M.; Ran, Z.; Zhu, C.; Liao, H. The reinforcing effect of polydopamine functionalized graphene nanoplatelets on the mechanical properties of epoxy resins at cryogenic temperature. Polym. Test. 2017, 58, 262–269. [Google Scholar] [CrossRef]
- Yang, X.; Guo, Y.; Luo, X.; Zheng, N.; Ma, T.; Tan, J.; Li, C.; Zhang, Q.; Gu, J. Self-healing, recoverable epoxy elastomers and their composites with desirable thermal conductivities by incorporating BN fillers via in-situ polymerization. Compos. Sci. Technol. 2018, 164, 59–64. [Google Scholar] [CrossRef]
- Demongeot, A.; Mougnier, S.J.; Okada, S.; Soulié-Ziakovic, C.; Tournilhac, F. Coordination and catalysis of Zn2+ in epoxy-based vitrimers. Polym. Chem. 2016, 7, 4486–4493. [Google Scholar] [CrossRef]
- Qiu, M.; Wu, S.; Tang, Z.; Guo, B. Exchangeable interfacial crosslinks towards mechanically robust elastomer/carbon nanotubes vitrimers. Compos. Sci. Technol. 2018, 165, 24–30. [Google Scholar] [CrossRef]
- Li, C.H.; Zuo, J.L. Self-Healing Polymers Based on Coordination Bonds. Adv. Mater. 2020, 32, e1903762. [Google Scholar] [CrossRef]
- Wang, S.; Ma, S.; Li, Q.; Xu, X.; Wang, B.; Huang, K.; Liu, Y.; Zhu, J. Facile Preparation of Polyimine Vitrimers with Enhanced Creep Resistance and Thermal and Mechanical Properties via Metal Coordination. Macromolecules 2020, 53, 2919–2931. [Google Scholar] [CrossRef]















| Sample | Tensile Modulus (MPa) | Tensile Strength (MPa) | Storage Modulus at Glass State (MPa) | TgDMA (°C) | T5% (°C) |
|---|---|---|---|---|---|
| EP | 100.65 ± 6.40 | 13.43 ± 0.56 | 1679.99 | 38.05 | 308.5 |
| EP-M-0.5% | 297.15 ± 6.05 | 13.33 ± 3.48 | - | ||
| EP-M-1.0% | 384.45 ± 15.00 | 16.74 ± 1.18 | - | ||
| EP-M-1.5% | 313.63 ± 7.59 | 15.08 ± 1.56 | - | ||
| EP-M-3.0% | 349.11 ± 12.58 | 10.15 ± 0.72 | - | ||
| EP-M@PDA-0.5% | 296.92 ± 3.41 | 16.33 ± 0.93 | 1737.49 | 36.72 | 315.3 |
| EP-M@PDA-1.0% | 472.07 ± 9.67 | 20.13 ± 1.64 | 1834.11 | 38.62 | 316.5 |
| EP-M@PDA-1.5% | 496.35 ± 15.03 | 18.43 ± 1.07 | 2041.72 | 43.13 | 317.6 |
| EP-M@PDA-3.0% | 412.53 ± 18.19 | 14.76 ± 2.07 | 2147.12 | 39.02 | 320.4 |
Publisher’s Note: MDPI stays neutral with regard to jurisdictional claims in published maps and institutional affiliations. |
© 2022 by the authors. Licensee MDPI, Basel, Switzerland. This article is an open access article distributed under the terms and conditions of the Creative Commons Attribution (CC BY) license (https://creativecommons.org/licenses/by/4.0/).
Share and Cite
Feng, Y.; Nie, Z.; Deng, P.; Luo, L.; Hu, X.; Su, J.; Li, H.; Fan, X.; Qi, S. An Effective Approach to Improve the Thermal Conductivity, Strength, and Stress Relaxation of Carbon Nanotubes/Epoxy Composites Based on Vitrimer Chemistry. Int. J. Mol. Sci. 2022, 23, 8833. https://doi.org/10.3390/ijms23168833
Feng Y, Nie Z, Deng P, Luo L, Hu X, Su J, Li H, Fan X, Qi S. An Effective Approach to Improve the Thermal Conductivity, Strength, and Stress Relaxation of Carbon Nanotubes/Epoxy Composites Based on Vitrimer Chemistry. International Journal of Molecular Sciences. 2022; 23(16):8833. https://doi.org/10.3390/ijms23168833
Chicago/Turabian StyleFeng, Yang, Zhuguang Nie, Panhong Deng, Liping Luo, Xingman Hu, Jie Su, Haiming Li, Xiaodong Fan, and Shuhua Qi. 2022. "An Effective Approach to Improve the Thermal Conductivity, Strength, and Stress Relaxation of Carbon Nanotubes/Epoxy Composites Based on Vitrimer Chemistry" International Journal of Molecular Sciences 23, no. 16: 8833. https://doi.org/10.3390/ijms23168833
APA StyleFeng, Y., Nie, Z., Deng, P., Luo, L., Hu, X., Su, J., Li, H., Fan, X., & Qi, S. (2022). An Effective Approach to Improve the Thermal Conductivity, Strength, and Stress Relaxation of Carbon Nanotubes/Epoxy Composites Based on Vitrimer Chemistry. International Journal of Molecular Sciences, 23(16), 8833. https://doi.org/10.3390/ijms23168833
