Abstract
Power-efficient digital controllers are proposed for wireless retinal prosthetic systems. Power management plays an important role in reducing the power consumption and avoiding malfunctions in implantable medical devices. In the case of implantable devices with only one-way communication, the received power level is uncertain because there is no feedback on the power status. Accordingly, system breakdown due to inefficient power management should be avoided to prevent harm to patients. In this study, digital power controllers were developed for achieving two-way communication. Three controllers—a forward and back telemetry control unit, a power control unit, and a preamble control unit—operated simultaneously to control the class-E amplifier input power, provided command data to stimulators, monitored the power levels of the implanted devices, and generated back telemetry data. For performance verification, we implemented a digital power control system using a field-programmable gate array and then demonstrated it by employing a wireless telemetry system.
1. Introduction
Over the past few decades, functional electrical stimulation has restored function in neurologically impaired individuals [1]. Blindness due to retinitis pigmentosa or age-related macular degeneration causes degeneration of rods and cones in the retina. In 1755, Charles Le Roy introduced a stimulation technique based on electrically induced visual perception. It has been reported that blind patients can perceive phosphene when an electric current is applied across the ocular surface [2]. In 1980, advances in materials and microfabrication allowed scientists and engineers to conduct research on retinal prosthetics. In the early stages of implantable medical devices (IMDs), a wire passing through the skin was employed to directly provide power to the implants without power transfer loss. However, the transcutaneous connection can lead to infections in the skin and soft tissue, making the wire impractical [3]. To overcome this shortcoming, alternative power transfer methods have been introduced, such as ultrasound, near-field capacitive, inductive, and mid-field resonant couplings. As reported in [4], for a wireless system with a power budget of >100 mW, the near-field inductive coupling method is the best candidate for high-power and long-range power transmission.
For wireless IMDs, the power transfer efficiency (PTE) is of prime concern because power loss during wireless transmission can lead to electromagnetic radiation exposure and secondary heating effects [5]. The PTE is largely determined by the coupling coefficient of the inductive link but is also affected by the battery, power amplifier switching circuit, tissue status, and power conditioning, e.g., the alternating current (AC)–direct current (DC) and DC–AC converters [6]. However, the secondary coil geometry of the inductive-coupled coils is limited by the shape of the eyeball, which has a diameter of approximately 2.5 cm. This small coil dimension reduces the quality factor of the coil, which is proportional to the coupling coefficient; thereby reducing the total PTE. To compensate for the poor PTE, various coil optimization techniques for near-field inductive-coupling power transmission have been proposed [5,7,8,9,10,11]. However, the PTE is still reduced by coil misalignment inside the eyeball, which often occurs after implantation or during eye rolling [12,13]. This causes a power disruption; thus, the implanted system can break down because of an insufficient power supply. Therefore, power control units (PCUs) are indispensable in IMDs—particularly retinal implants that consume high power—to monitor prosthetic device operation and efficiently manage the power distribution. For example, the PCU can observe the rectified voltage in the IMD to determine whether it exceeds the safe voltage level of the receiver. When the IMD receiver enters a worse power condition, the PCU turns off several functional blocks, saving power and preventing malfunctions of the IMD. Subsequently, the PCU in the receiver (Rx) provides the error data to the transmitter (Tx). Consequently, the Tx can adjust the wireless power transmission supply in real time. The two-way communication between the Tx and Rx allows sufficient power delivery to the implanted devices.
Motivated by this, we propose a methodology for maintaining the power of implanted devices at a safe level. To realize this function for retinal prostheses, three main controllers were proposed, designed, and demonstrated. The first controller implemented in the transmitter, i.e., the forward and back telemetry control unit (FBCU), processes the error data received from the implanted device and manages the input power of the class-E amplifier. During normal operation, the command data are generated by this controller. The second and third controllers, i.e., the PCU and preamble control unit (PRCU), deliver the command data used to decide the stimuli current waveforms to the stimulators, track the power level, and send error data back to the transmitter when the power supply is insufficient.
This paper extends our previous work in [14,15]. The system platform proposed in the previous work is a one-way communication system. In this system, the power and data are wirelessly transferred via an inductive link. When the system operates, the rectified voltage in the receiver is observed through an oscilloscope so that the regulator receives sufficient voltage from the rectifier. When the rectified voltage drops because of the variation in output load, the power level in the transmitter is increased by manually adjusting the supply voltage. The problem will occur when the receiver is implanted. In this condition, the power level in the receiver becomes unknown. With the proposed digital power controllers, the mentioned issues are resolved, whereby the power level in the receiver is continuously observed and the transmitter responds to the power level condition of the receiver. This ensures that the operation of the system platform is more reliable.
The remainder of this paper is organized as follows. Section 2 presents an overview of the wireless retinal prosthetic system, along with a system flow diagram. The system implementation is discussed in this section. Section 3 presents the simulation and measurement results. Finally, the conclusions are presented in Section 4.
2. Method
2.1. Overview of the Wireless Power Telemetry System
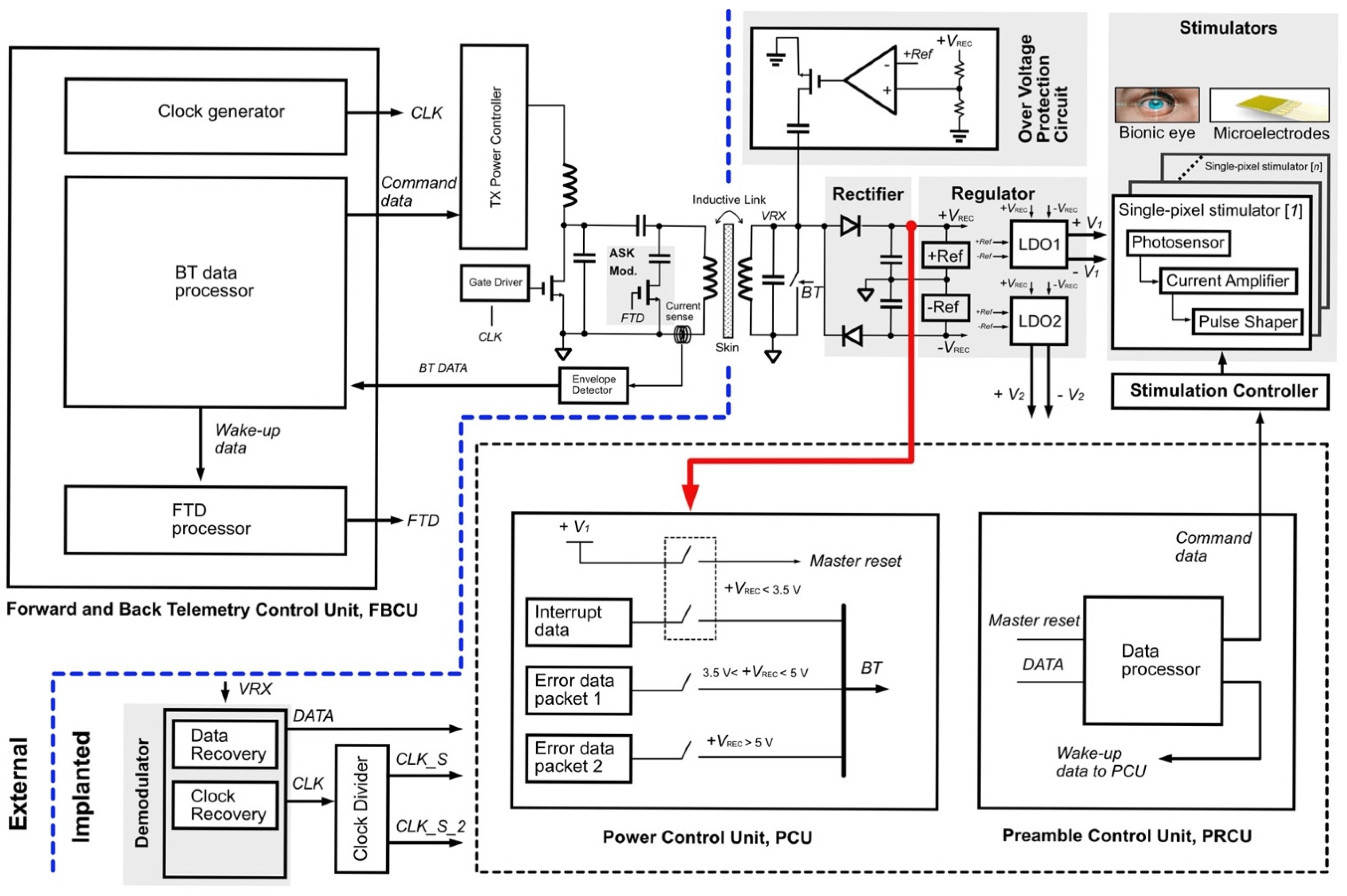
Figure 1 shows the architecture of the wireless power telemetry system. The external devices consist of a class-E power amplifier, an amplitude-shift keying (ASK) modulator, a current-sensing circuit, the FBCU, and a Tx power controller. The implanted side comprises a rectifier, regulators, a demodulator, an overvoltage protection circuit, the PCU, the PRCU, and stimulators.
Figure 1.
Wireless power retinal prosthesis system.
A class-E power amplifier wirelessly transmits power to the implanted devices when both the primary and secondary coils are magnetically coupled. Consequently, the magnetic flux generated by the primary coil induces an AC voltage in the receiver coil, resulting in unregulated voltages at the rectifier circuit output. Low-dropout regulators (LDOs) generate constant dual-polarity DC voltages. The red arrow in Figure 1 indicates a connection from the positive VREC node to the PCU. The PCU senses the level of the rectifier output voltage VREC during the power-up and continuously sends back error data packets to the transmitter with unique bitstreams depending on the rectifier’s voltage level. The FBCU in the transmitter processes the error data; accordingly, the transmitter’s power level is adjusted, the data packet composes the header, and the command data are transmitted to the receiver, noted as FTD. The PRCU processes the data packet and generates input data for the stimulation controller, as well as a wake-up signal for the PCU. This process continues until the rectified voltage falls below its minimum voltage level; in this state, the transmitter enters the waiting mode while the implanted PCU senses the rectified voltage and sends an error data packet to the transmitter. Regular operation is resumed after the rectified voltage reaches the safe voltage level. The FBCU, PCU, and PRCU are described in Section 2.3.
2.2. Flow Diagram
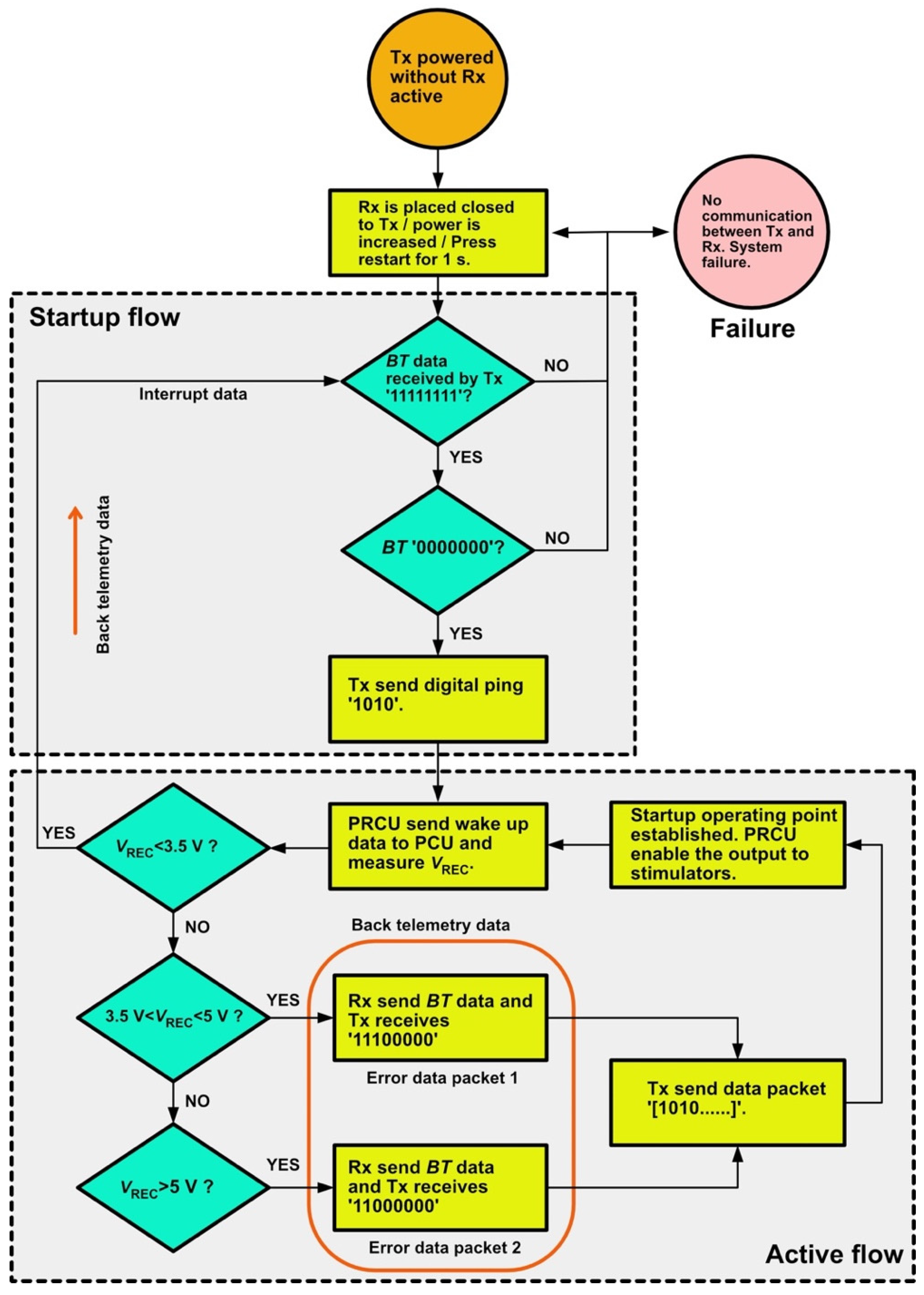
The detailed operation of the proposed system is shown in the flow diagram of Figure 2. This diagram illustrates the flow of the system operation from start-up to active function. During the start-up operation, the receiver coil must be placed close to the transmitter coil. Therefore, a bitstream of long “1” data is expected in the initial state, followed by long “0” data when the receiver is present. The transmitter initiates the handshake by transmitting a digital ping. The PRCU processes the ping data and generates wake-up data for the PCU.
Figure 2.
Power telemetry start-up and active flow diagram.
There are three conditions of the system: (1) worst-case, (2) typical, and (3) best-case. The worst-case condition occurs when the rectified voltage VREC is <3.5 V. The typical condition occurs when VREC is between 3.5 and 5 V, and the best-case condition corresponds to VREC > 5 V. The closed loop of the active operation is considered in the typical and best-case conditions only. The PCU senses the rectified voltage level during active operation and generates erroneous data packets. The data are modulated in the Rx signal using a load-shift keying modulation technique, which varies the reflected load observed by the Tx. Consequently, the current in the Tx coil changes, and the current-sensing circuit in the Tx demodulates the error data packets according to the current changes. A command data packet is then transmitted to the receiver for further processing in the stimulation controller.
All the functional blocks in the implanted system are in the sleep mode, except for the PCU, which generates interrupt data and sends them to the transmitter for the worst-case scenario. Finally, the system returns to its initial state, wherein it is necessary to adjust the TX coil position or increase the power level of the class-E amplifier. System malfunction occurs when there is no communication between the transmitter and receiver.
Numerous factors may lead to system failure. In the transmitter, an unoptimized class-E amplifier that operates under a nonzero voltage switching condition may fail to deliver sufficient power to the receiver due to significant power loss in the switching transistor occurring; consequently, the rectified voltage in the receiver is low (below 3 V) and cannot drive the regulator output of 2.5 V. Under this condition, the receiver remains in the off state and fails to generate any signals. The selection of the components of the transmitter and receiver is crucial; the voltage across each component during operation should be below the maximum voltage rating to avoid device failure. In our case, the maximum voltage rating of each component is 50 V. In addition, it is critical for wireless transmission to operate at the resonance frequency, 13.56 MHz, to maximize the PTE so that the transmitter can deliver sufficient power to the receiver.
2.3. System Implementation
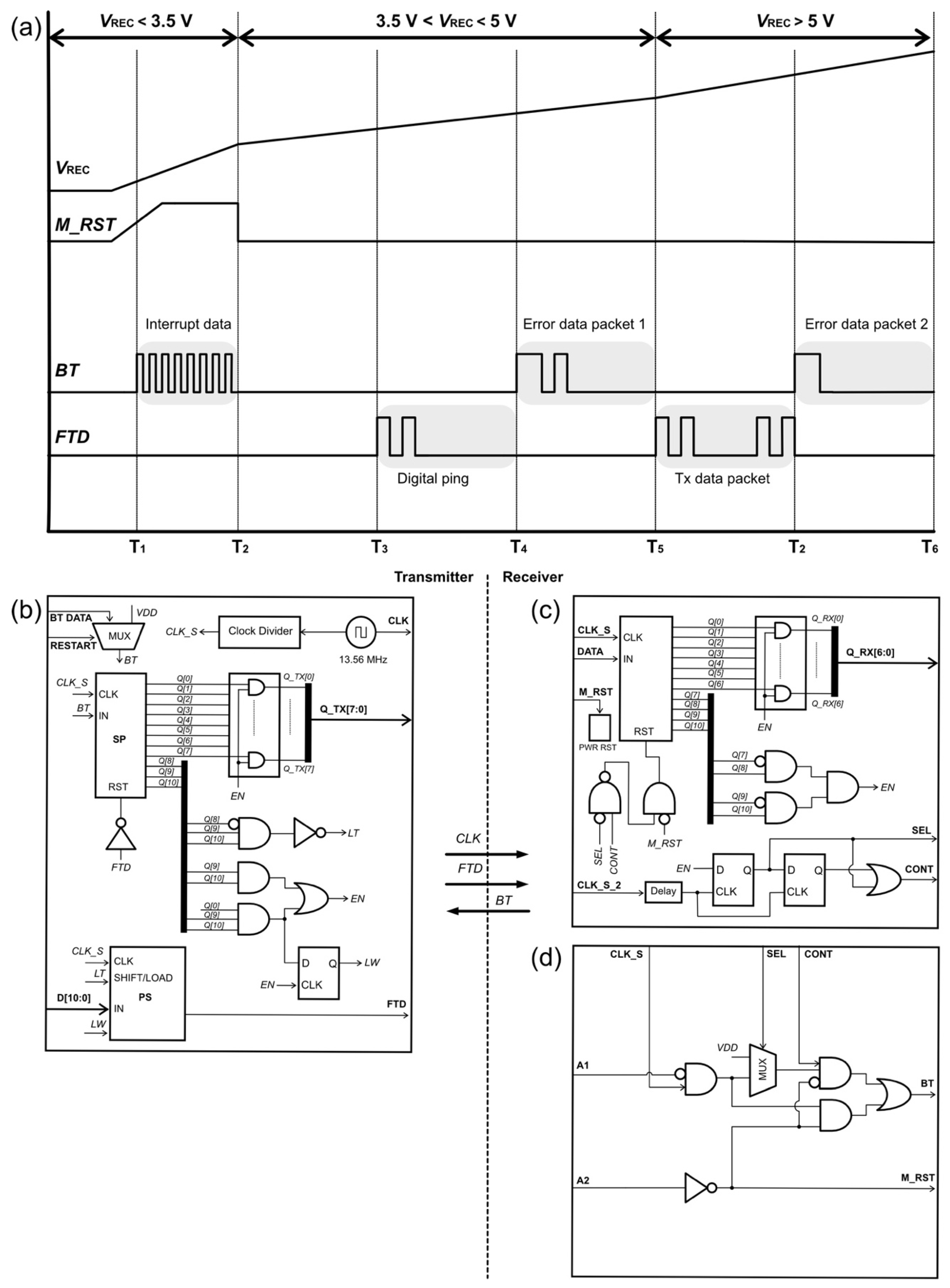
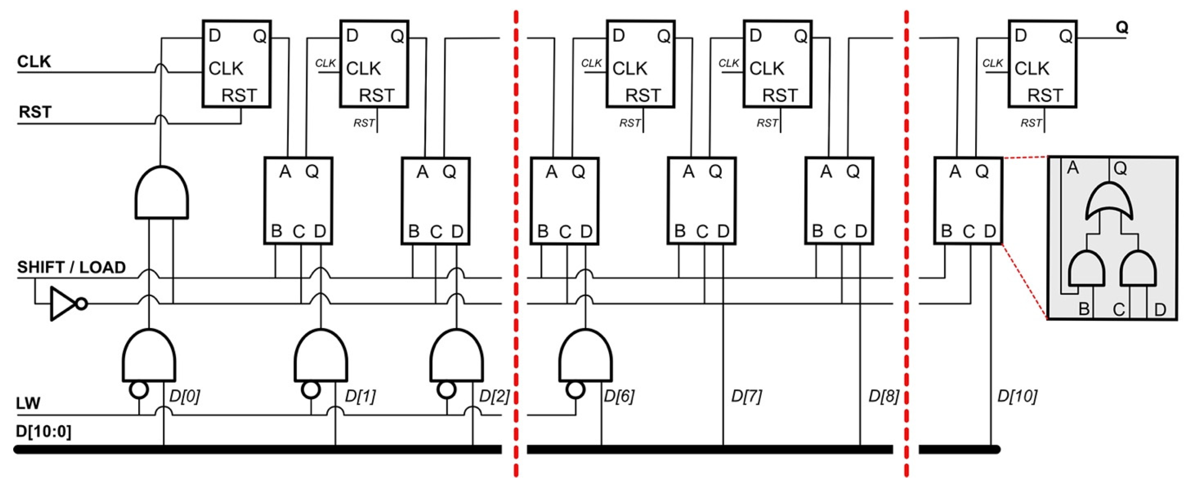
Figure 3a shows the timing diagram of VREC, M_RST, BT, and FTD, and Figure 3b–d show the digital controllers PCU, PRCU, and FBCU, respectively, proposed in this work. As discussed in the previous section, the operation of the implanted system relies on a sufficient wireless power transfer efficiency, which is commonly affected by misalignment of the coils between the transmitter and receiver. It is essential to manage the power distribution in the entire block while continuously maintaining its safety level. The PCU shown in Figure 3c plays an important role in tracking the rectified voltage level. As shown in Figure 3a, the master reset signal M_RST is triggered when VREC is <3.5 V. Consequently, interrupt data are generated at BT. The interrupt data composed of the CLK_S signal fill the registers in the SP block of the FBCU, as shown in Figure 3a. Because the clock signal of the SP is CLK_S, the Q [0:10] registers hold data 1. When VREC reaches 3.5 V, M_RST becomes low, and simultaneously, the BT signal becomes low because CONT is “0”. LT becomes “0” when registers Q [8], Q [9], and Q [10] are “0”, “1”, and “1”, respectively. The parallel-to-serial converter circuit is shown in Figure 4. The data D [10:0] are loaded in PS when LT is “0”. LW holds the initial value of “1”, which sets the information data in PS to “0”. When LT becomes “1”, the digital ping with a code of [1010000000] is transmitted to the receiver and processed by the SP block in the PRCU.
Figure 3.
(a) Timing diagram of the digital controllers; (b) FBCU, (c) PRCU, and (d) PCU.
Figure 4.
Parallel-to-serial converter of the transmitter.
During this phase, the transmitted data, which are denoted as FTD, are fed to the reset pin of the SP block in the FBCU to clear all registers with “0” bits. Clearing the registers is important, because the FTD is demodulated in the transmitter and becomes the SP input. In the receiver, the EN signal increases when Q [10:7] is [1010]. When EN = 1, the output data of Q_TX [6:0] can be fetched, and wake-up data SEL and CONT are sent to the PCU. Error data packet #1 is generated when VREC is between 3.5 and 5 V. The process continues, and the BT data are sent back to the transmitter. In this phase, when the input signal of the D-flip flop is low, LW becomes “0” because the D-flip flop clock in the FBCU is triggered to “1”. Consequently, a data packet containing the header and information is transmitted to the receiver. When VREC is >5 V, the bit “0” enters the MUX in the PCU, because A1 = 1. Under this condition, error data packet #2 is [1110000000], as indicated by the timing diagram.
The RESTART pin on the SP block, which is shown in Figure 3a, is used to force the system to execute the start-up operation. Switching it to logic “1” causes the internal registers of SP to be logic “1”. When RESTART is switched back to logic “0”, a digital ping is generated and transmitted to the receiver. Table 1 presents the pin functions of the proposed digital controllers.
Table 1.
Pin functions of the proposed digital controllers.
3. Results
The proposed digital controllers shown in Figure 3 were designed and simulated using the ModelSim tool. CLK_S and CLK_S_2 were set as 2 and 1 MHz, respectively, with a duty cycle of 50%, and D_TX was set as [10100001011]. The duration of the Tx data packet (D_TX) was 5.5 µs. The simulation started with A1 = 0 and A2 = 0 (start-up mode), representing VREC < 3.5 V. As shown in Figure 5a, M_RST became “1”, and the receiver sent interrupted data to the transmitter. Digital ping data were sent to the receiver when M_RST and RESTART became “0”. For A1 = 0 and A2 = 0, the output of Q_TX was [11111111]. For A1 = 0 and A2 = 1 (active mode), the BT sent error data packet #1 to the transmitter, and Q_TX produced [10000000], as shown in Figure 5b. Q_TX output [00000000] when the FTD sent data to the receiver, and Q_RX produced [0001011] from the FTD, as shown in Figure 5c. In the following clock cycle, both A1 and A2 were set as “1” (active mode). Thus, BT generated error data packet #2 and Q_TX output [00000000]. The simulation results confirmed that the operation of the proposed digital controller matched the flow diagram shown in Figure 2.
Figure 5.
(a) Simulation results for the proposed PCU; (b) magnified signal of Q_TX; (c) zoomed signal of Q_RX; (d) zoomed signal of error data packet #1.
Figure 6 shows the experimental setup for the proposed system, which was composed of a class-E amplifier in the transmitter to wirelessly transmit power through an inductive link. The Tx coil was fixed on a printed circuit board, whereas the Rx coil was attached to an eyeball model with a rotating platform for an angular misalignment test. The received signal, i.e., VRX, was rectified and then regulated by a low-dropout voltage regulator (LT 3032, Analog Devices, Wilmington, MA, USA) to supply 2.5 V. The reference voltages REF1 and REF2, which were 1.5 and 1.1 V, respectively, were fed into comparators (TS391SN2T1G, Onsemi, East Greenwich, RI, USA). The rail voltage of the comparators was 2.5 V (supplied by LT3032). With the attenuated voltages of 1.5 and 1.1 V, when the VREC voltages were 5 and 3.5 V, respectively, the input offset voltages in the comparators caused a nonzero input voltage difference, which drove the outputs of A1 and A2 to 2.5 V (bit “1”) or 0 V (bit “0”). In the case of zero input voltage difference in the comparator, the output was centered at 1.25 V, corresponding to bit “1”. Furthermore, a field-programmable gate array (FPGA, Basys 3) processed A1 and A2. The programmed FBCU, PCU, and PRCU in the FPGA generated the output signals displayed by the oscilloscope. The PCU generated BT and M_RST signals, the PRCU generated Q_RX [3:0] signals, and the FBCU generated Q_TX [7:0] signals.
Figure 6.
Experimental setup for the proposed digital controllers.
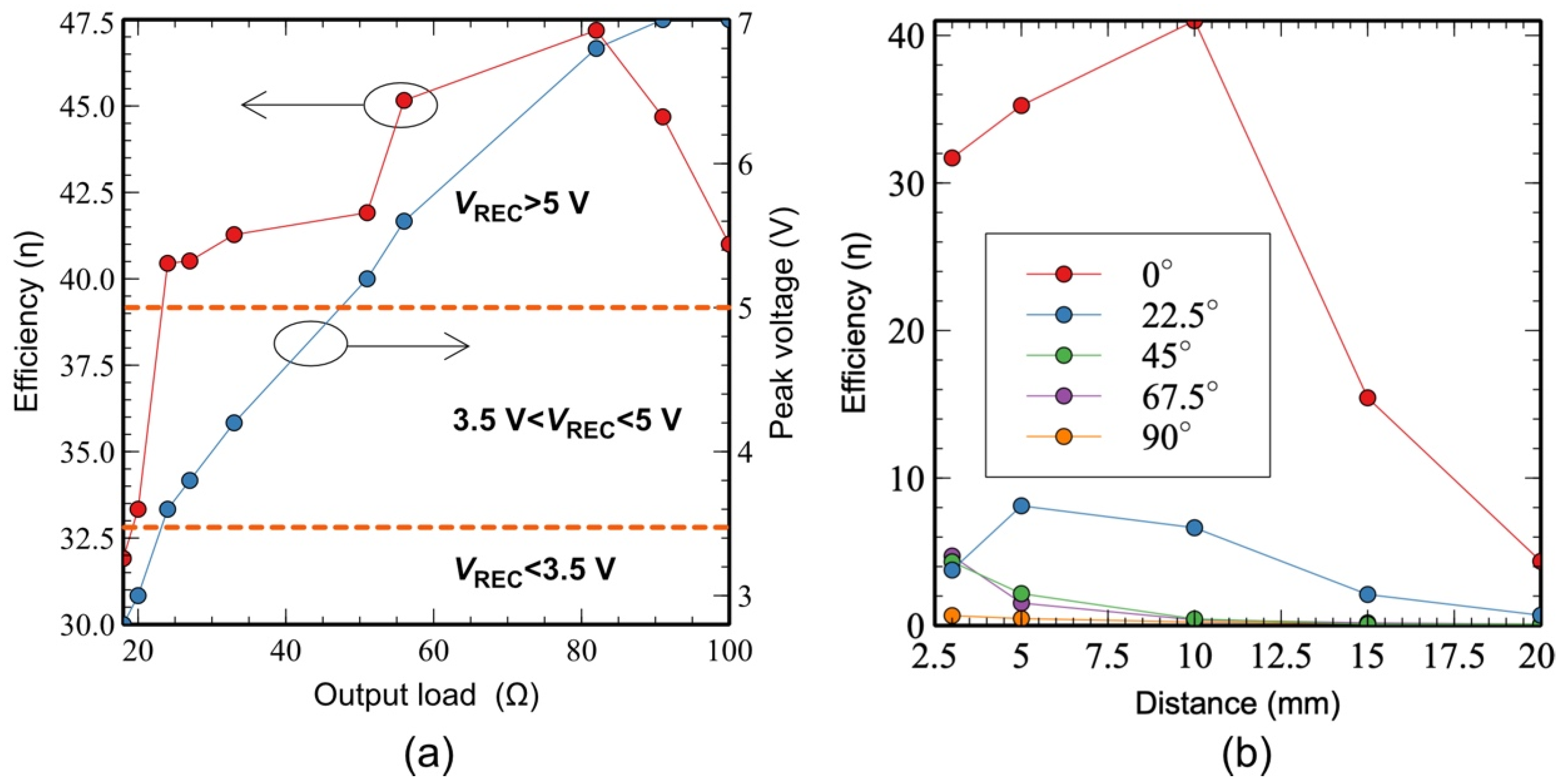
The relationship between the power transfer efficiency and the output load variation was examined, as shown in Figure 7a. The maximum efficiency in this setup was 47% for RL = 82 Ω. The peak voltage of the RX signal is shown in the same figure. The minimum peak voltage of the VREC required in our system was 3.5 V, which was achieved at RL = 23 Ω. In this case, a 152 mA current flowed to the load, which was sufficient for our application. Additionally, the effect of the angular misalignment on the power transfer efficiency was evaluated, as shown in Figure 7b. The angle of the RX coil shown in Figure 6 was changed from 0° to 90°, while the distance d was changed from 0 to 20 mm. The maximum power efficiency of 40% occurred for d = 10 mm, with the TX and RX coils aligned. Significant power loss was observed when the RX coil moved to the 22.5° position, with a reduction of >30% in the power efficiency. To maintain a VREC of >3.5 V that produces A1 = 0 and A2 = 1, the minimum power efficiency of the system should be 33%. This occurs when the Tx coil is perfectly aligned with the Rx coil.
Figure 7.
Measurement results for (a) the power efficiency and peak voltage with respect to the output load and (b) the power efficiency with respect to the distance d.
A Basys 3 FPGA board was programmed to verify the functionalities of the proposed digital controllers (FBCU, PCU, and PRCU) when A1 and A2 were input to the PCU. The utilization reports of FPGA were tabulated in tables in Appendix A. The transmitter and receiver controllers were implemented in a single FPGA (Basys 3). The measurement results are shown in Figure 8. For all the conditions, the transmitted data, i.e., D_TX [10:0], were set as [10100001111]. In the worst-case condition, as shown in Figure 8a, Q_TX [7:4] and Q_RX [3:0] became [1111] and [0], respectively, as FTD remained at “0”. In the typical case of A1 = 0 and A2 = 1, as shown in Figure 8b, Q_TX [7:4] changed to [1000], and the RX data of [1111] were captured for Q_RX [3:0]. The same Rx data were obtained for the best-case condition, as shown in Figure 8c, while Q_TX [7:4] became [0], indicating that the power level of the implanted system was stable. These experimental results agree with the simulation data shown in Figure 5.
Figure 8.
Measurement results for the proposed system: (a) A1 = 0 and A2 = 0 (VREC < 3.5 V); (b) A1 = 0 and A2 = 1 (3.5 V < VREC < 5 V); (c) A1 = 1 and A2 = 1 (VREC > 5 V).
4. Conclusions
This paper presented two-way communication digital power controllers for wireless retinal prostheses. For implanted retinal devices, coil misalignment after implantation or arising from eye rolling often results in a low power transfer efficiency, causing system breakdown. Thus, power management for retinal prosthetic systems is necessary to ensure their functionality inside the eyeball. The most effective method is to generate a precaution flag before the system becomes faulty by observing the rectified voltage condition. In this work, we proposed three digital power controllers, i.e., an FBCU, a PCU, and a PRCU, to continuously monitor the voltage-level condition, produce a bitstream in the receiver that is sent to the transmitter, and adjust the power delivery of a class-E amplifier in the transmitter. This two-way communication between the transmitter and receiver ensures that sufficient power is transferred to implanted devices.
As shown in Figure 9, a hybrid architecture of the receiver system that includes discrete components and the fabricated chip was proposed, which will be investigated in future research. The PCU and PRCU were fabricated along with a clock extractor and data synchronizer. The attenuator, envelope detection circuit, and voltage rectifier were wirelessly powered through an inductive link. For back telemetry communication, a capacitive load modulation circuit will be added in the near future. Connecting a capacitor in parallel with the coil modulates the impedance observed by the coil, which is then reflected to the primary side. The change in the current in the transmitter coil due to the reflected impedance can be interpreted by the transmitter controller.
Figure 9.
System integration in the receiver.
Author Contributions
Conceptualization, R.B.A.Z. and J.K.; methodology, R.B.A.Z. and J.K.; formal analysis, R.B.A.Z. and J.K.; writing—original draft preparation, R.B.A.Z. and J.K.; writing—review and editing, R.B.A.Z. and J.K.; supervision, J.K.; funding acquisition, J.K. All authors have read and agreed to the published version of the manuscript.
Funding
This work was supported by a National Research Foundation of Korea grant (NRF-2017M3A9E2056461 and 2022R1A2C1012037) and the Korean government (Ministry of Science and ICT, Ministry of Trade, Industry and Energy, Ministry of Health & Welfare, Ministry of Food and Drug Safety) (Project Number: 202017D01).
Institutional Review Board Statement
Not applicable.
Informed Consent Statement
Not applicable.
Data Availability Statement
The data presented in this study are included in this article.
Acknowledgments
The authors express their sincere appreciation to the IC Design Education Center for chip fabrication.
Conflicts of Interest
The authors declare no conflict of interest.
Appendix A
Table A1.
Clocking.
Table A1.
Clocking.
| bufgctrl_available = 32 | bufgctrl_fixed = 0 | bufgctrl_used = 1 | bufgctrl_util_percentage = 3.13 |
| bufhce_available = 72 | bufhce_fixed = 0 | bufhce_used = 0 | bufhce_util_percentage = 0.00 |
| bufio_available = 20 | bufio_fixed = 0 | bufio_used = 0 | bufio_util_percentage = 0.00 |
| bufmrce_available = 10 | bufmrce_fixed = 0 | bufmrce_used = 0 | bufmrce_util_percentage = 0.00 |
| bufr_available = 20 | bufr_fixed = 0 | bufr_used = 0 | bufr_util_percentage = 0.00 |
| mmcme2_adv_available = 5 | mmcme2_adv_fixed = 0 | mmcme2_adv_used = 0 | mmcme2_adv_util_percentage = 0.00 |
| plle2_adv_available = 5 | plle2_adv_fixed = 0 | plle2_adv_used = 0 | plle2_adv_util_percentage = 0.00 |
Table A2.
IO standard.
Table A2.
IO standard.
| blvds_25 = 0 | diff_hstl_i = 0 | diff_hstl_i_18 = 0 | diff_hstl_ii = 0 |
| diff_hstl_ii_18 = 0 | diff_hsul_12 = 0 | diff_mobile_ddr = 0 | diff_sstl135 = 0 |
| diff_sstl135_r = 0 | diff_sstl15 = 0 | diff_sstl15_r = 0 | diff_sstl18_i = 0 |
| diff_sstl18_ii = 0 | hstl_i = 0 | hstl_i_18 = 0 | hstl_ii = 0 |
| hstl_ii_18 = 0 | hsul_12 = 0 | lvcmos12 = 0 | lvcmos15 = 0 |
| lvcmos18 = 0 | lvcmos25 = 0 | lvcmos33 = 1 | lvds_25 = 0 |
| lvttl = 0 | mini_lvds_25 = 0 | mobile_ddr = 0 | pci33_3 = 0 |
| ppds_25 = 0 | rsds_25 = 0 | sstl135 = 0 | sstl135_r = 0 |
| sstl15 = 0 | sstl15_r = 0 | sstl18_i = 0 | sstl18_ii = 0 |
Table A3.
Memory.
Table A3.
Memory.
| block_ram_tile_available = 50 | block_ram_tile_fixed = 0 | block_ram_tile_used = 0 | block_ram_tile_util_percentage = 0.00 |
| ramb18_available = 100 | ramb18_fixed = 0 | ramb18_used = 0 | ramb18_util_percentage = 0.00 |
| ramb36_fifo_available = 50 | ramb36_fifo_fixed = 0 | ramb36_fifo_used = 0 | ramb36_fifo_util_percentage = 0.00 |
Table A4.
Primitives.
Table A4.
Primitives.
| bufg_functional_category = Clock | bufg_used = 1 | fdre_functional_category = Flop & Latch | fdre_used = 38 |
| fdse_functional_category = Flop & Latch | fdse_used = 1 | ibuf_functional_category = IO | ibuf_used = 16 |
| lut1_functional_category = LUT | lut1_used = 3 | lut2_functional_category = LUT | lut2_used = 1 |
| lut3_functional_category = LUT | lut3_used = 9 | lut4_functional_category = LUT | lut4_used = 2 |
| lut5_functional_category = LUT | lut5_used = 14 | lut6_functional_category = LUT | lut6_used = 7 |
Table A5.
Slice logic.
Table A5.
Slice logic.
| f7_muxes_available = 16300 | f7_muxes_fixed = 0 | f7_muxes_used = 0 | f7_muxes_util_percentage = 0.00 |
| f8_muxes_available = 8150 | f8_muxes_fixed = 0 | f8_muxes_used = 0 | f8_muxes_util_percentage = 0.00 |
| lut_as_logic_available = 20800 | lut_as_logic_fixed = 0 | lut_as_logic_used = 31 | lut_as_logic_util_percentage = 0.15 |
| lut_as_memory_available = 9600 | lut_as_memory_fixed = 0 | lut_as_memory_used = 0 | lut_as_memory_util_percentage = 0.00 |
| register_as_flip_flop_available = 41600 | register_as_flip_flop_fixed = 0 | register_as_flip_flop_used = 39 | register_as_flip_flop_util_percentage = 0.09 |
| register_as_latch_available = 41600 | register_as_latch_fixed = 0 | register_as_latch_used = 0 | register_as_latch_util_percentage = 0.00 |
| slice_luts_available = 20800 | slice_luts_fixed = 0 | slice_luts_used = 31 | slice_luts_util_percentage = 0.15 |
| slice_registers_available = 41600 | slice_registers_fixed = 0 | slice_registers_used = 39 | slice_registers_util_percentage = 0.09 |
| lut_as_distributed_ram_fixed = 0 | lut_as_distributed_ram_used = 0 | lut_as_logic_available = 20800 | lut_as_logic_fixed = 0 |
| lut_as_logic_used = 31 | lut_as_logic_util_percentage = 0.15 | lut_as_memory_available = 9600 | lut_as_memory_fixed = 0 |
| lut_as_memory_used = 0 | lut_as_memory_util_percentage = 0.00 | lut_as_shift_register_fixed = 0 | lut_as_shift_register_used = 0 |
| lut_in_front_of_the_register_is_unused_fixed = 0 | lut_in_front_of_the_register_is_unused_used = 12 | lut_in_front_of_the_register_is_used_fixed = 12 | lut_in_front_of_the_register_is_used_used = 8 |
| register_driven_from_outside_the_slice_fixed = 8 | register_driven_from_outside_the_slice_used = 20 | register_driven_from_within_the_slice_fixed = 20 | register_driven_from_within_the_slice_used = 19 |
| slice_available = 8150 | slice_fixed = 0 | slice_registers_available = 41600 | slice_registers_fixed = 0 |
| slice_registers_used = 39 | slice_registers_util_percentage = 0.09 | slice_used = 24 | slice_util_percentage = 0.29 |
| slicel_fixed = 0 | slicel_used = 13 | slicem_fixed = 0 | slicem_used = 11 |
| unique_control_sets_available = 8150 | unique_control_sets_fixed = 8150 | unique_control_sets_used = 6 | unique_control_sets_util_percentage = 0.07 |
| using_o5_and_o6_fixed = 0.07 | using_o5_and_o6_used = 5 | using_o5_output_only_fixed = 5 | using_o5_output_only_used = 0 |
References
- Noorsal, E.; Sooksood, K.; Xu, H.; Hornig, R.; Becker, J.; Ortmanns, M. A Neural Stimulator Frontend with High-Voltage Compliance and Programmable Pulse Shape for Epiretinal Implants. IEEE J. Solid-State Circuits 2012, 47, 244–256. [Google Scholar] [CrossRef]
- Bloch, E.; Luo, Y.; Da Cruz, L. Advances in retinal prosthesis systems. Ther. Adv. Ophthalmol. 2019, 11, 2515841418817501. [Google Scholar] [CrossRef] [PubMed]
- Kofman, K.E.; Buckley, T.; McGrouther, D.A. Complications of transcutaneous metal devices. Eur. J. Plast. Surg. 2012, 35, 673–682. [Google Scholar] [CrossRef] [PubMed][Green Version]
- Jegadeesan, R.; Nag, S.; Agarwal, K.; Thakor, N.V.; Guo, Y. Enabling Wireless Powering and Telemetry for Peripheral Nerve Implants. IEEE J. Biomed. Health Inform. 2015, 19, 958–970. [Google Scholar] [CrossRef] [PubMed]
- Kim, J.; Basham, E.; Pedrotti, K.D. Geometry-based optimization of radio-frequency coils for powering neuroprosthetic implants. Med. Biol. Eng. Comput. 2013, 51, 123–134. [Google Scholar] [CrossRef] [PubMed]
- Jow, U.-M.; Ghovanloo, M. Design and Optimization of Printed Spiral Coils for Efficient Transcutaneous Inductive Power Transmission. IEEE Trans. Biomed. Circuits Syst. 2007, 1, 193–202. [Google Scholar] [CrossRef] [PubMed]
- Kendir, G.; Liu, W.; Wang, G.; Sivaprakasam, M.; Bashirullah, R.; Humayun, M.; Weiland, J. An optimal design methodology for inductive power link with class-E amplifier. IEEE Trans. Circuits Syst. I Regul. Pap. 2005, 52, 857–866. [Google Scholar] [CrossRef]
- Ko, W.H.; Liang, S.P.; Fung, C.D.F. Design of radio-frequency powered coils for implant instruments. Med. Biol. Eng. Comput. 1977, 15, 634–640. [Google Scholar] [CrossRef] [PubMed]
- Donaldson, N.D.N.; Perkins, T.A. Analysis of resonant coupled coils in the design of radio frequency transcutaneous links. Med. Biol. Eng. Comput. 1983, 21, 612–627. [Google Scholar] [CrossRef] [PubMed]
- Li, Y.; Zhao, J.; Yang, Q.; Liu, L.; Ma, J.; Zhang, X. A Novel Coil with High Misalignment Tolerance for Wireless Power Transfer. IEEE Trans. Magn. 2019, 55, 1–4. [Google Scholar] [CrossRef]
- Ahn, H.R.; Kim, M.S.; Kim, Y.J. Inductor array for minimizing transfer efficiency decrease of wireless power transmis-sion components at misalignment. Electron. Lett. 2014, 50, 393–394. [Google Scholar] [CrossRef]
- Rendon-Nava, A.E.; Díaz-Méndez, J.A.; Nino-De-Rivera, L.; Calleja-Arriaga, W.; Gil-Carrasco, F.; Diaz-Alonso, D. Study of the Effect of Distance and Misalignment between Magnetically Coupled Coils for Wireless Power Transfer in Intraocular Pressure Measurement. Sci. World J. 2014, 2014, 692434. [Google Scholar] [CrossRef] [PubMed]
- Qian, L.; Qian, K.; Shi, Y.; Xia, H.; Wang, J.; Xia, Y. TSV Based Orthogonal Coils with High Misalignment Tolerance for Inductive Power Transfer in Biomedical Implants. IEEE Trans. Circuits Syst. II Express Briefs 2021, 68, 1832–1836. [Google Scholar] [CrossRef]
- Zawawi, R.B.A.; Abbasi, W.H.; Kim, S.-H.; Choi, H.; Kim, J. Wide-Supply-Voltage-Range CMOS Bandgap Reference for In Vivo Wireless Power Telemetry. Energies 2020, 13, 2986. [Google Scholar] [CrossRef]
- Zawawi, R.B.A.; Choi, H.; Kim, J. High-PSRR Wide-Range Supply-Independent CMOS Voltage Reference for Retinal Prosthetic Systems. Electronics 2020, 9, 2028. [Google Scholar] [CrossRef]
Publisher’s Note: MDPI stays neutral with regard to jurisdictional claims in published maps and institutional affiliations. |
© 2022 by the authors. Licensee MDPI, Basel, Switzerland. This article is an open access article distributed under the terms and conditions of the Creative Commons Attribution (CC BY) license (https://creativecommons.org/licenses/by/4.0/).








